CANOPEN_DSP402运动控制简介
- 格式:pdf
- 大小:2.14 MB
- 文档页数:31
CANopen使⽤⼿册(V1.00)CAN open使⽤⼿册ProNet伺服驱动器ESTUN修订记录⽇期修订版本描述作者2009/4/25 1.00 初稿完成移振华2009/9/22 1.00 增加第8章移振华—— ⽬录 ——1、概述 (5)1.1 CAN 主要相关⽂档 (5)1.2 本⼿册使⽤的术语和缩语 (5)1.3 CANopen概述 (6)2、接线和连接 (7)3、CANopen通讯 (8)3.1 CAN标识符分配表 (9)3.2 服务数据对象SDO (10)3.3 过程数据对象PDO (12)3.3.1 PDO参数 (14)3.4 SYNC报⽂ (20)3.5 Emergency报⽂ (21)3.6 HEARTBEAT报⽂ (23)3.7⽹络管理(NMT) (24)4、单位换算单元(Factor Group) (26)4.1 单位换算相关参数 (27)4.1.1 position factor (27)4.1.2 velocity factor (29)4.1.3 acceleration factor (30)5、位置控制功能 (31)5.1 位置控制相关参数 (33)6、设备控制 (35)6.1 控制状态机 (35)6.2 设备控制相关参数 (36)6.2.1 controlword (37)6.2.2 statusword (38)6.2.3 shutdown_option_code (39)6.2.4 disable_operation_option_code (40)6.2.5 quick_stop_option_code (40)6.2.6 halt_option_code (41)6.2.7 fault_reaction_option_code (41)7、控制模式 (42)7.1 控制模式相关参数 (42)7.1.1 modes_of_operation (42)7.1.2 modes_of_operation_display (43)7.2 回零模式(HOMING MODE) (44)7.2.1 回零模式的控制字 (44)7.2.2 回零模式的状态字 (44)7.2.3 回零模式相关参数 (45)7.2.4 回零⽅法 (47)7.3 速度控制模式(PROFILE VELOCITY MODE) (49) 7.3.1速度模式的控制字 (49)7.3.2 速度模式的状态字 (49)7.3.3 速度控制模式相关参数 (49)7.4 位置控制模式(PROFILE POSITION MODE) (53) 7.4.1 位置模式的控制字 (53)7.4.2 位置模式的状态字 (53)7.4.3 位置控制相关参数 (54)7.4.4 功能描述 (56)8、CAN通讯相关参数 (58)附录对象字典表 (59)1、概述1.1 CAN 主要相关⽂档Document Name Source 3014.01: CiAVDSCiACANopen Communication Profilefor Industrial Systems - based on CALCiA DSP 402 V 2.0: CiACANopen Device Profile1.2 本⼿册使⽤的术语和缩语CAN控制器局域⽹CiA在⾃动化国际⽤户和制造商协会中的 CAN。
一、CAN和CANopen简介CAN总线全称为Controller Area Network即控制器局域网是国际上应用最广泛的现场总线之一,已经在汽车制造、机械制造、包装机械、烟草等行业得到了广泛的应用。
CAN总线是德国BOSCH公司从80年代初为解决现代汽车中众多的控制与测试仪器之间的数据交换而开发的一种串行数据通信协议,它是一种多主总线,通信介质可以是双绞线、同轴电缆或光导纤维。
通信速率可达1MBPS。
CAN总线通信接口中集成了CAN协议的物理层和数据链路层功能,可完成对通信数据的成帧处理,包括位填充、数据块编码、循环冗余检验、优先级判别等项工作。
CAN协议的一个最大特点是废除了传统的站地址编码,而代之以对通信数据块进行编码。
采用这种方法的优点可使网络内的节点个数在理论上不受限制,数据块的标识码可由11位或29位二进制数组成,因此可以定义211或229个不同的数据块,这种按数据块编码的方式,还可使不同的节点同时接收到相同的数据,这一点在分布式控制系统中非常有用。
数据段长度最多为8个字节,可满足通常工业领域中控制命令、工作状态及测试数据的一般要求。
同时,8个字节不会占用总线时间过长,从而保证了通信的实时性。
CAN协议采用CRC检验并可提供相应的错误处理功能,保证了数据通信的可靠性。
CAN卓越的特性、极高的可靠性和独特的设计,特别适合工业过程监控设备的互连,因此,越来越受到工业界的重视,并已公认为最有前途的现场总线之一。
另外,CAN总线采用了多主竞争式总线结构,具有多主站运行和分散仲裁的串行总线以及广播通信的特点。
CAN总线上任意节点可在任意时刻主动地向网络上其它节点发送信息而不分主次,因此可在各节点之间实现自由通信。
CAN总线协议已被国际标准化组织认证,技术比较成熟,控制的芯片已经商品化,性价比高,特别适用于分布式测控系统之间的数通讯。
CAN总线插卡可以任意插在PC、AT、XT兼容机上,方便地构成分布式监控系统。
基于分布式运动控制系统 CANopen 简介基于分布式运动控制系统 CANopen 简介徐国平 运动控制产品经理深圳市泰科智能伺服技术有限公司Techsoft motion (Shenzhen) technology Ltd.2009 年 7 月 8 日 © Techsoft深圳市泰科智能伺服技术有限公司概述基于分布式运动控制系统 CANopen 简介◇ 分布式控制与集中式运动控制系统的比较 ◇ CAN物理层 ◇ CANopen协议 ◇ 驱动器与运动控制设备概述 ◇ 多轴同步协调运动 ◇ IDMxxx(CAN/CANopen)系列全数字通用伺服驱动器2009 年 7 月 8 日 © Techsoft深圳市泰科智能伺服技术有限公司1基于分布式运动控制系统 CANopen 简介分布式与集中式运动控制系统的比较◇ 集中式运动控制系统• 多轴运动控制卡或控制器 • 位置/速度/转矩伺服驱动器或放大器 • 电机2009 年 7 月 8 日 © Techsoft深圳市泰科智能伺服技术有限公司2集中式运动控制系统组成部分◇ 控制器• PC运动控制卡 • 独立式运动控制器 • +/- 10V命令信号◇ 驱动器或放大器• 位置/速度/转矩模式 • 模拟量或数字量驱动器◇电 机• 旋转或直线伺服电机 • 步进、有刷、无刷伺服电机基于分布式运动控制系统 CANopen 简介2009 年 7 月 8 日 © Techsoft深圳市泰科智能伺服技术有限公司3集中式运动控制系统的缺点◇ 控制轴数相对性能的限制性 ◇ 控制器轴数相对所需应用轴数的限制性 ◇ 模拟量命令信号的限制性 ◇ 驱动器或放大器诊断的限制性 ◇ 电机反馈到驱动器与控制器都必需接线 ◇ 接线复杂、成本高、可靠性降低基于分布式运动控制系统 CANopen 简介2009 年 7 月 8 日 © Techsoft深圳市泰科智能伺服技术有限公司4分布式运动控制系统◇ 分布式运动控制系统主控制器 驱动器 电机基于分布式运动控制系统 CANopen 简介2009 年 7 月 8 日 © Techsoft深圳市泰科智能伺服技术有限公司5分布式运动控制系统的组成部分◇ 控制器• 计算机 • 独立式控制器 • 数字网络 (设备总线,现场总线,网络)◇ 驱动器• 位置,速度,转矩模式 • 带网络接口的数字伺服驱动器◇ 电机• 旋转或直线伺服电机 • 步进、有刷、无刷伺服电机基于分布式运动控制系统 CANopen 简介2009 年 7 月 8 日 © Techsoft深圳市泰科智能伺服技术有限公司6分布式运动控制系统的优势◇ 主控制器选择简单 ◇ 全数字命令信号 ◇ 全驱动器诊断 ◇ 仅电机到驱动器之间反馈必须接线 ◇ 整体体积减小 ◇ 整体接线减少• 降低成本 • 降低复杂性 • 提高可靠性◇ 减少系统成本• 驱动器成本增加 • 省掉了多轴运动控制器成本 • 减少了接线成本2009 年 7 月 8 日 © Techsoft基于分布式运动控制系统 CANopen 简介深圳市泰科智能伺服技术有限公司7CAN 物理层基于分布式运动控制系统 CANopen 简介◇ CAN(Controller Area Network),由 BOSCH 公司原创,ISO-11898 标准 ◇ 1Mbit/s 传输速度时距离可达 30 米 ◇ 多路访问冲突侦测+非破坏性解决 ◇ CAN2.0A(11 位标识符)或 CAN2.0B(29 位标识符) ◇ 冲击噪声免疫 ◇ 总线结构(3 线) ◇ 硬件自动检测与处理错误2009 年 7 月 8 日 © Techsoft深圳市泰科智能伺服技术有限公司8CAN 物理层◇ 数据帧(CAN Message)• SOF: 帧起始域 • Arbitration Field: 仲裁域Identifier: 标识符 RTR • Control Field: 控制域 • Data Field: 数据域 • CRC Field: 循环沉余校验域 • ACK Field: 应答域 • EOF Field: 帧结束域基于分布式运动控制系统 CANopen 简介2009 年 7 月 8 日 © Techsoft深圳市泰科智能伺服技术有限公司9。
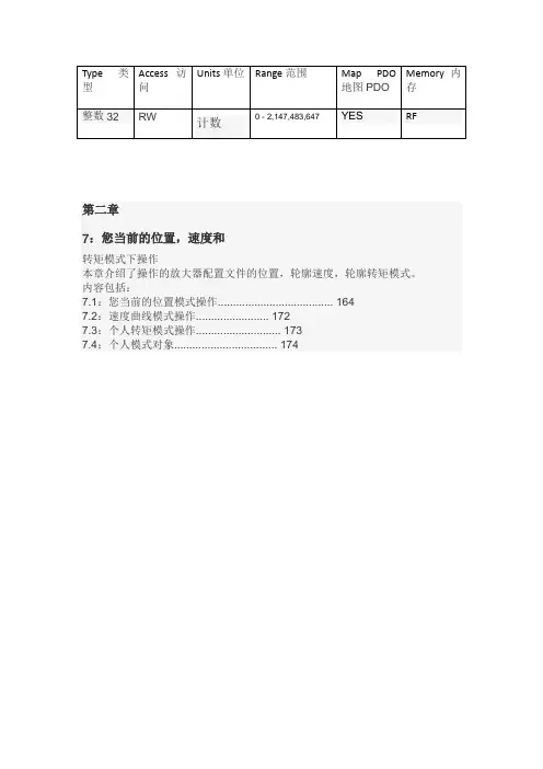
第二章7:您当前的位置,速度和转矩模式下操作本章介绍了操作的放大器配置文件的位置,轮廓速度,轮廓转矩模式。
内容包括:7.1:您当前的位置模式操作 (164)7.2:速度曲线模式操作 (172)7.3:个人转矩模式操作 (173)7.4:个人模式对象 (174)7.1:您当前的位置模式操作点至点的运动曲线在轮廓位置模式中,一个放大器接收从该轨迹发生器的设定点来定义一个目标位置,并在指定的速度和加速度的轴移动到该位置。
这被称为一个点至点移动。
放大器进行配置文件的位置移动配置文件中的位置模式(操作模式[索引0x6060,第59页] = 1)。
过冲在点至点的移动,被称为过冲的加速度变化率。
在某些应用中,高速率的过冲可能会导致过度的机械磨损或材料损坏。
梯形和S形曲线的运动曲线为了支持不同级别的混蛋性,轮廓位置模式支持两种运动模式:梯形的个人主页上,有无限的混蛋,冲击有限的S-曲线(正弦)资料。
在梯形配置,过冲是无限的档案(开始的移动,当达到目标速度时,开始减速时,并在端部的举动)在角部。
S-曲线分析限制猛拉或“平滑”的议案。
需要注意的是S型曲线移动不支持独立的减速率。
相反,被施加的加速度率的加速和减速的举动。
此外,梯形和配置文件的位置特殊速度模式下的配置文件都支持改变当前移动的参数,而S型曲线不。
在处理一系列的点至点的移动,对这种差异进行了讨论。
165。
运动曲线类型的对象(索引0x6086,第178页)控制使用的是哪种类型的配置文件。
选择梯形或S曲线的指导,请阅读以下章节,然后梯形与S曲线的一些设计注意事项,P。
171。
(科普利控制,CANopen总线放大器还支持配置文件位置的特殊速度模式。
此配置文件类型类似于梯形的轮廓,但没有指定目标位置。
运动服从加速,减速和速度的限制,但继续移动,仿佛目标位置是无限的。
)相对与绝对运动在相对的移动目标位置被添加到的瞬时指令位置,其结果是在移动目的地。
以绝对移动,目标位置的偏移量从起始位置处理一系列的点至点移动一系列的点至点的移动处理的方法有两种:•作为一系列离散的配置文件(支持梯形和S型曲线移动)•作为一个连续的轮廓(梯形剖面支持移动)按照这两种方法的一般描述。
基于分布式运动控制系统 基于分布式运动控制系统 CANopen 简介基于分布式运动控制系统 基于分布式运动控制系统 分布式运动控制 CANopen 简介运动控制产品 产品经理 徐国平 运动控制产品经理深圳市泰科智能伺服技术有限公司Techsoft motion (Shenzhen) technology Ltd.2009 年 7 月 8 日 © Techsoft深圳市泰科智能伺服技术有限公司基于分布式运动控制系统 基于分布式运动控制系统 CANopen 简介概 述分布式控制与集中式运动控制系统的比较 控制系统 ◇ 分布式控制与集中式运动控制系统的比较 ◇ CAN物理层 物理层 ◇ CANopen协议 协议 ◇ 驱动器与运动控制设备概述 驱动器与运动控制设备概述 多轴同步 同步协调运动 ◇ 多轴同步协调运动 ◇ IDMxxx(CAN/CANopen)系列全数字通用伺服驱动器 ( )系列全数字通用伺服驱动器 通用伺服2009 年 7 月 8 日 © Techsoft深圳市泰科智能伺服技术有限公司1基于分布式运动控制系统 基于分布式运动控制系统 CANopen 简介分布式与集中式运动控制系统的比较 分布式与集中式运动控制系统的比较 控制系统集中式运动控制 控制系统 ◇ 集中式运动控制系统• • • 多轴运动控制卡或控制器 多轴运动控制卡或控制器 位置/速度 转矩伺服驱动器 位置 速度/转矩伺服驱动器或放大器 速度 转矩伺服驱动器或放大器 电机2009 年 7 月 8 日 © Techsoft深圳市泰科智能伺服技术有限公司2基于分布式运动控制系统 基于分布式运动控制系统 CANopen 简介集中式运动控制系统组成部分 集中式运动控制系统组成部分 式运动控制系统组成◇ 控制器• • • PC运动控制卡 运动控制卡 独立式运动控制器 独立式运动控制器 +/- 10V命令信号 命令信 命令◇ 驱动器或放大器• • 位置/速度 转矩 位置 速度/转矩模式 速度 转矩模式 模拟量或数字量驱动器 模拟量或数字量驱动器◇ 电 机• • 旋转或直线伺服电机 旋转或直线伺服电机 步进、有刷、无刷伺服电机 步进、有刷、无刷伺服电机2009 年 7 月 8 日 © Techsoft深圳市泰科智能伺服技术有限公司3基于分布式运动控制系统 基于分布式运动控制系统 CANopen 简介集中式运动控制系统的缺点 集中式运动控制系统的缺点 式运动控制系统控制轴数 轴数相对性能的限制性 ◇ 控制轴数相对性能的限制性 控制器轴数相对所需应用轴数的限制性 相对所需应用轴数的 ◇ 控制器轴数相对所需应用轴数的限制性 模拟量命令信号的限制 量命令信号的限制性 ◇ 模拟量命令信号的限制性 驱动器或放大器诊断的限制性 放大器诊断的限制 ◇ 驱动器或放大器诊断的限制性 电机反馈到驱动器与控制器都必 反馈到驱动器 ◇ 电机反馈到驱动器与控制器都必需接线 接线复杂、成本高、可靠性降低 ◇ 接线复杂、成本高、可靠性降低2009 年 7 月 8 日 © Techsoft深圳市泰科智能伺服技术有限公司4基于分布式运动控制系统 基于分布式运动控制系统 CANopen 简介分布式运动控制系统 分布式运动控制系统 运动控制布式运动控制系统 运动控制 ◇ 分布式运动控制系统主控制器 驱动器 电机2009 年 7 月 8 日 © Techsoft深圳市泰科智能伺服技术有限公司5基于分布式运动控制系统 基于分布式运动控制系统 CANopen 简介分布式运动控制系统的组成部 分布式运动控制系统的组成部分 运动控制系统◇ 控制器• • • 计算机 独立式控制器 设备总线, 数字网络 (设备总线,现场总线,网络 设备总线 现场总线,网络)◇ 驱动器• • 位置,速度,转矩模式 位置,速度,转矩模式 带网络接口的数字伺服驱动器 网络接口的数字伺服驱动器◇ 电机• • 旋转或直线伺服电机 旋转或直线伺服电机 步进、有刷、无刷伺服电机 步进、有刷、无刷伺服电机2009 年 7 月 8 日 © Techsoft深圳市泰科智能伺服技术有限公司6基于分布式运动控制系统 基于分布式运动控制系统 CANopen 简介分布式运动控制系统的优势 布式运动控制系统的优势 运动控制系统主控制器选择简单 ◇ 主控制器选择简单 ◇ 全数字命令信号 ◇ 全驱动器诊断 仅电机到驱动器之间反馈必须 之间反馈必须接线 ◇ 仅电机到驱动器之间反馈必须接线 整体体积 体积减小 ◇ 整体体积减小 ◇ 整体接线减少• • • 降低成本 降低复杂性 提高可靠性减少系统成本 ◇ 减少系统成本• • • 驱动器成本增加 驱动器成本增加 省掉了多轴运动控制器成本 多轴运动控制器成本 运动控制器 减少了接线成本 减少了接线成本2009 年 7 月 8 日 © Techsoft深圳市泰科智能伺服技术有限公司7基于分布式运动控制系统 基于分布式运动控制系统 CANopen 简介CAN 物理层公司原创 原创, ◇ CAN(Controller Area Network),由 BOSCH 公司原创,ISO-11898 标准 , 传输速度 速度时 ◇ 1Mbit/s 传输速度时距离可达 30 米 多路访问冲突侦测+非破坏性 非破坏性解决 ◇ 多路访问冲突侦测 非破坏性解决 标识符)或 位标识符) ◇ CAN2.0A(11 位标识符 或 CAN2.0B(29 位标识符 ◇ 冲击噪声免疫 总线结构( ◇ 总线结构(3 线) 硬件自动检测 处理错误 检测与 ◇ 硬件自动检测与处理错误2009 年 7 月 8 日 © Techsoft深圳市泰科智能伺服技术有限公司8基于分布式运动控制系统 基于分布式运动控制系统 CANopen 简介CAN 物理层数据帧( ◇ 数据帧(CAN Message) )• • SOF: 帧起始域 帧起始域 Arbitration Field: 仲裁域 Identifier: 标识符 RTR • • • • • Control Field: 控制域 Data Field: 数据域 CRC Field: 循环沉余校验域 循环沉余校验域 ACK Field: 应答域 EOF Field: 帧结束域2009 年 7 月 8 日 © Techsoft深圳市泰科智能伺服技术有限公司9基于分布式运动控制系统 基于分布式运动控制系统 CANopen 简介CAN 物理层◇ Arbitration Field(仲裁域) (仲裁域)• • CAN2.0A : 11 位标识符 CAN2.0B: 29 位标识符位填充) ◇ Bit Stuffing (位填充 位填充• 个连续相同的位后,插入一个反极性的位 极性的位(最大可达 填充位) 在 5 个连续相同的位后,插入一个反极性的位 最大可达 19 填充位总线仲裁 ◇ Bus Arbitration (总线仲裁) 总线仲Identifier S O F标识符节点 1节点 2非优先级Listening only (仅收听)总线电平优先级2009 年 7 月 8 日 © Techsoft深圳市泰科智能伺服技术有限公司10基于分布式运动控制系统 基于分布式运动控制系统 CANopen 简介CAN 物理层总线时序) ◇ Bus Timing (总线时序 总线时序最差情况下消息长度是 130 位 情况下消息长度是 消息长度波特率 1 Mbit/s 800 kbit/s 500 kbit/s 250 kbit/s 125 kbit/s 62.5 kbit/s 20 kbit/s 10 kbit/s总线长度 30 m 50 m 100 m 250 m 500 m 1000 m 2500 m 5000 m正常响应时间 正常响应时间 1 µs 1.25 µs 2 µs 4 µs 8 µs 20 µs 50 µs 100 µs等待时间 等待时间 130 µs 162.5 µs 260 µs 520 µs 1.04 ms 2.08 ms 6.50 ms 13 ms2009 年 7 月 8 日 © Techsoft深圳市泰科智能伺服技术有限公司11基于分布式运动控制系统 基于分布式运动控制系统 CANopen 简介CANopen 协议标准的开放 的开放工业网络协议 ◇ 基于 CAN 标准的开放工业网络协议 用于自动化领域 领域(CiA) ◇ CAN 用于自动化领域• • • • 德国) 非盈利组织 (德国 德国 众多员 众多员成 通过一致性测试 通过一致性测试◇ CANopen 概述设备概述 设备概述I/O 模块 驱动器与 驱动器与运动控制 编码器 …标准化 功能可选性 功能可选性 可选2009 年 7 月 8 日 © Techsoft深圳市泰科智能伺服技术有限公司12基于分布式运动控制系统 基于分布式运动控制系统 CANopen 简介设备概述 设备概述◇ 对象词典通过 CAN 网络可获取对象 类似于内存寻址 位子索引来获 每一个对象通过 16 位索引或者 8 位子索引来获取索引 (hex) 0000 0001-001F 0020-003F 0040-005F 0060-007F 0080-009F 00A0-0FFF 1000-1FFF 2000-5FFF 6000-9FFF A000-FFFF 对象 不用 静态数据类型 复杂数据类型 制造商特殊的复杂数据类型 制造商特殊的复杂数据类型 装置设备特殊的静态数据类型 装置设备特殊的静态数据类型 设备特殊的 装置设备特殊的复杂数据类型 装置设备特殊的复杂数据类型 保留为将来用 保留为将来用 通讯区域 制造商特殊区域 制造商特殊区域 标准化的装置设备区域 标准化的装置设备区域 装置 保留为将来用 保留为将来用2009 年 7 月 8 日 © Techsoft深圳市泰科智能伺服技术有限公司13基于分布式运动控制系统 基于分布式运动控制系统 CANopen 简介CANopen 通讯模式草稿标准 :应用层 ◇ CiA 草稿标准 301(DS301) 应用层与通讯概述 ( ) 应用层与通讯概 : 个节点( ◇ 可达 127 个节点(CAN2.0A) ) 标识符(COB-ID) ◇ CAN 标识符• • 功能码: 功能码:位 7...10 节点 ID:位 0...6 :消息类型( ◇ 消息类型(Message Types) )Message NMT SYNC TIME STAMP EMERGENCY PDO SDO NMT Error Control 描述 网络管理 (广播发送) 同步消息 (广播发送) 时间标记 (广播发送) 紧急消息 过程数据对象 服务数据对象 服务数据对象 数据 网络管理错误控制 COB-ID 0h 80h 100h 81h - FFh 181h - 57Fh 581h - 67Fh 701h - 77Fh2009 年 7 月 8 日 © Techsoft深圳市泰科智能伺服技术有限公司14基于分布式运动控制系统 基于分布式运动控制系统 CANopen 简介CANopen 消息网络管理) ◇ NMT (网络管理)• • • • • 起始节点 停止节点 送入前一次的操作 复位节点 复位通信 复位通信◇ SYNC (同步) 同步)• • 广播时钟 同步 PDO 消息触发器◇ TIME STAMP(时间标记) (时间标记)• 广播信息包含节点时钟同步时间◇ EMERGENCY(紧急) (紧急)• 由错误事件中的某个节点发出消息,错误信息包含在数据域中 由错误事件中的某个节点发出消息,错误信息包含在数据域中◇ NMT Error Control(错误控制) (错误控制)• • 节点监护 启动2009 年 7 月 8 日 © Techsoft深圳市泰科智能伺服技术有限公司15基于分布式运动控制系统 基于分布式运动控制系统 CANopen 简介CANopen 消息程数据对象( ◇ 过程数据对象(PDO) )未经确认的消息 用于实时数据传输 与设备对象字典通信(映射) 设备对象字 通信(映射) 传送或者接收 或者接收 同步( 同步(基于 SYNC)或异步 ) 触发模式 事件驱动( 事件驱动(例如 SYNC) ) 定时器驱动 远程请求2009 年 7 月 8 日 © Techsoft深圳市泰科智能伺服技术有限公司16基于分布式运动控制系统 基于分布式运动控制系统 CANopen 简介CANopen 消息服务数据对象( 数据对象 ◇ 服务数据对象(SDO) )确认消息 用于设置和配置 用于访问设备对象字 用于访问设备对象字典 访问设备对象 可用于所有的变量类型(8 位,16 位,32 位...) 用于所有的变量类型( )2009 年 7 月 8 日 © Techsoft深圳市泰科智能伺服技术有限公司17基于分布式运动控制系统 基于分布式运动控制系统 CANopen 简介驱动器与运动控制设备概 驱动器与运动控制设备概述草稿标准 ◇驱动器与运动控制设备概述:CiA 草稿标准 DSP-402 驱动器与运动控制设备概述 标准访问 访问对象字典 ◇ 使用 DS301 标准访问对象字典 设备控制 机器状态 控制( 状态) ◇ 设备控制(机器状态) ◇ 操作模式回原点模式 位置曲线模式 位置曲线模式 曲线 插补位置模式 速度曲线模式 速度曲线模式 曲线 转矩曲线模式 转矩曲线模式 曲线 速度模式(频率转换器) 速度模式(频率转换器)制造商指定 指定对象 ◇ 制造商指定对象2009 年 7 月 8 日 © Techsoft深圳市泰科智能伺服技术有限公司18基于分布式运动控制系统 基于分布式运动控制系统 CANopen 简介装置设备控制 装置设备控制机器状态 ◇ 机器状态• • • 控制字 状态字 操作模 操作模式选择◇ 比例因子集• 位置、速度、 位置、速度、加速度比例因子2009 年 7 月 8 日 © Techsoft深圳市泰科智能伺服技术有限公司19基于分布式运动控制系统 基于分布式运动控制系统 CANopen 简介位置模式◇ 位置控制功能• • • • • 位置查询 实际位置 跟踪误差 瞬时位置窗口 位置控制参数设定 位置控制参数设定位置曲线 曲线模式 ◇ 位置曲线模式• • • • 目标位置 位置限制 速度曲线 速度曲线 加速度或减速度曲线 速度或减速度2009 年 7 月 8 日 © Techsoft深圳市泰科智能伺服技术有限公司20基于分布式运动控制系统 基于分布式运动控制系统 CANopen 简介回原点模式原点偏移量 ◇ 回原点偏移量 ◇ 回原点方式• • • 回原点开关 编码器索引 回原点开关+编码器索引 原点开关 编码器索引◇ 回原点速度 ◇ 回原点加速度2009 年 7 月 8 日 © Techsoft深圳市泰科智能伺服技术有限公司21基于分布式运动控制系统 基于分布式运动控制系统 CANopen 简介速度曲线模式 速度曲线模式 曲线◇ 目标速度 ◇ 实际速度 瞬时速度窗口 ◇ 瞬时速度窗口 ◇ 零速度窗口 ◇ 速度跟踪误差 速度控制参数设定 ◇ 速度控制参数设定2009 年 7 月 8 日 © Techsoft深圳市泰科智能伺服技术有限公司22基于分布式运动控制系统 基于分布式运动控制系统 CANopen 简介转矩曲线模式 转矩曲线模式 曲线◇ 目标转矩 ◇ 实际转矩 ◇ 转矩控制参数设定2009 年 7 月 8 日 © Techsoft深圳市泰科智能伺服技术有限公司23基于分布式运动控制系统 基于分布式运动控制系统 CANopen 简介多轴同步协调运动 多轴同步协调运动 同步◇ 多轴轮廓线 每一轴位置相对时间插补 位置相对时间插补( 曲线) ◇ 每一轴位置相对时间插补(PT 曲线) 曲线分段 ◇ 曲线分段2009 年 7 月 8 日 © Techsoft深圳市泰科智能伺服技术有限公司24基于分布式运动控制系统 基于分布式运动控制系统 CANopen 简介多轴同步协调运动 多轴同步协调运动 同步◇ PVT 曲线• • • • • 每段的终点位置与速度 段的终点位置与 每段的时间 在段与段之间进行三次方立体插补 在段与段之间进行三次方立体插补 进行三次方立体 专用的 COB-ID 未最好认可的 8 个数据字节消息 最好认可的 位置--3 位置 字节 速度--3 速度 字节 时间--1 字节( 毫秒) 时间 字节(1--255 毫秒) 计数器--1 计数器 字节◇ Message(消息 消息) 消息•为启动用 广播消息 为启动用的广播消息◇ 同步2009 年 7 月 8 日 © Techsoft深圳市泰科智能伺服技术有限公司25基于分布式运动控制系统 基于分布式运动控制系统 CANopen 简介多轴同步协调运动 多轴同步协调运动 同步PVT1,NODE1 PVT2,NODE1 PVT3,NODE1 PVT4,NODE1PVT1,NODE2 PVT2,NODE2 PVT3,NODE2 PVT4,NODE2PVT1,NODE3 PVT2,NODE3 PVT3,NODE3 PVT4,NODE3GND CAN_L CAN_HPVT4 PVT3 PVT2 PVT1PVT4 PVT3 PVT2 PVT1PVT4 PVT3 PVT2 PVT12009 年 7 月 8 日 © Techsoft深圳市泰科智能伺服技术有限公司26基于分布式运动控制系统 基于分布式运动控制系统 CANopen 简介多轴同步协调运动 多轴同步协调运动 同步缓冲区(Buffer) ◇ 缓冲区• • • 15 级 FIFO 缓冲区指针 缓冲区复位 缓冲区复位错误消息(Error messages) ◇ 错误消息• • • • 缓冲区空 缓冲区满 不正确的计数器值 不正确的计数器值 不正确的消息长度 不正确的消息长度2009 年 7 月 8 日 © Techsoft深圳市泰科智能伺服技术有限公司27基于分布式运动控制系统 基于分布式运动控制系统 CANopen 简介多轴同步协调运动 多轴同步协调运动 同步◇ 主控制器• • • • • • 运动轨迹 轨迹分段 轨迹分段 生成 PVT 线段 缓冲区管理 网络管理 系统控制◇ 性 能• • • 网络带宽: 总线的 网络带宽:CAN 总线的整体负载 带宽 精度:分段时间及 精度:分段时间及插补 网络轴数 网络轴数2009 年 7 月 8 日 © Techsoft深圳市泰科智能伺服技术有限公司28基于分布式运动控制系统 基于分布式运动控制系统 CANopen 简介IDMxxx(CAN/CANopen)系列全数字通用伺服驱动器 ( 通用伺服 )系列全数字通用伺服驱动器◇ 基于最新 DSP 电机控制技术 数字化电流、速度、 ◇ 全数字化电流、速度、位置环 ◇ 全可编程 ◇ 遵从 DS301 和 DSP402 标准 ◇ DIP 开关设置 CAN 地址 多类反馈 反馈接口 ◇ 多类反馈接口 可编程光电隔离数字量 光电隔离数字量输入和输出 ◇ 可编程光电隔离数字量输入和输出 模拟量 ◇ 模拟量输入和输出 电机与逻辑电源分开供 逻辑电源分开 ◇ 电机与逻辑电源分开供电 ◇ 基于 Windows 设置编程软件平台 支持电子齿轮凸轮 电子齿轮凸轮、 、 ◇ 支持电子齿轮凸轮、PT、PVT、32 种回原点模式等 、2009 年 7 月 8 日 © Techsoft深圳市泰科智能伺服技术有限公司29基于分布式运动控制系统 基于分布式运动控制系统 CANopen 简介IDMxxx(CAN/CANopen)系列全数字通用伺服驱动器 ( 通用伺服驱动器 )系列全数字通用◇ IDM640-8EIA直流有刷、无刷(正弦波或方波) 、 直流有刷、无刷(正弦波或方波) 有刷 直线,步进电机 直线,步进电机 16A 峰值电流 8A 连续电流 12—48VDC 逻辑供电,12-80VDC 电机供电 逻辑供电 供电, 逻辑电源与电机电源共地 逻辑电源与电机电源共地 电源与电机电源◇ IDM240-5EIA直流有刷、无刷(正弦波或方波) 、 直流有刷、无刷(正弦波或方波) 直线, 直线,步进电机 16A 峰值电流 5A 连续电流 12—48VDC 单一电源供电未来....... ◇ 未来2009 年 7 月 8 日 © Techsoft 深圳市泰科智能伺服技术有限公司30。
CANopen笔记3--DS402运动控制⼦协议 DS301就是⼀个通讯协议栈,DS402是建⽴在DS301基础之上的伺服类控制协议。
协议中规定好每个对象字典值的作⽤,⽐如0x6040,是控制字。
DS402把⼀个伺服控制系统应该具有的功能都定义好了,⼚家和使⽤者按照协议定义即可开发和使⽤符合标准的设备。
NMT NMT是⽹络管理报⽂,⽤于实现⼀些管理操作,⽐如节点重启、进⼊运⾏状态等,⽹络管理状态转换图如下: 初始化:设备处于启动状态,不能进⾏通信 预运⾏:设备启动完毕,还未进⼊运⾏模式。
设备仅回复SDO、NMT消息 运⾏:正常⼯作,可回复SDO、NMT、PDO 停⽌:仅能发送NMT(包括⼼跳消息) NMT报⽂格式很简单,COB-ID固定为0x000,数据为:NMT命令 + 从设备节点ID(0x00表⽰⼴播)Boot-up Messages 设备开机启动完成初始化进⼊预运⾏状态时,会产⽣boot-up事件,发送⼀条boot-up消息。
boot-up消息的COB-ID为:0x700 + Node ID。
假设节点ID为1,则该节点开机后会发送boot-up message(0x00 data, always 0)设备控制 根据DS402协议(Chapter 6:Device Control Objects),设备的状态由下图描述。
The device states and possible control sequence of the drive are described by the state machine, as depicted in the following figure: 如上图所⽰,状态机可以分成三部分:“ Power Disabled” (主电关闭)、“ Power Enabled”(主电打开)和“Fault”。
所有状态在发⽣报警后均进⼊“Fault”。
在上电后,驱动器完成初始化,然后进⼊SWITCH_ON_DISABLED状态。
It’s easy to create a CANopen compliant DSP-402 drive,isn’t it?Torsten Gedenkport GmbH, Germany1. IntroductionModern drives systems can be adapted to the most different custom-designed require-ments and integrated into all sorts of communication networks. As a robust field bus sys-tem CANopen finds increasingly use in drive applications. Therefore many users are fac-ing the necessity to integrate the CANopen communication profile into their drives.Figure 1 - Structure of a CANopen deviceThe CANopen software must provide all components necessary for a CANopen drive as represented in the figure 1.To achieve this, the following considerations play a decisive role:1. How to achieve the fastest and most cost effective implementation in conformitywith the CANopen standard?2. How is the implementation carried out?3. Which software tools are available?4. Which of these are, in addition, useful?This article describes how a CANopen drive can be developed successfully in shortest time with the aid of software tools.2. Components of a CANopen driveThe CiA has published different standards for the communication in a CANopen net-work. The available CANopen services are defined in the communication profile DS-301. Special drive functions with their parameters are defined in the "Device profiles Drives and Motion Control" DSP-402.The DSP-402 defines the behavior of a drive at the start, the configuration and the execution of motion sequences by a state machine.A CANopen drive can be divided into following parts:•drive application•communication stack and special drive profile in conformity with the standards DS-301 and DSP-402.•object dictionary•CAN driver interfaceThe drive application is not CANopen specific and therefore shall not be examined in detail. The communication interface and protocol software provide services to transmit and to receive communication objects over the bus. The object dictionary describes these data types, communication objects and application objects used in this drive.Conse-quently the most important part of a CANopen drive is the object dictionary.All data and parameter of a drive,which should be visible from CAN, are stored in the object dictio-nary and can be reached via the object dictionary.It is the interface to the application software. The application program provides the internal control functionality as well as the interface to the process hardware interfaces. The CAN driver is the interface to send and receive CAN messages.Possible realization variants are:•drive application and CANopen communication on one micro controller or•further use of the available drive controller and CANopen communication on a separate communication processor with a RS485 connection, a dual port RAM or another solu-tion for data interchange.The advantage of the first variant are the lower manufacturing costs.In contrast to that the second variant ensures that the full power of the micro controller is available for the drive control. Additionally,the reuse of existings drive components may save dev e lop-ment time.3. Software requirementsIn order to implement the CANopen functionality an individualized CANopen stack could be developed or alternatively,an already available CANopen stack could be uti-lized.The efforts for the development of an individually designed CANopen stack appears to be substantial when the necessary standards and possible requirements of implementing the CANopen conformance tests, together with the CANopen drive,are taken into considera-tion. This means that it would be preferable to invest in an available stack.Further arguments against developing an individualized CANopen stack are the benefits available to the user of a ready-made stack.These include, for example, the guaranteed updating service or the special support for implementation offered by the provider of the CANopen stack.All relevant protocol stacks on the market are written in ANSI-C and therefore cover the main use case since more than 90% of the drive software is implemented in this program-ming language.This does not rule out that special parts of the drive control are written in assembler.Depending on the drive application to be realized the operation modes have to be imple-mented and their extent have to be defined. DSP-402defines operating modes with mandatory objects for each mode.Additional functionality can be implemented by optional objects and even manufacturer specific objects.The design of the CANopen interface to an existing drive application depends a lot on the requirements and on the structure of the application.The interface can contain:•the state machines defined in DS-301 and DSP-402,•the object dictionary and•a signalisation of all CANopen events.The simplest way of linking is the use of the application variables in the object dictionary. While the drive application is using the variable like before, it can be accessed via CANopen using SDOs.For further services (e.g. transmission of a PDO) the CANopen stack provides functions.pdoNr = 1;writePdoReq( pdoNr );Listing 1 - Transmission of a PDOThese functions encapsulate all related actions, like the following for the example above (listing 1):•Check of the NMT state•Check of the inhibit time, if necessary•Preparation of the PDO data by reading the corresponding values from the object dic-tionary (e.g. status word and actual position)•Transmission of the PDO, if it is asynchronous•or storage of the PDO in the SYNC buffer,if it is a synchronous PDOTo inform the application about CANopen requests, CallBack functions are used.On occurence of a CANopen event (Indication) the corresponding CallBack function is called. In this function the application can react to the event, if necessary.4. Design of the Object DictionaryThe most important part of the development of a CANopen drive is the design of the object dictionary.An object dictionary is difficult to create.In addition to the process data it contains value ranges, initialization values, access attributes and including the manufacturer’s parame-ters, which have to be set up in conformity with the standards and the application.Appli-cation data can be C variables that have to be assigned to the objects.It is sensible to maintain these data in a general data base and to use a software tool to generate the object dictionary in implementation code (mostly in C).The used database can also be used for the creation of Electronic Data Sheets (EDS).This automatically produces the advantage of an exact conformity with the implementation of the device and the EDS.If the input of the device specific interpretation of the parameters can be organized through a yet more detailed description, the developer can get a documentation of the device at the same time with little additional effort. This documentation serves not only as the basis of the user documentation, but is also helpful to maintenance and test tasks.Figure 2 - CANopen Design ToolThere are the the following advantages:•Such tools provide drive data bases, from which an object dictionary in C-code, an Electronic Data Sheet and a documentation are produced automatically.•The generated C-source code of the object dictionary is included by the application modules. This ensures the direct access to the variables (via variable names) and the access via index and sub-index.•These tools take over error-prone tasks and repetitious jobs and supports the implemen-tation part.5. Test of the CANopen driveThe next step is the integration of the drive into a network respectively the test of the drive.A CAN-analyser is indispensable for the implementation of CANopen networks and the integration of CANopen equipment.A CAN-analyser provides the online obser-vation of the bus traffic, sending unique or cyclic messages and whole message sequences as well as recording of the CAN messages and storing into logging files.It is advisable if supplementary software modules provide extended functions like a CANopen specific representation of the messages.Besides a CAN-Analyzer it is helpful to use a tool that allows the configuration of the CANopen drives in a CANopen network. Furthermore the access to the implemented CANopen services should be possible and it should be supported to write test or control applications. The test software must be able to import the EDS file or the device descrip-tion file (ISO-15745-compliant) of the device to get information about the representation of the object dictionary.For such an integration and test of CANopen devices resp. networks the CANopen Device Monitor (CDM, figure 3) can be used.Its scripting capability facilitates tests and can be used for network control.The following listing (listing 2) shows an example script for drives in the profile position mode.set targetPosition 5000go $targetPositionwaitForPDO 1 TargetReachedset actPosition [r 0x6063 0 i32]set deviation [expr $actPosition - $targetPosition]puts "Deviation: $deviation"if { $deviation > 10 } {puts "Error: Deviation too high"}Listing 2 - Position controlAt first the command to go to a defined position is sent (go).Then the script waits until the bit "TargetReached" is set in the first PDO.When the drive has reached its target position, the actual position is read and compared with the target position.If the devia-tion is too high, an error message is typed out.The above example can be extended that different control parameters can be adjusted and the respective paths can be recorded as a set of curves.Figure 3 - CDM with drive configuration componentsThe drives extension for the CDM extends it with dialogs to control the state machine and to test the profile position mode.Further the status and control words are displayed bit by bit.One tab contains the complex state machine of the DSP-402.There state changes can be triggered by mouse clicks instead of bit-wise modification in the object 0x6040.The sta-tus word can be polled cyclically with SDOs or received by PDO.The Profile Position Mode module allows the configuration of parameters like accelera-tion, velocity,deceleration and target position.The motions can be watched in a graphi-cal way and stopped by "Stop" or "Halt" to test the implementation.6. ConclusionThe development of a CANopen drive consists of the following tasks, implementation, test and integration. Besides an existing drive application or experience in drive dev e lop-ment the CANopen Source Code Stack is mandatory for the development of a CANopen drive.Normally there is nothing else what is needed.However, with the help of advanced software tools implementation, test and integration isstraightforward.Such tools provide functions like creation of object directory and EDS file, drive-specific test and configuration functions and configuration of complete CANopen networks. The last figure illustrates a complete tool-set for implementation, test and integration of a CANopen drive.Figure 4 - CANopen drives design flowReferences[1] CiA DS-301 CANopen Application Layer and Communication Profile[2] CiA DSP-402 Device Profile Drives and Motion Control[3] http://www.port.deport GmbHRegensburger Straße 7bD-06132 Halle/Saale+49 345 777 55 0service@port.de。
一、和简介CAN总线全称为Controller Area Network即控制器局域网是国际上应用最广泛的现场总线之一,已经在汽车制造、机械制造、包装机械、烟草等行业得到了广泛的应用。
CAN总线是德国BOSCH公司从80年代初为解决现代汽车中众多的控制与测试仪器之间的数据交换而开发的一种串行数据通信协议,它是一种多主总线,通信介质可以是双绞线、同轴电缆或光导纤维。
通信速率可达1MBPS。
CAN总线通信接口中集成了CAN协议的物理层和数据链路层功能,可完成对通信数据的成帧处理,包括位填充、数据块编码、循环冗余检验、优先级判别等项工作。
CAN协议的一个最大特点是废除了传统的站地址编码,而代之以对通信数据块进行编码。
采用这种方法的优点可使网络内的节点个数在理论上不受限制,数据块的标识码可由11位或29位二进制数组成,因此可以定义211或229个不同的数据块,这种按数据块编码的方式,还可使不同的节点同时接收到相同的数据,这一点在分布式控制系统中非常有用。
数据段长度最多为8个字节,可满足通常工业领域中控制命令、工作状态及测试数据的一般要求。
同时,8个字节不会占用总线时间过长,从而保证了通信的实时性。
CAN协议采用CRC检验并可提供相应的错误处理功能,保证了数据通信的可靠性。
CAN卓越的特性、极高的可靠性和独特的设计,特别适合工业过程监控设备的互连,因此,越来越受到工业界的重视,并已公认为最有前途的现场总线之一。
另外,CAN总线采用了多主竞争式总线结构,具有多主站运行和分散仲裁的串行总线以及广播通信的特点。
CAN总线上任意节点可在任意时刻主动地向网络上其它节点发送信息而不分主次,因此可在各节点之间实现自由通信。
CAN总线协议已被国际标准化组织认证,技术比较成熟,控制的芯片已经商品化,性价比高,特别适用于分布式测控系统之间的数通讯。
CAN总线插卡可以任意插在PC、AT、XT兼容机上,方便地构成分布式监控系统。
CAN及CANopen介绍第一部分:CAN硬件介绍CAN:最早的现场总线、最广泛应用的现场总线CANopen:CIA定义的最为成功的CAN应用层协议,在基于CAN的自动化系统中居于领导地位,欧洲标准EN-50325-4CAN+CANopen:机器自动化(MA)领域最为成功的总线解决方案,在欧美广泛被应用CAN总线系统解决方案即是利用CAN总线的优点及其特长为机器自动化设备提供高效、可靠、性价比高的解决方案。
作为机器自动化领域总线解决方案倡导者,CAN总线系统解决方案更能满足您对性价比的要求。
现场总线(Fieldbus)技术从提出到现在有二十多年了,作为工业数据总线,它主要解决工业现场的智能化仪器仪表、控制器、执行机构等现场设备间的数字通信以及这些现场控制设备和高级控制系统之间的信息传递问题,通过模拟变数字实现了不同公司产品间的互操作性问题,使用户有了更大的选择权,尤其它解决了流行几十年的传统系统过于封闭、难以维护的缺点。
采用现场总线控制技术,可大大简化系统集成的工作量、为控制系统的安装调试节省大量的费用,而系统的可靠性、稳定性却得到大幅提高,配合现场总线技术的各类总线诊技术进一步提高了整个系统的性能。
强大的通讯功能又使得系统更加开放透明。
CAN现场总线技术是集自动控制技术、通讯技术、传感技术、计算机技术、诊断技术、微电子技术、网络技术等于一体,是个革命性的技术,正被广泛应用于自动化各个领域。
目前广泛使用的其它现场总线还有Profibus、DeviceNet、ControlNet、HART、FF等等,但是CAN总线是所有现场总线中最早出现的,也是最适合于机器自动化领域的现场总线,如今它已经广泛应用于汽车、飞机、轮船、印刷、纺织、电子等等加工领域,是目前应用领域最为广泛的现场总线。
现场总线是一种革命性的通讯控制技术,因其具有很多普通控制方式不具有的优点,所以才得到了迅速的推广应用,与老的控制方式比较起来它主要的优势如下:节约布线成本,减少布线时间,减小出错机率(对于大型设备尤为突出,如果当驱动器、变频器、传感器等放置到现场的话,可以节省大量的电缆费用);νν减小施工难度,缩短施工周期降低系统总成本(从安装、系统维护、升级方面大幅降低系统成本)νν可靠性更高,抗干扰能力更强(比传统485通讯方式更为可靠,更不易受干扰)走线少、全数字信息交互(模拟量通常易受干扰)νν信息量更大(节点数据信息、状态信息、异常信息等均可方便提供)ν实时性更高(比传递485通讯速度大大提高,是485通讯速度的100倍左右,且避免了485通讯方式的多控制器之间交换方式,直接由一个PLC来协调处理,实时性大为提高)可维护性更强(可以很方便检测出系统故障所在,且几乎所有的CAN从站都具有故障诊断能力,便于排查及处理)νν开发性更加(目前全球范围内生产总线产品设备的厂家达上千家,客户可以任意选择适合字节的设备)CAN总线除了具有一般总线所具有的优点外,还专门根据机械自动化的特点,根据其需求提供了一些非常具有优势的技术特点:ν高速的数据传输速率高达1Mbit/s;CAN协议最大的特点是废除了传统的站地址编码,代之以对数据通信数据块进行编码,可以多主方式工作;νν CAN采用非破坏性仲裁技术,当两个节点同时向网络上传送数据时,优先级低的节点主动停止数据发送,而优先级高的节点可不受影响地继续传输数据,有效避免了总线冲突;任何一个节点均可自动发送报文,不需主站询问;ν可根据报文的ID决定接收或屏蔽该报文ν可靠的错误处理和检错机制ν⎫可选择对网络进行三种操作:无处理、停止故障从站、停止整个网络⎫ CAN节点在错误严重的情况下,具有自动关闭总线的功能,切断它与总线的联系,以使总线上其它操作不受影响发送的信息遭到破坏后可自动重发νν节点在错误严重的情况下具有自动退出总线的功能报文不包含源地址或目标地址,仅用标识符来指示功能信息优先级信息νν CAN可以点对点、一点对多点(成组)及全局广播集中方式传送和接受数据;ν采用不归零码(NRZ—Non-Return-to-Zero)编码/解码方式,并采用位填充(插入)技术;革命化的报文传输方式:νSDOν主要用来在设备之间传输低优先级的数据,典型是用来对从设备进行配置、管理;PDOν⌝一次性可传送8个字节的数据,没有其它协议预设定(意味着数据内容已预先定义),主要用来传输需要高频率交换的数据。
Document Title:ICU Page 1 of 11Written By: Dany Authorized By: Sagi Authorization Date:03 September 2003ICU CAN OPEN I MPLEMENTATIONICU drive will work according to Standard DS102 to DSP402 ,DSP402 Version V2.0, We will implement only the following variable and command . Note:DSP 402 is standard for Drives and Motion control where you can find description of any function that is implemented Indexer will only transfer String of KOLLMORGEN SERVOSTAR Variables and commands + address this string will be transfer as is to the addressed CD Drive. For KOLLMORGEN SERVOSTAR Variables and commands please refer to “VarCom Reference Guide” manualDocument Title:ICUPage 2 of 11Written By: Dany Authorized By: SagiAuthorization Date:03 September 2003Machine AMachine BInputs:System DiagramDocument Title:ICU Page 3 of 11Written By: Dany Authorized By: Sagi Authorization Date:03 September 2003System diagram for Communication architectureDocument Title:ICU Page 4 of 11Written By: Dany Authorized By: Sagi Authorization Date:03 September 20031. Required FunctionalityThe following table contains a list of all the functions required or there link for the ICU and for the Indexer:For Reference document see file _00x.html This file is up dated and send togther w/ the release ICU F/W.The Variable/Command in ( ) are the equivalent Variable/Command of the SERVOSTAR.Function Direction Description Object Dictionary / Message Implemented Motion MessagesTo ICU Homes head servo motorhard stop homing 607C home_ offset (HOMEOFST)6099 homing_ speeds (HOMESPD)2004 homing Torque limit (HOMEILIM)YesYesYesHomeTo Indxer Homes indexer servomotor or lift servo motorpositive proximity switchhoming MH [in pos ack]HOMETYPE 0 to 5HOMESPD -VMAX to VMAXHOMESTATE 0-11YesTo ICU servo motor jog 6042 VI Target velocity (J)606C Velocity actual value (V) Yes YesVelocity loopJogTo Indxer J[speed]{time}V -15000 to 15000YesPosition loop Move Absolute (PTP) To ICU moves head servo motorfrom point to point607A Target position (MA MI defined by control word)6064 Position actual value (PFB)60F4 Following error actual value (PE)YesYesYesDocument Title:ICU Page 5 of 11Written By: Dany Authorized By: Sagi Authorization Date:03 September 2003ToIndxermoves indexer servomotor or lift servo motorfrom point to point MA <position> <velocity> [in pos ack]MI <pos> <vel> [in pos ack]PFB +/- 2,147,483,647PE +/- 2,147,483,647YesTo ICU Stop motion immediately,using fast deceleration 605D Halt option code NoStopTo Indxer stops indexer motionimmediately, using fastdecelerationSTOP Yes To ICU 605C Disable operation option code NoDisableTo Indxer K YesDrive ConfigurationTo ICU 60F6h RECORD Torque control parameters ( manufacturer specific) NoTorque controlparameterTo Indxer SeeVarCom YesDocument Title:ICU Page 6 of 11Written By: Dany Authorized By: Sagi Authorization Date:03 September 2003To ICU 60F9 Velocity control parameter setENTRY DESCRIPTION (Sub 3 to Sub- Index 254 manufacturer specific)Sub- Index 0 number of entries xSub- Index 1 Gain (KV)Sub- Index 2 TI – integration time constant (KVI)Sub- Index 3 Feed Forward (KVFR)Sub- Index 4 VF filter B0Sub- Index 5 VF filter B1Sub- Index 6 VF filter B2Sub- Index 7 VF filter BshiftSub- Index 8 VF filter A1Sub- Index 9 VF filter A2Sub- Index 10 VF filter AshiftSub- Index 11 VD filter D1Sub- Index 12 VD filter D2Sub- Index 13 VD filter Dshift PartialVelocity controlparameterTo Indxer SeeVarCom YesTo ICU60FB Position control parameter set ( manufacturer specific)ENTRY DESCRIPTION (Sub 1 toSub- Index 254 manufacturer specific)Sub- Index 0 number of entries 4Sub- Index 1 Position loop proportional (GP)Sub- Index 2 Position loop integral gain (GPI)Sub- Index 3 Position loop integrator input saturation (GPSTAIN)Sub- Index 4 Position loop loop integrator input saturation (GPSATOUT)NoPosition controlparameterTo Indxer See VarCom YesTo ICUTBDTo IndxerDocument Title:ICU Page 7 of 11Written By: Dany Authorized By: Sagi Authorization Date:03 September 2003Document Title:ICU Page 8 of 11Written By: Dany Authorized By: Sagi Authorization Date:03 September 2003FromIndexerIN 000 - 111 (0=off, 1=on) Yes Analog input From ICU Temperature sensorRead only variable 0 to655362000 Temperature actual value (ANSENS)YesTo ICU The Master writes the stateof the outputs 60FE Digital outputs (MACHOUT) YesDigital OutputsTo Indexer O1 0 or 1 RELAY 0 = relay open 1 = relay closed Yes RS 485 to LCD Display and to CD’sWrite to ICU/Indexer RS485 port To ICU orIndexerThe Master sends a stringmessage to theICU/Indexer.2006 send RS485 string (RS485XMT) YesRead from ICU/Indexer RS485 port From ICUor IndexerICU/Indexer hold a buffer of80 characters, the statusword show if new string arrin the buffer2005 recive RS485 string (RS485RD) YesRS 232Write to ICU/Indexer RS232 port To ICU orIndexerThe Master sends a stringmessage to theICU/Indexer.2008 send RS232 string From F/W0.0.6Read from ICU/Indexer RS232 port From ICUor IndexerICU/Indexer hold a buffer of80 characters, the statusword show if new string arrin the buffer2007 receive RS232 string From F/W0.0.6Control Status and DiagnosticsControl ICU 6040 ControlwordFor full description please refer to CANOpen CiA DSP 402 for themechanism and to _00x.html for the implementation.PartialDocument Title:ICU Page 9 of 11Written By: Dany Authorized By: Sagi Authorization Date:03 September 2003Indexer SeeVarCom YesFrom ICU 6041 StatuswordFor full description please refer to CANOpen CiA DSP 402 for themechanism and to _00x.html for the implementation.PartialStatusFrom Indexer SeeVarCon Yes From ICU 2009 Drive fault From F/W0.0.7Read faultFrom Indexer SeeVarCom Yes To ICU 1001 Error Registry NoError faultTo indexer See VarCom YesPre-DefinedErrorICU 1003 Pre-defined error NoTo ICU 6060 Modes of operation (OPMODE n)Note: the numbering of CAN and SERVOSTAR for operation mode isdifferent. YesChange opmodeTo indexer OPMODE n YesFrom ICU 6061 Modes of operation display YesRead OpmodeFromIndexerOPMODE Yes From ICU 100A manufacturer software version YesRead versionFrom Indexe r VER YesDocument Title:ICU Page 10 of 11Written By: Dany Authorized By: Sagi Authorization Date:03 September 2003 2. AddressDip switch 1 to 6 Set the ICU CAN MAC address (0 to 63 CAN nodes).3. Baud rateDip switch 7 and 8 Set the ICU CAN baud rateRateSW7 SW8 Baud1 (On) 0 (Off) 125 kbps0 (Off) 1 (On) 250 kbps1 (On) 1 (On) 500 kbps (Default)4. PDO –Process Data Object (Send)ICU/Indexer uses the first PDO message for Drive Keypad and Input Status.5. SDO- Service Data Object (Send + Acknowledge)All objects are transfer in this format.6. ProfilesNot in use7. Protocol7.1 SYNC ObjectNot in useDanaher Motion GPS – Kollmorgen ServotronixDepartment: Specialty Electronic Products Revision No:Document Title:ICU Page 11 of 11Written By: Dany Authorized By: Sagi Authorization Date:03 September 20037.2 Time Stamp ObjectNot in use7.3 Emergency ObjectNot in use7.4 Heart Beat ObjectNot in use8. Messages timingIf baud rate 500kpbsSDOMaster to ICU/Indexer App 83 bit.ICU/Indexer acknowledge to Master App 19 bitOne SDO App 120 bit500/120 = 4.166 KMessages/Sec gives 0.24 mSec for SDOICU/Indexer process time 0.5 mSec0.24 + 0.5 = 0.74 mSec for SDO message from Master to ICU/Indexer include the acknowledge.。
canopen控制伺服原理CANopen是一种通信协议,广泛应用于自动化控制领域。
它具有高性能、高可靠性和强大的实时性能等特点,被广泛用于控制伺服系统。
本文将介绍CANopen控制伺服原理,并深入探讨其工作原理和应用。
一、CANopen简介CANopen是一种基于CAN总线的通信协议,它定义了一组标准的对象、通信参数和服务,用于设备之间的数据交换和控制。
它支持多种不同类型的设备,包括伺服驱动器、传感器、控制器等。
CANopen的优势在于其高实时性和可靠性,能够满足复杂控制系统的需求。
二、CANopen在伺服控制中的应用在伺服系统中,CANopen被广泛应用于控制伺服驱动器的运动和位置。
通过CANopen,可以实现对伺服驱动器的参数设置、状态监测和故障诊断等功能。
下面我们将具体介绍CANopen在伺服控制中的应用原理。
1. 参数设置CANopen协议定义了一些用于设置伺服驱动器参数的对象,如PID参数、位置限制等。
通过CANopen主站发送相应的指令,可以实现对伺服驱动器参数的实时设置。
2. 位置控制通过CANopen,可以实现对伺服驱动器的位置控制。
主站发送相应的指令,驱动器接收到指令后,根据设定的位置模式和目标位置,控制伺服电机的运动,并实时反馈当前位置信息。
3. 速度控制CANopen还支持对伺服电机的速度控制。
主站发送速度指令,驱动器接收后,根据设置的速度模式和目标速度,调节伺服电机的运行速度,并实时反馈当前速度信息。
4. 状态监测通过CANopen,可以实时监测伺服驱动器的状态,包括电机转速、电流、温度等参数。
这些参数可以以对象的形式在CANopen网络中传输,方便用户进行实时的状态监测和诊断。
5. 故障诊断CANopen协议定义了一套标准的故障代码,用于诊断和报告故障信息。
当伺服驱动器发生故障时,通过CANopen网络,可以将故障代码传输给主站,方便用户进行及时的故障诊断和处理。
三、CANopen控制伺服原理解析CANopen控制伺服原理是基于CAN总线的分布式控制系统。
第一部分CAN和CANopen的概念一、CAN和CANopen简介CAN总线全称为Controller Area Network即控制器局域网是国际上应用最广泛的现场总线之一,已经在汽车制造、机械制造、包装机械、烟草等行业得到了广泛的应用。
CAN总线是德国BOSCH公司从80年代初为解决现代汽车中众多的控制与测试仪器之间的数据交换而开发的一种串行数据通信协议,它是一种多主总线,通信介质可以是双绞线、同轴电缆或光导纤维。
通信速率可达1MBPS。
CAN总线通信接口中集成了CAN 协议的物理层和数据链路层功能,可完成对通信数据的成帧处理,包括位填充、数据块编码、循环冗余检验、优先级判别等项工作。
CAN协议的一个最大特点是废除了传统的站地址编码,而代之以对通信数据块进行编码。
采用这种方法的优点可使网络内的节点个数在理论上不受限制,数据块的标识码可由11位或29位二进制数组成,因此可以定义211或229个不同的数据块,这种按数据块编码的方式,还可使不同的节点同时接收到相同的数据,这一点在分布式控制系统中非常有用。
数据段长度最多为8个字节,可满足通常工业领域中控制命令、工作状态及测试数据的一般要求。
同时,8个字节不会占用总线时间过长,从而保证了通信的实时性。
CAN协议采用CRC检验并可提供相应的错误处理功能,保证了数据通信的可靠性。
CAN卓越的特性、极高的可靠性和独特的设计,特别适合工业过程监控设备的互连,因此,越来越受到工业界的重视,并已公认为最有前途的现场总线之一。
另外,CAN总线采用了多主竞争式总线结构,具有多主站运行和分散仲裁的串行总线以及广播通信的特点。
CAN总线上任意节点可在任意时刻主动地向网络上其它节点发送信息而不分主次,因此可在各节点之间实现自由通信。
CAN总线协议已被国际标准化组织认证,技术比较成熟,控制的芯片已经商品化,性价比高,特别适用于分布式测控系统之间的数通讯。
CAN总线插卡可以任意插在PC、AT、XT兼容机上,方便地构成分布式监控系统。
CANopen个⼈之所见,所想TonyZhou: ⼀直想写⼀篇关于CANopen的⽂章,鉴于个⼈知识能⼒没有动笔,今天做了⼀番思想⽃争,⽃胆发表⼀下⾃⼰对CANOPEN的肤浅认识。
计划从销售⼈员,技术⼈员⾓度都分析⼀下CANopen的优势,⽂章可能没有什么章法,只是想到哪⾥说哪⾥,欢迎拍砖。
背景:CANopen四问1. CANopen的起源,CANopen从何⽽来?德国Bosch公司于1983年研发CAN协议,⽤于汽车传动系统的⽹络通讯。
之后称为国际标准ISO11898,⽬前CANopen由⾮营利组织CiA(CAN in Automaion)进⾏标准的起草及审核⼯作,基本的 CANopen 设备及通讯⼦协定定义在 CAN in Automation (CiA) draft standard 301. 中。
针对个别设备的⼦协定以 CiA 301 为基础再进⾏扩充,如针对 I/O 模组的 CiA401 及针对运动控制的 CiA402。
2. CANopen硬件的优势?CAN协议最⼤的突出特点是错误检测,限制和处理。
当CAN设备检测到总线错误时,会拒绝之前接收到的位序列,然后发送“错误帧”,其完全由CAN芯⽚本⾝处理,不需要⼈为编程。
⽀持多主站,类似Profibus DP,总线上每个设备都是主站,也是从站,免除了⼈为仲裁的过程,⽅便⽤户开发。
报⽂短帧结构,CAN报⽂通常只有8个字节,数据帧⾮常短,在抗⼲扰能⼒上具有先天的优势。
解释⼀下,为什末短帧结构抗⼲扰好?如果通讯报⽂长,发送⼀帧耗时也就长,加⼊遇到⼲扰,⾟⾟苦苦好不容发送了⼀条报⽂,结果因为⼲扰对⽅还没有收到,只能嚎啕⼤哭。
成本低廉,CAN外设基本在现在主流芯⽚上都可以找到,20⼏块钱的MCU都⽀持CAN外设,有的还⽀持两个CAN。
这⾥有CiA的积极推⼴作⽤。
3. CANopen软件优势?CANopen主要有CiA在推⼴,是⾮盈利组织,CANopen协议资料,⽹上⼀堆,任何⼈都可以下载到,我们常⽤的DS301(Draft Standand),DS402,CAN粉丝⼏乎⼈⼿⼀本,犹如葵花宝典,⼀定要珍藏⼀本。