外墙保温施工技术控制要点
- 格式:pdf
- 大小:272.84 KB
- 文档页数:2
外墙保温施工的关键要点与质量控制外墙保温施工是建筑工程中非常重要的一项工作,不仅可以改善建筑的保温性能,还可以提高建筑的耐久性。
然而,要确保外墙保温施工的质量,必须注意以下几个关键要点和质量控制措施。
一、材料选择在进行外墙保温施工之前,首先要选择适合的保温材料。
常见的保温材料包括挤塑聚苯乙烯(XPS)、聚苯板(EPS)、岩棉等。
在选择材料时,要考虑保温性能、防火性能、耐久性等因素。
同时,材料的厚度也要根据当地气候条件和建筑结构来确定。
二、基层处理外墙保温施工前,必须对建筑物的外墙进行基层处理。
基层处理包括清洗、修补、防水处理等。
清洗墙面可以去除污垢和杂质,确保保温材料能够牢固地附着在墙面上。
修补墙面的裂缝和破损部分可以保证整个外墙的结构完整性。
防水处理可防止水分渗透到保温材料内部导致损坏。
三、施工工艺外墙保温施工的关键在于采用正确的施工工艺。
常用的施工工艺包括粘贴式、挂网式和插挂式等。
不同的工艺适用于不同的墙体结构和保温材料。
施工工艺需要根据实际情况选择,并确保每个环节的施工质量。
同时,施工过程中要注意保温材料的嵌缝密封,以防止冷热桥的产生。
四、焊接技术在挂网式外墙保温施工中,焊接技术起着重要作用。
焊接技术的好坏直接影响到外墙保温系统的牢固性和耐久性。
焊接工艺要求焊接强度高、焊点均匀,避免焊接时出现渗漏和气泡等问题。
焊接操作必须由经过专业训练的工人进行,以确保焊接质量的可靠性。
五、表面涂层外墙保温施工完成后,还需要进行表面涂层,以保护保温材料和增强建筑物的美观性。
表面涂层可以使用耐水、耐候性好的涂料,如聚合物涂料。
涂料要均匀涂抹,确保涂膜的厚薄一致。
在施工过程中,还要注意避免刮痕和颜色不一致等问题。
六、质量控制为了确保外墙保温施工的质量,需要进行严格的质量控制。
在施工前,要进行材料检验,确保符合相关标准和要求。
施工过程中,应进行随工程的质量检查,及时发现并修正问题。
施工结束后,要进行验收,确保施工质量符合设计和施工规范。
第1篇一、施工准备1. 技术准备:根据工程特点,编制专项施工方案,并进行交底。
同时,对施工人员进行技术培训,确保施工质量。
2. 材料准备:保温材料、粘结剂、抹面砂浆、耐碱网格布等,需符合国家相关标准和规范要求。
材料进场后,需进行复试,确保材料质量。
3. 机具准备:电动切割机、冲击钻、打磨机、搅拌机、托线板、靠尺、卷尺、阴、阳角抹子等。
二、施工工艺1. 后粘保温板类施工:将保温板固定在外墙基层上,采用粘结剂将保温板与基层粘结牢固。
施工时,需注意保温板之间的缝隙处理,防止热量流失。
2. 复合保温外模板现浇类施工:将保温板与外模板复合,现浇混凝土。
施工时,注意模板的安装和混凝土浇筑,确保保温效果。
3. 保温浆料抹灰类施工:将保温浆料涂抹在外墙基层上,形成保温层。
施工时,需注意保温层的厚度和均匀性。
4. 大模内置保温系统施工:将保温材料嵌入大模板中,形成保温层。
施工时,注意模板的安装和混凝土浇筑。
5. 复合保温板内保温系统施工:将保温板安装在室内墙面,形成保温层。
施工时,注意保温板与墙面的连接和缝隙处理。
三、施工要点1. 施工条件:施工前,确保外墙基层平整、干燥,门窗框安装完毕。
2. 施工顺序:按照自下而上、自左而右的顺序进行施工。
3. 施工质量:保温层厚度、平整度、垂直度等需符合设计要求。
4. 保温板安装:保温板需与基层粘结牢固,无空鼓、脱落现象。
5. 填缝处理:保温板之间的缝隙需采用保温材料填充,确保保温效果。
6. 防水处理:在保温层表面做防水处理,防止水分渗入。
四、质量检验1. 材料复试:保温材料、粘结剂等需进行复试,确保材料质量。
2. 施工过程检验:施工过程中,对保温层厚度、平整度、垂直度等进行检验。
3. 施工完成后检验:保温层表面防水、平整度、垂直度等需符合设计要求。
总之,外墙保温工程施工技术是建筑节能的重要措施,施工过程中需严格按照规范要求进行,确保施工质量,提高建筑物的节能效果。
第2篇一、概述外墙保温工程是建筑节能的重要措施之一,它能够降低建筑物的能耗,提高居住舒适度,同时还能美化建筑外观。
建筑外墙外保温技术方案与控制措施一、引言随着建筑工程技术的不断发展,建筑外墙外保温技术在建筑行业中的地位和作用日益重要。
保温材料的使用,不仅对墙体结构起到了保护作用,还能够有效地节能降耗,提高居住和工作的舒适度。
在建筑外墙外保温工程中,技术方案和控制措施显得尤为重要。
本文将从技术方案和控制措施两个方面探讨建筑外墙外保温技术,并提出相关建议。
二、技术方案1. 保温材料的选择(1)聚苯板聚苯板是一种性能优良的保温材料,其导热系数较低,保温效果好,且重量轻,安装方便。
聚苯板常被用于外墙外保温工程中。
(2)岩棉岩棉是一种无机保温材料,不燃或难燃,且具有较好的保温隔热性能。
其吸水率低,不易腐蚀和老化,故在建筑外墙外保温工程中也广泛应用。
(3)外墙保温涂料外墙保温涂料具有优异的抗老化性能,且具有良好的防水和防潮功能。
其施工简便,不仅可以实现保温效果,还能够增加建筑物的美观度。
2. 保温系统的设计在保温系统设计中,需要合理选择保温材料,确定保温层厚度,并采取适当的保温结构措施。
在施工过程中也应注意内外保温层之间的连接和固定,以确保保温层不会出现脱落或开裂现象。
3. 外墙装饰材料的选择在选用外墙装饰材料时,需要考虑其与保温材料的兼容性和粘结性,避免材料不相容或粘结不牢固的情况发生。
建议选择具有良好耐候性和稳定性的装饰材料,以确保外墙装饰的持久性和美观度。
三、控制措施1. 施工工艺控制在建筑外墙外保温工程施工中,需要注意保温材料的质量和施工工艺的控制。
保温材料的质量直接影响保温效果,故在选购材料时应选择有正规生产资质的供应商,并进行严格的抽检。
应严格执行施工工艺规范,确保施工质量符合标准要求。
2. 质量控制在外墙外保温工程施工完成后,需要对保温层进行质量检测和验收。
检测主要包括保温材料的密度、导热系数、吸水率等参数,并对外墙外保温系统进行全面检查,确保施工质量符合设计要求。
3. 质量保障措施为了保证建筑外墙外保温工程的质量,可以对工程实行质量追溯制度,对施工过程进行全程跟踪监管,并建立完善的档案及资料管理制度,以便对工程进行质量追溯和后期维护管理。
外墙外保温施工工艺技术要点
1. 施工基础要求
- 外保温施工前,应确保墙体表面平整、无明显凸凹不平等缺陷。
- 墙体表面应清洁干净,无尘土、油污等杂物。
- 若墙体存在开裂、脱落等缺陷,应及时修补处理。
- 施工前应根据墙体材质选择合适的基层处理方法,例如刷涂
或刷涂固化剂等。
2. 保温材料的选择
- 根据环境要求和建筑结构,选择合适的保温材料,例如聚苯板、挤塑板、岩棉板等。
- 保温材料应符合国家标准,并具有良好的隔热性能和耐候性。
- 在选择保温材料时,要考虑其施工方便性、防火性能及环保性。
3. 施工工艺要点
- 保温材料的施工应按照施工方案进行,确保施工质量。
- 保温材料应紧密贴合墙体,无空鼓、松动等现象。
- 保温材料的接缝处应进行密封处理,防止水分侵入。
- 施工过程中应注意施工温度和湿度的控制,避免材料受潮或温度过高引发施工质量问题。
- 在施工过程中,要注意安全措施,防止材料掉落或工人受伤等事故。
4. 后续处理
- 保温材料施工完成后,应及时对施工现场进行清理,确保工地整洁。
- 检查施工质量,确保保温材料安装牢固、无缺陷。
- 根据需要,可以进行装饰处理,例如涂料喷涂、贴瓷砖等。
以上是外墙外保温施工工艺技术要点的简要介绍,具体施工过程和细节应根据实际情况和相关法规进行详细设计和操作。
岩棉板外墙保温施工技术及质量控制要点摘要:随着中国城市化的加速,发展空间和建设前景得到了推进。
人口增长和经济发展给城市建筑施加了巨大的压力。
随着建筑物的增多,能耗也在不断增长。
而建筑工程的保温节能技术,而且对环境保护也起到了保障作用。
基于此,本文就岩棉板外墙保温施工技术及质量控制要点进行简要探讨。
关键词:岩棉板;外墙保温;施工技术;质量控制;1 外墙保温的类别和特点1.1 外墙内保温技术的特点外墙内保温技术是将隔热材料置于墙体内侧,起到保温隔热的作用。
其优势主要体现在四个方面:在室内使用、快速、加快施工进度、确保工程进度平稳;对墙体的要求不高,操作简便,寿命长,投资回报高;技术系统已经成熟,检测的标准也很高。
但外墙内保温技术也有其不足之处,主要包括以下几个方面:采用外墙内保温材料会占用大量的空间;易产生“热桥”问题,易产生裂纹;建筑噪声大,容易对周边住户造成影响;对建筑物进行二次装修和改建是不利的,而且室内壁上挂着的物件很容易损坏室内的隔热结构。
尽管这种墙体保温技术有诸多的缺陷和缺陷,但至今还没有找到合适的替代方案,依然被广泛采用。
1.2 外墙外保温技术的特点外墙外保温技术,顾名思义,就是给建筑的外墙“穿上”一层隔热材料,既能起到隔热作用,又能使建筑的外表保持良好的外表。
它的基本原则是在建筑物的外墙上加一层绝热物质。
在绝缘材料上加一层绝缘材料,再在其周围加一层胶,就能形成一个密闭的绝热容器。
这种密封的外罩能很好地避免发生热桥。
外保温技术具有5大优势:有利于墙体结构的隔热、防潮;适用于新旧建筑的翻新或二次翻新;防止外立面结构的损坏,提高建筑物的使用寿命;能提高建筑物的使用面积,减少热桥现象;能在某种程度上改善用户的舒适。
与外墙保温技术比较,外保温技术在技术上、优越性、适用范围等方面都有很大的应用价值。
2 工程概况某建筑工程项目属于普通居民楼,建筑高度为26.6m,主体为钢筋混凝土结构。
根据建筑节能设计标准要求,在本工程中结合其所处地区的环境条件及工程情况进行了外墙保温设计,选择岩棉板外墙保温系统,在外墙保温施工中对于保温系统设计如图1所示,应符合《外墙外保温建筑构造》的标准要求。
外墙外保温工程施工要点一、施工操作条件1、基层墙体经过工程验收达到质量标准,方可进行外墙外保温施工。
2、基体墙体上的脱模剂、混凝土残渣、灰土等杂物必须清理干净,墙面平整超差部分应剔凿或修补。
3、伸出墙面的(设备、管道)连接件已安装完毕,并留出外保温施工的余地。
4、门窗洞口经过验收,洞口尺寸、位置达到设计和质量要求,门窗框或辅框应已立完。
5、建筑物基层在正负风压作用下其层间位移小于1/360。
6、施工现场环境温度和基层表面温度不能低于+5℃,风力不大于5级。
7、搅拌好的砂浆应避免爆晒、火烤等,以防此类薄层砂浆在短时间内迅速失水。
当施工现场环境温度过高时,应在施工脚手架上搭设防晒布,遮挡施工墙面。
8、砂浆表干前表面不得喷水。
雨天施工时,应采用严格有效的措施,防止雨水淋湿挤塑板和尚未干燥的各砂浆层。
9、使用锚钉时,用冲击钻钻孔,钻孔时严禁钻伤钢筋。
二、施工流程基层处理→刷界面剂一遍→配专用粘结砂浆→粘贴挤塑板→挤塑板隐检验收→挤塑板打磨找平、清洁→刷界面剂一遍→钻孔及安装固定钢丝网片→配聚合物砂浆→抹聚合物砂浆→抹聚合物砂浆、验收。
三、施工质量控制1、基层处理基层墙体必须清理干净,墙表面没有油、浮尘、污垢、脱模剂、涂料、蜡、防水剂、潮气、霜、泥土等污染物或其它妨碍粘结的材料,并剔除墙表面的凹凸物,使之清洁平整,必要时用水冲洗墙面。
经冲洗的墙面必须晾干后,方可进行下道工序的施工。
基层为钢筋混凝土墙、砌块墙、砖墙等,对不平整的墙面用水泥砂浆填充或找平。
2、配制聚合物粘结砂浆根据所采购的粘结砂浆粉料,按照说明的配合比配制粘结砂浆,严格计量,搅拌均匀。
配好的砂浆应注意防晒避风,一次配制量应控制在可操作时间内用完,一般不应超过2小时,超过可操作时间后不准再度加水(胶)使用。
3、粘贴挤塑板(1)应尽量使用标准挤塑板,需要使用非标准挤塑板时,可采用电热丝或锯子切割。
避免将挤塑板长期放在太阳直射的地方或潮湿的地方,以防挤塑板氧化或吸水。
外墙保温工程施工安全技术规程1.引言外墙保温工程是现代建筑中常见的一项装饰工程,其功能主要是增加建筑物的保温性能,减少能源消耗。
然而,在进行外墙保温工程施工时,必须严格遵守安全技术规程,以确保施工过程中人员的安全和项目的顺利进行。
2.施工前准备2.1.施工前应对施工区域进行详细勘测,了解周边环境状况,确保施工区域安全。
2.2.组织施工人员进行安全技术培训,使其了解施工安全规程和操作规范。
2.3.核对施工材料和设备,确保其质量合格,并且进行必要的试验和检测。
3.安全施工操作规程3.1.严禁在高风、大雨以及恶劣天气条件下进行施工。
3.2.施工现场应设置明显的安全标志和警示牌,以提醒人员注意安全。
3.3.施工人员应佩戴个人防护装备,包括安全帽、防滑鞋和安全带等。
3.4.施工现场应设置合理的通道和疏散通道,保证人员的安全撤离。
3.5.悬挂脚手架应稳固可靠,严禁超载和越限使用。
3.6.悬挂脚手架和升降平台上应设置护栏和防护网,防止人员坠落。
3.7.施工现场应保持通风良好,严禁在有毒有害气体超标情况下进行施工。
3.8.施工现场禁止乱堆材料和走油漆桶,避免引发火灾。
3.9.临时用电线路应符合安全标准,禁止私拉乱接电线,确保电气安全。
3.10.禁止随意拆卸安全防护设施,如防护网和护栏等。
4.施工现场管理4.1.施工现场应有专人负责安全监管,及时发现和处理安全隐患。
4.2.对施工人员进行定期的安全教育和培训,提高其安全意识和操作技能。
4.3.施工现场应经常进行安全检查,及时消除安全隐患。
4.4.对施工现场进行垃圾和杂物清理,保持整洁有序。
5.应急措施5.1.施工现场应设有火灾应急设备,包括灭火器、消防栓和灭火器等。
5.2.施工现场应设置适当的疏散通道,以保证人员的安全撤离。
5.3.施工现场应设有急救箱,配备必要的急救药品和器具,以应对突发事件。
总结外墙保温工程施工安全技术规程是确保施工过程中人员安全的重要保障。
只有严格遵守施工规程,做好施工前准备工作,合理安排施工操作,严格控制施工现场安全管理,才能保证外墙保温工程施工安全有效进行。
建筑工程外墙保温施工技术要点及质量控制摘要:通过引入外墙保温施工技术,我们可以大大提升建筑物的保温性能,并且还能够延长它们的使用寿命,同时也能够提升它们的结构强度。
然而,在实际应用中,我们必须牢记施工技术要点,并严格把关施工质量。
只有这样,我们才能够不断改进和提升外墙保温施工技术,以达到更高效、更环保的建筑工程,为建筑行业带来更多的可持续发展机会。
关键词:建筑工程;外墙保温;施工技术;质量控制引言随着科学技术的不断发展,我国的建筑业取得了长足的进步。
尤其是在房屋建设领域,节能减排已经成为当务之急。
然而,由于施工环境的限制,外墙保温技术仍然存在一些挑战,未能达到预期的效果。
随着全球气候变暖的日益严峻,建筑外墙的施工成为节约能源的关键,因此,我们应该加大力度,仔细研究和分析建筑外墙的施工技术和质量,以期达到节约能源、推动建筑业可持续发展的目标。
1建筑工程外墙保温施工技术的概述通过采用外墙外保温技术,可以有效地将室内的温度和室外的环境分开,从而实现良好的保温效果。
这种方法的优势在于,它的施工操作简单,技术成熟,无需太多的技能,因此受到了广泛的应用。
在建筑工程中,外墙保温技术应用非常普遍,几乎所有地区都能使用。
此外,由于其具有良好的隔热性能,墙体内部很少出现结露现象,因此其绝热性能高达90%。
在新建或旧房改造的过程中,采用苯板保温技术,不仅可以有效地保护建筑物的墙体,而且还可以大大提高每户的使用面积,同时也可以减小建筑梁、柱的直径,从而有效地降低施工成本。
2建筑工程外墙保温施工技术的要点2.1采取科学的施工方法为了确保建筑物的外墙能够得到有效的保温,我们必须采取科学的施工方法。
具体而言,我们应该加强对基层的管理,确保其湿润程度适中,避免过度潮湿,同时彻底清除表面的凹陷、松动或空洞等缺陷。
除了根据实际情况和设计要求进行放线,我们还应该仔细检查终端位置,以确保其准确性;第三,必须严格按照使用说明书中的配比,确保聚合物砂浆胶粘剂的混合物质量达到最佳状态,并且尽可能避免暴露在阳光下; 第四,必须粘合翻包网格布和聚苯板,并且聚苯板的厚度必须超过100mm,避免拼接处的裂痕;第五,粘合完聚合物砂浆胶粘剂24小时后,必须有效地固定锚固件,固定深度应该达到50mm;第六,必须完成底层和面层的涂刷工作,并且要求涂刷的质量良好。
建筑外墙保温工程施工技术要点建筑外墙保温工程是指在建筑外墙表面进行保温处理,提高建筑保温性能的工程。
下面是建筑外墙保温工程施工的一些技术要点:1.材料选择:建筑外墙保温材料的选择非常重要。
常见的保温材料有聚苯板、岩棉板、聚氨酯泡沫板等。
根据建筑的具体要求和环境条件,选择合适的保温材料。
2.施工工艺:外墙保温工程的施工工艺需要经过细致的规划和设计。
首先要对外墙进行清洗和处理,确保墙面平整干净。
然后要进行基层处理,如刷涂防水涂料,加强基层的抗渗能力。
最后进行保温层施工,一般采用粘贴法或采用钉子固定。
3.保温层厚度:根据环境要求和保温材料的导热系数,确定保温层的合适厚度。
一般来说,保温层厚度越大,保温效果越好,但也要考虑到施工的难度和成本的问题。
4.保温层的防火性能:外墙保温材料需要具备一定的防火性能,以防止火灾的发生和蔓延。
选择防火性能好的保温材料,并进行防火处理,如涂刷耐火涂料等。
5.外墙保温系统的透气性能:保温层的透气性能对保温系统的效果和建筑的健康有着重要的影响。
保温层需要具备一定的透气性能,以保证墙体内部的湿气排出,防止墙体潮湿和霉变。
6.外墙保温系统的抗裂性能:外墙保温系统需要具备一定的抗裂性能,以应对温度变化和建筑变形引起的裂缝。
选择合适的保温材料和防裂网格布,确保保温系统的稳定性和耐久性。
7.外墙保温系统的耐久性:外墙保温系统需要具备一定的耐久性,以保证工程的长期效果。
选择质量可靠的保温材料和施工工艺,进行严格的质量控制和验收。
8.外墙保温系统的装饰性能:保温系统的装饰性能也是施工过程中需要考虑的重要因素。
根据建筑的风格和设计要求,选择符合装饰要求的保温材料和装饰面层。
外墙保温工程施工要点一、施工前准备1. 编制专项施工方案:根据工程特点、规模、保温材料及施工方法,编制详细、全面、科学的施工方案,并进行技术交底。
2. 材料准备:保温板材、粘结砂浆、抗裂砂浆、耐碱玻璃纤维网格布等材料应符合国家相关标准,并具备出厂合格证明。
3. 机具准备:电动切割机、冲击钻、打磨机、搅拌机等机械设备以及托线板、靠尺、卷尺、阴、阳角抹子等主要工具。
4. 作业条件准备:完成外脚手架或吊篮的安装,确保施工安全;门窗框或辅框安装完毕,外墙螺杆眼封堵严实;各种进户管线和空调器等的预埋件、连接件安装完毕。
二、施工工艺流程1. 基层处理:将墙面上残余砂浆、污垢、灰尘清理干净,抹灰前一天浇水湿润。
抹灰前一小时再浇水一次,以满足施工要求。
2. 粘贴保温板:按照专项施工方案,采用粘结砂浆将保温板均匀粘贴在墙体基层上,保温板应牢固粘贴,无空鼓、脱落现象。
3. 锚固件安装:在保温板表面安装锚固件,锚固件应固定牢固,间距符合设计要求。
4. 抹抗裂砂浆:在保温板表面均匀涂抹抗裂砂浆,厚度约3-5mm,然后将耐碱玻璃纤维网格布压入抗裂砂浆中,网格布应平整、无皱褶,且覆盖住锚固件。
5. 抹面层砂浆:在耐碱玻璃纤维网格布表面均匀涂抹面层砂浆,厚度约5-10mm,确保面层砂浆覆盖住网格布。
6. 验收:施工过程中和施工后,对保温工程进行验收,检查保温层的厚度、平整度、垂直度等指标,确保符合设计要求。
三、施工要点与注意事项1. 施工过程中,应严格遵循专项施工方案,确保施工安全、质量。
2. 保温板材的粘贴应均匀、牢固,避免出现空鼓、脱落现象。
3. 锚固件安装应符合设计要求,确保保温层的稳定性。
4. 抗裂砂浆和面层砂浆的涂抹应均匀,确保耐碱玻璃纤维网格布和保温层牢固。
5. 施工过程中,加强质量检验,对保温层的厚度、平整度、垂直度等进行检查。
6. 施工后,做好成品保护,避免保温层受到损坏。
7. 施工过程中,应注意天气变化,避免在雨天、五级以上大风天气施工。
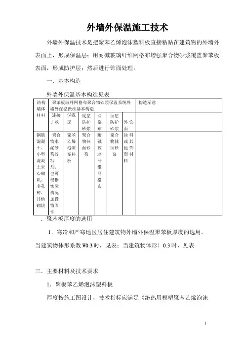
外墙外保温施工技术外墙外保温技术是把聚苯乙烯泡沫塑料板直接粘贴在建筑物的外墙外表面上,形成保温层;用耐碱玻璃纤维网格布增强聚合物砂浆覆盖聚苯板表面,形成防护层;然后进行饰面处理。
一.基本构造外墙外保温基本构造见表.聚苯板厚度的选用1.寒冷和严寒地区居住建筑物外墙外保温聚苯板厚度的选用。
当建筑物体形系数W0.3时,见表;当建筑物体形〉0.3时,见表三.主要材料及技术要求1.聚板苯乙烯泡沫塑料板厚度按施工图设计,技术指标应满足《绝热用模塑聚苯乙烯泡沫塑料》(GB/T10801.1—2002)中第II类(阻燃型)的要求,详见表23-39。
标准板的尺寸为1200mm X600mm及900mm X600mm。
聚板苯乙烯泡沫塑料板技术指标表23-392、聚合物水泥砂浆3.耐碱型纤网格布技术要求4.硅酸盐水泥和普通硅酸盐水泥应符合《硅酸盐水泥、普通硅酸盐水泥》(GB175—1999)标准要求。
5.锚固件采用©8X80〜©10X100专用尼龙胀管或胀塞(视保温厚度选用),有效深度$25伽,拔出力$2000N,吊挂力22000N。
6.嵌缝材料填缝用发泡聚乙烯圆棒(背衬),其直径按缝宽的1.3倍选用。
外侧嵌建筑密封膏,应符合《建筑密封膏》(JC482〜484—92)标准要求。
7.面层涂料专用配套弹性涂料。
也可选用延伸率(24°C条件下)2200%的弹性涂料。
四.施工准备1.施工条件(1)外墙外保温施工,应在结构、外门窗及门窗框、各类墙面安装预埋件等施工及验收完毕后进行。
基面达到《混凝土结构工程施工质量验收规范》(GB50204—2002)、《砌体工程施工质量验收规范》(GB50203—2002)中有关要求,见表墙体基面允许尺寸偏差(2)操作环境温度不低于5C,风力不大于5级。
3)雨天不能施工。
2.材料准备(1)单位保温面积耗材指标(2)材料存放要求1)在库内存放,注意通风、防潮,严禁雨淋。
我国是人均资源短缺的国家,能源紧缺是制约我国经济发展的主要矛盾,因此,建筑节能就成为缓解我国能源紧缺矛盾、改善人民生活环境质量、减轻环境污染、实行可持续发展战略目标的关键一环。
推广建筑节能将是我国发展住宅建设的一项长期国策。
目前,在建筑中应用的外墙保温主要有内保温、外保温、内外混合保温等方法,下面就在我国北方较常使用的外墙外保温方法进行论述。
一、外墙外保温技术分析1.适用范围广。
外保温不仅适用于北方需冬季采暖的建筑,也适用于南方需夏季隔热的空调建筑。
即适用于砖混结构建筑砌体外墙的保温,也适用于剪力墙结构砼外墙的保温。
既适用于新建建筑,也适用于既有建筑的节能改造。
2.保温效果好.因为保温材料置于建筑物外墙的外侧,基本上可以消除建筑物各个部位的“冷、热桥"影响。
能充分发挥轻新型质高效保温材料的保温效能,相对于外墙内保温和夹心保温墙体,在使用相同保温材料情况下,需要保温材料的厚度较小,达到较高的节能效果。
3.保护主体结构。
置于建筑物外侧的保温层,大大减少了自然界温度、湿度、紫外线等对主体结构的影响.特别是由于温度对结构的影响,建筑物外围的热胀冷缩可能引起建筑物部分非结构构件的开裂,外墙采用外保温技术可以降低温度在结构内部产生的应力.4.改善室内环境。
外保温提高了墙体的保温隔热性能,减少室内热能的传导损失,增加了室内的热稳定性。
另外还在一定程度上阻止了风霜雨雪等对外围墙体的浸湿,提高了墙体的防潮性能,避免了室内的霉斑、结露、透寒等现象。
进而创造了舒适的室内居住环境。
另外因保温材料铺贴于墙体外侧,避免了保温材料中的挥发性有害物质对室内环境的污染.5.然而,由于外保温隔热体系置于外墙外侧,直接承受自然界的各种因素影响。
仅就太阳辐射及环境温度变化对其影响来说,由于保温层之上的抗裂防护层较薄只有3mm~10mm,且保温材料具有较大的热阻,因此在的热量相同的情况下,外保温抗裂保护层的温度变化速度比无保温主体外墙外侧温度变化速度提高约10~30倍。
外墙外保温施工质量控制要点
1.施工准备
在进行外墙外保温施工前,需对施工材料、设备和工具进行检查与验收,确保其质量合格,并根据施工图纸与规范要求进行施工准备工作。
2.基层处理
基层处理是保证外墙外保温层粘结牢固和施工质量稳定性的关键。
对于墙体基层,需要进行除尘、清洁、压浆、刮涂或镶贴附加网等处理,确保基层平整、清洁、牢固。
3.施工材料合理选用
由于不同区域的环境和气候条件不同,施工材料的选用应根据实际情况进行评估。
优质的施工材料包括外墙保温材料、胶粘剂、外墙饰面砂浆等,应符合相关国家标准和规范。
4.外墙保温材料施工
外墙保温材料的施工应按照技术要求进行,保证施工质量。
在施工过程中,需注意施工环境的湿度和温度控制,保持施工现场的清洁与整齐,避免出现杂物、灰尘等不良因素。
5.保温层厚度控制
6.焊接质量控制
7.饰面层施工
外墙保温施工完成后,需要进行饰面层的施工。
饰面层是外墙保温系
统的最外层,对外墙的美观和耐久性有很大影响。
在施工过程中,应注意
饰面材料的选用和施工工艺的控制,确保饰面层质量稳定。
8.施工质量监控及验收
在施工过程中,应进行定期的施工现场检查和质量监控,及时发现和
纠正施工过程中的问题。
同时,在施工结束后进行施工质量验收,确保施
工质量符合设计与规范要求。
综上所述,外墙外保温施工质量控制要点包括施工准备、基层处理、
施工材料合理选用、外墙保温材料施工、保温层厚度控制、焊接质量控制、饰面层施工以及施工质量监控和验收等方面。
只有严格控制施工过程中的
每个环节,才能确保外墙外保温施工质量的稳定和可靠。
外墙保温及涂饰工程技术要求及质量控制标准外墙保温技术要求一、施工技术要求:1、基层处理: 1 混凝土墙面用磨光机打磨,用清水冲洗后刷界面剂一遍。
2 砌块墙基层清理后用水浸墙渗透20-30mm厚。
与混凝土墙体接缝处,缝两侧用160克耐碱网格布,每侧各200mm,砌体墙及接茬部位罩面砂浆薄抹灰。
基层处理质量要求:平整度、垂直度小于5mm/2m。
2、粘贴岩棉板、岩棉带、EPS板:1 岩棉板、EPS板胶粘剂的粘贴有效面积不得小于60%,岩棉条粘贴有效面积不得小于80%。
2 必须使用锚栓固定,锚栓用量每平方米不少于8个,梅花状布置,有效锚固长度为50mm,塑料圆盘直径不应小于140mm。
3 锚栓需在两层玻纤网中间。
4 岩棉板、岩棉带、EPS板使用条粘法,岩棉板、带之间的缝隙大于1mm时需用PU发泡胶填充。
岩棉与EPS交接位置,需用聚氨酯发泡胶处理。
5 岩棉板、岩棉带需四面涂刷界面剂带颜色。
6 岩棉板每隔两层增加一道角铁,角铁为5cm×8cm,厚度为2mm,每30cm设置一个。
6 运输装卸车时必须轻拿轻放,不能破坏岩棉板的整体有效成分,破边严重的严禁使用。
3、抹面层:1 在岩棉板粘贴完24h后涂抹抹面胶浆。
2 抹第一遍抹面胶浆时压入第一层玻纤网,静停12h以上安装锚栓,再抹第二遍抹面胶浆并压入第二层玻纤网,静停12h以上,抹第三遍抹面砂浆,以面层凝固后露出玻纤网暗格为宜,抹面胶浆总厚度为5-7mm厚,凝固干燥后刮外墙专用腻子两遍。
EPS板玻纤网一遍3 阳角需做塑料护角条。
4 窗台、空调板需做塑料滴水。
5 窗口四周需做翻包处理,并在洞口四角用200mmX300mm的网格布做增强处理。
6 玻纤网搭接不应小于10cm。
4、饰面层:真石漆:刮粗腻子两遍,一遍同色底漆 m2,加10%-20%的水 ,一遍真石漆厚 m2,含15%-18%的乳液 ,一遍多漆,一遍罩面。
乳胶漆:第三遍抹面砂浆改为找平细沙浆,刮两遍细腻子,刷一遍透明底漆 kg/m2,加5%的水 ,两遍乳胶漆加5%-10%的水 ,一遍罩面。
外墙保温及外墙真石漆控制重点一、外墙保温及真石漆从合同方面控制:1)根据合同的主要内容明确,包括主要材料及辅材采购的方式,所使用的是否符合设计及规范要求;2)根据合同及工程进度要求,要求施工单位编制合理的施工进度计划;3)根据合同及本工程设计要求施工方提交工程质量保证措施文件(质量检查机构的组织和岗位职责、质检人员的组成和实施细则);二.保温工程的控制重点事前控制:1)施工单位采购保温板、粘接砂浆、抹面砂浆、网格布等材料的要收集产品合格证、出厂出场合格证、建筑节能备案证;2)施工前提前要求对需要复检的材料进行见证取样,复试合格后,方可允许施工;并对每次进场的材料不定期进行抽查,(现场测量保温板的重量、砂浆的出厂日期等);3)对外墙抹灰质量要进行验收(清除基层墙体表面浮灰、抹灰空鼓等影响墙面施工的物质),验收合格后,方可进行保温层施工。
事中控制:1)对进场外墙保温班组人员,要求上报人名及身份证,现场查看身体情况及精神状态;并要求项目部技术人员对对进场工人做安全、质量技术交底;每个班组先做样板,样板验收通过后,方可允许大面积施工;2)要求施工方根据建筑立面设计和外墙外保温技术要求,在墙面弹出外门窗水平、垂直控制线及伸缩缝线、装饰缝线等。
在建筑外墙大角(阳角、阴角)及其它必要处挂垂直基准钢线,每个楼层适当位置挂水平线,以控制聚苯板的垂直度和平整度。
3)粘结翻包网格布:凡在粘结的石墨EPS防火保温板侧边外露出(如伸缩缝、建筑沉降缝、温度缝等缝线两侧、门窗洞口外侧、空调板上下、女儿墙等),都应该做网格布翻包处理,做法参见洞口做法。
4)聚合物粘结剂的配制:配制聚合物粘结剂时应有专人负责,严格计量,机械搅拌,确保搅拌均匀。
按水与粉料重量比为1:4的比例准确称量,先将水加入料桶中,然后加入本产品机械搅拌3~5分钟,静置10分钟后进行二次搅拌即可使用。
5)粘贴石墨EPS防火保温板本工程使用标准石墨EPS防火保温板标准尺寸1200×600×80mm非标准尺寸或局部不规则处可现场裁切,但必须注意切口与板面垂直。
建筑外墙保温工程施工技术要点1、表面处理在进行保温层材料粘贴之前,首先需要对墙体表面进行清洁、光洁、平整处理,确保保温层的粘附效果。
2、基层处理保温层需要以混凝土墙体为基础,因此需要将原建筑物表面的裂缝、凹陷等缺陷处理好,保证墙体表面能够平整稳固,从而有助于保温层的铺贴。
3、保温层的施工保温材料选择应根据外墙建筑物的特点、建筑要求和施工环境等考虑,一般情况下,聚苯板、硅酸钙板等属于轻质材料,易于施工。
在施工过程中,需要保持保温板的整洁干燥。
保温材料应缩小施工接缝,保持构造的连续性,减少热桥效应。
4、固定方式保温板的固定方式有湿粘结和干挂两种,一般情况下,为确保施工质量,使用湿粘结方式。
在采用湿粘结方法施工时,需要测量板材厚度和平整度,并且在保温板上划线,标明网格布的应用位置。
5、保温层墙角处处理墙角是建筑物的薄弱环节,因此,对于外墙保温层墙角处理需要非常细致,避免保温层材料的损坏和开裂,影响建筑物的保温效果。
6、保温层与外墙的接缝处理在保温层与外墙之间的接缝处,需要进行粘结和填缝,将其紧密连接起来,以达到保温隔热效果。
7、保温层表层处理表面处理主要是为了防水、防潮和耐酸碱,一般采用涂刷防水涂料和乳胶漆。
在涂刷前,需要对表面进行清洗,以确保表面干燥、平整和清洁。
涂刷时,操作人员需均匀涂刷,控制涂刷厚度,注意涂刷的均匀性。
8、保温层试验及验收对于保温层施工完成后,需要进行质量检测和验收。
主要检查保温层的厚度、平整度、损伤、开裂等情况,确保保温层质量经得起检验,达到建筑保温效果和技术标准要求。
高层外墙保温施工技术要点一、材料选择高层外墙保温施工应选择质量稳定、性能优良的保温材料。
常用的保温材料包括聚苯乙烯板、岩棉板、聚氨酯泡沫板等。
选择材料时应考虑其抗压强度、耐候性、防火性能等因素,确保材料在长期使用过程中不会出现老化、开裂等问题。
二、施工工艺1.基层处理:清除外墙表面的灰尘、油污等杂物,确保基层平整、干净。
对于凹凸不平的部位,应进行找平处理。
2.粘贴保温材料:根据设计要求,将保温材料粘贴在外墙表面。
粘贴时应确保材料与墙面紧密贴合,无空鼓、气泡等现象。
3.固定件设置:在保温材料表面设置固定件,确保保温材料与墙面牢固连接。
固定件应按照设计要求进行设置,并确保其数量和位置准确。
4.防水处理:在保温材料表面涂抹防水涂料,防止水分渗透到保温层内部,影响保温效果。
防水涂料应按照产品说明进行调配和使用。
三、粘贴方式1.点粘法:将保温材料粘贴在墙面上,每块材料之间留有一定的空隙,然后用专用胶水进行点粘。
点粘法适用于面积较小的保温施工。
2.条粘法:将保温材料按照设计要求粘贴在墙面上,每块材料之间不留空隙,然后用专用胶水进行条状粘贴。
条粘法适用于面积较大的保温施工。
四、固定件设置1.膨胀螺栓固定:在墙面上钻孔,将膨胀螺栓插入孔内,然后将保温材料固定在膨胀螺栓上。
膨胀螺栓应按照设计要求进行选择和安装。
2.射钉固定:将射钉射入墙体内,然后将保温材料固定在射钉上。
射钉应按照设计要求进行选择和安装。
五、防水处理1.防水涂料涂抹:在保温材料表面涂抹防水涂料,防止水分渗透到保温层内部。
防水涂料应按照产品说明进行调配和使用。
2.防水卷材铺设:在保温材料表面铺设防水卷材,防止水分渗透到保温层内部。
防水卷材应按照设计要求进行选择和铺设。
六、验收标准1.外观检查:检查保温材料是否平整、无空鼓、气泡等现象。
检查固定件是否牢固连接,无松动现象。
检查防水涂料或防水卷材是否涂抹均匀、无漏涂现象。
2.尺寸检查:检查保温材料的尺寸是否符合设计要求,检查固定件的间距和数量是否符合设计要求。
外墙保温施工技术控制要点
发表时间:2016-10-26T11:52:27.643Z 来源:《低碳地产》2016年12期作者:王孝飞
[导读] 【摘要】社会的快速发展,不但加大了我国建筑行业发展的力度,而且也受到各个领域的普遍认可。
施工人员在开展施工时,保温施工不但对整个建筑工程起到重要的作用,而且施工的品质直接影响到建筑工程的室内环境。
所以,施工人员要制定合理的方案来确保外墙保温施工的品质。
施工人员施工时,应该结合实际情况来满足外墙保温的要求,从而选用恰当的技术来确保外墙保温的整体品质。
身份证号码:23062219830620xxxx 绥芬河市东大建筑工程有限责任公司
【摘要】社会的快速发展,不但加大了我国建筑行业发展的力度,而且也受到各个领域的普遍认可。
施工人员在开展施工时,保温施工不但对整个建筑工程起到重要的作用,而且施工的品质直接影响到建筑工程的室内环境。
所以,施工人员要制定合理的方案来确保外墙保温施工的品质。
施工人员施工时,应该结合实际情况来满足外墙保温的要求,从而选用恰当的技术来确保外墙保温的整体品质。
本篇文章主要阐述外墙保温技术要点进行合理探讨,提出相关建议,仅供参考。
【关键词】保温施工;技术要点;建筑外墙
在近几年里,施工人员在对外墙进行保温施工时,因为外墙保温有较多的优点,所以应用到各种领域中,并且达到预期效果。
施工人员采取外墙保温的形式,不但可以满足居民的需要,而且也较好的提高建筑室内环境的整体舒适程度,所以建筑外墙保温施工技术在不断的发展,通过采取外墙外保温的技术受到了各个领域的认可。
为了提高外墙保温施工的整体品质,施工人员必须掌握专业的理论知识以及实践经验,从而确保外墙外保温的技术得到最大利益的发挥,推动建筑工程的不断进步。
一、建筑外墙体保温的分类
1、建筑外墙内保温
建筑外墙内保温简单的说是通过把建筑外墙的里面采用建筑室内环境进行适当改变,一般情况下,施工人员在进行外墙内保温施工时,可以使用苯板以及相关的保温材料作为主要材料,采取外墙内保温的施工方法可以有效的提高建筑保温节能的效率,而且还拥有较多的优点来加快施工的速度,与此同时对垂直度没有较多的要求。
然而,倘若长时间使用,建筑外墙内保温就会发生一些问题,从而对外墙内保温的性能产生一定的影响。
由于这些不足之处,会产生较大的区别,这样就会导致结露不能较好的产生,这也是由于保温技术不足造成的影响。
除此之外,在建筑中都会出现夏天需要制冷,冬天需要采暖的情况,因为室外温度的改变和太阳之间的作用下,屋面的温度就会出现较多的改变。
倘若室内温度没有高于室外温度,就会出现外墙膨胀的现象,温度通过不断的转换,会给建筑外墙内保温系统带来一定的影响。
因为相互之间的作用,会对外墙温度差别适应力产生影响,与此同时还会让建筑内保温系统出现空鼓开裂的情况。
采取建筑保温的施工手段不但会影响居民的装修,而且内墙悬挂固定方式会导致建筑外墙内保温的整体结构出现问题。
可以看出建筑外墙内保温这种方法还存在一些不足。
所以,施工中应用这种技术较少,逐渐使用外墙外保温的方式进行施工。
2、内外混合保温
对于整体施工而言,混合保温虽然能够提高施工的整体效率,但是不能较好的保护到内墙以及相关的交接部分,从而让建筑处在保温的状态。
然而,内外混合保温的技术会导致建筑结构受到一定的破坏。
外保温的使用使室内温度受到建筑整体结构的影响,温度变化不是很大,所以在温度场里面墙体处在稳定的状态,这样发生温度差异的变化也不是较大;内保温的使用受到室外环境对建筑整体结构的影响,温度变化较大,所以在温度场里面墙体处在不平稳的状态,发生温度差异的变化也较大。
通过内外混合保温的方法,能够让建筑整体结构随着不同的位置出现不同的改变,会让建筑的整体处在较不稳的状态下,随着时间的推移会出现裂缝的情况,这样就导致建筑的实用性。
因此,工程通过内外混合保温的方式是不科学的,危险也较大,所以该方法使用情况不多。
3、外墙外保温
在建筑外墙保温施工过程中,外墙外保温施工技术得到了广泛的应用,主要是由于外墙外保温技术具有很多的优势,该种施工方式是将保温材料直接粘贴在建筑的外墙表面,起到良好的保温隔热效果。
外墙外保温施工技术还具有以下几项特点,首先是具有较好的保温效果,因为保温材料置于建筑物外墙的外侧,基本上可以消除建筑物各个部位的“冷、热桥”影响。
能充分发挥轻新型质高效保温材料的保温效能,相对于外墙内保温和夹心保温墙体,在使用相同保温材料情况下,需要保温材料的厚度较小,达到较高的节能效果。
其次是建筑室内环境的改善,外保温提高了墙体的保温隔热性能,减少室内热能的传导损失,增加了室内的热稳定性。
另外还在一定程度上阻止了风霜雨雪等对外围墙体的浸湿,提高了墙体的防潮性能,避免了室内的霉斑、结露、透寒等现象。
进而创造了舒适的室内居住环境。
另外因保温材料铺贴于墙体外侧,避免了保温材料中的挥发性有害物质对室内环境的污染。
二、外墙保温施工要点
1、粘贴聚苯板的施工要点
采取点框法的形式粘贴聚苯板:首先用抹子把事先搅拌好的浆料平整的涂抹在聚苯板的周围,余下的部分要涂抹适当的干灰饼,就可以将聚苯板安装在指定的地方,用力适当的按压,时刻要检查相关的部分,确保聚苯板和基底不出现松动的现象。
待完成以后聚苯板的周边浆料宽度大约55mm,最窄处大于55mm,而且粘结面积要比聚苯板面积高于30%。
拼缝及细部要求:聚苯板粘贴时应自下而上,错缝粘贴,转角咬槎。
每层错缝1/2板长不少于200mm。
对下料尺寸偏差造成板间缝隙火于2mm的,应将聚苯板裁成合适的小片塞入缝中。
门窗洞口四角的聚苯板应采用整板切割成形,不得拼接。
接缝距涮口四角不少于200mm。
聚苯板粘贴完成静置24h后将板缝不平处用砂纸打磨平整再进行下道工序。
安装锚崮件聚苯板粘贴牢固后安装锚固件。
2、保护层施工要求
用镘刀将拌好的砂浆均匀的涂布在聚苯板表面上。
将预先裁制好的网格布对正位置用镘刀压入抹面砂浆中,逐行抹压,避免网格布褶皱。
网格布横向铺设、自上而下逐行铺贴,沿外墙转角处依次铺贴:遇门窗洞口时在洞口四角加贴一块长300mm,宽200mm的45°斜向网格布。
在下列部位须铺设加强网:底层距室外地面高度2m范围的部位:可能遭受冲击力部位。
加强网格布的铺贴方法:先贴加强网,再贴标准网,加强网与标准网之间必须加抹一层抹面砂浆。
网接槎的处理:不能连续施工的工作面预留搭接宽度≥100mm的网格布在抹面砂浆外,并注意保持网格布的平整与清洁以便后续施工。
抹平修整:用抹子将砂浆抹压平整。
三、结语
通过以上内容的总体阐述,可以得知:建筑工外墙保温技术不但对建筑工程起着重要的作用,而且施工品质也会依据室内温度的舒适
性受到一定的影响。
所以,施工人员在进行外墙保温技术时,一定要充分的了解施工技术重要的内容,采取恰当的方式开展施工,并且一定要遵守施工流程,制定切实可行的方法落实到施工中,同时相关部门还要提高施工管理的水平,从而提高外墙保温施工的整体品质,提高室内舒适度,促进我国建筑行业的不断发展。
参考文献:
[1]张伟娟.浅谈外墙保温施工技术及存在问题的处理方法[J].中小企业管理与科技(上旬刊).2010(04)
[2]赵亮,李丽明.对建筑外墙保温施工技术的探讨[J].中小企业管理与科技(下旬刊).2010(09)
[3]张土桂.建筑节能外墙外保温施工技术分析[J].中小企业管理与科技(上旬刊).2011(08)
[4]张晔.外墙保温施工技术及存在问题与对策[J].黑龙江科技信息.2015(15)
[5]张继涛,李为民,赵琴.外墙保温施工中应注意的问题[J].经营管理者.2009(11)。