25HZ相敏轨道电路检修
- 格式:doc
- 大小:77.50 KB
- 文档页数:3
电务段25HZ相敏轨道电路检修作业指导书1 检修准备1.1 预测预判。
通过信号集中监测,对当日作业区域轨道电路曲线进行调阅分析(图一),针对可能存在的问题,提出检修要求。
图一1.2 派班会。
明确检修作业负责人、室内外防护员、作业人员、时间、地点、检修要求和安全预判及安全讲话。
1.3 工具及仪表准备。
联络工具、照明灯、手锤、扳手、克丝钳、尖嘴钳、长嘴钳、套筒扳手、螺丝刀、钢卷尺、毛刷、开箱钥匙、防护员防护用具、万用表、铳子等。
1.4 材料准备:机油、棉纱、各种规格导接线、各种连接线、绝缘,不同规格的螺帽若干等。
2 检修作业流程做到一看、二检、三测、四验。
2.1 一看:看五项内容一看箱盒无裂纹、无破损,加锁装置良好;二看硬面化完好、无异物,基础不倾斜,外界无干扰,设备铭牌清晰;三看各类连接线连接、固定良好无锈蚀,防护线无破皮,无膨胀,防混措施良好;四看绝缘无破损,轨端无侧磨,肥边。
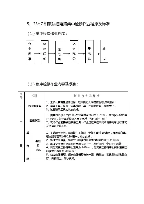
五看补偿电容固定良好、编号标识清晰,塞钉头涂油漆密封(图二):图二2.2 二检:检六项1.箱盒内部防尘防潮良好,各类设备、器材安装情况,各类配线无异常,端子紧固。
⒉箱盒内电缆去向铭牌齐全清楚,配线表、原理图清晰正确。
⒊地线接地电阻<1Ω,防雷单元良好。
⒋电容枕盖板、电容支架固定良好。
⒌扼流连接线、跳线、导接线连接良好,满足大机捣固“无障碍”的要求,塞钉头接触良好,涂油防护。
⒍对检出问题进行整治克服。
2.3 三测:测量13项室外测9项:⒈测电源电压。
⒉测送电、受电变压器Ⅰ、Ⅱ次电压。
⒊测限流器电压。
⒋测送、受电端轨面电压。
⒌测送电、受电扼流变压器信号圈、轨道圈电压;⒍测分路残压(入口电流)。
⒎测极性交叉。
⒏测防雷元件。
⒐测各类绝缘(图三):室内测4项:⒑电码化电码校验;⒒测相位角;⒓继电器轨道线圈端子电压;⒔测防雷单元。
图四扼流变轨道圈电压、限流电阻、轨道变压器测试和入口电流测试图三2.4 四验:⒈对各部进行全面复查。
⒉填写检修卡后,箱盒加锁,盖好防护罩,加好防掀装置,活动部分适当注油。
课件1:非电化区段25HZ相敏轨道电路检修作业程序及质量标准一、工作前准备:1.工具:维修电话(对讲机)、万用表、300mm活口扳手、套筒(5、6mm)、扁毛刷、手锤、冲子(9.8mm)、剁子及个人工具。
2.材料:各种绝缘管、垫、跳线、引接线、轨端接续线、支持夹、1.6mm铁绑线、机油、棉纱。
二、检修作业(一)天窗点外巡视作业(首先安排好室内外防护人员、确定作业地点及作业内容)1.联系登记1.1室外防护员:“我是李红蕾,在3-23WG区段进行外观检查”1.2室内防护员:“3-23WG区段进行外观检查,明白”1.3室内防护员在《行车设备检查登记簿》内登记,经车站值班员同意并签字后通知室外作业人员开始进行检修作业。
1.4室内防护员:“3-23WG区段可以进行外观检查”1.5室外防护员:“3-23WG区段可以进行外观检查,明白”2.设备检查程序及标准2.1送电端箱盒外观检查2.1.1箱盒无破损,加锁装置良好,号码清楚、正确;2.1.2基础倾斜度不超过10cm,箱盒底距地面不少于150cm,排水良好;2.1.3各部螺栓油润、紧固满帽,硬化面整洁无杂物;2.1.4引接线,固定在小枕上,不得埋于土或石砟中,油润不锈蚀,断股不超过1/5;2.2 送电端引接线检查引接线处不得有防爬器和轨距杆等物,穿越钢轨处距轨底不应小于30mm,并进行绝缘防护,不得与可能造成短路的金属件接触。
2.3通道设备检查2.3.1钢轨绝缘应做到钢轨、槽型绝缘、鱼尾板相吻合,轨端绝缘安装应与钢轨接头保持平直;道钉、扣件不得碰鱼尾板;装有轨端绝缘处的轨缝应保持6mm-10mm,两钢轨头保持水平,高低相差不大于2mm,在钢轨绝缘处的轨枕保持坚固,道床捣固良好。
2.3.2接续线采用双套化,塞钉打入深度至少应与轨腰平,露出不超过5mm,塞钉与塞钉孔要全面紧密接触,并涂漆封闭,线条紧贴鱼尾板,达到平、紧、直;2.3.3在道岔区段轨道电路,道岔跳线应采用双套化,岔心导电销焊接良好,道岔跳线处不得有防爬器和轨距杆等物。
一、案例举例案例一1.故障现象:某一送一受(非电气化非电码化区段)轨道电路区段红光带2.确认故障设备:在控制台观察故障区段,确认属非电气化非发码区段且为一送一受区段。
3.判断故障范围:(1)从分线盘电压判断室内、外故障测试受端电压较平常电压升高时,一般为室内断路。
测试受端电压较平常电压降低时,需甩线测量电缆电压。
电压升高,为室内短路。
电压仍低,为室外故障。
(2)测试受端电压为0,需甩线测量电缆电压。
电压仍为0时,为室外故障。
电压升高,为室内短路故障。
(3)测试受端电压正常:若为25HZ相敏轨道电路,需检查该区段二元二位继电器状态。
二元二位继电器吸起,为轨道架至区段组合断线或组合架内故障。
观察区段组合中的DGJ和DGJF是否吸起来确定。
二元二位继电器未吸起,则说明极性反(极性反一般发生在动线施工后)或局部线圈断和该区段局部电压不良。
4.室内故障的分析处理(1)断路故障处理按照电路配线图逐级测量电压,即可确定故障点。
(2)短路故障处理按照电路配线图甩线测量电压,甩线时应优先断开插接件和接线端子。
5.室外故障的分析处理(1)根据现场条件,就近测量故障区段的轨面电压:电压升高,为测试点至受端断路。
电压为0或降低,应测量电流。
(2)电流较平常增大,为测试点至受端短路。
(3)电流减小时,为测试点到送端短路。
(4)电流为0,为测试点至送端故障,需继续沿钢轨向送端方向测量电压和电流,直至有电压或电流时。
①当有电压无电流时为断路故障,断点为从无到有处。
②当无电压有电流时为短路故障,短路点为从无到有处。
测量送电端限流电阻上的电压值与正常时的测试数据进行比较,是迅速准确判断轨道电路故障性质的有效方法(前提是保证限流电阻接触良好)。
若测得的数值比正常值显著降低或为零,则判断为断线故障;若测得的数值比正常值明显升高,则判断为短路故障。
按照处理室内故障的方法相应处理并结合钳形电流表或轨道测试仪测电流即可。
用钳形电流表或轨道测试仪查钢轨上的短路点时,要注意两个短路点才能构成故障,要一起找出,不留故障隐患。
题 目:25HZ 轨道电路故障处理及日常维护 专 业: 自动化目录摘要 (I)第1章前言 (1)1.1 轨道电路概述 (1)1.1.1 轨道电路作用及构成 (1)1.1.2 轨道电路的原理 (1)1.1.3 轨道电路分类 (1)1.1.4 轨道电路的工作状态 (2)第2章 25Hz轨道电路 (1)2.1 25Hz轨道电路概述 (1)2.1.2 25Hz相敏轨道电路的发展 (1)2.1.2 25HZ轨道电路的特点 (2)2.2 97型25 Hz相敏轨道电路的运用特性 (2)2.2.1 97型25 Hz相敏轨道电路范围 (2)2.2.2 97型25 Hz相敏轨道电路主要特点 (2)2.2.3 97型25 Hz相敏轨道电路主要技术指标 (3)2.2.4 97型25 Hz相敏轨道电路工作原理 (4)第3章 25Hz轨道电路的组成 (5)3.1 25Hz轨道电路设备的基本组成 (5)3.2 97型25 Hz相敏轨道电路的元器件 (5)第4章 25HZ轨道电路的故障处理及日常维护 (7)4.1 轨道电路的处理程序 (7)4.2 97型25HZ相敏轨道电路故障查找方法 (7)第5章常见故障的分析与判断 (9)5.1 常见故障的判断方法 (9)5.2 常见故障案例 (13)第6章轨道电路的日常维护与常见仪表的使用 (15)6.1 轨道电路的日常维护工作 (15)6.2 仪表的使用 (16)结束语 (17)致谢 (18)参考文献 (19)摘要轨道电路使用97型25Hz相敏轨道电路。
在使用中为了加强对轨道电路的认识与理解,为站内轨道电路发生故障能够提供理论依据以及处理故障的快速有效的方法。
本文研究了道电化区段的轨道电路使用25HZ轨道电路的必要性,25HZ轨道电路的工作原理及使用各部件的用途。
总结并研究97型25Hz相敏轨道电路室内外故障的种类、查找顺序、一般规律和具体方法。
特别详细阐述了在查找短路故障中采用的电压表法、欧姆表法和卡流表法。
浅议25Hz相敏轨道电路故障处理方法摘要:随着我国社会经济的快速发展,普速铁路建设水平也在不断提升,为了减少施工成本,许多的普速铁路充分运用25 Hz相敏轨道的设计方式。
在25Hz相敏轨道应用的过程中还存在养护维修方面的问题需要解决。
关键词:25Hz相敏轨道;电路故障;处理方法;前言:25Hz相位轨道电路中的代码通道安装了隔离装置,以防止事故发生。
25Hz信号的相位敏感轨道电路容易受到干扰。
为了减少拒绝的时间,加快消除它的速度,你必须非常清楚如何消除它。
在运行的过程中25Hz相敏轨道电路虽然给我国的铁路运输提供了非常的帮助,但是在运行中还是会出现一定的问题。
一、25Hz相敏轨道电路故障特点25HZ的相位轨道有一个可靠的相位和选择性频率来保护轨道。
相敏轨道允许忽略牵引电流和确保不间断的电力供应,并有效地避免继电器的错误动作,在很大程度上确保了轨道安全并提高了轨道电路的寿命。
相敏轨道25HZ具有较高的通过能力。
在相同的外部条件下,相敏轨道25HZ可以有效地克服影响。
与其他频率相比,压载电阻提高了电路传输特性。
相敏轨道电路25HZ具有一定的稳定频率。
相敏轨道25HZ基于相敏轨道电路设计原则,由于相敏轨道具有良好的稳定性和固定的工作频率,25HZ移相轨道也具有工作频率稳定性的特点。
相敏轨道25HZ可以从相位集中。
相敏轨道25HZ能够在工作过程中偏转90度的电压,这使得能够在相位调节过程中有效地集中控制电路的相位。
二、25Hz相敏轨道维护的技术难点在检查电源时,如果多段轨道电路同时发生故障,将铁路25HZ相连接,首先应检查电源屏,并检查是否有电流输出异常。
在检查电路时,可以在负载下通过短路自动删除电路。
如果检测时发现有异常输出电流,您可以关闭外部负载线,然后检查电源,并检查电源是否恢复。
您可以判断外部电路故障,您可以缩小故障范围,进行局部故障检测。
如果无法恢复电源,您可以将故障排除在外。
可以判断内部饮食有问题,可以进行内部检查。
25HZ相敏轨道电路维修及故障处理作者:杜建功来源:《中国新通信》2013年第05期目前,25HZ相敏轨道电路在铁路信号设备中应用广泛。
该轨道电路是以两条钢轨为导体,保证电流在一定范围内流通,用以检查列车占用、传递列车占用信息及实现地面与机车间传递信号控制信息的电器回路。
在铁路电气化区段,由条钢轨既要传输信号弱电流,又要传输牵引电流的强电流。
在日常维修和故障处理中,必须熟悉电路原理和掌握科学规范的方法,确保维修和故障处理过程的人身安全。
一、25HZ相敏轨道电路的维修1.维修原则:保证作业人身安全,保证轨道各咱参数达到《维规》要求,保证牵引电流畅通。
2.维修重点:首先,熟悉掌握25HZ轨道电路工作原理、器材性能参数、构造和作用。
其次,掌握设备的维修作业标准,做到有目的、有计划、有重点地维修。
25HZ轨道电路有室内、室外两部分组成。
室外分为发送、接收和轨道电路三部分。
室内日常要做好电气特性测试,设备插接、安装牢固等检查。
室外部分主要日常巡视检查和测试数据。
轨道电路部分重点是加强各种连接线接触良好、防混措施良好、绝缘作用良好和有无外界干扰等。
最后,要充分利用日、月、季和年等电气特性测试,微机监测等辅助设备加强对轨道电路接收曲线监测,发现曲线波动隐患及时查找克服。
二、25HZ轨道电路的故障处理25HZ轨道电路易受天气、道床、电源质量等干扰影响,日常应加强电特性测试,掌握原始数据,以便在处理故障过程中进行对比判断。
1.故障处理原则。
处理25HZ相敏轨道电路故障时要严格执行各项安全规章制度和技术标准。
正确登记停用设备。
严禁使用封连电气接点。
严禁在轨道电路上拉临时线,构通电路造成死区间。
盲目提高轨道电路送电端电压的手段破坏联锁关系进行故障处理。
2.故障查找处理。
第一步,判断故障范围。
接到车站值班员故障通知后,应先到运转室询问值班员并观察控制台故障现象。
(1)若全站红光带,应检查电源屏送出的轨道和局部电源是否正常。
25HZ相敏轨道电路故障处理简要方法25HZ相敏轨道电路故障处理简要方法发生红光带后,首先到行车室确认故障现象。
1.全站红光带或某一咽喉全部区段红光带,检查电源屏输出保险;2.某咽喉不规则红光带,检查组合架保险或发送输出电缆;3.相邻两区段红光带,检查室外绝缘;4.排路后正线区段红光带,可先按压发码复原按钮。
5.单独一轨道电路红光带,以检查本区段设备为主。
以单独一区段红光带处理故障方法举例。
首先区分故障是室内还是室外。
因为25HZ相敏轨道电路是集中供电,所以单独一区段红光带说明其室内发送到室外发送端是正常的,要到分线盘测试接收端电压,如有电压,说明是室内开路故障;无电压,甩线再测,有了电压,是室内短路故障;仍无电压,是室外故障。
(此时无法区分是开路还是短路)到达现场,到发送端测试限流电阻电压,与正常值相比,低了,是开路故障;高了,是短路故障。
(一般情况,有特殊的几个点故障时与上述不符,在此不作赘述,有兴趣的朋友可再探讨)查找方法不再详谈。
如电压已上了发送端钢丝绳,使用轨道测试仪25HZ电流档沿着钢轨向接收端前进,电流突变点即为故障点。
(25HZ相敏轨道电路轨面电压极低,无法使用电压法查找故障点)此为笔者的一些个人心得,有不到之处请各位电务兄弟指正2、轨道电路的限流电阻:(1)送电端限流电阻(Rx)(固定,不得调小,更不得调至零值):a、有扼流变压器的区段及无扼流变的电码化区段:Rx=4.4Ωb、无扼流变压器非电码化的无岔区段及股道:Rx=0.9Ωc、无扼流变压器非电码化的道岔区段:Rx=1.6Ω(3)受电端限流电阻(Rs):一送多受道岔区段:Rs先预调2.2Ω或1.1Ω(调平衡时可以按需要从零至全阻值进行调整,变阻器增加一根短连线便于调阻值)。
(3)室外受电端变压器输出电压固定在一定电压档:a、一次侧使用Ⅰ1、Ⅰ4连接Ⅰ2、Ⅰ3(220v档),b、二次侧使用Ⅲ1、Ⅲ3(15.84v档)。
(4)室外送电端变压器:a、一次侧使用Ⅰ1、Ⅰ4连接Ⅰ2、Ⅰ3(220v档),b、二次根据调整表调整输出电压使GJ吸起。
关于25HZ相敏轨道电路故障处理方案的分析为了满足当下相敏轨道电路工作的需要,进行故障处理体系的健全是必要的,这需要进行该种类型轨道电路基本特性的分析,并且要针对实际情况进行故障的优化处理,进行相关故障处理方法的应用。
在列车运作过程中,轨道电路扮演者重要的角色,其进行列车运行位置的良好反应,是联锁系统进行信息收集的重要一个模块,为了更好的满足工作的发展,必须进行轨道电路故障预防体系的健全,对联锁系统的稳定运行。
实现行车秩序的稳定性,更好的实现行车的安全性。
这需要经过一个比较长久的工作过程,相关轨道电路故障处理。
标签:25HZ;联锁系统;行车秩序;轨道电路;故障处理;行车安全前言通过对25HZ相敏轨道电路的运作方式分析,可以得知其具备良好的稳定性及其抗干扰性,能够进行电气化区段的广泛应用,并且在其运行过程中,是有一定运行规律的,通过对轨道电路故障的新思维及其新思路的分析,更好的解决现实问题。
这就需要进行该种轨道电路基本特性的深入分析,从现实的故障处理中进行相关常见处理方案的应用。
1 关于电路模式的分析1.1 要更好的进行25hz相敏轨道电路的分析,必要进行25hz电源屏的分析。
其分为局部电源及其轨道电源。
在这其中,轨道电源需要由室内进行供出,再进行室外电缆的供向。
在这其中需要经过25HZ的轨道电源变压器,钢轨线路、扼流变压器等,保障其室内的送回。
通过对2HZ防护盒的应用,给予二元二位轨道继电器内部设备供电。
在其局部线圈的25HZ电流被室内提供。
通过对上述应用方式的分析,其轨道线圈机器局部的线圈电源满足了电流运行的相位及其频率要求。
当CJ被吸起时,轨道电路处于一种调整的状态,这表示轨道电路出现空闲的情况。
在列车被占用时,轨道电源产生被分路的情况,CJ落下。
如果在这个过程中,频率及其相位出现不协调的情况,CJ也会落下。
这就赋予了相敏轨道电路一定的相位鉴别能力,也就是常说的相敏特性,其具备良好的抗干扰性。
铁路信号25Hz相敏轨道电路故障处理摘要:25Hz相敏轨道电路作为铁路系统的重要组成部分,其对铁路运输有着重要的影响。
因此,我们应该掌握这种轨道电路的构成和原理,对其容易出现的故障问题进行全面把握,针对空闲红光带、室内故障以及室外故障等问题,进行针对性的检查和处理,保证铁路系统的正常有效运行。
关键词:铁路信号;25Hz相敏轨道;电路故障一、25Hz相敏轨道电路的基本原理轨道电路电源首先由电源屏供给的25Hz轨道电源及其局部供电,然后再通过送端的25Hz轨道变压器、限流电阻和扼流变压器相互衔接,并连通相应的路轨区段通道,将受端的轨道变压器、扼流变压器相互连接,更好地将线路传回室内。
局部电源再供给二元二位继电器的局部线圈,局部线圈电流与轨道线圈电压均达标、局部电源相位超前轨道电源90度,将二元或二位继电器吸起,轨道电路处在空闲状态。
相反,一但二元二位继电器都没有被吸起来,即轨道有车占用或故障,则轨道电路仍保持在分路状态中。
25Hz相敏轨道电路自身也具备了较好的工作稳定性,且维修简便,能较好地抵抗牵引供电电流干扰,在实际应用的过程中深受好评。
二、铁路信号25HZ相敏轨道电路易出现的故障问题及处理措施1.轨道电路故障以及处理措施(1)故障原因。
①钢轨折断很容易使得轨道电路发生空闲红光带,这是一种常见的故障问题,通常在冬天寒冷天气中发生几率大,如果钢轨折断,那么轨道电路会一直出现红光带,所以很容易被工作人员发现和检测出来。
而在春天季节或者是隧道环境内,就算是钢轨折断,断切面之间也会存在小部分的接触,为故障检测工作带来一定的难度,工作人员很难快速的确定故障位置。
②绝缘接头故障,其通常是单侧绝缘接触不良造成的,并且也很容易使另一侧受到扣件因素影响出现短路故障。
极性交叉位置的绝缘接头也会经常出现短路现象,从而造成空闲红光带。
③其他位置短路、设备故障、自然灾害以及其他因素干扰等也会导致空闲红光带。
(2)处理措施。