模板支架过程检查表
- 格式:doc
- 大小:118.00 KB
- 文档页数:4
1、模板支撑体系纵横扫地杆搭设完成,且立杆和第一步横杆搭设完成后,由责任工程师向(生产经理)提交支撑体系基础验收申请,由(生产经理)组织验收。
高支模支撑体系的相关验收必须由项目经理组织。
2、钢管壁厚和扣件质量测试时,取总使用量的3%抽检,填写实测平均值。
3、需报上级验收的,此表应在基础验收通过后立即上报上级安监部门。
1、模板支撑体搭设完毕,梁模及板模铺设前,项目经理应组织项目生产经理、总工程师、安全总监、质量总监、责任工程师等人员进行内部验收并签字,方可铺设模板。
2、签字栏黑体字为牵头人。
模板支架混凝土浇筑核准表1、模板支撑体搭设完毕,砼浇筑前,项目经理应组织项目生产经理、总工程师、安全总监、质量总监、责任工程师等人员进行内部验收并签字,报公司核准验收合格后方可进行砼浇筑施工。
2、签字栏黑体字为牵头人。
一、模板支架验收程序:纵横扫地杆、立杆、第一步横杆搭设完模板支撑体搭设完毕,梁模及板模铺设前钢筋绑扎完毕,砼浇筑前二、其他要求1、模板支架搭设前,必须做好本层的临边洞口防护,作为本层模板支架第一次验收的必要条件;2、模板支架搭设完成后,必须将本层内多余的材料清理完成,尺寸超过500mm的洞口必须预留@150单层双向的钢筋网片,此两项作为混凝土浇筑前模板支架第三次验收的必要条件;3、模板支架拆除前必须进行申请,保持临边防护完整,拆除并清理完成后,必须进行楼层交接,方可拆除本层的临时临边洞口防护;4、材料吊运时,必须严格遵守起重吊装要求,不得长短混吊,零散材料吊运必须使用料斗;5、不得破坏外脚手架上的任何杆件或者防护设施,不得在外脚手架上堆放任何材料或者工具;6、楼层转料平台必须经过验收后方能开始使用。
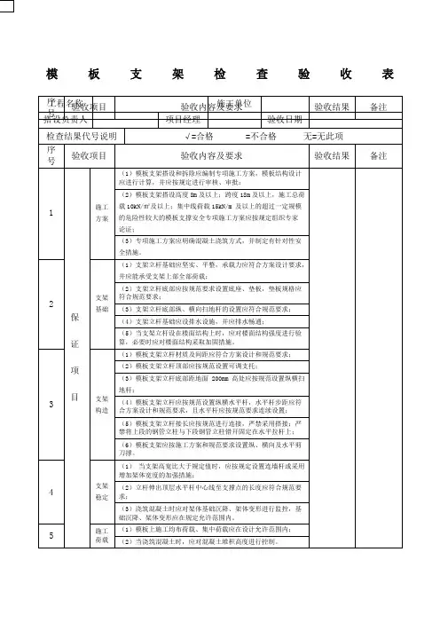
模板支架检查验收表工程名称施工单位搭设负责人项目经理验收日期检查结果代号说明√=合格×=不合格无=无此项序号验收项目验收内容及要求验收结果备注1保证项目施工方案(1)模板支架搭设和拆除应编制专项施工方案,模板结构设计应进行计算,并应按规定进行审核、审批;(2)模板支架搭设高度8m及以上;跨度18m及以上,施工总荷载10kN/㎡及以上;集中线荷载15kN/m 及以上的超过一定规模的危险性较大的模板支撑安全专项施工方案应按规定组织专家论证;(3)专项施工方案应明确混凝土浇筑方式,并制定有针对性安全措施。
2 支架基础(1)支架立杆基础应坚实、平整,承载力应符合方案设计要求,并应能承受支架上部全部荷载;(2)支架立杆底部应按规范要求设置底座、垫板,垫板规格应符合规范要求;(3)支架立杆底部纵、横向扫地杆的设置应符合规范要求;(4)支架立杆基础应设排水设施,并应排水畅通;(5)当支架立杆设在楼面结构上时,应对楼面结构强度进行验算,必要时应对楼面结构采取加固措施。
3 支架构造(1)模板支架立杆材质及间距应符合方案设计和规范要求;(2)模板支架立杆顶部应按规范设置可调支托;(3)模板支架立杆底部距地面200mm高处应按规范设置纵横扫地杆;(4)模板支架立杆应按规范设置纵横水平杆,水平杆步距应符合方案设计和规范要求,且水平杆应按规范要求连续设置;(5)模板支架立杆接长应按规范进行连接,严禁采用搭接;严禁将上段的钢管立柱与下段钢管立柱错开固定在水平拉杆上;(6)模板支架应按施工方案和规范要求设置纵、横向及水平剪刀撑。
4 支架稳定(1)当支架高宽比大于规定值时,应按规定设置连墙杆或采用增加架体宽度的加强措施;(2)立杆伸出顶层水平杆中心线至支撑点的长度应符合规范要求;(3)浇筑混凝土时应对架体基础沉降、架体变形进行监控,基础沉降、架体变形应在规定允许范围内。
5 施工荷载(1)模板上施工均布荷载、集中荷载应在设计允许范围内;(2)当浇筑混凝土时,应对混凝土堆积高度进行控制。
附件1:桥梁支架及模板工程检查表(圆模)建设项目名称:云南腾冲至陇川高速公路建设项目桥梁名称:里程桩号:检查日期:墩台号检查内容检查情况(是/否)备注检查人员模板拼装连接螺栓是否全部安装到位模板竖横向连接螺栓是否为高强螺栓是否采用缆风绳定位加固模板顶部作业平台是否与模板固定连接到位模板拆卸、安装是否进行了安全技术交底专项施工方案是否审批现场是否与方案一致相关警示标志、标牌是否设置齐全现场发现的其它问题1附件2:桥梁支架及模板工程检查表(翻模)建设项目名称:云南腾冲至陇川高速公路建设项目桥梁名称:里程桩号:检查日期:墩台号检查内容检查情况(是/否)备注检查人员模板拼装连接螺栓是否全部安装到位对拉杆螺栓数量、直径是否与方案一致模板竖横向连接螺栓是否为高强螺栓模板横(围)带四角螺栓是否为标准螺杆外挂托架平台是否与模板背肋有效连接槽钢托架设置间距是否合理操作平台是否满铺到位临边防护是否设置到位临边四角是否采取临时固定措施拼装完成后是否组织有关单位验收作业平台是否配置灭火器、是否配置废料收集桶模板拆卸、安装是否进行了安全技术交底专项施工方案是否经专家论证、审批现场是否与专项施工方案一致相关警示标志、标牌是否设置齐全现场发现的其它问题2附件2:桥梁支架及模板工程检查表(爬模)建设项目名称:云南腾冲至陇川高速公路建设项目桥梁名称:里程桩号:检查日期:墩台号检查内容检查情况(是/否)备注检查人员锚固系统的埋件板、高强螺杆、爬锥、受力螺杆和埋件支座是否为模板生产厂家标准配件(受力螺栓强度须为10.9级)爬锥预埋安装是否检查液压系统是否安装压力表(智能集中泵)液压系统是否安装高、低压溢流阀模板支架系统的连接销、开口销和拼装螺栓是否全部安装到位拼装完成后是否组织有关单位验收模板防倾、防坠装置是否安装到位上、中、下平台是否配置灭火器、是否堆放材料、是否配置废料收集桶操作平台是否封闭到位临边防护是否按照标准设置到位模板安装、爬升、拆卸是否进行了安全技术交底专项施工方案是否经专家论证、审批现场是否与专项施工方案一致相关警示标志、标牌是否设置齐全现场发现的其它问题3附件3:桥梁支架及模板工程检查表(挂篮)建设项目名称:云南腾冲至陇川高速公路建设项目桥梁名称:里程桩号:检查日期:墩台号检查内容检查情况(是/否)备注检查人员主桁架拼装连接螺栓、连接销(开口销)、连接杆件、限位开关销是否全部安装到位(无漏装件)挂篮拼装连接螺栓、连接销(开口销)、连接杆件、限位开关销是否全部安装到位(无漏装件)挂篮拼装完成后是否组织有关单位验收挂篮是否进行了静载试验挂篮前后吊带是否为钢带挂篮主桁架前后锚固点是否全部锚固到位挂篮安全通道及临边安全防护是否设置到位挂篮安装、行走操作、拆卸是否进行了安全技术交底挂篮是否设置了防雷措施箱体内外是否配置灭火器、是否配置废料收集桶专项施工方案是否经专家论证、审批现场是否与专项施工方案一致相关警示标志、标牌是否设置齐全现场发现的其它问题4附件5:桥梁支架及模板工程检查表(满堂支架)建设项目名称:云南腾冲至陇川高速公路建设项目桥梁名称:里程桩号:检查日期:墩台号检查内容检查情况(是/否)备注检查人员搭设场地是否硬化、排水是否畅通,地基承载力是否满足要求是否采用盘扣式支架支架立杆间距是否与方案一致支架立杆底部是否设置金属底座和木垫板扫地杆和剪刀撑是否设置到位支架顶托与工字钢配合使用时,工字钢中心与立杆是否存在偏心受力现象预压前是否组织有关单位验收并挂牌签字支架安装、拆卸是否进行了安全技术交底专项施工方案是否经专家论证、审批现场是否与专项施工方案一致相关警示标志、标牌是否设置齐全现场发现的其它问题5附件6:桥梁支架及模板工程检查表(贝雷梁组合支架)建设项目名称:云南腾冲至陇川高速公路建设项目桥梁名称:里程桩号:检查日期:墩台号检查内容检查情况(是/否)备注检查人员钢管立柱与基础连接是否可靠钢管立柱之间的连接螺栓是否全部安装到位斜撑连接拉杆是否设置到位贝雷梁组合支架采用穿心棒或牛腿托架是否安全可靠预压前是否组织有关单位验收并挂牌签字支架安装、拆卸是否进行了安全技术交底专项施工方案是否经专家论证、审批现场是否与专项施工方案一致相关警示标志、标牌是否设置齐全现场发现的其它问题6附件7:桥梁支架及模板工程检查表(系梁、盖梁支架)建设项目名称:云南腾冲至陇川高速公路建设项目桥梁名称:里程桩号:检查日期:墩台号检查内容检查情况(是/否)备注检查人员系梁、盖梁支架支撑系统的钢棒规格尺寸、机械千斤顶吨位、工字钢及对拉杆直径是否与方案一致方案是否通过审批千斤顶与穿心棒的支点是否设置足够刚度的支撑平台或卡槽千斤顶和穿心棒中心是否为同轴竖向受力7附件8:桥梁支架及模板工程检查表(安全爬梯)建设项目名称:云南腾冲至陇川高速公路建设项目桥梁名称:里程桩号:检查日期:墩台号检查内容检查情况(是/否)备注检查人员基础是否硬化处理爬梯底托是否与基础锚固连接密目网是否有效设置爬梯与墩柱的固定连接拉杆是否稳固爬梯与墩柱的固定点间距是否合理爬梯与桥墩作业点的通道是否设置到位安装、拆卸是否进行了安全技术交底是否经验收并挂牌签字相关警示标志、标牌是否设置齐全现场发现的其它问题8。
1、模板支撑体系纵横扫地杆搭设完成,且立杆和第一步横杆搭设完成后,由责任工程师向(生产经理)提交支撑体系基础验收申请,由(生产经理)组织验收。
高支模支撑体系的相关验收必须由项目经理组织。
2、钢管壁厚和扣件质量测试时,取总使用量的3%抽检,填写实测平均值。
3、需报上级验收的,此表应在基础验收通过后立即上报上级安监部门。
1、模板支撑体搭设完毕,梁模及板模铺设前,项目经理应组织项目生产经理、总工程师、安全总监、质量总监、责任工程师等人员进行内部验收并签字,方可铺设模板。
2、签字栏黑体字为牵头人。
模板支架混凝土浇筑核准表
1、模板支撑体搭设完毕,砼浇筑前,项目经理应组织项目生产经理、总工程师、安全总监、质量总监、责任工程师等人员进行内部验收并签字,报公司核准验收合格后方可进行砼浇筑施工。
2、签字栏黑体字为牵头人。
一、模板支架验收程序:
纵横扫地杆、立杆、第一步横杆搭设完
模板支撑体搭设完毕,梁模及板模铺设前
钢筋绑扎完毕,砼浇筑前
二、其他要求
1、模板支架搭设前,必须做好本层的临边洞口防护,作为本层模板支架第一次验收的必要
条件;
2、模板支架搭设完成后,必须将本层内多余的材料清理完成,尺寸超过500mm的洞口必
须预留@150单层双向的钢筋网片,此两项作为混凝土浇筑前模板支架第三次验收的必要条
件;
3、模板支架拆除前必须进行申请,保持临边防护完整,拆除并清理完成后,必须进行楼层
交接,方可拆除本层的临时临边洞口防护;
4、材料吊运时,必须严格遵守起重吊装要求,不得长短混吊,零散材料吊运必须使用料斗;
5、不得破坏外脚手架上的任何杆件或者防护设施,不得在外脚手架上堆放任何材料或者工
具;
6、楼层转料平台必须经过验收后方能开始使用。