模板安装监理平行检查记录表
- 格式:doc
- 大小:71.00 KB
- 文档页数:1
土方开挖、回填工程监理平行检验记录表
注:“允许偏差”栏中有数据规定的填写实测值,其余可用“√”表示合格;“×”表示不合格。
渝天骄监平检-2表地下、屋面卷材防水层监理平行检验记录表
注:“允许偏差”栏中有数据规定的填写实测值,其余可用“√”表示合格;“×”表示不合格。
钢管承重支模架平行检验监理记录
本表一式一份,项目监理机构留存
模板安装工程监理平行检验记录表
工程名称:编号:
注:“允许偏差”栏中有数据规定的填写实测值,其余可用“√”表示合格;“×”表示不合格。
钻孔灌注桩单桩工程质量监理平行检查
人工挖孔桩(钢筋笼)工程监理平行检验记录表
注:“允许偏差”栏中有数据规定的填写实测值,其余可用“√”表示合格;“×”表示不合格。
钢筋加工、连接、安装工程监理平行检验记录表
注:“允许偏差”栏中有数据规定的填写实测值,其余可用“√”表示合格;“×”表示不合格。
监理平行检查记录表(最新全套)XXX开挖、回填工程监理平行检验记录表单位(子单位)工程名称:乐清市中心区B-c5地块监理平行检验部位:桩基、基坑、基槽、挖方场、地平整、人工、机械、管、沟、地(路)面基层施工单位自检及报验情况:施工单位于年月日完成了自检、交接检、专检,并自检合格。
项目监理部于年月日时收到其报验资料,审查合格,于月日到现场进行平行检验,检验情况如下:现行施工质量验收规范的规定:允许偏差或允许值(mm):桩基:±30基坑:±50基槽:-50挖方场:1地(路)面基层:2,3开挖一般项目:主控项目1-5回填一般项目:主控项目1-5监理平行检验记录实测值:桩基、基坑、基槽、挖方场、地平整、人工、机械、管、沟、地(路)面基层的实测值均符合规定的允许偏差或允许值范围内。
监理单位平行检验结论:符合规定。
地下、屋面卷材防水层监理平行检验记录表单位(子单位)工程名称:监理平行检验部位:施工单位自检及报验情况:施工单位于年月日完成了自检、交接检、专检,并自检合格。
项目监理部于年月日时收到其报验资料,审查合格,于月日到现场进行平行检验,其检验情况如下:现行施工质量验收规范的规定:卷材防水层所用卷材及配套材料质量必须符合设计要求。
监理平行检验记录实测值:1.卷材防水层无渗漏或积水现象。
2.卷材防水层及其转角处、变形缝、穿墙管道、屋面的天沟、檐沟、檐口、水落口、泛水和伸出屋面管道的防水构造,均符合设计要求。
3.卷材防水层的基层牢固,基面洁净、平整,无空鼓、松动、起砂和脱破现象;基层阴阳角处做圆弧形。
4.卷材防水层上的搭接缝粘(焊)牢固,密封严密,无皱折、翘边和鼓泡等缺陷;防水层的收头与基层粘结并固定牢固,缝口封严,无翘边。
监理单位平行检验结论:符合规定。
卷材铺贴时,应确保方向正确,且搭接宽度的允许偏差不超过-10mm。
屋面防水中的排气通道应纵横贯通,不得出现堵塞现象。
排气管应安装牢固,位置正确,封闭严密。
土方开挖、回填工程监理平行检验记录表
地下、屋面卷材防水层监理平行检验记录表
注:“允许偏差”栏中有数据规定的填写实测值,其余可用“√”表示合格;“×”表示不合格。
钢筋加工、连接、安装工程监理平行检验记录表
注:“允许偏差”栏中有数据规定的填写实测值,其余可用“√”表示合格;“×”表示不合格。
混凝土外观质量及现浇结构工程监理平行检验记录表
注:“允许偏差”栏中有数据规定的填写实测值,其余可用“√”表示合格;“×”表示不合格。
砖砌体(混水)、填充墙工程监理平行检验记录表。
土方开挖、回填工程监理平行考验记录表之马矢奏春
创作
注:“允许误差”栏中罕见据规定的填写实测值,其余可用“√”暗示合格;“×”暗示不合格.
渝天骄监平检-2表
地下、屋面卷材防水层监理平行考验记录表
“√”暗示合格;“×”暗示不合格.
钢管承重支模架平行考验监理记录
工程名称:编号:
模板装配工程监理平行考验记录表工程名称:编号:
注:“允许误差”栏中罕见据规定的填写实测值,其余可用“√”暗示合格;“×”暗示不合格.
钻孔灌注桩单桩工程质量监理平行检查
人工挖孔桩(钢筋笼)工程监理平行考验记录表
注:“允许误差”栏中罕见据规定的填写实测值,其余可用“√”暗示合格;“×”暗示不合格.
钢筋加工、连接、装配工程监理平行考验记录表
“√”暗示合格;“×”暗示不合格.
混凝土外不雅质量及现浇机关工程监理平行考验记录表
“√”暗示合格;“×”暗示不合格.
砖砌体(混水)、填充墙工程监理平行考验记录表
注:“允许误差”栏中罕见据规定的填写实测值,其余可用“√”暗示合格;“×”暗示不合格.
一般(通俗)抹灰工程监理平行考验记录表
“√”暗示合格;“×”暗示不合格.
外墙饰面砖粘贴工程监理平行考验记录表
注:“允许误差”栏中罕见据规定的填写实测值,其余可用“√”暗示合格;“×”暗示不合格.。
土方开挖、回填工程监理平行检验记录表
注:“允许偏差”栏中有数据规定的填写实测值,其余可用“√”表示合格;“×”表示不合格。
渝天骄监平检-2表地下、屋面卷材防水层监理平行检验记录表
注:“允许偏差”栏中有数据规定的填写实测值,其余可用“√”表示合格;“×”表示不合格。
钢管承重支模架平行检验监理记录
工程名称:编号:
本表一式一份,项目监理机构留存
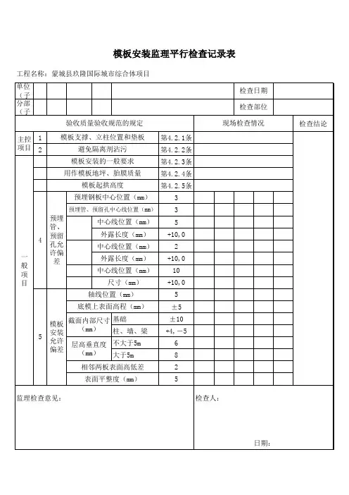
模板安装工程监理平行检验记录表
工程名称:编号:
注:“允许偏差”栏中有数据规定的填写实测值,其余可用“√”表示合格;“×”表示不合格。
钻孔灌注桩单桩工程质量监理平行检查
人工挖孔桩(钢筋笼)工程监理平行检验记录表
注:“允许偏差”栏中有数据规定的填写实测值,其余可用“√”表示合格;“×”表示不合格。
钢筋加工、连接、安装工程监理平行检验记录表
注:“允许偏差”栏中有数据规定的填写实测值,其余可用“√”表示合格;“×”表示不合格。
混凝土外观质量及现浇结构工程监理平行检验记录表
注:“允许偏差”栏中有数据规定的填写实测值,其余可用“√”表示合格;“×”表示不合格。
砖砌体(混水)、填充墙工程监理平行检验记录表
注:“允许偏差”栏中有数据规定的填写实测值,其余可用“√”表示合格;“×”表示不合格。
一般(普通)抹灰工程监理平行检验记录表
注:“允许偏差”栏中有数据规定的填写实测值,其余可用“√”表示合格;“×”表示不合格。
外墙饰面砖粘贴工程监理平行检验记录表
注:“允许偏差”栏中有数据规定的填写实测值,其余可用“√”表示合格;“×”表示不合格。
土方开挖、回填工程监理平行检验记录表
注:“允许偏差”栏中有数据规定的填写实测值,其余可用“√”表示合格;“×”表示不合格。
渝天骄监平检-2表地下、屋面卷材防水层监理平行检验记录表
注:“允许偏差”栏中有数据规定的填写实测值,其余可用“√”表示合格;“×”表示不合格。
钢管承重支模架平行检验监理记录
模板安装工程监理平行检验记录表
工程名称:编号:
注:“允许偏差”栏中有数据规定的填写实测值,其余可用“√”表示合格;“×”表示不合格。
钻孔灌注桩单桩工程质量监理平行检查
人工挖孔桩(钢筋笼)工程监理平行检验记录表
注:“允许偏差”栏中有数据规定的填写实测值,其余可用“√”表示合格;“×”表示不合格。
钢筋加工、连接、安装工程监理平行检验记录表
注:“允许偏差”栏中有数据规定的填写实测值,其余可用“√”表示合格;“×”表示不合格。
混凝土外观质量及现浇结构工程监理平行检验记录表
注:“允许偏差”栏中有数据规定的填写实测值,其余可用“√”表示合格;“×”表示不合格。
砖砌体(混水)、填充墙工程监理平行检验记录表
注:“允许偏差”栏中有数据规定的填写实测值,其余可用“√”表示合格;“×”表示不合格。
一般(普通)抹灰工程监理平行检验记录表
注:“允许偏差”栏中有数据规定的填写实测值,其余可用“√”表示合格;“×”表示不合格。
外墙饰面砖粘贴工程监理平行检验记录表
注:“允许偏差”栏中有数据规定的填写实测值,其余可用“√”表示合格;“×”表示不合格。
涿州市博物馆工程工程监理平行检验台帐监理机构(盖章):总监理工程师(签字):年月日至年月日目录一、工程监理“平行检验”方案1、前言2、“平行检验"编制的依据3、基本规定4、“平行检验"实施的范围、程序、内容及要点二、平行检验附表1、地基与基础附表(1)钻孔灌注桩监理平行检验表(2)人工挖孔灌注桩监理平行检验表(3)静压预制桩监理平行检验表2、进场原材料附表(1)混凝土试验平行检验表(2)砂浆试验平行检验表(3)工程进场材料质量平行检验表3、结构工程附表(1)分部分项工程自检完成通知单(2)回弹法测试原始记录表(3)建筑物垂直度、标高、全高监理抽测表(4)室内标高、轴线、楼板厚度监理抽测表4、安装工程附表(1)线路绝缘电阻监理平行检验表(2)防雷接地监理平行检验表(3)室内、外给水、排水预留孔洞位置(标高、安装高度)监理平行检验记录表(4)插座监理平行检验表工程监理“平行检验" 方案一、前言:“平行检验”是施工阶段建设工程监理对工程实体进行质量控制的重要手段.监理规范中明确规定“平行检验的做法:即项目监理机构利用一定的检查或检测手段,在承包单位自检的基础上,按照一定的比例独立进行检查或检测活动。
”(GB50319-2000).《建筑工程施工质量统一标准》GB50300—2001中明确了建筑工程施工质量控制及验收必须由监理机构检查认可并得结论。
因此,监理机构必须正确运用“平行检验"这一手段做好工程质量的过程控制工作。
二、“平行检验”编制的依据:1、《建设工程监理规范》2、《建筑工程施工质量验收统一标准》3、工程建设标准强制性条文4、各分部工程质量验收规范如:《砌体工程施工质量验收规范》《混凝土结构工程施工质量验收规范》《屋面工程质量验收规范》…………………5、《住宅工程质量通病防冶导则》6、设计图纸和技术资料7、已批准的监理规划和施工组织设计三、基本规定:1、“平行检验"的实施由项目监理机构进行,依据国家现行标准、规范、设计文件对被检验项目自行作出判断的检查验收.2、开工前,监理机构应会同建设单位、施工单位制定“平行检验" 方案并明确实施的范围、程序。
土方开挖、回填工程监理平行检验记录表注:“允许偏差”栏中有数据规定的填写实测值,其余可用“√”表示合格;“×”表示不合格。
渝天骄监平检-2表地下、屋面卷材防水层监理平行检验记录表注:“允许偏差”栏中有数据规定的填写实测值,其余可用“√”表示合格;“×”表示不合格。
钢管承重支模架平行检验监理记录工程名称:编号:本表一式一份,项目监理机构留存。
模板安装工程监理平行检验记录表工程名称:编号:注:“允许偏差”栏中有数据规定的填写实测值,其余可用“√”表示合格;“×”表示不合格。
钻孔灌注桩单桩工程质量监理平行检查注:标有△为主要检测项目。
人工挖孔桩(钢筋笼)工程监理平行检验记录表注:“允许偏差”栏中有数据规定的填写实测值,其余可用“√”表示合格;“×”表示不合格。
钢筋加工、连接、安装工程监理平行检验记录表注:“允许偏差”栏中有数据规定的填写实测值,其余可用“√”表示合格;“×”表示不合格。
混凝土外观质量及现浇结构工程监理平行检验记录表注:“允许偏差”栏中有数据规定的填写实测值,其余可用“√”表示合格;“×”表示不合格。
砖砌体(混水)、填充墙工程监理平行检验记录表注:“允许偏差”栏中有数据规定的填写实测值,其余可用“√”表示合格;“×”表示不合格。
一般(普通)抹灰工程监理平行检验记录表注:“允许偏差”栏中有数据规定的填写实测值,其余可用“√”表示合格;“×”表示不合格。
外墙饰面砖粘贴工程监理平行检验记录表注:“允许偏差”栏中有数据规定的填写实测值,其余可用“√”表示合格;“×”表示不合格。
监理平行检查记录表格模板日期:__________项目名称:__________项目地点:__________监理单位:__________被监理单位:__________监理人员:__________被监理人员:__________编号 | 检查内容 | 抽查对象 | 问题描述 | 备注-----|-----------|-----------|----------|-----1 | | | |2 | | | |3 | | | |4 | | | |5 | | | |6 | | | |7 | | | |8 | | | |9 | | | |10 | | | |说明:1. 检查内容:列出监理平行检查的内容。
2. 抽查对象:填写被抽查项的信息,如施工单位、材料供应商等。
3. 问题描述:记录发现的问题,如质量、工序、安全等方面的问题。
4. 备注:可填写对发现问题进行的处理或解决情况的说明。
注意事项:1. 监理平行检查记录表格应按照项目进度和工程特点,合理设置监理检查的内容。
2. 对于抽查对象,应在表格中清晰填写单位名称、联系人及联系方式。
确保抽查对象准确无误。
3. 在问题描述中,应详细描述检查过程中发现的问题,并提供相关证据或照片支持。
4. 备注栏可填写对问题的整改意见、建议、监理单位的处理结果等信息。
示例:日期:2022年1月1日项目名称:XX工程项目地点:XX省XX市监理单位:XX监理有限公司被监理单位:XX建设集团监理人员:张三被监理人员:李四编号 | 检查内容 | 抽查对象 | 问题描述 | 备注-----|---------------|---------------|-------------|-----1 | 施工合同执行情况 | XX建设集团 | 合同付款进度落后,存在款项拖欠的情况。
| 已向被监理单位提出整改要求。
2 | 施工工艺操作 | XX建筑工程队 | 未按照合同要求完成地基处理,影响工程质量。
监理平行检查记录表格目录平行检查记录(测量放线) (1)平行检查记录(土方开挖) (2)平行检查记录(土方回填) (3)平行检查记录(模板安装) (4)平行检查记录(单层钢结构预埋螺栓安装) (5)平行检查记录(钢筋安装) (6)平行检查记录(砖砌体) (8)平行检查记录(混凝土外观) (10)平行检查记录(塑料门窗安装) (11)平行检查记录(抹灰) (12)平行检查记录(外墙保温) (13)平行检查记录(饰面砖粘贴) (14)平行检查记录(地暖安装) (16)平行检查记录(给水安装) (17)平行检查记录(暖气试压) (19)平行检查记录(焊接) (20)平行检查记录(钢结构安装) (21)平行检查记录(挖眼三通) (21)平行检查记录(热处理) (22)平行检查记录(X射线探伤) ....................................... 错误!未定义书签。
平行检查记录(钢结构防火涂料) .. (24)平行检查记录(涂料类防腐) (25)平行检查记录(沥青玻璃布防腐) (25)平行检查记录(补口补伤) (26)平行检查记录(测量放线)说明:项目监理机构根据工程监理规划及细则,对工程关键控制点及隐蔽工程进行检查时填写此表。
平行检查记录(土方开挖)说明:项目监理机构根据工程监理规划及细则,对工程关键控制点及隐蔽工程进行检查时填写此表。
平行检查记录(土方回填)平行检查记录(模板安装)平行检查记录(单层钢结构预埋螺栓安装)说明:项目监理机构根据工程监理规划及细则,对工程关键控制点及隐蔽工程检查时填写此表平行检查记录(钢筋安装)平行检查记录(砖砌体)平行检查记录(混凝土外观)平行检查记录(塑料门窗安装)说明:项目监理机构根据工程监理规划及细则,对工程关键控制点及隐蔽工程检查时填写此表平行检查记录(抹灰)说明:项目监理机构根据工程监理规划及细则,对工程关键控制点及隐蔽工程检查时填写此表平行检查记录(外墙保温)编号:说明:项目监理机构根据工程监理规划及细则,对工程关键控制点及隐蔽工程检查时填写此表平行检查记录(饰面砖粘贴)编号:平行检查记录(地暖安装)说明:项目监理机构根据工程监理规划及细则,对工程关键控制点及隐蔽工程进行检查时填写此表。
土方开挖工程平行检测记录表
GB50202-2002
土方回填平行检测记录表
GB50202-2002
混凝土施工平行检测记录表
GB50204-2002(Ⅱ)
现浇结构外观与尺寸平行检测记录表
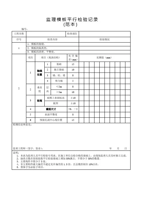
模板安装监理平行检测记录表
GB50204-2002(Ⅰ)
模板拆除工程监理平行检测表
GB50204-2002(Ⅲ)
混凝土施工平行检测记录表
GB50204-2002(Ⅱ)
现浇结构外观与尺寸偏差平行检测记录表
钢筋加工检验批质量验收记录表
GB50204-2002
(Ⅰ)
混凝土原材料与配合比设计平行检测记录表
GB50204-2002
(Ⅰ) A—28
混凝土施工质量平行检测记录表
GB50204-2002(Ⅱ)
现浇结构外观与尺寸偏差平行检测记录表
钢筋安装工程平行检测记录表
现浇结构外观与尺寸偏差平行检测记录表
一般抹灰工程检验批质量验收记录表
GB50210-2001
装饰抹灰工程平行检测记录表
GB50210-2001
木门窗制作工程平行检测记录表GB50210-2001 (Ⅰ) A—87
木门窗安装工程检验批质量验收记录表
金属门窗安装工程检验批质量验收记录表
(铝合金窗)
门窗玻璃安装工程平行检测记录表
GB50210-2001
屋面保温层平行检测记录表GB50207—2002
屋面找平层平行检测记录表
GB50207-2002
卷材防水层平行检测记录表
GB50207-2002。
土方开挖、回填工程监理平行检验记录表
注:“允许偏差”栏中有数据规定的填写实测值,其余可用“√”表示合格;“×”表示不合格。
地下、屋面卷材防水层监理平行检验记录表
注:“允许偏差”栏中有数据规定的填写实测值,其余可用“√”表示合格;“×”表示不合格。
钢管承重支模架平行检验监理记录
本表一式一份,项目监理机构留存
模板安装工程监理平行检验记录表
工程名称:编号:
注:“允许偏差”栏中有数据规定的填写实测值,其余可用“√”表示合格;“×”表示不合格。
钻孔灌注桩单桩工程质量监理平行检查
人工挖孔桩(钢筋笼)工程监理平行检验记录表
注:“允许偏差”栏中有数据规定的填写实测值,其余可用“√”表示合格;“×”表示不合格。
钢筋加工、连接、安装工程监理平行检验记录表
注:“允许偏差”栏中有数据规定的填写实测值,其余可用“√”表示合格;“×”表示不合格。
混凝土外观质量及现浇结构工程监理平行检验记录表
注:“允许偏差”栏中有数据规定的填写实测值,其余可用“√”表示合格;“×”表示不合格。
砖砌体(混水)、填充墙工程监理平行检验记录表
注:“允许偏差”栏中有数据规定的填写实测值,其余可用“√”表示合格;“×”表示不合格。
一般(普通)抹灰工程监理平行检验记录表
注:“允许偏差”栏中有数据规定的填写实测值,其余可用“√”表示合格;“×”表示不合格。
外墙饰面砖粘贴工程监理平行检验记录表
注:“允许偏差”栏中有数据规定的填写实测值,其余可用“√”表示合格;“×”表示不合格。
工程名称:编号:A—检验的工程部位及检验的内容商品砼承包单位日期、天气检验手段目测、塌落度桶承包单位自检情况自检合格检查的具体项目及具体数据记录:1、各种相关资料齐全,且检测合格,检测报告编号为:配合比通知单编号:水泥检验报告编号:2、控制砼运输、浇筑及间歇的全部时间不得超过砼的初凝时间。
3、现场检查使用的商品砼符合规范和设计要求。
4、本工程考虑到施工过程中砼振捣的难度,采取了140±40mm塌落度,经现场检查符合要求。
检查发现的问题及处理结果:检查结论:经验收认定(合格/不合格)平行检验人员(签名):日期:1、“平行检验”分为“材料类、测量类、隐蔽类、实体质量类”等。
2、表中“()”内为留空时则由监理人员根据平行检验活动情况据实填写。
“()”内有不同选项时,监理人员应根据平行检验活动情况据实以打“√”选用。
工程名称:编号:A—检验的工程部位及检验的内容屋面瓦工程检验批验收承包单位日期、天气检验手段目测承包单位自检情况自检合格检查的具体项目及具体数据记录:1、平瓦及脊瓦的质量符合设计要求,质保资料齐全,已送检测中心检测合格。
2、挂瓦条(是/不是)分档均匀,铺钉平整、牢固,瓦面平整,行列整齐,搭接紧密。
3、脊瓦搭盖(是/不是)正确,间距均匀,封固严密。
4、泛水做法(是/不是)符合设计要求,顺直整齐,结合严密,无渗漏。
检查发现的问题及处理结果:检查结论:经验收认定(合格/不合格)平行检验人员(签名):日期:1、“平行检验”分为“材料类、测量类、隐蔽类、实体质量类”等。
2、表中“()”内为留空时则由监理人员根据平行检验活动情况据实填写。
“()”内有不同选项时,监理人员应根据平行检验活动情况据实以打“√”选用。
工程名称:编号:B-检验的工程部位及检验的内容定位放线验收承包单位日期、天气检验手段水准仪承包单位自检情况自检合格检查的具体项目及具体数据记录:1、经现场复核水准点的引测符合设计及规范要求,具体偏差为:2、定位轴线尺寸符合设计要求,具体偏差为:检查发现的问题及处理结果:检查结论:经验收认定(合格/不合格)平行检验人员(签名):日期:1、“平行检验”分为“材料类、测量类、隐蔽类、实体质量类”等。
监理平行检查记录表(最新全套)
土方开挖、回填工程监理平行检验记录表
注:“允许偏差”栏中有数据规定的填写实测值,其余可用“√”表示合格;“×”表示不合格。
渝天骄监平检-2表地下、屋面卷材防水层监理平行检验记录表
注:“允许偏差”栏中有数据规定的填写实测值,其余可用“√”表示合格;“×”表示不合格。
钢管承重支模架平行检验监理记录
本表一式一份,项目监理机构留存
模板安装工程监理平行检验记录表工程名称:编号:
注:“允许偏差”栏中有数据规定的填写实测值,其余可用“√”表示合格;“×”表示不合格。
钻孔灌注桩单桩工程质量监理平行检查
人工挖孔桩(钢筋笼)工程监理平行检验记录表
注:“允许偏差”栏中有数据规定的填写实测值,其余可用“√”表示合格;“×”表示不合格。
钢筋加工、连接、安装工程监理平行检验记录表
注:“允许偏差”栏中有数据规定的填写实测值,其余可用“√”表示合格;“×”表示不合格。
混凝土外观质量及现浇结构工程监理平行检验记录表
注:“允许偏差”栏中有数据规定的填写实测值,其余可用“√”表示合格;“×”表示不合格。
砖砌体(混水)、填充墙工程监理平行检验记录表
注:“允许偏差”栏中有数据规定的填写实测值,其余可用“√”表示合格;“×”表示不合格。
一般(普通)抹灰工程监理平行检验记录表
注:“允许偏差”栏中有数据规定的填写实测值,其余可用“√”表示合格;“×”表示不合格。
外墙饰面砖粘贴工程监理平行检验记录表
注:“允许偏差”栏中有数据规定的填写实测值,其余可用“√”表示合格;“×”表示不合格。