模板安装检查记录表
- 格式:doc
- 大小:82.00 KB
- 文档页数:1
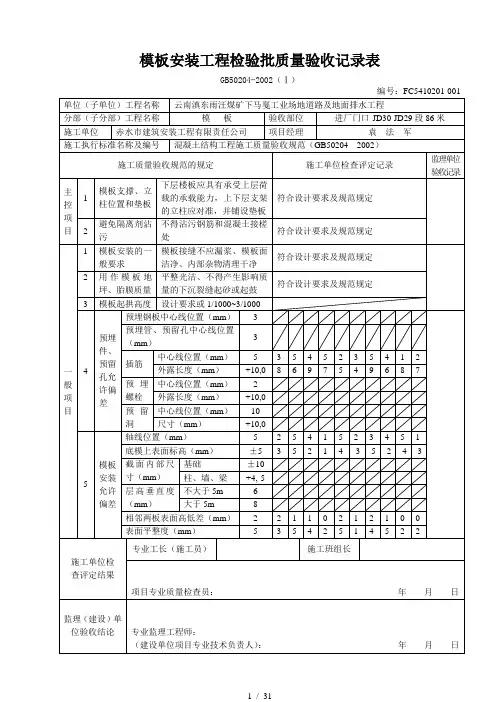
柱子模板安装检查记录(监理检查表)工程名称龙湾国际住宅小区二期工程检查部位检查日期检查人员(施工方)层高检查人员(监理)柱图A1B1A2B2A3B3注:1、规范要求(1)层高不大于5m,垂直度允许偏差6mm;层高大于5m时,垂直度允许偏差8mm。
5m钢卷尺、线锤。
(2)轴线位移允许偏差5mm;(3)表面平整度允许偏差5mm;(4)底模上表面标高:允许偏差5mm;(5)相邻两板表面高低差允许偏差2mm;2、观察检查:(1)模板的接缝不应漏浆,在浇筑砼前先浇水、模板内的杂物应清理干净。
(2)不小于4m的梁板按设计起拱。
水准仪、拉线、钢卷尺检查。
轴线A1A2A3B1B2B3结论柱子模板安装检查记录(监理检查表)工程名称龙湾国际住宅小区二期工程检查部位检查日期检查人员(施工方)层高检查人员(监理)柱图A1B1A2B2A3B3注:1、规范要求(1)层高不大于5m,垂直度允许偏差6mm;层高大于5m时,垂直度允许偏差8mm。
5m钢卷尺、线锤。
(2)轴线位移允许偏差5mm;(3)表面平整度允许偏差5mm;(4)底模上表面标高:允许偏差5mm;(5)相邻两板表面高低差允许偏差2mm;2、观察检查:(1)模板的接缝不应漏浆,在浇筑砼前先浇水、模板内的杂物应清理干净。
(2)不小于4m的梁板按设计起拱。
水准仪、拉线、钢卷尺检查。
轴线A1A2A3B1B2B3结论柱子模板安装检查记录(监理检查表)工程名称检查部位检查日期检查人员(施工方)层高检查人员(监理)柱图轴线A1 A2 A3 B1 B2 B3 结论A1 B1A2 B2A3 B3注:1、规范要求(1)层高不大于5m,垂直度允许偏差6mm;层高大于5m时,垂直度允许偏差8mm。
5m钢卷尺、线锤。
(2)轴线位移允许偏差5mm;(3)表面平整度允许偏差5mm;(4)底模上表面标高:允许偏差5mm;(5)相邻两板表面高低差允许偏差2mm;2、观察检查:(1)模板的接缝不应漏浆,在浇筑砼前先浇水、模板内的杂物应清理干净。
模板安装检验批质量验收记录表1. 引言本文档为模板安装的检验批质量验收记录表,旨在记录模板安装过程中的质量验收情况,确保模板安装符合规范和要求。
2. 项目信息项目名称:项目编号:施工单位:检验日期:3. 检验人员姓名职务4. 检验内容检验内容检验结果模板材料质量模板安装的垂直度和平整度模板的固定和连接方式模板的支撑和支架的牢固性模板的防护层和保护措施模板的拆除和清理工作其他需要检验的内容5. 检验结果根据对以上检验内容的检查和测试,确认如下检验结果:检验内容检验结果模板材料质量模板安装的垂直度和平整度模板的固定和连接方式模板的支撑和支架的牢固性模板的防护层和保护措施模板的拆除和清理工作其他需要检验的内容6. 检验结论根据以上检验结果,结合相关标准要求和设计要求,得出如下检验结论:检验内容检验结论模板材料质量模板安装的垂直度和平整度模板的固定和连接方式模板的支撑和支架的牢固性模板的防护层和保护措施模板的拆除和清理工作其他需要检验的内容7. 不合格处理如发现以下问题,请记录不合格项目并描述处理措施和结果:1.不合格项目1:•描述:模板材料破损严重。
•处理措施:更换破损的模板材料,并重新进行安装。
•处理结果:更换后的模板材料正常安装,符合要求。
2.不合格项目2:•描述:模板安装的垂直度不达标。
•处理措施:重新调整模板的安装位置,使其达到垂直度要求。
•处理结果:调整后,模板的垂直度满足要求。
8. 验收意见根据以上对模板安装的检验和不合格处理情况的评估,提出以下验收意见:1.合格。
2.不合格,需重新进行模板安装。
9. 验收人员姓名职务10. 验收日期验收日期: | |以上为模板安装的检验批质量验收记录表,记录了模板安装过程中的检验内容、检验结果以及不合格处理情况。
通过此表可以对模板安装的质量进行评估,并提出相应的验收意见和建议。