常见分光器损耗表
- 格式:pdf
- 大小:223.68 KB
- 文档页数:2
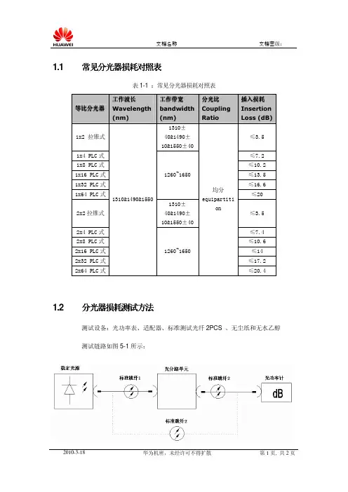
1.1 常见分光器损耗对照表表 1-1 :常见分光器损耗对照表等比分光器等比分光器 工作波长Wavelength(nm)工作带宽bandwidth (nm)分光比 CouplingRatio插入损耗Insertion Loss (dB)1x2 拉锥式 1310±40&1490±10&1550±40≤3.51x4 PLC 式 ≤7.2 1x8 PLC 式 ≤10.2 1x16 PLC 式 ≤13.5 1x32 PLC 式 ≤16.6 1x64 PLC 式 1260~1650≤20 2x2拉锥式 1310±40&1490±10&1550±40≤3.5 2x4 PLC 式 ≤7.4 2x8 PLC 式 ≤10.6 2x16 PLC 式 ≤14 2x32 PLC 式 ≤17.2 2x64 PLC 式1310&1490&15501260~1650均分equipartition≤20.41.2 分光器分光器损耗测试方法损耗测试方法测试设备:光功率表、适配器、标准测试光纤2PCS 、无尘纸和无水乙醇 测试链路如图5-1所示:图 5-1 :分光器测试链路图常见分光器损耗对照表注:这其中光源和功率计可选,但一定要符合光源的信号通过分路器以后可以被光功率计监测到,即光功率计的灵敏度符合要求 测试步骤测试步骤::1. 测试前将标准测试纤和光分路单元的光纤端面清洁;2. 按下图虚线接入光分路单元,读取光功率计读数值.3. 按下图虚线不接入光分路单元,读取光功率计读数值.4. 两者之差为光分路单元的插入损耗.。
分光器衰减
分光器的衰减指的是在光纤通讯中,光信号经过分光器后所遭受的损失程度。
它与光纤的质量、长度、连接头等因素有关。
不同类型的分光器,如1:2,1:8,1:16,1:32,1:64等,它们在传输过程中的衰减值不同。
通常情况下,OLT的最大衰减值在22-25DB之间。
光纤的质量是影响分光器衰减的关键因素之一,好的光纤材料与加工技术制造的光纤,其损失程度会更低。
光纤在制作和使用过程中,容易遭受外界因素的影响,如振动、温度变化、弯曲等因素,都可能导致光纤的衰减程度增加。
光纤的长度也是影响分光器衰减的重要因素。
正常情况下,分光器衰减不应超过1.5DB。
但如果光纤长度过长,则衰减程度将更高,影响数据传输质量,需要换用更高质量的光纤进行传输。
在光纤传输中,连接头也会影响分光器衰减。
不同类型、不同质量的连接头对信号的传输损失程度也不同。
因此,在进行连接时,应尽可能避免使用不匹配、低质量的连接头。
了解分光器衰减不仅有助于保障数据传输的稳定性和质量,也有助于从业者优化光纤通讯方案,选择更佳的传输设备,降低成本、提升效率。
回答人的补充2009-09-09 08:17在光链路的设计中,要碰到光纤损耗、分光损耗、分光附加损耗、活动接头损耗和光链路(总)损耗几项参数,很显然,光链路损耗是以上其他几项损耗值的总和:光链路损耗=光纤损耗+分光损耗+分光附加损耗+活动接头损耗 (dB)光纤损耗,是光信号在光纤中传输时光功率消耗引起的,在设计时1310nm通常按每km0.4dB计算,1550nm通常按0.25dB计算。
某一光路光纤损耗的dB数,换算成该路单路功率损耗mW数按下式计算:某单路功率损耗=100.1光纤损耗(mW)(某路)分光比K=某单路功率损耗/各路功率损耗总和(某路)分光损耗= -10lg K (dB)分光损耗,实际上是分光时的光功率转移造成的,不是光功率的消耗引起的,因此在计算分光比时不能将它计算进去。
但是在计算光链路总损耗时必须将它加进去。
分光附加损耗,是分光时的分光器自身消耗了光功率造成的;活动接头损耗也是其自身消耗了光功率造成的,因此这两项本来应该在计算分光比时都加进和光纤损耗中,算出三者的总损耗dB数,然后换算出损耗总功率数mW,再据此计算出分光比,这样计算得出的最后计算结果最为准确。
但是由于分光附加损耗和活动接头损耗的量值,比光纤损耗要小得多,而且各条光链路的数值基本相等,在计算分光比时把各条光路的这两项数值统统忽略不计,对分光比计算结果的影响很微小。
因此,通常在计算分光比时都把分光附加损耗和活动接头损耗忽略不计,仅仅将光纤损耗换算成光功率来计算分光比。
但是在计算光链路总损耗的时候,这两项数值都要计算进去。
分光器附加损耗的大小,和分光路数的多少有关,设计时可从表1中选取数值。
表1 分光器的附加损耗值分光路数2345678910111216损耗dB0.200.300.400.450.500.550.600.700.800.901.001.20活动接头损耗,要根据光链路中活动接头的总数量计算,通常按每个接头0.3~0.5dB选取。
1分21分2节点名距离线损接收功率入纤功率所需功率总功率分光比分光损耗附加损耗活动头损耗总损耗发出功率0.000.00-2(2.00)0.63 1.260.5000 3.010.20.5 1.710.000.00-2(2.00)0.63 1.260.5000 3.010.20.5 1.711分31分3节点名距离线损接收功率入纤功率所需功率总功率分光比分光损耗附加损耗活动头损耗总损耗发出功率0.000.00-2(2.00)0.63 1.890.3333 4.770.30.5 3.570.000.00-2(2.00)0.63 1.890.3333 4.770.30.5 3.570.000.00-2(2.00)0.63 1.890.3333 4.770.30.5 3.571分41分4节点名距离线损接收功率入纤功率所需功率总功率分光比分光损耗附加损耗活动头损耗总损耗发出功率0.000.00-2(2.00)0.63 2.520.2500 6.020.40.5 4.920.000.00-2(2.00)0.63 2.520.2500 6.020.40.5 4.920.000.00-2(2.00)0.63 2.520.2500 6.020.40.5 4.920.000.00-2(2.00)0.63 2.520.2500 6.020.40.5 4.921分51分5节点名距离线损接收功率入纤功率所需功率总功率分光比分光损耗附加损耗活动头损耗总损耗发出功率0.000.00-2(2.00)0.63 3.150.2000 6.990.450.5 5.940.000.00-2(2.00)0.63 3.1550.2000 6.990.450.5 5.940.000.00-2(2.00)0.63 3.1550.2000 6.990.450.5 5.940.000.00-2(2.00)0.63 3.1550.2000 6.990.450.5 5.940.000.00-2(2.00)0.63 3.1550.2000 6.990.450.5 5.941分61分6节点名距离线损接收功率入纤功率所需功率总功率分光比分光损耗附加损耗活动头损耗总损耗发出功率0.000.00-2(2.00)0.63 3.790.16677.780.50.5 6.780.000.00-2(2.00)0.63 3.790.16677.780.50.5 6.780.000.00-2(2.00)0.63 3.790.16677.780.50.5 6.780.000.00-2(2.00)0.63 3.790.16677.780.50.5 6.780.000.00-2(2.00)0.63 3.790.16677.780.50.5 6.780.000.00-2(2.00)0.63 3.790.16677.780.50.5 6.781分71分7节点名距离线损接收功率入纤功率所需功率总功率分光比分光损耗附加损耗活动头损耗总损耗发出功率0.000.00-2(2.00)0.63 4.420.14298.450.550.57.500.000.00-2(2.00)0.63 4.420.14298.450.550.57.500.000.00-2(2.00)0.63 4.420.14298.450.550.57.500.000.00-2(2.00)0.63 4.420.14298.450.550.57.500.000.00-2(2.00)0.63 4.420.14298.450.550.57.500.000.00-2(2.00)0.63 4.420.14298.450.550.57.500.000.00-2(2.00)0.63 4.420.14298.450.550.57.501分81分8节点名距离线损接收功率入纤功率所需功率总功率分光比分光损耗附加损耗活动头损耗总损耗发出功率0.000.00-2(2.00)0.63 5.050.12509.030.60.58.130.000.00-2(2.00)0.63 5.050.12509.030.60.58.130.000.00-2(2.00)0.63 5.050.12509.030.60.58.130.000.00-2(2.00)0.63 5.050.12509.030.60.58.130.000.00-2(2.00)0.63 5.050.12509.030.60.58.130.000.00-2(2.00)0.63 5.050.12509.030.60.58.130.000.00-2(2.00)0.63 5.050.12509.030.60.58.130.000.00-2(2.00)0.63 5.050.12509.030.60.58.131分91分9节点名距离线损接收功率入纤功率所需功率总功率分光比分光损耗附加损耗活动头损耗总损耗发出功率0.000.00-2(2.00)0.63 5.680.11119.540.70.58.740.000.00-2(2.00)0.63 5.680.11119.540.70.58.740.000.00-2(2.00)0.63 5.680.11119.540.70.58.740.000.00-2(2.00)0.63 5.680.11119.540.70.58.740.000.00-2(2.00)0.63 5.680.11119.540.70.58.740.000.00-2(2.00)0.63 5.680.11119.540.70.58.740.000.00-2(2.00)0.63 5.680.11119.540.70.58.740.000.00-2(2.00)0.63 5.680.11119.540.70.58.740.000.00-2(2.00)0.63 5.680.11119.540.70.58.741分101分10节点名距离线损接收功率入纤功率所需功率总功率分光比分光损耗附加损耗活动头损耗总损耗发出功率0.000.00-2(2.00)0.63 6.310.100010.000.80.59.300.000.00-2(2.00)0.63 6.310.100010.000.80.59.300.000.00-2(2.00)0.63 6.310.100010.000.80.59.300.000.00-2(2.00)0.63 6.310.100010.000.80.59.300.000.00-2(2.00)0.63 6.310.100010.000.80.59.300.000.00-2(2.00)0.63 6.310.100010.000.80.59.300.000.00-2(2.00)0.63 6.310.100010.000.80.59.300.000.00-2(2.00)0.63 6.310.100010.000.80.59.300.000.00-2(2.00)0.63 6.310.100010.000.80.59.300.000.00-2(2.00)0.63 6.310.100010.000.80.59.301分111分11节点名距离线损接收功率入纤功率所需功率总功率分光比分光损耗附加损耗活动头损耗总损耗发出功率0.000.00-2(2.00)0.63 6.940.090910.410.90.59.810.000.00-2(2.00)0.63 6.940.090910.410.90.59.810.000.00-2(2.00)0.63 6.940.090910.410.90.59.810.000.00-2(2.00)0.63 6.940.090910.410.90.59.810.000.00-2(2.00)0.63 6.940.090910.410.90.59.810.000.00-2(2.00)0.63 6.940.090910.410.90.59.810.000.00-2(2.00)0.63 6.940.090910.410.90.59.810.000.00-2(2.00)0.63 6.940.090910.410.90.59.810.000.00-2(2.00)0.63 6.940.090910.410.90.59.810.000.00-2(2.00)0.63 6.940.090910.410.90.59.810.000.00-2(2.00)0.63 6.940.090910.410.90.59.811分121分12节点名距离线损接收功率入纤功率所需功率总功率分光比分光损耗附加损耗活动头损耗总损耗发出功率0.000.00-2(2.00)0.637.570.083310.7910.510.290.000.00-2(2.00)0.637.570.083310.7910.510.290.000.00-2(2.00)0.637.570.083310.7910.510.290.000.00-2(2.00)0.637.570.083310.7910.510.290.000.00-2(2.00)0.637.570.083310.7910.510.290.000.00-2(2.00)0.637.570.083310.7910.510.290.000.00-2(2.00)0.637.570.083310.7910.510.290.000.00-2(2.00)0.637.570.083310.7910.510.290.000.00-2(2.00)0.637.570.083310.7910.510.290.000.00-2(2.00)0.637.570.083310.7910.510.290.000.00-2(2.00)0.637.570.083310.7910.510.290.000.00-2(2.00)0.637.570.083310.7910.510.291分131分13节点名距离线损接收功率入纤功率所需功率总功率分光比分光损耗附加损耗活动头损耗总损耗发出功率0.000.00-2(2.00)0.638.200.076911.1410.510.640.000.00-2(2.00)0.638.200.076911.1410.510.640.000.00-2(2.00)0.638.200.076911.1410.510.640.000.00-2(2.00)0.638.200.076911.1410.510.640.000.00-2(2.00)0.638.200.076911.1410.510.640.000.00-2(2.00)0.638.200.076911.1410.510.640.000.00-2(2.00)0.638.200.076911.1410.510.640.000.00-2(2.00)0.638.200.076911.1410.510.640.000.00-2(2.00)0.638.200.076911.1410.510.640.000.00-2(2.00)0.638.200.076911.1410.510.640.000.00-2(2.00)0.638.200.076911.1410.510.640.000.00-2(2.00)0.638.200.076911.1410.510.640.000.00-2(2.00)0.638.200.076911.1410.510.641分141分14节点名距离线损接收功率入纤功率所需功率总功率分光比分光损耗附加损耗活动头损耗总损耗发出功率0.000.00-2(2.00)0.638.830.071411.4610.510.960.000.00-2(2.00)0.638.830.071411.4610.510.960.000.00-2(2.00)0.638.830.071411.4610.510.960.000.00-2(2.00)0.638.830.071411.4610.510.960.000.00-2(2.00)0.638.830.071411.4610.510.960.000.00-2(2.00)0.638.830.071411.4610.510.960.000.00-2(2.00)0.638.830.071411.4610.510.960.000.00-2(2.00)0.638.830.071411.4610.510.960.000.00-2(2.00)0.638.830.071411.4610.510.960.000.00-2(2.00)0.638.830.071411.4610.510.960.000.00-2(2.00)0.638.830.071411.4610.510.960.000.00-2(2.00)0.638.830.071411.4610.510.960.000.00-2(2.00)0.638.830.071411.4610.510.960.000.00-2(2.00)0.638.830.071411.4610.510.961分151分15节点名距离线损接收功率入纤功率所需功率总功率分光比分光损耗附加损耗活动头损耗总损耗发出功率0.000.00-2(2.00)0.639.460.066711.76 1.10.511.360.000.00-2(2.00)0.639.460.066711.76 1.10.511.360.000.00-2(2.00)0.639.460.066711.76 1.10.511.360.000.00-2(2.00)0.638.830.071411.46 1.10.511.060.000.00-2(2.00)0.639.460.066711.76 1.10.511.360.000.00-2(2.00)0.639.460.066711.76 1.10.511.360.000.00-2(2.00)0.639.460.066711.76 1.10.511.360.000.00-2(2.00)0.639.460.066711.76 1.10.511.360.000.00-2(2.00)0.639.460.066711.76 1.10.511.360.000.00-2(2.00)0.639.460.066711.76 1.10.511.360.000.00-2(2.00)0.639.460.066711.76 1.10.511.360.000.00-2(2.00)0.639.460.066711.76 1.10.511.360.000.00-2(2.00)0.639.460.066711.76 1.10.511.360.000.00-2(2.00)0.639.460.066711.76 1.10.511.360.000.00-2(2.00)0.639.460.066711.76 1.10.511.361分161分16节点名距离线损接收功率入纤功率所需功率总功率分光比分光损耗附加损耗活动头损耗总损耗发出功率0.000.00-2(2.00)0.6310.100.062512.04 1.20.511.740.000.00-2(2.00)0.6310.100.062512.04 1.20.511.740.000.00-2(2.00)0.6310.100.062512.04 1.20.511.740.000.00-2(2.00)0.6310.100.062512.04 1.20.511.740.000.00-2(2.00)0.6310.100.062512.04 1.20.511.74 0.000.00-2(2.00)0.6310.100.062512.04 1.20.511.74 0.000.00-2(2.00)0.6310.100.062512.04 1.20.511.74 0.000.00-2(2.00)0.6310.100.062512.04 1.20.511.74 0.000.00-2(2.00)0.6310.100.062512.04 1.20.511.74 0.000.00-2(2.00)0.6310.100.062512.04 1.20.511.74 0.000.00-2(2.00)0.6310.100.062512.04 1.20.511.74 0.000.00-2(2.00)0.6310.100.062512.04 1.20.511.74 0.000.00-2(2.00)0.6310.100.062512.04 1.20.511.74 0.000.00-2(2.00)0.6310.100.062512.04 1.20.511.74 0.000.00-2(2.00)0.6310.100.062512.04 1.20.511.74 0.000.00-2(2.00)0.6310.100.062512.04 1.20.511.742000.5.7余量余量余量余量余量余量余量余量余量余量余量余量余量余量余量。
1分2 光衰光衰,是光信号在传输过程中由于各种原因导致其强度逐渐减弱的现象。
这种现象在光纤通信、激光雷达等领域中尤为常见,对信号的传输质量有着重要影响。
1分2光衰是指光纤传输中,分光器将光信号分成两路后,每路信号的衰减值。
根据不同的数据,1分2的光衰数值有所不同。
例如,一些数据显示1分2的分光损耗为3.01 dB,附加损耗为0.2 dB,共计3.21 dB。
另一些数据则显示1分2的分光损耗为3.2db。
光衰的产生主要有以下几个原因:1. 光纤的损耗:光纤在传输光信号的过程中,会因为吸收、散射等原因导致光信号的强度逐渐减弱。
这种损耗主要与光纤的材料、结构以及传输距离有关。
2. 激光器的老化:激光器在长时间工作后,其性能会逐渐下降,导致输出的光信号强度减弱。
这种老化主要是由于激光器内部的物理过程导致的,如荧光物质的衰减、激光器的热效应等。
3. 光纤连接器和接头的损耗:光纤连接器和接头在连接光纤时,会因为接触不良、反射等原因导致光信号的强度减弱。
这种损耗主要与连接器和接头的设计、制造工艺以及使用环境有关。
4. 光纤的弯曲和拉伸:光纤在安装和使用过程中,如果发生弯曲或拉伸,会导致光信号在光纤内部传播时发生散射,从而引起光衰。
这种损耗主要与光纤的弯曲半径、拉伸长度以及光纤的应力状态有关。
5. 光纤的污染:光纤表面如果有尘埃、油污等污染物,会导致光信号在光纤内部传播时发生散射,从而引起光衰。
这种损耗主要与光纤的清洁度以及污染物的性质有关。
为了减少光衰的影响,可以采取以下几种措施:1. 选择低损耗的光纤材料和结构,以减小光纤的损耗。
2. 选择性能稳定、寿命长的激光器,以减小激光器的老化引起的光衰。
3. 选择高质量的光纤连接器和接头,以减小连接器和接头的损耗。
4. 合理安装和使用光纤,避免光纤的弯曲和拉伸。
5. 定期清洁光纤,保持光纤的清洁度。
总的来说,光衰是光信号传输过程中不可避免的问题,但通过合理的设计和使用,可以有效地减小其对信号传输质量的影响。
对于EPON工程,可根据下列接光接入网常用的工程数据估算本工程ODN的传输损耗:
•建议的ODN衰耗:10~26db(一般为22dB);
•单模光纤衰耗:≤0.34 dB/km;
•光纤跳纤、尾纤插入损耗:0.1db~0.3db;
•法兰盘插入损耗:≤0.4db;
•1:2分光器插入衰耗:3db;
•1:4分光器插入衰耗:6db;
•1:8分光器插入衰耗:9db;
•1:16分光器插入衰耗:12db;
•1:32分光器插入衰耗:15.5db
•
•OLT光功率:
•接收:-1~-24db(1310nm)发送:+2~-3db(1490nm)•终端光功率:
•接收:-3~-24 (1490nm)发送:-1~+4(1310nm)•最多二级分光,不建议更多级别的分光;
•对光路衰减进行估算,保留一定的余量;
必须使用单模光纤,不能使用多模光纤;
每个ONU的位置布1~2根光纤(1根做备份);
•在工程安装前,用户应做好机房、电源、地线、光纤熔
接等准备工作,为施工提供必要的条件;同时机房的面积、高度应符合设备放置要求,若不符合要求,应要求进行整改,以消除安装、运行维护中的隐患。
1.建筑条件检查(干燥、空间、承重、接地;墙
面、顶棚应不粉化,不易积灰,不易脱落,
装饰材料采用阻燃材料等)
2.供电情况检查
3.地线条件检查联合接地要求小于1欧姆
4.安全检查
5.其他配套设备的检查
检查外接电源及连接机柜的电源线是否准备就绪。
检查光配线架(ODF)、数字配线架(DDF)和用户配线架(MDF)是否施工完毕。
检查光纤是否到位,光纤接头是否匹配。