1:8分光器衰耗实测值
- 格式:ppt
- 大小:1.40 MB
- 文档页数:1
光衰整治分析建议一、ODN网络衰耗参考值(一)ODN 单点衰耗值(根据中电信苏[2012]521号《关于PON系统ODN工程建设中光衰耗指标验收要求的通知》)ODN 衰耗主要由分光器、活接头、光缆、热熔或接头等因素引起。
主要单点的衰耗参考值如下:(1) G.652 光纤衰耗系数≤0.35dB/km(含固定接头0.38dB/km),)其中,3km指的0-3km(含3km);5km指的3-5km(含5km,不含3km);10km指的5-10km(含10km,不含5km);10km以上原则上不允许。
对于ODN网络传输距离超过5km,第一考虑路由优化方案。
对于二级分光模式中的一级分光点光衰参考值如下:(接入中心提供的维护经验数据)二、初步判断光衰不达标段落:(一)局端OLT设备(光模块发送光功率和光模块温度的标准值是网维提供)根据PON口的发达光功率与光模块温度判断,PON口光模块的发送光功率在2-6.5dBm范围外,光模块温度≥70℃,则初步判断为OLT设备侧问题。
(2光点至整)(1)1:(2)1:三、ODN12、分光点连接纤问题(分光点上连尾纤曲率较大;综合箱内成端尾纤乱;分光点连接的ODF 架或光交点跳纤曲率较大、综合箱下联复接多);3、分光器质量问题(分光器坏;分光比大)。
四、各段落光衰整治操作方法:(接入中心提供的维护经验)1、OLT设备侧问题:由网维至OLT设备侧检查,可用光功率计在OLT成端上收光,标准参数GPON≥+4DB,EPON≥+2DB,如果高于以上标准属于正常。
如果低于以上标准,需要网操维检查光模块质量,并作相应处理。
2、一级分光点至OLT段落:(1)根据分光器的输入和输出光功率值进行判断是否分光器有问题。
分光器典型插入损耗参考:(2)判断线路上是否有衰耗点。
可以用OTDR在局端进行全程测试,看线路上是否有衰耗点和转500ODF终端(33(1(24、(1(2(3。
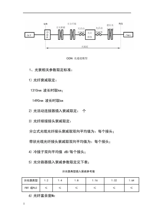
ODN 光通道模型
1、光衰相关参数取定标准:
1) 光纤衰减取定:
1310nm 波长时取0.36dB/km;
1490nm 波长时取0.22dB/km
2) 光活动连接器插入衰减取定: 0.5dB/个
3) 光纤熔接接头衰减取定:
分立式光缆光纤接头衰减取双向平均值为:0.08dB/每个接头;
带状光缆光纤接头衰减取双向平均值为:0.2dB/每个接头;
4) 冷接子双向平均值0.15 dB/每个接头;
5) 光分路器插入衰减参数取定见下表;
分光器典型插入衰减参考值
分光器类1:21:41:81:161:321:64
6) 光纤富余度Mc
当传输距离≤5 公里时,光纤富余度不少于1 dB;
当传输距离≤10 公里时,光纤富余度不少于2 dB;
当传输距离>10 公里时,光纤富余度不少于3 dB。
2、本地光衰测定标准
至末级分光器测试光功率在-20DB以内,至用户侧-21.5BD以内。
(学习的目的是增长知识,提高能力,相信一分耕耘一分收获,努力就一定可以获得应有的回报)。
四、五级智慧家庭工程师认证模拟试卷及答案1. 用户可以通过以下哪些途径下载小翼管家。
()A、苹果APP STOREB、安卓各大应用市场C、扫装维/营业人员二维码D、以上都可以(正确答案)2. 智慧营维自动诊断,显示故障结论为“皮纤故障”,代表故障段落为()。
A、网络侧B、用户侧(正确答案)C、用户内部网线3. 乘坐电梯时,下列做法正确的是()。
A、进入轿厢前应先看轿厢是否停在该层面(正确答案)B、高跟鞋尖不要施力于层门地坎、轿门地坎或二者的缝隙中C、以上做法都正确4. 使用钢丝钳时,注意手与钢丝钳的金属部分保持()厘米以上的距离。
A、1B、2(正确答案)C、3D、55. 在高、低压电力线下方或附近作业,必须严防与电力线接触,进行架线,紧线和打拉线等作业,应保证最小空中距离如下:35千伏以下线路为()米。
A、2B、2.5(正确答案)C、3D、46. 在雷雨天不要走近高压电杆、铁塔、避雷针,远离至少()以外。
A、10米B、15米C、20米(正确答案)D、30米7. 终端安装点在4米以上的,属于高空作业且非基础服务范围,且需要2人及以上同时作业。
原则上不提供()米以上服务。
A、2B、4C、5.5(正确答案)D、108. 设备在环境温度为25℃时运行时,整机外壳任意点温度应不高于()℃。
A、40B、45(正确答案)C、50D、559. 梯子靠在吊线上,其顶端至少要超出吊线()CM(装有挂钩的除外)。
A、20B、30C、40D、50(正确答案)10. 《安全生产法》规定,未经()合格的从业人员,不得上岗作业。
A、身体检查B、培训考核C、安全生产教育和培训(正确答案)11. 安全带是进行高处作业人员预防坠落伤亡的个体防护用品,安全带的正确使用方法是()。
A、低挂高用B、高挂低用(正确答案)C、水平挂用12. 车辆行人遇有灯光信号、交通标志或交通标线与交通警察的指挥不一致的,服从()。
A、灯光信号B、交通标志或标线C、交通警察(正确答案)13. 从业人员在作业过程中,应当严格遵守本单位的安全生产规章制度和操作规程,服从管理,正确佩戴和使用()。
回答人的补充2009-09-09 08:17在光链路的设计中,要碰到光纤损耗、分光损耗、分光附加损耗、活动接头损耗和光链路(总)损耗几项参数,很显然,光链路损耗是以上其他几项损耗值的总和:光链路损耗=光纤损耗+分光损耗+分光附加损耗+活动接头损耗 (dB)光纤损耗,是光信号在光纤中传输时光功率消耗引起的,在设计时1310nm通常按每km0.4dB计算,1550nm通常按0.25dB计算。
某一光路光纤损耗的dB数,换算成该路单路功率损耗mW数按下式计算:某单路功率损耗=100.1光纤损耗(mW)(某路)分光比K=某单路功率损耗/各路功率损耗总和(某路)分光损耗= -10lg K (dB)分光损耗,实际上是分光时的光功率转移造成的,不是光功率的消耗引起的,因此在计算分光比时不能将它计算进去。
但是在计算光链路总损耗时必须将它加进去。
分光附加损耗,是分光时的分光器自身消耗了光功率造成的;活动接头损耗也是其自身消耗了光功率造成的,因此这两项本来应该在计算分光比时都加进和光纤损耗中,算出三者的总损耗dB数,然后换算出损耗总功率数mW,再据此计算出分光比,这样计算得出的最后计算结果最为准确。
但是由于分光附加损耗和活动接头损耗的量值,比光纤损耗要小得多,而且各条光链路的数值基本相等,在计算分光比时把各条光路的这两项数值统统忽略不计,对分光比计算结果的影响很微小。
因此,通常在计算分光比时都把分光附加损耗和活动接头损耗忽略不计,仅仅将光纤损耗换算成光功率来计算分光比。
但是在计算光链路总损耗的时候,这两项数值都要计算进去。
分光器附加损耗的大小,和分光路数的多少有关,设计时可从表1中选取数值。
表1 分光器的附加损耗值分光路数2345678910111216损耗dB0.200.300.400.450.500.550.600.700.800.901.001.20活动接头损耗,要根据光链路中活动接头的总数量计算,通常按每个接头0.3~0.5dB选取。
ODN 光通道模型
1、光衰相关参数取定标准:
1)光纤衰减取定:
1310nm 波长时取km;
1490nm 波长时取km
2)光活动连接器插入衰减取定:个
3)光纤熔接接头衰减取定:
分立式光缆光纤接头衰减取双向平均值为:每个接头;
带状光缆光纤接头衰减取双向平均值为:每个接头;
4)冷接子双向平均值 dB/每个接头;
5)光分路器插入衰减参数取定见下表;
分光器典型插入衰减参考值
分光器类型1:21:41:81:161:321:64 FBT 或PLC≤≤≤≤≤≤
6)光纤富余度Mc
当传输距离≤5 公里时,光纤富余度不少于1 dB;
当传输距离≤10 公里时,光纤富余度不少于2 dB;
当传输距离>10 公里时,光纤富余度不少于3 dB。
2、本地光衰测定标准
至末级分光器测试光功率在-20DB以内,至用户侧以内。
移动认证题库-家宽一、单选题?1、拨号出现错误代码 718,可能是什么原因()A、OLT 到 ONU 的光缆线路故障B、ONU 设备出现故障C、OLT 到 SW 的线路或设备故障D、BRAS 的地址池满或者宽带认证服务器故障2、接入网丢包率参考值,KPI指标集要求()A、≤%B、≤%C、≤%D、≤%3、客户建立宽带连接过程中提示无效、无法成功建立,最可能的原因是()A、客户网卡被禁用B、客户网线没有接好C、客户网卡硬件故障或是驱动异常D、客户网线损坏4、某 OLT 停电,导致该 OLT 下挂的用户无法上网,如下说法错误的是(D )A、测试网线肯定无信号、网卡指示灯不会亮起B、该 OLT 下挂的 ONU 会出现光信号丢失告警(LOS)C、用户宽带拨号会提示错误代码 651D、用户宽带拨号会提示错误代码 6785、某家庭宽带用户平时使用路由器上网,每天在晚上 8:30 之后就无法上网,知道后一天早上 8:00 才可以上网,同楼层其他用户正常,最可能的原因是()A、我司的网络出口带宽小、在晚上高峰期出现拥塞B、我司的 ONU 及其以上设备或线路不稳定导致经常断线C、客户路由器设置了时间策略,只许在 8:00-20:30 能上网D、客户电脑中病毒导致6、某小区 A、B 两栋楼用户共用一个 OLT 的 PON 口(即共用一个光分路器)栋用户全部,A 无法上网、B 栋用户均可以上网,最可能是以下哪种原因( C )A、光分路器故障B、光分路器到栋的配线光缆(到楼道配线箱)中断C、栋所有用户 ONU 出现故障D、OLT 的 PON 口硬件故障7、如果省 Radius 认证服务器出现故障,以下说法错误的是()A、不影响某一地市已经完成认证的宽带用户B、家庭宽带用户无法连接上网,可能会提示错误代码 718C、家庭宽带用户无法连接上网,可能会提示错误代码 691D、将影响全省所有家庭宽带用户,均无法上网8、如果在 OLT 网管上能看到有学习到用户终端的 MAC 地址,而在城域网汇聚交换机 SW 网管上看不到用户终端的 MAC 地址,以下说法错误的是A、可能是 OLT 上联 SW 的上联端口故障B、可能是 OLT 上联 SW 的主干光缆故障C、在城域网 SW 上数据配置未配置或错误D、该用户的 ONU 设备故障,需要更换新的 ONU9、以下对568B标准线序描述正确的是A、B线序的顺序是橙白,橙,绿白,蓝,蓝白,绿,棕白,棕B、B线序的顺序是绿白,绿,橙白,蓝,蓝白,橙,棕白,棕C、网线的两端使用相同线序顺序构成直通线D、以上都不对10、在某地MA5680T测试中,以太网端口连接PC,Ping端路由器接口,出现较严重的丢包(丢包率为5%),可能的问题是()A、网络连接故障B、GPON端口故障C、上行板卡设备故障D、以太网口和PC网卡端口设置不一致11、1:2 分光器理论衰减约为()Db。
对于EPON工程,可根据下列接光接入网常用的工程数据估算本工程ODN的传输损耗:
•建议的ODN衰耗:10~26db(一般为22dB);
•单模光纤衰耗:≤0.34 dB/km;
•光纤跳纤、尾纤插入损耗:0.1db~0.3db;
•法兰盘插入损耗:≤0.4db;
•1:2分光器插入衰耗:3db;
•1:4分光器插入衰耗:6db;
•1:8分光器插入衰耗:9db;
•1:16分光器插入衰耗:12db;
•1:32分光器插入衰耗:15.5db
•
•OLT光功率:
•接收:-1~-24db(1310nm)发送:+2~-3db(1490nm)•终端光功率:
•接收:-3~-24 (1490nm)发送:-1~+4(1310nm)•最多二级分光,不建议更多级别的分光;
•对光路衰减进行估算,保留一定的余量;
必须使用单模光纤,不能使用多模光纤;
每个ONU的位置布1~2根光纤(1根做备份);
•在工程安装前,用户应做好机房、电源、地线、光纤熔
接等准备工作,为施工提供必要的条件;同时机房的面积、高度应符合设备放置要求,若不符合要求,应要求进行整改,以消除安装、运行维护中的隐患。
1.建筑条件检查(干燥、空间、承重、接地;墙
面、顶棚应不粉化,不易积灰,不易脱落,
装饰材料采用阻燃材料等)
2.供电情况检查
3.地线条件检查联合接地要求小于1欧姆
4.安全检查
5.其他配套设备的检查
检查外接电源及连接机柜的电源线是否准备就绪。
检查光配线架(ODF)、数字配线架(DDF)和用户配线架(MDF)是否施工完毕。
检查光纤是否到位,光纤接头是否匹配。
如何计算光网络损耗GEPON的光网络是由光纤、光纤耦合器和光分离器构成。
从OLT到ONU传输距离受到OLT、ONU的发射功率、接收灵敏度;光缆的长度;和光分路器的插入损耗影响。
下面是这些设备的相关参数:OLT, ONU的光参数:发射功率:+2dBm ~+6dBm 接收灵敏度-26dBm 光纤衰耗: 0.4db/公里光分路器损耗:理论上1*n光分路器的光衰耗:=10log(1/n)。
以此计算:1×2 的光分路器衰耗-3db;1×4 的光分路器衰耗-6db;1×8 的光分路器衰耗-9db;1×16 的光分路器衰耗-12db;1×32的光分路器衰耗-15db。
但在实际的产品的衰耗大于理论值,具体插入损耗参见光分离器的说明书。
光分路器的级联和级数无关,和光分路器的衰耗相关。
例:假设OLT到ONU的距离10公里,使用两级光分路器,1个1×4和4个1×8构成。
OLT、ONU的发射功率和接收灵敏度之间相差26db;光纤衰耗:10×0.3=3db光分路器衰耗:10log(1/4)+10log(1/8)=15db光网络衰耗总和为:15+3=18db在EPON系统设计中,由于不同ONU距OLT的距离相差较大,会对ONU产生两方面的影响:光功率的限制和光路传输产生的不同时延。
光路传输产生的不同时延的影响,GEPON系统通过时间同步与测距补偿机制来实现,对距离差没有要求。
对于光功率的限制:只要经过光路的各类损耗后(光传输距离的损耗,光分路器的分光,各类光器件的插入损耗等),光功率值在ONU光器件的过载光功率与接受灵敏度范围内的,ONU都能正常工作。
ONU光器件过载光功率为-5dBmONU光器件接受灵敏度为-26dBm。
F T T H分光器光衰耗说
明
-CAL-FENGHAI.-(YICAI)-Company One1
FTTH光衰整治说明
目前FTTH用户一般是64分光比,有三种组合方式,无跳接光交为一级分光器,楼道为二级分光器,两级分光器分光比相乘等于64
(一)三种组合方式为
1、一级分光1:2,二级分光1:32, 2x32=64
2、一级分光1:4,二级分光1:16, 4x16=64
3、一级分光1:8,二级分光1:8, 8x8=64
(二)各种分光器光衰耗
1:2 衰耗 1:4衰耗7db 1:8衰耗10db
1:16衰耗14db 1:32衰耗17db
(三)经验:由于PON口发光为+5,所以一般在一级光分那测主干光为+1DB到+3DB左右,低于0主干肯定有问题一级1:2分光器的出光-1db左右
一级1:4分光器的出光-4DB左右
一级1:8分光器的出光-8DB左右
所有2级分光器出光控制在-20以内
(四)实例:塔河嘉园无跳接实地随机测试结果,按照该标准进行参考(该小区二级分光器发光都达标)
OBD12:是个1:2分光,出光
OBD05:是个1:4分光,出光
OBD01:是个1:8分光,出光
2。