不同规格的分光器的插损(衰减)
- 格式:docx
- 大小:17.08 KB
- 文档页数:5
1 / 5如何计算光网络损耗GEPON的光网络是由光纤、光纤耦合器和光分离器构成。
从OLT 到ONU传输距离受到OLT、ONU的发射功率、接收灵敏度;光缆的长度;和光分路器的插入损耗影响。
下面是这些设备的相关参数:OLT, ONU的光参数发射功率:+2dBm ~+6dBm接收灵敏度-26dBm 光纤衰耗:0.3db/公里光分路器损耗:理论xx1*n光分路器的光衰耗:=10log(1/n)。
以此计算:1×2的光分路器衰耗-3db;1×4的光分路器衰耗-6db;1×8的光分路器衰耗-9db;1×16的光分路器衰耗-12db;1×32的光分路器衰耗-15db。
但在实际的产品的衰耗大于理论值,具体插入损耗参见光分离器的说明书。
光分路器的级联和级数无关,和光分路器的衰耗相关。
例:假设OLT到ONU的距离10公里,使用两级光分路器,1个1×4和4个1×8构成。
OLT、ONU的发射功率和接收灵敏度之间相差26db;2 / 5光纤衰耗:10×0.3=3db 光分路器衰耗:光网络衰耗总和为:15+3=18db这只是理论计算,但在实际网络中,还需要考虑使用耦合器等导致衰耗增大,可以使用光功率计测试。
在这就要先了解发送光功率和光接收机灵敏度,发送光功率(典型值)是指光发射机正常输出光功率,以dbm为单位,光接收机灵敏度是指光接收机正常工作时所允许的输入光功率最小值。
以dbm为单位。
最大光链路损耗是对发射机和接收机正常工作时所允许的光纤传输通道最大损耗值(即发送光功率-光接收机灵敏度)。
假设光端机的发送光功率为-4.50dbm,光接收机灵敏度为-14.8dbm,那最大光链路损耗为-4.5dbm-(-14.8)dbm=10.3dbm。
通过最大光链路损耗中我们就可以初步估算出光端机的最远传输距离。
例题:假如有A=10公里、B=8公里、C=5公里在不同距离的3只光接收机,要求当光机接收电平是0dBm时,发射机的功率要多少mW 和光分路器各路的分光比为多少?(设每公里的光损耗为0.4dB,分光器插耗为0.4dB,光缆接头等损耗1dB)计算1:A路=0+10*0.4+0.4+1=5.4dBm=3.46737mW B路=0+8*0.4+0.4+1=4.6dBm=2.88403mW C路=0+5*0.4+0.4+1=3.4dBm=2.18776mW那么发射光的总功率P=3.46737+2.88403+2.18776=8.53916mW也很容易得出各路的分光比为:A路B路3 / 5C路注评1:以上答案不算对.一般光缆接头损耗都包含在每公里光损耗里了,不需要单独计算。
光衰整治分析建议一、ODN网络衰耗参考值(一)ODN 单点衰耗值(根据中电信苏[2012]521号《关于PON系统ODN工程建设中光衰耗指标验收要求的通知》)ODN 衰耗主要由分光器、活接头、光缆、热熔或接头等因素引起。
主要单点的衰耗参考值如下:(1) G.652 光纤衰耗系数≤0.35dB/km(含固定接头0.38dB/km),)其中,3km指的0-3km(含3km);5km指的3-5km(含5km,不含3km);10km指的5-10km(含10km,不含5km);10km以上原则上不允许。
对于ODN网络传输距离超过5km,第一考虑路由优化方案。
对于二级分光模式中的一级分光点光衰参考值如下:(接入中心提供的维护经验数据)二、初步判断光衰不达标段落:(一)局端OLT设备(光模块发送光功率和光模块温度的标准值是网维提供)根据PON口的发达光功率与光模块温度判断,PON口光模块的发送光功率在2-6.5dBm范围外,光模块温度≥70℃,则初步判断为OLT设备侧问题。
(2光点至整)(1)1:(2)1:三、ODN12、分光点连接纤问题(分光点上连尾纤曲率较大;综合箱内成端尾纤乱;分光点连接的ODF 架或光交点跳纤曲率较大、综合箱下联复接多);3、分光器质量问题(分光器坏;分光比大)。
四、各段落光衰整治操作方法:(接入中心提供的维护经验)1、OLT设备侧问题:由网维至OLT设备侧检查,可用光功率计在OLT成端上收光,标准参数GPON≥+4DB,EPON≥+2DB,如果高于以上标准属于正常。
如果低于以上标准,需要网操维检查光模块质量,并作相应处理。
2、一级分光点至OLT段落:(1)根据分光器的输入和输出光功率值进行判断是否分光器有问题。
分光器典型插入损耗参考:(2)判断线路上是否有衰耗点。
可以用OTDR在局端进行全程测试,看线路上是否有衰耗点和转500ODF终端(33(1(24、(1(2(3。
光分路器插入损耗
光分路器插入损耗,是一种描述光纤器件性能的重要参数。
它指的是光纤信号在经过分路器时的光功率损失。
在光纤通讯系统中,分路器是一种常见的光纤器件,用于将单个输入端口分为多个输出端口,从而实现多路分配。
然而,分路器本身也会对信号质量产生影响,这就导致了光分路器插入损耗的问题。
光分路器插入损耗是一个关键参数,因为它直接影响到光纤通讯系统的传输效率和性能。
当光信号经过分路器时,会发生一定的损耗,因为分路器会将光信号分成多条路径,导致每条路径上的光功率都相应地减小。
因此,理论上来说,分路器的插入损耗越小,系统的传输效率也就越高,能够传输的距离也就越远。
在实际应用中,光分路器插入损耗是一个非常复杂的问题。
它受到多种因素的影响,包括分路器的结构、材料、工艺等。
同时,光纤的物理特性也会对插入损耗产生影响,如光纤的长度、直径、纤芯直径等。
因此,在评估分路器的性能时,需要综合考虑多种因素,进行全面的分析和测试。
为了降低光分路器的插入损耗,需要从多个角度进行优化。
一方面,可以通过优化分路器结构和工艺来提高其性能。
例如,采用低损耗的材料、优化分光比、调整分路
器长度等,都可以有效地降低插入损耗。
另一方面,可以采用一些技术手段,如光放大器和光增益均衡器等,来提高信号质量和增大信号传输距离。
总之,光分路器插入损耗是一个非常重要的参数,在光纤通讯系统中扮演着举足轻重的角色。
通过对其性能进行优化和改进,可以提高系统的传输效率和性能,从而满足更高的通讯需求。
因此,在光纤通讯系统设计和维护中,对光分路器插入损耗的控制和优化,永远是一个不可或缺的任务。
光纤衰耗1 ODN全程衰减核算按照最坏值法进行传输指标核算,EPON OLT-ONU之间的传输距离应满足以下公式:光纤衰耗系数*传输距离+光分路器插损+活动连接头数量*损耗+光缆线路衰耗富余度≤EPON R/S-S/R 点允许的最大衰耗。
2 EPON R/S-S/R点衰耗范围:OLT PON 口发送光功率2dB~7dBm,接收光灵敏度为-27dBm。
ONU 发射光功率-1dBm~4dBm,接收光灵敏度为-24dBm。
考虑1dB的光通道代价,EPON系统R/S-S/R间允许最大衰耗为:上行(ONU-OLT,1310nm):25dB下行(OLT-ONU,1490nm):25dB3 光纤衰耗系数(含固定熔接损耗):上行(ONU-OLT,1310nm):0.4 dB/km下行(OLT-ONU,1490nm):0.3 dB/km45 活动连接头损耗:每个活接头连接损耗为0.5dB。
6 光缆线路富余度:传输距离≤5km,取2dB传输距离≤10km,取2~3dB传输距离>10km,取3dB7 综合考虑上述因素,得出OLT-ONU之间可传输距离。
光纤衰减取定:1310nm波长时取0.36 dB /km衰耗系数是多模光纤和单模光纤最重要的特性参数之一,在很大程度上决定了多模和单模光纤通信的中继距离。
衰耗系数的定义为:每公里光纤对光信号功率的衰减值。
其表达式为:a= 10 lg pi/po 单位为db/km其中:pi 为输入光功率值(w 瓦特)po 为输出光功率值(w 瓦特)假如某光纤的衰耗系数为a=3db/km,则意味着经过一公里光纤传输pi/po= 10 0.3= 2后,其光信号功率值减小了一半。
长度为l 公里的光纤总的衰耗值为a=al 。
对于单模光纤,按照0.18db/km 的衰耗。
对于一个光信号,若经过edfa 放大后输出功率为+5dbm ,其接收端的接收灵敏度若为-28dbm ,则放大增益为33db ,除以衰耗系数,除数距离为33/0.18=183公里,考虑老化等裕度,可传输120km 以上。
各位兄弟请讨论:按下参数为参考估算各段光衰,以便江南城区验收及装维障碍判断:一、自OLT下行至桌面型ONU允许gpon<-28dB的光功率衰耗,查询贝尔240说明书,接收光衰为+8~-27db,中兴ONU未见光衰说明。
目前装维反馈的情况是应不超过-26db。
1、经咨询olt光模块现普遍采用PX20,光衰范围为+2~+7db2、每公里光纤衰减0.36dB(单模1310nm)3、分光器质量咨询贝尔,价格和质量成正比,质量好的插损如下:分光器类型1:2 1:4 1:8 1:16 1:32最小光衰 3.2 7.0 10.2 13.2 16.5最大光衰 3.5 7.2 10.6 13.5 17.0安康多采用8:8进行分配一二级分光。
4、光纤熔接损耗:0.02dB~0.05dB5、光纤跳纤、尾纤插入损耗:0.2dB~0.3dB6、现场连接器(光功率计本身及法兰等)损耗:≤0.5dB7、光纤老化损耗:0.05db/km8、光富裕度取1dB;从OLT到ONU/ONT接入传输距离(采用最坏算法):总计算公式:最大传输距离×每千米光纤插损=光路上可分配的总光功率用累加的方法计算ODN总衰耗即可。
二、装维维护范围为二级分光至用户端,故只用判断3点即可1、用户端接皮线光缆应>-26db,如-25,-24(负值越小即越大)2、直接在二级分光器出端,测试数字应>-25db,并比用户端增大不超过1.1db,如大于1.1,同时检查下户光缆。
3、直接在二级分光器(1:8)入端,测试数字应>-15,并比出端增大不超过10.6db,如大于10.6,需更换二级分光器,如小于10,检查上联光缆、一级分光及OLT光口。
故障例举:3.19日静宁南路4号分光器下用户故障,彭宇在二级分光器下端测试-27.85,二级分光上端-17.58,二级分光正常,通知运维检查上联光缆、一级分光及OLT光口。
3.19日与装维李刚经过模型测算。
分光器光衰表
在光纤通信系统中,光衰是指信号在传输过程中光功率的损失。
为了解决光衰问题,分光器被广泛应用于光纤通信系统中。
分光器是一种光学器件,能将光信号分成多个相等或不相等的光路,从而实现光信号的分配和复用。
为了更好地了解光衰问题,分光器光衰表被用于记录和比较不同分光器在光信号分配过程中引起的光衰损失。
分光器光衰表通常包含了两个重要参数:插入损耗和均衡性。
插入损耗是指信号通过分光器后的光功率损失。
分光器的设计和制造质量会直接影响到插入损耗的大小。
一般来说,插入损耗应尽可能小,以确保光信号在传输过程中不会因为光功率的损失而导致信号质量
下降。
均衡性是指在分光器中,各个光路之间的光功率差异。
由于光纤通信系统中的光信号往往需要在不同的分支中分配和复用,因此均衡性的好坏会直接影响到整个系统的性能。
一个好的分光器应该能够实现光信号的均匀分配,并保持各个分支之间的光功率差异较小。
分光器光衰表的制作通常需要通过实验测量获得。
在实验中,通过将光信号输入到分光器中,并测量各个分支的光功率,可以得到分光器
在不同波长和功率下的插入损耗和均衡性数据。
这些数据可以用来评估和比较不同分光器的性能。
分光器光衰表在光纤通信系统的设计和维护中起着重要的作用。
通过选择合适的分光器,可以实现光信号的有效分配和复用,提高系统的传输效率和可靠性。
同时,分光器光衰表也能帮助工程师分析和解决光衰问题,确保光信号在传输过程中的稳定性和可靠性。
分光器技术指标
分光器技术指标
分光器是一种用于将光信号分配到多个输出端口的光学器件。
它是光
纤通信系统中不可或缺的组成部分,广泛应用于光纤通信、光纤传感、光学测量等领域。
分光器的性能指标对于光纤通信系统的性能和稳定
性具有重要影响。
1. 分光比
分光比是指分光器将输入光信号分配到各个输出端口的比例。
例如,
一个2分1分光器将输入光信号分配到两个输出端口,其中一个端口
输出的光功率是输入光功率的一半,另一个端口输出的光功率也是输
入光功率的一半。
分光比的稳定性和均匀性是衡量分光器性能的重要
指标。
2. 插入损耗
插入损耗是指分光器将输入光信号分配到各个输出端口时,输出端口
的光功率与输入端口的光功率之比。
插入损耗越小,分光器的性能越好。
通常情况下,插入损耗应小于3dB。
3. 带宽
带宽是指分光器能够传输的光信号频率范围。
分光器的带宽应与光纤通信系统的带宽匹配,以确保信号传输的稳定性和可靠性。
4. 稳定性
稳定性是指分光器在不同温度、湿度、光功率等环境条件下的性能稳定性。
分光器的稳定性越好,其性能波动越小,对光纤通信系统的影响也越小。
5. 可靠性
可靠性是指分光器在长期使用过程中的性能稳定性和寿命。
分光器应具有较高的可靠性,以确保光纤通信系统的长期稳定运行。
总之,分光器是光纤通信系统中不可或缺的光学器件,其性能指标对于系统的性能和稳定性具有重要影响。
在选择分光器时,应根据实际需求选择合适的分光比、插入损耗、带宽、稳定性和可靠性等指标,以确保系统的正常运行和长期稳定性。
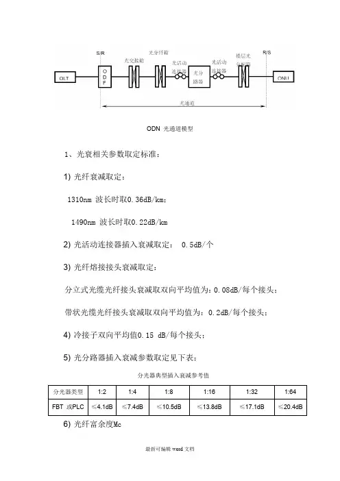
ODN 光通道模型
1、光衰相关参数取定标准:
1) 光纤衰减取定:
1310nm 波长时取0.36dB/km;
1490nm 波长时取0.22dB/km
2) 光活动连接器插入衰减取定: 0.5dB/个
3) 光纤熔接接头衰减取定:
分立式光缆光纤接头衰减取双向平均值为:0.08dB/每个接头;带状光缆光纤接头衰减取双向平均值为:0.2dB/每个接头;
4) 冷接子双向平均值0.15 dB/每个接头;
5) 光分路器插入衰减参数取定见下表;
分光器典型插入衰减参考值
6) 光纤富余度Mc
当传输距离≤5 公里时,光纤富余度不少于1 dB;
当传输距离≤10 公里时,光纤富余度不少于2 dB;
当传输距离>10 公里时,光纤富余度不少于3 dB。
2、本地光衰测定标准
至末级分光器测试光功率在-20DB以内,至用户侧-21.5BD以内。
[此文档可自行编辑修改,如有侵权请告知删除,感谢您的支持,我们会努力把内容做得更好]。
PON网络中光路损耗值简单计算方法
光路损耗值算:
ODN ( Optical Distribution Network) :光配线网络,用于在OLT和ONU间提供光通道。
ODN通常由光纤光缆、光连接器、光分路器以及安装连接这些器件的配套设备组成。
ODN包括五个部分:馈线段、光缆分配点、配线段、光缆接入点和入户段。
光損耗算法: 光全程损耗=活动连接损耗+光缆线路损耗+分光器损耗+插入损耗
各器件正常衰减值:光纤适配器(法兰盘)0.5DB/个;光缆线路0.35 DB/公里;分光器是2的次方计算,一次方约为3.5 DB,也就是说1:4的分光器约7 DB,1:8的分光器约10.5 DB,1:16的分光器约14 DB,1:32的分光器约17.5 DB,1:64的分光器约21 DB。
PON口发光一般在+3.3DB左右,经过局端ODF架、主干光缆(约按3KM计算)、光交跳线,到达小区内一级分光器前应该是+1DB左右。
如果一级分光器为1:8,二级分光器为1:8,到达用户端光损耗值值应该为-20DB左右
如果一级分光器为1:8,二级分光器为1:16,到达用户端光损耗值值应该为-23.5DB左右
如果一级分光器为1:8,二级分光器为1:4,到达用户端光损耗值值应该为-16.5DB左右
如果一级分光器为1:4,二级分光器为1:8,到达用户端光损耗值值应该为-16.5DB左右
如果一级分光器为1:4,二级分光器为1:16,到达用户端光损耗值值应该为-20DB左右。
分光器规格1分250%-50%1分25%-95%1分210%-90%1分220%-80%1分230%-70%1分240%-60%1分4均分1分8均分1分16均分1分32均分插损典型值3.4dB11.8 dB:0.6dB10.4:0.97.4:1.35.6:1.94.4:2.67.2dB10.7dB14.8dB17.8dB端口间最大偏差范围0.4 dB0.4 dB0.4 dB0.4 dB0.4 dB0.4 dB0.8dB1.7dB2.0dB2.5dB测试仪器光功率计光功率计光功率计光功率计光功率计回答人的补充2009-09-09 08:17在光链路的设计中,要碰到光纤损耗、分光损耗、分光附加损耗、活动接头损耗和光链路(总)损耗几项参数,很显然,光链路损耗是以上其他几项损耗值的总和:光链路损耗=光纤损耗+分光损耗+分光附加损耗+活动接头损耗(dB)光纤损耗,是光信号在光纤中传输时光功率消耗引起的,在设计时1310nm 通常按每km0.4dB计算,1550nm通常按0.25dB计算。
某一光路光纤损耗的dB 数,换算成该路单路功率损耗mW数按下式计算:某单路功率损耗=100.1光纤损耗(mW)(某路)分光比K=某单路功率损耗/各路功率损耗总和(某路)分光损耗= -10lg K (dB)分光损耗,实际上是分光时的光功率转移造成的,不是光功率的消耗引起的,因此在计算分光比时不能将它计算进去。
但是在计算光链路总损耗时必须将它加进去。
分光附加损耗,是分光时的分光器自身消耗了光功率造成的;活动接头损耗也是其自身消耗了光功率造成的,因此这两项本来应该在计算分光比时都加进和光纤损耗中,算出三者的总损耗dB数,然后换算出损耗总功率数mW,再据此计算出分光比,这样计算得出的最后计算结果最为准确。
但是由于分光附加损耗和活动接头损耗的量值,比光纤损耗要小得多,而且各条光链路的数值基本相等,在计算分光比时把各条光路的这两项数值统统忽略不计,对分光比计算结果的影响很微小。
参考数据:
PON口发送光功率:1.5~5.0dBm
ONU接收灵敏度:-28dBm(在60km距离下灵敏度达不到-28dbm)
每10km光纤衰耗:2~3dBm
分光器插损:1:2大约3db,每增加一倍增加3db
1:2光分衰耗:3~5dBm
1:4光分衰耗:8dBm(理论值)
1:8光分衰耗:11dBm
1:16光分衰耗:13dBm
1:32光分衰耗:15~17dBm
1:64光分衰耗:18~20dBm(理论值)
具体衰耗要看现场融纤水平,融纤不好衰耗3个db都有可能,ONU到用户100M 以内最好,超过200M就可能会出现问题。
ONU终端:
接收光功率:-8~-28db,工程运行建议值为-15~-24db。
发送光功率:+4~-1db。
AN5116/AN5516 PON口光功率:
接收:-6~-27db
发送:+2~+7db
插损:
法兰引入插损:0.5db/个
熔接头引入插损:0.1db/个
光纤衰减:
下行 1490nm 光纤衰减系数0.36db/km
上行1310nm 光纤衰减系数0.42db/km
测光功率是测波长为1490nm
ONU到OLT之间的距离20KM以内才能正常注册。
2013-1-11 09:06:35 上传下载附件(51.22 KB)这个功式,用系统里自带的计算器,设为科学型,进行计算便可得到。
例如1:32进行计算后得:经过计算可得到:1:2 分光器衰减为3.01 dB1:8 分光器衰减为 9.03 dB1:16分光器衰减为12.04 dB1:32分光器衰减为15.05 dB1:64分光器衰减为18.06 dB一般从OLT PON口里出来的光为+3—+5dB,上行口为-6—-7dB左右。
而ONU的光口灵敏度虽说是-28dB。
但一般-20dB以上最好,当然也不排除有-23 -24dB能开起来,这种的必竟不多,如果说从OLT到小区里的主干光纤测试为-3dB,这样的话在分光比为1:32的情况下,按上图来算,在ONU侧接收的功率应该为-18-- -20dB.1310nm波长光缆在正常情况下每公里损耗0.35dB,法兰盘0.5dB。
注:光纤损耗一般是随着波长加长而减小,0.85微米的损耗为2.5dB/KM,1.31微米的损耗为0.35dB/KM,1.55微米的损耗为0.20dB/KM.有关光纤资料可参考:EPON 里面有一条:在单模光纤上,以1000Mbps速率,分路比为1:32,传输距离达到10km;在单模光纤上,以1000Mbps速率,分路比为1:16,传输距离达到20km;以第一个为例做个简单算法:如果PON口发光为+3dB,中间没有其它跳,四个法兰盘-2dB,光缆损耗-0.35*10为-3.5dB.那么在小区光缆侧应为-2.5dB。
分路比为1:32,则ONU侧约为-18dB合格。
如果PON口发光为+3dB,中间没有其它跳,四个法兰盘-2dB,光缆损耗-0.35*20为-7dB.那么在小区光缆侧应为-6dB。
分路比为1:16,则ONU侧约为-18dB合格。
(在这如果分光比为1:32便不行了。
)所以当我们再遇到这种情况时,可以根据测的光功率值,加上小区ONU到OLT设备的距离便大可算出能不能开通。
回答人的补充2009-09-09 08:17
在光链路的设计中,要碰到光纤损耗、分光损耗、分光附加损耗、活动接头损耗和光链路(总)损耗几项参数,很显然,光链路损耗是以上其他几项损耗值的总和:
光链路损耗=光纤损耗+分光损耗+分光附加损耗+活动接头损耗 (dB)
光纤损耗,是光信号在光纤中传输时光功率消耗引起的,在设计时1310nm通常按每km0.4dB计算,1550nm通常按0.25dB计算。
某一光路光纤损耗的dB数,换算成该路单路功率损耗mW数按下式计算:
某单路功率损耗=100.1光纤损耗(mW)
(某路)分光比K=某单路功率损耗/各路功率损耗总和
(某路)分光损耗= -10lg K (dB)
分光损耗,实际上是分光时的光功率转移造成的,不是光功率的消耗引起的,因此在计算分光比时不能将它计算进去。
但是在计算光链路总损耗时必须将它加进去。
分光附加损耗,是分光时的分光器自身消耗了光功率造成的;活动接头损耗也是其自身消耗了光功率造成的,因此这两项本来应该在计算分光比时都加进和光纤损耗中,算出三者的总损耗dB数,然后换算出损耗总功率数mW,再据此计算出分光比,这样计算得出的最后计算结果最为准确。
但是由于分光附加损耗和活动接头损耗的量值,比光纤损耗要小得多,而且各条光链路的数值基本相等,在计算分光比时把各条光路的这两项数值统统忽略不计,对分光比计算结果的影响很
微小。
因此,通常在计算分光比时都把分光附加损耗和活动接头损耗忽略不计,仅仅将光纤损耗换算成光功率来计算分光比。
但是在计算光链路总损耗的时候,这两项数值都要计算进去。
分光器附加损耗的大小,和分光路数的多少有关,设计时可从表1中选取数值。
表1 分光器的附加损耗值
分光
路数
2
3
4
5
6
7
8
9
10
11
12
16
损耗
dB
0.20
0.30
0.40
0.45
0.50
0.55
0.60
0.70
0.80
0.90
1.00
1.20
活动接头损耗,要根据光链路中活动接头的总数量计算,通常按每个接头0.3~0.5dB选取。
每条光路至少有两个活动接头的:光发射机和分光器之间、末端光纤和光接收机之间。
出口路数较多的分光器,输出口和光纤之间通常也用活动接头连接;采用光放大器、多级分光器时,活动接头的数量就可能更多了。
有些书刊文章中可能还有“分光器插入损耗”一词,它量值是:
分光器插入损耗=分光损耗+分光附加损耗
如果我们在设计的时候已经把“分光损耗”和“分光附加损耗”分别单独列出来了,那么就不必要再用“分光器插入损耗”的数据了。
如果我们需要用“分光器插入损耗”来代替“分光损耗”和“分光附加损耗”,那么光链路(总)损耗原来的计算式:
光链路损耗=光纤损耗+分光损耗+分光附加损耗+活动接头损耗 (dB)
就得改为:
光链路损耗=光纤损耗+分光器插入损耗+活动接头损耗 (dB)
这里举例说明一个一发三收,各路光缆长度分别为10 km、8 km、5 km的1310光链路设计过程(光路损耗以0.4L计算),来说明以上几项参数含义和数量关系,设计计算过程和结果列入表2:
表2 光链路设计举例
项目
光纤
长度
km
光纤
损耗
dB
光纤
功耗
mW
分光比
K
分光
损耗
dB
分光附
加损耗
dB
活动接
头损耗
dB
光链
路总
损耗
序号
①
②
③
④
⑤
⑥
⑦
⑧
算式
0.4×①10lg0.1②③/小计-10lgK 查表2
按个数算
光
路
数
据
10
4.0
2.512
0.4061
3.91
0.3
1.0
9.21
8
3.2
2.089
0.3377
4.71
0.3
1.0
9.21
提问人的追问2009-09-09 22:03
谢谢,很详细,但有些公式计算,理论上的知识,在现实中,有可能实现,有时候实现不了
同样是155NM 27个DB,在这一处可以开通,但在那一处开通不了,你可以说,是光纤的总体衰耗问题,还有接头点接续问题,还有可能说光缆在布放的时候,施工方将其缆硬拉,导致缆的纤芯受伤。