单双向可控硅参数(精)
- 格式:doc
- 大小:158.50 KB
- 文档页数:4
单向可控硅参数列表MCR100-8 1A400V单向可控硅参数列表MCR100-8 1A400V参数: 1A 400V可控硅引脚定义可控硅外形象中功率三极管,三个脚定义为阳极A,阴极K,栅极G ,使用时在阳极加正电压,必须在栅极加一个4 伏左右的触发电压才能导通.单向可控硅的型号参数表常用1A/400V 单向可控硅有:MCR100-6MCR100-8BT169TP5GCR3AM常用3A/600V 的单向可控硅的型号有:3CR3AM-12TLC336TLC336TTLC336DTLC336STLC336晶闸管的选用与代换及检测1.晶闸管的选用(1) 选择晶闸管的类型:晶闸管有多种类型,应根据应用电路的具体要求合理选用。
若用于交直流电压控制、可控整流、交流调压、逆变电源、开关电源保护电路等,可选用普通晶闸管。
若用于交流开关、交流调压、交流电动机线性调速、灯具线性调光及固态继电器、固态接触器等电路中,应选用双向晶闸管。
若用于交流电动机变频调速、斩波器、逆变电源及各种电子开关电路等,可选用门极关断晶闸管。
若用于锯齿波发生器、长时间延时器、过电压保护器及大功率晶体管触发电路等,可选用BTG 晶闸管。
若用于电磁灶、电子镇流器、超声波电路、超导磁能储存系统及开关电源等电路,可选用逆导晶闸管。
若用于光电耦合器、光探测器、光报警器、光计数器、光电逻辑电路及自动生产线的运行监控电路,可选用光控晶闸管。
2.选择晶闸管的主要参数:晶闸管的主要参数应根据应用电路的具体要求而定。
所选晶闸管应留有一定的功率裕量,其额定峰值电压和额定电流(通态平均电流)均应高于受控电路的最大工作电压和最大工作电流1. 5〜2倍。
晶闸管的正向压降、门极触发电流及触发电压等参数应符合应用电路(指门极的控制电路)的各项要求,不能偏高或偏低,否则会影响晶闸管的正常工作。
2.晶闸管的代换晶闸管损坏后,若无同型号的晶闸管更换,可以选用与其性能参数相近的其他型号晶闸管来代换。
常用单向、双向可控硅型号常用单、双向可控硅型号介绍1、常用单向可控硅:序号型号 V DRM[W] I T(RMS)[A]V GM[V]P GM[W]封装说明生产厂商数据手册001 2N65S - - - - TO-92 - - 002 2N6397 - - - - TO-220 微触发003 2N6399 - - - - TO-220 -004 2N6507 - - - - TO-220 - - 005 2N6508 - - - - TO-220 - - 006 2N6565 - - - - TO-92 微触发 - 007 2P4M - - - - TO-202 - - 008 4P1M - - - - TO-202 - - 009 BT148-600E 600 4 5 5 SOT82 - 010 CR03AM-8 - - - - TO-92 微触发 - 011 CR03AM-12 - - - - TO-92 微触发 - 012 EC103D - - - - TO-92 微触发013 MCR100-6 400 0.8 1.7 - TO-92 -014 MCR100-8 600 0.8 1.7 - TO-92 -015 MCR12LD 400 12 5 5 TO-220AB-016 MCR12LM 600 12 5 5 TO-220AB-017 MCR12LN 800 12 5 5 TO-220AB-018 MCR25N - - - - TO-202 - - 019 MCR72-3 100 8 5 5 TO-220AB-020 MCR72-6 400 8 5 5 TO-220AB-021 MCR72-8 600 8 5 5 TO-220AB-022 MCR8N - - - - TO-202 - - 023 S010L 100 1 1.5 0.3 TO-92 绝缘栅024 S0201L 200 1 1.5 0.3 TO-92 绝缘栅025 S040L 400 1 1.5 0.3 TO-92 绝缘栅026 S0401L 600 1 1.5 0.3 TO-92 绝缘栅025 S0315L - - - - TO-220 绝缘栅026 S0506LS3 6 50 1.5 0.5 TO-220AB绝缘栅027 S0508F2 50 8 1.5 0.5 TO-202AB-028 S0565J 50 65 3.0 50 TO-218X 绝缘栅029 S1012L - - - - TO-220 绝缘栅030 S1055M 50 55 1.5 40 TO-218AC-031 S1055W 50 55 1.5 40 TO-218AC大引脚022 S2003LS3 - - - - TO-220 绝缘栅033 S2006LS2 200 6 1.5 20 TO-220AB绝缘栅034 S2006LS3 200 6 1.5 40 TO-220AB绝缘栅035 S2008LS3 200 8 1.5 20 TO-220AB绝缘栅036 S2010LS2 200 10 1.5 20 TO-220AB绝缘栅037 S2020L 200 20 1.6 30 TO-220AB绝缘栅038 S2025L 200 25 1.5 35 TO-220AB绝缘栅039 S2035J 50 35 1.5 35 TO-218X 绝缘栅040 S2035K 50 35 1.5 35 TO-218X 绝缘栅041 S2040K 400 40 1.5 35 TO-220AB绝缘栅 - 042 S2055M 200 55 1.5 40 TO-218AC-043 S2055W 200 55 1.5 40 TO-218X 大引脚 - 044 S2070W 200 70 2.0 50 TO-218X 大引脚045 S4002NH 400 2 - - TO-220 -046 S4003LS2 400 3 - - TO-220 绝缘栅047 S4003LS3 400 3 - - TO-220 绝缘栅 - 048 S4006L 400 6 1.5 20 TO-220AB绝缘栅049 S4006LS2 400 6 1.5 20 TO-220AB绝缘栅050 S4008L 400 8 1.5 20 TO-220AB绝缘栅051 S4008LS2 400 8 1.5 20 TO-220AB绝缘栅052 S4008LS3 400 8 1.5 20 TO-220 绝缘栅053 S4010L 400 10 1.5 20 TO-220AB绝缘栅054 S4010LS2 400 10 1.5 20 TO-220 绝缘栅055 S4015L 400 15 1.5 20 TO-220 绝缘栅056 S4020L 400 20 1.6 30 TO-220AB绝缘栅057 S4025L 400 25 1.6 35 TO-220 绝缘栅058 S4035J 400 35 1.8 35 TO-218AC绝缘栅059 S4035K 400 35 1.8 35 TO-218AC绝缘栅060 S4055M 400 55 1.8 40 TO-218AC- 061 S4055W 400 55 1.8 40 TO-218X 大引脚062 S4070W 400 70 1.8 50 TO-218X 大引脚063 S6006L 600 6 1.5 20 TO-220AB绝缘栅064 S6008L 600 8 1.5 20 TO-220Ab绝缘栅065 S6010L 600 10 1.5 20 TO-220AB绝缘栅066 S6015L 600 15 1.5 30 TO-220AB绝缘栅067 S6020L 600 20 1.5 30 TO-220AB绝缘栅068 S6025L 600 25 1.5 35 TO-220AB绝缘栅069 S6035J 600 35 1.5 35 TO-218X 绝缘栅070 S6055M 600 55 1.8 40 TO-218X 大引脚071 S6065W 600 55 1.8 40 TO-218X 绝缘栅072 S6065K 600 65 1.8 50 TO-218X 绝缘栅073 S6070W 600 70 2.0 50 TO-218X 大引脚074 S8025L 800 25 1.5 35 TO-220AB绝缘栅075 S8035K 800 35 1.5 35 TO-218AC绝缘栅076 S8055M 800 55 1.5 40 TO-218AC- 077 S8055W 800 55 1.5 40 TO-218X 大引脚078 S1625DH - - - - TO-220 - -079 S2008L 200 8 1.5 20 TO-220AB -080 S2010FS2 200 10 1.5 20 TO-220AB- 081 S2012R 200 12 1.5 20 TO-220 -082 S2016R 200 16 1.5 30 TO-220AB- 083 S2025R 200 25 1.5 35 TO-220AB- 084 S2040R 200 40 1.5 35 TO-220AB- 085 S2055R 200 55 1.5 40 TO-220 -086 S4008R 400 8 1.5 20 TO-220AB-087 S4012R 400 12 1.5 20 TO-220AB-088 S4016R 400 16 1.5 30 TO-220AB-089 S4025R 400 25 1.5 35 TO-220AB-090 S4040R 400 40 1.5 35 TO-220 -091 S4055R 400 55 1.5 40 TO-220AB-092 S4008R 400 8 1.5 20 TO-220AB- - 093 S4004F1 - - - - TO-220 - - 094 S4006FS2 - - - - TO-220 - - 095 S4008F2 400 8 1.5 20 TO-220 -096 S4010FS21 400 10 1.5 20 TO-220AB-097 S6006F1 600 6 1.5 20 TO-220AB-098 S6006FS2 600 6 1.5 20 TO-202 -099 S6008F1 600 8 1.5 20 TO-220AB-100 S6010FS2 600 10 1.5 20 TO-220AB-101 S6008R 600 8 1.5 20 TO-220 -102 S6012R 600 12 1.5 20 TO-220AB-103 S6016R 600 16 1.5 30 TO-220 -104 S6025R 600 25 1.5 35 TO-220AB-105 S6040R 600 40 1.5 35 TO-220AB-106 S6055R 600 55 1.5 40 TO-220 -107 T106M1 - - - - TO-202 - - 108 TP237 - - - - TO-220 - - 109 TYN108 - - - - TO-220 - - 110 TYN616 - - - - TO-220 - - 111 TYN716 - - - - TO-220 - - 112 X0205 - - - - TO-92 微触发 - 113 X02029 - - - - TO-92 微触发 - 114 X0402MF - - - - TO-202 无头115 X0203MF - - - - TO-202 无头 - 116 X0405MF - - - - TO-202 - -2、常用双向可控硅:序号型号 V DRM[W] I T(RMS)[A]V GM[V]P GM[W]封装说明生产厂商数据手册001 BT136 600 4 5 5 TO-220 -002 BT137 600 8 5 5 TO-220 -003 BT138 600 12 5 5 TO-220 -004 BT139 600 16 5 5 TO-220 -005 BTA20 800 20 - - TO-220 -006 MCA12m 600 16 5 5 TO-220 - MOTOROLA007 MCA12N 600 16 5 5 TO-220 - MOTOROLA008 MCA15 400 15 10 20 TO-220 - MOTOROLA009 MCA15A6 600 15 10 20 TO-220AB- -010 MCA15A8 800 15 10 20 TO-220AB- -011 MCA15A10 600 15 10 20 TO-220AB- -012 MCA16CM 600 16 - 20 TO-220AB- -013 MCA16CN 800 16 - 20 TO-220AB- -014 MCA8D 400 8 - 16 TO-220AB- -015 MCA8M 600 8 - 16 TO-220AB- -016 MCA8N 800 8 - 16 TO-220AB- -017 MCA9D 400 8 - 16 TO-220AB- -018 MCA9M 600 8 - 16 TO-220AB- -019 MCA9N 800 8 - 16 TO-220AB- -序号型号 V DRM[W] I T(RMS)[A]I GT[mA]P GM[W]封装说明生产厂商数据手册001 Q201E3 200 1 10 0.2 TO-92 - -002 Q401E3 400 1 10 0.2 TO-92 - -003 Q2004L3 200 4 10 0.3 TO-220AB- -004 Q4004L3 400 4 10 0.3 TO-220AB- -005 Q6004L3 600 4 10 0.3 TO-220AB- -006 Q2004L4 200 4 25 0.3 TO-220AB- -007 Q4004L4 400 4 25 0.3 TO-220AB- -008 Q6004L4 600 4 25 0.3 TO-220AB- -009 Q2004F31 200 4 10 0.3 TO-202AB- -010 Q4004F31 400 4 10 0.3 TO-202AB- -011 Q6004F31 600 4 10 0.3 TO-202AB- -012 Q2004F41 200 4 25 0.3 TO-202AB- -013 Q4004F41 400 4 25 0.3 TO-202AB- -014 Q4006L4 400 6 25 0.5 TO-220AB- -015 Q4008L4 400 8 25 0.5 TO-220AB- -016 Q6008L5 600 8 25 0.5 TO-220AB- -017 Q2008R4 200 8 25 0.5 TO-220AB- -018 Q4008R4 400 8 25 0.5 TO-220AB- - 019 Q6008R5 600 8 50 0.5 TO-220AB- - 020 Q2010L5 200 10 50 0.5 TO-220AB- - 021 Q4010L5 400 10 50 0.5 TO-220AB- - 022 Q6010L5 600 10 50 0.5 TO-220AB- - 023 Q2010R5 200 10 50 0.5 TO-220AB- - 024 Q4010R5 400 10 50 0.5 TO-220AB- - 026 Q6010R5 600 10 50 0.5 TO-220AB- - 027 Q2015L5 200 15 50 0.5 TO-220AB- - 028 Q4015L5 400 15 50 0.5 TO-220AB- - 029 Q6015L5 600 15 50 0.5 TO-220AB- - 030 Q2015R5 200 15 50 0.5 TO-220AB- - 031 Q4015R5 400 15 50 0.5 TO-220AB- - 032 Q6015R5 600 15 50 0.5 TO-220AB- -。
单双向可控硅参数1.阈值电压(VGT):阈值电压是指在SCR关断状态下,需要施加在控制端的最小电压。
只有当控制端的电压大于阈值电压时,SCR才能导通。
2.稳定电压(VBO):稳定电压是指在控制电流为零时,SCR能够承受的最大反向电压。
当反向电压超过稳定电压时,SCR会断电。
3.平均输出电流(IAV):平均输出电流是指在正常工作条件下,SCR所能够处理的平均电流大小。
这个参数决定了SCR在特定应用中的电流处理能力。
4.触发电流(IT):触发电流是指施加在控制端的电流大小,使得SCR从关断状态转为导通状态。
触发电流的大小决定了SCR的敏感度和响应速度。
5.死区时间(DT):死区时间是指当SCR从导通状态转为关断状态时,需要经过的一段时间。
在这段时间内,SCR无法再次导通。
死区时间的存在可以防止SCR发生干扰或意外触发。
6.额定电压(VDRM):额定电压是指SCR在导通状态下所能承受的最大正向电压。
在正常工作条件下,正向电压不能超过额定电压。
7.阻断电流(IDRM):阻断电流是指SCR在关断状态下所能够承受的最大正向电流。
超过阻断电流时,SCR可能会受损或严重故障。
8. 定向触发电流(Igt):定向触发电流是指施加在SCR控制端的电流大小,使得SCR从关断状态转为导通状态,并在导通状态下继续工作。
定向触发电流的大小决定了SCR的可靠性和稳定性。
以上是一些常见的单双向可控硅参数。
了解和掌握这些参数对于正确选择SCR以及保证其正常工作非常重要。
此外,还有许多其他参数也需要考虑,如功率损耗、温度范围和封装形式等。
因此,在实际应用中,还需根据具体需求综合考虑各种参数,选择适合的SCR。
可控硅可控硅是硅可控整流元件的简称,亦称为晶闸管。
具有体积小、结构相对简单、功能强等特点,是比较常用的半导体器件之一。
该器件被广泛应用于各种电子设备和电子产品中,多用来作可控整流、逆变、变频、调压、无触点开关等。
家用电器中的调光灯、调速风扇、空调机、电视机、电冰箱、洗衣机、照相机、组合音响、声光电路、定时控制器、玩具装置、无线电遥控、摄像机及工业控制等都大量使用了可控硅器件。
按其工作特性,可控硅(THYRISTOR)可分为普通可控硅(SCR)即单向可控硅、双向可控硅(TRIAC)和其它特殊可控硅。
可控硅的主要参数非过零触发-无论交流电电压在什么相位的时候都可触发导通可控硅,常见的是移相触发,即通过可控硅的主要参数1、额定通态平均电流IT在一定条件下,阳极---阴极间可以连续通过的50赫兹正弦半波电流的平均值。
2、正向阻断峰值电压VPF 在控制极开路未加触发信号,阳极正向电压还未超过导能电压时,可以重复加在可控硅两端的正向峰值电压。
可控硅承受的正向电压峰值,不能超过手册给出的这个参数值。
3、反向阴断峰值电压VPR当可控硅加反向电压,处于反向关断状态时,可以重复加在可控硅两端的反向峰值电压。
使用时,不能超过手册给出的这个参数值。
4、控制极触发电流Ig1 、触发电压VGT在规定的环境温度下,阳极---阴极间加有一定电压时,可控硅从关断状态转为导通状态所需要的最小控制极电流和电压。
5、维持电流IH在规定温度下,控制极断路,维持可控硅导通所必需的最小阳极正向电流。
近年来,许多新型可控硅元件相继问世,如适于高频应用的快速可控硅,可以用正或负的触发信号控制两个方向导通的双向可控硅,可以用正触发信号使其导通,用负触发信号使其关断的可控硅等等。
可控硅的触发过零触发-一般是调功,即当正弦交流电交流电电压相位过零点触发,必须是过零点才触发,导通可控硅。
非过零触发-无论交流电电压在什么相位的时候都可触发导通可控硅,常见的是移相触发,即通过改变正弦交流电的导通角(角相位),来改变输出百分比。
符号说明:VRRM--反向重复峰值电压:在控制极断路和额定结温的条件下,可以重复加在可控硅上的交流电压。
此电压小于反向最高测试电压100V。
反向最高测试电压,规定为反向漏电流急速增加,反向特性曲线开始弯曲时的电压。
V RSM--反向不重复峰值电压;在控制极断路和额定结温的条件下,不允许加在可控硅上的交流电压。
V DRM――断态重复峰值电压;断态重复峰值电压是在门极断路而结温为额定值时,允许重复加在器件上的正向峰值电压.国标规定重复频率为50H,每次持续时间不超高10ms。
规定断态重复峰值电压V DRM为断态不重复峰值电压(即断态最大瞬时电压UDSM的90%.断态不重复峰值电压应低于正向转折电压Ubo。
IT(AV/ IF(AV--通态/正向平均电流;在环境温度+40℃和额定结温下,导通角不小于170°阻性负载电路中,允许通过的50Hz正弦半波电流的平均值。
I T(RMS, I F(RMS――通态/正向方均根电流;是指在额定结温,允许流过器件的最大有效电流值,用户在使用中须保证,在任何条件下流过器件的电流有效值,不超过对应壳温下的方均根电流值I TSM,I FSM--通态/正向浪涌电流;指由于电路异常情况引起的并使结温超过额定结温的不重复性最大正向过载电流(半个正弦波t=10ms, 50HzI2t--表示可控硅所通过的电流产生的能量,是电流的平方乘以时间,表示可控硅的发热特性。
P GM--门极峰值功率;门极触发电压与最大触发电流的乘积;P G(AV --门极平均功率;门极触发电压与正常触发电流的乘积;di/dt--通态电流临界上升率;指在额定结温下,可控硅能承受的最大通态电流上升率(如果电流上升太快,可能造成局部过热而使可控硅损坏V ISO--绝缘电压;芯片与可控硅的底板之间的绝缘电压。
Tj--工作结温;可控硅在正常工作条件下允许的PN结温度。
Tjm--额定结温;可控硅在正常工作条件下允许的最高PN结温度。
一、可控硅符号与性能介绍可控硅符号:可控硅也称作晶闸管,它是由PNPN四层半导体构成的元件,有三个电极,阳极A,阴极K和控制极G。
ﻫ可控硅在电路中能够实现交流电的无触点控制,以小电流控制大电流,并且不象继电器那样控制时有火花产生,而且动作快、寿命长、可靠性好。
在调速、调光、调压、调温以及其他各种控制电路中都有它的身影。
ﻫ可控硅分为单向的和双向的,符号也不同。
单向可控硅有三个PN结,由最外层的P极和N极引出两个电极,分别称为阳极和阴极,由中间的P极引出一个控制极。
单向可控硅有其独特的特性:当阳极接反向电压,或者阳极接正向电压但控制极不加电压时,它都不导通,而阳极和控制极同时接正向电压时,它就会变成导通状态。
一旦导通,控制电压便失去了对它的控制作用,不论有没有控制电压,也不论控制电压的极性如何,将一直处于导通状态。
要想关断,只有把阳极电压降低到某一临界值或者反向。
双向可控硅的引脚多数是按T1、T2、G的顺序从左至右排列(电极引脚向下,面对有字符的一面时)。
加在控制极G上的触发脉冲的大小或时间改变时,就能改变其导通电流的大小。
ﻫ与单向可控硅的区别是,双向可控硅G极上触发脉冲的极性改变时,其导通方向就随着极性的变化而改变,从而能够控制交流电负载。
而单向可控硅经触发后只能从阳极向阴极单方向导通,所以可控硅有单双向之分。
电子制作中常用可控硅,单向的有MCR-100等,双向的有TLC336等。
这是TLC336的样子:二、向强电冲击的先锋—可控硅可控硅是可控硅整流元件的简称,是一种具有三个PN 结的四层结构的大功率半导体器件。
实际上,可控硅的功用不仅是整流,它还可以用作无触点开关以快速接通或切断电路,实现将直流电变成交流电的逆变,将一种频率的交流电变成另一种频率的交流电,等等。
可控硅和其它半导体器件一样,其有体积小、效率高、稳定性好、工作可靠等优点。
它的出现,使半导体技术从弱电领域进入了强电领域,成为工业、农业、交通运输、军事科研以至商业、民用电器等方面争相采用ﻫ 1.可控硅的结构和特性的元件。
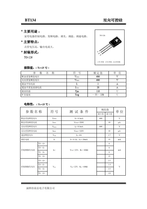
双向可控硅BT134主要用途:* 家用电器控制电路、变频电路、调光、调温、调速电路。
主要特点:*击穿电压高、输出电流大。
封装形式:*TO-126极限值: ℃( Tc=25)电特性: ℃ ( Tc=25)深圳市商岳电子有限公司参数名称符号额定值单位断态重复峰值电压VDRM600V 反向重复峰值电压V RRM 600V 通态平均电流IT 2A 通态不重复浪涌电流ITSM20A 最高结温Tjm 110℃贮存温度Tstg-~55150℃参数名称符号测试条件规范值单位最小值最大值断态重复峰值电压VDRM I = 0.1mAD600V断态重复峰值电流I DRM V = 520VDRM 10µA 反向重复峰值电压V RRM I = 0.1mAD600V 反向重复峰值电流I RRM V = 520V RRM10µA 通态峰值电压V TMI = 4AT1.7V 维持电流I H ;I = 0.1A I = 20mAT GT15mA控制极触发电流T2+ G+IGT;V = 12V R = 100ΩAK L6mAT2+ G-6T2- G-6T2- G+15控制极触发电压T2+ G+V GT;V = 12V R = 100ΩD L1.5VT2+ G- 1.5T2- G- 1.5T2- G+1.8TO-126阳极阳极控制极1.T12.T23.G-外形尺寸图TO 126单位:mm深圳市商岳电子有限公司。
可控硅的符号、性能和参数介绍一、可控硅符号与性能介绍可控硅符号:可控硅也称作晶闸管,它是由PNPN四层半导体构成的元件,有三个电极,阳极A,阴极K和控制极G。
可控硅在电路中能够实现交流电的无触点控制,以小电流控制大电流,并且不象继电器那样控制时有火花产生,而且动作快、寿命长、可靠性好。
在调速、调光、调压、调温以及其他各种控制电路中都有它的身影。
可控硅分为单向的和双向的,符号也不同。
单向可控硅有三个PN结,由最外层的P极和N极引出两个电极,分别称为阳极和阴极,由中间的P极引出一个控制极。
单向可控硅有其独特的特性:当阳极接反向电压,或者阳极接正向电压但控制极不加电压时,它都不导通,而阳极和控制极同时接正向电压时,它就会变成导通状态。
一旦导通,控制电压便失去了对它的控制作用,不论有没有控制电压,也不论控制电压的极性如何,将一直处于导通状态。
要想关断,只有把阳极电压降低到某一临界值或者反向。
双向可控硅的引脚多数是按T1、T2、G的顺序从左至右排列(电极引脚向下,面对有字符的一面时)。
加在控制极G上的触发脉冲的大小或时间改变时,就能改变其导通电流的大小。
与单向可控硅的区别是,双向可控硅G极上触发脉冲的极性改变时,其导通方向就随着极性的变化而改变,从而能够控制交流电负载。
而单向可控硅经触发后只能从阳极向阴极单方向导通,所以可控硅有单双向之分。
电子制作中常用可控硅,单向的有MCR-100等,双向的有TLC336等。
这是TLC336的样子:二、向强电冲击的先锋—可控硅可控硅是可控硅整流元件的简称,是一种具有三个PN 结的四层结构的大功率半导体器件。
实际上,可控硅的功用不仅是整流,它还可以用作无触点开关以快速接通或切断电路,实现将直流电变成交流电的逆变,将一种频率的交流电变成另一种频率的交流电,等等。
可控硅和其它半导体器件一样,其有体积小、效率高、稳定性好、工作可靠等优点。
它的出现,使半导体技术从弱电领域进入了强电领域,成为工业、农业、交通运输、军事科研以至商业、民用电器等方面争相采用的元件。
双向可控硅为什么称为“TRIAC”?三端:TRIode(取前三个字母)交流半导体开关:AC-semiconductor switch(取前两个字母)以上两组名词组合成“TRIAC”,或“TRIACs”中文译意“三端双向可控硅开关”。
由此可见“TRIAC”是双向可控硅的统称。
另:双向:Bi-directional(取第一个字母)控制:Controlled (取第一个字母)整流器:Rectifier (取第一个字母)再由这三组英文名词的首个字母组合而成:“BCR”,中文译意:双向可控硅。
以“BCR”来命名双向可控硅的典型厂家如日本三菱,如:BCR1AM-12、BCR8KM、BCR08AM 等等。
--------------双向:Bi-directional (取第一个字母)三端:Triode (取第一个字母)由以上两组单词组合成“BT”,也是对双向可控硅产品的型号命名,典型的生产商如:意法ST公司、荷兰飞利浦-Philips公司,均以此来命名双向可控硅.代表型号如:PHILIPS 的BT131-600D、BT134-600E、BT136-600E、BT138-600E、BT139-600E、、等。
这些都是四象限/非绝缘型/双向可控硅;Philips公司的产品型号前缀为“BTA”字头的,通常是指三象限的双向可控硅。
三象限的品种主要应用于电机电路、三相市电输入的电路、承受的瞬间浪涌电流高。
-------------------而意法ST公司,则以“BT”字母为前缀来命名元件的型号,并且在“BT”后加“A”或“B”来表示绝缘与非绝缘。
组成:“BTA”、“BTB”系列的双向可控硅型号,如:四象限、绝缘型、双向可控硅:BTA06-600C、BTA08-600C、BTA10-600B、BTA12-600B、BTA16-600B、BTA41-600、、、等等;四象限、非绝缘、双向可控硅:BTB06-600C、BTB08-600C、BTB10-600B、BTB12-600B、BTB16-600B、BTB41-600、、、等等;ST公司所有产品型号的后缀字母(型号最后一个字母)带“W”的,均为“三象限双向可控硅”。
可控硅的符号、性能和参数介绍公布者:凯高达资讯组录入时间: 2009-7-13阅读:382次【返回】一、可控硅符号与性能介绍可控硅符号:可控硅也称作晶闸管,它是由PNPN 四层半导体构成的元件,有三个电极,阳极A,阴极 K 和控制极 G 。
可控硅在电路中能够实现沟通电的无触点控制,以小电流控制大电流,并且不象继电器那样控制时有火花产生,并且动作快、寿命长、靠谱性好。
在调速、调光、调压、调温以及其余各样控制电路中都有它的身影。
可控硅分为单向的和双向的,符号也不一样。
单向可控硅有三个PN结,由最外层的 P 极和N 极引出两个电极,分别称为阳极和阴极,由中间的P 极引出一个控制极。
单向可控硅有其独到的特征:当阳极接反向电压,或许阳极接正向电压但控制极不加电压时,它都不导通,而阳极和控制极同时接正向电压时,它就会变为导通状态。
一旦导通,控制电压便失掉了对它的控制作用,无论有没有控制电压,也无论控制电压的极性怎样,将向来处于导通状态。
要想关断,只有把阳极电压降低到某一临界值或许反向。
双向可控硅的引脚多半是按 T1、T2、G 的次序从左至右摆列(电极引脚向下,面对有字符的一面时)。
加在控制极 G 上的触发脉冲的大小或时间改变时,就能改变其导通电流的大小。
与单向可控硅的差别是,双向可控硅 G 极上触发脉冲的极性改变时,其导通方向就跟着极性的变化而改变,从而能够控制沟通电负载。
而单向可控硅经触发后只好从阳极向阴极单方导游通,因此可控硅有单双向之分。
电子制作中常用可控硅,单向的有MCR -100 等,双向的有TLC336 等。
这是 TLC336 的样子:二、向强电冲击的前锋—可控硅可控硅是可控硅整流元件的简称,是一种拥有三个PN 结的四层构造的大功率半导体器件。
实质上,可控硅的功用不单是整流,它还能够用作无触点开关以迅速接通或切断电路,实现将直流电变为沟通电的逆变,将一种频次的沟通电变为另一种频次的沟通电,等等。
单/双向可控硅的检测方法用万用表即可判断双向可控硅的好坏,但具体参数测不出来。
用万用表测量的方法如下。
T2极的确定:用万用表R*1档或R*100档,分别测量各管脚的反向电阻,其中若测得两管脚的正反向电阻都很小(约100欧姆左右),即为T1和G极,而剩下的一脚为T2极。
T1和G极的区分:将这两极其中任意一极假设为T1极而另一极假设为G极,万用表设置为R*1档,用两表笔(不分正负极)分别接触已确定的T2极和假设的T1极,并将接触T1的表笔同时接触假设的G极,在保证不断开假设的T1极的情况下,断开假设的G极,万用表仍显示导通状态。
将表笔对换,用同样的方法进行测量,如果万用表仍然显示同样的结果,那么所假设的T1极和G极是正确的。
如果在保证不断开假设的T1极的情况下,断开假设的G极,万用表显示断开状态,说明假设的T1和G极相反了,从新假设再进行测量,结果一定正确。
如果测量不出上述结果,说明该双向可控硅是坏的。
这种方法虽然不能测出具体参数,但判断是否可用还是可行的。
1.硅分单向可控硅、双向可控硅。
单向可控硅有阳极A、阴极K、控制极G三个引出脚。
双向可控硅有第一阳极A1(T1),第二阳极A2 (T2)、控制极G三个引出脚。
只有当单向可控硅阳极A与阴极K之间加有正向电压,同时控制极G与阴极间加上所需的正向触发电压时,方可被触发导通。
此时A、K间呈低阻导通状态,阳极A与阴极K间压降约1V。
单向可控硅导通后,控制器G即使失去触发电压,只要阳极A和阴极K之间仍保持正向电压,单向可控硅继续处于低阻导通状态。
只有把阳极A电压拆除或阳极A、阴极K间电压极性发生改变(交流过零)时,单向可控硅才由低阻导通状态转换为高阻截止状态。
单向可控硅一旦截止,即使阳极A和阴极K 间又重新加上正向电压,仍需在控制极G和阴极K间有重新加上正向触发电压方可导通。
单向可控硅的导通与截止状态相当于开关的闭合与断开状态,用它可制成无触点开关。
双向可控硅第一阳极A1与第二阳极A2间,无论所加电压极性是正向还是反向,只要控制极G和第一阳极A1间加有正负极性不同的触发电压,就可触发导通呈低阻状态。
3CTS1双向可控硅(1A/400V )
3CTS1 型双向可控硅元件主要用于调光、调速、变频电路等,是
一种通用型器件。
其阻断电压大于400V ,通态压降小,触发可靠,
采用TO-92 封装。
3CTS1 极限参数:(除非另有规定 Tamb= 25℃)
∙ 断态重复峰值电压(V DRM ): 400 V
∙ 通态平均电流(I T(AV)): 1 A
∙ 通态不重复浪涌电流(I TSM ): 10 A
∙ 结温(Tj ): 110℃
∙ 贮存温度(Tstg ): -40℃~+110℃
3CTS1 电参数:(除非另有规定 Tamb= 25℃)
∙ 通态峰值电压(V TM ): 1.7 V (I TM =1.2A )
∙ 断态重复峰值电流(I DRM ):100A (V DRM =400V; R GK =1kΩ)
∙ 维持电流(I H ):50mA (V D =12V; I GT =0.1A )
∙ 控制极触发电流(I GT ):10~50mA
∙ 控制极触发电压(V GT ):1.5V
3CTS1 引脚功能和外形尺寸参考:
97A6管脚功能(双向可控硅)
97A6是1A/600V 双向可控硅,在调光电路、灯光控制、温度控制等电路中广泛应用。
该可控硅耐压高达600V ,可以直接应用于220V 控制电路,最大工作电流为1A ,可以控制
100W
以下电阻性的负载。
97A6双向可控硅的管脚功能如图所示,它采用TO-92封装,外形和普通小功率三极管一样。
字面朝自己,管脚向下,从左至右依次是第一阳极T1,门极G,第二阳极T2。
3p4m可控硅参数
3P4M是一种可控硅,也被称为双向可控硅。
它是一种三端触发器件,具有三个P型接线端和一个主控端。
以下是关于3P4M可控硅的一些参数:
1. 最大正向电压(Vdrm),这是3P4M可控硅在关闭状态下能够承受的最大正向电压。
通常情况下,它的数值在几百伏特到几千伏特之间。
2. 最大反向电压(Vrrm),这是3P4M可控硅在关闭状态下能够承受的最大反向电压。
通常情况下,它的数值与最大正向电压相近。
3. 最大触发电流(Igt),这是3P4M可控硅所需的最小触发电流,以使其从关断状态转变为导通状态。
通常情况下,它的数值在几十毫安到几百毫安之间。
4. 最大保持电流(Ih),这是3P4M可控硅在导通状态下所能够承受的最大保持电流。
通常情况下,它的数值在几十毫安到几百毫安之间。
5. 触发时间(tq),这是3P4M可控硅从接收触发脉冲到完全导通所需的时间。
通常情况下,它的数值在微秒级别。
6. 关断时间(tq),这是3P4M可控硅从接收关断触发脉冲到完全关断所需的时间。
通常情况下,它的数值在微秒级别。
以上是关于3P4M可控硅的一些参数,这些参数对于设计和选择电路中的可控硅器件至关重要。
希望这些信息能够帮助你更好地了解3P4M可控硅。
单向可控硅bt21参数英文回答:BT21 is a type of thyristor, specifically a unidirectional controlled silicon (SCR) device. It is commonly used in various electronic circuits and power control applications. The BT21 thyristor has certain parameters that are important to understand for its proper functioning and application.One of the key parameters of the BT21 thyristor is its forward voltage drop (Vf). This refers to the voltage across the thyristor when it is conducting current in the forward direction. It is important to ensure that the forward voltage drop is within the acceptable range for the desired application. For example, if the forward voltage drop is too high, it can lead to excessive powerdissipation and affect the overall efficiency of the circuit.Another important parameter is the holding current (IH). This is the minimum current required to maintain thethyristor in the on-state after it has been turned on. If the current falls below the holding current, the thyristor may turn off unintentionally. It is crucial to choose a thyristor with a holding current that is suitable for the intended application. For instance, in a motor control circuit, the holding current should be sufficient to keep the thyristor conducting even when the motor load varies.The gate trigger current (IGT) is another parameter to consider. This is the minimum current required at the gate terminal to trigger the thyristor into the on-state. It is important to provide a gate current that exceeds the gate trigger current to ensure reliable and consistent triggering. Failure to meet the gate trigger current requirement may result in the thyristor not turning on properly, leading to circuit malfunctions.Additionally, the BT21 thyristor has a maximum junction temperature (Tj) that should not be exceeded. Excessive temperature can cause the thyristor to malfunction or evenpermanently damage it. It is essential to consider the thermal characteristics of the thyristor and provide adequate cooling if necessary to keep the junction temperature within the specified limits.中文回答:BT21是一种可控硅器件,具体是一种单向可控硅(SCR)器件。
双向可控硅BT134主要用途:* 家用电器控制电路、变频电路、调光、调温、调速电路。
主要特点:*击穿电压高、输出电流大。
封装形式:*TO-126极限值: ℃( Tc=25)电特性: ℃ ( Tc=25)深圳市商岳电子有限公司参数名称符号额定值单位断态重复峰值电压VDRM600V 反向重复峰值电压V RRM 600V 通态平均电流IT 2A 通态不重复浪涌电流ITSM20A 最高结温Tjm 110℃贮存温度Tstg-~55150℃参数名称符号测试条件规范值单位最小值最大值断态重复峰值电压VDRM I = 0.1mAD600V断态重复峰值电流I DRM V = 520VDRM 10µA 反向重复峰值电压V RRM I = 0.1mAD600V 反向重复峰值电流I RRM V = 520V RRM10µA 通态峰值电压V TMI = 4AT1.7V 维持电流I H ;I = 0.1A I = 20mAT GT15mA控制极触发电流T2+ G+IGT;V = 12V R = 100ΩAK L6mAT2+ G-6T2- G-6T2- G+15控制极触发电压T2+ G+V GT;V = 12V R = 100ΩD L1.5VT2+ G- 1.5T2- G- 1.5T2- G+1.8TO-126阳极阳极控制极1.T12.T23.G-外形尺寸图TO 126单位:mm深圳市商岳电子有限公司。