BTA16双向可控硅学习资料
- 格式:doc
- 大小:31.50 KB
- 文档页数:2
双向可控硅的工作原理及原理图双向可控硅(Bilateral Triode Thyristor,简称BTT)是一种特殊的可控硅器件,其工作原理和应用领域在电力电子领域具有重要意义。
本文将详细介绍双向可控硅的工作原理,并提供相应的原理图。
一、双向可控硅的工作原理双向可控硅是一种四层PNPN结构的半导体器件。
它由两个PN结组成,每一个PN结都有一个控制极和一个主极。
其工作原理如下:1. 静态工作原理:当双向可控硅两个主极之间的电压为正向时,即正向工作状态,两个PN结之间的结电容会妨碍电流的流动,双向可控硅处于关断状态。
当双向可控硅两个主极之间的电压为反向时,即反向工作状态,两个PN结之间的结电容充电,当电压达到一定的阈值时,双向可控硅会进入导通状态。
2. 动态工作原理:当双向可控硅处于导通状态时,惟独当两个主极之间的电流方向与PN结的导通方向一致时,双向可控硅才干正常导通。
当双向可控硅导通后,惟独当两个主极之间的电流方向与PN结的导通方向相反时,双向可控硅才干正常关断。
二、双向可控硅的原理图下面是一种常见的双向可控硅的原理图,用于说明其电路连接方式和控制方式。
```+----|>|----|>|----+| || || |+----|<|----|<|----+```在上述原理图中,两个箭头表示双向可控硅的两个主极,箭头方向表示电流的流动方向。
两个箭头之间的线段表示PN结。
三、双向可控硅的应用领域双向可控硅由于其双向导通的特性,在电力电子领域有广泛的应用。
以下是一些常见的应用领域:1. 交流电控制:双向可控硅可以用于交流电的控制,例如交流电的调光、机电的调速等。
2. 电力系统:双向可控硅可以用于电力系统中的电压和电流控制,例如电力调度、电力传输等。
3. 电力电子变换器:双向可控硅可以用于电力电子变换器中的电流控制,例如直流-交流变换器、交流-直流变换器等。
4. 光伏发电系统:双向可控硅可以用于光伏发电系统中的电流控制,例如光伏逆变器、光伏充电控制器等。
双向可控硅的工作原理及原理图双向可控硅(Bilateral Switching Thyristor,简称BST)是一种具有双向导通能力的半导体器件。
它在电力控制、电子调光、机电控制等领域有广泛的应用。
本文将详细介绍双向可控硅的工作原理及原理图。
一、工作原理双向可控硅由四个PN结组成,分别是两个P区和两个N区。
它具有两个控制极,即门极G和门极G'。
当G极和G'极之间施加正向电压时,双向可控硅处于导通状态;当G极和G'极之间施加反向电压时,双向可控硅处于关断状态。
在导通状态下,当正向电压施加在A极,负向电压施加在K极时,双向可控硅处于正向导通状态;当正向电压施加在K极,负向电压施加在A极时,双向可控硅处于反向导通状态。
换言之,双向可控硅可以实现双向导通。
双向可控硅的导通状态由控制极G和G'之间的电压决定。
当控制极G和G'之间的电压超过一定阈值时,双向可控硅将开始导通。
此时,只需保持控制极之间的电压在一定范围内,双向可控硅将向来保持导通状态。
二、原理图下面是一种常见的双向可控硅的原理图:```+-------+| |A--+ +--K| |G--+ +--G'| |+-------+```在上述原理图中,A极和K极分别表示双向可控硅的两个电极,G极和G'极分别表示双向可控硅的两个控制极。
三、应用示例1. 电力控制:双向可控硅可以用于电力控制领域,如电炉温控、电动机控制等。
通过控制控制极G和G'之间的电压,可以实现对电力的精确控制。
2. 电子调光:双向可控硅可以用于电子调光领域,如室内照明控制、舞台灯光控制等。
通过控制控制极G和G'之间的电压,可以实现对灯光亮度的调节。
3. 机电控制:双向可控硅可以用于机电控制领域,如直流机电控制、交流机电控制等。
通过控制控制极G和G'之间的电压,可以实现对机电的启停和转速控制。
以上仅为双向可控硅的工作原理及原理图的简要介绍。
双向可控硅的工作原理及原理图双向可控硅(SCR)是一种半导体器件,常用于交流电路中的功率控制和开关。
它具有双向导通性,可以控制交流电路中的电流,从而实现电路的开关和调节。
本文将介绍双向可控硅的工作原理及原理图。
一、双向可控硅的基本结构1.1 门极:双向可控硅的门极用于控制器件的导通和关断。
1.2 主极:主极是双向可控硅的两个极性端,用于连接电路中的电源和负载。
1.3 控制电路:控制电路通过对门极施加控制信号,控制双向可控硅的导通和关断。
二、双向可控硅的工作原理2.1 导通状态:当双向可控硅的门极接收到正向触发脉冲时,器件将进入导通状态,电流可以从主极1流向主极2。
2.2 关断状态:当双向可控硅的门极接收到负向触发脉冲时,器件将进入关断状态,电流无法通过器件。
2.3 双向导通性:双向可控硅具有双向导通性,可以控制交流电路中的电流方向。
三、双向可控硅的应用3.1 交流电源控制:双向可控硅常用于交流电源控制中,可以实现对电路的精确调节和开关控制。
3.2 电动机控制:双向可控硅可以控制电动机的启动、停止和速度调节,广泛应用于工业控制领域。
3.3 灯光调节:双向可控硅可以用于调节灯光的亮度,实现灯光的调光功能。
四、双向可控硅的原理图4.1 主极1:连接电源的正极。
4.2 主极2:连接电路中的负载。
4.3 门极:用于接收控制信号。
五、双向可控硅的优点5.1 高效率:双向可控硅具有低导通压降和高导通能力,能够实现高效的电路控制。
5.2 可靠性:双向可控硅的结构简单,工作稳定可靠,长寿命。
5.3 灵活性:双向可控硅可以实现对电路的精确控制,适用于各种功率控制和开关应用。
总结:双向可控硅是一种重要的半导体器件,具有双向导通性和精确控制能力,广泛应用于交流电路中的功率控制和开关。
掌握双向可控硅的工作原理及原理图,对于电路设计和控制具有重要意义。
文章内容如下:bta16-800b可控硅工作原理一、引言bta16-800b可控硅是一种常见的半导体器件,广泛应用于电力电子领域。
其工作原理涉及到电力控制、电路设计等多个方面,是一个非常重要的主题。
本文将从电子器件特性、工作原理和应用范围等方面进行全面评估,并结合个人观点和理解,撰写一篇有价值的文章,帮助读者更深入地理解bta16-800b可控硅的工作原理。
二、bta16-800b可控硅的特性bta16-800b可控硅是一种双向可控硅,具有较高的电压和电流承受能力,适用于交流电路。
其主要特性包括低功率损耗、可控性强、响应速度快等。
在电力控制领域,bta16-800b可控硅被广泛应用于各种类型的电力调节装置和电路中。
三、bta16-800b可控硅的工作原理1. 可控硅的结构和原理bta16-800b可控硅通常由PNP结构组成,其工作原理是利用控制极的触发电压,通过控制极和主极之间的电压来控制器件的导通和关断。
当控制极触发电压大于一定阈值时,可控硅将导通;当电压降至一定程度时,可控硅将关断。
这种特性使得可控硅可以被广泛应用于电力调节和开关控制中。
2. bta16-800b可控硅的工作原理bta16-800b可控硅的工作原理是基于PNP结构的双向可控硅。
当控制极施加一个触发脉冲信号时,可控硅将进入导通状态,电流将从主极流向控制极;当控制极的触发脉冲信号停止时,可控硅将进入关断状态。
这种双向可控硅的特性使得其适用于交流电路中的功率控制和开关控制。
四、bta16-800b可控硅的应用范围bta16-800b可控硅主要应用于电力电子领域,包括交流调压调速系统、电炉控制系统、交流电源控制系统等。
其高可靠性和稳定性,使得bta16-800b可控硅在工业控制和电力系统中发挥着重要作用。
五、个人观点和理解作为一名电力电子工程师,我对bta16-800b可控硅的工作原理有着深刻的理解。
在我看来,bta16-800b可控硅作为一种高性能的双向可控硅,其在电力控制领域的应用前景广阔。
双向可控硅的工作原理及原理图双向可控硅(Bidirectional Controlled Silicon, BCR)是一种常用的电子器件,广泛应用于电力电子领域。
它具有双向导通的特性,可以控制交流电的正、反向导通和截止,从而实现对电流的控制。
本文将详细介绍双向可控硅的工作原理和原理图。
一、双向可控硅的工作原理双向可控硅由两个PNPN结构的晶体管组成,分别为正向PNPN结构和反向PNPN结构。
当双向可控硅的两个极端施加正向电压时,正向PNPN结构的PN结会导通,电流会从正向PNPN结的P区注入到N区,然后再通过反向PNPN结的N区注入到P区,最终形成P区的电流输出。
反之,当施加反向电压时,反向PNPN结的PN结会导通,电流则从反向PNPN结的P区注入到N区,再通过正向PNPN结的N区注入到P区,实现P区的电流输出。
因此,双向可控硅可以实现正、反向电流的导通和截止。
双向可控硅的导通需要通过控制电流注入或截止来实现。
通常使用一个触发脉冲来控制双向可控硅的导通。
当触发脉冲的幅值高于双向可控硅的触发电压时,双向可控硅会导通。
在导通状态下,双向可控硅的电压降低,形成一个低电阻通路,电流可以通过。
当触发脉冲的幅值低于双向可控硅的触发电压时,双向可控硅会截止,形成一个高电阻状态,电流无法通过。
二、双向可控硅的原理图双向可控硅的原理图如下所示:```+--------|>|--------+| BCR |+--------|<|--------+```在原理图中,BCR代表双向可控硅。
箭头表示PNPN结的正向或反向导通方向。
双向可控硅的两个极端分别连接到电路的输入和输出。
通过控制输入电路中的触发脉冲,可以实现对双向可控硅的导通和截止控制。
三、双向可控硅的应用双向可控硅广泛应用于电力电子领域,特别是交流电调制控制和电力控制系统中。
以下是一些常见的应用场景:1. 交流电调制控制:双向可控硅可以用于交流电的调制控制,通过控制双向可控硅的导通和截止,可以实现对交流电的调制,改变电流的波形和幅值。
双向可控硅的工作原理及原理图双向可控硅(Bidirectional Controlled Silicon, BCR)是一种常用的电子元件,广泛应用于交流电路的控制和调节。
它具有双向导通的特性,可以实现对交流电的整流和控制。
本文将详细介绍双向可控硅的工作原理及原理图。
一、双向可控硅的工作原理:双向可控硅是一种双向开关,它由四个层次相互交叉的PNPN结构组成。
其中,P1、N1、P2、N2分别代表四个不同的半导体材料层。
双向可控硅的工作原理基于PNPN结构的特性。
当双向可控硅的控制端施加正向电压时,控制端与主电路之间的PN结会被击穿,形成一个低阻态。
此时,双向可控硅处于导通状态,可以传导电流。
当主电路中的电压为正向时,双向可控硅的导通方向与电压方向一致,电流可以正常传导。
当主电路中的电压为反向时,双向可控硅的导通方向与电压方向相反,此时双向可控硅处于关断状态,电流无法通过。
双向可控硅的关断状态可以有效阻断电流,起到控制和调节的作用。
二、双向可控硅的原理图:下面是一种常见的双向可控硅的原理图示例:```+----|>|----+| |A1 | | A2| |+----|<|----+```在上述原理图中,A1和A2分别代表双向可控硅的两个控制端。
双向可控硅的主电路连接在A1和A2之间。
当A1和A2之间施加正向电压时,双向可控硅处于导通状态,电流可以正常通过。
当A1和A2之间施加反向电压时,双向可控硅处于关断状态,电流无法通过。
三、双向可控硅的应用:双向可控硅广泛应用于交流电路的控制和调节。
以下是几个常见的应用场景:1. 交流电压调节:通过控制双向可控硅的导通或关断状态,可以实现对交流电压的调节。
例如,可以利用双向可控硅将交流电压进行调整,以满足不同电器设备的工作要求。
2. 交流电流控制:双向可控硅还可以用于控制交流电路中的电流大小。
通过调节双向可控硅的导通角度,可以实现对电流的控制。
这在一些需要精确控制电流的应用中非常有用。
双向可控硅的工作原理及原理图引言概述:双向可控硅(Bilateral Switch)是一种常用的电子元件,广泛应用于电路控制和功率调节中。
本文将详细介绍双向可控硅的工作原理和原理图。
一、双向可控硅的基本概念1.1 双向可控硅的定义双向可控硅是一种半导体器件,具有双向导通特性。
它可以在正向和反向电压下都能够控制电流的通断,具有较高的电流承受能力和较低的导通压降。
1.2 双向可控硅的结构双向可控硅由两个PN结组成,形成了一个四层结构。
其中,两个PN结分别称为主结和辅助结。
主结的结型(P型或N型)决定了双向可控硅通电时的导通方向。
1.3 双向可控硅的特性双向可控硅具有以下特性:- 双向导通:在正向和反向电压下都能够控制电流的通断。
- 高电流承受能力:能够承受较大的电流,适用于高功率电路。
- 低导通压降:导通时的电压降低,减少能量损耗。
二、双向可控硅的工作原理2.1 正向导通状态当正向电压施加在主结上时,主结处于正向偏置状态。
此时,主结与辅助结之间的PN结处于反向偏置状态,阻止电流流动。
只有当触发电压施加在控制端时,主结才能导通,电流流过双向可控硅。
2.2 反向导通状态当反向电压施加在主结上时,主结处于反向偏置状态。
此时,主结与辅助结之间的PN结处于正向偏置状态,允许电流流动。
只有当触发电压施加在控制端时,主结才能导通,电流流过双向可控硅。
2.3 关断状态当没有触发电压施加在控制端时,无论正向还是反向电压施加在主结上,双向可控硅都处于关断状态,电流无法通过。
三、双向可控硅的原理图双向可控硅的原理图如下所示:(在此插入双向可控硅的原理图)在原理图中,双向可控硅的主结和辅助结分别用P和N表示。
控制端通过触发电压来控制双向可控硅的导通状态。
四、双向可控硅的应用领域4.1 电路控制双向可控硅可以用于电路的开关控制,例如用于触发器、计时器和触摸开关等电路中。
4.2 电源调节双向可控硅可以用于电源调节,例如用于电压调节器、电流控制器和电能调节器等电路中。
双向可控硅工作原理简介双向可控硅(Bilateral Controlled Silicon)是一种专门用于交流电控制的半导体器件。
它通常被用于电子设备中的功率控制和开关控制,广泛应用于各个领域,如电动机驱动、电源控制等。
双向可控硅具有双向导电性能,能够控制交流电的正半周期和负半周期的导通和截止。
本文将详细介绍双向可控硅的工作原理及其应用。
工作原理双向可控硅主要由晶体管、触发电路、保护电路和继电器等组成。
它的工作原理可以分为触发、导通和截止三个阶段。
触发阶段在双向可控硅工作的触发阶段,需要通过外部的触发信号来触发晶体管的开关动作。
触发电路会将触发信号转化为适当的电压和电流波形,并将其传递给晶体管。
这样,晶体管的控制端就可以受到适当的电压和电流作用。
导通阶段当晶体管接收到触发信号后,在适当的时刻,其内部PN 结的偏置电压会达到硅控整流器的导通电平。
此时,晶体管的控制端达到启动电压,导通电流开始通过。
双向可控硅的导通电流会一直保持,直到交流电的电流达到零点,或者传感器检测到电流的异常,触发保护电路,停止导通。
截止阶段在截止阶段,当触发信号停止或者交流电流达到零点时,晶体管的控制端的电压会下降到截止电压,此时晶体管停止导通。
应用由于双向可控硅具有双向导电性能,因此可以在交流电源中实现有源功率控制和开关控制。
在工业控制系统中,双向可控硅广泛应用于以下领域:电动机驱动双向可控硅可以实现对电动机的调速控制。
通过控制双向可控硅的触发信号,可以调节电动机的电源电压和频率,从而改变电动机的转速和扭矩。
电源控制双向可控硅可以用于电源控制和UPS(不间断电源)系统中。
通过对交流电源进行控制,可以实现电源电压的稳定输出和对电源质量的改善。
灯控制双向可控硅还可以用于照明系统中的灯控制。
通过调节双向可控硅的导通角,可以实现灯光的调光控制。
温控设备双向可控硅还可以应用于温控设备中,如加热器的温度控制。
通过对双向可控硅的控制,可以实现温度的精确控制。
BTA16-xxxSW中文资料BTA16-xxxSW BTB16-xxxSWSeptember 1998 - Ed: 3B HIGH PERFORMANCE LOGIC LEVEL TRIACSTO220ABI T(RMS) = 16ALOGIC LEVEL TRIGGERING: I GT ≤ 10mA HIGH SURGE CAPABILITYFEATURESThe BTA/BTB16-xxxSW triacs are using a high performance glass passivated technology. These triacs are designed for applications requiring high inrush current performances such as fridge motor control, magnetron supply of microwave ovens,halogen range cookers, etc...). The high gate sen-sitivity makes them perfectly suited for direct gate triggering by microcontrollers and other logic cir-cuits.DESCRIPTIONA2A1GSymbol ParameterValue Unit I T(RMS)RMS on-state current (360° conduction angle)BTA T c = 85 °C 16ABTBTc = 105 °C I TSM Non repetitive surge peak on-state current ( Tj initial = 25°C )tp = 8.3 ms 170Atp = 10 ms 160I 2t I 2t value for fusingtp = 10 ms 128A 2s dI/dt Critical rate of rise of on-state current Gate supply : I G = 20mA , tr ≤ 100nsRepetitive F = 100 Hz50A/μs Tstg Tj Storage and operating junction temperature range - 40 to + 150- 40 to + 125°C °C TlMaximum lead temperature for soldering during 10s at 4.5mm from case260°C ABSOLUTE MAXIMUM RATINGSSymbol ParameterBTA / BTB16-xxxSW Unit 600700V DRM V RRMRepetitive peak off-state voltage Tj = 125 °C600700V1/5P G (AV) = 1W P GM = 10W (tp = 20 μs) I GM = 4A (tp = 20 μs).GATE CHARACTERISTICS (maximum values)Symbol ParameterValue Unit Rth (j-a)Junction to ambient60°C/W Rth (j-c) DC Junction to case for DCBTA 2.8°C/WBTB1.6Rth (j-c) AC Junction to case for AC 360° conduction angle( F= 50 Hz)BTA 2.1°C/W BTB1.2THERMAL RESISTANCESSymbolTest ConditionsQuadrantBTA/BTB16-xxxSWUnitValueI GT V D =12V (DC) R L =33?Tj=25°C I-II-III MAX 10mA V GT V D =12V (DC) R L =33?Tj=25°C I-II-III MAX 1.3V V GD V D =V DRM R L =3.3k ?Tj=125°C I-II-III MIN 0.2V I LI G =1.2 I GTTj=25°CI-III MAX 30mA IIMAX 40I H *I T = 100mA gate open Tj=25°C MAX 15mA V TM *I TM = 22.5A tp= 380μs Tj=25°C MAX 1.5V I DRM I RRM V D = V DRM V R = V RRM Tj=25°C MAX 5μA Tj=125°C MAX 2mA dV/dt *V D =67%V DRM gate open Tj=125°C MIN 20V/μs (dI/dt)c *(dV/dt)c = 0.1V/μs Tj=125°C MIN 3.5A/ms Without snubber Tj=125°CMIN1* For either polarity of electrode A 2 voltage with reference to electrode A 1.ELECTRICAL CHARACTERISTICSORDERING INFORMATIONBTB 16 - 600 S WTRIAC :BTB : UNINSULATED BTA : INSULATEDCURRENT3 QUADRANTSVOLTAGESENSITIVITYBTA/BTB16-xxxSW2/52468101214165101520P(W)α= 60°α= 90°α= 30°α= 120°α= 180°I (A)T(RMS)180°ααFig.1 : Maximum power dissipation versus RMS on-state current (resistive load).4060801001201405101520P(W)Tcase (°C)α=180°Rth=0 °C/WRth=1 °C/WRth=2 °C/WRth=4 °C/W8512510511595Tamb(°C)Fig.2-1 : Correlation between maximum power dissipation and maximum allowable temperatures (T amb and T case ) for different thermal resistances (BTA).25507510012502412141618BTABTBI (A)T(RMS)T case(°C)α=180°Fig.3 : RMS on-state current versus case temperature.K=[Zth/Rth]1E-31E-21E-11E+01E+11E+25E+20.010.101.00Zth(j-c)Zth(j-a)tp(s)Fig.4 : Relative variation of thermal impedance versus pulse duration.-40-200204060801001201400.00.51.01.52.02.5I ,I [Tj]/I ,I [Tj=25°C]GT H GT H I GTI HTj(°C)Fig.5 : Relative variation of gate trigger current and holdingcurrent versus junction temperature (typical values).0204060801001201405101520Rth=0 °C/WRth=1 °C/WRth=2 °C/WRth=4 °C/W105125115P(W)Tcase (°C)Tamb(°C)α=180°Fig.2-2 : Correlation between maximum power dissipation and maximum allowable temperatures (T amb and T case ) for different thermal resistances heatsink + contact (BTB).BTA/BTB16-xxxSW3/5125101002005001000tp(ms)I (A),I2t(A2s)TSM Tj initial=25°CI TSMI2tFig 7 : Non repetitive surge peak on-state current for a sinusoidal pulse with width : tp ≤ 10ms, and corresponding value of I 2t.0.00.51.01.52.02.53.03.54.04.55.0110100200I (A)TM Tj=25°CTj max.:Vto=0.85VRt=25m ?Tj=Tj max.V (V)TM Fig.8 : On-state characteristics (maximum values).110100020406080100120140I (A)TSM Tj initial=25°C F=50HzNumber of cyclesFig.6 : Non Repetitive surge peak on-state current versus number of cycles.BTA/BTB16-xxxSW4/5Information furnished is believed to be accurate and reliable. However, STMicroelectronics assumes no responsibility for the consequences of use of such information nor for any infringement of patents or other rights of third parties which may result from its use. No license is granted by implication or otherwise under any patent or patent rights of STMicroelectronics. Specifications mentioned in this publication are subject to change without notice. This publication supersedes and replaces all information previously supplied.STMicroelectronics products are not authorized for use as critical components in life support devices or systems without express written ap-proval of STMicroelectronics.The ST logo is a registered trademark of STMicroelectronics ? 1998 STMicroelectronics - Printed in Italy - All rights reserved.STMicroelectronics GROUP OF COMPANIESAustralia - Brazil - Canada - China - France - Germany - Italy - Japan - Korea - Malaysia - Malta - Mexico - Morocco -The Netherlands - Singapore - Spain - Sweden - Switzerland - Taiwan - Thailand - United Kingdom - U.S.A./doc/4317374278.html,PACKAGE MECHANICAL DATA TO220AB PlasticBl4Cb2a2l2c2l3b1a1AFLIec1REF.DIMENSIONSMillimeters Inches Min.Typ.Max.Min.Typ.Max.A 15.2015.900.5980.625a1 3.504.200.1370.165a213.0014.000.5110.551B 10.0010.400.3930.409b10.610.880.0240.034b2 1.231.320.0480.051C 4.40 4.600.1730.181c10.490.700.0190.027c2 2.402.720.0940.107e 2.40 2.700.0940.106F6.20 6.600.2440.259I 3.753.850.1470.151I416.400.646L2.65 2.950.1040.116l2 1.14 1.700.0440.066l3 1.141.700.0440.066M2.600.102TypeMarkingBTA16-600SW BTA16 600SW BTA16-700SW BTA16 700SW BTB16-600SW BTB16 600SW BTB16-700SW BTB16 700SW Weight : 2.1gMARKINGBTA/BTB16-xxxSW5/5。
双向可控硅的触发电压和电流问题
有两个双向可控硅,就是不懂,一个是BTA06-600C另一个是BTA16-600B,他们的触发电压和触发电流分别是多少呢?如果超出了这个电压或电流会怎样?
答:
1、这两个双向可控硅的耐压都是600V,最大电流分别是6、16A。
2、触发电压一般在2V以下,触发电流一般在5-30mA比较多。
3、不是型号相同触发电流就一样的。
4、触发电压和触发电流大了不要紧的,开关速度会加快。
一般触发电流达到工作电流的5-10%,速度会加快许多。
双向晶闸管导通门极需要触发电流,这个触发需要一直维持吗?还是导通后,门极就失去作用不需要触发电流!
答:对于直流电来说,不需要维持;对于交流电来说,需要维持。
•追答:也就是说:如果你的晶闸管控制的是直流电流,控制极G 触发后可以不再维持;如果你的晶闸管控制的是交流电流,控制极G 触发后还需要再维持。
•追答:
•1.双向晶闸管触发极必须是正向电压,导通的两极没必要都是。
•2.关断的条件是两级的电流小于维持电流——正确。
3.控制极失去电流或降低电流,两极仍导通,这是针对直流电——正确。
bta316可控硅参数
BTA316可控硅是一种三端双向可控硅,具有高灵敏度和低触发电流
的特点。
下面将从以下几个方面详细介绍BTA316可控硅的参数。
1. 电气参数
BTA316可控硅的最大反向电压为600V,最大正向电流为16A,最大触发电压为1.5V。
其静态特性包括导通压降、保持电流和关断电流等
参数。
其中导通压降为1.6V,保持电流为10mA,关断电流为5mA。
2. 热学参数
BTA316可控硅的最大结温为125℃,最大耗散功率为1.6W。
在正常工作条件下,其热阻为50℃/W。
3. 封装形式
BTA316可控硅采用TO-220AB封装形式,封装材料为环氧树脂。
4. 其他参数
BTA316可控硅的触发方式包括直接触发和间接触发两种方式。
直接触发时需要提供足够的正向脉冲电流来使其导通;间接触发则需要在门极和阳极之间加入一个外部元件来实现。
此外,在使用BTA316可控硅时还需要注意其最大电压和最大电流的限制,以免超过其额定值而造成损坏。
同时,由于可控硅具有单向导通性,因此在接线时需要注意极性。
总之,BTA316可控硅是一种常用的三端双向可控硅,具有高灵敏度和低触发电流的特点。
了解其参数对于正确使用和应用该器件具有重要意义。
双向可控硅的工作原理及原理图双向可控硅(Bidirectional Thyristor)是一种半导体器件,也称为反向可控晶闸管或双向晶闸管。
它可以在电路中控制电流方向,并能够在两个方向上导电。
本文将探讨双向可控硅的工作原理及原理图。
一、工作原理双向可控硅由四个层结构组成,其结构如下:从上图中可以看出,双向可控硅有两个PN结,每个PN结中有一个P层和一个N层。
双向可控硅中的三个引脚分别是Anode、Cathode 和Gate。
Anode 和Cathode 被用于控制电流的方向,而Gate 用于控制电流的大小。
当Gate 电压为0V,双向可控硅处于阻断状态,不允许电流通过。
当Gate 上升到一定电压(通常是0.5V到1.5V)时,由于Gate 与Anode 之间存在一种物理现象,即PN 结反向击穿,Gate 电流开始流动并执行电路中的功能。
此时,双向可控硅的阻抗变得非常小,允许电流从Anode 流向Cathode。
当Gate 电压再次降低到0V时,双向可控硅仍然保持导通状态,直到Anode-Cathode 电压降至其维持电压(通常为5V)以下并持续几个毫秒。
当Anode-Cathode电压降至零时,双向可控硅恢复到阻断状态。
双向可控硅最常用于交流电路中,因为它可以在两个方向上导电。
它允许电流从Anode 流入Cathode 以及从Cathode 流入Anode。
这意味着双向可控硅可以用作交流电控制器。
例如,在灯光控制中,双向可控硅可用于调节灯光的亮度。
二、原理图下面是一个双向可控硅的原理图:在上图中,交流电源连接到电路中的双向可控硅。
一个变压器被用来将AC电源分成两半,每半AC 电压的峰值与其他半波相同但相反。
这就是我们所说的半波电压。
每个半波电压都通过一个双向可控硅,从而在两个方向上控制电流。
Gate 引脚连接到一个变阻器(不显示在图中),它可以用来控制电流的大小。
由于交流电源的极性不是定量的,因此交流电源的一半被连接到电路中的第一个双向可控硅,另一半被连接到电路中的第二个双向可控硅。
双向可控硅百科名片双向可控硅是在普通可控硅的基础上发展而成的,它不仅能代替两只反极性并联的可控硅,而且仅需一个触发电路,是比较理想的交流开关器件。
其英文名称TRIAC即三端双向交流开关之意。
产品命名双向可控硅为什么称为“TRIAC”?双向可控硅三端:TRIode(取前三个字母)交流半导体开关:ACsemiconductorswitch(取前两个字母)以上两组名词组合成“TRIAC”中文译意“三端双向可控硅开关”。
由此可见“TRIAC”是双向可控硅的统称。
双向:Bi-directional(取第一个字母)控制:Controlled(取第一个字母)整流器:Rectifier(取第一个字母)再由这三组英文名词的首个字母组合而成:“BCR”中文译意:双向可控硅。
以“BCR”来命名双向可控硅的典型厂家如日本三菱,如:BCR1AM-12、BCR8KM、BCR08AM 等等。
双向:Bi-directional(取第一个字母)三端:Triode(取第一个字母)由以上两组单词组合成“BT”,也是对双向可控硅产品的型号命名,典型的生产商如:意法ST公司、荷兰飞利浦-Philips公司,均以此来命名双向可控硅。
代表型号如:PHILIPS的BT131-600D、BT134-600E、BT136-600E、BT138-6 00E、BT139-600E、等等。
这些都是四象限/非绝缘型/双向可控硅;双向可控硅Philips公司的产品型号前缀为“BTA”字头的,通常是指三象限的双向可控硅。
而意法ST公司,则以“BT”字母为前缀来命名元件的型号并且在“BT”后加“A”或“B”来表示绝缘与非绝缘组合成:“BTA”、“BTB”系列的双向可控硅型号,如:四象限/绝缘型/双向可控硅:BTA06-600C、BTA12-600B、BTA16-600B、BTA41 -600B等等;四象限/非绝缘/双向可控硅:BTB06-600C、BTB12-600B、BTB16-600B、BTB41 -600B等等;ST公司所有产品型号的后缀字母(型号最后一个字母)带“W”的,均为“三象限双向可控硅”。
BTA16:可控硅是怎样控制220v电压的?
BTA16一600B为双向可控硅,工作It有效值16A,工作电压600Ⅴ,栅极触发电流50ma。
不知道你的控制电路采用哪一种触发控制状态,就下图来说一般不会出现你描述的情况。
你可从图中看出BTA16可控硅都在控制极串连一双向触发二极管元件。
双向触发二极管的工作原理
双向触发二极管工作时一只正向导通另一只反向导通,导通电压是两只稳压管的正向导通电压与反向击穿电压的叠加,因此触发二极管是不区分正负极的。
只要外加电压大于触电压VBO就可导通,一旦导通,要使它恢复断流,只有将电源切断或使其电流、电压降至保持电流,保持电压以下。
你述说的电路中BTA16没有坏,到网上买几只双向触发二极管,按图改动一下,再试可能这种问题就解决了。
本人水平有限,不对之处谅解为盼。
zhaoqifa2017.11.22 Shanghai。
bta16可控硅阻容参数BTA16可控硅是一种常见的电子元件,广泛应用于电力控制和调节领域。
本文将围绕BTA16可控硅的阻容参数展开讨论。
BTA16可控硅是一种三端可控硅器件,由一个控制极、一个阳极和一个阴极组成。
它的阻容参数是指在不同工作条件下,BTA16可控硅的电阻和电容特性。
我们来讨论BTA16可控硅的电阻参数。
电阻是指电流通过时产生的电压降。
BTA16可控硅的电阻参数与其结构、材料和工作条件有关。
一般来说,BTA16可控硅的电阻较小,能够承受较大的电流。
在正常工作条件下,BTA16可控硅的电阻一般稳定,不会发生明显的变化。
我们来讨论BTA16可控硅的电容参数。
电容是指两个电极之间存储电荷的能力。
BTA16可控硅的电容参数与其结构和材料有关。
一般来说,BTA16可控硅的电容较小,能够快速响应电压的变化。
在正常工作条件下,BTA16可控硅的电容一般稳定,不会发生明显的变化。
BTA16可控硅的阻容参数对其在电力控制和调节中的应用起着重要作用。
通过控制BTA16可控硅的阻容参数,可以实现对电流和电压的精确控制。
例如,在交流电路中,通过控制BTA16可控硅的触发角,可以实现对电流的调节;在直流电路中,通过控制BTA16可控硅的电流和电压特性,可以实现对电压的调节。
BTA16可控硅的阻容参数还对其在电子设备中的稳定性和可靠性起着重要影响。
较低的电阻和电容可以减少能量损耗和发热,提高BTA16可控硅的效率和寿命。
因此,在选择和设计电子设备时,需要根据实际需求和工作条件合理选择BTA16可控硅的阻容参数。
BTA16可控硅的阻容参数是评估其性能和应用范围的重要指标。
了解和掌握BTA16可控硅的阻容参数,有助于合理应用和优化设计电子设备。
希望通过本文的介绍,读者能够对BTA16可控硅的阻容参数有更深入的了解。
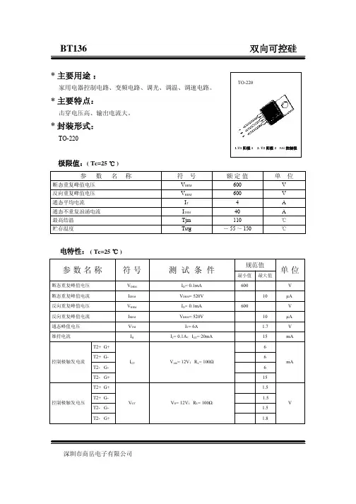
器件型号:BTA16-600
封装形式: TO-220
脚位排列: T1-T2-G (A1-A2-G);A1主电极,A2主电极,G门极
BTA16引脚图
主要参数:
电流-IT(RMS): 16.0A
电压-VDRM: ≥600V
触发电流: IGT ≤18-25mA
附:
双向可控硅的检测
用万用表电阻R*1Ω挡,用红、黑两表笔分别测任意两引脚间正反向电阻,结果其中两组读数为无穷大。
若一组为数十欧姆时,该组红、黑表所接的两引脚为第一阳极A1和控制极G,另一空脚即为第二阳极A2。
确定A1、G极后,再仔细测量A1、G极间正、反向电阻,读数相对较小的那次测量的黑表笔所接的引脚为第一阳极A1,红表笔所接引脚为控制极G。
将黑表笔接已确定的第二阳极A2,红表笔接第一阳极A1,此时万用表指针不应发生偏转,阻值为无穷大。
再用短接线将A2、G极瞬间短接,给G极加上正向触发电压,A2、A1间阻值约10欧姆左右。
随后断开A2、G间短接线,万用表读数应保持10欧姆左右。
互换红、黑表笔接线,红表笔接第二阳极A2,黑表笔接第一阳极A1。
同样万用表指针应不发生偏转,阻值为无穷大。
用短接线将A2、G极间再次瞬间短接,给G极加上负的触发电压,A1、A2间的阻值也是10欧姆左右。
随后断开A2、G极间短接线,万用表读数应不变,保持在10欧姆左右。
符合以上规律,说明被测双向可控硅未损坏且三个引脚极性判断正确。
检测较大功率可控硅时,需要在万用表黑笔中串接一节1.5V干电池,以提
高触发电压。