三菱PLC教案与实验 课题 (10)
- 格式:doc
- 大小:42.32 KB
- 文档页数:1
目录实验一可编程控制器基本指令实验 (2)实验二喷泉的模拟控制 (5)实验三数码显示的模拟控制 (7)实验四舞台灯光的模拟控制 (11)实验五天塔之光的模拟控制 (14)实验六交通灯的模拟控制 (17)实验七四节传送带的模拟控制 (20)实验八轧钢机的模拟控制 (25)实验九邮料分拣的模拟控制 (27)实验十装配流水线的模拟控制 (32)实验十一液体混合的模拟控制 (36)实验十二机械手的模拟控制 (38)实验十三四层电梯的模拟控制 (41)实验十四Y/△换接启动的模拟控制 (54)实验十五五相步进电机的模拟控制 (55)实验十六水塔水位的模拟控制 (57)实验十七运料小车控制模拟 (59)实验十八加工中心模拟实验 (60)实验十九自动售货机的模拟控制 (64)实验二十工业洗衣机的模拟控制 (65)实验二十一电镀生产线的模拟控制 (66)实验二十二机械滑台的模拟控制 (67)实验二十三抢答器的模拟控制 (69)实验二十四自动配料系统模拟实验 (70)实验二十五直线运动的模拟控制 (72)实验一可编程控制器基本指令实验一.实验目的熟练掌握可编程控制器的基本指令。
二.实验内容1.线圈驱动指令LD、LDI、OUTLD,取指令。
表示一个与输入母线相连的常开接点指令,即常开接点逻辑运算起始。
LDI,取反指令。
表示一个与输入母线相连的常闭接点指令,即常闭接点逻辑运算起始。
OUT,线圈驱动指令,也叫输出指令。
LD、LDI两条指令的目标元件是X、Y、M、S、T、C,用于将接点接到母线上。
也可以与ANB指令、ORB指令配合使用,在分支起点也可使用。
OUT是驱动线圈的输出指令,它的目标元件是Y、M、S、T、C。
对输入继电器X不能使用。
OUT 指令可以连续使用多次。
LD、LDI是一个程序步指令,这里的一个程序步即是一个字。
OUT是多程序步指令,要视目标元件而定。
OUT指令的目标元件是定时器T和计数器C时,必须设置常数K。
教案首页
*****学院
专业:电气科目: 维修电工技能训练授课人: *****
开关门控制程序
二、示范指导:(120min)
1.示范部分功能指令的应用方法。
2.示范实验接线步骤。
3.电梯控制的典型程序思路的设计方法
教案首页
*****学院
专业:电气科目: 维修电工技能训练授课人: *****
教案首页
*****学院
专业:电气科目: 维修电工技能训练授课人: *****
工作原理:
(1)主电动机控制
当需要主轴电动机M1运行时,按下按钮SB2,接触器KMl得电闭合,主轴电动机起动运转。
按下按钮SB8,接触器KMl失电释放,主轴电动机M1停止旋转。
(2)摇臂升降及夹紧/放松控制
摇臂上升时,按下按钮SB3,接触器K.M4得电闭合,液压泵电动机M3正转,供给机床正向液压油松开摇臂。
摇臂松开后,行程开关ST2
下,行程开关SB被复位闭合,继而接触器KM4.断开,液压泵电动机
停转,接触器KM2得电闭合,摇臂升降电动机M2正转,带动摇臂上升。
当摇臂上升到一定高度时,松开按钮SB3,接触器KM2失电释放,摇臂升降电动机M2停转,接触器KM5得电闭合,液压泵电动机M3反转,供给机床反向液压油夹紧摇臂。
摇臂夹紧后,行程开关ST2复位,SB断开,液
教案首页
*****学院
专业:电气科目: 维修电工技能训练授课人: *****
教案首页
*****学院
专业:电气科目: 维修电工技能训练授课人: *****。
实验二与、或、非逻辑处理
【实验目的】
1.熟悉PLC编程软件及方法
2.掌握与、或、非等指令
【实验内容】
按编程要求编制程序,观察输入、输出结果与理论值是否相符。
注意:PLC指令系统是按步的顺序循环执行,因此,每一循环过程中,PLC输出以最后结果为准。
【编程要求】
INPUT00 输出1
INPUT01 输出2
INPUT02
INPUT03 输出3
INPUT04
【接线方法】
INPUTOO 接开关PO1的输出插孔PO1
INPUTO1 接开关PO2的输出插孔PO2
INPUTO2 接开关PO3的输出插孔PO3
INPUTO3 接开关PO4的输出插孔PO4
INPUTO4 接开关PO5的输出插孔PO5
OUTPUT00 接输出显示LED灯FL1
OUTPUT01 接输出显示LED灯FL2
OUTPUT02 接输出显示LED灯FL3
输出显示LED灯可用电梯的PBO6-PBO1代替。
按实验要求对PLC编程;运行PLC程序;分别按下PO1、PO2、PO3、PO4、PO5观察输出变化。
【实验报告】
1.写出I/O分配表、程序梯形图。
2.仔细观察实验现象,认真记录实验中发现的问题、错误、故障及解决方法。
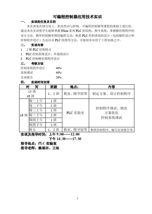
可编程控制器应用技术实训一、实训的任务及目的本实训是在修完电工、机电传动与控制、可编程控制器等课程的基础上进行的。
通过本次实训使学生能够掌握FXon系列PLC的结构、指令系统;掌握梯形图程序的设计方法、顺序控制梯形图的编程方法;熟悉PLC控制系统的设计(包括硬件设计和控制程序设计)方法以及PLC的使用方法,并能初步应用于工程实践之中。
二、实训内容1.了解PLC结构特点2.PLC控制系统设计、外接线设计3.PLC控制梯形图程序设计三、考核方法控制系统程序设计40%系统调试40%实训报告20%下午14:30——17:30指导地点:PLC实验室指导老师:秦展田、王灿实训课题一分支状态转移图的编程与调试训练一、实训的目的(1)掌握分支流程状态转移图的编程原则和编程方法(2)掌握状态转移程序调试的手段。
(3)掌握顺序控制程序的设计方法。
二、实训内容及指导1.编程原则与编程方法1)编程原则先集中进行分支状态处理,再集中进行汇合状态处理。
2)编程方法分支状态处理,应先进行分支状态的驱动处理,再按分支的顺序进行转移处理。
汇合状态处理,应先进行汇合前状态(分支状态——汇合状态之间的中间状态)的处理〔含这些状态的驱动和转移),再依分支顺序进行由各分支到汇合状态的转移(各分支最后一个状态到汇合状态的转移)。
2.编程注意事项1)严格遵守编程原则:集中处理分支和汇合。
2)进行汇合前驱动时.每个分支中间状态的驱动和转移处理不能遗漏。
3)严格按分支顺序进行编程,即第—分支、第二分支……,分支数不能超过8个。
3.程序的调试及运行SFC(状态转移图)具有良好的可读性,可先阅读SFC预测其结果,然后再上机运行程序,观察运行结果,看是否符合控制要求。
若状态不能正常转移,故障可能有以下几种情况:1)转移条件为ON没有任何状态元件动作,则表明编程或写人时软元件编号错误(移条件或状态元件的编号)。
2)状态元件发生跳跃动作,则表明编程或写人时出现混乱。
项目十 PLC控制循环彩灯教案(理论)
2、位移指令
3、批复位指令
4、数据寄存器D
二、I/O分配表
三、PLC的梯形图编写
四、PLC的外部接线图
项目九 PLC控制循环彩灯教案(实训)
3. 培养学生实训操作的规范意识、节约意识,强化安全意识。
一、各组长按照器材列表准备实训器材。
活动一:在教师引领、实训组长示范下,按任务规范要求,进行单项技能训练(2课时)任务1:确定I/O分配表,画出外部接线图(20分钟)
任务2:完成PLC外部接线(20分钟)
(1)先将PLC的供电电路接好。
(2)按接线图要求,在实训板上进行彩灯和按钮的接线。
(3)线芯全部接入接线端子内,且连接牢靠。
任务3:编写梯形图程序(20分钟)
(1)写出PLC控制循环彩灯的分步图。
(2)起动GX Developer软件——创建新工程——梯形图编辑——写入程序——按“F4”键变换程序。
任务4:程序调试(10分钟)
(1)对线路进行通电前的检测。
确保电路无误后,通电观察PLC的指示灯的亮灭是否正确。
(2)写入PLC。
(写入程序时将PLC开关拨至stop;检查无误后拨回run状态等待测试)(3)在教师指导下进行空载及系统调试。
活动二:项目考核(40min/人) 2课时
单项训练考核完成,分组进行技能考核,记录实训成绩,进行项目总结,完成任务工单。
plc三菱课程设计一、课程目标知识目标:1. 学生能够理解PLC(可编程逻辑控制器)的基本原理和结构,特别是三菱PLC的型号和功能特点。
2. 学生能够掌握三菱PLC的编程语言,包括指令的使用和程序设计方法。
3. 学生能够解释并运用PLC在工业自动化控制中的应用场景。
技能目标:1. 学生能够独立进行三菱PLC的硬件连接和基本编程操作。
2. 学生能够运用三菱PLC解决简单的自动化控制问题,设计并实现基础的控制系统。
3. 学生能够通过案例分析和实操练习,提升编程调试能力和故障排查能力。
情感态度价值观目标:1. 学生能够培养对PLC技术及工业自动化的兴趣,认识到其在现代工业中的重要性。
2. 学生能够通过小组合作和问题解决过程,培养团队合作意识和解决问题的能力。
3. 学生能够在学习过程中,树立安全意识,理解遵守操作规程的重要性,培养严谨的科学态度和良好的职业习惯。
分析课程性质、学生特点和教学要求:本课程为专业技术课程,旨在通过理论与实践结合的方式,让学生掌握三菱PLC的应用技能。
学生年级假设为高中二年级,具有一定的电子电工基础和逻辑思维能力。
教学要求注重实践操作,强调学生动手能力与问题解决能力的培养,同时结合实际工业案例,提高学生的技术应用水平。
通过具体的学习成果分解,使学生在知识、技能和情感态度价值观上均得到全面发展。
二、教学内容本课程教学内容紧密围绕课程目标,确保学生能够系统性地学习和掌握三菱PLC相关知识。
1. 三菱PLC概述- PLC的基本原理与结构- 三菱PLC型号及功能特点- 教材第一章内容2. 三菱PLC编程语言- 指令系统及编程方法- 逻辑控制程序的编写与调试- 教材第二章内容3. 三菱PLC硬件连接与操作- 硬件组件识别与安装- I/O接口连接与配置- 教材第三章内容4. PLC控制系统设计与应用- 基本控制电路设计- 实际工业应用案例分析- 教材第四章内容5. PLC编程与调试- 编程软件的使用- 程序下载与调试方法- 故障排查与解决方案- 教材第五章内容6. 实践操作与综合应用- 案例实操练习- 小组项目设计与实施- 教材第六章内容教学进度安排:共16课时,按以下顺序进行教学:1-2课时:三菱PLC概述3-4课时:三菱PLC编程语言5-6课时:三菱PLC硬件连接与操作7-10课时:PLC控制系统设计与应用11-12课时:PLC编程与调试13-16课时:实践操作与综合应用教学内容注重理论与实践相结合,确保学生在掌握理论知识的基础上,能够通过实践操作,提高综合应用能力。
项目11 思考与练习参考答案1.PLC和变频器通信有哪几种方式?(1)通过三菱PLC 与三菱变频器之间的变频器专用指令(如IVCK、IVDR 指令)。
(2)通过RS-485,用RS 指令无协议方式进行控制。
(3)通过RS-485,用RS 指令Modbus-RTU 协议方式进行控制。
(4)通过网络进行通信,如CC-Link 网络通信(需增加CC-Link 通信模块)。
2.RS指令用到几个参数,每个参数分别代表的含义是什么?答:RS指令用到四个参数,参数从左到右依次为:第一位为发送数据的起始软元件第二位为接收数据的点数第三位为保存接收数据的起始软元件第四位为接收数据的点数3. 三菱PLC和变频器通信时,变频器需要设定哪几个参数与PLC一致?答:1) RS485通信站号2) RS485通信停止位长度3) RS-485 通信奇偶校验的选择4) 设定RS-485 通信的等待时间5) 选择RS-485 通信的CR,LF6) 通信启动模式的选择7) RS-485 通信检查的时间间隔8) 协议的选择4. RS485通信发送指令一般结构是什么?1) 辅助触点指令ON,使RS指令变为发送接收的等待状态2) 将发送数据写入到规划的软元件中,并进行数据校验3) 通过辅助触点的脉冲ON指令来执行发送指令4) 在发送指令末尾置位M8122(发送请求)5. 使用触摸屏的作用是什么?(1)通过组态画面实施监视生产过程的各种状态。
(2)通过组态画面中各种触摸键控制生产过程的启动、停止、运行等。
(3)通过组态画面设置系统所需参数。
(4)可以连接打印机设备输出系统运行报表等。
6. 三菱GOT触摸屏和三菱PLC通信时,三菱GOT软件内设置步骤是哪几个步骤?1) 打开“连接机器设置”(Controller Setting),选择PLC 类型、使用端口,系统会自动选择对应的驱动程序。
完成后,点击“OK”。
2) 打开“通道设定”(I/F Communication Setting),确认使用端口、通信驱动是否正确。
【原创精品】三菱PLC应用技术教案教案9月6日授课日期授课班级电气1101班课题逻辑运算与PLC关系教学目的了解逻辑运算与PLC关系1.知识目标:使学生掌握及编程方法。
2.操作目标: 锻炼学生使用可编程控制器的编程思路。
3.德育目标:培养学生养成严格遵守操作规范、安全操作规程的良好习惯,并培养其养成良好的职业道德,全程做到安全生产、文明生产。
重点难点逻辑运算课的类型讲授课教具教学方法讲解法教学过程与教学内容与步骤教法提示时间分配一、PLC的编程语言可编程控制器与一般的计算机相类似,在软件方面有系统软件和应用软件之分,只是可编程控制器的系统软件由可编程控制器生产厂家固化在 ROM 中,一般的用户只能在应用软件上进行操作,即通过编程软件来编制用户程序。
编程软件是由可编程控制器生产厂家提供的编程语言,至今为止还没有一种能适合各种可编程控制器的通用的编程语言,但是各个可编程控制器发展过程有类似之处,可编程控制器的编程语言即编程工具都大体差不多,一般有如下五种表达方式。
( 一 ) 梯形图( Ladder Diagram ) 30分( 二 ) 指令表( Instruction List ) 30分三)顺序功能图( Sequential Chart )25分小结及作业 5分组织教学 5分组织教学向学生讲授PLC在工业控制中的典型应用1、电梯 2.交通灯 3.自动门 4.家用电器新课讲授: 复习提问 ( 一 ) 梯形图 30分1 (梯形图中只有动合和动断两种触点。
各种机型中动合触点和动断触点的图形符号基本相同,但它们的元件编号不相同,随不同机种、不同位置(输入或输出)而不同。
统一标记的触点可以反复使用,次数不限,这点与继电器控制电路中同一触点只能使用一次不同。
因为在可编程控制器中每一触点的状态均存入可编程控制器内部的存储单元中,可以反复读写,新课讲授故可以反复使用。
2 (梯形图中输出继电器(输出变量)表示方法也不同,有圆圈、括弧和椭圆表示,而且它们的编程元件编号也不同,不论哪种产品,输出继电器在程序中只能使用一次。
plc三菱课程设计一、课程目标知识目标:1. 掌握PLC三菱编程软件的基本操作和界面功能;2. 学习并理解三菱PLC的基本指令系统和编程规则;3. 了解PLC的工作原理和在工业自动化中的应用场景。
技能目标:1. 能够运用三菱PLC编程软件编写简单的控制程序;2. 能够进行基本的电路设计和PLC的I/O配置;3. 能够对简单的PLC程序进行调试和故障排查。
情感态度价值观目标:1. 培养学生对工业自动化及PLC技术的兴趣,激发探索精神和创新意识;2. 培养学生团队合作精神,学会在团队中沟通、协作、共同解决问题;3. 增强学生对我国工业自动化发展的认识,提高国家自豪感和责任感。
课程性质:本课程为实践性较强的课程,注重理论知识与实际操作相结合。
学生特点:学生具备一定的电子基础和计算机操作能力,对新技术充满好奇。
教学要求:教师需引导学生将理论知识与实际操作相结合,鼓励学生动手实践,培养解决实际问题的能力。
将课程目标分解为具体的学习成果,便于教学设计和评估。
二、教学内容1. PLC基础知识:介绍PLC的定义、发展历程、结构组成及工作原理,结合教材第一章内容。
- PLC的硬件结构- PLC的软件组成- PLC的工作过程2. 三菱PLC编程软件操作:学习三菱PLC编程软件的使用,涵盖第二章内容。
- 软件安装与界面认识- 基本操作与设置- 编程环境的搭建3. 三菱PLC基本指令学习:学习并掌握三菱PLC基本指令,参考教材第三章内容。
- 常用逻辑指令- 定时器和计数器指令- 数据处理指令4. PLC程序设计:结合实际案例,学习PLC程序设计方法和步骤,涉及教材第四章内容。
- 程序设计基础- 编程技巧与规范- 程序调试与优化5. PLC应用案例分析:分析实际工业自动化应用案例,了解PLC在工业现场的应用,参考教材第五章内容。
- PLC在生产线控制中的应用- PLC在自动化设备中的运用- PLC在过程控制系统中的作用教学内容安排和进度:按照教材章节顺序,逐步进行教学,每节课确保理论与实践相结合,让学生在实践中掌握理论知识。
姓名
班级
学号
日期
指导教师 0
项目编号 10
名称
项目十 加工中心刀库捷径方向选择控制
项目学时
2学时
课程名称 电气控制与PLC 应用 教材名称 电气控制与PLC 应用 成绩
目的
知识目标
掌握PLC 数据传送类功能指令的应用。
技能目标
能够完成数控加工中心刀库捷径方向选择PLC 控制的程序设计。
能够完成直流电动机正、反转控制电路设计。
能够完成PLC 的I/O 端口配置及端口连接;PLC 与计算机的通讯设置。
一、实训项目原理
数控加工中心的刀库由步进电动机或直流电动机控制,如图1所示为回转式加工中心刀库工作台模拟装置,上面设有8把刀,每把刀均有相应的刀号地址,分别为1、2、…、8。
刀库由小型直流电动机带动低速转动,转动时,将有霍尔开关检测信号,反映刀号位置。
在图1所示的加工中心刀库模拟装置中,分别有控制直流电动机旋转的CW /CCW 即正、反转信
图2 加工中心刀库控制程序流程图
图1加工中心刀库模拟装置示意图
姓名班级学号日期指导教师0
姓名班级学号日期指导教师0
姓名班级学号日期指导教师0
图3 PLC与加工中心刀库控制装置电气接口线路图
刀库直流电动机的正、反转如用一个CCW或CW控制是不行的,必须分别用两个触点才能将24 V 电源引入直流电动机两端,如图4所示,这样才能保证电动机可靠地正、反转。
图7-23直流电动机正、反转电气接线图
4.接通PLC电源及加工中心刀库演示装置的24 V电源。
将PLC置于运行状态,观察加工中心刀库实际运转的情况并记录。
姓名班级学号日期指导教师0。
《可编程序控制器及其应用》课时授课计划
第一节5分钟
20分钟20分钟作业讲评:
见作业批改记录
复习提问:
PLC的扫描过程?
新授内容:
§ 1-1 可编程控制器的软件知识(一)
一、PLC编程语言简介
1.梯形图
2.指令语句表
3.状态转移图
4.功能块图
讲解作业
中的问题
采取点名
提问,结
合存在的
问题集体
讲解.
讲授
举例讲解
第二节30分钟
10分钟3分钟2分钟二、GX-Developer使用
1.打开GX-Developer
2.工程菜单新建,工程,选择PLC系列,选择PLC
类型,起工程名,保存工程
3.输入梯形图指令
4.转换
5.调试程序
课堂练习
课堂小结
学习PLC的工作原理
作业布置
习题册
演示讲解
师生互动
归纳总结
布置作业。
plc课程设计三菱一、课程目标知识目标:1. 让学生掌握PLC(可编程逻辑控制器)的基本原理和结构,特别是三菱PLC 的型号及其功能特点。
2. 使学生了解并熟练运用三菱PLC编程软件,完成基础的逻辑控制程序编写。
3. 帮助学生理解PLC在工业自动化中的应用场景,掌握相关行业知识。
技能目标:1. 培养学生运用三菱PLC进行逻辑设计的能力,能独立完成简单的控制程序编写。
2. 提高学生实际操作PLC设备的能力,熟悉设备调试和维护流程。
3. 培养学生团队协作和问题解决的能力,能在小组项目中发挥各自专长,共同完成任务。
情感态度价值观目标:1. 培养学生对工业自动化技术的兴趣,激发学习热情,形成积极的学习态度。
2. 培养学生的创新意识和实践精神,鼓励他们勇于尝试、探索新知。
3. 增强学生的环保意识和社会责任感,让他们认识到PLC技术在节能减排和产业升级中的重要作用。
针对课程性质、学生特点和教学要求,本课程目标将分解为具体的学习成果,如:完成三菱PLC编程软件的基本操作,编写并调试简单的控制程序,参与小组项目展示等。
通过这些具体成果的达成,评估学生在知识、技能和情感态度价值观方面的进步。
二、教学内容本章节教学内容紧密围绕课程目标,选择以下内容进行科学、系统的组织:1. 三菱PLC基本原理与结构:介绍PLC的发展历程、三菱PLC的型号及其特点,分析PLC的工作原理和结构组成。
2. 三菱PLC编程软件使用:学习三菱PLC编程软件GX Works2的基本操作,包括工程创建、程序编写、程序下载和调试等。
3. PLC编程语言及逻辑控制:讲解PLC的编程语言(梯形图、指令列表等),以及常用逻辑控制指令的使用方法。
4. 实践操作:安排学生进行实际操作,完成以下教学内容:a. 简单的起停控制程序编写与调试;b. 顺序控制程序编写与调试;c. 功能指令的应用。
5. PLC在工业自动化中的应用:分析三菱PLC在工业自动化领域的实际应用案例,了解其在不同行业中的应用场景。
《PLC原理及综合实训》教学大纲(实习)一、教学性质和任务“可编程控制器技术及应用”是工科类专业的一门专业技术课,是为下一步进一步学习控制技术打下基础.本课程的主要任务是:了解PLC的结构、工作原理及正确选择PLC的型号;掌握PLC的接线方法;掌握PLC的基本指令;掌握PLC的步进指令及部分功能指令;掌握梯形图的设计方法。
学生通过实验可以在实践中锻炼实践应用能力,达到理论联系实际的作用。
在实验中使学生在掌握机电设备继电器控制的基础上,能够近一步可编程序控制器原理及在机电控制系统中的应用;掌握常用的低压电器的基本原理和控制方法,电器控制系统的设计基础和原理,PLC的开发软件的使用,以及可编程终端和变频器等知识。
二、课程教学目标:本课程主要是能力的培养。
1。
总体目标:(1)增强现代意识,培养专门人才(2)围绕核心技术,培养创新精神(3)关注全体学生,营造自主学习氛围2。
具体目标:(1)在专业能力方面,使学生能够使用PLC对工业生产设备进行控制,具备PLC 控制系统硬件设计、软件编程和调试的能力。
具备PLC控制系统的维护能力,能够诊断、排除各类PLC控制系统的问题及故障。
(2)在学习方法能力方面:①通过本课程使学生具有查阅图书资料进行自学习的能力,具有提出问题、分析问题、解决问题的能力。
②具备通过一种类型PLC的应用能迁移到另一种类型PLC的应用,能够通过阅读设备的使用手册,对不同类型PLC的内存分配、硬件接线及指令系统具有较强的理解运用能力.③能够对生产现场的各类机械进行电气控制要求的分析,并通过分析提出PLC 的解决方案.④对于PLC控制的各类设备,能够很快了解其工作过程,了解电气线路,从而能够对各类软硬件系统故障进行诊断和处理.(3)在情感态度与价值观方面:①对于从事PLC应用设计、安装、调试、维护工作充满热情;②具有实事求是的科学态度,具有较强的求知欲,善于使用所学PLC技术解决生产实际问题,具有克服困难的信心和决心.③具有与人合作的团队精神,敢于提出与别人不同的见解,也勇于改正自己的错误观点。
目录第一章系统简介一、可编程序控制器(PC)主机-----------------------------------------1二、编程装置---------------------------------------------------------2三、输入输出部分-----------------------------------------------------2四、输入/输出接口的使用方法------------------------------------------3五、模块介绍---------------------------------------------------------4六、FX2N-48MR继电器地址的分配-------------------------------------5第二章软件的安装与使用一、软件的安装-------------------------------------------------------6二、软件的使用-------------------------------------------------------6第三章PLC控制实验实验一基本指令实验-------------------------------------------------6 实验二定时器及计数器指令实验--------------------------------------12 实验三移位寄存器指令实验------------------------------------------15 实验四置位/复位及脉冲指令实验-------------------------------------18 实验五跳转指令实验------------------------------------------------21 实验六常用功能指令实验--------------------------------------------22 实验七艺术灯控制--------------------------------------------------39 实验八数码管显示控制----------------------------------------------31 实验九交通灯控制--------------------------------------------------32 实验十驱动步进电机的PLC控制--------------------------------------33 实验十一电机星三角启动控制----------------------------------------34 实验十二机械手的PLC自动控制--------------------------------------37 实验十三四层电梯的PLC控制----------------------------------------39 实验十四刀库捷径方向选择控制--------------------------------------42 实验十五物料混合控制----------------------------------------------44 实验十六水塔水位控制----------------------------------------------47 实验十七邮件分拣控制----------------------------------------------49 实验十八四级传送带的控制------------------------------------------50 实验十九装配流水线控制--------------------------------------------53第一章系统简介三菱FX系列PLC是三菱电机公司FA产品中重要的产品线。
实验二与、或、非逻辑处理
【实验目的】
1.熟悉PLC编程软件及方法
2.掌握与、或、非等指令
【实验内容】
按编程要求编制程序,观察输入、输出结果与理论值是否相符。
注意:PLC指令系统是按步的顺序循环执行,因此,每一循环过程中,PLC输出以最后结果为准。
【编程要求】
INPUT00 输出1
INPUT01 输出2
INPUT02
INPUT03 输出3
INPUT04
【接线方法】
INPUTOO 接开关PO1的输出插孔PO1
INPUTO1 接开关PO2的输出插孔PO2
INPUTO2 接开关PO3的输出插孔PO3
INPUTO3 接开关PO4的输出插孔PO4
INPUTO4 接开关PO5的输出插孔PO5
OUTPUT00 接输出显示LED灯FL1
OUTPUT01 接输出显示LED灯FL2
OUTPUT02 接输出显示LED灯FL3
输出显示LED灯可用电梯的PBO6-PBO1代替。
按实验要求对PLC编程;运行PLC程序;分别按下PO1、PO2、PO3、PO4、PO5观察输出变化。
【实验报告】
1.写出I/O分配表、程序梯形图。
2.仔细观察实验现象,认真记录实验中发现的问题、错误、故障及解决方法。