德士古气化炉闭式升温烧嘴
- 格式:docx
- 大小:29.23 KB
- 文档页数:9
冷却水系统,气化炉联锁跳车。
德士古气化炉预混式烧嘴在满负荷工况下,由以上两种原因,一般使用寿命在60 d 左右,很难超过90 d 。
3 德士古气化炉烧嘴延长寿命的措施3.1 烧嘴冷水盘管增加防护措施针对烧嘴冷却水盘管容易烧穿处增加保护措施。
冷却水盘管材质为INCONEL625,烧嘴冷却水夹套与烧嘴头部连接处容易烧穿,在原有设计基础上,在连接处安装一层耐火网,在下方再焊接安装一段保护套,对该薄弱点双重保护,避免热辐射直接作用到冷却水盘管与烧嘴焊接连接段[1]。
3.2 烧嘴煤浆喷头材质改进烧嘴磨损后,特别是煤浆喷头磨损后烧嘴压差会变小,这会影响煤浆雾化效果,碳转化率也会降低。
德士古气化炉烧嘴一般设计材质是与氧气接触的部分是INCONEL625材料,煤浆喷头材质是UMCo50。
为减缓煤浆喷头磨损,选用高硬度和耐磨性的材料制作煤浆喷头,改成复合陶瓷材质。
复合陶瓷具有硬度高、耐磨、强度和韧性较好、耐热、耐腐蚀等一系列优良性能。
改进材质后,烧嘴运行时间明显增加。
实践证明,硬质合金材质的煤浆喷头有更好的耐磨性,这为德士古气化炉长周期运行创造了条件。
3.3 工艺烧嘴设计参数与操作参数相匹配控制在工艺烧嘴的规格不改变的情况下,操作人员的操作思维、工艺操作条件和气化炉运行状态促使烧嘴所工作环境变化也是决定气化炉烧嘴能否长周期稳定运行的关键因素。
1 德士古气化炉烧嘴简介德士古气化炉是用在水煤浆加压气化技术的气化炉种类之一,而气化炉是煤气化装置最核心的设备,工艺烧嘴是决定气化炉长周期运行的重要条件之一。
德士古气化炉烧嘴安装在气化炉顶部,是水煤浆、氧气进入气化炉的入口点。
其主要作用是将进入气化炉的水煤浆和氧气混合、雾化,结构为预混式三流道设计,中心管走中心氧气,内环隙走水煤浆,外环隙走环隙氧气,烧嘴头部有冷却水夹套及冷却水盘管,运行时通冷却水以保护烧嘴不被烧坏。
2 德士古气化炉烧嘴运行现状气化炉烧嘴是决定气化炉长周期运行的重要条件,常见的损坏形式有烧嘴冷却水盘管烧嘴和烧嘴喷头磨损,只要出现其中一条,就需要停炉更换烧嘴。
德士古煤气化炉耐火砖问题探讨根据耐火砖的蚀损机理,煤熔渣对耐火砖的侵蚀主要包括三个过程,即溶解、渗透和冲刷磨损。
对一定的炉衬材料而言,溶解过程受耐火材料上的渣边界层扩散过程所控制,溶解速率取决于温度的高低,因此,操作温度是影响耐火砖寿命的主要因素。
从上焦使用过的三炉砖看,由于受煤质影响均不同程度在大于1 400 ℃高温运行一段周期,特别是2号炉,在大于1 400 ℃运行近1 000 h,最高操作温度达1 480 ℃,因此对砖的使用寿命造成了不同程度的影响。
对于鲁南化肥厂以及渭河化肥厂的第一炉砖,由于均使用高灰熔点煤,其操作温度均在1 400 ℃以上,特别是渭河化肥厂,当测温热电偶损坏后,较长时间以CH4含量达70×10-6为参考运行,此值估算在1 500 ℃左右,因此造成了对耐火砖的严重损伤。
根据经验,在适宜的操作温度以上,每增长100 ℃,耐火砖的蚀损率将增长近四倍,因此,选择高活性与低灰熔点的煤种,使气化炉在较低的操作温度下运行,是延长耐火砖寿命的重要途径。
由于熔渣的渗透将导致砖的变质带与原砖带间不同的热膨胀系数,当温度与压力急剧变化时,如开停车及发生操作故障时,变质带与原砖带间就将产生热应力裂纹,这种裂纹在多次的温度压力波动中,不断扩展加深直至砖层剥落。
因此,在一定的操作温度条件下,开停炉次数的增加将会加剧耐火砖的蚀损。
从1号炉与3号炉的使用情况看,其运行条件相近,但3号炉的开停炉次数相对少(每次开炉平均运行周期:1号炉为225 h,3号炉为305 h,而国外装置在700 h)。
所以这也是3号炉的耐火砖平均蚀损率比1号炉低的原因之一。
煤灰性质的差异同样会对耐火砖的使用寿命产生影响。
煤灰渣中最易渗透的成分是SiO2和CaO, 其次是FeO、Al2O3, 因此,渣中含有较高SiO2和CaO时,对Cr砖的腐蚀也就越大。
煤灰的组成确定了渣的粘度与温度的关系,在适宜的粘度和操作温度下,耐火砖表面将保持一层固态的煤渣层,这层挂渣将有助于防止进一步的渣冲蚀,起到以渣抗渣的效果。
德士古气化炉1.德士古气化炉概况德士古水煤浆加压气化工艺简称TCGP ,是美国德士古石油公司TEXACO 在重油气化的基础上发展起来的。
1945 年德士古公司在洛杉矶近郊蒙特贝洛建成第一套中试装置,并提出了水煤浆的概念,水煤浆采用柱塞隔膜泵输送,克服了煤粉输送困难及不安全的缺点,后经各国生产厂家及研究单位逐步完善,于80年代投入工业化生产,成为具有代表性的第二代煤气化技术。
国外已建成投产的装置有6套,15台气化炉;国内已建成投产的装置有8套,24台气化炉,正在建设、设计的装置还有4套,13台气化炉。
已建成投产的装置最终产品有合成氨、甲醇、醋酸、醋酐、氢气、一氧化碳、燃料气、联合循环发电。
我国自鲁南化肥厂第一套水煤浆加压气化装置(2台气化炉)1993年建成投产以来,相继建成了上海焦化厂气化装置(4.0 MPa气化,4台气化炉,于1995年建成投产),渭河化肥厂气化装置(6.5 MPa气化,3台气化炉,于1996年建成投产),淮南化肥厂气化装置(4.0 MPa气化,3台气化炉,于2000年建成投产),金陵石化公司化肥厂气化装置(4.0 MPa气化,3, , , , 台气化炉,于2005年建成投产),浩良河化肥厂气化装置(3.0~4.0 MPa气化,3台气化炉,于2005年建成投产),南化公司气化装置(8.5 MPa气化,2006年建成投产),南京惠生气化装置(6.5 MPa气化,2007年建成投产)等装置。
由于我国有关生产厂的精心消化吸收,已掌握了丰富的连续稳定运转经验,新装置一般都能顺利投产,短期内便能连续稳定、高产、长周期运行。
并且掌握了以石油焦为原料的气化工艺技术。
水煤浆和99. 6 %纯氧经德士古烧嘴呈射流状态进入气化炉,在高温、高压下进行气化反应,生成以CO +H2 为主要成分的粗合成气。
在气化炉内进行的反应相当复杂,一般认为气化分三步进行:(1) 煤的裂解和挥发份的燃烧水煤浆和氧气进入高温气化炉后,水份迅速蒸发为水蒸汽。
德士古煤气化炉烧嘴烧坏事故分析及预防作者:刘波来源:《科技视界》2014年第20期【摘要】本文通过一起典型的德士古煤气化炉烧嘴冷却水盘管破裂引起的烧嘴烧坏事故,及对事故发生原因的系统分析,提出了具体的预防、改进措施,可以有效避免烧嘴类似事故的发生,并为气化炉的长周期稳定运行提供保障。
【关键词】气化炉;烧嘴;事故分析;预防改进德士古气化工艺过程是高压水煤浆与纯氧在工艺烧嘴内混合,呈射流状态进入气化炉,在高温、高压下进行气化反应,生成以CO 和H2为主要成分的粗合成气。
气化炉烧嘴作为气化炉的关键部件,长期工作在高温、高压状态下,烧嘴的稳定运行对气化炉的长周期稳定运行起至关重要的作用。
2011年我公司某化工单位发生一起德士古煤气化炉烧嘴冷却水盘管破裂引起的烧嘴烧坏事故,本文通过对该事故发生原因的系统分析,提出了具体的预防、改进措施,可以有效避免烧嘴类似事故的发生。
1 事故经过我公司某化工单位气化装置设置德士古煤气化炉两台。
2011年8月29日20时08分29秒,气化控制室操作人员发现其中一台气化炉运行压力突然出现下降,同时向调度室汇报,控制室操作人员立即通过摄像头监控气化框架画面,发现有大量浓烟雾冒出,初步判断为气化框架有气体泄漏,20时08分46秒气化炉氧气流量由28817 Nm3/h波动至32377 Nm3/h。
由于无法判断具体泄漏位置,为确保装置安全,当班操作人员立即对气化系统进行紧急停车,并同时向调度室汇报。
调度室指挥后系统切气停车,并通知相关岗位做好工艺处理。
两台气化炉先后于20时08分47秒和20时08分50秒停车。
气化高压氧气管线紧急隔离,切至空分界区内放空,并对氧气管线进行氮气置换。
20时13分气化完成系统停车并进入降压、充氮气置换程序。
本次事故造成烧嘴盘管、外氧喷头烧坏,直接损失虽然较小,但气化炉烧嘴冷却水盘管出现破损后,因温度较高烧嘴冷却水盘管被迅速烧坏,大量高压、高温气体通过被烧化的烧嘴冷却水盘管进出口部位进入气化框架,可燃、有毒气体和烟雾充斥气化框架,直接导致了事故的进一步发展,造成全厂停车,若非操作人员操作及时,险些酿成重大事故。
德士古气化工艺烧嘴损伤原因及其改进措施探讨摘要:在我国现代社会不断发展的情形下,德士古气化工艺凭借其本身的作业高效性、环保性等,在我国范围内得到较大程度的推广及切实应用。
结合现实情形可知,工艺烧嘴是整个德士古气化工艺装置的关键部位,与此同时,基于多方因素的影响,工艺烧嘴的使用寿命无法得到有效的保障,从而在一定程度上影响了德士古气化工艺的应用价值。
为推动德士古气化工艺的长远化发展,不断提升工艺烧嘴的使用寿命,具有极其重要的现实意义。
本文主要结合现实情形,在分析德士古气化工艺烧嘴损伤原因的基础上,有针对性的提出相应的改进措施,以期促进德士古气化工艺的应用与发展。
关键词:德士古气化工艺;烧嘴损伤;原因;改进措施实际生产生活中,德士古气化工艺的应用与发展,对现代社会经济的长远化发展有较为重要的影响,对德士古气化工艺进行相应的研究分析具有极其重要的现实价值。
现实情形下,工艺烧嘴是德士古气化工艺的核心部件,以至于工艺烧嘴的损坏,不仅影响德士古气化工艺装置的正常有效使用,而且还不利于德士古气化工艺的应用及发展。
基于此,分析探究德士古气化工艺烧嘴损伤原因,有针对性的提出相应的改进措施,对德士古气化工艺的存在及发展,有较为重要的促进作用。
1浅析德士古气化工艺烧嘴损伤原因1.1德士古气化工艺烧嘴结构概述现实情形下,德士古气化工艺烧嘴的存在是现代工艺技术不断进步发展下的结果,其作为德士古气化工艺装置的关键部位,对整个工艺技术的应用与发展,有较为重要的影响。
结合实际生产生活经验可知,德士古气化工艺烧嘴结构为同心三套管式结构,该结构的存在及发展是专家研究得出的结果,极具应用价值。
如图1所示,部分氧气经过德士古气化工艺烧嘴中心管部位进入到整个工艺烧嘴结构部位之中,剩余氧气经过德士古气化工艺烧嘴外环隙进入到结构部位之中,水煤浆经过德士古气化工艺烧嘴内环隙部位进入到结构部位之中,基于此,在各项原料进入到德士古气化工艺烧嘴结构部位之中的情形下,氧气和碳之间发生相应的反应,促进德士古气化工艺应用目标的实现。
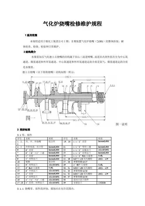
气化炉烧嘴检修维护规程1适用范围本规程适用于煤化工集团公司Ⅰ期、Ⅱ期装置气化炉烧嘴(Z1301)的整体拆装、解体检查、检修、检验和日常维护。
2结构简介水煤浆加压气化德士古烧嘴的结构属于同心三流道喷嘴。
流道从内到外依次分为中心氧通道、煤浆通道和外环氧通道。
中心氧通道和外环氧通道走的介质是氧气,煤浆通道走的介质是水煤浆。
德士古烧嘴(以下简称烧嘴)结构如图一所示:图一说明3 完好标准 3.1零、部件3.1.1 烧嘴零、部件的冲蚀、腐蚀应在允许范围内。
序号 名称材质 序号 名称材质1、2、3 内、中、外烧嘴 组合件 19、20 1 1/2″直管 InconeL600 4、5 冷却水进、出口管 InconeL600 21 1 1/2″等径三通 InconeL600 6 6″直管InconeL600 22 1 1/2″盲板法兰 1Cr18Ni9Ti 7 6″×6″×5″三通 InconeL600 23 1 1/2″对焊法兰 InconeL600 8 5″直管 InconeL600 24 1 1/2″R20八角垫 316L9 5″对焊法兰 InconeL600 25、26 M27×120双头螺栓 40Cr 、45# 10 铭牌组合件 27、28 弹簧垫圈M 2711 6″对焊法兰 1Cr18Ni9Ti 29 4″R37八角垫316L12 6″R45八角垫 316L30、31 M30×160双头螺栓 40Cr 、45# 13 6″平焊法兰 1Cr18Ni9Ti 32、33 弹簧垫圈M 3014 4″直管 InconeL600 34、35 M30×180双头螺栓 40Cr 、45# 15 4″对焊法兰1Cr18Ni9Ti 36、37 弹簧垫圈M 30 16 4″×4″×4″三通 1Cr18Ni9Ti 38 进出口法兰组件17、184″直管、对焊法兰1Cr18Ni9Ti39安装法兰15CrMoQ/WHH J 10.03.35-2010 3.1.2 烧嘴零、部件应无变形和内部缺陷。
第4期2016年7月中氮肥M-Sized Nitrogenous Fertilizer ProgressNo. 4 Jul. 2016德士古气化炉备炉、投料、停车各阶段操作要点李晓锋,赵龙,王斌涌(陕西渭河煤化工集团有限责任公司,陕西渭南71000)[摘要]结合陕西渭河煤化工集团有限责任公司水煤浆加压气化装置的运行实际,阐述德士古气化 炉备炉、投料、停车各阶段的操作要点和注意事项。
[关键词]德士古气化炉;备炉;投料;停车;操作要点;注意事项[中图分类号]TQ546 [文献标志码]B[文章编号]1004 -9932(2016)04 -0019 -03陕西渭河煤化工集团有限责任公司一期、二 期4套气化装置均采用德士古水煤浆加压气化工 艺激冷流程。
德士古气化炉从备炉、投料到停车 各阶段任务繁重,尤其是气化炉投料时,需要现 场岗位人员确认120道阀门之状态,其中设备的 启停、阀门的开关、盲板的倒换要严格按照时间 先后顺序进行,任何一道阀门确认不到位,或者 工作程序出现差错,都有可能造成投料失败。
下 面结合我公司生产人员长期摸索得来的宝贵技术 参数,浅谈德士古气化炉各阶段的操作要点和注 意事项,以供相互交流学习。
1气化炉备炉1.1冲洗激冷水管线()首先,要以《激冷水管线冲洗确认表》为根本,认真检查各阀门、盲板位置,然后交由 现场班长等逐级确认签字。
这个环节很重要,但 容易犯经验主义错误,而这种思想是极其错误 的,也是十分危险的。
我公司现有各类完善的确 认表,包括:《激冷水管线冲洗确认表》、《水压 试验确认表》、《气化炉联锁试验确认表》、《气 化炉投料条件确认表》、《气化炉投料后处理操 作项目二级确认表》、《气化炉停车后阀门状态 二级确认表》以及各工段开停车确认表。
开展 工作时,必须严格执行确认表中的每一项,不抱 侥幸心理,不偷懒、不漏项,这是良好职业素养 的表现。
(2)确认工作完成、现场具备条件后,在[收稿日期]2015-11-04[作者简介]李晓锋(196—),男,陕西渭南人,助理工程师,国家注册安全工程师。
德士古气化炉闭式升温烧嘴(Z1302A/B/C)系统一、总则本方案规范阐述了预热烧嘴的作用、形式以及工艺条件。
预热烧嘴的加工方法以及管道、管件的使用压力等级和材料选用,均需依据有关压力容器制造规范。
二、流程说明在开车时,气化炉升温阶段用预热烧嘴(Z1302A/B/ C)临时替换工艺烧嘴(Z1301A/B/C),用石油液化气作燃料,空气辅助燃烧,对气化炉进行升温。
用蒸汽驱动开工抽引器(J1301A/B/C),使气化炉内形成微负压,蒸汽和燃烧后的尾气经过开工抽引器(J1301A/B/C)后排入大气。
气化炉投料时要求的最低炉温为1000℃。
如果气化炉投料前炉温降至1000℃以下进行,气化炉投料会对气化炉耐火材料造成过度“热震击”,避免出现投料不成功的情况,气化炉炉温在1000℃以上时投料。
三、设备、工艺条件数据表INCONEL-600产品产地:/德国/日本主要成分:77Ni-16Cr -6FeINCONEL 600的高镍成分使合金具有非常强的抗氯化物应力裂变腐蚀能力,以及在还原状态下可维持其高耐蚀性及在碱溶液中亦具有很强的耐腐蚀能力。
同时因含铬,所以在氧化性环境下耐腐蚀性更胜纯镍。
INCONEL600是一种镍基合金,是Ni-Cr-Fe合金系列的代表性材料,其成分大致为Ni75%,Cr16%,Fe8%。
Inconel 600的力学性能与普通奥氏体304相近镍合金:又称蒙乃尔合金,是一种以金属镍为基体添加铜、铁、锰等其它元素而成的合金。
蒙乃尔合金耐腐蚀性好,呈银白色,适合作边丝材料。
蒙乃尔合金的用途蒙乃尔400合金的组织为高强度的单相固溶体,它是一种用量最大、用途最广、综合性能极佳的耐蚀合金。
一、工艺烧嘴(Z0402)① 结构说明a.所有与氧气接触的部件材质选用Inconel600不锈钢。
b.烧嘴加工方法以及管道和管件主要使用压力等级,依据有关压力容器制造规范。
c.所有螺栓孔跨在中心线上。
d.烧嘴装运前,烧嘴所有表面用三氯乙烷进行彻底脱脂。
德士古煤气化工艺烧嘴的改造作者:张衡来源:《山东工业技术》2014年第07期【摘要】德士古工艺烧嘴是德士古煤气化工艺的核心设备,工艺烧嘴运行工况的好坏直接决定着整个生产系统在现有生产能力的基础上能否提高产量及能否长周期稳定运行。
因此,对现有工艺烧嘴的改造是很有必要的,例如:烧嘴头部各环隙大小的调节,增强烧嘴头部耐磨性等。
【关键词】德士古;工艺烧嘴;耐磨性德士古工艺烧嘴是德士古煤气化工艺的核心设备,一般情况下运行初期,雾化效果好、气体成份稳定、系统工况稳定;运行到后期,喷嘴头部变形、雾化效果不好,这时气体成分变化较大,有效气成分下降。
特别是发生喷头偏喷现象,使局部温度过高,烧坏高温热偶,严重时,发生窜气导致炉壁超温。
再则由于工程设计和操作经验的不完善,使工艺烧嘴运行周期较短,一般不超过3个月,这是造成德士古气化装置必须有备用炉的主要原因。
从操作方面最大限度地提高工艺烧嘴的运行周期需要注意如下几点:1)煤质和煤浆质量是影响工艺烧嘴寿命的主要因素,煤的灰熔点尽量不要超过1300℃,煤浆浓度控制在61-63%较为合适。
2)尽可能将气化温度控制在较低的范围,能够有效提高其运行周期,一般情况下应该控制在1350℃以下。
3)在系统投煤量发生较大变化的情况下,要提前调整O/C比到合适的范围,坚决杜绝飞温。
Texaco水煤浆加压气化的工艺烧嘴(如图1所示)是气化装置最重要的部分,同时也是一个比较脆弱的部件,为三流道设计,水煤浆介于中心氧和外环氧之间走中间通道。
工艺烧嘴是气化炉能否安全稳定高负荷长周期运行的关键,Texaco水煤浆气化的工艺烧嘴是预混式烧嘴,所谓预混式烧嘴指烧嘴头部的煤浆出口和氧气出口预留了一段混合空间,是为了保证氧气和煤浆更好的混合和雾化;还有一种是由华东理工大学提出来的预膜式烧嘴,煤浆和氧气直接喷出,通过对撞来实现混合雾化的效果,所以不需要经过预混合阶段。
通过实际运行发现,预混式烧嘴由于煤浆被氧气加速,所以对烧嘴头部的磨损会更大点,如图3所示,寿命相对于预膜式的要短。
浅谈水煤浆汽化炉烧嘴的有关问题作者:潘强来源:《科学与财富》2019年第04期摘要:德士古水煤浆气化工艺是以纯氧和水煤浆为原料,在加压无催化剂条件下进行部分氧化反应,生成以一氧化碳和氢气为主要有效气体成分的粗合成气,而工艺烧嘴作为水煤浆气化炉的核心设备,其使用寿命和性能是制约德士古气化炉安全稳定长周期运行的关键。
关键词:气化炉;烧嘴结构;损坏;分析;预防一.气化炉烧嘴的结构形成气化炉烧嘴的整体材质采用InconeI600,头部向火面一般采用镍基高温合金材质,工作压力在4MPa-6MPa,构造为三流道式套管结构:⑴中心通道为氧气(中心氧区),中心氧管的出口设计成缩口形式,目的是对中心氧进行加速,同时其端面相对于烧嘴断面基准面有一定的缩入量,这样形成一个水煤浆和中心氧的预混腔。
⑵中间通道为水煤浆,水煤浆的出口管路也设计成缩口形式,使进入预混腔的水煤浆具备一定的速度。
在预混腔内,利用中心氧对水煤浆进行稀释和初加速,改善水煤浆的流变性能。
⑶外层通道为氧气(外环氧区),外环氧管口的缩入量更大一些,目的是提供更高流速的氧气量。
⑷烧嘴喷头处设有冷却水盘管。
二.烧嘴的工作原理中心氧通道和外环氧通道的高流速纯氧与中间通道的水煤浆在喷头处混合在氧气的冲击下,煤浆以调整雾状形式喷入气化炉,达到充分雾化煤浆的效果。
三.影响烧嘴使用寿命的因素分析及预防1.流通道调节比影响在正常生产中无论是中心氧还是水煤浆及外环氧的流通面积,均有各自流量要求,如果中心氧量控制过小,将达不到对水煤浆的稀释和加速作用,相反如果中心氧量控制的过大,一方面有可能会对中心管口处的磨损加重,降低烧嘴的使用寿命,另一方面会使整个烧嘴出口火焰变的细长,直接影响到气化炉内燃烧区.二次反应区和回流反应区的形成,改变了雾化效果降低气化效率。
同时会造成烧嘴局部过氧,增加烧嘴周围富氧量,产生高温导致烧嘴端面烧蚀和龟裂。
因此在压力一定的条件下,为了保证充分的雾化煤浆效果,减少对烧嘴的损坏,中心氧气的调节比例一般为总氧气量的12%-16%。
德士古单喷嘴气化炉炉头超温分析发布时间:2021-09-15T07:33:48.424Z 来源:《科技新时代》2021年6期作者:吴庭智郭涛杨通山[导读] 直至恢复正常水平。
期间极易导致炉头烧嘴大法兰出现水煤气泄漏,对系统安全运行带来不利因素。
贵州赤天化桐梓化工有限公司,贵州遵义 563200摘要:介绍德士古气化炉炉头大法兰超温的基本现象和危害,并分析在气化炉投料后导致其炉头大法兰超温的原因;从设备改造、工艺优化两方面提出预防和消除气化炉炉头大法兰超温的有效措施。
关键词:德士古气化炉法兰超温1 炉头法兰超温现象(1)气化炉从投料成功后,投入运行的第一周,炉头大法兰呈现温度持续上涨,后续运行炉头大法兰温度会逐渐下降,直至恢复正常水平。
期间极易导致炉头烧嘴大法兰出现水煤气泄漏,对系统安全运行带来不利因素。
(2)烧嘴冷却水盘管出口温度上涨:在烧嘴冷却水流量维持正常值,在气化炉投料成功后,烧嘴冷却水盘管出口温度呈现较大幅度上涨,极易触发烧嘴冷却水系统跳槽联锁。
2 超温原因分析2.1 工艺烧嘴原因(1)工艺烧嘴性能水煤浆工艺烧嘴技术直接决定了工艺技术的效能和系统的稳定,水煤浆气化工艺烧嘴为三通道内外混合雾化形式,外流道和内流道输送高压氧气,中流道输送高压水煤浆,二次氧气(中心氧)与煤浆半预混后,再与一次氧气(外环氧)外混合进行雾化燃烧气化。
烧嘴头部尺寸的设计会影响火焰的长短和气化炉流场的分布。
火焰太短,会导致煤浆和氧气混合后,喷出的火焰偏上,造成炉顶温度高,传递给烧嘴冷却水盘管的热量就多,冷却水进出口温差也就被提高,炉顶温度高后,炉顶和大法兰间隙因为高温无法挂渣,起不到一层保护作用,使炉头大法兰温度高于正常温度;(2)工艺烧嘴安装预处理工艺烧嘴安装在炉口内,烧嘴盘管外围与炉口周围存在较大间隙,宽度约50mm,在气化炉投料后,因炉膛工艺气流场的原因,部分回了区的工艺气会上窜至烧嘴盘管与炉口的空腔内,高温工艺气会直接加热烧嘴盘管和炉头法兰,从而导致大法兰和盘管温度上涨。
德士古水煤浆气化炉一、简介我国石油和化学工业在快速发展的同时,正面临着资源、能源和环境等多重压力”。
由于我国石油和天然气短缺,煤炭相对丰富的资源特征,加之国际油价的持续高位运行状态,煤炭在我国的能源和化工的未来发展中所处的地位会变得越来越重要。
目前,煤炭在我国的能源消费比重不断加大,用于发电和工业锅炉及窑炉的比例大约为70%左右,其余主要是作为化工原料及民用生活。
随着煤化工技术的不断发展,煤炭作为化工原料的比重将会得到不断的提高。
传统的煤化工特点是高能耗、高排放、高污染、低效益,即通常所说用煤行业的“三高一低”。
随着科技的不断进步,新型的煤气化技术得到了快速的发展,煤炭作为化工原料的重要性得到了普遍的认可。
煤化工目前采用的方法主要有三个途径:煤的焦化、煤的气化、煤的液化。
由于最终产品的不同,三种途径均有存在的市场。
煤焦化的直接产品主要有焦炭、煤焦油及焦炉气,煤气化的直接产品主要有合成气、一氧化碳和氢气,煤液化后可直接得到液体燃料。
煤焦化产业相对比较成熟,煤液化存在直接液化和间接液化两种方法,技术的成熟程度和投资等原因,制约了产业化和规模化的进一步发展。
随着煤气化技术的不断成熟,特别是加压气化方法的逐步完善和下游产品的多样化,煤气化已成为我国目前煤化工的重中之重。
其中煤炭气化中以德士古水煤浆气化炉为典型代表。
德士古气化法是一种以水煤浆为进料的加压气流床气化工艺。
它是由美国德士古石油公司下属德士古开发公司在以重油和天然气为原料制造合成气的德士古工艺基础上开发成功的。
第一套日处理15t煤的中试装置于1948年在美国建成,试验了20种固体燃料,包括褐煤、烟煤、无烟煤、煤液化半焦以及石油焦等。
1956年在美国摩根城(MorganTown)又建立了日处理100t煤、操作压力为2.8MPa的德士古炉。
目前,德士古气化的工业装置规模已达到日处理煤量1600t。
它是经过示范性验证的、既先进又成熟的第二代煤气化技术。
德士古气化炉闭式升温烧嘴(Z1302A/B/C)系统一、总则本方案规范阐述了预热烧嘴的作用、形式以及工艺条件。
预热烧嘴的加工方法以及管道、管件的使用压力等级和材料选用,均需依据有关压力容器制造规范。
二、流程说明在开车时,气化炉升温阶段用预热烧嘴(Z1302A/B/ C)临时替换工艺烧嘴(Z1301A/B/C),用石油液化气作燃料,空气辅助燃烧,对气化炉进行升温。
用蒸汽驱动开工抽引器(J1301A/B/C),使气化炉内形成微负压,蒸汽和燃烧后的尾气经过开工抽引器(J1301A/B/C)后排入大气。
气化炉投料时要求的最低炉温为1000℃。
如果气化炉投料前炉温降至1000℃以下进行,气化炉投料会对气化炉耐火材料造成过度“热震击”,避免出现投料不成功的情况,气化炉炉温在1000℃以上时投料。
三、设备、工艺条件数据表INCONEL-600产品产地:/德国/日本主要成分:77Ni-16Cr -6FeINCONEL 600的高镍成分使合金具有非常强的抗氯化物应力裂变腐蚀能力,以及在还原状态下可维持其高耐蚀性及在碱溶液中亦具有很强的耐腐蚀能力。
同时因含铬,所以在氧化性环境下耐腐蚀性更胜纯镍。
INCONEL600是一种镍基合金,是Ni-Cr-Fe合金系列的代表性材料,其成分大致为Ni75%,Cr16%,Fe8%。
Inconel 600的力学性能与普通奥氏体304相近镍合金:又称蒙乃尔合金,是一种以金属镍为基体添加铜、铁、锰等其它元素而成的合金。
蒙乃尔合金耐腐蚀性好,呈银白色,适合作边丝材料。
蒙乃尔合金的用途蒙乃尔400合金的组织为高强度的单相固溶体,它是一种用量最大、用途最广、综合性能极佳的耐蚀合金。
一、工艺烧嘴(Z0402)① 结构说明a.所有与氧气接触的部件材质选用Inconel600不锈钢。
b.烧嘴加工方法以及管道和管件主要使用压力等级,依据有关压力容器制造规范。
c.所有螺栓孔跨在中心线上。
d.烧嘴装运前,烧嘴所有表面用三氯乙烷进行彻底脱脂。
德士古气化炉闭式升温烧嘴(Z1302A/B/C)系统一、总则本方案规范阐述了预热烧嘴的作用、形式以及工艺条件。
预热烧嘴的加工方法以及管道、管件的使用压力等级和材料选用,均需依据有关压力容器制造规范。
二、流程说明在开车时,气化炉升温阶段用预热烧嘴(Z1302A/B/ C)临时替换工艺烧嘴(Z1301A/B/C),用石油液化气作燃料,空气辅助燃烧,对气化炉进行升温。
用蒸汽驱动开工抽引器(J1301A/B/C),使气化炉内形成微负压,蒸汽和燃烧后的尾气经过开工抽引器(J1301A/B/C)后排入大气。
气化炉投料时要求的最低炉温为1000℃。
如果气化炉投料前炉温降至1000℃以下进行,气化炉投料会对气化炉耐火材料造成过度“热震击”,避免出现投料不成功的情况,气化炉炉温在1000℃以上时投料。
三、设备、工艺条件数据表INCONEL-600产品产地:/德国/日本主要成分:77Ni-16Cr -6FeINCONEL 600的高镍成分使合金具有非常强的抗氯化物应力裂变腐蚀能力,以及在还原状态下可维持其高耐蚀性及在碱溶液中亦具有很强的耐腐蚀能力。
同时因含铬,所以在氧化性环境下耐腐蚀性更胜纯镍。
INCONEL600是一种镍基合金,是Ni-Cr-Fe合金系列的代表性材料,其成分大致为Ni75%,Cr16%,Fe8%。
Inconel 600的力学性能与普通奥氏体304相近镍合金:又称蒙乃尔合金,是一种以金属镍为基体添加铜、铁、锰等其它元素而成的合金。
蒙乃尔合金耐腐蚀性好,呈银白色,适合作边丝材料。
蒙乃尔合金的用途蒙乃尔400合金的组织为高强度的单相固溶体,它是一种用量最大、用途最广、综合性能极佳的耐蚀合金。
一、工艺烧嘴(Z0402)① 结构说明a.所有与氧气接触的部件材质选用Inconel600不锈钢。
b.烧嘴加工方法以及管道和管件主要使用压力等级,依据有关压力容器制造规范。
c.所有螺栓孔跨在中心线上。
d.烧嘴装运前,烧嘴所有表面用三氯乙烷进行彻底脱脂。
e.烧嘴水压试验依据施工规范。
f.所有焊缝依据施工规范进行测试。
g.所有配管及管件采用无缝管。
h.装配法兰下方的烧嘴部件必须能够放入内径为320mm的耐火材料炉颈部。
② 设计操作条件二、预热烧嘴(Z0401A/B/C)① 预热烧嘴的作用预热烧嘴用于气化炉耐火材料安装就位后的养护干燥,以及将气化炉从常温预热至约1300℃。
预热烧嘴也用于气化炉保持热备状态即恒温阶段。
② 预热烧嘴的形式预热烧嘴为抽风倒焰式预热烧嘴。
③ 预热烧嘴的工艺要求燃料:本设计使用石油液化气为主燃料。
放热量:12560 MJ/h(针对单台预热烧嘴)④ 预热烧嘴的机械要求a.烧嘴应适于装在气化炉结构图中所示的气化炉顶部法兰上。
b.烧嘴应设计一只顶部吊耳,便于通过电动葫芦将其装入气化炉或从气化炉中吊出。
c.最小放热量应为上述满负荷放热量的10%。
负荷变化范围应为满负荷放热量的10%~100%。
d.仪表及控制系统的有关要求应与用户要求及有关此类设备的标准相一致。
e.烧嘴壳体采用碳钢。
由供货厂商确定喷管材质。
f.预热烧嘴应设计点火口,以便进行手动点火。
g.要求提供以下控制系统以便对预热烧嘴进行调节控制:●调节点火气体需要的自调节式压力调节阀(PCV)。
●压力显示表(现场)。
●手动流量调节阀。
●流量显示表(现场)。
气化炉材料说明1.耐火材料的分布种类及所在部位如下:A.向火面耐火砖:直接受气化反应生成的粗合成气及熔渣作用的高铬耐火材料(Cr-90,重量6.85T,密度1.4g/cm3)。
B.绝热层耐火砖:紧靠向火面耐火砖外侧设置(Cr-10,重量6.85T,密度1.4g/cm3)。
C.保温层隔热砖:紧靠绝热层耐火砖外侧设置,用以降低气化炉壳体温度的耐火材料(低硅钢玉,重量6.85T,密度1.4g/cm3)。
D.烧嘴接入口:气化炉反应室顶部安装烧嘴的部位。
E.耐火衬里拱顶部:气化炉反应室上部位于耐火材料直筒部与烧嘴安装口之间的部位。
F.耐火衬里直筒部:沿气化炉反应室直筒部设置的耐火材料。
G.耐火衬里锥底部:气化炉反应室底部流道缩小的部位,此处形成粗合成气流。
H.耐火衬里下炉口部:位于气化炉反应室耐火衬里下锥底与粗合成气激冷室之间的部位。
2.工艺要求A.向火面耐火材料应能承受气化炉反应室正常操作温度条件下熔渣的侵蚀作用,使用寿命不应低于12000小时。
且能承受气化炉反应室操作温度短时间剧升至1540℃条件下的高温作用。
B.耐火材料设计应使气化炉炉壁温度比相应的水汽露点温度至少高30℃,以防止气化炉炉壁及耐火材料发生露点腐蚀。
气化炉炉壁最高温度,气化炉壁厚及材质情况下的最大应力等由气化炉设计者确定。
C.热传导曲线的有关计算应考虑粗合成气中氢气的分压。
D.设计一套气化炉炉壁温度检测报警系统,用以监测耐火材料发生故障,或出现高温粗合成气透过耐火材料层发生所谓“串气”的故障工况,有效的保护气化炉。
气化炉烧嘴说明水煤浆加压气化技术由于高效、洁净,在我国备受关注并大量推广。
但水煤浆气化的烧嘴连续使用寿命较短,制约了装置的长周期运行,并影响经济效益。
为此,国内科研院所、烧嘴使用单位等开展了大量的工作,从结构、形式、材质等多方面进行改进,期望提高使用寿命。
本文作者多年来一直从事于水煤浆气化炉工艺烧嘴的研制工作,作为专题负责人,主持承担了“国家重大技术装备研制项目(科技攻关)计划专题合同:水煤浆气化炉烧嘴研制”,并成功应用于山东华鲁恒升化工股份有限公司的水煤浆加压气化国产化装置。
北京达立科科技有限公司、清华大学、山西丰喜肥业集团共同开发的水煤浆分级气化技术(也称之为“非熔渣-熔渣”煤气化技术),其烧嘴也由我们提供。
该技术于2007年12月6日通过了中石化协会组织的专家鉴定。
本文作者全程参与了该项目的开发,在方案的选取、专利申请、气化炉结构的确定、工艺烧嘴的设计及配置、二次补氧烧嘴的设计、配置等方面提出了建议,配套提供的专用工艺烧嘴和二次补氧烧嘴,为该工艺技术的工业实施作出了重要的贡献。
本文作者就水煤浆气化炉工艺烧嘴研制方面所进行的一些工作和思考进行简单的介绍,同时对烧嘴的改进提供一些个人看法,仅供同行参考。
1工艺烧嘴的设计目前普遍采用的气化炉工艺烧嘴头部结构如图1所示。
烧嘴的设计需要考虑的因素有以下。
图1 水煤浆气化炉工艺烧嘴头部典型结构(1)结构形式为同心三套管。
烧嘴中心氧管的出口设计成缩口形式,目的是对中心氧进行加速,同时其端面相对于烧嘴断面基准面有一定的缩入量,这样形成一个水煤浆和中心氧的预混合腔,水煤浆的出口管路也设计成缩口形式,使进入预混合腔的水煤浆具备一定的速度。
在预混合腔内,利用中心氧对水煤浆进行稀释和初加速,改善水煤浆的流变性能,其目的是为了保证水煤浆在离开烧嘴后的雾化效果。
外氧管口的缩入量更大一些,目的是提供更高流速的氧气,使通过预混腔的水煤浆混合物进行良好的雾化,以便在气化炉内达到良好的气化效果。
(2)流通通道无论是中心氧、还是水煤浆及外氧的流通面积,均需要满足各自介质的流量要求。
在供应压力允许的情况下,力争达到良好的混合和雾化效果。
但是,中心氧的比例有一定的限制,一般为总氧量的5%~25%,其余均作为外氧。
中心氧量不能太小,不然达不到对煤浆的稀释和加速作用。
中心氧量也不能太大,一方面,太大会使预混合区的混合物流速增加太多,造成中心管出口处的磨损加重,降低烧嘴的连续使用寿命;另一方面,中心氧量增大时,必然使烧嘴出口物料的轴向速度分量增大,径向速度分量减小,其结果是使整个烧嘴出口的火焰变得细长,无法与气化炉的内部型面匹配,造成较大直径的煤粉颗粒在气化炉内停留时间变短,炉渣中的含碳量增加,引起气化效率降低,而且,会使火焰直冲炉底,影响炉底激冷环的工作。
(3)流速中心氧的出口流速一般为150~180 m/s,煤浆出口流速一般为2~4 m/s,预混合腔出口平均流速一般为12~20 m/s,外氧的出口流速一般为160~200 m/s。
2影响烧嘴使用寿命的主要因素探讨根据多年来从事水煤浆气化炉工艺烧嘴研制的经验和工业化运行的生产实际情况,水煤浆气化炉工艺烧嘴的损坏方式主要有种:即冷却水盘管损坏;中喷头物理磨蚀;热、化学、应力使外喷头受损。
以下逐一分析。
2.1 冷却水盘管损坏冷却水盘管的作用是保护烧嘴(处于高温工艺气体的本体部分),冷却水盘管的外部环境恶劣。
损坏方式一般有以下几种。
(1)冷区水盘管和外喷头焊接处热应力损坏。
原因是两个零件之间的连接为角焊缝焊接,壁厚差别较大,使用材料也不同,又处于烧嘴的端部,在使用过程中,容易产生裂纹(主要是热应力的影响)形式的损坏。
我们采取的改进措施是将角焊缝处改为同一种材料,收到了一定的效果。
如图2所示。
图2改进的冷却水盘管(2)如果冷却水盘管内的冷却水温度控制不当,会造成盘管表面低温腐蚀,一般将冷却水温度控制在170 ℃以上比较合适,但实际工艺设计中,冷却水的作温度一般在50℃以下,这样盘管表面就存在低温腐蚀。
另外,盘管应选用高温性能稳定的材料,目前材料以Inconel600为最好。
(3)冷却水盘管在弯制过程中,要控制好加热温度和弯制速度,控制管材的变形量和减薄量,保证盘管成型后的整体强度和刚度。
(4)在正常运行过程中,由于工艺烧嘴端面处存在较强的气体回流,工艺烧嘴与气化炉内壁之间的空隙处经常会出现积渣,这些积渣在烧嘴拔出时也会造成盘管的损坏,增加盘管的壁厚等级可以有效减轻这一损坏。
2.2 中喷头的物理磨蚀物理磨损是水煤浆气化炉工艺烧嘴的致命弱点,也是影响水煤浆气化炉连续运行和整个工艺连续运行的主要因素之一。
一般情况下,水煤浆气化炉工艺烧嘴连续运行30~60天,就需要停炉检修和更换,因此,水煤浆气化工艺必须有备用炉,这是造成投资费用、运行费用增加的重要原因之一。
如前文所述,为了使水煤浆中的煤粉在气化炉中充分气化,必须用一定量的氧气对水煤浆进行雾化,图3示出了水煤浆雾化液滴尺寸和雾化气体流量(即气体流速)之间的关系。
为了达到良好的雾化效果,气体流速必须达到一定值。
也就是说,预混合腔内的混合物(水煤浆、氧气)流速必须达到一定值。
由于混合物中含有大量的煤粉固体颗粒,造成中喷头内腔磨损。
为了增加中喷头内腔的抗磨损能力,选用抗磨性能良好的材料是目前唯一可行的方法,当然还要考虑抗氧化性能。
普遍采用的材料是GH188和UMCo-50,但连续工作的时间也只有30~60天。
影响运行周期的因素很多,主要有煤种、生产负荷等。
据悉有关单位已经研究成功了具有较长寿命的陶瓷材料中喷头,但还没有公开的报道。
我们在中喷头的内腔表面喷涂抗物理磨蚀的硬质合金,对提高烧嘴的连续使用时间有一定的作用(见图5b),有关试验工作还在继续进行。
预混合腔内的混合物流速不能太小,太小会造成雾化不佳,影响总体碳转化率。