德士古气化炉维护检修规程
- 格式:docx
- 大小:30.84 KB
- 文档页数:8
气化炉维护检修规程气化炉是一种将燃料转化为可燃气体的装置,广泛应用于煤气、石油、化工、冶金等行业。
由于气化炉在使用过程中会受到高温、高压、强腐蚀等多种因素的影响,因此维护和检修非常关键。
为了确保气化炉的正常运转和安全使用,制定了以下的气化炉维护检修规程:维护规程1.遵守操作规程,按时进行日常维护和保养。
2.定期对气化炉的关键部位进行检查和维护。
3.检查气化炉内部排放管路,清洗掉管路内的积尘和管道内的杂物。
4.定期检查气化炉的燃烧器,清洗火焰器的壁面、喷嘴、隔板等部件,清除其表面积热坑,弦断损坏等瑕疵。
5.检查气化炉的炉膛、炉面、高温烟道、低温烟道等部位,注意清理积灰和积烟的烟道,保持其畅通无阻。
6.维护过程中,必须按照相关标准,选择适合的维修材料,不能凭个人意愿更改原设想、更换或加装件。
检修规程1.检修前必须对气化炉的内部和外部环境进行检查,然后按规定切断与气化炉相连的电、气、油路电源。
2.检查气化炉的各项部件是否能进行拆卸和安装,检查拆装时有没有特殊的要求。
3.拆卸的零部件必须清洗干净,碳化、氧化或其他损坏的零部件必须更换。
4.检查气化炉内压力表、温度计、温度传感器等仪器,检查仪表的表盘和工作表现。
5.检查气化炉的自动控制系统、抽风、加热、净化等系统,检查各设备的运行状况,对设备运行情况不正常的,必须及时进行调整或更换。
6.检查气化炉的安全保护系统和安全附件,检查附件配合是否紧密,操作是否灵敏,必要时进行维护/更换。
7.检查气化炉的防火结构、防爆结构和与周边防火墙的距离是否满足要求,必要时进行调整或加固。
8.检查气化炉后,必须按照操作规程进行开机调试,调整运行参数,检查各部工作是否正常,各项指标是否符合规定值。
注意事项1.维护和检修气化炉时,必须经过专业的培训和考核合格的人员操作,禁止擅自操作。
2.切勿在气化炉周围进行明火作业,禁止吸烟、喷漆等行为。
3.维修气化炉时,必须停电或切断气源,在工作现场安装完善的安全措施,确保人员的安全。
气化炉维护检修规程前言气化炉作为化工生产过程中重要的装置之一,其正常运行对整个生产链的稳定性至关重要。
然而,随着使用年限的增加和使用频率的提高,气化炉必须进行定期的维护和检修,以保证其正常运行和延长使用寿命。
本文旨在制定详细的气化炉维护和检修规程,为气化炉的日常运行提供指导,同时保证操作人员的安全。
维护规程检查气化炉外部1.定期巡查气化炉的外部,检查管道、阀门、泄压装置、仪表和附属设备是否有漏气、漏油、渗漏等现象,并及时处理。
2.每次停炉时,对气化炉冷却系统进行排水处理,并检查冷却水的水质是否正常,如有变异及时更换。
3.每天对气化炉外部进行清洁,清除积尘、杂物等。
检查气化炉内部1.定期检查气化炉内部结构、冷却系统、进出料口、底部卸料器的运行状态,并及时处理问题。
2.根据气化剂使用情况,每月进行附属设备的维护,包括风机、鼓风机、压缩机等设备的清洁和润滑。
3.对气化炉的温度、压力、流量等参数进行监测和记录,以便及时发现并解决问题。
定期维修1.根据气化炉的使用情况和维修记录,制定定期维修计划,对气化炉进行内部清洁和润滑。
2.定期更换气化炉的密封垫,以防止泄漏和损坏设备。
3.每 6-12 个月进行气化炉的大修和局部更换,更换破损的管道和阀门等。
停炉检修1.停炉检修一般按照气化炉使用时间和维修计划进行。
2.在停炉之前,调整炉膛温度到正常故障下的温度之下,并对气化炉内部进行清洁。
3.进行内部检查,主要检查底部卸料器、管道、阀门、燃烧器和冷却器等设备的磨损情况。
4.进行维修和更换,按计划进行换件和润滑。
5.完成检修后重新投产,检查设备运行状态,保证正常运行。
安全注意事项1.气化炉属于高温、高压、易燃易爆的设备,必须保证操作人员具有足够的安全意识和技能,遵守操作规程。
2.操作人员必须戴好安全帽、防护镜、手套等必要的防护措施,并规范作业动作。
3.定期检查管道、阀门的可靠性,严禁在正常作业前和过程中进行安全隐患排除。
气化炉维护检修规程模版1. 规程目的本规程旨在确保气化炉的正常运行和安全使用,保证气化炉设备的稳定性和可靠性,减少故障发生的可能性,提高生产效率。
2. 规程适用范围本规程适用于所有使用气化炉的相关人员,包括但不限于工程师、技术人员、操作人员等。
3. 规程内容3.1 定期检查3.1.1 每月定期检查气化炉的燃烧器、风道和烟囱的连接情况,确保连接紧固、无渗漏现象。
3.1.2 每季度定期检查气化炉的喷油系统、点火系统和供气系统的运行状态,确保设备正常运行,无堵塞、漏油等问题。
3.1.3 每半年定期检查气化炉的传感器、阀门和控制系统的工作状况,确保设备准确可靠。
3.2 清洁保养3.2.1 每周清洁气化炉的外部表面,去除灰尘和污垢,保持设备干净整洁。
3.2.2 每季度对气化炉进行内部的清洁保养,包括清理燃烧室、换气室和烟道,确保设备通畅。
3.2.3 定期清洗气化炉的燃烧器和喷油嘴,清除积碳和杂质,维持正常的燃烧效率。
3.3 注意事项3.3.1 操作人员需熟悉气化炉的工作原理和操作规程,确保安全操作。
3.3.2 在维护和检修过程中,必须切断气源和电源,避免意外发生。
3.3.3 检查气化炉设备时,必须佩戴相关的防护设备,如手套、护目镜等,确保人身安全。
3.3.4 发现气化炉设备有任何异常情况或故障时,应及时报告相关部门或上级领导,避免事故的发生。
4. 维护记录维护人员应及时记录每次维护的内容、时间和维护人员名字,并保存相关文件和记录。
5. 规程责任5.1 设备部门负责指定专人负责气化炉设备的维护和检修工作,并对其进行培训和管理。
5.2 操作人员必须按照规程要求进行操作和维护,严格遵守安全操作规程。
5.3 设备维护人员必须按照规程要求进行设备的维护和检修工作,确保设备安全高效运行。
5.4 监督部门应定期检查维护记录,对规程执行情况进行评估,提出改进建议并监督改进。
6. 规程修订本规程的修订需经设备部门审批,并通知相关人员执行。
气化炉维护检修规程范文一、导言气化炉是工业生产过程中常用的重要设备,为了确保其正常运行和安全可靠性,必须按照规定的程序进行日常维护和定期检修。
本规程旨在指导维护人员进行气化炉的维护与检修工作,保障设备的正常运行。
二、维护工作内容1. 日常维护(1)定时检查气化炉的加热器、引风机、鼓风机等设备的运行情况,确保设备无异常运转。
(2)检查炉内的燃烧状况,清理炉内的灰渣和积炭,防止积炭过多,影响炉内空气流动。
(3)检查炉膛的砖瓦是否存在破损或脱落现象,如有问题及时修复。
(4)检查管道系统的密封情况,如有泄漏及时处理。
(5)清理和更换过滤器,保持气化炉系统的清洁。
(6)定期校准和检查传感器、仪表的准确性,确保测量值的准确性。
(7)记录每次维护的内容和维护日期,建立相应的维护档案。
2. 定期检修(1)定期检查炉膛内砌体的损坏程度,如有需要及时修复或更换。
(2)清理和校准冷却系统,确保其正常运行。
(3)检查燃烧器的喷嘴,确保燃烧器喷嘴的通畅性。
(4)检查燃烧器的点火装置,确保其可靠性。
(5)清理炉膛内的燃烧设备,如燃油喷嘴、喷油器等,保持其工作状态。
三、维护检修流程1. 日常维护流程(1)按照规定的时间进行设备的巡检,记录设备的运行情况。
(2)检查炉内的燃烧情况,清理炉内的灰渣和积炭。
(3)检查砖瓦的状况,如有破损或脱落的,及时修复或更换。
(4)检查管道系统的密封情况,如有泄漏及时处理。
(5)清洁和更换过滤器,确保系统的清洁。
(6)校准和检查传感器、仪表的准确性。
(7)记录维护内容和日期,建立档案。
2. 定期检修流程(1)拆卸炉膛内的砌体,检查是否有破损或脱落的情况。
(2)清理并校准冷却系统,确保其正常工作。
(3)检查燃烧器的喷嘴,确保通畅性。
(4)检查燃烧器点火装置的可靠性。
(5)清洁炉膛内的燃烧设备,保持其工作状态。
四、维护检修安全注意事项1. 在进行维护检修工作时,需检查操作人员是否具备相应资质,未经培训和授权的人员不能进行维护检修工作。
气化炉维护检修规程1. 前言为了保证气化炉的正常运行,减少因设备故障等原因带来的安全事故和经济损失,本文档概述了气化炉的维护检修规程。
请设备维护人员认真阅读,遵守规程,确保设备的正常运行和安全稳定。
2. 设备安全检查2.1 预备工作进行设备检修之前,必须先做好以下预备工作:•断电:确认气化炉上电源已彻底切断,并在控制柜和炉体上张贴“禁制通电”等标识;•准备工具:准备必要的保养工具和清洁用品,如螺丝刀、扳手、清洁布等;•安全防护:穿戴好安全防护用品,如手套、口罩、护目镜、防护服等,务必注意安全;2.2 设备检查•设备外观,检查器表、连杆、里程碑等是否有异常现象,以及设备固定是否牢固地被固定在地面上;•调压器,检查调压器和水箱之间的紧密性,并检查压力及关口的尺寸;3. 维护3.1 炉膛清洁安全检查后,进行清洁工作是很必要的。
请遵循以下步骤:•切断气源,开启进气通气装置,确保炉体内无残留气体;•开启炉门,用清洁布或者刷子将气化炉炉膛内部进行清洁,将物料清理干净,防止堵锅;3.2 检查电器系统•全面检查电缆、电机等电气系统,并修复损坏等不良现象;•钥匙放在控制柜上,确保全部元器件及铜片皆符合电器被恢复运行前的要求;3.3 检查气源系统•检查气系统进口是否有含水分的煤气等;•确保气系统正常运行并调试好全部的压力表;4. 故障处理4.1 看看手册有些问题,可能在手册中都有解答。
当发生问题时,请首先查阅设备的使用手册,多了解设备细节,当遇到问题时,会得到许多有益的信息;4.2 进行设备诊断•确认是否需要更换或调整各部件,如需要更换时,请选择符合规定的原件进行更换,并严格执行相关操作规程;•发现问题请详细细节记录,包括时间、地点、问题现象,以方便判断问题来源5. 后续工作维修工作完成后,工程师应对气化炉进行全面检查,将相关记录登记在设备维护记录表上。
每月将设备维护记录表送至设备管理部门并进行备案。
在设备检修期间应开展安全教育和培训工作,使设备维护人员能够进一步了解和掌握设备运行知识和操作技术,提高其安全防护意识及工作技能。
气化炉维护检修规程气化炉是工业生产中常用的一种燃烧设备,用于将固体或液态燃料转化为气体燃料,广泛应用于冶金、化工、能源等行业。
为了保证气化炉的正常运行和安全性,进行定期的维护检修是必不可少的。
下面是一个____字的气化炉维护检修规程,供参考:第一章总则第一条为确保气化炉的正常运行和安全性,提高设备的利用率和寿命,减少事故的发生,制定本规程。
第二条本规程适用于所有使用气化炉的生产工序。
第三条气化炉的维护检修应有维护人员专人负责,并按照本规程执行。
第四条维护检修人员应具备相关专业知识和技能,按照操作规程和安全规定进行工作。
第五条维护检修工作应严格按照生产计划和安全标准进行,并及时记录维护检修的内容和结果。
第二章维护检修内容第六条气化炉的维护检修包括预防性维护和故障维修。
第七条预防性维护主要包括日常巡视、定期检查和定期保养。
1. 日常巡视应包括炉体、炉门、烟道、进料口等的检查,发现问题及时处理。
2. 定期检查应包括炉体和炉内设备的检查,如炉壁的腐蚀、排渣装置的磨损等。
3. 定期保养应包括炉体清洗、燃烧器喷嘴更换、炉内设备的润滑等。
第八条故障维修主要是指气化炉发生故障时的紧急处理和维修。
1. 对于临时故障,应及时进行排除,如燃烧不稳定、温度过高等。
2. 对于较大的故障,应立即停机,并通知有关部门进行维修。
第九条在维护检修过程中,应注意设备的安全性和操作的规范性,严禁操作不当造成的事故发生。
第三章维护检修要求第十条维护检修人员应按照相应的操作规程进行工作,不得擅自更改或忽略任何操作步骤。
第十一条维护检修过程中应配备必要的工具和设备,并保持其良好的状态和数量。
第十二条维护检修人员在进行工作前,应检查设备压力、液位、温度等参数是否正常,如发现异常应及时报修。
第十三条维护检修过程中应严格遵守安全操作规程,如戴好安全帽、穿好防护服等。
第十四条维护检修完成后,应检查设备是否正常运行,如发现问题应及时进行排除。
第十五条维护检修人员在工作期间,应主动向上级报告工作内容和进展情况,并及时记录相关数据。
《装备维修技术》2021年第13期煤气化德士古气化炉的检修维护措施探究牛清亮(兖矿国宏化工有限责任公司,山东 邹城 273500)摘 要:本文简要介绍了德士古气化炉的概述,然后围绕制定适当检修计划、完善日常检修内容、加强激冷室的检修、强化耐火砖的检修、气化炉的检修维护五个方面,主要探讨了煤气化德士古气化炉的具体检修维护措施,以此提高德士古气化炉的质量,为工作人员提供充分参考。
关键词:煤气化;德士古气化炉;检修维护引言:近年来,随着我国经济的日益增长,煤气化工业的发展得到迅速提升,尤其是德士古气化炉在化工行业中具有重要作用,在对该设备使用的过程中,化工行业具有相应的特殊性。
因此,该设备极易出现故障,造成设备无法正常投入到使用中,工作人员需加大对德士古气化炉的检修以及维护,减少其发生故障的概率,延长设备的使用周期,以此为化工企业带来更大的经济效益。
1德士古气化炉概述德士古气化炉是一种两相并流气化的炉型,其结构按功能分为燃烧室以及激冷室。
其中,燃烧室是通过高温高压的环境,对水煤浆进行充分裂解、挥发,燃烧,气化,以此为该项工作提供相应的场所,以完成设备的工作内容。
在激冷室中,可有效将熔渣、粗煤气等进行洗涤、冷却,通过不断发挥德士古气化炉的优势,能够充分提高该设备的使用效率,确保化工厂具有较高的生产效率,以达到良好的使用效果。
在该设备的使用过程中,工作人员需对其原理进行全面分析,了解德士古气化炉的整体结构。
该装置通常会将水煤浆通过隔膜泵不断对其进行加压,通过工艺烧嘴后,将水煤浆与氧气喷入到炉内进行充分混合,以形成良好的状态。
在该形式下,水煤浆与氧气进行氧化还原反应,加强对水煤浆的充分分解,从而可有效达到良好的使用效果;当熔渣与粗煤气进入下降管中后,激冷水通过激冷环流出,在下降管内壁环形环形水膜,可有效保护气化炉内件,激冷水、熔渣和粗煤气通过下降管过进入激冷室液相,经过液相的洗涤、降尘后,粗煤气经过气泡切割器除沫后进入后系统,冷却后的熔渣进入到收集装置中,以此完成气化炉主要功能。
气化炉维护检修规程范本第一章总则第一条为了确保气化炉的正常运行,维护气化炉设备的完好和安全,保证生产的连续性和可靠性,制定本规程。
第二条本规程适用于所有使用气化炉设备的单位及相关人员。
第三条气化炉的维护检修工作应严格按照本规程的要求进行。
第四条涉及气化炉维护检修的重大问题,应及时报告上级主管部门,并采取紧急措施,确保安全。
第五条本规程的修订、补充事项由本单位设备管理部门负责,并应报上级主管部门备案。
第二章维护检修组织和职责第六条维护检修工作由本单位设备管理部门负责组织和协调。
第七条设备管理部门应建立完善的气化炉维护检修的工作制度和档案,制定计划,并进行监督和指导。
第八条设备管理部门应负责对气化炉的定期维护、修理和检查,并制定保养计划。
第九条维护检修人员必须经过专业培训并持有相关证书,熟悉气化炉的结构和运行原理,具备操作维护设备的能力。
第十条维护检修人员应遵守工作纪律,按照规定的要求执行维护检修工作,发现问题及时汇报,并采取相应措施进行处理。
第三章维护检修内容和周期第十一条气化炉维护检修的内容包括:设备的外观检查、清洁、润滑、紧固、设备的保养、设备的部件更换和检修等。
第十二条气化炉的维护检修周期应根据设备的使用情况、设备的工作环境和设备的重要性,经设备管理部门的评估决定。
第十三条气化炉日常维护工作应由操作人员定期进行。
设备管理部门应对其进行监督和指导。
第十四条气化炉的定期检修工作应由设备管理部门组织进行,检修人员必须按照规定的要求进行检修,做到逐项检查,确保设备的安全可靠。
第十五条设备管理部门应建立设备检修台账,并进行及时更新和归档。
第四章维护检修流程和措施第十六条维护检修工作应按照以下流程进行:确定维护工作的目标和具体内容、制定维护计划、组织维护检修人员进行工作、维护检修人员进行工作、检查和验收维护结果。
第十七条维护检修期间,应采取相应措施确保操作人员的安全,避免事故的发生。
第十八条维护检修过程中,如发现设备存在问题,应及时报告并汇报上级主管部门,采取相应措施进行排查和处理,确保设备的正常运行。
气化炉维护检修规程前言气化炉是炼油厂、化工厂等工业企业必备的设备,用于将介质中的固体、液体或液化气体转化为气体。
其工作环境复杂,要求工作人员具备一定的安全意识和技能。
为了保障炉内设备及工作人员的安全,制定本规程。
一、设备安全操作规程1. 设备检查每班操作前,进行必要的检查,检查内容包括:进汽温度、出口温度、炉门密封、燃气开关、火焰形态等。
2. 防爆操作气化炉是一种高温高压的设备,要求操作人员需了解防爆操作规程。
操作前应查看气化炉及其附属设备的防爆措施是否完善。
3. 排放规范气化炉需要排放废气,排放时需做好防火、防爆预防措施。
操作前需检查排气管道的畅通情况,以确保能够顺畅排放废气。
4. 通风安全规程气化炉需要加热才能够发挥作用,操作人员需合理使用通风设备,确保操作环境良好。
同时,一旦发现炉内有异常情况,例如燃气泄漏等,应及时关闭通风设备,以避免扩大安全事故。
二、设备维护规程1. 按照规定清洁设备气化炉在使用过程中容易产生垃圾和污垢,影响炉内的使用效率,因此操作人员要定期按照规定清洁设备。
要注意不要使用过硬的物体或者有可能弄伤机器的工具。
2. 定期更换附件气化炉在使用过程中容易损坏附件,因此操作人员要定期检视,及时更换附件。
更换附件时,要关注产品的使用寿命,准确判断更换时间。
3. 注意使用配件为了确保气化炉的使用效率,操作人员在维护炉子的时候一定要注意使用配件,以确保业务的顺畅进行。
当使用配件时要遵循相应的要求和操作步骤,不得擅自更改。
4. 火焰状态调整当气化炉的火焰状态不稳定或异常时,操作人员要及时调整参数。
通过调整气化炉的参数,使得炉内的火焰状态恢复正常。
三、设备故障排除规程1. 强制关闭当操作人员发现炉子内部存在异常情况时,需要实现强制关闭。
在这种情况下,需要进行相关记录,包括关闭时间,关闭原因和关闭过程等。
2. 故障排查在气化炉的使用过程中,如果出现故障,操作人员需要进行相应的故障排查。
在排查故障的过程中,要注意使用正确的工具和技术,以尽可能减少附加故障的发生。
合成氨二厂1#气化炉大修方案一、概述1#气化炉是合成氨气化装置的关键设备,工号2113,规格Ф2756×64 ,1#炉经过十多年使用,激冷环、下降管和导气管磨损、腐蚀严重,严重影响生产。
此次1#炉大修总体工程量是渣口、锥体砖拆除、重新砌筑;破渣机拆除、复位;激冷环、下降管拆除,更新。
其施工特点为参加施工作业的工种多,施工难度大,时间紧、任务重。
检修公司特编制定本施工方案,确保本拆除工程按时,保质,保量,安全顺利完成。
二、1#气化炉大修方案1、化工将1#炉安全整体交出,检修条件具备。
2、检修钳工将与08阀、09阀及短节相连的螺栓拆除,具备起吊条件。
3、检修起重工利用葫芦,将08阀、09阀及短节移至安全地方摆放。
4、检修起架工在破渣机四周搭设毛竹架子,铺设跳板,并做好安全警示。
5、检修钳工在化工的配合下检查破渣机支架上4个液压千斤顶是否正常,并将滑道清理干净。
6、检修起重工首先利用液压千斤顶顶住破渣机,检修钳工将与破渣机相连的螺栓拆除,再将千斤顶缓慢落下,把破渣机整体沿着滑道移出。
7、检修焊工在激冷环以下300mm处用等离子将下降管断开,检修起重工将下降管和导气管整体吊出。
8、检修起重工将激冷环、下降管和导气管吊入炉内,检修铆工、焊工将激冷环与下降管对焊,保证同心度3/1000mm,垂直度误差小于等于5mm,焊缝打磨光滑。
9、检修钳工进入炉内安装导气管支腿。
10、确认激冷环、下降管和导气管安装完毕,将破渣机整体复位。
11、复位08阀、09阀及短节。
12、确认所有管道法兰的螺栓都以紧固,交付使用。
三、1#气化炉砌筑检修方案(一)、检修范围根据现场实际情况、气化炉图纸和合成氨二厂要求,确定以下检修范围:1、渣口、锥体(包括其后面的混凝土)拆除、清理及砌筑;2、拱顶拆除、清理及砌筑;3、喷嘴颈部砖拆除、清理及砌筑;4、筒体砖TI438及背衬三层TI430砖拆除、清理及砌筑;(二)、编制依据、标准、规定1、气化炉图纸及现场实际情况;2、参照德士古合成气有限公司提供的耐火材料安装手册的有规定;(三)、砌筑施工工艺1、砌筑使用灰浆由砖厂提供,灰缝通常为1.2mm,且必须保证该厚度,且紧密,防止窜气;2、各耐火砖层间应设置滑缝降低砖之间的应力;3、烧嘴颈部顶端、拱顶炉壁、向火面背部、炉壁上端托转四周、锥体与炉壁之间、渣口与锥体之间需设置膨胀缝,其中烧嘴颈部顶端、锥体与炉壁之间膨胀缝用耐火纤维毡,拱顶炉壁膨胀缝用可压缩绝热材料。
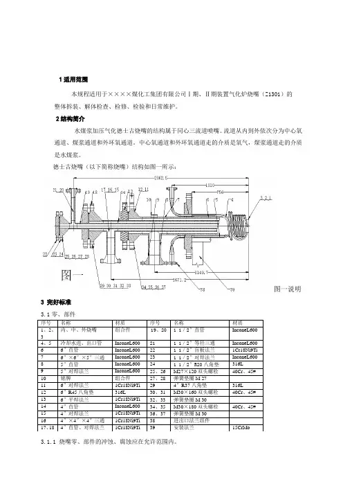
1适用范围本规程适用于××××煤化工集团有限公司Ⅰ期、Ⅱ期装置气化炉烧嘴(Z1301)的整体拆装、解体检查、检修、检验和日常维护。
2结构简介水煤浆加压气化德士古烧嘴的结构属于同心三流道喷嘴。
流道从内到外依次分为中心氧通道、煤浆通道和外环氧通道。
中心氧通道和外环氧通道走的介质是氧气,煤浆通道走的介质是水煤浆。
德士古烧嘴(以下简称烧嘴)结构如图一所示:图一说明3 完好标准 3.1零、部件3.1.1 烧嘴零、部件的冲蚀、腐蚀应在允许范围内。
序号 名称材质 序号 名称材质1、2、3 内、中、外烧嘴 组合件 19、20 1 1/2″直管 InconeL600 4、5 冷却水进、出口管 InconeL600 21 1 1/2″等径三通 InconeL600 6 6″直管InconeL600 22 1 1/2″盲板法兰 1Cr18Ni9Ti 7 6″×6″×5″三通 InconeL600 23 1 1/2″对焊法兰 InconeL600 8 5″直管 InconeL600 24 1 1/2″R20八角垫 316L9 5″对焊法兰 InconeL600 25、26 M27×120双头螺栓 40Cr 、45# 10 铭牌组合件 27、28 弹簧垫圈M 2711 6″对焊法兰 1Cr18Ni9Ti 29 4″R37八角垫316L12 6″R45八角垫 316L30、31 M30×160双头螺栓 40Cr 、45# 13 6″平焊法兰 1Cr18Ni9Ti 32、33 弹簧垫圈M 3014 4″直管 InconeL600 34、35 M30×180双头螺栓 40Cr 、45# 15 4″对焊法兰1Cr18Ni9Ti 36、37 弹簧垫圈M 30 16 4″×4″×4″三通 1Cr18Ni9Ti 38 进出口法兰组件17、184″直管、对焊法兰1Cr18Ni9Ti39安装法兰15CrMo3.1.2 烧嘴零、部件应无变形和内部缺陷。
德士古气化炉检修操作规程德士古气化炉是一种常见的燃烧设备,它在工业生产中广泛使用。
为了确保其正常运行和安全使用,对其进行定期检修是非常重要的。
下面是德士古气化炉检修操作规程,以供参考。
一、准备工作1. 掌握德士古气化炉的技术参数和工作原理。
2. 准备必要的工具和设备,如扳手、螺丝刀、钳子等。
3. 关闭气化炉的电源和燃料供应系统,并确保其冷却至安全温度。
二、安全措施1. 检查工作区域的安全状况,清除障碍物,确保操作区域干净整洁。
2. 穿戴工作服和防护用品,包括安全帽、眼镜、防护手套等。
3. 在操作前,确保相关人员已经接受过必要的安全培训。
三、检修步骤1. 检查外部部件和连接件:检查气化炉的外部部件和连接件,如燃料供应管线、电缆线等是否有磨损、松动等问题。
如有问题,及时进行更换或修复。
2. 检查炉膛和燃烧器:打开气化炉的观察门,检查炉膛内部的状况,包括燃烧器的磨损情况、烟道是否有积炭等。
如有必要,清除积炭并更换磨损的部件。
3. 检查燃料供应系统:检查气化炉的燃料供应系统,包括燃料阀门、过滤器等是否正常工作。
如有故障,进行修复或更换。
4. 清洗炉内部:使用清洁剂和刷子清洗炉膛内部的油污和污垢。
注意操作时要小心,避免受伤。
5. 检查控制系统:检查气化炉的控制系统,包括压力传感器、温度传感器等是否正常工作。
如有故障,进行修复或更换。
6. 检查烟道系统:检查气化炉的烟道系统,包括排烟扇、烟道管线等是否通畅。
如有堵塞,清除堵塞物。
7. 定期更换滤芯:根据使用情况,定期更换气化炉的滤芯,保证其过滤效果。
8. 清理灰尘和杂物:定期清理气化炉周围的灰尘和杂物,确保其工作环境整洁。
四、验收和记录1. 完成检修后,进行验收工作,测试气化炉的运行状况和安全性能。
2. 将检修情况记录下来,包括检修时间、检修内容、更换的部件等,以备参考和后续维护工作。
以上就是德士古气化炉检修操作规程的一般步骤,具体的检修工作还需要根据实际情况进行调整和完善。
气化炉维护检修规程范文气化炉是工业生产中常用的设备之一,为了保证其正常运行和延长使用寿命,进行定期的维护检修是必不可少的。
本文将详细介绍气化炉维护检修规程,重点突出规范操作流程和注意事项,以确保维护检修工作的高效进行。
一、维护检修前的准备工作在进行气化炉的维护检修前,需要做好以下准备工作:1. 制定详细的维护检修计划,包括时间、人员、工具和材料等。
2. 确保维护检修人员具备相关的技术知识和操作经验。
3. 提前准备好所需的工具和材料,并对其进行必要的检查和清理。
4. 检查气化炉的运行记录和设备状态,了解其运行情况和可能存在的问题。
二、维护检修操作流程1. 断开气化炉的电源和气源,并确保其处于安全状态。
2. 对气化炉进行外观检查,清除周围的杂物和灰尘,保持工作环境整洁。
3. 检查气化炉的冷却系统,确保其正常运行和无泄漏现象。
4. 检查气化炉的燃烧系统,包括燃烧室、喷嘴和点火装置等,清洁和更换损坏的零部件。
5. 检查气化炉的温度控制系统,测试和校准温度传感器和控制器等,确保其准确性和可靠性。
6. 检查气化炉的压力控制系统,测试和校准压力传感器和控制器等,确保其准确性和可靠性。
7. 检查气化炉的燃烧气体供应系统,包括气源管道、压力调节器和阀门等,确保其正常运行和无泄漏现象。
8. 检查气化炉的烟气排放系统,包括烟气管道、排烟风机和排烟口等,清洁和更换损坏的零部件。
9. 对气化炉进行全面的功能测试,包括点火、燃烧和温度控制等,确保其正常运行和稳定性。
10. 维护检修完成后,恢复气化炉的供气和供电,并进行运行测试,确保一切正常。
三、维护检修注意事项1. 在进行维护检修工作时,必须严格遵守相关的安全规定和操作规程,确保人员安全和设备的正常运行。
2. 在拆卸和更换零部件时,要小心操作,避免因操作不当导致的伤害和损坏。
3. 对于涉及到高温和高压的部件,必须在冷却后才能进行检修和维护。
4. 在进行电气设备的维修时,必须切断电源,并采取相应的防护措施,避免触电和电火灾等安全事故。
气化炉维护检修规程1 总则1.1适用范围本规程适用于山东华鲁恒升化工股份有限公司A气化炉及B/C气化炉的维护检修。
1.2设备概述气化炉为华鲁恒升大氮肥国产化装置中核心设备之一,用于水煤浆的加压气化,为合成氨或甲醇生产提供粗原料气。
我公司采用的气化炉分为两种类型:一种为西北化工研究院的专有技术(B/C气化炉,类似于德士古气化炉);另一种为华东理工大学的专有技术(A气化炉,为四烧嘴对撞式,具有自主知识产权)。
1.3设备结构与技术性能简介1.3.1 设备结构A气化炉和B/C气化炉均由燃烧室和激冷室组成。
燃烧室内衬耐火材料,就燃烧室筒体来说,从内到外依次为热面砖、背衬砖、隔热砖和可压缩层(膨胀材料)。
衬里材料结构为:炉膛基本为竖向直筒;上面为球形拱顶;下面为收缩的渣口结构,即锥底。
在使用中蚀损最严重的部位是向火面砖。
A气化炉和B/C气化炉在结构上的主要区别有:a)A气化炉安四个烧嘴,在炉子侧面即燃烧室筒体上水平对置安装,A气化炉开车时在炉子顶部安装预热烧嘴,正常生产时炉子顶部用堵头堵死;B/C气化炉只一个烧嘴,在炉子顶部朝下安装,开车时预热烧嘴也安装在此。
b)A气化炉在激冷室只有下降管没有上升管,而设置了气泡分离器;B/C气化炉既有下降管也有上升管,没有设置气泡分离器。
1.3.2 技术参数与性能A气化炉和B/C气化炉的介质均为O2、H2、CO、CO2、H2O、H2S、N2和炉渣,工作压力均为6.5MPa,燃烧室工作温度均为1450℃,激冷室工作温度均为252℃。
单炉日处理煤量A气化炉比B/C气化炉略高。
另外,A气化炉产生的气化气中有效气体成分(CO+ H2)含量高。
1.4设备完好标准1.4.1 零部件a)各零部件和附件完整、齐全,质量符合要求b)仪表、仪器、安全联锁装置准确、灵敏,不超期使用1.4.2 设备性能a)气化气产量、纯度达到设计要求b)各项工艺参数符合操作指标1.4.4 技术资料1.4.4.1技术资料准确齐全,至少包括:c)竣工图,制造、安装技术文件(含无损检测记录、设备制造合格证、压力容器制造质量证明书、安装工程交工技术文件),设备调试记录,使用说明书d)设备结构及易损件图纸e)设备运行累计时间f)设备检修方案,实际修理情况记录及技术鉴定记录g)设备技术改造的方案、图样、材料质量证明书、施工质量检验技术文件和资料h)安全附件校验、修理和更换记录i)历年设备缺陷、事故情况记录及处理报告1.6.4.2 操作规程和维护检修规程齐全1.6.5 设备及环境a)设备静密封点达到《化学工业设备动力管理规定》中的静密封检验标准b)设备保温良好,无跑冷现象c)设备防腐完整d)设备及周围环境清洁,无杂物2 日常维护与常见故障处理2.1 日常维护2.1.1 严格按照气化炉工艺操作规程调整工艺参数,使设备正常运行。
气化炉检修规程气化车间二0一0年六月二十日编制审核审定批准目录1.总则 (1)2.设备完好标准 (5)3.设备的维护 (6)4.检修周期和检修内容 (7)5.检修方法和质量标准 (8)6.试车与验收 (9)7.维护检修安全注意事项 (10)1 总则1.1 规程适用范围本规程适用于德士古水煤浆气化工艺的专用设备——气化炉。
1.2 设备结构简述气化炉主要由燃烧室和激冷室两部分组成。
RⅡ1201是按美国公司的基础工艺设计(Process Design Project)的条件进行详细设计的,炉顶上接工艺烧嘴,急冷室中的急冷环,耐火炉衬由GE公司做祥细设计,本设备的主要材料为SA387 Grade11 Class2,锻件材质为SA182 F11 Class2,要求供贷状态为:正火+回火,并要求进行真空处理,化学成分及机械性能应符合T05031-612ⅡFD50-01YQ中的要求。
急冷室壳体主材采用SA387 Gr11 C12+316L的轧制复合板,复合板厚度4mm。
表面热电偶固定装置的螺母按图T05031-612ⅡFD50-1018排列布置,焊于壳体上并与壳体一起热处理。
急冷室部份作外保温,燃烧室部份不保温。
炉体气密性试验与工艺系统一起进行。
a.燃烧室燃烧室由主材为SA387 Gr11 Cl2制成的筒状壳体内衬耐火砖而成。
壳体上封头为半球体,顶部有烧嘴安装口,下部为锥体。
b.激冷室壳体主要采用SA387 Gr11 Cl2+316L轧制而成,内部连接于燃烧室锥底的激冷环和水环管插入支撑于锥体的抽引管,人孔开在下部。
1.2.1 RⅡ1201技术特性1.3 设备主要性能工作介质燃烧室为高温煤气和熔渣,激冷室为煤气、熔渣、黑水;工作压力≤4.0MPa;操作温度燃烧室≤1400℃,激冷室≤230℃。
2 设备完好标准2.1 零部件完整齐全,质量符合要求2.1.1 压力、温度、流量、液位等仪表灵敏准确,各处联锁有效可靠。
气化炉维护检修规程模版第一章总则第一条: 为了保证气化炉的正常运行,延长设备寿命,确保安全生产,制定本规程。
第二条: 本规程适用于所有使用气化炉的相关人员。
第三条: 气化炉的维护检修工作由专业维护人员负责,必须经过培训并持证上岗。
第四条: 维护检修工作必须定期进行,确保设备长时间稳定、高效工作。
第五条: 任何人不得擅自拆卸、改装或修改气化炉设备。
第六条: 本规程中未尽事宜,按照相关法律法规进行。
第二章维护检修职责第七条: 维护人员必须认真履行以下职责:1.定期检查气化炉设备的电气安全,包括电缆、接线、开关等的检查测试。
2.定期检查气化炉设备的机械部分,包括管道、泵、阀门等的检查清理。
3.定期检查气化炉设备的燃烧情况,包括火焰状态、温度等的检查测试。
4.定期检查气化炉设备的水平补给系统,包括水泵、水箱等的检查清理。
5.及时处理气化炉设备出现的故障,并记录以备查阅。
第八条: 维护人员必须保证操作规范,遵守安全操作手册,防止人为错误引发事故。
第三章维护检修操作第九条: 维护人员在操作气化炉维修时,必须戴上劳动防护用品,如安全眼镜、手套、防护服等。
第十条: 气化炉维修前,必须切断电源,确保安全操作。
第十一条: 维护人员必须按照操作规程进行维修,不得擅自改动设备及其配件。
第十二条: 维护检修过程中,如需要更换设备配件,必须使用正规厂家的配件,确保质量。
第十三条: 维护检修完毕后,必须清理周围环境,归位存放工具和设备。
第十四条: 维护人员必须及时填写维修记录,并向主管报告维修情况。
第四章维护检修管理第十五条: 维护人员必须定期参加培训,了解最新的维护技术和设备更新情况。
第十六条: 维护人员必须遵守工作纪律,服从指挥,不得私自调休或请假。
第十七条: 维护人员必须定期参加身体健康检查,确保工作状态。
第十八条: 维护人员必须爱护工作设备,保持设备清洁、整齐。
第十九条: 维护人员必须遵守操作规程,不得违章操作或私自开启设备。
2023年气化炉维护检修规程第一章前言1.1 编写目的本规程旨在规范气化炉的维护检修工作,确保气化炉的安全运行和高效能使用。
1.2 适用范围本规程适用于2023年气化炉维护检修工作,包括日常维护、定期检修和大修等方面内容。
第二章维护管理2.1 维护计划2.1.1 建立维护计划,明确维护任务、时间和责任人。
2.1.2 根据气化炉的运行情况和设备要求,制定维护周期和维护内容。
2.2 常规维护2.2.1 每日巡视气化炉设备,检查是否存在异常情况,及时处理。
2.2.2 定期清洗气化炉内部,保持设备的清洁。
2.2.3 定期润滑气化炉的关键部位,确保设备的正常运行。
2.3 定期检修2.3.1 按照维护计划,定期进行气化炉的检修工作。
2.3.2 对气化炉的炉体、燃烧器、传热设备等进行全面检查,排除隐患。
2.3.3 对气化炉的控制系统进行检修和调试,确保系统的稳定性和可靠性。
2.3.4 对气化炉的配套设备如风机、泵类等进行检修和维护,确保设备正常运行。
2.3.5 编写检修记录,并及时反馈检修情况,以备参考。
第三章大修管理3.1 大修计划3.1.1 根据气化炉的运行状态和使用寿命,制定大修计划并报批。
3.1.2 大修计划应明确工作内容、工期和费用预算等。
3.2 准备工作3.2.1 选择专业的维修团队,组织人员进行技术培训和安全培训。
3.2.2 提前准备所需的维修工具、备品备件和安全设备。
3.2.3 安排停炉时间,停炉前做好相应的安全措施和设备防护措施。
3.3 施工过程3.3.1 根据大修计划和程序,进行炉体拆卸、设备更换和热工系统改造等工作。
3.3.2 按照标准操作规程进行施工,确保施工质量和安全。
3.3.3 施工过程中要加强现场管理,确保施工工期和安全。
3.4 完工验收3.4.1 工程施工完成后,进行设备的调试和试运行。
3.4.2 对大修工程进行验收,确保工程质量符合要求。
3.4.3 编制大修报告,做好工程档案的整理和归档。
1.3.2技术参数与性能气化炉维护检修规程1总则1.1适用范围本规程适用于德士古气化炉的检修周期与内容、检修与质量标准、试车与验收、维护与故障处理。
1.2设备概述气化炉是我公司气化装置中核心设备之一,用于水煤浆的加压气化,为甲醇生产提供粗原料气。
1.3设备结构与技术性能简介1.3.1设备结构气化炉呈圆筒状,顶部有烧嘴安装口,底部连接破渣机,主要由燃烧室和激冷室组成,燃烧室为氧气和水煤浆的燃烧反应提供了空间,而激冷室则是对反应后的气体和熔渣进行了激冷和分离。
a)燃烧室壳体的主材为SA387Gr11CL2,内衬耐火砖,耐火砖从内到外依次为向火面砖、背衬砖、隔热砖和可压缩层(膨胀材料)。
炉膛顶部为球形拱顶;中间为竖向直筒状;下部为收缩的渣口结构,即锥底。
壳体表面遍布测温点。
b)激冷室壳体主要采用SA387Gr11CL2+316L复合板卷制而成,内部主要由激冷环、水环管和抽引管等组成。
人孔开于下部。
总高mm20050净重t2522检修周期和检修内容2.1检修周期检修周期可适当调整。
中修主要根据气化炉实际运行状况,比如激冷水、炉砖情况或突发性状况等,而当筒体和拱顶向火面炉砖烧损至1/2厚度或壳体局部变形时,则必须安排大修。
2.2检修内容2.2.1小修a.处理日常检查中发现的不需要停车处理的问题,如消除漏点、检修或更换部分管路、阀门或仪表,加固管道支撑等;b.设备、管道的防腐、保温的修补;c.检查完善防静电接地。
2.2.2中修a.包括小修内容;b.清理激冷水管路,包括外环管、弯管和激冷环等;c.检查耐火砖表面烧损情况,特别是渣口砖,有无剥落掉块等现象,必要时进行修补或更换;d.检查激冷环、水环管和抽引管等内件,有无穿孔、腐蚀、龟裂、变形等情况,若有则必须调正、修复、补焊甚至更换;e.激冷环与水环管的四周环隙是否均匀,有无异物堵塞,并疏通下降管平衡孔;f.检查抽引管的支撑、水环管的定位板是否牢靠,必要时进行修复;g.检查修复大法兰的密封面及高压螺栓、螺母或螺孔;h.检查、调校或更换测温热电偶、仪表联锁、自动调节装置及现场液位计,并冲洗流量计的导压管;i.进行压力容器年度检验。
2.2.3大修a.包括中修内容;b.检查壳体,对焊缝及过热区域必要时进行无损检测;c.壳体局部的焊补和修复;d.大面积更换炉砖,比如拱顶砖和筒体砖;e.更换塔内件,比如激冷环、水环管和抽引管等。
3检修与质量标准3.1检修前的准备工作3.1.1根据运行中出现的问题及缺陷及历次检修情况,制定检修检验施工方案;3.1.2备齐设备检修的图纸及资料;3.1.3备齐耐火材料及相关的图纸资料,临时堆放点必须防水防风防碰撞;3.1.4备齐检修工具、量具、起重机具、配件及材料;3.1.5进炉作业必须等炉温降至40℃以下,内部置换合格,与系统可靠隔绝,办理相关作业票证。
3.2激冷水管线的清理3.2.1打开激冷水外环管端盖,拆除炉内弯管和激冷环上的全部堵头;3.2.2用高压水枪对外环管、弯管进行冲洗;3.2.3通过螺孔,对激冷环内部进行冲洗;3.2.4封闭激冷环四个进水法兰前,送激冷水对进口短管进行冲洗、确认;3.2.5清洗完毕,依次进行恢复;3.2.6送激冷水进行激冷环及水环管的水分布试验,沿水环管壁四周的激冷水分布均匀,无局部缺水或水膜脱离壁面方为合格,同时确认激冷水系统已经清理干净。
3.3耐火衬里的检修与质量标准3.3.1耐火衬里检修a.全面检查耐火衬里的向火面砖的烧损情况,对裂缝,局部脱落等进行修补;b.全面检查烧嘴室、热电偶孔、拱顶、筒体及锥底砖的砖缝,对于开裂、火泥脱落等的部分进行填补修复;c.向火面砖普遍减薄至1/2厚度时,则必须安排大修进行更换。
3.3.2耐火衬里的更换a.炉砖的更换必须由专业施工队伍进行施工;b.炉砖施工前必须在炉外平台或专用模具上进行预组装,对拱顶砖和锥底砖进行选配,确认外形和尺寸的配合精度;c.炉外预砌时由0位置开始按顺时针方向给每块砖编号,在炉内先按编号进行预砌,确认精度合适后方可进行砌筑;d.炉砖砌筑时径向各层砖要注意错台、错缝,轴向的相邻层炉砖也要注意错缝;e.炉砖砌筑必须严格按图施工,具体要求如下:●砌砖采用挤浆法;●砖缝宽度:耐火砖缝≤1.0mm,合拢砖缝≤2.0mm,隔热层与保温层砖缝≤1.5mm,合拢砖缝≤2.5mm,环向砖缝由内向外依次为1.0mm、2.0mm和3.0mm。
砖缝在砌筑过程中应随时进行检查;●炉砖砌筑后直径允许偏差±3.0mm;●每环砖同心度允许偏差±1.5mm(以炉体中心线为基准);●每环砖的水平误差在±1.5mm;●耐火砖径向膨胀缝40±5mm,筒体膨胀缝3-6mm并均匀;●耐火泥饱满度100%,各层砖应错缝砌筑,原则上不得有连续通缝。
f.筒体砖必须在热电偶开孔耐火砖位置确认后方可进行砌筑;g.拱脚砖的标高以炉口法兰面为基准,严格控制以保证烧嘴室的尺寸;h.拱顶砖需借助专用模具进行砌筑,模具应准确、牢固;i.锥底砖错缝砌筑,炉底平直度误差不大于5mmj.砌筑火泥材质应与耐火砖一致,现场配制时,严格按照使用说明书进行,配比、粘度和加水量等要求精确,浇注料配制也是一样,受潮结块的浇注料不得使用;k.拌合用水为饮用水,水温5-25℃,采用机械搅拌,振捣密实;l.搅拌后的浇注料应在30分钟内用完,已初凝的浇注料不得使用;m.砌筑完毕的内表面应平整,无明显错台。
3.3.3气化炉的烘炉:a.新筑衬里至少自然干燥3天后才能烘炉;b.新筑衬里和经过大修的衬里按照《烘炉升温表》规定进行,局部修补的衬里可按技术人员制订的烘炉曲线进行。
3.3.4耐火衬里质量标准a.耐火材料质量应符合《气化炉耐火材料要求》。
b.耐火砖的验收按照《GB10325耐火制品堆放、取样、验收、保管和运输规则》进行。
3.4壳体的检修与质量标准3.4.1承压壳体有裂纹、鼓包、变形、过热、蠕变等缺陷,要依据TSG R0004-2009《固定式压力容器安全技术监察规程》、GBl50-1998《钢制压力容器》进行修复;3.4.2需要对壳体进行挖补、焊接等重大修理时必须由专业的施工单位进行,对其资质的要求是:a.具有与所修容器类别相适应的技术力量、工装设备和检测能力;b.具有健全的质量保证体系;c.有维修或制造该类容器的经验。
3.4.3壳体焊接后,需按JB/T4730-2005《承压设备无损检测》进行检测;3.4.4法兰密封面有划痕、腐蚀、裂纹等影响密封效果的缺陷时,应进行修复。
修复可采用研磨、补焊磨平或机械切削加工等方法,车削法兰前先对其进行强度校核,决定是车削还是判废更换;3.4.5修复后的密封面应与法兰中心线垂直,垂直度误差小于0,2%,表面粗糙度最大允许值3.2μm;3.4.6高压螺栓及螺母若存在拉毛、咬伤和变形时,轻者可假如研磨剂采用对研法修复,不可修复者予以更换;3.4.7高压螺栓紧固应分几次按对角方向依次进行,在螺纹处涂抹高温润滑脂。
3.5塔内件的更换3.5.1必须借助轨道拖车,拆开并移走破渣机方可进行塔内件的拆除;3.5.2激冷环上表面与内环板必须紧密切合,否则需对内环板表面进行修正,保证连接紧固,不透光;3.5.3激冷环中心线与炉口法兰中心线允许偏差±3mm;3.5.4水环管中心线与激冷环中心线允许偏差±2mm;3.5.5抽引管的支撑件与炉体锥段的连接必须紧固可靠,防止松动脱落。
3.6设备封口前应由有关技术人员检查验收合格,且无遗留物;3.7仪表人员检查更换热电偶前应确认气化炉内温度高于1000℃;拆除热电偶时,工艺人员必须在场监护。
4试验与验收4.1试验4.1.1设备检修完毕,施工质量符合本规程要求,检修记录齐全;4.1.2安全附件齐全完整,仪表电气等复原,联锁调校完成,具备试车条件;4.1.3进行气密性试验,无泄漏、无可见变形为合格;4.2验收4.2.1检修后设备达到完好标准;4.2.2检修完毕,施工单位应提交详细交工资料,包括检修任务书、施工方案、竣工验收单、检验报告、试验记录、烘炉记录等;4.2.3由设备管理部门、生产部门、施工单位三方验收合格;4.2.4试运行1周,各主要操作指标达到设计要求,设备性能满足生产需要,即可办理验收手续。
5维护与故障处理5.1维护5.1.1严格按操作规程操作,及时调整工艺参数,保证气化炉安全稳定运行;5.1.2气化炉升温升压、降温降压严格按工艺指标进行,防止压力、温度波动过大,严禁超温、超压、超负荷运行;5.1.3严格巡回检查制度,及时检查各点压力、温度的变化,设备是否运行正常,各密封点有无泄漏;5.1.4定时检查气化炉内各点温度、炉外壁温度是否有异常;5.1.5操作时注意烧嘴冷却水的温度和流量,以免烧坏烧嘴;5.1.6经常检查管线、管件、阀门等的连接、密封,发现松动、泄露立即排除;5.1.7定期检查设备各部连接及地脚螺栓有无松动、支撑是否可靠;5.1.8炉体平台、栏杆、爬梯等钢结构是否完好;5.1.9清扫并保持好设备及周围环境卫生;5.1.10及时处理发现的各种问题及缺陷,处理不了的挂牌警示。
5.2常见故障及处理方法5.3紧急停车出现下列情况应紧急停车:a.工艺烧嘴冷却水中断或盘管烧穿;b.入口原料系统出现故障,介质骤变或中断;c.煤气出口管路或后续设备出现严重故障;d.激冷水中断或不畅通;e.壳体超温,且不能迅速解决;f.设备或工艺系统出现无法解决的严重泄露;h.其它涉及人身及设备安全的紧急情况6检修安全注意事项6.1设备检修前必须由化工人员进行工艺处理,切断相关阀门、管线,添加盲板以保证气化炉完全与系统可靠隔绝。
6.2进炉作业前必须对炉内进行降温和置换处理,等炉温降至40℃以下,并且置换合格后方可进入。
6.3检修中要进入设备内部前必须办理《设备内安全作业证》,还要有专人监护,保证内部通风,监护人员不得中途离开。
6.4炉内为检修而搭设的脚手架必须安全可靠。
6.5拆、装筒体及顶部耐火砖时,燃烧室下渣口应用木板或其它方法可靠封闭,防止炉砖落下砸坏下降管和激冷环,拆下部砖时,应防止上部砖坍塌。
6.6拆、装下渣口耐火砖时,激冷室锥部应用木板或其它方法可靠封闭,防止炉砖落下损伤破渣机。
6.7在生产、检修现场进行动火作业,动火前必须办理《动火证》,并动火时保证炉内空气流通。
6.8吊装设施、部件时,要有专人指挥、专人操作,严禁超负荷,吊装物下不得有人。
6.9设备内部照明应采用24V安全电源。
6.10设备检修不得交叉作业。
6.11科学检修,文明施工,做到“工完、料尽、场地清”。