普通型钢悬挑脚手架技术交底
- 格式:doc
- 大小:90.50 KB
- 文档页数:3
悬挑式钢管外脚手架搭设安全技术交底范本第一章概述1.1 交底目的和范围本次交底的目的是确保悬挑式钢管外脚手架搭设工作的安全可靠进行,并向相关人员传达有关安全技术要求和操作规程。
本次交底的范围包括但不限于悬挑式钢管外脚手架的搭设、拆除、使用等环节。
1.2 交底人员交底人员包括施工单位的项目经理、技术负责人、安全负责人以及作业人员。
第二章悬挑式钢管外脚手架的搭设2.1 相关法律法规根据《中华人民共和国安全生产法》等相关法律法规,悬挑式钢管外脚手架的搭设必须符合国家标准和行业规范要求。
2.2 设备准备2.2.1 悬挑式钢管外脚手架的材料必须符合国家标准,并具有产品合格证明。
2.2.2 材料的运输和堆放必须符合相关规定,材料应妥善保管,防止受潮、损坏等。
2.3 施工准备2.3.1 悬挑式钢管外脚手架的搭设前,必须保证现场的准备工作已完成,包括地基处理、场地清理等。
2.3.2 施工过程中必须按照安全技术要求组织人员,并配备足够的安全防护用品和工具。
2.4 搭设工艺与方法2.4.1 根据设计要求和搭设的实际情况,合理选择和使用悬挑式钢管外脚手架的构件和配件。
2.4.2 在搭设过程中,必须保证施工人员的安全和作业环境的安全,使用符合要求的脚手架立杆、主杆等进行支撑。
2.4.3 在搭设过程中,必须保证悬挑式钢管外脚手架的稳固性和承载力,使用合适的连接件和扣件,确保连接牢固。
2.4.4 在悬挑式钢管外脚手架搭设过程中,必须按照要求进行杆件的水平和垂直定位,使用调节螺母进行调整。
2.5 安全防护措施2.5.1 悬挑式钢管外脚手架搭设过程中,必须设置防护栏杆,并按照要求进行固定和围护,确保人员不会因高空坠落而受伤。
2.5.2 悬挑式钢管外脚手架搭设过程中,必须设置扣件和连接件的防滑装置,防止因松动而造成意外。
2.5.3 悬挑式钢管外脚手架搭设过程中,必须设置防风锚点和防倾斜装置,防止因大风或其他外力造成脚手架倾倒。
第三章悬挑式钢管外脚手架的拆除3.1 拆除前的准备3.1.1 拆除悬挑式钢管外脚手架前,必须进行现场安全检查,并设立拆除专责,明确责任和工作任务。
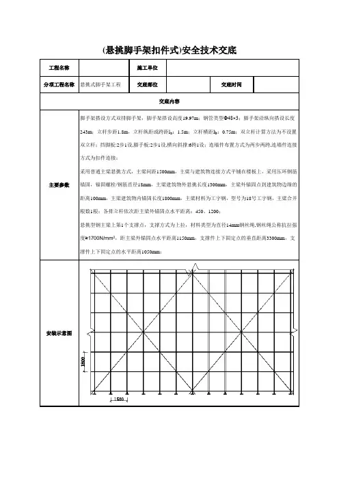
(悬挑脚手架扣件式)安全技术交底工程名称施工单位分项工程名称悬挑式脚手架工程交底部位交底时间交底内容主要参数脚手架搭设方式双排脚手架,脚手架搭设高度19.97m;钢管类型Ф48×3;脚手架沿纵向搭设长度243m;立杆步距1.8m,立杆纵距或跨距l a:1.5m;立杆横距l b:0.75m;双立杆计算方法为不设置双立杆;挡脚板:2步1设,脚手板:2步1设,横向斜撑:6跨1设;连墙件布置方式为两步两跨,连墙件连接方式为扣件连接;采用普通主梁悬挑方式,主梁间距1500mm,主梁与建筑物连接方式平铺在楼板上,采用压环钢筋锚固,锚固螺栓/钢筋直径18mm,主梁建筑物外悬挑长度1300mm,主梁外锚固点到建筑物边缘的距离100mm,主梁建筑物内锚固长度1800mm,主梁材料为工字钢,型号为18号工字钢,主梁合并根数1根;各排立杆依次距主梁外锚固点水平距离:450、1200;悬挑型钢主梁上第1个支撑点,支撑方式为上拉,材料类型为直径14mm钢丝绳,钢丝绳公称抗拉强度≥1700N/mm2,距主梁外锚固点水平距离1150mm,支撑件上下固定点的垂直距离3300mm,支撑件上下固定点的水平距离1050mm;安装示意图施工工艺流程预埋件设置→安装悬挑主梁→悬挑主梁上下支撑杆件设置→定位→垫板→立两边立杆,扣扫地杆、横向水平杆、纵向水平杆→立抛撑→树中间立杆→横向水平杆、纵向水平杆、防护栏杆→以此类推、形成一步闭合加体→搭第二步架→拉连墙件→拆抛撑→转角处设置“之”剪刀撑→挂密目安全网、铺脚手板→接立杆→架体外立面设置剪刀撑→搭第三步架(剪刀撑与安全网同步上)→…→完成。
质量要求脚手架搭设的技术要求、允许偏差与检验方法项次项目技术要求允许偏差(mm)示意图检查方法1地基基础表面坚实平整-观察排水不积水垫板不晃动底座不滑动不沉降-102单、双排与满堂最后验收立杆垂直度(20~50m)- ±100用经纬仪1)接收到项目部脚手架架体拆除任务书后方可进行拆除作业工作。
悬挑脚手架作业安全技术交底要求悬挑脚手架是一种在建筑施工过程中经常使用的高空作业设备,用于提供工人进行高处作业的平台。
由于悬挑脚手架作业存在较大的安全风险,为了保障工人的生命安全和工作质量,必须对悬挑脚手架作业的安全技术进行交底。
以下是悬挑脚手架作业安全技术交底的要求。
一、悬挑脚手架作业的基本知识1.了解悬挑脚手架的工作原理和结构特点;2.掌握悬挑脚手架的安装和拆除流程;3.理解悬挑脚手架的承载能力和使用限制;4.知晓悬挑脚手架的维护和保养方法。
二、悬挑脚手架作业的安全操作规程1.了解悬挑脚手架的安全使用要求和操作规程;2.掌握悬挑脚手架的安全操作步骤和注意事项;3.确保工作人员熟悉悬挑脚手架的手动操作、紧急停机、远程控制等设备使用方法;4.提供有关悬挑脚手架作业安全事故的案例分析,让工人真切感受到安全的重要性。
三、悬挑脚手架作业的相关法律法规1.介绍相关悬挑脚手架作业的法律法规,包括国家标准、行业标准、职业安全卫生法等;2.告知悬挑脚手架作业的职责和权益,以及违反法律法规的后果;3.督促工人自觉遵守法律法规,加强对悬挑脚手架作业的自我约束和监督。
四、悬挑脚手架作业的风险防控措施1.介绍悬挑脚手架作业的风险点和控制方法,包括脚手架的稳定性、安全装备、作业区域管控等方面;2.强调工人使用个人防护装备的重要性,如安全带、安全帽、防滑鞋等;3.要求工人在作业前进行安全检查,排除安全隐患;4.提供应急救援措施和逃生途径的知识,确保工人对突发情况的应对能力。
总结:悬挑脚手架作业安全技术交底非常重要,是保障工人安全的基础。
在交底中,应注重理论与实践相结合,让工人理解安全技术的重要性和实际应用。
同时,也应加强交底后的监督和培训,确保工人能够正确遵守安全操作规程,提高安全意识和风险防控能力。
只有通过全方位的安全技术交底,才能让悬挑脚手架作业更加安全高效地进行。
悬挑脚手架脚手架安全技术交底悬挑脚手架是建筑施工中常用的一种脚手架形式,它能够为施工人员提供安全可靠的作业平台。
然而,由于其特殊的结构和施工要求,如果在搭建、使用和拆除过程中不严格遵守安全技术规范,就容易引发安全事故。
为了确保悬挑脚手架的施工安全,特进行以下安全技术交底。
一、悬挑脚手架的基本构造和工作原理悬挑脚手架通常由悬挑钢梁、立杆、横杆、脚手板、安全网等组成。
悬挑钢梁一端固定在建筑物结构上,另一端伸出建筑物外,作为脚手架的支撑点。
立杆和横杆通过扣件连接在悬挑钢梁上,形成脚手架的框架结构。
脚手板铺设在横杆上,供施工人员行走和作业。
安全网则用于防止人员和物体坠落。
悬挑脚手架的工作原理是通过悬挑钢梁将脚手架的荷载传递到建筑物结构上,从而保证脚手架的稳定性和安全性。
二、悬挑脚手架施工前的准备工作1、技术准备施工前,必须编制详细的悬挑脚手架施工方案,并经过审批。
施工方案应包括脚手架的设计计算、施工工艺、安全措施等内容。
同时,要对施工人员进行技术交底,确保他们了解施工方案的要求和施工工艺。
2、材料准备(1)悬挑钢梁:应采用符合国家标准的工字钢或槽钢,其规格和型号应根据施工方案的计算确定。
(2)扣件:应采用可锻铸铁制作的扣件,其质量应符合国家标准。
(3)钢管:应采用外径 48mm,壁厚 35mm 的焊接钢管,其质量应符合国家标准。
(4)脚手板:应采用竹笆片或木板,其厚度不应小于 50mm。
(5)安全网:应采用密目式安全网,其质量应符合国家标准。
3、现场准备(1)清理施工现场,确保场地平整、无障碍物。
(2)在建筑物结构上预留悬挑钢梁的固定孔洞,孔洞的位置和尺寸应符合施工方案的要求。
(3)准备好施工所需的工具和设备,如电焊机、扳手、塔吊等。
三、悬挑脚手架的搭建过程1、悬挑钢梁的安装(1)将悬挑钢梁插入预留的孔洞中,并用木楔塞紧。
(2)在悬挑钢梁的外端设置钢丝绳,钢丝绳的一端与悬挑钢梁连接,另一端与建筑物结构上的固定点连接,以增加悬挑钢梁的稳定性。
悬挑式钢管外脚手架搭设安全技术交底悬挑式钢管外脚手架搭设是建筑施工中常用的高处作业设备,具有搭设快捷、适应性强等优点,在工程施工中广泛应用。
然而,悬挑式钢管外脚手架的搭设安全也是施工过程中需要高度重视的问题。
为了确保悬挑式钢管外脚手架的安全运行,需要对施工人员进行安全技术交底,下面将详细介绍悬挑式钢管外脚手架搭设的安全技术交底内容。
一、安全生产法律法规的交底安全生产法律法规是保障施工现场安全的重要依据,施工人员需要了解相关法律法规的基本内容,包括建筑施工安全生产管理条例、建筑施工企业安全生产许可证管理办法、建筑施工企业职业健康检查技术规定等。
了解并遵守相关法规可以有效降低施工事故的发生概率。
二、悬挑式钢管外脚手架的基本概念和构造悬挑式钢管外脚手架是利用聚氯乙烯(PVC)和钢管等材料搭建而成的一种高处作业设备。
施工人员需要了解悬挑式钢管外脚手架的基本概念和构造,包括主杆、副杆、立杆、斜杆、框架横水平杆、护栏杆、防护网及脚轮等构件的名称和作用。
三、悬挑式钢管外脚手架的搭设步骤和安全注意事项1. 搭设步骤:首先,安装主杆和副杆,并使用的铁丝固定牢固;然后,安装立杆和斜杆,并调整好高度和角度;接下来,安装框架横水平杆,用螺母将其固定住;最后,安装护栏杆、防护网及脚轮。
2. 安全注意事项:(1)在搭设过程中,需要使用标准合格的钢管和连接件,确保承载力满足要求。
(2)在悬挑式钢管外脚手架的上部应设置防滑网,防止人员从高处坠落。
(3)悬挑式钢管外脚手架的搭设应坚固、稳定,不得出现晃动或松动的现象。
(4)施工人员在操作过程中应注意自身安全,佩戴安全带,系好工作绳,避免高处坠落事故。
(5)施工人员不得在悬挑式钢管外脚手架上乱丢乱放工具材料,以免引起意外伤害。
(6)在悬挑式钢管外脚手架上禁止进行高空坠物作业,防止对下方人员造成伤害。
四、悬挑式钢管外脚手架的维护保养和拆除注意事项1. 维护保养:施工单位需要制定悬挑式钢管外脚手架的维护保养计划,定期进行检查和维修,确保脚手架的安全性。
悬挑式脚手架安全技术交底天津市建设工程施工现场安全保证资料悬挑式脚手架安全技术交底施工企业:NO:工程名称:施工部位:工种:交底时间:一、安全注意事项:1.进入施工现场必须佩戴安全帽,系好安全带,正确使用安全生产劳动保护用品。
使用的工具要放在工具袋内,防止掉落伤人,脚要穿防滑鞋。
袖口及袋口要扎紧。
2.搭设悬挑架的人员必须持证上岗,并定期检查身体。
凡是患有高血压、贫血病、心脏病及其他不适合高空作业者,一律不得进行作业,绝对禁止酒后上班。
3.搭设悬挑架时,必须划出安全区域,设警戒标志,并应有专人指挥、看守,阻止闲人自动靠近作业区域。
遇到六级以上大风、大雾、大雪等恶劣天气应停止悬挑架搭设作业。
二、技术参数:立杆纵距:La=1.5m(1.8m);立杆横距:Lb=0.9m;步距:h=1.8m;小横杆间距:0.8m脚手板为50mm厚木脚手板。
连墙件横距:lw=4.5m连墙件竖距:hw=2.9m离墙距离:350mm三、工艺流程及要求:工字钢加工 - 设置预埋环 - 工字钢安装就位 - 放扫地杆 - 竖立杆与扫地杆扣紧 - 安装第一步大横杆和小横杆 - 连接附墙杆 - 铺脚手板、围护栏杆、踢脚板、挂网 - 随主体施工接高架体、加剪刀撑。
悬挑要求:1.悬挑架搭设应严格按照一般落地式脚手架搭设规定,纵向水平杆与横向水平杆的连接采用防滑扣件连接,并按规范要求连续设剪刀撑,斜杆与地面倾斜角为45度~60度。
工字钢端部5cm即立杆生根处焊置高度10cm的Ф25钢筋,作为生根点。
挑架底部满铺脚手板,外架钢管全部刷黄黑相间油漆。
2.脚手架中部脚手板铺设严密,不允许出现探头板,脚手板下拉兜网。
脚手板的材质及规格符合规范要求。
3.材料要求:I 22工字钢材质必须符合国家标准要求。
钢管规格Ф48mm,壁厚3.5mm,严禁钢管上打空。
4.架体防护:架体外侧用1.8m×6m密目网全封闭。
按照临边防护的规定,设置防护栏杆和挡脚杆。
一、交底目的为确保悬挑式脚手架工字钢搭设和使用过程中的安全,提高施工人员的安全意识和操作技能,特进行安全技术交底。
二、工程概况1. 工程名称:_______2. 施工部位:_______3. 施工单位:_______4. 项目负责人:_______三、悬挑式脚手架工字钢搭设安全技术要求1. 搭设前准备- 施工人员必须经过专业培训,了解悬挑式脚手架工字钢的搭设方法和安全操作规程。
- 搭设前应进行现场勘查,确保基础稳固,满足搭设要求。
- 所需材料、工具必须符合国家相关标准和规范。
2. 搭设过程- 搭设时应遵循“先下后上,先内后外”的原则。
- 立杆应垂直于地面,间距均匀,不得歪斜。
- 横杆、斜杆应与立杆连接牢固,扣件拧紧。
- 工字钢应水平放置,与立杆连接处应采用专用连接件。
- 搭设过程中应随时检查脚手架的稳定性,发现问题及时整改。
3. 安全防护措施- 脚手架外围应设置安全防护栏杆,并挂设密目安全网。
- 作业人员必须佩戴安全帽、安全带等个人防护用品。
- 严禁在脚手架上堆放超过规定重量的材料、工具等物品。
- 严禁酒后上岗、嬉戏打闹。
四、悬挑式脚手架工字钢使用安全技术要求1. 使用前应检查脚手架的稳定性,确认无安全隐患后方可使用。
2. 作业人员应按照操作规程进行操作,不得擅自改变脚手架的结构和用途。
3. 严禁在脚手架上超负荷作业,每平方米荷载不得超过规定值。
4. 严禁在脚手架上攀登、跳跃。
5. 作业人员上下脚手架时,必须使用安全梯或梯子。
五、应急处置措施1. 发生脚手架倾斜、变形、坍塌等事故时,应立即停止作业,并报告相关部门。
2. 采取有效措施,防止事故扩大,确保人员安全。
3. 及时组织人员进行抢险救援,并妥善处理事故现场。
六、交底内容1. 悬挑式脚手架工字钢搭设的安全技术要求。
2. 悬挑式脚手架工字钢使用的安全技术要求。
3. 应急处置措施。
七、交底时间____年____月____日八、交底人_______九、参加交底人员_______、_______、_______十、备注1. 施工单位应将本次安全技术交底记录存档备查。
悬挑脚手架技术交底【模板范本】悬挑脚手架技术交底1. 介绍(200字)悬挑脚手架是一种常用的施工工具,适用于在高空作业中提供支撑和便利。
本旨在对悬挑脚手架技术进行详细交底,包括悬挑脚手架的结构、安装、使用注意事项等内容。
通过认真阅读和理解本,施工人员能够正确、安全地操作悬挑脚手架进行工作。
2. 悬挑脚手架的结构和组成(400字)2.1 悬挑脚手架的结构和构造悬挑脚手架由主梁、支撑杆、悬挑臂、平台等部分组成。
主梁起到承重作用,支撑杆用于支撑整个脚手架结构,悬挑臂则起到支撑作用。
平台是施工人员作业的地方,需要具备防滑和承重能力。
2.2 悬挑脚手架的材料选择悬挑脚手架的材料一般采用高强度钢材,具备抗震、抗风、耐腐蚀等特性。
材料的选择应当符合国家标准和相关法律法规。
3. 悬挑脚手架的安装和拆卸(400字)3.1 安装前的准备工作在安装悬挑脚手架之前,需要进行场地勘察、制定悬挑脚手架安全计划,并进行必要的培训。
3.2 悬挑脚手架的安装悬挑脚手架的安装应当严格按照施工图纸进行操作,确保悬挑脚手架的稳固和安全。
在安装过程中,需要注意与周围设施、电线等的距离。
3.3 悬挑脚手架的拆卸悬挑脚手架的拆卸需要按照逆序进行,确保工人的安全。
拆卸后的悬挑脚手架材料应正确堆放和储存。
4. 悬挑脚手架的使用注意事项(400字)4.1 安全操作使用悬挑脚手架时,施工人员应佩戴合适的防护装备,避免高空坠落、触电等危险。
同时,也要确保悬挑脚手架的使用不会对周围环境造成危害。
4.2 悬挑脚手架的稳定性使用悬挑脚手架时,要确保其稳定性,避免倾斜、晃动等情况。
如果发现悬挑脚手架存在问题,应立即停止使用,并进行维护和修复。
4.3 通风和通道为确保使用人员的安全和便利,悬挑脚手架周围应保持良好的通风和通道,避免堵塞和滑倒等事故发生。
5. 附件(500字)本所涉及附件如下:1. 悬挑脚手架安装施工图纸2. 悬挑脚手架安全计划3. 个人防护装备清单4. 悬挑脚手架维护保养手册5. 相关法律法规规定文本6. 法律名词及注释(200字)本所涉及的法律名词及注释如下:1. 悬挑脚手架:高空作业辅助工具,用于支撑和便利施工作业。
悬挑式脚手架施工安全技术交底1. 背景介绍悬挑式脚手架是一种高空施工工具,它通常用于外墙装修、维修等作业。
由于其施工高度较高、结构复杂等特点,施工安全问题尤为重要。
因此,本文将介绍悬挑式脚手架施工的安全技术要点,旨在提高施工人员的安全意识和施工质量。
2. 施工前准备在开始悬挑式脚手架的施工之前,需要进行充分的准备工作,以确保施工过程中的安全。
2.1. 设计审查与评估悬挑式脚手架的设计应符合相关标准和规范要求,并经过专业人员的审查与评估。
施工单位在施工前应仔细研读相关设计文件,了解施工要点和安全注意事项。
2.2. 材料准备施工单位需提前准备好悬挑式脚手架所需的材料,包括钢管、连接件、脚手架板等。
材料的质量应符合国家相关标准,不得使用损坏或低质量的材料。
2.3. 施工人员培训施工单位应对参与悬挑式脚手架施工的人员进行必要的培训,包括对施工工艺和安全操作的培训。
特别是对于新手施工人员,应加强技能培训和安全操作指导,确保其具备足够的专业知识和技术。
3. 施工操作安全3.1. 悬挑式脚手架搭设在悬挑式脚手架搭设过程中,需要注意以下安全事项:•搭设过程需有专人负责指挥,严禁无经验人员操作;•所使用的材料应符合要求,悬挑式脚手架的搭设不得超出其设计高度和承载能力;•在搭设过程中,要进行末端支撑和固定,以防止脚手架滑动或倾斜。
3.2. 工具使用与检查在悬挑式脚手架施工过程中,使用和检查工具的方法也是非常重要的,如下所示:•使用适当的工具进行施工,严禁使用破损或不合格的工具;•定期检查悬挑式脚手架及其配件,如发现问题应及时更换或修理;•使用工具前,要先检查其是否完好,如有破损应进行修复或更换。
3.3. 安全防护措施在悬挑式脚手架施工过程中,必须严格遵守安全操作规程和相应的防护措施:•施工人员必须佩戴符合要求的安全帽、防滑鞋等个人防护装备;•施工现场应明确划定安全区域,严禁未经许可的人员进入;•悬挑式脚手架的施工现场应配备足够数量和规范的安全警示标识。
一、交底目的为确保悬挑脚手架施工过程中的安全,预防安全事故的发生,特制定本安全技术交底。
二、交底内容1. 悬挑脚手架的基本要求(1)悬挑脚手架的设计、搭设、验收及使用,必须符合GB51210、JGJ130、JGJ59、JGJ202、JGJ231等相关规范,以及地方标准及相关文件要求。
(2)悬挑脚手架的适用范围:适用于高度不大于100m的高层建筑或高耸构筑物上使用的悬挑式脚手架,每道型钢支承架上部的脚手架高度不宜大于24m。
2. 悬挑脚手架搭设前的准备工作(1)编制详细的施工计划和方案,包括脚手架的搭设、拆除、验收及使用等环节。
(2)对悬挑脚手架设备进行专门的检查和维修,确保其稳定性和安全性。
(3)对参与搭设的作业人员进行安全技术培训,使其掌握悬挑脚手架的搭设、使用及拆除方法。
3. 悬挑脚手架搭设过程中的安全注意事项(1)搭设人员必须穿戴好安全帽、安全带、防滑鞋等防护用品。
(2)在搭设过程中,应确保脚手架的稳定性,避免发生倾斜、倾覆等事故。
(3)脚手架的搭设顺序:先搭设立杆,再搭设横杆、斜撑、剪刀撑等,最后安装连墙件。
(4)型钢悬挑梁的锚固段长度应不小于悬挑段长度的1.25倍,悬挑支承点应设置在建筑结构的梁板上,不得设置在外伸阳台或悬挑楼板上。
(5)型钢悬挑梁的锚固段压点应采用不少于2个(对)的预埋U形钢筋拉环或螺栓固定;锚固位置的楼板厚度不应小于100mm,混凝土强度不应低于20MPa。
4. 悬挑脚手架使用过程中的安全注意事项(1)严禁在悬挑脚手架上堆放超过规定重量的材料或工具。
(2)作业人员应严格遵守操作规程,不得随意改变脚手架的结构。
(3)作业人员应定期检查脚手架的稳定性,发现问题及时报告并处理。
(4)严禁在脚手架上行走或站立,确保作业人员的人身安全。
5. 悬挑脚手架拆除过程中的安全注意事项(1)拆除前,应对脚手架进行彻底检查,确保无隐患。
(2)拆除顺序:先拆除连墙件,再拆除斜撑、横杆、立杆等。
型钢悬挑脚手架技术交底记录一、悬挑脚手架的构成部分及材料要求1.悬挑脚手架的构成部分主要包括立杆、横杆、斜杆、连接件等。
2. 立杆材料要求为优质角钢,尺寸为50*50*4mm,长度根据实际需要进行切割。
3. 横杆材料要求为优质管道,直径为48mm,壁厚为3.5mm,长度根据实际需要进行调整。
4. 斜杆材料要求为优质管道,直径为48mm,壁厚为3.5mm,长度根据实际需要进行切割。
5. 连接件材料要求为优质钢板,厚度为4mm,连接方式采用螺栓连接。
二、悬挑脚手架的组装及使用注意事项1.组装悬挑脚手架时,首先要选择合适的位置进行搭建,保证地基承载能力良好,要求地基平整牢固。
2.悬挑脚手架的组装一般由两人同步进行,确保操作安全可靠。
3.安装立杆时,要将立杆垂直插入地基孔洞,并用水平仪进行调整,确保立杆垂直度。
4.安装横杆时,要将横杆与立杆连接,并用螺栓进行固定,确保连接牢固可靠。
5.安装斜杆时,要将斜杆连接件与立杆连接,并用螺栓进行固定,确保斜杆与立杆连接紧密。
6.组装完成后,要对悬挑脚手架进行负荷测试,确保其承载能力符合要求。
7.在使用悬挑脚手架时,要严格按照相关规定进行操作,避免超载使用,确保操作安全。
三、悬挑脚手架的维护及检修要求1.悬挑脚手架的维护工作主要包括清洁、防锈、定期涂漆等。
2.悬挑脚手架使用完毕后,要进行清洁工作,清除脚手架表面的灰尘和污渍,保持整体清洁。
3.悬挑脚手架的材料为钢材,易受潮湿气候的影响,因此应定期进行防锈处理,保证脚手架的使用寿命。
4.定期涂漆是悬挑脚手架保养的重要环节,通过涂漆可以保护脚手架表面,防止氧化和腐蚀。
5.悬挑脚手架在使用过程中,如果发现有松动、变形等情况,应及时进行检修和维护,确保脚手架的稳定性。
四、悬挑脚手架的安全注意事项1.悬挑脚手架的使用人员必须经过专业培训,并持有合格证书。
2.使用人员在操作悬挑脚手架时,必须佩戴安全帽、防滑鞋等个人防护装备。
3.悬挑脚手架在使用过程中,禁止随意拆卸或改变构件连接方式。
悬挑式钢铁脚手架拆除技术交底本文介绍了悬挑式钢铁脚手架拆除的相关技术交底内容。
在拆卸脚手架前,施工单位必须对悬挑式钢铁脚手架进行全面检查和评估。
应根据悬挑式脚手架的结构和使用情况,采取合理、安全的拆除方法,确保拆除作业的安全性。
拆除准备工作拆除前,应对悬挑式脚手架进行全面检查,记录脚手架的使用时间、建设单位、主要构件数量和规格等信息。
根据悬挑式脚手架的实际情况,确定拆卸方案,合理安排人员、车辆和设备。
同时,对拆卸现场进行清理,确保拆卸作业的安全性。
拆除步骤1. 断钢丝绳:在进行钢丝绳断开前,必须确认是否有张力。
确认无张力后进行断开处理。
2. 拆除脚手架主体结构:根据所制定的拆卸方案,进行钢筋切割、金属螺栓及紧固连接件的拆卸。
3. 拆解悬挂轮:进行悬挂轮钢丝绳、防坠吊安全绳的断开处置,将悬挂轮卸离。
4. 拆卸斜撑、水平杆等:依次拆卸斜撑、吊杆、水平杆、立杆、剪刀撑等支承部位。
5. 拆除操作平台:移除操作平台上所有的物品和垃圾。
将操作平台进行分段并进行慢慢降落,直至彻底拆除。
6. 拆卸附属设施:根据所拆除的悬挑式脚手架进行垃圾清理及设备回收。
7. 离开施工现场:拆卸完毕后,撤除围栏、监控设备及建设单位的公告牌等。
经过检查合格后,撤出拆卸场地、交由建设单位负责场地的清理和保洁工作。
拆除安全注意事项进行拆卸作业时,应严格按照拆卸方案进行操作。
同时,应做好以下安全措施:1. 穿着安全鞋和安全帽;2. 经过培训合格的人员进行操作;3. 拆除各部分时,应尽量避免人员进入悬挑式脚手架之内;4. 使用质量保证管材、脚手架配件,杜绝配件损坏、垮塌现象的发生。
以上是悬挑式钢铁脚手架拆除技术交底的相关内容。
在进行拆卸作业时,应严格按照规定操作,确保工作安全顺利进行。
悬挑脚手架搭设技术交底悬挑脚手架是目前建筑安全作业中常用的工具之一,能够为工人提供一个安全、稳定的工作平台,方便高空施工。
但是,如果悬挑脚手架搭设不当,就会给工作人员的生命安全带来巨大的威胁。
因此,在悬挑脚手架搭设之前,必须进行技术交底,确保每一个环节都经过周密的规划和实践。
悬挑脚手架搭设前的准备工作在悬挑脚手架搭设之前,需要做好以下准备工作:1.实地勘察:了解工作地点的具体情况,包括建筑结构、地形、交通、气象条件等。
2.测量设计:根据勘察结果,进行悬挑脚手架的详细测量设计,包括悬挑脚手架的高度、长度、承重能力等。
3.材料准备:根据设计方案,准备好需要的材料,包括支架、架子、钢管、脚轮、安全防护装置等。
4.人员培训:为参与悬挑脚手架搭设的人员进行培训,包括安全基本知识、各部位的功能作用、操作方法和安全操作要求等。
悬挑脚手架搭设时的注意事项在悬挑脚手架搭设时,需要注意以下几个方面:1.搭设顺序:悬挑脚手架的搭设需要按照预定的顺序进行,不能超过安全承载标准。
2.合理布局:悬挑脚手架的搭设需要合理布置,保证各部位的平衡,使悬挑脚手架保持稳定状态。
3.加强安全措施:悬挑脚手架在搭设和使用过程中,必须严格按照安全操作规程进行,加强安全措施,避免出现意外伤害。
4.检查维护:悬挑脚手架的使用寿命不宜过长,需要定期进行检查维护,确保各项安全保障措施处于完好状态。
悬挑脚手架搭设技术交底要点为了确保悬挑脚手架搭设工作的质量与安全,悬挑脚手架搭设技术交底的要点如下:1.悬挑脚手架搭设的设计方案和搭设顺序,包括支架和架子的选择与确定。
2.悬挑脚手架上下升降系统的操作方法与安全要求,包括绳索、卷扬机、防坠安全钩等。
3.悬挑脚手架的安全措施和规定,包括防护栏杆、安全网、安全带等。
4.悬挑脚手架搭设中的各项风险评估和应急预案,包括安装故障、风力等突发情况的处理。
悬挑脚手架是一个重要的建筑安全设施,使用前必须进行技术交底,确保每一项操作都符合安全规程和施工要求。
悬挑脚手架作业安全技术交底1. 前言悬挑脚手架是一种在高空作业时常用的工具, 如修建高楼大厦、桥梁等, 但是同时也是一种高危作业。
为了保证每一位工人的安全,在进行悬挑脚手架作业前,必须进行安全技术交底,确保每一位工人了解可能发生的危险情况,并能够采取正确的措施,避免安全事故的发生。
2. 悬挑脚手架技术交底内容2.1 工作组织与管理•作业前,负责人应对悬挑架的稳定性进行检查,并执行验收。
•作业前对悬挑架的固定、链条、绳索等进行检查。
•安全员应在工作现场进行指挥,并负责监督作业人员的安全操作。
•工作人员必须佩戴安全带,绳索的使用必须符合安全规定。
2.2 现场环境安全•作业前,保障悬挑架周围的安全、清洁,避免可能的杂物影响工作安全。
•维持工作现场的安静,避免声音、妨碍力等的影响,避免高空作业中因杂物突然落下造成影响。
•悬挑架工作区周围划定警戒区,请非必要人员远离。
2.3 基础设施安全•如果需要从底部往上建造悬挑脚手架,需要确保起始位置设有坚固的支撑。
•确保悬挑架支撑台面宽度不小于1.2米, 平稳有序。
•绳索必须安装好并牢靠地绑在支撑点上方。
2.4 操作规程•认真检查每一项安全准备工作的是否正确、位于适当的地方,如连接点、绳索是否牢靠并无结扣。
•确认所有的人员都明白操作规程,且了解紧急事件的处理方法。
•严格按照操作规程进行行动,避免玩快节奏,同时松懈、放松,给自己的安全埋下隐患。
2.5 安全防护•每位上悬挑架的工人必须佩戴舒适、稳固、并符合国家标准的安全帽。
•悬挑架的边缘应安装围栏或控制杠,以确保工人在上面工作的平稳和稳定。
•工人在悬挑脚手架作业时,应该始终保持身体的稳定,避免施工时身体晃动,以确保身体平衡。
2.6 现场危险因素•悬挑脚手架周围需要保持干燥,防止工人在悬挑脚手架上滑倒。
•悬挑脚手架周围不得有直接生活垃圾或垃圾堆放物。
•悬挑脚手架开始工作前,需要确保下方没有行人或车辆通过。
3. 总结悬挑脚手架是一种高危作业,安全的悬挑脚手架作业离不开合理的组织管理和规范操作。