手机万能充电器电路原理与维修
- 格式:docx
- 大小:14.82 KB
- 文档页数:2
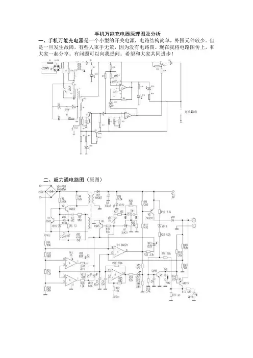
手机万能充电器原理图及分析一、手机万能充电器是一个小型的开关电源,电路结构简单,外围元件较少。
但是一旦发生故障,有些人束手无策,因为没有电路图。
现在我将电路图传上,和大家一起分享。
有问题可以向我提问。
希望和大家共同进步!二、超力通电路图(原图)三、我修改过的图纸(我认为原图可能有错误)四、超力通电路原理该充电器具有镍镉、镍氢、锂离子电池充电转换开关,并具有放电功能。
在150~250V、40mA的交流市电输入时,可输出300±50mA的直流电流。
该充电器采用了RCC型开关电源,即振荡抑制型变换器,它与PWM型开关电源有一定的区别。
PWM型开关电源由独立的取样误差放大器和直流放大器组成脉宽调制系统;而RCC型开关电源只是由稳压器组成电平开关,控制过程为振荡状态和抑制状态。
由于PWM型开关电源中的开关管总是周期性的通断,系统控制只是改变每个周期的脉冲宽度,而RCC型开关电源的控制过程并非线性连续变化,它只有两个状态:当开关电源输出电压超过额定值时,脉冲控制器输出低电平,开关管截止;当开关电源输出电压低于额定值时,脉冲控制器输出高电平,开关管导通。
当负载电流减小时,滤波电容放电时间延长,输出电压不会很快降低,开关管处于截止状态,直到输出电压降低到额定值以下,开关管才会再次导通。
开关管的截止时间取决于负载电流的大小。
开关管的导通/截止由电平开关从输出电压取样进行控制。
因此这种电源也称非周期性开关电源。
220V市电经VD1~VD4桥式整流后在V2的集电极上形成一个300V左右的直流电压。
由V2和开关变压器组成间歇振荡器。
开机后,300V直流电压经过变压器初级加到V2的集电极,同时该电压还经启动电阻R2为V2的基极提供一个偏置电压。
由于正反馈作用,V2 Ic 迅速上升而饱和,在V2进入截止期间,开关变压器次级绕组产生的感应电压使VD7导通,向负载输出一个9V左右的直流电压。
开关变压器的反馈绕组产生的感应脉冲经VD5整流、C1滤波后产生一个与振荡脉冲个数呈正比的直流电压。
手机充电器电路的原理分析手机充电器电路的原理分析下面是[手机充电器电路的原理分析]的电路图手机充电器电路的原理分析对于市场上到处可见的手机充电器,万能充不断的增多,但质量又不是很高,经常会出现问题,扔了可惜,故教大家几招分析手机充电器原理的分析,希望能给大家修理带来些帮助。
分析一个电源,往往从输入开始着手。
220V交流输入,一端经过一个4007半波整流,另一端经过一个10欧的电阻后,由10uF电容滤波。
这个10欧的电阻用来做保护的,如果后面出现故障等导致过下面是[手机充电器电路的原理分析]的电路图手机充电器电路的原理分析对于市场上到处可见的手机充电器,万能充不断的增多,但质量又不是很高,经常会出现问题,扔了可惜,故教大家几招分析手机充电器原理的分析,希望能给大家修理带来些帮助。
分析一个电源,往往从输入开始着手。
220V交流输入,一端经过一个4007半波整流,另一端经过一个10欧的电阻后,由10uF电容滤波。
这个10欧的电阻用来做保护的,如果后面出现故障等导致过流,那么这个电阻将被烧断,从而避免引起更大的故障。
右边的4007、4700pF电容、82KΩ电阻,构成一个高压吸收电路,当开关管13003关断时,负责吸收线圈上的感应电压,从而防止高压加到开关管13003上而导致击穿。
13003为开关管(完整的名应该是MJE13003),耐压400V,集电极最大电流1.5A,最大集电极功耗为14W,用来控制原边绕组与电源之间的通、断。
当原边绕组不停的通断时,就会在开关变压器中形成变化的磁场,从而在次级绕组中产生感应电压。
由于图中没有标明绕组的同名端,所以不能看出是正激式还是反激式。
不过,从这个电路的结构来看,可以推测出来,这个电源应该是反激式的。
左端的510KΩ为启动电阻,给开关管提供启动用的基极电流。
13003下方的10Ω电阻为电流取样电阻,电流经取样后变成电压(其值为10*I),这电压经二极管4148后,加至三极管C945的基极上。
手机通用充电器及诺基亚手机充电器原理与维修图片:这是一种脉宽调制型充电电路,220V交流电压经R1限流,D1~D4桥式整流,C1滤波得到300V 左右的直流电压,此电压经主绕组L1给开关管V1集电极供电,经R4给V1偏置。
刚加电压时V1开始导通,L1产生感生电动势,反馈绕组L2的感生电动势经反馈回路C4、R6加到开关管V1的基极,构成正反馈,从而使V1迅速进入饱和导通状态。
此时V1的发射极电流很大,电阻R2上压降很大,此电压经R3 加到控制管V2的基极,使其导通,V1基极电压降低,集电极电流减小,L2感生与前反向的负电压经C4、R6加到V1基极,使开关管V1迅速进入截止状态。
就这样,开关管不断导通截止,变压器B次级绕组L3就可获得脉冲电压。
改变R6、C4的值可改变脉冲宽度从而达到调节充电电流的目的。
不充电时,无负载,没有电流经过R20,V6截止,变色发光二极管D8不亮。
当接上负载时,绕组L3的电压经D13、D15整流,C7滤波给负载供电,R20产生左负右正的电压,使V6导通,发光管D8导通发红光,指示开始充电,随着充电的进行,充电电流越来越小,当充满电时,流过R20的电流变小,其上压降变小,V6 导通程度降低,流过D8电流变小,发绿光,表示充满电。
其常见故障为开关管因功率过载而损坏和限流电阻R1损坏。
图1为一款诺基亚手机通用充电器实绘电路。
AC220V电压经D3半波整流、C1滤波后得到约+300V电压,一路经开关变压器T初级绕组L1加到开关管Q2 c极,另一路经启动电阻R3加到Q2 b极,Q2进入微导通状态,L1中产生上正下负的感应电动势,则L2中产生上负下正的感应电动势。
L2中的感应电动势经R8、C2正反馈至Q2 b极,Q2迅速进入饱和状态。
在Q2饱和期间,由于L1中电流近似线性增加,则L2中产生稳定的感应电动势。
此电动势经R8、R6、Q2的b-e结给C2 充电,随着C2的充电,Q2 b极电压逐渐下降,当下降至某值时,Q2退出饱和状态,流过L1中的电流减小,L1、L2中感应电动势极性反转,在R8、C2的正反馈作用下,Q2迅速由饱和状态退至截止状态。
手机充电器电路原理图分析对于市场上到处可见的手机充电器,万能充不断的增多,但质量又不是很高,经常会出现问题,扔了可惜,故教大家几招分析手机充电器原理的分析,希望能给大家修理带来些帮助。
分析一个电源,往往从输入开始着手。
220V交流输入,一端经过一个4007半波整流,另一端经过一个10欧的电阻后,由10uF电容滤波。
这个10欧的电阻用来做保护的,如果后面出现故障等导致过流,那么这个电阻将被烧断,从而避免引起更大的故障。
右边的4007、4700pF电容、82KΩ电阻,构成一个高压吸收电路,当开关管13003关断时,负责吸收线圈上的感应电压,从而防止高压加到开关管13003上而导致击穿。
13003为开关管(完整的名应该是MJE13003),耐压400V,集电极最大电流1.5A,最大集电极功耗为14W,用来控制原边绕组与电源之间的通、断。
当原边绕组不停的通断时,就会在开关变压器中形成变化的磁场,从而在次级绕组中产生感应电压。
由于图中没有标明绕组的同名端,所以不能看出是正激式还是反激式。
不过,从这个电路的结构来看,可以推测出来,这个电源应该是反激式的。
左端的510KΩ为启动电阻,给开关管提供启动用的基极电流。
13003下方的10Ω电阻为电流取样电阻,电流经取样后变成电压(其值为10*I),这电压经二极管4148后,加至三极管C945的基极上。
当取样电压大约大于1.4V,即开关管电流大于0.14A时,三极管C945导通,从而将开关管13003的基极电压拉低,从而集电极电流减小,这样就限制了开关的电流,防止电流过大而烧毁(其实这是一个恒流结构,将开关管的最大电流限制在140mA左右)。
变压器左下方的绕组(取样绕组)的感应电压经整流二极管4148整流,22uF电容滤波后形成取样电压。
为了分析方便,我们取三极管C945发射极一端为地。
那么这取样电压就是负的(-4V左右),并且输出电压越高时,采样电压越负。
取样电压经过6.2V稳压二极管后,加至开关管13003的基极。
常见MP3,手机USB充电器原理与检修这类充电器基本上都是采用贴片原件开关电源电路制作,电路结构大同小异。
电路见下图。
(1)开关振荡电路市电经D1~D4整流后,在A点获得脉动直流电压,该电压一路经小型开关变压器T301的①-② 绕组加至开关管Q1的c极,另一路经限流电阻R3加至Q1的b极,为Q1提供启动电流。
Q1开始导通,其集极电流在T301的①-② 绕组中产生①正② 负的电动势,经T301耦合,在T301的③-④绕组中感应出③正④负的电动势,此电动势经R4、C1叠加到Q1的b极,使Q1迅速饱和导通。
由于流过电感的电流不能突变,故在T301的①-②绕组中产生①负② 正的电动势。
经T301耦合,在T301的③-④绕组中感应出③负④正的电动势,通过R4、C1,使Q1迅速进入截止状态。
随着A点经R3对C1的不断充电,Q1又开始导通,进而进入下一轮的开关振荡状态。
截止期间,T301通过副边⑤-⑥绕组,经D6及其负载电路释放能量,获得MP3所需的充电电压。
(2)稳压电路稳压电路由Z1、Q2等元件组成。
当负载减轻或市电升高时,B点电压势必上升。
当该电压大于5.6V时,Z1击穿,Q2因b-e结正偏而迅速导通,使Q1提前截止,进而使开关电源输出电压趋于下降;反之,则控制过程相反,从而使T301副边输出电压基本稳定。
(3)保护电路R1、R6为限流电阻。
当负载过重时,Q1的集-射极电流势必增大,R6上的压降也随之增大。
当该电压大于0.7V 时,Q2饱和导通,相当于Q2的c-e极短接,Q1因b极失电而立刻截止,达到过流保护的目的。
为避免截止期间T301的①-② 绕组感应出的尖峰脉冲高压击穿Q1,在T301的①-②绕组并联了尖峰脉冲吸收电阻R2,以改善Q1的开关特性。
(4)充电电路当充电电路处于空载时。
R8上无电流流过,Q3的e-b结电压基本相等,Q3截止,LD2(绿灯)灭,电源指示灯LD1(红灯)亮;进行充电时,充电电流在R8上产生的压降(即V3e-b)使Q3正偏导通,LD2亮,表示正在充电。
手机万能充电器电路原理与维修一、手机万能充电器电路原理1.AC-DC变换器:手机万能充电器的输入是交流电,而手机需要的是直流电来进行充电。
因此,充电器需要内置一个AC-DC变换器将交流电转换为直流电。
AC-DC变换器的核心是变压器,通过变压器的转换,将输入电流转换为适合手机充电的直流电压。
2.电源管理芯片:电源管理芯片是手机万能充电器的重要组成部分。
它通过控制电流和电压的大小,使得充电器可以提供适合不同手机充电的电源输出。
电源管理芯片还可以对充电状态进行监控,并保证充电器的稳定性和安全性。
B输出接口:手机万能充电器通常使用USB输出接口,以便与各种手机进行连接。
USB接口可以提供稳定的电力输出,并且具有较强的兼容性,适用于多种手机充电。
二、手机万能充电器的维修方法1.充电器不工作或接触不良:首先,检查充电器是否与电源插座连接良好。
如果电源插座正常,那么可以使用万用表测量充电器的输出电压,看看是否正常。
如果输出电压异常,可能是电源管理芯片损坏,需要更换电源管理芯片。
2.充电器输出电压波动:如果充电器输出电压存在波动,可能是AC-DC变换器的问题。
可以使用电子万用表测量变压器输出端的电压波动情况,如果存在异常,可能是变压器损坏,需要更换变压器。
3.充电器过热:充电器过热可能是因为电源管理芯片负荷过重或者充电器散热不良。
可以检查电源管理芯片的负荷情况,如果过载,可能需要更换功率较大的芯片。
另外,可以在充电器上加装散热片或风扇来增加散热效果。
4.充电器无法适应多品牌手机:有些手机品牌的充电器对电流和电压的要求可能有所不同。
如果手机万能充电器无法适应多品牌手机,可以更换电源管理芯片,选择支持多种输出电压和电流的芯片。
万能充电器原理我有个朋友,叫老张,是个电器工程师。
老张这人,平时话不多,但一说起电器,那可就滔滔不绝了。
有一次,我俩在路边摊吃烤串,老张突然说:"你知道万能充电器吗?"我摇摇头,老张就来了劲儿,开始给我讲万能充电器的原理。
老张说,这万能充电器,其实原理很简单。
它里面有个芯片,叫电源管理芯片。
这芯片,就像个管家,负责管理电的进出。
你把手机插上去,芯片就先检测手机的电压和电流需求。
手机说:"我需要5伏电压,1安电流。
"芯片就点点头,说:"好嘞,马上给你安排。
"然后,芯片就指挥充电器内部的电路,把输入的220伏交流电,转换成手机需要的5伏直流电。
老张一边说,一边用手比划,好像那芯片就在他手里似的。
我听得入神,问:"那要是插个平板电脑呢?"老张笑了,说:"平板电脑需求大,可能需要9伏电压,2安电流。
芯片照样能搞定,它就像个魔术师,变着花样满足各种需求。
"我点点头,又问:"那要是插个电动牙刷呢?"老张哈哈大笑,说:"电动牙刷需求小,可能只需要3伏电压,0.5安电流。
芯片照样能应付,它就像个万能钥匙,什么锁都能开。
"老张越说越起劲,干脆把烤串一扔,从包里掏出个万能充电器,现场给我演示。
他把手机、平板、电动牙刷,一个个插上去,果然都能充电。
我看得目瞪口呆,老张得意洋洋,说:"这还不算什么,有些高级的万能充电器,还能自动识别设备类型,调整充电策略,保护电池寿命。
"我听得入迷,突然想起个问题:"那要是插个不认识的设备呢?"老张愣了一下,挠挠头,说:"这倒是个问题。
不过,现在的芯片都很聪明,会尽量匹配,实在不行,就提示你换个充电器。
"我点点头,觉得这万能充电器,真是神奇。
老张看我一脸崇拜,得意地说:"这还不算什么,以后科技发展了,说不定充电器还能自己学习,越来越聪明。
手机万能充电器设计与研究电子技术的快速发展使得各种各样的电子产品都朝着便携式和小型轻量化的方向发展,也使得更多的电气化产品采用基于电池的供电系统。
目前,较多使用的电池有镍镉、镍氢、铅蓄电池和锂电池。
它们的各自特点决定了它们将在相当长的时期内共存发展。
由于不同类型电池的充电特性不同和各型号手机所附带的充电器插口不同,通常对于不同类型,甚至不同电压、容量等级不同的电池用不同的充电器,造成各手机充电器之间不能通用。
当用户手机充电器损坏或丢失后,无法修复或购不到同型号充电器,使手机无法使用。
手机万能充电器由于其体积小、携带方便,操作简单,价格便宜,适合机型多,深受用户的欢迎。
下面介绍其工作原理和维修方法。
该万能充电器在外观设计上比较独特,面板上采用透明塑料制作的半椭圆形夹子,透明塑料面板上固定有两个距离可调节的不锈钢簧片作为充电电极。
面板的尾部并排有1个测试开关(极性转换开关)和4个状态指示灯,用户根据需要可以调节充电器电极距离和输出电压极性,并通过状态指示灯可方便看出电池的充电情况。
一、工作原理该充电器电路主要由振荡电路、充电电路、稳压保护电路等组成,其输入电压AC220V、50/60Hz、40mA,输出电压DC4.2V、输出电流在150mA~180mA。
在充电之前,先接上待充电池,看充电器面板上的测试指示灯是否亮?若亮,表示极性正确,可以接通电源充电;否则,说明电池的极性和充电器输出电压的极性是相反的,这时需要按一下极性转换开关AN1(测试键)才行。
具体电路原理如下。
1.振荡电路该电路主要由三极管VT2及开关变压器T1等组成。
接通电源后,交流220V经二极管VD2半波整流,形成100V左右的直流电压。
该电压经开关变压器T的1-1初级绕组加到了三极管VT2的c极,同时该电压经启动电阻R4为VT2的b极提供一个正向偏置电压,使VT2导通。
此时,三极管VT2和开关变压器T1组成的间歇振荡电路开始工作,开关变压器T的1-1初级绕组中有电流通过。
实用万能充电器电路原理图及分析一、工作原理该充电器电路主要由振荡电路、充电电路、稳压保护电路等组成,其输入电压AC220V、50/60Hz、40mA,输出电压DC4.2V、输出电流在150mA~180mA。
在充电之前,先接上待充电池,看充电器面板上的测试指示灯是否亮?若亮,表示极性正确,可以接通电源充电;否则,说明电池的极性和充电器输出电压的极性是相反的,这时需要按一下极性转换开关AN1(测试键)才行。
具体电路原理如下。
1.振荡电路该电路主要由三极管VT2及开关变压器T1等组成。
接通电源后,交流220V经二极管VD2半波整流,形成100V左右的直流电压。
该电压经开关变压器T的1-1初级绕组加到了三极管VT2的c极,同时该电压经启动电阻R4为VT2的b极提供一个正向偏置电压,使VT2导通。
此时,三极管VT2和开关变压器T1组成的间歇振荡电路开始工作,开关变压器T的1-1初级绕组中有电流通过。
由于正反馈作用,在变压器T的1-2绕组感应的电压通过反馈电阻R1和电容C1加到VT2的b极,使三极管VT2的b极导通电流加大,迅速进人饱和区。
随着电容C1两端电压不断升高,VT1的b极电压逐渐降低,使三极管VT2逐渐退出饱和区,其集电极电流开始减少,变压器T的1-1初级绕组中产生的磁通量也开始减少。
在变压器T的1-2绕组感应的负反馈电压,使VT2迅速截止,完成一个振荡周期。
在VT2进入截止期间,变压器T的1-3绕组就感应出一个5.5V左右的交流电压,作为后级的充电电压。
2.充电电路该电路主要由一块软塑封集成块IC1(YLT539)和三极管VT3等组成。
从变压器T的1-3绕组感应出的交流电压5.5V经二极管VD3整流、电容C3滤波后,输出一个直流8.5V左右电压(空载时),该电压一部分加到三极管VT3的e极;另一部分送到软塑封集成块IC1(YLT539)的1脚,为其提供工作电源。
集成块IC1有了工作电源后开始启动工作,在其8脚输出低电平充电脉冲,使三极管VT3导通,直流8.5V电压开始向电池E充电。
该充电器采用了RCC型开关电源,即振荡抑制型变换器,它与PWM型开关电源有一定的区别。
PWM型开关电源由独立的取样误差放大器和直流放大器组成脉宽调制系统;而RCC型开关电源只是由稳压器组成电平开关,控制过程为振荡状态和抑制状态。
由于PWM型开关电源中的开关管总是周期性的通断,系统控制只是改变每个周期的脉冲宽度,而RCC型开关电源的控制过程并非线性连续变化,它只有两个状态:当开关电源输出电压超过额定值时,脉冲控制器输出低电平,开关管截止;当开关电源输出电压低于额定值时,脉冲控制器输出高电平,开关管导通。
当负载电流减小时,滤波电容放电时间延长,输出电压不会很快降低,开关管处于截止状态,直到输出电压降低到额定值以下,开关管才会再次导通。
开关管的截止时间取决于负载电流的大小。
开关管的导通/截止由电平开关从输出电压取样进行控制。
因此这种电源也称非周期性开关电源。
220V市电经VD1~VD4桥式整流后在V2的集电极上形成一个300V左右的直流电压。
由V2和开关变压器组成间歇振荡器。
开机后,300V直流电压经过变压器初级加到V2的集电极,同时该电压还经启动电阻R2为V2的基极提供一个偏置电压。
由于正反馈作用,V2Ic迅速上升而饱和,在V2进入截止期间,开关变压器次级绕组产生的感应电压使VD7导通,向负载输出一个9V左右的直流电压。
开关变压器的反馈绕组产生的感应脉冲经VD5整流、C1滤波后产生一个与振荡脉冲个数呈正比的直流电压。
此电压若超过稳压管VD17的稳压值,VD17便导通,此负极性整流电压便加在V2的基极,使其迅速截止。
V2的截止时间与其输出电压呈反比。
VD17的导通/截止直接受电网电压和负载的影响。
电网电压越低或负载电流越大,VD17的导通时间越短,V2的导通时间越长,反之,电网电压越高或负载电流越小,VD5的整流电压越高,VD17的导通时间越长,V2的导通时间越短。
V1是过流保护管,R5是V2Ie的取样电阻。
万能充电器维修(转载)
万能充电器维修
万能充电器现在越来越多,买手机时,还会赠送一个,可以说市场占有率很大,损坏以后都是再买一个,极少有人会去维修,但还是有哪些个爱动手的朋友会去动手,
下面就说以下万能充电器的常见故障,第一,知道自己的损坏的就是听到充电器有爆裂的声音的。
那摩打开以后很明显就可以看到故障。
爆裂一般都发生在初级,图中的10欧电阻为限流电阻也就是保险,首查这一个,不管是何种充电器这个是少不了的阻值从1到33不等,第二个,易损件就是510千欧的启动电阻,这个电阻阻值从330千到1.1兆不同充电器可有不同,从图中可以看到510千欧电阻是开关管13003的启动电阻,通常在之后会接一个10到20 的电阻后才接在13003的基极,这个为限流电阻保护作用,通常和13003一块损坏,原因是市电电压瞬间波动峰值大,13003为开关管可以和13002,13001,直接替换,13003其损坏率很高应注意,再再来说说次级找到16伏的电容就是了,次级故障主要有指示灯亮或饱和灯也亮,就是充电灯不闪烁不充电,直接测量电容两端,看电压一般空载电压在7到8伏多。
如果只有5伏多那就换电容,另外在90%的充电器上次级有一个s8550或9013或1815的三极管或者其它型号,起作用就是检测电池电压的损坏后就无电压输出,也就是不充电或者就是有电压输出就是灯不闪烁。
CLT-688手机万能充电器电路剖析2008年01月10日星期四 11:18该充电器系深圳超力通电子有限公司制造,包装盒有以下说明:执行国家标准号:GB4943—2001性能:输入:220V,50Hz/60Hz 50mA 输出:DC4.2V 220mA±80mA特点:1、适用于对250—3000mAH容量手机锂离子3.6V(Li-ion)电池充电。
2、开关电源设计,适应交流电压宽150—265V供电。
3、采用微电脑芯片对整个充电过程进行准确检测和控制。
4、充电安全、可靠、充电饱和自动关机。
5、外形美观、轻巧、携带方便、操作简实用,可对绝大多数手机锂离子电池3.6V(Li-ion)电池充电。
打开包装盒,充电器外形如图。
出于好奇,笔者打开了该充电器。
其做工仔细,元件排列整齐,各元件都标有编号及大小数值,交流输入及直流输出也做了标注,并标有“CLT—688”、“2004.11.18”的字样。
印制板做的也很美观。
如图。
笔者根据实物画出了电路图,如下图(请点击图片查看放大后的电路),并进行简单的分析如下:该电路很简洁,采用了一块软封装的集成块并标有AE3102字样,通过对其8个引脚分析,是集成了两个运放。
开关电源部分采用抑制振荡型开关电源,它的简单工作原理是把220V交流电整流滤波成峰值电压300V左右的三角波(滤波电容C1不用),利用稳压器组成电平开关,控制开关管Q1的振荡与停止。
此开关电源初级电流很小,Q1的C极反峰电压也较低,因此可以使用Vceo大于300V的TO-92封装的小型开关管,以缩小体积降低成本。
开关电源部分:Q1和开关变压器组成间歇振荡器。
充电器加电后,220V市电经D1半波整流后在Q1的C极上形成一个300V左右的直流电压,经过变压器初级加到Q1的C极,同时该电压还经启动电阻R2为Q1的B极提供一个偏置电压。
由于正反馈作用,Q1的I C迅速上升而饱和,在Q1进入饱和期间,开关变压器次级绕组产生的感应电压使D2导通,向负载输出一个约9V左右的直流电压。
手机万能充电器电路原理与维修(大全5篇)第一篇:手机万能充电器电路原理与维修由于各型号手机所附带的充电器插口不同,以造成各手机充电器之间不能通用。
当用户手机充电器损坏或丢失后,无法修复或购不到同型号充电器,使手机无法使用。
万能充电器厂家看到这样的商机,就开发生产出手机万能充电器,该充电器由于其体积小、携带方便,操作简单,价格便宜,适合机型多,深受用户的欢迎。
下面以深圳亚力通实业有限公司生产的四海通S538型万能充电器为例,介绍其工作原理和维修方法。
该充电器在市场上占有率较高,又没有随机附带电路图,给维修带来一定的难度,本文根据实物测绘出其工作原理图,见附图,供维修时参考。
四海通S538型万能充电器在外观设计上比较独特,面板上采用透明塑料制作的半椭圆形夹子,透明塑料面板上固定有两个距离可调节的不锈钢簧片作为充电电极。
面板的尾部并排有1个测试开关(极性转换开关)和4个状态指示灯,用户根据需要可以调节充电器电极距离和输出电压极性,并通过状态指示灯可方便看出电池的充电情况。
一、工作原理该充电器电路主要由振荡电路、充电电路、稳压保护电路等组成,其输入电压AC220V、50/60Hz、40mA,输出电压DC4.2V、输出电流在150mA~180mA。
在充电之前,先接上待充电池,看充电器面板上的测试指示灯是否亮?若亮,表示极性正确,可以接通电源充电;否则,说明电池的极性和充电器输出电压的极性是相反的,这时需要按一下极性转换开关AN1(测试键)才行。
具体电路原理如下。
1.振荡电路该电路主要由三极管VT2及开关变压器T1等组成。
接通电源后,交流220V经二极管VD2半波整流,形成100V左右的直流电压。
该电压经开关变压器T的卜1初级绕组加到了三极管VT2的c极,同时该电压经启动电阻R4为VT2的b极提供一个正向偏置电压,使VT2导通。
此时,三极管VT2和开关变压器T1组成的间歇振荡电路开始工作,开关变压器T的1-1初级绕组中有电流通过。
能自动识别极性的手机充电器原理与检修作者:朱世民单位:长沙市高新技术工程学校邮箱:278546769@现在,市场上广为流行的是:能自动识别电池极性的手机万能充电器。
它和以前的脉动式万能充电器相比,具有电池极性自动识别和自动转换功能,它还具有控制精度高、限流充电和防止过充的优点。
但是,网络和杂志上少有这方面的介绍。
本文特地详细介绍其电路原理与检修方法。
一、工作原理:本电路由开关电源,恒压限流充电和电池极性识别三大部分组成。
1、开关电源:如图:电路主要以开关管VT1和开关变压器T为核心组成间接取样式开关电源,实现AC-DC变换,输出6V左右的直流电。
市电通过R1为限流,二极管VD2整流、电容C1滤波,得到280V左右的直流电压。
一路经启动电阻R2加到VT1基极;一路经变压器绕组加到VT1集电极。
由于C3 和R3 的正反馈作用,VT1和开关变压器T,以及外围元件组成一个组成间歇振荡器,将直流电变为40KHZ左右的交变电流,通过变压器的变换和降压,经过VD3整流和电容C5滤波,输出6V左右的直流电压,为后级电路供电。
图中R4为电流取样电阻,DW为过压检测器件。
它们和VT2一起构成过流、限压保护电路;电容C2为间歇定时电容,影响间歇时长短,从而可以改变输出电压高低。
2、恒压限流充电电路:图中Q2为充电控制三极管,TL431为三端可调稳压IC。
IC的①脚外接取样电阻R7、R8,决定着输出电压的高低。
R6为Q2基极偏压电阻,TL431和Q2一起组成高精度串联稳压电路,输出稳定电压为4.2V;R5为充电限流电阻,将充电初期的电流限制在800mA以下,这样通过高精度稳压和限制最大充电电流而保证不损坏理电池。
Q1为充电指示灯LED1的控制管。
在充电初期,充电电流较大,R5两端的电压大于0.5V,此时Q1导通,充电指示灯LED1得电发光;当电池接近充满时,充电电流变小,R5两端的电压降低,Q1导通电阻变大,LED1变暗,最后直到Q1截止而熄灭,表示电池接近充满。
手机电池简易万能充电器目前市场上面充斥着形形色色、各式各样的手机电池万能充电器,这些充电器电路简单、成本低廉,其内部大都采用了一个小型的开关电源电路,这里介绍简易的手机电池万能充电器,(一)电路组成该万能充实质为小型开关电源电路,可分为:输入整流滤波电路、开关振荡电路、过压保护电路、次级整流滤波电路、稳压输出电路、自动识别极性及充电电路、跑马灯充电指示电路等。
(二)电路基本工作原理当充电器插到交流电源上后,220V交流电压经D1半波整流、C1滤波,得到约300V左右的直流电压。
由Q1、T1、R1、R3、R4、R5、C2等元件组成的开关振荡电路将直流转换为高频交流,振荡过程如下:通电瞬间,电压通过启动R1为开关管Q1提供从无到有增大的基极电流I B,Q1集电极产生从无到有增大的集电极电流I C,电流流经T1的1-2绕组,产生上正下负的自感应电动势,同时T1的正反馈绕组3-4中感应出上正下负的互感电动势,经R3、C2等反馈到Q1的基极,使I B增大,这是一个强烈的正反馈过程:↑→I C↑→T1(I此作用下,Q1进入饱和状态,T1储存磁场能量。
正反馈绕组不断对C2充电,极性上负下正,使Q1基极电压下降,后Q1退出饱和状态,T1 1-2绕组电流减小,T1感应电动势全部翻转,T1 3-4绕组的感应电动势极性上负下正,反馈到Q1的基极后,IB再减小,如此循环,进入另一个正反馈过程,Q1迅速截止。
C2在自身放电及+300V对它的反向充电的作用下,使Q1基极电压回升,进入下一轮循环,产生周期性的振荡,使Q1工作在不断的开、关状态下。
在Q1截止期间,T1次级绕组(5-6绕组)感应电动势的极性为上正下负,此时D3导通,该电动势对电容C4充电,在C4上得到约10V(带负载时约7.6V)左右的直流电压,向负载供电。
在T1正反馈绕组外还设有由D2、C3、Z1组成的过压保护电路,当220V电源电压异常升高导致输出电压也升高时,过压保护电路中的稳压二极管Z1将反向击穿导通,使开关管停振,输出端无电压,起到保护作用。
手机充电器电路原理和检修方法一、手机充电器电路原理1.交流输入电路:手机充电器一般采用交流输入电压,交流输入电路主要由输入电源插座、保险丝、开关、滤波电容和稳压电容等组成。
输入电源插座将外部交流电源与充电器连接,通过保险丝保护充电器电路的安全,开关控制电路的通断,滤波电容用于消除输入电压的高频噪声,稳压电容能够对输入电压进行稳定。
2.整流滤波电路:整流滤波电路用于将交流电转换为直流电。
它一般由整流桥、滤波电容和滤波电阻组成。
整流桥将交流电转换为脉冲直流电,滤波电容通过充电和放电的过程平滑输出电流,滤波电阻能够进一步消除输出电流中的高频噪声。
3.电压稳定电路:电压稳定电路用于将输出电压稳定在手机所需的电压范围内。
它一般由稳压二极管、稳压三极管和反馈电路组成。
稳压二极管能够将输出电压稳定在一定范围内,稳压三极管通过反馈电路对输出电压进行调整,保持其稳定工作。
4.输出电路:输出电路用于将稳定电压输出给手机进行充电。
它一般由输出插座、输出滤波电容和保护电路组成。
输出插座将手机连接到充电器,输出滤波电容能够消除输出电压中的杂波,保护电路用于保护充电器和手机免受电流过大或电压过高的损害。
二、手机充电器的检修方法1.检查充电线:有时手机充电器不能正常工作是由于充电线断裂或损坏导致的。
可以通过检查充电线上是否有外露的金属线,或使用万用表检测充电线是否通电来判断充电线是否正常。
2.检查充电插座:有时手机充电器不能正常工作是由于充电插座接触不良或脱落导致的。
可以通过检查插座是否有变形、氧化或松动来判断插座是否需要更换。
3.检查保险丝:有时手机充电器不能正常工作是由于保险丝熔断导致的。
可以通过检查保险丝是否熔断或使用万用表测试保险丝是否导通来判断保险丝是否需要更换。
4.检查电容和电阻:有时手机充电器不能正常工作是由于电容和电阻损坏导致的。
可以通过使用万用表测试电容和电阻的阻值是否正常来判断它们是否需要更换。
5.检查稳压电路:有时手机充电器不能正常工作是由于稳压电路故障导致的。
JC820型手机万能充电器套件制成后,适合充容量为250~3000mA锂离子、镍氢电池;充电时,七彩灯闪烁,指示灯的颜色依次变化,发出绚丽多彩的七彩光芒,饱和后熄灭;内设自动识别线路,可自动识别电池极性;输出电压为标准4.2V,能自动调整输出电流,使电池达到最佳充电状态,可保护电池,延长电池的使用寿命,是移动电话的理想伴侣。
本套件采用分离元气件的开关电源电路,适合学校教学,具有制作成功率高、电路可靠、体积小、重量轻、效率高等优点。
主要技术参数是输入:AC220V50/60HZ。
卡针处输出:DC 4—4.2V,200±80m A;USB接口处输出:DC 5V,180 ±80mA。
一、电路工作原理本电路由开关电源和充电电路两部分组成。
下图是电路原理图1的直流稳压电源.对电网电压及频率的变化适应性强等优点。
本套件利用间歇振荡电路组成的开关电源,也是目前广泛使用的基本电源之一。
当接入电源后,通过整流二极管VD1、R1给开关管Q1提供启动电流,使Q1开始导通,其集电极电流Ic在L1中线性增长,在L2中感应出使Q1基极为正,发射极为负的正反馈电压,使Q1很快饱和。
与此同时,感应电压给C1充电,随着C1充电电压的增高,Q1基极电位逐渐变低,致使Q1退出饱和区,Ic开始减小,在L2中感应出使Q1基极为负、发射极为正的电压,使Q1迅速截止,这时二极管VD1导通,高频变压器T初级绕组中的储能释放给负载。
在VT1截止时,L2中没有感应电压,直流供电输人电压又经R1给C1反向充电,逐渐提高Q1基极电位,使其重新导通,再次翻转达到饱和状态,电路就这样重复振荡下去。
这里就像单端反激式开关电源那样,由变压器T的次级绕组向负载输出所需要的电压,在C4的两端获得9V的直流电,供充电电路工作。
2、充电电路。
Q2与CH(七彩发光二极管)组成充电指示电路。
R7与PW(红色二极管)组成电池好坏检测及电源通电指示电路。
由于各型号手机所附带的充电器插口不同,以造成各手机充电器之间不能通用。
当用户手机充电器损坏或丢失后,无法修复或购不到同型号充电器,使手机无法使用。
万能充电器厂家看到这样的商机,就开发生产出手机万能充电器,该充电器由于其体积小、携带方便,操作简单,价格便宜,适合机型多,深受用户的欢迎。
下面以深圳亚力通实业有限公司生产的四海通S538型万能充电器为例,介绍其工作原理和维修方法。
该充电器在市场上占有率较高,又没有随机附带电路图,给维修带来一定的难度,本文根据实物测绘出其工作原理图,见附图,供维修时参考。
四海通S538型万能充电器在外观设计上比较独特,面板上采用透明塑料制作的半椭圆形夹子,透明塑料面板上固定有两个距离可调节的不锈钢簧片作为充电电极。
面板的尾部并排有1个测试开关(极性转换开关)和4个状态指示灯,用户根据需要可以调节充电器电极距离和输出电压极性,并通过状态指示灯可方便看出电池的充电情况。
一、工作原理
该充电器电路主要由振荡电路、充电电路、稳压保护电路等组成,其输入电压AC220V、50/60Hz、40mA,输出电压DC4.2V、输出电流在150mA~180mA。
在充电之前,先接上待充电池,看充电器面板上的测试指示灯是否亮?若亮,表示极性正确,可以接通电源充电;否则,说明电池的极性和充电器输出电压的极性是相反的,这时需要按一下极性转换开关AN1(测试键)才行。
具体电路原理如下。
1.振荡电路
该电路主要由三极管VT2及开关变压器T1等组成。
接通电源后,交流220V经二极管VD2半波整流,形成100V 左右的直流电压。
该电压经开关变压器T的卜1初级绕组加到了三极管VT2的c极,同时该电压经启动电阻R4为VT2的b极提供一个正向偏置电压,使VT2导通。
此时,三极管VT2和开关变压器T1组成的间歇振荡电路开始工作,开关变压器T的1-1初级绕组中有电流通过。
由于正反馈作用,在变压器T的1-2绕组感应的电压通过反馈电阻R1和电容C1加到VT2的b极,使三极管VT2的b极导通电流加大,迅速进人饱和区。
随着电容C1两端电压不断升高,VT1的b极电压逐渐降低,使三极管VT2逐渐退出饱和区,其集电极电流开始减少,变压器T 的1-1初级绕组中产生的磁通量也开始减少。
在变压器T的1-2绕组感应的负反馈电压,使VT2迅速截止,完成一个振荡周期。
在VT2进入截止期间,变压器T的1-3绕组就感应出一个5.5V左右的交流电压,作为后级的充
电电压。
2.充电电路
该电路主要由一块软塑封集成块IC1(YLT539)和三极管VT3等组成。
从变压器T的1-3绕组感应出的交流电压5.5V经二极管VD3整流、电容C3滤波后,输出一个直流8.5V左右电压(空载时),该电压一部分加到三极管VT3的e极;另一部分送到软塑封集成块IC1(YLT539)的1脚,为其提供工作电源。
集成块IC1有了工作电源后开始启动工作,在其8脚输出低电平充电脉冲,使三极管VT3导通,直流8.5V电压开始向电池E充电。
当待充电池E电压低于4.2V时,该电压经取样电阻R11、R12分压后,加到集成块IC1的6脚上,该电压低于集成块IC1内部参考电压越多,集成块IC1的8脚输出的电平越低,三极管VT3的b极电位也越低,其导通量越大,直流电压(8.5V)经极性转换开关S1向电池E快速充电。
由于集成块IC1的2、3、4脚和电容C4共同组成振荡谐振电路,其2脚输出的振荡脉冲经电阻R16送至充电指示灯LED1(绿)的正极,其负极接到集成块IC1的8脚。
在电池刚接人电路时,集成块IC1的8脚输出的电平越低,充电指示灯LED1闪烁发光强。
随着充电时间延长,电池所充的电压慢慢升高,集成块IC1的8脚输出电压慢慢升高,充电指示灯LED1闪烁发光逐渐变弱。
当电池E慢慢充到4.2V左右时,集成块IC1的6脚电位也达到其内部的参考电压1.8V。
此时,集成块IC1内部电路动作,使其8脚电压输出高电平,三极管VT3截止,充电指示灯LED1不再闪烁发光而熄灭,充满指示
灯LED2(绿)由灭变亮。
3.稳压保护电路
该电路主要由三极管VT1、稳压二极管VDZ1等组成。
过压保护:当输出电压升高时,在变压器T的1-2反馈绕组端感应的电压就会升高,则电容C2所充电压升高。
当电容C2两端电压超过稳压二极管VDZ1的稳压值时,稳压二极管VDZ1击穿导通,三极管VT2的基极电压拉低,使其导通时间缩短或迅速截止,经开关变压器T1耦合后,使次级输出电压降低。
反之,使输出电压升高,从而确
保输出电压稳定。
过流保护:在接通电源瞬间或当某种原因使三极管VT2的电流过大时,在R5、R6上的压降就大,使过流保护管VT1导通,VT2截止,从而有效防止开关管VT1因冲击电流过大而损坏。
同时电阻R6上的压降,使电容C2两端电压升高,此后过流保护过程与稳压原理相同,这里不再重复。
三极管VT1是过流保护管,R5、R6是VT2的过
流取样保护电阻。
二、常见故障检修
例1:接上待充电池及电源后,电源PW指示灯LED3及测试指示灯TEST LED4亮,而充电LED1及充满指示灯
LED2不亮,无电压输出,不能给电池充电。
分析检修:这种故障多是充电器开关振荡电路没有工作所致。
在实际检修过程中,发现开关管VT2和电阻R6损坏最多。
一般情况下,电池E的充电电路工作电压较低,其元件损坏的概率不是很大,也就是开关变压器T1的次级
之后电路的损坏概率不是很大。
例2:接上待充电池及电源后,各状态指示灯显示正常,但就是充不进电或充电时间长。
分析检修:这种故障多是三极管VT3(8550)损坏,用正常管子换上后,即可排除故障。
如果三极管VT3正常,再用表测电容C3(100μF/16V)两端电压,正常在直流8.5V左右。
若电压正常,应检查电阻R7或集成块IC1,集成块IC1各引脚正常参数如附表所示。
若电压低,再测开关变压器T1次级输出电压,正常在交流5.5V左右。
若电压正常,说明电容C3或整流二极管VD3损坏;若电压低,应检查开关变压器T1及其前级各元件。