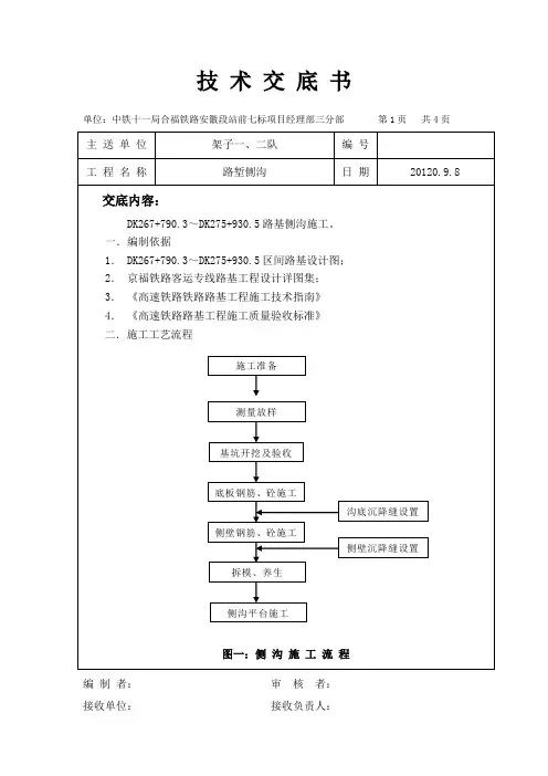
侧沟施工技术交底
- 格式:doc
- 大小:95.08 KB
- 文档页数:6
截水沟边沟排水沟技术交底本页仅作为文档页封面,使用时可以删除This document is for reference only-rar21year.March1.路基边沟、排水沟、截水沟路基成形,护坡道、碎落台经碾压后,及时施工边沟。
排水沟采取临时和永久排水设施相结合的办法施工,在特殊地段应先在设计位置挖临时排水沟,防止雨水冲入路基。
边沟、排水沟、截水沟采用人工挖沟槽,沟底采用平板振动夯振击密实,急流槽采用人工挖基。
浆砌片石采用挤浆法施工,机械搅拌砂浆。
排水沟(边沟)分段施工,分段成型,在雨季严禁长段开挖而遭雨水浸泡。
水沟的开挖、整修、夯实、砌筑形成流水作业,随挖随砌。
1)石料的选择与路基防护工程相同。
砂浆配合比通过试验确定,采用磅称计量,并按规定制作砂浆检查试件。
2)施工前放好排水沟(边沟)中线、边桩,并在水沟外测放设护桩(直线地段每20米一桩,曲线每10米一桩),经过高程测量将填挖高度标注在护桩上,以控制水沟的中心位置、高程和线形。
3)开挖沟槽时,由人工开挖整修;沟底采用平板冲击夯夯击密实。
达到沟底密实、边坡整齐园顺。
4)砌体结构尺寸采用立杆挂线控制、坡尺检查。
在砌筑的同时经常检查水沟中线,通过水平测量,检查沟底的高程和坡度,确保排水沟(边沟)完成后,结构尺寸符合设计要求,坡面平整,线形顺适。
5)浆砌片石采用挤浆法,采用监理工程师要求的方法勾缝,砌体咬口紧密,无干缝、通缝和瞎缝,砂浆饱满。
砌体外露面和坡顶、边缘及边角应选用较大、平整并加凿修的石块砌筑。
6)排水沟(边沟)根据伸缩缝设计位置分段砌筑,当经过软弱地段时,根据监理工程师批示进行基底处理。
7)砌体应分层坐浆砌筑,砌筑上层时,不得振动下层。
不得在已砌好的砌体上抛掷、滚动、翻转和敲击石块,砌体砌筑完成后,应及时进行勾缝。
8)浆砌告一段落时,及时用草袋、麻袋覆盖砌体,进行洒水养护,养护时间一般不少于7天,所砌筑圬工的砂浆,在初期硬化期间不应使其受雨水冲刷或水淹浸。
道路工程xxxx 有限责任公司施工技术交底方案边沟施工技术交底1 施工准备工作1.1复核设计图纸,不同的挖方高度采用不同的边沟型式,其中I型边沟用于一般路段,地下水富集路段,应于边沟下部碎砾石盲沟底部增设φ10带孔波纹管;II型边沟用于路堑边坡高度小于12m;纵向长度小于150m的挖方路段。
复核边沟的工程量、长度是否与设计相符。
1.2测量队测量放样已完成导线点、水准点复测及加密,满足施工放样精度及使用要符合求。
复测路基边坡坡比、路基宽度,路堑边沟边线等,如边坡不足,路基宽度不够,及时进行修整处理。
1.3物资部物资准备根据图纸复核数量,上报物资计划,提前购买并做好施工准备。
1.4施工班组人员准备考虑到施工进度,必须几个工点同时开工,现场施工必须确保管理人员2名、后勤员1名、工人60人。
1.5物资部机械准备I型边沟下部经设计变更由M7.5浆砌片石改为砼浇筑,I-1型改为C20素砼,I-2型改为C20片石砼施工。
为保障砼施工质量,砼由三工区搅拌站供应,现场需准备30振捣棒2根、铁铲10把、铁锹10把、地秤1台等。
挖掘机1台、装载机1台、自卸汽车1辆。
1.6工期安排路堑边沟施工总体工期为:2022年11月1日~2022年12月30日,共60天。
2施工工艺2.1施工放样在路基边坡坡比、路基宽度均满足设计要求后,方可进行边沟施工。
先由测量队逐桩精确测放出水沟内边线并加宽2cm打桩(放样宽度为12.27m),再由施工队用钢卷尺测出边沟外边线,并沿内、外边桩用石灰粉撒出边沟开挖边线。
待以上步骤完成后,方可进行下步沟槽开挖施工。
2.1沟槽开挖根据测放的边沟边线,采用油锤进行破碎,人工配合机械开挖,装载机、自卸汽车运输。
当沟槽开挖至距设计尺寸10~15cm时,改以人工挖掘。
人工修整至设计尺寸,不能扰动沟底及坡面原土层,不允许超挖。
开挖清理完毕后,施工班组自检,项目部质检员检验,然后请监理检验。
2.2 盲沟施工沟槽报检合格后,即可开始安设φ10带孔波纹管,波纹管之间连接采用黄色塑料胶布裹牢实,安放沟槽底中心,并用碎砾石回填至沟底标高。
钢筋混凝土排水沟技术交底4篇第1篇现浇钢筋混凝土排水沟施工技术交底第2篇现浇钢筋混凝土排水沟技术交底第3篇现浇钢筋混凝土排水沟-技术交底第4篇现浇钢筋混凝土排水沟施工-技术交底【第1篇】现浇钢筋混凝土排水沟施工技术交底一、施工预备一)、技术预备1、仔细审核施工图纸及设计说明,并办理图纸会审记录。
2、仔细编制施工组织设计(方案)3、施工前应根据图纸标明的现况位置在施工。
4、水沟施工前,必需验槽,经签认合格后方可进行下道工序施工。
市政基础议施工程杖术亥底记录5、依据设计图纸进行施工测量,定出水沟中线、高程和宽度,确定水沟变形缝的位置,并对掌握桩进行加密和爱护。
6、对原材料和半成品进行检验、试验。
二)、材料要求1、水泥:水泥宜采纳一般硅酸盐水泥。
水泥应具有出厂合格证和检验报告单,进场后应取样复试合格,其质量符合国家现行标准的规定和设计要求。
2、钢筋(1)钢筋出厂时应有产品合格证和检验报告单,钢筋的品种、级别、规格,应符合设计要求。
钢筋进场时应抽取试件做力学性能检验,其质量必需符合国家现行标准《钢筋混凝土用热轧带肋钢筋》(gb 1499)等的规定。
(2)钢筋不得有严峻的锈蚀、麻坑、劈裂、夹砂、夹层等缺陷。
(3)钢筋应按类型、直径、钢号、批号等条件分别堆放,并应避开油污、锈蚀。
(4)当发觉钢筋脆断、焊接性能不良或力学性能显著不正常等现象时,应对该批钢筋进行化学分析或其他专项检验。
3、砂:宜选用质地坚硬、级配良好的中粗砂,其含泥量不应大于3%。
4、石子:石子最大粒径不得大于结构截面最小尺寸的1/4,不得大于钢筋最小净距的3/4,且不得大于40mm。
其含泥量不得大于1%,吸水率不应大于1.5%。
5、混凝土拌合用水:宜采纳饮用水。
当采纳其他水源时,其水质应符合国家现行标准《混凝土拌合用水标准》(jgj 63)的规定。
三)、机具设备1、机械:混凝土搅拌机、混凝土搅拌运输车、机动翻斗车、钢筋切断机、钢筋调直机、钢筋弯曲机、电锯、电刨、电焊机等。
工程名称施工单位
交底部位地下室、设备间工序名称排水沟施工
交底提要:装修工程相关技术交底
交底内容:
一、主要机具、材料
1、主要机具:手推车、铁锹、铁抹子、木抹子、2m靠尺、胶皮管、小线及钢尺等。
2、主要材料:素土。
二、操作工艺
1、工艺流程:基坑底清理→找坡打点→细石回填→砂浆找平、抹八字脚→找平验收→防水层施工→闭水试验
→防水保护层施工
2、混凝土回填时,先清除基坑中的杂物,并在坑底用砂浆向找坡方向打好灰点,坡度以1%为宜。
3、混凝土浇筑时提前将坑底浇水湿润,混凝土浇筑完成面距离管底控制在40mm左右,为找平层及防水保护层预
留出足够工作面。
4、排水沟壁用水泥胶浆拉毛后,用1:2水泥砂浆做20mm厚找平层(根据防水粉说明,内掺适量防水粉),阴角
抹出八字角,半径不小于50mm,阳角做出半径不小于20mm圆角,找平层抹至角钢下方,保证聚氨酯涂膜可上卷至角钢底部。
05J9 60/A(车库排水沟篦子)
05J9 64/7(车库坡道排水沟篦子)
注:本记录一式两份,一份交接受交底人,一份存档。
边沟工程技术交底方案一、前言边沟是指道路两侧的排水设施,主要用于收集和排除道路两侧的雨水和污水。
边沟工程是道路工程中重要的一部分,对道路的排水和保护起着至关重要的作用。
边沟工程的施工需要严格按照规范进行,本文将对边沟工程的技术交底方案进行详细的阐述,以确保施工质量和安全。
二、边沟工程的施工前准备1. 人员准备:施工前需进行必要的人员配置,包括施工队长、技术员、操作工等,确保施工人员具备相关的技术和安全知识。
2. 设备准备:需要准备好边沟施工所需的设备和工具,包括挖掘机、卡车、测量仪器、手工具等。
3. 材料准备:需要准备好边沟施工所需的材料,包括水泥、砂石、水泥搅拌机等。
三、边沟工程的施工过程1. 现场勘察:在施工前需要对边沟工程的施工现场进行勘察,确认边沟的位置、长度、宽度等,并对现场的地形和地势进行合理的分析,为后续的工作提供基础数据。
2. 边沟标线:根据勘察的结果,对边沟的位置、长度和宽度进行标线,确保施工的准确性和规范性。
3. 边沟挖掘:根据标线的位置,使用挖掘机进行边沟的挖掘工作,确保边沟的深度、宽度和斜度符合设计要求。
4. 边沟排水:在挖掘完成后,需对边沟进行清理和排水处理,确保边沟内没有多余的积水和杂物。
5. 边沟支护:在边沟挖掘完成后,需对边沟的侧壁进行支护,使用专用的支护材料和工艺进行支护,确保边沟的侧壁不会发生坍塌。
6. 边沟填筑:在边沟的支护工作完成后,需对边沟进行填筑,使用适当的材料和工艺进行填筑,确保边沟的结构稳固和坚实。
7. 表面修整:在填筑完成后,需对边沟进行表面的修整和整齐,确保边沟的美观和通畅。
8. 检查验收:施工完成后需对边沟进行检查验收,并确认边沟的质量和安全符合相关规范和要求。
四、施工安全和质量控制1. 施工安全:在施工过程中需严格遵守施工安全要求,保证施工人员的安全和施工现场的安全。
同时需对施工现场进行必要的安全防护和标示,确保施工过程中的安全。
2. 施工质量:在施工过程中需严格遵守相关的施工规范和要求,确保施工质量达到设计要求,同时需对施工过程进行严格的质量控制和检验,确保施工的质量和可靠性。
一、交底目的为确保沟渠开挖施工过程中的安全,降低安全事故发生的风险,提高施工人员的安全意识,特制定本安全技术交底。
二、交底对象1. 施工单位全体施工人员;2. 施工现场管理人员;3. 施工现场监理人员。
三、交底内容1. 施工前的准备工作(1)施工人员需接受安全教育培训,掌握沟渠开挖施工安全操作规程。
(2)施工现场应设置明显的警示标志,如:“施工重地,严禁入内”、“危险区域,注意安全”等。
(3)施工前,对施工人员进行安全交底,确保每位施工人员了解施工过程中的安全风险。
2. 施工过程中的安全注意事项(1)沟渠开挖前,应先进行地质勘察,了解地下管线、电缆等设施情况,避免损坏。
(2)沟渠开挖过程中,应遵循自上而下、分层开挖的原则,严禁超挖。
(3)沟渠两侧堆土,土堆距沟边不得小于1米,高度不得大于1.5米。
(4)沟渠深度超过2米时,每隔50米左右应设梯子或跳板,供操作人员上下。
(5)沟槽支撑应经常检查,特别是雨后或泡槽后,一旦发现撑料走动或折断,边坡土方开裂等现象,必须采取加固措施后,方可下槽操作。
(6)卸基础材料时,不要碰撑木、撑柱,卸料前要招呼沟槽内操作人员让开,卸大石块或混凝土时,必须使用滑槽卸料,不得从地面直接倒入沟内。
(7)机动翻斗车、手推车等在沟槽卸料,沟槽边缘要放挡板,防止沟槽边缘潮湿打滑而翻车坠落伤人。
(8)在沟内摊铺找平夯实时,要注意操作,勿被横撑碰伤手、头等。
(9)使用震动器应事先检查,震动器是否完好,操作人员必须穿绝缘鞋,戴绝缘手套,操作中保持导线有足够的长度和松弛度,不使导线被拉紧,以免线头被拉断。
3. 施工现场安全措施(1)施工现场应配备足够的安全防护用品,如安全帽、安全带、防护眼镜等。
(2)施工现场应设置消防器材,如灭火器、消防栓等。
(3)施工现场应设置排水设施,确保排水畅通。
(4)施工现场应设置警示标志,提醒施工人员注意安全。
四、交底要求1. 施工单位应将本安全技术交底内容纳入施工方案,并严格执行。
边沟施工技术交底边沟施工是农田水利工程中非常重要的一环,也是农民朋友经常涉及的问题。
下面将对边沟施工技术进行交底。
边沟的基本概念边沟,又称源头沟,是将溪流、河流发源处的附属水体和雨水快速集中排放,防止水流侵蚀农作物和土地,保障农田的安全生产。
边沟的规划和设计应该考虑到地形、地貌和地势条件。
同时,在施工过程中,要注意沟底铺底、排水口等等的细节处理。
施工要点1.边沟的开挖1.1 确定开挖范围在进行边沟施工之前,首先要做的是确定边沟开挖的范围和宽度。
这个范围要根据具体的情况进行估算,包括地形、地貌、排水量等等因素进行考虑。
1.2 开挖沟道并平整确定开挖范围之后,就可以进行沟道的开挖了。
在进行边沟开挖之后,必须保证边沟两侧的高度相等,并且沟底平整。
在进行这个过程中,应该根据地势、土质和工程难度等因素考虑挖掘的深度和范围。
2.边沟的混凝土浇筑2.1 预先准备在进行边沟混凝土浇筑之前,应首先准备好所有要用到的材料和工具,包括混凝土原料、水泥、细沙、石子、水泵、搅拌机等等。
2.2 施工流程首先,将所有原料按照一定的比例混合在一起。
然后将混好的料运输到需要注入混凝土的位置,利用水泵将混合好的料泵入边沟中,再利用搅拌机进行振动压实。
当浇筑好的混凝土表面变平均后就可以停止作业了。
2.3 浇筑注意事项在进行边沟混凝土浇筑时,需要注意以下细节处理:•浇筑时要把混凝土泵过去,每次泵料的时间不要太长,以免出现漏泵现象。
•如果已经进行了一些浇筑,则沟槽中的混凝土需要与已浇筑的混凝土紧密结合。
•浇筑时,混凝土的浓度应该根据环境温度、湿度、流速等不同因素进行调整,以保证浇筑的混凝土质量。
3.边沟排水口的设置3.1 排水口的基本情况边沟中的排水口是非常重要的,因为它可以起到排水和溢洪的效果。
排水口的设置必须考虑到地形、水流和水量等方面的因素。
排水口的数量和大小要根据具体情况确定,不能过多,也不能过少。
3.2 排水口的位置和方向排水口的位置应该选择在水流汇合、坡度变化、路口或者拐角等地方,同时也需要考虑到排水口的排放方向,是直接向外排放,还是通过其他方式进行处理。
路堑侧沟施工技术交底一、前言路堑侧沟是指在路堑两旁进行挖掘的沟渠,主要用于收集路面和路堤排出的雨水和地下水等。
保证路面排水、理清街面积水、维护路基稳定,是道路建设中不可或缺的环节。
为了确保道路质量,关键在于施工中的技术交底。
本文旨在阐述路堑侧沟施工技术交底的相关要点,从施工前期准备到施工过程中的具体措施,一一说明,以期能够为相关工作提供一定的参考依据。
二、施工前准备1. 定位定位是依据施工设计方案,将路堑侧沟的位置、断面、长度等要素在土中标示出来,以确保施工的准确性和质量。
因此,在施工前需要对路堑侧沟的位置进行准确定位,并在地面上进行标注,以便施工人员按照标注进行挖掘。
2. 通工方案的制定在施工之前,需要制定通工方案,通工方案是指路堑侧沟施工的具体方案和施工周期、工期等方面的安排。
要考虑到当地气候、地形地貌、土质、路堑的位置、长度等因素进行综合分析,充分做好施工规划,确保工期和质量达到规划要求。
3. 措施组织工程施工是一个系统性的工作,需要全面考虑方案和实施。
在施工前期,需要根据通工方案,组织相关人员对施工方案进行详细讨论和制定,落实各项施工措施,确保施工的质量和安全。
三、施工过程1. 侧沟的挖掘侧沟的挖掘是侧沟施工的重要环节,直接关系到侧沟断面的挖掘质量和深度的控制。
在挖掘侧沟时,首先应按照路堑侧沟的长度、宽度、深度等要素进行挖掘,然后根据要求进行整理。
侧沟的挖掘应符合工程设计要求的要素尺寸,方向应与道路垂直,保持纵向坡度和横向坡度的同时注意斜坡的控制等。
2. 平整处理侧沟挖掘完毕之后,需要对其进行平整处理,并保证其底部的水平度和坡度达到设计要求。
为了实现坡度的控制,可以使用水平仪等工具,对侧沟底部的坡度进行调整。
3. 材料的加工在侧沟挖掘完毕并进行平整处理之后,需要根据工程设计要求进行材料的加工和生产。
主要包括砖石、水泥等硬质材料的加工和生产,并确保材料的种类、数量和规格符合工程设计要求。
4. 易损部位的保护除了进行侧沟的挖掘和加工之外,还需要在侧沟周围的易损部位进行保护。
路基侧沟施工技术交底一、施工时机路基侧沟施工需要选在气温较高、降雨较少的时期进行,避免雨水影响施工效果。
二、施工所需材料和工具1、材料:水泥、石子、沙子等2、工具:铁铲、平铲、铁锤、由网、胶带、水平仪、测量笔、量具等三、施工步骤1、测量侧沟依据设计人员出具的图纸,测量侧沟施工的长度、宽度、高度、坡度等数据,确保侧沟施工的尺寸符合设计要求。
2、准备施工材料选用经过质检合格的材料,按照设计要求,配制混凝土和砂浆。
3、清理施工场地将施工场地清理干净,确保施工安全。
4、隔离现场将施工现场用隔离带或警示牌清晰地标记出来,防止行人和车辆等非施工人员进入。
5、开始施工(1)挖沟根据绘出的施工图,用铁铲和平铲挖出侧沟的形状和深度,侧沟的宽度应根据设计要求合理确定。
(2)铺底石侧沟底层应先铺一层10cm左右的石子,按照设计图中的坡度控制好石子的坡度。
(3)浇筑混凝土将配制好的混凝土均匀地灌入侧沟,确保混凝土填满侧沟,用铁锤轻敲混凝土,使其密实均匀。
(4)修整侧沟在混凝土未完全干燥之前,进行侧沟的修整工作,主要是使侧沟外形更符合要求,便于排水。
(5)养护施工结束后,对施工的侧沟进行养护,避免侧沟的龟裂和表层的损害。
四、安全注意事项1、作业时必须佩戴安全帽和劳保鞋。
2、禁止在施工现场吸烟,不允许抽烟。
3、在施工现场应保持清洁卫生,防止发生事故。
4、人车分流,车辆进入施工现场需按规定路线行驶。
五、验收标准1、侧沟的规格尺寸符合设计要求。
2、侧沟表面无裂缝、空鼓、松动等缺陷。
3、侧沟施工后可以正常排放雨水,无严重积水现象。
4、侧沟的施工情况符合国家相关标准。
技术交底书交底内容:一、 准备工作1、 现场准备:施工场地平整,施工便道通畅,保证水、电现场使用。
2、 材料准备:所需材料已经进场并检验合格,周转材料如模板、钢管、 卡具等备齐,各作业班组根据作业内容的不同,分配相应作业人员。
3、 沟槽开挖前,应做好排水设施,安全防护设施。
沟槽开挖后应及时 进行立模浇筑施工,并做好安全防护设施,防止塌方。
二、 施工流程及操作要点1、 施工范围矩形侧边沟具体里程段落见附表,边沟深度为0.6m ,宽度为0.6m ,边 沟壁厚0.25m,边沟底厚0.25m,下设10cm 砂砾垫层。
均采用C30混凝土浇 筑,每隔10m 设一道沉降缝,缝宽2cm 缝内用沥青麻筋填塞并保证不渗 漏水。
2、 施工程序及技术要点(一) 、施工放样(1) 放出边沟边线,检查路基宽度。
(2) 放样断面距离按10m 控制。
(二) 、边沟施工第一步:现浇沟底(1)进场后先根据技术交底的“边沟中线高程”进行清沟,高挖低填, 基坑平整完成后用小型夯机夯实后直立模板。
边沟设计宽度见水沟尺寸, 为了保证支模方便,清沟时侧沟两侧各加宽 30cm2014-05-12做出记录。
施工缝的平面应与结构的轴线相垂直4、路堑边沟尺寸允许偏差及检验标准三、安全文明施工要求及措施1、机具、材料、弃土等应堆放在基坑边坡四周 1.5m以外。
2、配齐配足劳动安全防护用品,确保安全防护。
进入施工现场必须戴好安全帽。
3、应定期检查用电安全,及时消除隐患。
施工现场使用统一的标准配电箱。
严格做到三级配电二级漏电保护。
施工电器设备的保护接地、接零措施必须严格按照规定实施。
4、工地现场施工材料必须堆放整齐,统一标识清楚。
四、质量标准1、边沟施工前,要先检查其与测设中线的相对位置、沟底高程、边沟宽度。
2、浇筑混凝土前,要严格检查模板的牢固性。
3、每次灌注混凝土前要将混凝土接茬部位凿毛并保持湿润,并将残碴、杂物和积水清除干净。
4、模板必须加固牢靠结实,保证水沟线条平顺。
隧道边沟施工技术交底隧道边沟包括现浇纵向排水沟、电力电缆沟、通讯电缆沟、路缘暗沟,预制盖板,沉沙池。
施工顺序由出洞口向进洞口倒退施工,确保施工期间的废水由原仰拱施工期间的水沟排出洞外。
另在边沟施工前,测量将对原形成的沉沙池、边沟底、边沟两侧排水管口标高线进行复测。
沉沙池位置不对的和沟底标高超高的,首先采用风镐处理到设计位置后再进行边沟施工,具体沉砂池位置以在2007年4月13日下发施工队(关于隧道沉砂池施工的通知);排水管口标高不对,按照设计标高用φ50钻头打孔(每10m一个),穿透防水板,埋管后再进行边沟施工。
模板安装线由项目部提供,内、外模每直线部分每10米打一测点,曲线部分加密,施工队根据项目部提供的模板安装线确定钢筋安装线。
一、原有施工缝面处理1、打毛原施工的仰拱面,矮边墙面在边沟范围内的均应进行凿毛处理,主要采用人工用短钎子凿毛。
2、清除松渣、积水所有缝面在凿毛后用水冲洗干净,清除松渣、积水。
由出洞口向进洞口倒退施工,施工水由原水沟排出洞外。
二、边沟钢筋在仰拱面打插筋,插筋采用φ20,间距1.0m。
作为钢筋骨架的架立筋,其他钢筋按照设计图纸施工。
钢筋的绑扎必须符合规范要求。
三、边沟模板支模板时隧道净宽方向放大1cm,净高方向降低1cm,不能侵占隧道净空。
采用钢、木(厚5cm)组合模板,靠近现浇缘石外侧用钢模板,其他侧采用普通钢模板和角型模板或木模板拼装。
纵向排水沟(通讯电缆沟侧):在仰拱施工期间已经基本完成,主要是清理、校正。
将隧道拱墙预留的DN50横向排水管孔口打出来。
纵向排水沟(电力电缆沟侧):采用钢模板,放盖板的槽口位置用木模板。
关模板前将隧道拱墙预留的DN50横向排水管接长,孔口塞好。
电力电缆沟:采用钢模板,放盖板的槽口位置用木模板。
路缘边沟:采用木模板。
通讯电缆沟:采用钢模板,放盖板的槽口位置用木模板。
钢模板采用扣件连接,用φ6.5拉筋反拉,木模板与钢模板的连接采用铅丝。
所有钢模板拆模后及时清理表面附浆,打磨,在安装前必须刷脱模油;木模板靠近砼面一侧必须进行刨光,拆模后及时清理表面附浆,在安装前必须刷脱模油。