碎石盲沟安全技术交底
- 格式:docx
- 大小:48.51 KB
- 文档页数:3
盲沟施工技术交底一、前言随着城市建设的不断发展,各类基础设施的修建工程也越来越繁忙,其中包括了盲沟的施工。
盲沟作为一种排水设施,其施工技术至关重要。
本文将对盲沟施工技术进行详细介绍与交底。
二、盲沟施工概述1. 盲沟的定义与作用:盲沟是指为了排除地表积水而沿街道或道路两侧或中央设置的带有排水槽的设施。
它的作用是收集和排除附近道路上的雨水、雪水和融化的冰。
2. 盲沟施工的意义:盲沟施工的目的是确保城市道路排水畅通,避免灾害事故的发生。
通过盲沟的合理设置和施工,可以将降雨或融化的冰雪有效排水,维持道路的安全和正常通行。
三、盲沟施工技术详解1. 盲沟的设计:盲沟的设计应根据周围环境和道路的情况进行调查研究,包括道路坡度、雨水量等因素。
同时,还需要考虑盲沟的排水能力和维护方便性等因素。
设计时应合理确定盲沟的尺寸、形状和位置,以满足排水要求。
2. 盲沟的开挖:盲沟的开挖应根据设计要求进行,确保开挖面平整,底部水平。
开挖时应注意与既有道路的相连接处,确保连接紧密,并留出足够的倾斜度以确保排水自然流动。
3. 盲沟的材料选择:盲沟的选择应根据地区气候和环境条件来确定。
常见的盲沟材料有水泥、陶瓷、混凝土等。
需要根据具体情况选择材质,并确保其质量和耐久性。
4. 盲沟的施工工艺:盲沟的施工工艺包括盲沟的铺设、排水槽的安装和盲沟与道路连接部分的处理等。
在施工过程中,应确保材料的质量和施工的精确度,以确保盲沟的稳定性和功能。
5. 盲沟的维护保养:盲沟的维护保养至关重要,应定期对盲沟进行清理和维修。
清理过程中,可以使用专用工具将盲沟中的杂物清除干净。
如发现盲沟有损坏或堵塞,应及时修复和疏通。
四、安全注意事项在盲沟施工过程中,需要遵守以下安全注意事项以确保工作人员的人身安全和工程的顺利进行:1. 施工人员应佩戴好防护装备,包括安全帽、防滑鞋和手套等。
2. 施工现场应设置明确的安全警示标志,阻止无关人员进入。
3. 施工人员应遵循施工规范和操作规程,严禁擅自调整设备和工具的使用方式。
安全技术交底
二、文明、环境保护措施
1、施工过程中严禁施工设备的机油、柴油、汽油污染沥青路面。
2、在施工期间按规定对设备进行维修保养,确保现场使用的设备具有良好的状况。
3、工作期间暂停使用的机械设备,必须停机,减少资源浪费。
4、对于噪声影响大的施工,合理安排施工组织计划,避免夜间施工扰民,尽量减少施工对当地居民的不利影响。
5、对车辆定期进行检测以确保其有效运转且排放物不产生公害;产生超标尾烟的内燃机械不允许进入施工场地或在现场停留。
6、防止施工机械漏油,禁止机械运转过程中产生的油污水未经处理直接排放,或维修施工机械时油污水直接排放.
交底人签名安全员签名接受交底人签名。
一、交底目的为确保碎石场生产作业过程中的安全,降低事故发生风险,提高员工安全意识,特进行本次安全技术交底。
二、交底对象全体碎石场员工及外来参观、实习人员。
三、交底内容1. 作业环境安全- 确保作业区域通风良好,无有害气体、粉尘等超标排放。
- 作业现场应设有明显的警示标志,如禁止通行、危险区域等。
- 作业区域应设置消防设施,如灭火器、消防沙等。
2. 机械设备安全- 机械设备应定期进行维护保养,确保其正常运行。
- 操作人员应熟悉机械设备的使用方法,严格按照操作规程进行操作。
- 机械设备操作前,应进行试运行,确保无异常情况。
- 机械设备操作过程中,严禁酒后、疲劳操作。
3. 物料搬运安全- 物料搬运应使用合适的工具,如手推车、叉车等。
- 搬运过程中,应保持物料平稳,避免倾倒、滑落。
- 高处作业时,应使用安全带等防护措施。
4. 个人防护- 操作人员应穿戴符合要求的防护用品,如安全帽、工作服、防护手套、防护眼镜等。
- 严禁穿着宽松、易滑落的衣物操作机械设备。
- 避免接触高温、高压、腐蚀性物质。
5. 应急处置- 作业人员应熟悉应急处置流程,一旦发生事故,应立即停止作业,并采取相应措施进行处置。
- 作业人员应了解急救知识,掌握基本的急救技能。
四、注意事项1. 严禁酒后、疲劳操作机械设备。
2. 严禁未经培训合格的人员操作机械设备。
3. 严禁在设备运行时进行清洁、润滑、检修等作业。
4. 严禁在作业现场吸烟、使用明火。
5. 严禁在设备运行时触摸、敲击、摇晃设备。
五、培训考核1. 本次安全技术交底结束后,将对全体员工进行考核,确保员工掌握安全知识。
2. 对于考核不合格的员工,将进行再次培训,直至合格。
六、交底人(此处填写交底人姓名及职务)七、接受人(此处填写接受人姓名及职务)八、交底日期(此处填写交底日期)九、备注1. 本交底模板仅供参考,具体内容可根据实际情况进行调整。
2. 作业人员应严格遵守安全操作规程,确保自身及他人安全。
碎石盲沟施工安全技术交底一、作业人员行为基本规定(1)所有施工人员在进入施工现场前必须接受安全教育培训和交底。
(2)在进入施工现场前必须正确地佩戴好安全帽等劳动保护用品,否则不得进入施工现场。
(3)所有施工人员在进入施工现场时必须衣着整齐,禁止赤膊、赤脚、穿拖鞋等情况出现。
(4)在2米(含2米)以上的高度位置作业时,若作业点四周无可靠的安全防护栏杆等设施,必须正确地配戴安全带并将安全带拴挂在牢靠的结构部位以后方可开始高空作业。
(5)严禁从高处向下方抛扔或从地处向高处投掷物料。
(6)六级以上(含六级)强风和大雨、大雪、大雾天气必须停止露天高处作业。
在雨、雪后和冬季,露天作业时必须先清除水、雪、霜、冰,并采取防滑措施。
在夏季做好防暑降温措施。
(7)严禁酒后上岗作业。
(8)严禁在施工现场出现打架、斗殴的现象。
(9)施工过程中发现不安全因素或者发生安全事故时必须及时向项目领导或现场管理人员汇报,同时停止作业,撤离危险区域,严禁冒险作业。
二、基坑开挖1、开挖前,对开挖区域内的地下管线及文物进行详细调查,并在开挖前,对地下管线做出相应的防护措施。
发现文物要及时向项目部和当地文物主管部门汇报。
2、开挖基坑时,如对临近建(构)筑物或临时设施有影响时,应采取安全防护措施。
3、挖掘机等机械在坑顶进行挖基出土作业时,机身距坑边的安全距离应视基坑深度、坡度、土质情况而定。
一般应不小于 1.0m,堆放材料及机具时距坑边应不小于1.0m。
4、采用桅杆吊斗或皮带运输机出土时,应检查吊斗绳索、挂钩、机具等是否完好牢固。
吊斗升降时,坑内作业人员应躲在吊斗升降移动范围以外。
吊斗不使用时,应及时摘下,不得悬挂。
5、在水中挖基,应备有便于出入基坑的爬梯等安全设施。
6、开挖中,当坑沿顶面裂缝、坑壁松塌或遇有涌水、涌砂影响基坑边坡稳定时,应立即加固防护,检查确认安全后,方可继续作业,否则立即撤出人员和设备。
7、基坑需机械抽排水开挖时,须配备足够的抽排水设备,抽水机及管路等要安放牢靠。
一、交底目的为确保基坑盲沟施工过程中的安全,防止安全事故发生,现将基坑盲沟施工安全技术交底如下。
二、施工人员要求1. 所有参与基坑盲沟施工的人员必须经过安全教育培训,熟悉本工种的安全操作规程,持证上岗。
2. 施工人员必须佩戴好个人防护用品,如安全帽、安全带、防尘口罩等。
3. 施工人员应熟悉施工现场的安全生产规章制度,遵守施工现场的安全纪律。
三、施工前准备1. 检查施工现场,确保施工环境安全,排除安全隐患。
2. 检查施工设备、工具是否完好,符合安全要求。
3. 根据施工图纸和施工方案,制定详细的施工计划。
4. 对施工人员进行安全技术交底,确保施工人员了解施工过程中的安全注意事项。
四、施工过程中注意事项1. 施工人员应按照施工图纸和施工方案进行施工,不得擅自更改。
2. 施工过程中,应随时观察盲沟的排水情况,确保排水畅通。
3. 在进行盲沟挖掘、铺设、回填等作业时,应严格按照操作规程进行,防止安全事故发生。
4. 施工人员应保持施工现场的整洁,不得随意堆放材料、工具等。
5. 施工过程中,如遇以下情况,应立即停止施工,并向项目负责人报告:(1)发现盲沟存在严重裂缝、变形等情况;(2)发现地下水位异常升高;(3)发现施工区域存在安全隐患。
五、安全防护措施1. 施工人员必须佩戴安全帽、安全带等个人防护用品。
2. 在盲沟挖掘、铺设、回填等作业过程中,施工人员应保持安全距离,防止物体打击。
3. 施工现场应设置警示标志,提醒过往人员注意安全。
4. 施工现场应配备应急救援设备,如急救箱、灭火器等。
六、施工结束后注意事项1. 施工结束后,对盲沟进行验收,确保排水畅通。
2. 清理施工现场,将施工材料、工具等清运出场。
3. 恢复施工现场原状,确保不影响周边环境。
4. 对施工过程中出现的安全隐患进行整改,确保施工安全。
本安全技术交底内容仅供参考,具体施工过程中,应根据实际情况进行调整。
施工人员应严格遵守安全操作规程,确保施工安全。
路基低填浅挖及碎石盲沟交底
什么是路基低填浅挖?
路基低填浅挖是指在建设道路时,为了省去土方工程的成本和时间,采用了以
低填浅挖的形式来布设路基。
这种形式有一个很明显的优点,就是能够节约土方工程的成本和部分时间,因此得以广泛应用。
路基低填浅挖的优劣
路基低填浅挖的优劣因具体情况而异。
这种建设方式的优点主要是:•节约土方工程的成本
•保证路面的平稳度和耐久度,提高道路的行车安全性
•减少对周边环境的影响和破坏
然而,这种建设方式也存在一些缺点:
•因为低填浅挖时,路基的土方不足,因此路面容易塌陷,影响交通安全
•在雨季和高温季节,路面容易遭受冲刷和龟裂等危害
•在进行后期养护时,耗费的时间和费用更多
因此,在进行路基低填浅挖时,需要考虑实际情况,避免出现不必要的行业规
范违规问题。
什么是碎石盲沟?
碎石盲沟是指在路基低填浅挖的过程中,为了排水而开凿的放置碎石的深度较
浅和盲沟。
碎石盲沟可以有效地将雨水排走,但同时也容易堆积泥沙,给道路的养护带来困难。
碎石盲沟的设计及养护
为了避免碎石盲沟的堆积,设计者在进行碎石盲沟的布置时,需要充分考虑盲
沟的深度和底宽,从而使泥沙不易堆积。
同时,当养护机构对碎石盲沟进行维护时,需要将施工时遗留在盲沟底层的泥沙清理干净,以免阻塞排水口,影响道路的正常使用。
为了更好地管理道路,保障道路行车安全,我们需要对路基低填浅挖及碎石盲
沟进行交底,确保各个环节严格按照安全生产标准操作,避免出现意外事故。
一、工程概况1. 工程名称:_______2. 施工单位:_______3. 施工地点:_______4. 施工时间:_______5. 施工内容:盲沟施工二、安全技术交底目的为确保盲沟施工过程中的安全,提高施工质量,特进行安全技术交底。
三、安全技术交底内容1. 施工前准备(1)施工人员必须经过安全技术培训,掌握盲沟施工的相关知识和技能。
(2)施工前对施工现场进行安全检查,确保场地平整、排水畅通,无安全隐患。
(3)施工人员必须穿戴好个人防护用品,如安全帽、工作服、手套、防滑鞋等。
2. 施工过程安全(1)施工人员应严格遵守操作规程,不得擅自更改施工方案。
(2)施工过程中,应确保施工机械、设备运行正常,不得出现故障。
(3)施工人员应随时关注施工环境,如发现异常情况,立即停止施工,并采取相应措施。
(4)施工过程中,严禁酒后作业、疲劳作业,确保施工人员精神饱满。
3. 施工材料及设备安全(1)施工材料应按照规定进行储存、保管,防止受潮、变质。
(2)施工设备应定期检查、保养,确保设备安全可靠。
(3)施工材料及设备应按照施工要求进行摆放,防止造成安全事故。
4. 作业环境安全(1)施工现场应设置安全警示标志,提醒施工人员注意安全。
(2)施工过程中,应保持施工现场整洁,防止杂物堆积。
(3)施工现场应设置临时排水设施,防止积水。
5. 交叉作业安全(1)施工过程中,应注意与其他工种的协调配合,避免交叉作业。
(2)交叉作业时,应设置安全隔离设施,确保施工人员安全。
(3)施工人员应遵守现场交通规则,确保行车安全。
四、应急处理1. 施工过程中,如发生安全事故,应立即停止施工,组织人员进行救援。
2. 及时向相关部门报告事故情况,配合事故调查。
3. 采取有效措施,防止事故扩大。
五、安全检查与考核1. 施工单位应定期对施工现场进行安全检查,确保施工安全。
2. 施工人员应自觉遵守安全技术交底内容,确保施工安全。
3. 对违反安全技术交底规定的行为,应予以严肃处理。
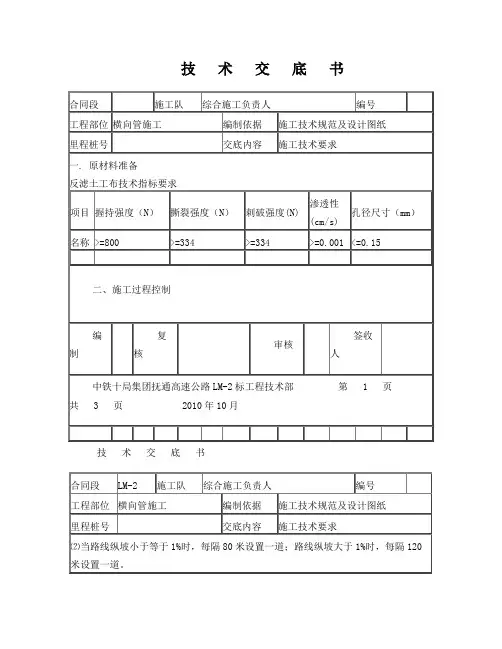
碎石盲沟技术交底书施工单位:中铁十六局集团四公司合同号: A8 监理单位:厦门市路桥咨询监理有限公司编号:技术交底内容一、工程概况软基处理段落K465+312~K465+582.6左侧设计图纸上桩帽以原路基砂垫层底部高程控制,但实际开挖发现从坡脚下挖 1.5米左右才到达原路基砂垫层,后经过业主、设计、监理确认、研究,决定沿原砂垫层边缘设置一条40cm×40cm的纵向碎石盲沟,该盲沟要有纵坡,同时处理好出水口。
二、主要施工工艺施工工序见下图:1、盲沟的基坑由人工开挖,开挖宜自下游向上游进行,并应随挖随即支撑和迅速回填,暴露时间原则上不超过7天,以免造成坍塌。
2、盲沟的埋至深度,应满足渗水材料的顶部(封闭层以下)不得低于原有地下水位的要求。
当排除层间水时,盲沟底部应埋于最下面的不透水层上。
3、本次盲沟采用无纺土工布作为反滤层,先在底部及两侧沟壁铺好就位,并预留顶部覆盖所需的土工布,拉直平顺紧贴下垫层,所有纵向和横向的搭缝应交替错开,搭接长度均不得小于300mm。
4、盲沟的底部和中部用较大碎石或卵石(粒径控制在30~50mm范围内)填筑,在碎石或卵石的两侧和上部,按一定比例分层(层厚约150mm)并填较细颗粒的粒料(中砂、粗砂、砾石),做成反滤层,逐层的粒径比例,大致按4:1递减。
砂石料颗料小于0.15mm的含量不应大于5%。
在盲沟顶部做封闭层,用土工合成的防渗材料铺成,并在其上夯填厚度不小于0.5m的粘土。
5、盲沟应设置纵坡,坡度不应小于1%,出水口地面标高应高出够外最高水位0.2m。
三、施工注意事项1、盲沟采用的材料规格、质量应符合规范。
2、土工布的铺设应拉直平顺,接缝搭接符合上述要求。
3、反滤层应层次分明,出水口应排水通畅。
4、施工时,由人工开挖,应边开挖边施工盲沟,禁止长时间暴露。
测量放样基坑开挖反滤层设置排水层施工封闭层施工四、安全注意事项1、施工人员进入现场必须配戴安全帽,严禁穿拖鞋进入施工现场。
盲沟施工技术交底盲沟施工技术交底1. 目的及范围盲沟施工技术交底旨在确保施工人员对盲沟的施工过程和要求有清晰的理解,并能正确操作和控制施工过程中的各项工作,以确保施工质量和安全。
2. 盲沟施工前的准备工作2.1 盲沟位置确定:根据设计图纸和相关规定,确定盲沟的位置和长度。
2.2 设备准备:准备好所需的机械设备、工具和材料,包括挖掘机、砂石、排水设备等。
2.3 施工人员培训:对参预盲沟施工的人员进行相关技术和安全培训。
3. 施工过程3.1 施工现场安全措施:在施工现场设置明显的安全警示标识,并确保施工人员佩戴好安全帽、安全鞋等个人防护装备。
3.2 盲沟开挖:按照设计要求,使用挖掘机开挖盲沟。
在施工过程中要注意土方排放和周边的管线设施。
3.3 盲沟底部处理:清理盲沟底部的杂物和松动土壤,并进行必要的夯实。
3.4 保护措施:在盲沟两侧设置支护措施,如支撑框架或者盲沟支护板。
3.5 砂石填充:将砂石按照设计要求进行填充和夯实,确保盲沟底部的排水顺畅。
3.6 盲沟覆土:在砂石填充后,进行盲沟的覆土处理,确保盲沟顶部平整。
3.7 清理和检查:施工完成后,对施工现场进行清理,并进行盲沟的质量检查。
4. 安全注意事项4.1 操作规程:施工人员必须按照像关规程和操作规范进行施工,严禁违章施工。
4.2 安全防护:施工人员必须佩戴好必要的安全防护装备,如安全帽、安全鞋等。
4.3 监测和检查:定期检查盲沟施工质量,确保施工过程中的安全和质量。
附件:1. 盲沟设计图纸2. 盲沟施工工具清单3. 盲沟施工安全规程法律名词及注释:1. 《建造法》:指中华人民共和国国家法律体系中的建造相关法律。
2. 《劳动法》:指中华人民共和国国家法律体系中的劳动与就业相关法律。
邯郸建工集团有限公司海南琼中抽水蓄能电站进场公路Ⅲ标项目经理部施工交底纪要时间:2013年04月01日主持人:王建刚参加部门及人员:施工技术部、安健环部、砌筑队全体人员关于K11+120~K11+300段路基盲沟的施工交底纪要盲沟施工技术交底一、工程概况:K11+120~K11+300段路基共有以下盲沟段。
K11+120(横向盲沟),K11+140(横向盲沟),K11+160(横向盲沟),K11+180(横向盲沟),K11+200(横向盲沟),K11+220(横向盲沟),K11+240(横向盲沟),K11+260(横向盲沟),K11+280(横向盲沟),K11+120~K11+300(纵向盲沟),K11+120~K11+300(纵向盲沟)。
盲沟总长为706.00m排水盲沟:为排除地下水或降低地下水位,路基设横向及纵向盲沟。
盲沟高0.55m、宽为0.8m、采用土工布包裹洁净的碎石或卵砾石(20-40mm);顶面用细沙堆高0.25m、面0.8m、两则1:2坡比堆沙(1-5mm)、用单层土工布包裹。
施工详见附图。
二、施工方法及工艺:1、施工程序:施工准备→测量放样→盲沟开挖→基底报验合格→布置透水土工布→填碎石→盖上土工布→报验合格→回填细沙→布置透水1土工布→完工报验。
2、施工前仔细查明地上、地下有无管线及其它影响路基施工的建筑物,对施工有影响的提前拆除或改迁,同时注意开挖边界以外的建筑物是否安全。
3、对设置盲沟处的路中心线位置桩、主要控制点、水准点以及测量资料进行检查,核对无误后,根据边沟排水沟设计表对位置进行放样。
4、开挖基地,开挖过程严格控制沟底高程,按设计图纸施工。
5、填碎石之前,底面铺设一层土工布,两侧铺设双层土工布,预留大于0.8m宽的土工布,在铺设过程中保证土工布平整,碎石回填之后顶面用预留的两层土工布覆盖。
6、碎石回填完成后,土工布铺设完成后,顶面回填细沙,两侧及顶面铺设一层土工布,施工完成。
一、交底目的为确保碎石施工过程中的安全,预防安全事故的发生,特制定本安全技术交底。
二、工程概况1. 工程名称:[请填写工程名称]2. 施工地点:[请填写施工地点]3. 施工单位:[请填写施工单位]4. 施工负责人:[请填写施工负责人姓名]三、施工内容1. 碎石材料的采购、运输及堆放。
2. 碎石基层的施工,包括摊铺、碾压、整形等工序。
3. 碎石基层的养护及验收。
四、安全技术措施1. 人员安全- 施工人员必须穿戴好个人防护用品,如安全帽、工作服、手套、防尘口罩等。
- 施工人员应熟悉碎石施工安全操作规程,未经培训不得上岗。
- 严禁酒后作业、疲劳作业。
2. 机械安全- 施工前应检查机械设备,确保其安全可靠。
- 机械设备操作人员必须持证上岗,熟悉机械性能和操作规程。
- 机械设备运行过程中,严禁无关人员靠近。
3. 材料安全- 碎石材料应堆放在指定区域,严禁乱堆乱放。
- 碎石材料应分类存放,防止混杂。
- 运输过程中,应确保材料安全,防止洒落。
4. 施工安全- 施工现场应设置安全警示标志,如警示灯、警示牌等。
- 施工过程中,应确保施工现场的通风、排水设施良好。
- 施工过程中,应避免交叉作业,确保施工安全。
5. 应急预案- 制定碎石施工安全事故应急预案,确保在发生事故时能够迅速、有效地进行处置。
- 施工人员应熟悉应急预案,掌握应急处理措施。
五、施工注意事项1. 施工过程中,应严格按照施工图纸和施工方案进行施工。
2. 施工过程中,应密切注意施工质量,确保碎石基层的压实度、平整度等指标符合设计要求。
3. 施工过程中,应加强施工现场的管理,确保施工安全。
六、交底记录1. 交底时间:[请填写交底时间]2. 交底人:[请填写交底人姓名]3. 接收人:[请填写接收人姓名]4. 交底内容:[请填写交底内容]七、附件1. 碎石施工安全技术操作规程2. 碎石施工安全事故应急预案八、备注1. 本安全技术交底适用于碎石施工全过程。
2. 施工过程中,如遇特殊情况,应及时调整安全技术措施。
一、交底项目:盲沟施工安全技术交底二、交底日期:____年____月____日三、施工单位:____单位四、分项工程名称:____工程五、交底内容:1. 施工前的准备工作(1)现场勘察:施工前,应详细勘察施工现场,了解地形、地貌、地质条件、地下管线、地下设施等情况,确保施工安全。
(2)技术交底:组织施工人员进行技术交底,使施工人员充分了解盲沟施工工艺、施工流程、质量要求、安全注意事项等。
(3)人员培训:对施工人员进行安全教育培训,提高安全意识,确保施工安全。
2. 施工过程中的安全措施(1)施工人员应穿戴好个人防护用品,如安全帽、工作服、手套、防滑鞋等。
(2)施工前,应检查盲沟材料、工具、设备等是否完好,确保施工安全。
(3)施工过程中,应注意以下安全事项:①挖掘盲沟时,应遵循自上而下的原则,不得采用自下而上的挖掘方式。
②挖掘过程中,应随时检查盲沟周边土质,发现松动、裂隙等情况,应立即采取加固措施。
③挖掘过程中,应确保盲沟边坡稳定,防止发生坍塌事故。
④施工过程中,应保持盲沟内畅通,防止杂物堵塞。
⑤施工过程中,应确保施工车辆、设备等安全停放,不得占用盲沟。
⑥施工过程中,应做好排水措施,防止水浸泡盲沟。
3. 施工结束后的安全措施(1)施工结束后,应对盲沟进行验收,确保盲沟质量符合要求。
(2)清理施工现场,确保无安全隐患。
(3)将盲沟周边土方回填,恢复原状。
(4)施工结束后,应进行安全总结,分析施工过程中存在的问题,制定改进措施。
六、交底人:____七、接受人:____八、备注:1. 施工过程中,如遇特殊情况,应及时向上级汇报,采取相应的安全措施。
2. 施工过程中,应加强现场安全管理,确保施工安全。
3. 施工过程中,应做好文明施工,保护环境。
4. 施工过程中,应加强沟通交流,确保施工顺利进行。
5. 施工过程中,应严格执行国家有关安全生产法律法规,确保施工安全。
一、交底目的为确保碎石场施工过程中的安全,防止各类安全事故的发生,特制定本安全技术交底。
二、交底对象全体碎石场施工人员、管理人员及监理人员。
三、交底内容1. 安全教育培训施工人员必须参加安全教育培训,了解本岗位的安全操作规程,熟悉安全防护设施的使用方法。
2. 现场安全检查施工前必须对施工现场进行全面安全检查,包括设备、设施、工具、材料等,确保安全可靠。
3. 机械设备操作安全- 机械设备操作人员必须持证上岗,严格按照操作规程进行操作。
- 机械设备运行前,必须检查设备是否完好,电源是否正常,防护装置是否齐全。
- 机械设备运行过程中,严禁酒后操作、疲劳作业,严禁操作人员离开岗位。
- 机械设备发生故障时,必须立即停机,切断电源,并及时报告上级。
4. 施工现场安全- 施工现场必须设置明显的安全警示标志,禁止无关人员进入危险区域。
- 施工现场必须配备必要的安全防护设施,如安全网、防护栏、安全帽、安全带等。
- 施工现场必须保持整洁,不得堆放杂物,防止绊倒、摔伤事故发生。
- 施工现场必须配备消防设施,并定期进行检查和维护。
5. 交通安全- 施工车辆必须遵守交通规则,严禁超速、超载、酒后驾驶。
- 施工车辆必须配备安全设施,如反光标识、警示灯等。
- 施工车辆行驶过程中,必须保持安全距离,严禁与其他车辆争道。
6. 环境保护- 施工过程中必须采取措施,防止环境污染,如设置围挡、覆盖裸露地面、及时清理垃圾等。
- 施工过程中必须遵守国家和地方有关环境保护的法律法规。
7. 应急处理- 施工现场必须制定应急预案,并定期进行演练。
- 发生安全事故时,必须立即采取措施,防止事故扩大,并及时报告上级。
四、安全责任1. 施工单位必须对本单位的安全工作负总责,确保施工现场安全。
2. 施工人员必须遵守安全操作规程,对自己和他人的安全负责。
3. 管理人员必须对施工现场进行监督检查,发现问题及时整改。
4. 监理人员必须对施工现场的安全工作进行全面监督,确保安全措施落实到位。
一、交底目的为确保破碎石作业过程中的安全,降低事故风险,特制定本安全技术交底。
本交底适用于所有参与破碎石作业的施工人员、管理人员及相关部门。
二、交底内容1. 作业环境及条件- 确认作业区域已进行安全评估,符合破碎石作业要求。
- 作业区域应设置明显的警示标志,禁止无关人员进入。
- 作业区域应保持通风良好,避免有害气体积聚。
2. 人员要求- 参与破碎石作业的人员应经过专业培训,具备相应的安全知识和技能。
- 作业人员应熟悉破碎石机械的操作规程,并严格按照规程操作。
3. 机械设备- 确保破碎石机械设备处于良好的工作状态,并进行定期检查和维护。
- 机械设备操作前,应检查油、水、气等供应是否正常,确保安全。
- 操作人员应穿戴符合规定的个人防护用品,如安全帽、防护眼镜、防尘口罩等。
4. 作业流程及注意事项- 作业前,应详细检查破碎石作业区域,清除障碍物,确保作业环境安全。
- 操作人员应站在稳固的位置,双手握紧控制手柄,避免因操作失误导致设备失控。
- 作业过程中,如发现机械异常或设备故障,应立即停止作业,并报告相关人员处理。
- 作业现场应设置安全警戒线,禁止无关人员进入。
- 作业结束后,应对作业区域进行清理,确保无遗留危险物品。
5. 应急处理- 如发生机械故障或人员受伤,应立即停止作业,并采取相应的应急措施。
- 人员受伤后,应立即进行现场急救,并及时送往医院治疗。
- 发生事故后,应立即上报相关部门,并做好事故调查和处理工作。
三、交底要求1. 作业人员应认真学习本安全技术交底,确保掌握相关安全知识和技能。
2. 作业过程中,应严格遵守安全操作规程,确保自身和他人的安全。
3. 管理人员应加强对破碎石作业的监督检查,及时发现和纠正安全隐患。
4. 作业结束后,应对作业现场进行清理,确保无遗留危险物品。
四、交底时间[填写交底时间]五、交底人[填写交底人姓名及职务]六、接受人[填写接受人姓名及职务]七、备注1. 本安全技术交底适用于破碎石作业全过程。
一、交底目的为确保碎石厂生产过程中工作人员的人身安全和设备设施的安全运行,特进行安全技术交底。
本交底旨在使全体员工充分了解碎石厂的安全操作规程、注意事项及应急处理措施,提高安全意识,减少事故发生。
二、适用范围本交底适用于碎石厂所有工作人员,包括但不限于操作人员、管理人员、维护人员等。
三、安全操作规程1. 入场须知- 所有进入碎石厂的人员必须佩戴安全帽、工作服,并根据需要佩戴防护眼镜、耳塞等防护用品。
- 新员工在上岗前必须接受安全教育培训,熟悉本岗位的操作规程和安全注意事项。
2. 设备操作- 操作人员必须经过专业培训,熟练掌握设备的操作规程,确保操作正确。
- 开机前,应检查设备各部件是否完好,润滑油是否充足,安全防护装置是否齐全有效。
- 操作过程中,不得擅自离开工作岗位,如需离开,必须关闭设备并切断电源。
- 发生故障时,应立即停止操作,并报告上级或维修人员处理。
3. 物料搬运- 物料搬运时,应使用合适的工具和设备,如叉车、输送带等。
- 上下坡时,应控制车速,避免急转弯和急刹车。
- 不得在运输通道上堆放物料,确保通道畅通。
4. 环境保护- 严格遵守环境保护规定,防止粉尘、噪音等污染。
- 定期对设备进行清洁和维护,减少污染物排放。
四、注意事项1. 安全防护- 操作人员应严格遵守安全操作规程,不得违章作业。
- 设备操作前,应检查安全防护装置是否完好。
- 严禁酒后作业、疲劳作业。
2. 紧急处理- 发生火灾时,应立即切断电源,使用灭火器或消防器材进行灭火。
- 发生触电事故时,应立即切断电源,并进行急救。
- 发生机械伤害事故时,应立即停止设备运行,并采取紧急措施。
五、应急处理措施1. 火灾应急处理- 报警并组织人员进行灭火。
- 指导人员疏散,确保人员安全。
- 拨打119报警电话。
2. 触电应急处理- 立即切断电源。
- 对触电人员进行急救。
- 拨打120急救电话。
3. 机械伤害应急处理- 立即停止设备运行。
- 对受伤人员进行急救。
安全技术交底
二、文明、环境保护措施
1、施工过程中严禁施工设备的机油、柴油、汽油污染沥青路面。
2、在施工期间按规定对设备进行维修保养,确保现场使用的设备具有良好的状况。
3、工作期间暂停使用的机械设备,必须停机,减少资源浪费。
4、对于噪声影响大的施工,合理安排施工组织计划,避免夜间施工扰民,尽量减少施工对当地居民的不利影响。
5、对车辆定期进行检测以确保其有效运转且排放物不产生公害;产生超标尾烟的内燃机械不允许进入施工场地或在现场停留。
6、防止施工机械漏油,禁止机械运转过程中产生的油污水未经处理直接排放,或维修施工机械时油污水直接排放。