计算模具冲裁力
- 格式:wps
- 大小:63.50 KB
- 文档页数:2
冲压件模具设计常用公式1. 冲裁力计算公式冲裁力是模具在冲裁过程中对工件施加的力的大小,可以使用以下公式进行计算:$$ P = K \\cdot T \\cdot L \\cdot S $$其中: - P 是冲裁力〔单位:N〕 - K 是系数〔根据材料和冲裁方式进行选择〕 - T 是材料的厚度〔单位:mm〕 - L 是冲裁长度〔单位:mm〕 - S 是材料强度的保险系数2. 冲孔力计算公式冲孔是冲压件模具中常见的一个工序,为了计算冲孔力,可以使用以下公式:$$ F = K \\cdot T \\cdot L \\cdot S $$其中: - F 是冲孔力〔单位:N〕 - K 是系数〔根据材料和冲孔方式进行选择〕 - T 是材料的厚度〔单位:mm〕 - L 是冲孔孔径〔单位:mm〕 - S 是材料强度的保险系数3. 模具开孔面积计算公式在冲压件模具设计中,开孔面积对模具的设计和选择起着重要的作用。
开孔面积可以通过以下公式计算:$$ A = L \\cdot W $$其中: - A 是开孔面积〔单位:mm²〕 - L 是模具的长度〔单位:mm〕 - W 是模具的宽度〔单位:mm〕4. 模具强度计算公式模具强度的计算是冲压件模具设计中的关键步骤之一。
可以使用以下公式计算模具的强度:$$ P_t = P \\cdot S_f $$其中: - P_t 是模具的强度〔单位:N〕 - P 是冲裁力或冲孔力〔单位:N〕 - S_f 是平安系数5. 模具寿命计算公式模具寿命的计算是冲压件模具设计过程中需要关注的一个重要指标。
可以使用以下公式计算模具寿命:$$ N_m = \\frac{S_m}{f \\cdot V_c} $$其中: - N_m 是模具的使用寿命〔单位:次〕 - S_m 是模具材料的疲劳强度〔单位:MPa〕 - f 是载荷系数 - V_c 是模具的速度〔单位:m/s〕6. 模具热应力计算公式模具在使用过程中会受到热应力的影响,为了进行热应力的计算,可以使用以下公式:$$ \\sigma = \\frac{Q}{A} $$其中: - σ 是热应力〔单位:MPa〕 - Q 是热量〔单位:J〕 - A 是模具横截面积〔单位:mm²〕7. 模具变形计算公式模具在使用过程中会发生一定的变形,为了进行变形的计算,可以使用以下公式:$$ \\delta = \\frac{{F \\cdot L}}{{E \\cdot A}} $$其中: - δ 是变形量〔单位:mm〕- F 是施加在模具上的力〔单位:N〕 - L 是模具的长度〔单位:mm〕 - E 是弹性模量〔单位:MPa〕 - A 是模具的截面积〔单位:mm²〕总结在冲压件模具设计过程中,常用的公式可以帮助工程师快速准确地进行相关计算,从而确保模具的性能和可靠性。
冲裁力、卸料力及推件力的估计.之阳早格格创做录进: 151zqh 根源: 日期: 2006-7-9,16:36一、冲裁力的估计冲裁力是指冲裁历程中的最大剪切抗力,估计冲裁力的手段是为了合理采用压力机战安排模具.百般形状刃心冲裁力的基原估计公式睹表6.思量到模具刃心的磨益、凸模与凸模的间隙没有均、资料本能的动摇战资料薄度偏偏好等果素,本量所需冲裁力应比表列公式估计的值减少30%.表6 冲裁力的估计公式及举例注:1. τ为资料之抗剪强度.由表查得:τ=440Mpa2.单斜刃凸模战凸模的主要参数列于表7中表7 斜刃凸模战凸模的主要参数如用仄刃心模具的冲裁时,按表列公式举止估计:F=KLtτ式中F—冲裁力(N)L—冲裁件周少(mm);t—资料薄度(mm);τ—资料剪切强度(Mpa)K-系数.思量到模具刃心的磨益,模具间隙的动摇,资料力教本能的变更及资料薄度偏偏好等果素,普遍K与1.3.两,落矮冲裁力的要领正在冲裁力超出车间现有压力机吨位,便必须采与步伐落矮冲裁力.普遍采与以下几种要领:(1)资料加热白冲. 资料加热后,抗剪强度大天面落矮,进而落矮冲裁力. 普遍适用于薄板或者工件表面品量及粗度央供没有下的整件.(2)正在度凸模冲模中,将凸模做阶梯形安插. 其普遍用正在几个凸模曲径出进悬殊、相互距离又很近的情况下,采与阶梯形安插还能预防小曲径凸模由于启受资料震动的挤压力而爆收合断或者倾斜的局面(此时应将小凸模干短一些).凸模间的下度好h 与决于资料薄度,如:t <3mm, h=t t>3mm, h=0.5t(3) 用斜刃心模具冲裁. 斜刃心冲模的冲裁力可用斜刃剪切公式近似估计,即:F'=K0.5 t τ/tgφ ≈0.5 t σb/ tgφ式中K--系数,普遍与1.3τ--资料抗剪强度,[τ] 为Mpaφ--刃心斜角(普遍小于12°)斜刃冲裁力也可用下列简化公式估计:F'=KLtτ当h=t时,K=0.4-0.6h=2t时,K=0.2-0.4式中L--剪切周少,[L]为mmh--斜刃下度,[h]为mmτ--资料抗剪强度,[τ] 为Mpat--资料薄度,[t]为mm三、卸料力、推件力战顶件力冲裁时,工件或者兴料从凸模上脱掉去的力喊卸料力,从凸模内将工件或者兴料顺着冲裁的目标推出的力喊推件力,顺冲裁目标顶出的力喊顶件力.常常多以体味公式估计:卸料力 F卸=K卸F (N)推件力 F推=nK推F (N)顶件力F顶=K顶F (N)式中F——冲裁力(N);n——共时卡正在凸模里的工件(或者兴料);数目n=h/t (h——凸模孔心曲壁下度;t——资料薄度);K卸、K推、K顶——分别为卸料力、推件力、顶件力系数、其值查表2-8.表2-8 卸料力、推件力战顶件力系数注:卸料力系数K卸正在冲多孔、大拆边战表面搀杂道与上限值.冲裁时之冲压力为冲裁力、卸料力战推件力之战,那些力正在采用压力机时是可思量进去,应根据分歧的模具结构辨别对于待,即:采与刚刚性卸料拆置战下出料办法的冲裁模时为:F总=F冲+F推采与弹性卸料拆置战下出料办法的冲模为:F总=F冲+F卸+F推采与弹性卸料拆置战上出料办法的冲模为:F总=F冲+F卸+F顶。
冲压模具冲裁力计算公式冲压模具冲裁力的计算可是个相当重要的知识点呢!咱们在工业生产中,要是搞不清楚这个,那可就容易出岔子啦。
先来说说冲裁力到底是啥。
简单来讲,冲裁力就是在冲压过程中,模具把材料冲裁分离所需要的力。
这个力要是算不准确,模具可能就承受不住压力,要么变形,要么直接坏掉,那损失可就大了。
那冲裁力咋算呢?一般来说,冲裁力等于材料的抗剪强度乘以材料的厚度,再乘以冲裁周边长度。
公式就是:F=τ×t×L 。
这里的 F 就是冲裁力,τ是材料的抗剪强度,t 是材料的厚度,L 是冲裁周边长度。
举个例子吧,前段时间我去一个小工厂参观,就碰到了计算冲裁力的事儿。
那是个生产小五金零件的厂子,师傅们正在做一批铁片的冲裁。
他们拿到的材料是厚度为 2 毫米的钢板,要冲裁出一个圆形的铁片,直径是 50 毫米。
这时候咱们就得先算出冲裁周边长度,对于圆形来说,周边长度就是圆的周长,也就是π乘以直径,约等于 3.14×50 = 157 毫米。
然后查材料手册,知道这种钢板的抗剪强度是 300 兆帕。
把这些数带进公式里,冲裁力 F = 300×2×157 = 94200 牛。
这一算出来,师傅们就知道该用多大压力的冲床来干活儿啦,要是压力不够,冲出来的零件边缘不整齐,甚至可能冲不断;压力太大呢,又浪费资源,增加成本。
在实际工作中,还得考虑一些其他的因素。
比如说卸料力、推件力。
卸料力就是把冲裁后的材料从模具里卸下来需要的力,推件力则是把卡在凹模里的冲裁件推出来的力。
一般卸料力和推件力可以按照冲裁力的一定比例来估算。
还有啊,冲裁间隙也会影响冲裁力。
间隙太小,摩擦力大,冲裁力就大;间隙太大,材料容易弯曲变形,冲裁质量又不行。
所以选择合适的冲裁间隙,既能保证冲裁质量,又能让冲裁力在合理范围内。
另外,材料的性能也不是一成不变的。
不同批次的材料,抗剪强度可能会有差别。
所以在计算冲裁力的时候,要尽量根据实际材料的性能来取值,这样算出来的结果才更准确可靠。
模具冲裁力计算公式模具冲裁力的计算公式可不像做算术题那么简单,这里面的门道可多着呢!咱先来说说什么是模具冲裁力。
想象一下,你要把一块完整的材料剪成你想要的形状,就像剪纸一样,这时候你需要用的力就是冲裁力啦。
那怎么算出这个力有多大呢?这就得靠公式啦。
一般来说,模具冲裁力的计算公式是:F = Ltτ 。
这里的“F”就是冲裁力,“L”是冲裁周边长度,“t”是材料厚度,“τ”是材料的抗剪强度。
比如说,有一块长方形的钢板,长 10 厘米,宽 5 厘米,厚度是 2毫米,材料的抗剪强度是 300 兆帕。
那咱们来算算冲裁力有多大。
先把长度和宽度都换算成毫米,长就是 100 毫米,宽是 50 毫米。
冲裁周边长度 L 就等于(100 + 50)× 2 = 300 毫米。
材料厚度 t 是 2 毫米,抗剪强度τ 是 300 兆帕,换算一下就是 300N/mm²。
把这些数字带进公式里,冲裁力 F = 300 × 2 × 300 = 180000 牛。
是不是感觉还挺神奇的?我记得有一次在工厂里,师傅让我计算一个零件的冲裁力。
那是个形状有点复杂的零件,我一开始看着就有点发懵。
但是没办法,任务在身,只能硬着头皮上。
我拿着尺子量啊量,把每一段的长度都仔细记录下来,然后再换算单位,按照公式一步步计算。
算的时候心里那个紧张啊,就怕出错。
最后算出来交给师傅,师傅看了看,点了点头,说:“不错,小伙子,算对啦!”那一刻,我心里别提多高兴了,感觉自己的努力没有白费。
不过,这里面还有一些小细节要注意哦。
材料的抗剪强度可不是一个固定不变的值,它会受到材料的材质、硬度、温度等因素的影响。
所以在实际计算的时候,要根据具体情况选择合适的抗剪强度值。
而且,有时候模具的结构也会对冲裁力产生影响。
比如说,如果模具的刃口比较锋利,冲裁力就会相对小一些;要是刃口比较钝,那冲裁力可就大了。
所以,在设计模具的时候,也要考虑到这些因素,尽量让冲裁过程更省力、更高效。
如何计算冲床的冲力,计算公式1,冲裁力计算公式: p=k*l*t*τp——平刃口冲裁力(n);t——材料厚度(mm);l——冲裁周长(mm);τ——材料抗剪强度(mpa);k——安全系数,一般取k=1.3.冲剪力计算公式: f=s*l*440/10000s——工件厚度l——工件长度一般情况下用此公式即可。
---------------------------------------冲床冲压力计算公司P=kltГ其中:k为系数,一般约等于1,l冲压后产品的周长,单位mm;t为材料厚度,单位mm;Г为材料抗剪强度.单位MPa .算出的结果是单位是牛顿,在把结果除以9800N/T,得到的结果就是数字是多少就是多少T. 这个只能算大致的,为了安全起见,把以上得到的值乘以2就可以了,这样算出的值也符合复合模的冲压力.----------------------------------冲裁力计算公式:P=K*L*t*τP——平刃口冲裁力(N);t——材料厚度(mm);L——冲裁周长(mm);τ——材料抗剪强度(MPa);K——安全系数,一般取K=1.3.------------------------------------冲剪力计算公式:F=S*L*440/10000S——工件厚度L——工件长度一般情况下用此公式即可。
-------------------------------------冲压力是指在冲裁时,压力机应具有的最小压力。
P冲压=P冲裁+P卸料+P推料+P压边力+P拉深力。
冲压力是选择冲床吨位,进行模具强度。
刚度校核依据。
1、冲裁力:冲裁力及其影响周素:使板料分离动称作冲裁力.影响冲裁力的主要因素:2.冲裁力计算:P冲=Ltσb其中:P冲裁-冲裁力L-冲裁件周边长度t-板料厚度σb-材料强度极限σb-的参考数0.6 算出的结果单位为KN3、卸料力:把工件或废料从凸模上卸下的力Px=KxP冲其中Kx-卸料力系数 Kx-的参考数为0.04 算出的结果单位为KN4、推件力:将工件或废料顺着冲裁方向从凹模内推出的力Pt=KtPnKt-推件力系数 n-留于凹模洞口内的件数其中:Px、Pt --分别为卸料力、推件力Kx,Kt分别是上述两种力的修正系数P——冲裁力;n——查正表卡在凹模洞口内的件数 Kt的参考数为0.05,结果单位为KN 5、压边力: P y=1/4 [D2—(d1+2R凹)2]P式中 D------毛坯直径d1-------凹模直径R凹-----凹模圆角半径p--------拉深力6、拉深力: Fl= d1 bk1(N)式中 d1-----首次拉深直径(mm)b-----材料抗拉强度(Mpa)K-------修正系数。
冲压模具设计与制造冲裁力计算1. 引言冲压模具是现代制造过程中常用的一种工具,它以冲压方式将板材或线材加工成所需的形状。
冲裁力是进行冲压过程中的关键参数,正确计算和估计冲裁力对于模具设计和制造非常重要。
本文将介绍冲压模具设计和制造中的冲裁力计算方法。
2. 冲裁力的定义和意义冲裁力是指在冲压过程中作用于模具上的力量,它决定了冲压过程中的变形和材料的断裂。
正确计算和估计冲裁力可以帮助工程师选择适当的材料和冲床,并设计出合适的模具结构,从而提高产品质量和生产效率。
3. 冲裁力计算方法3.1 材料力学方法采用材料力学方法可以通过材料的力学性能参数来计算冲裁力。
常用的计算方法有以下几种:•变形力学法:根据材料的应力-应变曲线和冲压过程的变形情况,通过积分计算出整个冲压过程中的冲裁力。
•动力学法:通过分析冲击力和压力的变化,结合惯性和动量定理,计算冲裁力。
•超弹性力学法:将材料的超弹性行为考虑在内,计算冲裁力。
3.2 统计方法统计方法是一种基于经验和实验数据的计算方法。
通过对大量实验数据进行统计分析,建立模具设计参数与冲裁力之间的数学模型,从而进行冲裁力的估计和计算。
3.3 有限元分析方法有限元分析方法可以将模具和材料建模为有限元网格,通过求解有限元方程组得到冲裁力的数值解。
这种方法适用于复杂的模具结构和材料行为。
4. 冲裁力计算的影响因素冲裁力的大小受到多种因素的影响,包括以下几个方面:•材料性质:材料的强度、韧性和变形硬化行为都会影响冲裁力的大小。
•冲床参数:冲床的压力、速度和冲次等操作参数也会对冲裁力产生影响。
•模具结构:模具的结构参数,如冲头形状、角度和尺寸等都会对冲裁力产生影响。
5. 冲裁力计算的应用冲裁力的准确计算对于模具设计和制造有重要的应用价值。
它可以帮助工程师选择适当的材料和冲床,并合理设计模具结构,从而提高产品质量和生产效率。
6. 结论冲裁力是冲压模具设计和制造中一个重要的参数,准确计算和估计冲裁力对于提高产品质量和生产效率具有重要意义。
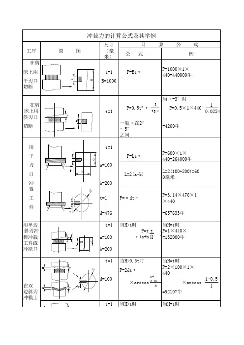
一、冲裁力的计算冲裁力是指冲裁过程中的最大剪切抗力,计算冲裁力的目的是为了合理选择压力机和设计模具。
各种形状刃口冲裁力的基本计算公式见表6。
考虑到模具刃口的磨损、凸模与凹模的间隙不均、材料性能的波动和材料厚度偏差等因素,实际所需冲裁力应比表列公式计算的值增加30%。
表6 冲裁力的计算公式及举例. T/ E3 W9 b& Y+ s2 a4 H5 H5 a/ V% Q6 g0 }# O注:1. τ为材料之抗剪强度。
由表查得:τ=440Mpa2.双斜刃凸模和凹模的主要参数列于表7中* k- T" y5 V- N5 V S( _# g5 p表7 斜刃凸模和凹模的主要参数材料厚度t/mm~- X w7 ^ } L- H 斜刃高度h/mm / ^" \9 s% H8 {,n+ e: k* P0 v7 w; h. ?斜刃倾角φ,S2 N: ^5 I8 {. q平均冲裁力为平刃的百分比E) T' e% Z- N. Z<33~10# p/ j* `' v) F" I- U 2t* D- O+ M" W0 i; S7 Kt$ [% `6 C+ t, [( a<5º<8º+ ?+ K$ t1 i: G+C30~4060~65如用平刃口模具的冲裁时,按表列公式进行计算:F=KLtτ2 Q1 [- @/ O* Q, S式中F—冲裁力(N)1 \3 ~0 ?5 w( a5 J, E3 }" KL—冲裁件周长(mm);t—材料厚度(mm);τ—材料剪切强度(Mpa): P7 g8 l' ]+ y+ H$ D' zK-系数。
考虑到模具刃口的磨损,模具间隙的波动,材料力学性能的变化及材料厚度偏差等因素,一般K取1.3。
二,降低冲裁力的方法* P8 X: i* S# N1 @, h在冲裁力超过车间现有压力机吨位,就必须采取措施降低冲裁力。
冲裁力和压力中心的计算2.4.1冲裁力的计算计算冲裁力的目的是为了选用合适的压力机、设计模具和检验模具的强度。
压力机的吨位必须大于所计算的冲裁力,以适应冲裁的需求。
普通平刃冲裁模,其冲裁力 P一般可按下式计算:F P=KptLτ式中τ——材料抗剪强度,见附表 (MPa);L——冲裁周边总长(mm);t——材料厚度(mm)系数 Kp是考虑到冲裁模刃口的磨损、凸模与凹模间隙之波动(数值的变化或分布不均)、润滑情况、材料力学性能与厚度公差的变化等因素而设置的安全系数,一般取 13。
当查不到抗剪强度τ时,可用抗拉强度σ b代替τ,而取K p=1的近似计算法计算。
当上模完成一次冲裁后,冲入凹模内的制件或废料因弹性扩张而梗塞在凹模内,模面上的材料因弹性收缩而紧箍在凸模上。
为了使冲裁工作继续进行,必须将箍在凸模上的材料料刮下 ,将梗塞在凹模内的制件或废料向下推出或向上顶出。
从凸模上刮下材料所需的力,称为卸料力;从凹模内向下推出制件或废料所需的力,称为推料力;从凹模内向上顶出制件需的力,称为顶件力 (图2.4.1)。
影响卸料力、推料力和顶件力的因素很多,要精确地计算是困难的。
在实际生产中常采用经验公式计算:卸料力FQ=KFPN( 2.4.2)推料力FQ1=nK1FP( 2.4.3)顶件力FQ2=K2FP( 2.4.4 )图 2.4.1 工艺力示意图式中 P——冲裁力(N);K——卸料力系数,其值为~(薄料取大值,厚料取小值);K1——推料力系数,其值为~(薄料取大值,厚料取小值);K2——顶件力系数,其值为~(薄料取大值,厚料取小值);n——梗塞在凹模内的制件或废料数量(n=h/t);h——直刃口部分的高(mm);t——材料厚度(mm)。
卸料力和顶件力还是设计卸料装置和弹顶装置中弹性元件的依据。
2.4.2 压力机公称压力的选取冲裁时,压力机的公称压力必须大于或等于冲裁各工艺力的总和。
采用弹压卸料装置和下出件的模具时:F P总=FP+FQ+FQ1 (2.4.5)采用弹压卸料装置和上出件的模具时:F P总=FP+FQ+Q2 (2.4.6)采用刚性卸料装置和下出件模具时:F P总=FP+FQ1 (2.4.7)2.4.3 降低冲裁力的措施在冲压高强度材料、厚料和大尺寸冲压件时,需要的冲裁力较大,生产现场压力机的吨位不足时,为不影响生产,可采用一些有效措施降低冲裁力。
五金冲压成型冲压力计算公式
五金冲压成型是指将金属板材等冲压件通过模具进行冲裁、弯曲、拉深等多道工序后形成的加工工艺。
冲压力是指冲裁或拉深时需要的压力。
以下是冲压力的计算公式:
1. 冲裁力计算公式:
冲裁力=材料厚度×π×直径×材料抗拉强度/2
2. 拉深力计算公式:
拉深力=材料厚度×π×(直径1+直径2)×材料抗拉强度/4
3. 弯曲力计算公式:
弯曲力=材料长度×材料厚度×材料抗拉强度/2
以上的计算公式可以帮助工程师精准地计算出冲压力,进而帮助确定选用的冲压机的规格,并确保生产过程中的安全和质量。
在冲压加工过程中,还需注意以下几点:
1. 选择合适的材料
材料的选择直接影响能否满足产品的需求。
不同的材料有着不同的物理性质、化学性质和机械性质,所以要根据产品的需求选择最适合的材料。
2. 合理设计模具
合理的模具设计可以减少材料损耗,提高产品加工的质量和效率。
冲压件的外形、厚度和形状决定了模具的具体结构,而模具的结构和质量直接关系到冲压件的质量和寿命。
3. 控制冲压力度
要确保冲压力在合理范围内,一方面可以延长设备的寿命,另一方面也可以避免产品出现裂纹或变形等问题。
4. 确保设备安全
冲压加工过程中要确保设备的安全,包括设备的维护保养,工艺过程中的操作规范等。
只有保障设备的安全,才能确保产品质量和工作人员的安全。
通过以上的公式和注意事项,相信读者对五金冲压成型加工有了更深入的了解,能够更好地运用冲压技术生产出更优质的五金制品。
冲裁力、卸料力及推件力的计算。
一、冲裁力的计算冲裁力是指冲裁过程中的最大剪切抗力,计算冲裁力的目的是为了合理选择压力机和设计模具。
各种形状刃口冲裁力的基本计算公式见表6。
考虑到模具刃口的磨损、凸模与凹模的间隙不均、材料性能的波动和材料厚度偏差等因素,实际所需冲裁力应比表列公式计算的值增加30%。
表 6 冲裁力的计算公式及举例注:1. τ为材料之抗剪强度。
由表查得:τ=440Mpa2.双斜刃凸模和凹模的主要参数列于表7中表7 斜刃凸模和凹模的主要参数材料厚度t/mm斜刃高度h/mm斜刃倾角φ平均冲裁力为平刃的百分比<3 3~10 2tt<5º<8º30~4060~65如用平刃口模具的冲裁时,按表列公式进行计算:F=KLtτ式中 F—冲裁力(N)L—冲裁件周长(mm);t—材料厚度(mm);τ—材料剪切强度(Mpa)K-系数。
考虑到模具刃口的磨损,模具间隙的波动,材料力学性能的变化及材料厚度偏差等因素,一般K取1.3。
二,降低冲裁力的方法在冲裁力超过车间现有压力机吨位,就必须采取措施降低冲裁力。
一般采用以下几种方法:(1)材料加热红冲。
材料加热后,抗剪强度大大地降低,从而降低冲裁力。
一般适用于厚板或工件表面质量及精度要求不高的零件。
(2)在度凸模冲模中,将凸模作阶梯形布置。
其一般用在几个凸模直径相差悬殊、彼此距离又很近的情况下,采用阶梯形布置还能避免小直径凸模由于承受材料流动的挤压力而产生折断或倾斜的现象(此时应将小凸模做短一些)。
凸模间的高度差h 取决于材料厚度,如:t <3mm, h=tt>3mm, h=0.5t(3) 用斜刃口模具冲裁。
斜刃口冲模的冲裁力可用斜刃剪切公式近似计算,即:F'=K0.5 t τ/tgφ ≈0.5 t σb/ tgφ式中 K--系数,一般取1.3τ--材料抗剪强度,[τ] 为Mpaφ--刃口斜角(一般小于12°)斜刃冲裁力也可用下列简化公式计算:F'=KLtτ当h=t时,K=0.4-0.6h=2t时, K=0.2-0.4式中 L--剪切周长, [L]为mmh--斜刃高度, [h]为mmτ--材料抗剪强度,[τ] 为Mpat--材料厚度, [t]为mm三、卸料力、推件力和顶件力冲裁时,工件或废料从凸模上卸下来的力叫卸料力,从凹模内将工件或废料顺着冲裁的方向推出的力叫推件力,逆冲裁方向顶出的力叫顶件力。
冲裁模具设计计算说明首先,冲裁模具设计计算需要对冲裁工艺进行分析和确定。
冲裁工艺是冲裁模具设计的基础,它包括冲裁工序的选择、冲裁顺序的确定、冲裁模具的布置等。
根据不同的冲裁工艺,设计计算的重点也会有所不同。
其次,冲裁模具设计计算需要对冲裁力进行估算。
冲裁力是冲裁过程中对模具和工件施加的力,它是决定模具结构的重要因素。
精确估算冲裁力需要考虑材料的变形特性、冲裁速度、冲裁模具的几何形状等因素。
一般情况下,可以通过试验或者理论计算的方式进行冲裁力的估算。
第三,冲裁模具设计计算需要对模具的刚度进行评估。
模具的刚度是指模具在工作过程中的抗变形能力。
模具的刚度与冲裁力大小、模具结构和材料的刚性等有关。
评估模具的刚度一般采用有限元分析的方法,通过求解模具的有限元力学模型,求得模具的刚度。
在模具刚度评估的基础上,可以合理选择模具的材料和结构,以提高模具的刚度。
第四,冲裁模具设计计算需要对模具的寿命进行估计。
模具寿命是指模具在工作过程中能够承受的最大冲次数。
模具的寿命受到多个因素的影响,包括冲裁力、模具材料的强度、模具表面的涂覆等。
一般情况下,可以通过试验或者经验公式进行模具寿命的估计。
最后,冲裁模具设计计算需要对模具的开发成本进行估算。
模具的开发成本包括模具材料的费用、加工工艺的费用、制造周期的费用等。
估算模具的开发成本需要综合考虑多个因素,包括模具的复杂度、生产批量、模具制造商的技术水平等。
综上所述,冲裁模具设计计算是一个复杂的过程,需要考虑多个方面的因素。
通过合理的冲裁模具设计计算,可以提高模具的设计质量,降低冲裁成本,提高冲裁工艺的稳定性和可靠性。
同时,冲裁模具设计计算也是冲裁工程中一个重要的研究方向,可以为冲裁工程的发展提供技术支持。
冲裁力计算公式冲裁力计算公式是在冲压加工中非常重要的一个概念。
咱先来说说啥是冲裁力。
想象一下,你要把一张纸剪成一个特定的形状,你得用剪刀用力剪下去,这个让纸变形、分离所需要的力,就是冲裁力。
那冲裁力咋计算呢?这就得提到一个公式啦,一般来说,冲裁力 =材料抗剪强度 ×材料厚度 ×冲裁周边长度。
举个例子哈,就说我之前在工厂实习的时候,有一次师傅让我计算一个零件的冲裁力。
那零件是个小小的圆形铁片,材料是普通的钢材。
我拿着尺子量了量它的直径,又查了查材料的抗剪强度表,然后吭哧吭哧地按照公式开始算。
这过程可不简单,稍微一个数字弄错了,结果就全错啦。
我记得当时紧张得手心都出汗了,就怕算错了耽误生产进度。
好在最后算对了,师傅还夸了我几句。
从那以后,我对冲裁力计算公式就有了更深刻的理解。
再说回这个公式里的各个参数。
材料抗剪强度可不是个固定值,它会受到材料的成分、加工工艺等因素的影响。
比如说,同样是钢材,如果含碳量不一样,抗剪强度可能就差不少呢。
材料厚度就比较好理解啦,越厚的材料,冲裁力自然就越大。
冲裁周边长度呢,就是你要冲裁的那个形状的轮廓线长度。
形状越复杂,周边长度就越长,冲裁力也就越大。
在实际的生产中,计算冲裁力可太重要了。
如果冲裁力算小了,冲床的力量不够,那零件就冲不出来,这可就麻烦大啦,得重新调整设备,浪费时间和成本。
要是算大了呢,又会造成设备的浪费,不划算。
所以啊,搞清楚冲裁力计算公式,对于提高生产效率、保证产品质量都有着至关重要的作用。
咱可不能小瞧了这看似简单的公式,里面的学问大着呢!比如说,有时候为了更准确地计算冲裁力,还得考虑一些其他因素,像模具的间隙、刃口的锋利程度等等。
模具间隙大了,冲裁力也会增加;刃口钝了,同样会让冲裁力变大。
而且,随着科技的不断发展,现在有各种各样的软件可以帮助我们更方便、更准确地计算冲裁力。
但不管咋样,咱得先把原理搞清楚,不然用软件也算不明白。
总之,冲裁力计算公式是冲压加工中的一个基础又关键的知识点。
五金模具冲裁力的计算公式一、引言。
五金模具冲裁力是指在模具冲裁过程中所需的力量,是模具设计和制造过程中非常重要的参数。
冲裁力的准确计算可以帮助工程师和设计师更好地设计和选择合适的模具,从而提高生产效率和产品质量。
本文将介绍五金模具冲裁力的计算公式及其相关知识。
二、五金模具冲裁力的计算公式。
五金模具冲裁力的计算公式通常是由以下几个参数来确定:1. 材料的抗拉强度(σ)。
2. 冲裁模具的材料硬度(H)。
3. 冲裁模具的刀口长度(L)。
4. 冲裁模具的刀口角度(α)。
5. 冲裁板的厚度(t)。
根据这些参数,五金模具冲裁力的计算公式可以表示为:F = σ L t (1 + tan(α) (H / L))。
其中,F表示冲裁力,σ表示材料的抗拉强度,L表示冲裁模具的刀口长度,t 表示冲裁板的厚度,α表示冲裁模具的刀口角度,H表示冲裁模具的材料硬度。
这个公式可以帮助工程师和设计师根据具体的情况来计算出所需的冲裁力,从而更好地设计和选择合适的模具。
三、相关知识。
1. 材料的抗拉强度。
材料的抗拉强度是指材料在拉伸过程中所能承受的最大拉力,通常用σ表示。
不同的材料有不同的抗拉强度,这个参数对于冲裁力的计算非常重要。
2. 冲裁模具的材料硬度。
冲裁模具的材料硬度是指冲裁模具表面的硬度,通常用H表示。
冲裁模具的材料硬度对于冲裁力的大小有着直接的影响,硬度越大,冲裁力越大。
3. 冲裁模具的刀口长度和角度。
冲裁模具的刀口长度和角度也是影响冲裁力大小的重要参数。
刀口长度越长,冲裁力越大;刀口角度越大,冲裁力也越大。
4. 冲裁板的厚度。
冲裁板的厚度是指被冲裁的材料的厚度,也是冲裁力计算中的重要参数。
厚度越大,冲裁力也越大。
五、实际应用。
五金模具冲裁力的计算公式在实际应用中非常重要。
通过这个公式,工程师和设计师可以根据具体的情况来计算出所需的冲裁力,从而更好地设计和选择合适的模具。
这样可以大大提高生产效率和产品质量,减少生产成本。
冲裁力、卸料力及推件力的计算。
录入: 151zqh 来源: 日期: 2006-7-9,16:36一、冲裁力的计算冲裁力是指冲裁过程中的最大剪切抗力,计算冲裁力的目的是为了合理选择压力机和设计模具。
各种形状刃口冲裁力的基本计算公式见表6。
考虑到模具刃口的磨损、凸模与凹模的间隙不均、材料性能的波动和材料厚度偏差等因素,实际所需冲裁力应比表列公式计算的值增加30%。
表 6 冲裁力的计算公式及举例注:1. τ为材料之抗剪强度。
由表查得:τ=440Mpa2.双斜刃凸模和凹模的主要参数列于表7中F=KLtτ式中 F—冲裁力(N)L—冲裁件周长(mm);t—材料厚度(mm);τ—材料剪切强度(Mpa)K-系数。
考虑到模具刃口的磨损,模具间隙的波动,材料力学性能的变化及材料厚度偏差等因素,一般K取1.3。
二,降低冲裁力的方法在冲裁力超过车间现有压力机吨位,就必须采取措施降低冲裁力。
一般采用以下几种方法:(1)材料加热红冲。
材料加热后,抗剪强度大大地降低,从而降低冲裁力。
一般适用于厚板或工件表面质量及精度要求不高的零件。
(2)在度凸模冲模中,将凸模作阶梯形布置。
其一般用在几个凸模直径相差悬殊、彼此距离又很近的情况下,采用阶梯形布置还能避免小直径凸模由于承受材料流动的挤压力而产生折断或倾斜的现象(此时应将小凸模做短一些)。
凸模间的高度差h 取决于材料厚度,如:t <3mm, h=tt>3mm, h=0.5t(3) 用斜刃口模具冲裁。
斜刃口冲模的冲裁力可用斜刃剪切公式近似计算,即:F'=K0.5 t τ/tgφ ≈0.5 t σb/ tgφ式中 K--系数,一般取1.3τ--材料抗剪强度,[τ] 为Mpaφ--刃口斜角(一般小于12°)斜刃冲裁力也可用下列简化公式计算:F'=KLtτ当h=t时,K=0.4-0.6h=2t时, K=0.2-0.4式中 L--剪切周长, [L]为mmh--斜刃高度, [h]为mmτ--材料抗剪强度,[τ] 为Mpat--材料厚度, [t]为mm三、卸料力、推件力和顶件力冲裁时,工件或废料从凸模上卸下来的力叫卸料力,从凹模内将工件或废料顺着冲裁的方向推出的力叫推件力,逆冲裁方向顶出的力叫顶件力。
冲裁力的计算
A
B C D F G H I
J E
冲裁力用式F=1.3Lt τ计算。
取τ=270MPa ,板料厚t=0.7mm,L 值为所
有冲孔的总周长与工件外轮廓线周长之和
1.A 区:L1=8mm
2.B 区:L2=11mm
3.C 区:L3=11mm
4.D 区:L4=21.5mm
5.E 区:L5=11.0mm
6.F 区:L7=7mm
7.G 区:L8=5.6mm
8.H 区:L9=55mm
9.I 区:L10=80mm 10.J 区:L11=51.8mm 总周长
L=8+11+11+21.5+11+7+5.6+55+80+51.8=253.9mm 冲裁力
冲F =1.3Lt τ=1.3×253.9mm×0.7mm×270MPa=62383.23N
其中τ=0.6b σ=0.6*450=270MPa
卸料力、推件力和顶件力
冲裁时,工件或废料从凸模上卸下来的力叫卸料力,从凹模内将工件或废料
顺着冲裁的方向推出来的力叫推件力,逆冲裁方向顶出的力叫顶件力。
通常多以经验公式计算:
卸料力 冲卸卸F K F ⨯== 0.06×62383.23*0.06N=3743.0N 应为设计的零件不涉及到推件和顶件,所以只算卸料力就可。
卸料系数由下
表选取:表2-8 卸料力、推件力和顶件力系数
材料
K 卸 K 推 K 顶
刚
≤0.1 0.065-0.075 0.1 0.14 >0.1-0.5 0.045-0.055 0.063 0.08 >0.5-2.5 0.04-0.05 0.055 0.06 >2.5-6.5 0.03-0.04 0.045 0.05 >6.5
0.02-0.03 0.025
0.03
铝、铝合金 0.025-0.08 0.03-0.07 纯铜,黄铜
0.02-0.06
0.03-0.09
K 卸取0.06。
弯曲力的计算
弯曲力的计算采用公式t
r bt F b
+=σ2k 7.0弯计算
b-弯曲件的宽度(mm ),b1=4.1,b2=4,b3=1.2 t-弯曲件的厚度(mm ),t=0.7 r-弯曲件的弯曲半径(mm )r=1 k-安全系数,一般取k=1.3
b σ-材料的强度极限(MPa )
t r bt F b
+=σ21k 7.0弯=(0.7*1.3*4.1*0.7*0.7*450)/(0.7+1)=484N
t r bt F b +=σ22
k 7.0弯=(0.7*1.3*4*0.7*0.7*450)/(0.7+1)=472N
t
r bt F b +=σ23
k 7.0弯=2*(0.7*1.3*1.2*0.7*0.7*450)/(0.7+1)=283N
步骤3弯曲力为484N ,步骤4弯曲力为755N。