电阻值标识方法及标称阻值系列规范
- 格式:pdf
- 大小:91.65 KB
- 文档页数:3
电阻器的标称阻值数系及标示方法王尔湘沈占彬何焱(平顶山工业职业技术学院河南平顶山467001)摘要主要介绍常用电阻器标称阻值的六大数系中电阻值的标定规律,当前常用电阻器的阻值及其标示方法。
关键词电阻器;常用数系;标示方法1. 电阻器的标称阻值系列为了使工厂生产的电阻符合标准化的要求,同时也为了使电阻的规格不致太多,国家有关部门规定了一系列的阻值作为产品的标准,这一系列的阻值就叫做电阻的标称阻值。
电阻的标称阻值分为E6、E12、E24、E48、E96、E192六大系列,分别适用于允许偏差为±20%、±10%、±5%、±2%、±1%和±0.5%的电阻器。
其中E24系列为常用数系,E48、E96、E192系列为高精密电阻数系,普通电器设备一般不常采用。
对E6系列的电阻规定六个基本数:1、1.5、2.2、3.3、4.7、6.8(即E6 数系);对E12系列的电阻规定十二个基本数:1、1.2、1.5、1.8、2.2、2.7、3.3、3.9、4.7、5.6、6.8、8.2(即E12 数系);对E24系列的电阻规定二十四个基本数:1、1.1、1.2、1.3、1.5、1.6、1.8、2.0、2.2、2.4、2.7、3.0、3.3、3.6、3.9、4.3、4.7、5.1、5.6、6.2、6.8、7.5、8.2、9.1(即E24 数系)。
从这些数系中稍加分析不难看出,同一数系中相邻两数的比例基本上是相等的。
E6数系的公比为610=1.4687≈1.5;E12数系的公比为1210=1.2115≈1.2;E24数系的公比为2410=1.1007≈1.1。
知道了数系的公比后,就可以求出数系中的各个值,也就是说某数系相邻两数中前一个数值乘上公比值等于后一个数值。
这样的规定还能保证在同一数系中相邻两值中较小数值的正偏差与较大数值的负偏差彼此衔接或重迭,所以制造出来的电阻器,都可以按照一定标称值和误差分选。
附录Ⅲ 电阻器的标称值及精度色环标志法色环标志法是用不同颜色的色环在电阻器表面标称阻值和允许偏差。
1、两位有效数字的色环标志法。
普通电阻器用四条色环表示标称阻值和允许偏差,其中三条表示阻值,一条表示偏差,如附图Ⅲ-1所示。
图Ⅲ-1 两位有效数字的阻值色环标志法 附图Ⅲ-2 三位有效数字的阻值色环标志法2、三位有效数字的色环标志法。
精密电阻器用五条色环表示标称阻值和允许偏差,如附图Ⅲ-2所示。
示例:如:色环A-红色;B-黄色如:色环A-蓝色;B-灰色;C-黑色C -棕色;D-金色 D-橙色;E-紫色则该电阻标称值及精度为:则该电阻标称值及精度为:24×101=240Ω精度:±5% 680×103=680KΩ精度:±0.1%首先,你主要就是要以真题为主,一套真题起码反复做3遍然后就是练习听力,如果想要提高英语听力的话,建议听新概念,VOA,BBC,熟练了可以调快速度听如果就是为了应付考试的话,就听真题的听力,反反复复听,听完对照听力原文,把当时没听出来的标注出来,这些就是你的听力盲点,然后分析为什么没听出来,是单词不认识?语音连读没听出来?还是其他原因,自己找到原因后就对症解决作文的话,四级还是比较模板的,背几篇模板,经典句子,可以提高不少最后就是单词和阅读了,单词不要独立的背,一般掌握高频词汇,然后其他的要做到看到认识,拼写不一定要会,但是能会当然最好了,因为四级考试要你写单词的没几个地方,作文的话你有不会写的就换个词好了,对吧,可以灵活。
阅读的话,快速阅读就是文章中找答案,你把题目和正文一一去比对,就能找出答案,速度一定要快,深度阅读的话,说实话提高比较慢的,跟一个人本身的英语水平有关,但是你可以每天都做做,找到感觉,保持一定的手感。
一.E-24标注方法E-24标注法有两位有效数字,精度在±2%(-G),±5%(-J),±10%(-K),±20%(-M)怎么看电阻的阻值_贴片电阻的识别和标注方法1. 常用电阻标注XXY XX代表底数,Y代表指数例如470 = 47Ω103 = 10kΩ224 = 220kΩ怎么看电阻的阻值_贴片电阻的识别和标注方法2: 小于10欧姆的电阻的标注用R代表单位为欧姆的电阻小数点,用m代表单位为毫欧姆的电阻小数点例如1R0 = 1.0ΩR20 = 0.20Ω5R1 = 5.1ΩR007 = 7.0mΩ4m7 = 4.7mΩ二.E-96标注方法E-96标注法有三位有效数字,精度在±1%(-F)怎么看电阻的阻值_贴片电阻的识别和标注方法1: 常用电阻标注XXXY XXX代表底数,Y代表指数例如4700 = 470Ω1003 = 100kΩ2203 = 220kΩ怎么看电阻的阻值_贴片电阻的识别和标注方法2: 小于10欧姆的电阻的标注用R代表单位为欧姆的电阻小数点,用m代表单位为毫欧姆的电阻小数点例如1R00 = 1.00ΩR200 = 0.200Ω5R10 = 5.10ΩR007 = 7.00mΩ4m70 = 4.70mΩ怎么看电阻的阻值_贴片电阻的识别和标注方法3: E-96 Multiplier Code标注法XXYXX 代表底数的代码,具体数值可从Multiplier Code表中查找Y 代表指数的代码,具体数值也要从Multiplier Code表中查找例如:18A = 150Ω02C = 10.2kΩ1、常用的标识方法,一般电阻如下图3.3K 56欧100K上面三种电阻是一般标准电阻的标识方法,可以很直观地得到阻值,即为前两位为数值,后面一位为10的倍数,如上面的332,即为33 * 10 * 10 = 3300 欧,换一下单位就是3.3K 了。
电阻器的命名规则与电阻类别(带实物图)1.电阻器的命名规则(一)、固定电阻器的型号命名方法:国产电阻器的型号命名由三部分或四部分组成,名部分的主要含义见表1。
表 1 国产电阻器的型号命名及含义第一部分为字头符号,用字母“R”表示电阻器为产品主称。
第二部分用字母表示电阻器的电阻体材料。
第三部分通常用数字或字母表示电阻器的类别,也有的电阻器用该部分的数字来表示额定功率。
第四部分用数字表示生产序号,以区别该电阻器的外形尺寸及性能指标。
例如:TJ75(精密金属膜电阻器)RT10(普通碳膜电阻器)R——电阻器(第一部分)R——电阻器J——金属膜(第二部分)T——碳膜7——精密(第三部分)1——普通型5——序号(第四部分)0——序号RX28(阻燃型线绕电阻器) RJ 90-B 0.5 (0.5W不然性金属膜熔断电阻器)R——电阻器RJ——金属膜电阻器X——线绕9——熔断型2——阻燃型0-B 0.5——不燃性、额定功率为0.5W8——序号电阻类别(带实物图)一、基础知识电阻器是电路元件中应用最广泛的一种,在电子设备中约占元件总数的30%以上,其质量的好坏对电路工作的稳定性有极大影响。
它的主要用途是稳定和调节电路中的电流和电压,其次还作为分流器分压器和负载使用。
1.分类在电子电路中常用的电阻器有固定式电阻器和电位器,按制作材料和工艺不同,固定式电阻器可分为:膜式电阻(碳膜RT、金属膜RJ、合成膜RH和氧化膜RY)、实芯电阻(有机RS和无机RN)、金属线绕电阻(RX)、特殊电阻(MG型光敏电阻、MF型热敏电阻)四种。
表1 几种常用电阻的结构和特点2.主要性能指标额定功率:在规定的环境温度和湿度下,假定周围空气不流通,在长期连续负载而不损坏或基本不改变性能的情况下,电阻器上允许消耗的最大功率。
为保证安全使用,一般选其额定功率比它在电路中消耗的功率高1-2倍。
额定功率分19个等级,常用的有0.05W、0.125W、0.25 W、0.5 W、1 W、2 W、3 W、5 W、7 W、10 W,在电路图中非线绕电阻器额定功率的符号表示如下图:电阻器阻值标示方法1、直标法:用数字和单位符号在电阻器表面标出阻值,其允许误差直接用百分数表示,若电阻上未注偏差,则均为±20%。
电阻器参数和识别方法电阻器的主要参数(标称阻值与允许偏差)要标注在电阻器上,以便使用中识别。
电阻器的参数主要有色标法和直标法两种,此外还有字母数字混标法。
1.3.1电阻器的主要参数1.电阻器标称阻值系列在使用中,我们最关心的是电阻器的阻值有多大,这一阻值称为电阻器的标称阻值。
例如,某电阻器标称阻值是9kΩ。
重要提示生产厂家为了使用的需要,生产了很多阻值的电阻器。
为了方便生产和使用,国标规定了一系列阻值作为产品的标准,即标称阻值系列。
我国E6、E12、E24电阻器标称阻值系列见表1-6。
表1-6我国E6、E12、E24电阻器标称阻值系列重要提示从表1-6中可以看出E12系列中找不到1.1×10n电阻器,只能在E24系列中找到它。
表2-7中各数×10n可得到不同的电阻阻值。
例如:1.1×10n(n=3)为1.1kΩ电阻器。
n是正整数或负整数。
1×10为10Ω电阻器。
2.电阻器允许偏差参数在电阻器生产过程中,由于生产成本的考虑和技术原因,无法制造与标称阻值完全一致的电阻器,不可避免存在着一些偏差。
所以,规定了一个允许偏差参数。
不同电路中,由于对电路性能的要求不同,也就可以选择不同偏差的电阻器,这是出于生产成本的考虑,偏差大的电阻器成本低,这样整个电路的生产成本就低。
常用电阻器的允许偏差为±5%、±10%、±20%。
精密电阻器的允许偏差要求更高,如±2%、±0.001%等。
3.电阻器额定功率参数额定功率也是电阻器的一个常用参数。
它是指在规定的大气压力下和特定的环境温度范围内,电阻器所允许承受的最大功率,单位用W表示,一般电子电路中使用1/8W电阻器。
通常额定功率大,电阻器体积大。
对于电阻器而言,它所能够承受的功率负荷与环境温度有关,其关系可用图1-12所示负载曲线来说明。
图中,P为允许功率,P R为额定功率,t R为额定环境温度,t min为最低环境温度,t max为最高环境温度。
贴片电阻的识别方法:
1、数字索位标称法
数字索位标称法就是在电阻体上用三位数字来标明其阻值。
它的首和二位为有效数字,第三位表示在有效数字后面所加“0”的个数.这一位不会出现字母。
例如:“472′’表示“4700Ω”;“151”表示“150Ω”。
如果是小数.则用“R”表示“小数点”.并占用一位有效数字,其余两位是有效数字。
例如:“2R4″表示“2.4Ω”;“R15”表示“0.15Ω”。
2、色环标称法
贴片电阻与一般电阻一样,大多采用四环(有时三环)标明其阻值。
一环和二环是有效数字,第三环是倍率。
例如:“棕绿黑”表示”15Ω”;“蓝灰橙银”表示“68kΩ”误差±10%。
3、E96数字代码与字母混合标称法
数字代码与字母混合标称法也是采用三位标明电阻阻值,即“两位数字加一位字母”,其中两位数字表示的是E96系列电阻附表2。
它的
第三它的第三位是用字母代码表示的倍率。
例如:“51D”表示“332×103;332kΩ”;“249Y”表示“249×10-2;2.49"。
电阻的常用标志法在使用电阻器时,需要了解它的主要参数。
对电阻器需知道其标称阻值、功率、允许偏差。
电阻器的标称值和允许偏差一般都标在电阻体上,而在电路图上通常只标出标称值。
电阻的标志方法分为下列四种:1. 直标法:直标法是将电阻器的标称值用数字和文字符号直接标在电阻体上,其允许偏差则用百分数表示,末标偏差值的即为±20%的允许偏差。
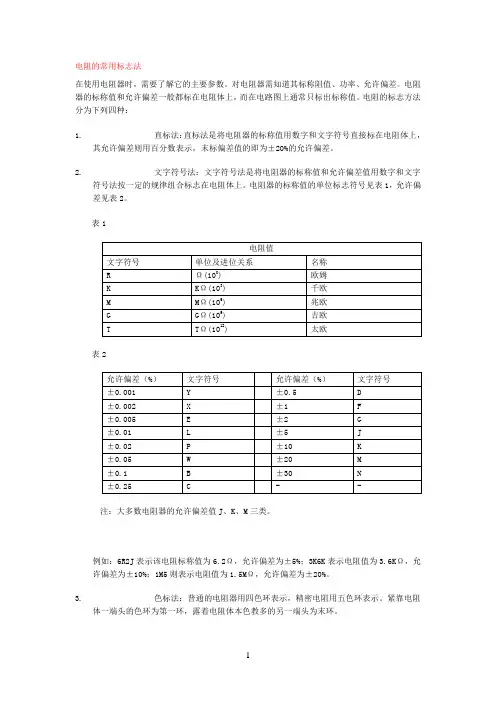
2. 文字符号法:文字符号法是将电阻器的标称值和允许偏差值用数字和文字符号法按一定的规律组合标志在电阻体上。
电阻器的标称值的单位标志符号见表1,允许偏差见表2。
表1表2注:大多数电阻器的允许偏差值J、K、M三类。
例如:6R2J表示该电阻标称值为6.2Ω,允许偏差为±5%;3K6K表示电阻值为3.6KΩ,允许偏差为±10%;1M5则表示电阻值为1.5MΩ,允许偏差为±20%。
3. 色标法:普通的电阻器用四色环表示,精密电阻用五色环表示。
紧靠电阻体一端头的色环为第一环,露着电阻体本色教多的另一端头为末环。
4. 数码标志法:在产品和电路图上用三为数字来表示元件的标称值的方法称之为数码标志法。
常见于贴片电阻或进口器件上。
在三位数码中,从左至右第一、二位数表示电阻标称值的第一、二位有效数字,第三位数为倍率10n的“n”(即前面两位数后加“0”的个数),单位为Ω。
例如标识为222的电阻器,其阻值为2200Ω既2.2KΩ;表识为105的电阻器为1MΩ;标志为47的电阻器阻值为4.7Ω。
需要注意的是要将这种标志法与传统的方法区别开来:如标志为220的电阻器其电阻为22Ω,只有标志为221的电阻器其阻值才为220Ω。
标志为0或000的电阻器,实际是跳线,阻值为0Ω。
在一些微调电阻器阻值的标志法除了用三位数字外还有用两位数字的。
如标志为53表示5,14和54分别表示10和50。
一些精密贴片电阻器也有用四位数字表示法,如1005表示10等。
电阻器阻值标示方法1、直标法:用数字和单位符号在电阻器表面标出阻值,其允许误差直接用百分数表示,若电阻上未注偏差,则均为20%。
2、文字符号法:用阿拉伯数字和文字符号两者有规律的组合来表示标称阻值,其允许偏差也用文字符号表示。
符号前面的数字表示整数阻值,后面的数字依次表示第一位小数阻值和第二位小数阻值。
表示允许误差的文字符号文字符号DFGJKM允许偏差0、5%1%2%5%10%20%3、数码法:在电阻器上用三位数码表示标称值的标志方法。
数码从左到右,第一、二位为有效值,第三位为指数,即零的个数,单位为欧。
偏差通常采用文字符号表示。
4、色标法:用不同颜色的带或点在电阻器表面标出标称阻值和允许偏差。
国外电阻大部分采用色标法。
黑-0、棕-1、红-2、橙-3、黄-4、绿-5、蓝-6、紫-7、灰-8、白-9、金-5%、银-10%、无色-20%当电阻为四环时,最后一环必为金色或银色,前两位为有效数字,第三位为乘方数,第四位为偏差。
当电阻为五环时,最後一环与前面四环距离较大。
前三位为有效数字,第四位为乘方数,第五位为偏差。
电阻的色环识别就是每个电阻有4种或3种颜色标明阻值。
最后一个颜色是金黄或银白色。
表示该电阻的所标阻值与本物品实际阻值相差量。
金黄表示百分制10的误差,银白表示百分制20的误差。
根据书上写的方法教也不好记,我有一个办法记电阻色环挺简单的,希望有不足的地方请同行多多指教。
我的方法是;电阻上前3种颜色表示阻值的标定方法。
一共12种颜色分别是;棕,红,橙,黄,绿,蓝,紫,灰,白,黑,金,银。
代表的数字分别是;1,2,3,4,5,6,7,8,9,0,[0点1],[0点01]。
第1和第2个颜色表示数字。
第3个颜色表示该数字加的0数量。
例1;有个电阻的色标是[红黄绿金]它的阻值是24再在后面加5个零,那就是。
等于是2400K欧的阻值。
也是2。
4M欧。
例2;有个电阻的色标是[棕红金金]它的阻值第三部分意思是[0点1]那就是12乘以0点1。
附录Ⅲ电阻器的标称值及精度色环标志法色环标志法是用不同颜色的色环在电阻器表面标称阻值和允许偏差。
1、两位有效数字的色环标志法。
普通电阻器用四条色环表示标称阻值和允许偏差,其中三条表示阻值,一条表示偏差,如附图Ⅲ-1所示。
颜色第一有效数第二有效数倍率允许偏差黑0 0 100 棕 1 1 101 红 2 2 102 橙 3 3 103 黄 4 4 104 绿 5 5 105蓝 6 6 106紫7 7 107灰8 8 108白9 9 109+50%-20% 金10-1 ±5%银10-2 ±10%无色±20%颜色第一有效数第二有效数第三有效数倍率允许偏差黑0 0 0 100棕 1 1 1 101 ±1%红 2 2 2 102 ±2%橙 3 3 3 103黄 4 4 4 104绿 5 5 5 105 ±0.5%蓝 6 6 6 106 ±0.25%紫7 7 7 107 ±0.1%灰8 8 8 108白9 9 9 109金10-1银10-2图Ⅲ-1 两位有效数字的阻值色环标志法附图Ⅲ-2 三位有效数字的阻值色环标志法2、三位有效数字的色环标志法。
精密电阻器用五条色环表示标称阻值和允许偏差,如附图Ⅲ-2所示。
示例:如:色环A-红色;B-黄色如:色环A-蓝色;B-灰色;C-黑色C -棕色;D-金色 D-橙色;E-紫色则该电阻标称值及精度为:则该电阻标称值及精度为:24×101=240Ω精度:±5%680×103=680KΩ精度:±0.1%。
电阻器规格型号的标注1 引言电阻器的型号和规格一般应按国家有关标准来标注。
根据目前市场供应情况也有按国外型号标注的,在标注顺序上略有不同,各项内容的代码也不一样。
本公司规定的标注方法中:——通用的代码方式,按国家标准标注。
如标称阻值和允许偏差的代码。
——有多种可能代码方式的采用直标,以利通用。
如额定功率、尺寸代码和温度系数。
——型号标注尽可能用国标。
列举一些常见的代码形式,供参考。
2 电阻器型号和规格的标注2.1 标注顺序电阻器按下述顺序标注a) 一般电阻器的标注:型号-额定功率-标称阻值-允许偏差-温度系数b) 片式电阻器的标注:型号-尺寸代码-标称阻值-允许偏差-温度系数若无要求,温度系数可以不标。
例:a) 金属膜电阻器RJ14-0.25W-472-J;b) 精密金属膜电阻器RJ24-0.25W-4751-F±50ppm/℃;c) 片式电阻器RC-0603-472-J;d) 片式电阻器RC-0805-4751-F±100ppm/℃;e) 线绕电阻器RX21-2W-101-J。
国内有些厂家参考国外产品标注。
如广东风华高新科技有限公司的片式电阻器按下述顺序标注。
型号-尺寸代号-温度系数-标称阻值-允许偏差-包装方式其各项代码见附录A或风华高科手册。
还有按国外型号命名的EE、RE和RN系列电阻器等。
2.2型号国产电阻器的型号命名按“GB/T 2470-1995 电子设备用固定电阻器、固定电容器型号命名方法”规定。
其中金属膜电阻器为RJ**,线绕电阻器为RX**,常规厚膜片式电阻器型号采用RC。
在市场上还有按国外型号命名的电阻器,如EE系列高稳定金属膜电阻器、RE系列高稳定金属膜电阻器、RN系列高稳定金属膜电阻器等。
注意,按国外型号命名的电阻器由于定义的温度不同,不同厂生产的同型号电阻器的额定功率表示的数据可能不一样,可以参考有关手册比对确定(例如比较外形尺寸)。
电阻器的具体型号和技术参数可参考有关手册。
电阻器的标志方法课前阅读:在电路中,电阻通常用大写英文字母“R”表示,在国家Array标准电路图中,电阻的符号如右图所示。
电阻大小的基本单位是欧姆(符号Ω),还有较大的单位千欧(KΩ)、兆欧(MΩ)、千兆欧(GΩ)及兆兆欧(TΩ)。
电阻器的标称阻值和偏差通常都标在电阻器件上,标志方法主要有以下几种:1、直标法直标法是将电阻器的标称阻值用数字和文字符号直接标在电阻体上,其允许偏差则用百分数表示。
未标偏差值的即为±20%。
例如图一、图二的电阻标志方法即为直标法,其中图一该电阻标称值为5.1KΩ,偏差为±5%。
图二中该电阻标称值为680Ω,偏差为±20%。
2、文字符号法文字符号法是将电阻器的标称阻值和允许偏差用数字和文字符号按一定的规律组合标志在电阻体上。
电阻器的标称值的单位标示符号如表一所示,允许偏差如表二所示。
表一:表二:在有些精密电阻中,通常采用四位数字加两位字母的标示方法。
前面的四位数字表示阻值:前三位数字分别表示阻值的百、十、个位数字,第四位数字表示前面三个数字后面加“0”的个数(10的倍数),单位为欧姆;数字后面的第一个英文字母代表误差,第二个字母代表温度系数(如表三所示)。
例如:标示为“2151FC”电阻的阻值是215*10=2.15KΩ,误差是±1%,温度系数为50ppm/℃。
3、色标法色标法是指用不同颜色的环(色环),按照它们的颜色和排列顺序在电阻体上标志出主要参数的方法。
普通的电阻器用四色环表示,精密电阻用五色环表示。
紧靠电阻体一端头的色环为第一环,露着电阻体本色较多的另一端头为末环。
若采用四色环标注,其第一色环是十位数,第二色环为个位数,第三色环为乘数,第四色环为允许误差(如图五所示),各种颜色所代表的数值如表四所示。
例如:4色环的电阻的颜色排列为红黑棕金。
则这只电阻的电阻值为200Ω,允许偏差为±5%。
若采用5色环标示,则其第一色环为百位数,第二色环是十位数,第三色环是个位数,第四色环是乘数,第五色环为允许偏差(如图六所示)。
国家标准规定了电阻的阻值按其精度分为两大系列,分别为E-24系列和E-96系列,E-24系列精度为5%,E-96系列为1%。
精度为5%的碳膜电阻,以欧姆为单位的标称值:1.0 5.6 33 160 820 3.9K 20K 100K 510K2.7M1.1 6.2 36 180 910 4.3K 22K 110K 560K 3M1.2 6.8 39 200 1K 4.7K 24K 120K 620K 3.3M1.3 7.5 43 220 1.1K 5.1K 27K 130K 680K 3.6M1.5 8.2 47 240 1.2K 5.6K 30K 150K 750K 3.9M1.6 9.1 51 270 1.3K 6.2K 33K 160K 820K 4.3M1.8 10 56 300 1.5K 6.6K 36K 180K 910K 4.7M2.0 11 62 330 1.6K 7.5K 39K 200K 1M 5.1M2.2 12 68 360 1.8K 8.2K 43K 220K 1.1M 5.6M2.4 13 75 390 2K 9.1K 47K 240K 1.2M 6.2M2.7 15 82 430 2.2K 10K 51K 270K 1.3M 6.8M3.0 16 91 470 2.4K 11K 56K 300K 1.5M 7.5M3.3 18 100 510 2.7K 12K 62K 330K 1.6M 8.2M3.6 20 110 560 3K 13K 68K 360K 1.8M 9.1M3.9 22 120 620 3.2K 15K 75K 390K 2M 10M4.3 24 130 680 3.3K 16K 82K 430K 2.2M 15M4.7 27 150 750 3.6K 18K 91K 470K 2.4M 22M5.1 30精度为1%的金属膜电阻,以欧姆为单位的标称值:10 33 100 332 1K 3.32K 10.5K 34K 107K 357K10.2 33.2 102 340 1.02K 3.4K 10.7K 34.8K 110K 360K10.5 34 105 348 1.05K 3.48K 11K 35.7K 113K 365K11 35.7 110 357 1.1K 3.6K 11.5K 36.5K 118K 383K 11.3 36 113 360 1.13K 3.65K 11.8K 37.4K 120K 390K 11.5 36.5 115 365 1.15K 3.74K 12K 38.3K 121K 392K11.8 37.4 118 374 1.18K 3.83K 12.1K 39K 124K 402K12 38.3 120 383 1.2K 3.9K 12.4K 39.2K 127K 412K 12.1 39 121 390 1.21K 3.92K 12.7K 40.2K 130K 422K 12.4 39.2 124 392 1.24K 4.02K 13K 41.2K 133K 430K12.7 40.2 127 402 1.27K 4.12K 13.3K 42.2K 137K 432K13 41.2 130 412 1.3K 4.22K 13.7K 43K 140K 442K 13.3 42.2 133 422 1.33K 4.32K 14K 43.2K 143K 453K13.7 43 137 430 1.37K 4.42K 14.3K 44.2K 147K 464K14 43.2 140 432 1.4K 4.53K 14.7K 45.3K 150K 470K 14.3 44.2 143 442 1.43K 4.64K 15K 46.4K 154K 475K14.7 45.3 147 453 1.47K 4.7K 15.4K 47K 158K 487K15 46.4 150 464 1.5K 4.75K 15.8K 47.5K 160K 499K 15.4 47 154 470 1.54K 4.87K 16K 48.7K 162K 511K15.8 47.5 158 475 1.58K 4.99K 16.2K 49.9K 165K 523K16 48.7 160 487 1.6K 5.1K 16.5K 51K 169K 536K 16.2 49.9 162 499 1.62K 5.11K 16.9K 51.1K 174K 549K 16.5 51 165 510 1.65K 5.23K 17.4K 52.3K 178K 560K16.9 51.1 169 511 1.69K 5.36K 17.8K 53.6K 180K 562K17.4 52.3 174 523 1.74K 5.49K 18K 54.9K 182K 576K 17.8 53.6 178 536 1.78K 5.6K 18.2K 56K 187K 590K18.2 56 182 560 1.82K 5.76K 19.1K 57.6K 196K 619K18.7 56.2 187 562 1.87K 5.9K 19.6K 59K 200K 620K19.1 57.6 191 565 1.91K 6.04K 20K 60.4K 205K 634K19.6 59 196 578 1.96K 6.19K 20.5K 61.9K 210K 649K20 60.4 200 590 2K 6.2K 21K 62K 215K 665K20.5 61.9 205 604 2.05K 6.34K 21.5K 63.4K 220K 680K21 62 210 619 2.1K 6.49K 22K 64.9K 221K 681K21.5 63.4 215 620 2.15K 6.65K 22.1K 66.5K 226K 698K22 64.9 220 634 2.2K 6.8K 22.6K 68K 232K 715K 22.1 66.5 221 649 2.21K 6.81K 23.2K 68.1K 237K 732K22.6 68 226 665 2.26K 6.98K 23.7K 69.8K 240K 750K23.2 68.1 232 680 2.32K 7.15K 24K 71.5K 243K 768K23.7 69.8 237 681 2.37 7.32K 24.3K 73.2K 249K 787K24 71.5 240 698 2.4K 7.5K 24.9K 75K 255K 806K 24.3 73.2 243 715 2.43K 7.68K 25.5K 76.8K 261K 820K 24.7 75 249 732 2.49K 7.87K 26.1K 78.7K 267K 825K24.9 75.5 255 750 2.55K 8.06K 26.7K 80.6K 270K 845K25.5 76.8 261 768 2.61K 8.2K 27K 82K 274K 866K26.1 78.7 267 787 2.67K 8.25K 27.4K 82.5K 280K 887K26.7 80.6 270 806 2.7K 8.45K 28K 84.5K 287K 909K27 82 274 820 2.74K 8.66K 28.7K 86.6K 294K 910K27.4 82.5 280 825 2.8K 8.8K 29.4K 88.7K 300K 931K28 84.5 287 845 2.87K 8.87K 30K 90.9K 301K 953K29.4 88.7 300 887 3.0K 9.1K 30.9K 93.1K 316K 1.0M30 90.9 301 909 3.01K 9.31K 31.6K 95.3K 324K 1.5M30.1 91 309 910 3.09K 9.53K 32.4K 97.6K 330K 2.2M30.9 93.1 316 931 3.16K 9.76K 33K 100K 332K31.6 95.3 324 953 3.24K 10K 33.2K 102K 340K32.4 97.6 330 976 3.3K 10.2K 33.6K 105K 348K常用电阻阻值:1,1.1,1.2,1.3,1.5,1.6,1.8 2,2.2,2.4,2.7,3,3.3,3.6,3.9 4.3,4.7 5.1,5.6 6.2,6.8 7.5 8.29.1 10,11,12,13,15,16,1820,22,24,2730,33,36,3943,4751,5662,687582,81 100,110,120,130,150 ,160,180200,220,240,270300,330,360,390430,470510,560620,680750 820910 1K,1.1K,1.2K,1.3K,1.5K,1.6K,1.8K 2K,2.2K,2.4K,2.7K 3K,3.3K,3.6K,3.9K 4.3K,4.7K 5.1K,5.6K 6.2K,6.8K,7.5K 8.2K 9.1K10K,11K ,12K,13K,15K,16K,18K20K,22K,24K,27K30K,33K,36K,39K43K,47K51K,56K62K,68K75K82K91K 100K,110K,120K,130K,150K,160K,180K 200K,220K,240K,270K,300K,330K,360K,390K430K,470K510K 560K620K,680K 750K,820K 910K 1M,1.1M,1.2M,1.3M,1.5M,1.6M,1.8M 2M,2.2M,2.4M,2.7M 3M,3.3M,3.6M,3.9M 4.4M,4.7M常用电容值:【单位pF】39 P 43 P 47 P 51 P 56 P 62 P 68 P 75 P 82 P 91 P 100 P 120 P 150 P 180 P 200 P 220 P 240 P 270 P 300 P 330 P 360 P 390 P 470 P 560 P 620 P 680 P 750 P【单位nF】1.0 1.2 1.5 1.8 2.2 2.7 3.3 3.9 4.7 5.6 10 15 18 22 27 33 39 56 68 82【单位uF】0.15 0.22 0.33 0.47 1.0 (1.5) 2.21、5%精度的命名:RS-05K102JT2、1%精度的命名:RS-05K1002FTR -表示电阻S -表示功率0402是1/16W、0603是1/10W、0805是1/8W、1206是1/4W、1210是1/3W、1812是1/2W、2010是3/4W、2512是1W。
电阻的标称及识别方法电阻的参数电阻最主要的参数是阻值和额定功率。
额定功率为电阻在电路中允许消耗的最大功率(P P = UI I))。
电阻的额定功率也有标称值,常用的有 1/8 、 1/4、、1/2 、1 1 、2 2 、3 3 、5 5 、 10 、 20 瓦等。
选用电阻的时候,要留一定的余量,选标称功率比实际消耗的功率大一些的电阻。
比如实际负荷 1/4 瓦,可以选用 1/2 瓦的电阻,实际负荷荷3 3 瓦,可以选用5 5 瓦的电阻。
一个电阻,它所称的阻值称为标称阻值,单位为Ω 。
标称值严格按照国际或国家标准标注。
按不同的误差大小,其标称值在1 1 ~ 10 之间的数量也不一样。
误差为± ±5 5 %时, 1 1 ~ 10 之间有标称值 24个。
( E24 系列)误差为± ± 10 %时, 1 1 ~ 10 之间有标称值 12个。
( E12 系列)误差为± ± 20 %时, 1 1 ~ 10 之间有标称值6 6个。
( E6 系列)阻值标示方法直接法:用数字和单位直接标示阻值的方法,通常Ω 可省略。
如 4.7K。
文字符号法:用数字与特殊符号组合,常见符号有 M 、K K 、R R 。
如 4K7 , 1R9。
数字表示法:常见于贴片电阻,用 3 3 ~4 4 位整数表示阻值,单位为Ω 。
(前 2 ~~ 3 3 位表示有效值,末位表示倍率)如 102=1000 Ω,, 1001==1000 Ω 。
色环表示法:用不同颜色的色环在电阻表面上标志出电阻主要参数的方法。
其他事项在电路图中电阻器和电位器的单位标注规则。
阻值在兆欧以上,标注单位 M 。
比如1 1 兆欧,标注 1M ; 2.7 兆欧,标注2.7M。
阻值在1 1 千欧到 100 千欧之间,标注单位k k 。
比如 5.1千千欧,标注 5.1k ; 68 千欧,标注 68k。
阻值在 100 千欧到1 1 兆欧之间,可以标注单位k k ,也可以标注单位 M 。
—领先的片式无源器件整合供应商
关于贴片电阻5%系列和1%系列精度的标称阻值以及相应的表示法
根据EIA规定,无源器件(以电阻、电容、电感为主)的标称值,一般会符合其以下标准,即:E-3,E-6,E-12,E-24,E-96等,分别由3、6、12、24、96个数值组成。
贴片电阻,一般采用E-24标准和E-96标准。
其中,常规情况是:
5%精度系列采用E-24标准,1%精度系列以采用E-96标准为主,以达到在实际供货及使用时有效的与5%精度系列的阻值区分。
当然,有时,1%精度也有采用E-24标准。
目前,我们公司对于1%系列精度是严格按照E-96标准进行备货。
n
n
E-24标准,一般是用三位数表示阻值,前二位是有效数字,第三位表示有效数字后“零”的个数。
如:100R=10 0 R=1011KR=10 00 R=102270K=27 0000 =274
E-96标准,一般是用四位数表示阻值,前三位是有效数字,第四位表示有效数字后“零”的个数。
如:100R=100(0)R=100 0 1KR=100 0 R=1001,而270K,对照查询E-96标准阻值表,不属于E-96标准值,其最接近的值是:267K或274K,则分别表示为:267K=267 000 R=2673274K=274 000 R=2743
当然,二份表格中,用部分值是重复的,如1.0、1.5、2.0、7.5,则,二种方法均能表示,但仍建议尽可能按标准方法进行区分。
南京南山半导体有限公司-技术部。