冷轧的压下规程
- 格式:doc
- 大小:105.00 KB
- 文档页数:15
辽宁科技大学课程设计说明书设计题目:冷轧压下规程设计学院、系:材料与冶金学院专业班级:材料成型及控制工程2009.3 学生姓名:周林指导教师:王振敏成绩:1前言 (2)1.1 冷轧概念 (3)1.2 冷轧工艺特点 (3)1.3冷轧薄板生产过程 (4)1.4我国冷轧发展史冷轧薄钢板生产的发展历史 (6)2 . 1Cr18Ni9冷轧不锈钢薄板轧制工艺制度的制定 (6)2.1原料的选择 (6)2.2压下规程 (6)2.3 工艺制度的确定 (7)2.3.1 压下制度 (7)2.3.2 张力制度 (8)2.3.3 速度制度 (9)2.3.4 轧制力计算 (11)3.设备强度及能力校核 (18)3.1咬入能力校核 (18)3.2轧辊强度校核 (19)3.2.1 工作辊校核 (20)3.2.2支承辊校核 (22)3.3接触应力校核 (23)3.4电动机功率校核(第二架为例 (24)3.4.1轧制力矩 (24)3.4.2摩擦力矩 (24)3.4.3空转力矩 (24)4.后记 (25)5. 参考文献 (25)1前言钢铁作为基础的生产资料,在国民经济中有着举足轻重的地位。
在钢材加工过程中,除了少部分采用锻造或铸造等方法直接成材外,其余约80%以上都是经过轧制成材。
而冷轧板带钢的生产工艺,避免了热轧中存在的温降和温度分部不均的弊病,可以生产出厚度更薄、尺寸更精确、表面更光洁、板形更平直的板卷。
在国民经济中,冷轧板带钢的生产占据着极其重要的地位。
本冷轧带钢轧制规程课程设计参考鞍钢冷轧厂2#线而进行。
预设计生产规格为1.4x1350mm的1Cr18Ni9冷轧不锈钢薄板。
本设计对冷轧的生产特点以及主要工序作了简单的介绍,并制定了轧制制度,计算了轧制力,对轧辊强度、电机功率进行了校核。
力求通过本次课程设计能对冷轧带钢有更深层次的了解。
1.1 冷轧概念冷轧是金属在再结晶温度以下的轧制过程。
冷轧时金属不会发生再结晶,但会发生加工硬化现象。
综合设计性生产实验报告设计题目:板带钢冷轧工艺轧制规程设计班级:实验时间:实验地点:1.前言冷轧带钢是带材的主要成品工序,所生产的冷轧薄板属于高附加值钢材品种,是汽车、建筑、家电、食品等行业不可缺少的金属材料。
宽的冷轧薄板是在热轧成卷带钢的基础上发展起来的。
我国冷轧宽带钢的生产开始于1960年,开始建成的是1700mm 单机可逆式冷轧机。
当薄板带材厚度小到一定程度时,由于保温和均温的困难,很难实现热轧,并且随着钢板宽度和厚度比值的增大,在无张力热轧条件下,要保证良好的板型也非常困难。
采用冷轧方法可以很好的解决这些问题。
冷轧板带材因其其产品尺寸精确,性能优异,产品规格丰富,生产效率高,金属收得率高等特点,从20世纪60年代起得到突飞猛进的发展。
冷轧板带材主要产品有:碳素结构钢、合金和低合金钢板、不锈钢板、电工钢板及其他专业钢板等,已被广泛应用于汽车制造、航空、装饰、家庭日用品等行业。
用于各行业对薄板带质量和产量要求的不断提高,冷轧薄板带材的发展步伐较热轧更快。
2.实验目的(1)了解并掌握板带钢冷轧工艺轧制规程设计所包含的内容:压下制度、速度制度、温度制度、张力制度及辊型制度等。
通过本次实验把在冷轧板带钢时对钢板的影响因素,通过一定的调节方法,控制影响板形的的因素,从而生产符合产品要求的冷轧板带钢。
(2)通过所学的专业知识,查阅相关文献资料,以及小组成员之间的互相讨论,制定相应的板带钢冷轧工艺轧制规程。
(3)了解并掌握压下制度,张力制度等制度的影响因素,以及减小或消除缺陷的方法和措施。
(4)学会融会贯通相关专业课程理论知识,将所学的专业理论知识、人文社科知识、专业实验、工厂实践等综合性地有机结合,提高综合运用所学知识、解决专业技术问题的能力。
(5)培养调研外部市场,审视内部企业,设计产品方案,生产合格产品的全面性、综合性的工程技术能力、工程管理能力和创新能力、综合运用所学知识分析问题和解决问题的能力。
安吉县鹏大钢管有限公司冷轧技术操作规程一、轧制前准备1、认真验收来料:①、对来料应该核对钢号、炉号、规格、支数,必须与生产工艺流转卡相符,否则查明原因方可生产;②、检查坯管内外表面,不准有翘皮、氧化皮、凹坑;两端切齐,无毛刺;弯曲度≤3mm/m;③、坯管公差外径﹢1.00mm ~﹣0.50mm ;壁厚﹢0.3mm ~﹣0.2mm。
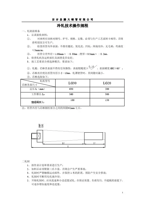
2、检查轧机各运转部位及润滑是否良好;3、按工艺要求合理选择模具,要求如下:①、轧棍、芯棒其表面不得有任何擦伤,表面粗糙度≥,表面硬度HRC≥60°;②、芯棒直径度比坯管内径小2~10mm。
轧薄壁管时,其间隙应最小。
③、芯棒选取如下:注:坯管内径与芯棒圆柱部分之间的间隙=2mm左右。
二轧制1、按作业计划单要求进行生产;2、加料后必须锁紧三爪卡盘,否则会产生严重事故;3、轧制时严禁触摸运动部件,并保持1米的距离,预防产生安全事故;4、轧制时不断用皂化液冷却;5、开始轧制时,应从低速和小送进量试轧,在保证质量、负荷均匀、不超载的前提下,可逐步增加速度和送进量;以三大钢种为例,不得高于下表:6、注意轧辊、滑道、保持架、齿条不得松动,经常检查芯棒不得粘钢,钢管质量及尺寸公差应符合相关规定;7、轧制薄壁管和高标准钢管时应轻拿轻放,防止擦伤,碰扁;8、轧制好的钢管内外壁应擦干净,无污物,以其中一端为准放齐。
二、调整:1、LG型轧机孔型大小是利用上轴承座与安全座之间斜楔来调整,拧检螺母,旋转调整螺杆,由于上轴承座与安全座接触面有1:20斜度,因此安全座向右移动,推动上轴承座向轧制中心移动,孔型缩小。
当安全座向左移动在弹簧作用下,上轴承座向外移动,孔型放大,调整好后旋紧螺母,两个调整螺母杆每调一圈,上轧棍压下量:LG30 0.15mm左右LG20 0.10mm左右2、若在保持钢管直径不变的情况下,在不大范围内改变钢管的壁厚,可通过移动芯棒在孔型中的位置来实现,往后移动增壁,往前移动减壁,芯棒移动距离≤30mm。
冷轧工艺的确定冷轧工艺1、压下制度的确定:从热轧坯料冷轧到成品厚度叫冷轧程序,分一次轧制、二次轧制或多次轧制,这主要取决于金属的性能及成品尺寸要求。
金属在冷轧过程中随变形程度的增加不断形成加工硬化,达到一定程度以后,必须经软化处理(再结晶退火)后才能继续轧制。
在一个轧程开始之前需要制定压下制度。
压下制度包括总加工率的确定、道次加工率的分配、轧制速度的确定。
a、总加工率的确定:冷轧时希望采用最大的总加工率,大的加工率可以轧得更薄的带材,减少中间退火次数,同时大的总加工率轧同样厚的成品时可以采用较厚的热轧带卷,这对降低成本有利。
但总加工率的确定必须考虑设备能力,受轧机轧制力和主电机功率的制约,同时还要考虑金属的性能,金属的塑性好是采用较大总加工率的先决条件。
薄板带生产中总加工率应控制在86%以下,过大易导致轧制力过大,被迫增加轧制道次,得不偿失;同时,总加工率过大易产生边部裂口,对于一些塑性较好的低碳钢:如08F、08AL等,总加工率可以达到88%左右。
总加工率小对退火后金属组织有影响,易产生晶粒粗大,一般不小于60%。
b、道次加工率的分配总加工率确定之后,需要进行的是确定轧制道次及每道次加工率的分配、轧制道次与坯料厚度、设备能力及工作辊辊径大小、产品质量要求等有关。
通常情况下,在1200轧机上,坯料厚度2mm以下,总加工率不超过85%,可以采用四个道次,而坯料厚度大于2.3mm,总加工率在84%以上,需要采用五个轧制道次。
轧制道次一旦确定,接着需要进行的是道次加工率的分配。
道次加工率一般控制在40%以下。
具体的分配原则是:①头几道次充分利用轧件的塑性和尺寸条件采用最大的道次加工率,使轧件尽量减薄,以后随加工硬化程度的增加,逐道次减小压下量。
但是当热轧带卷板型不好,或情况不明时,第一道次的加工率不要太大。
②尽量使各道次的轧制力分布均衡,有利于稳定轧制工艺,又能充分发挥设备潜力,各道次轧制力、电机负荷不能超过设备允许的额定值,确保设备安全运转。
冷轧压下规程工艺计算说明见冷轧压下规程表,现将表中有关计算说明如下,以1060为例。
第1~2项:H 及h 由产品状态和轧机能力以及合金的塑性决定。
第3~8项:第3项,绝对压下量h H h ∆=- 第4项,道次加工率100%hH ε∆=⨯第5项,道次前总加工率0100%H H H H ε-=⨯第6项,道次后总加工率0100%h H h Hε-=⨯第7项,道次平均加工率0.40.6H h εεε+= 第8~10项:第8项轧前金属屈服极限σSH 可查表得; 第9项轧后金属屈服极限σSh可查表得;第10项,shSH sσ+σ=σ3231。
第11~13项:道次前张力 q H =(5.67-0.6h)×10 道次后张力 q h =(4.30-0.5H)×10 平均张力 ()/2H h q q q =+ 第14~15项:第14项平均变形抗力 1.15s k σ=; 第15项考虑张力影响 1.15s k σσ'=-。
第16~18项:第16项轧前长度L1轧前长度由铸锭或上一道次的轧后长度而定;第17项轧后长度L2轧后长度L 2,根据体积不变原理有2112B h L H B L ⨯⨯⨯=求得,其中B1=B2;第18项轧制速度V 。
第19~20项:第19项轧制时间21L t V=;第20项辅助时间取2t =5s 。
第21项:摩擦系数,取f=0.15。
第22项:接触弧水平投影hR L ∆⨯=其中R 为工作辊直径,取325mm 。
第23~24项:第23项2/()m f L H h =+,其中L =第24项4/()y a f k H h '=+ ,其中/9500a R = , 第25项m '由m 、y,可查表得。
第26~27项:第26项轧辊弹性压扁弧水平投影''()/(2)L m H h m =⨯+⨯; 第27项参数='2/()f L H h δ=⨯⨯+。
轧机主操作、副操作、压延工安全操作规程1、目的及适用范围1.1为了规范公司冷轧机主操作、副操作、压延工的日常操作,特制定本规程。
1.2本规程适用于公司轧机主操作、副操作、压延工岗位安全操作。
2、引用法规《铝加工安全生产规范》《冷轧机安全操作规程》3、术语与定义4、作业前4.1明确作业流程职责:吊料备料、上卷、穿带、轧制、卸卷、打钢带、吊运。
4.2风险分析:主要风险为设备故障机械伤害、火灾、烫伤、起重伤害、人员操作伤害及高空坠落、窒息伤害等。
4.3安全防护4.3.1作业人员要求4.3.1.1本岗位人员须经安全操作技术培训、考试合格后方可上岗工作;上岗前穿戴好劳保用品,并确认所需工具、设备安全可靠。
4.3.1.2本岗位人员应严格按照轧机安全操作规程以及设备、工艺规程进行操作。
4.3.1.3冷轧机操作人员,必须认真学习和掌握CO2灭火系统工作原理及操作方法以及生产现场消防设备设施的使用。
4.4作业前安全要点4.4.1主操开车前应检查确认CO2灭火系统及轧机各系统处于正常状态。
4.4.2副操检查确认各导辊的灵活性,轴承箱的温度及油气润滑正常。
4.4.3压延检查各泵站,地下室。
及天车、吊索具有无异常,工作前要做到认真检查。
4.4.4以上检查项目没有异常,并确认轧机周围没有人,汇总主操开机生产。
5、作业中5.1作业中的安全要点5.1.1 1450/2050轧机清檫板型辊时,应在停机的状态下,借助地沟平台、带防滑板的托盘(1450轧机)同时将限位打到保护状态,并挂系安全带(2050),防止高空坠落,主操室必须有人监护。
5.1.2 测厚仪工作时,操作人员严禁进入2米红色X射线警示线内,如需进入必须关闭测厚仪。
取样时要在班长统一安排下进行,要使用小工具,严禁直接用肢体接触板材,要专人指挥,手势清楚,要确认设备上无人后方可启动设备。
5.1.3 应经常注意轧制品的毛边,在检查板面质量时防止手套卷入进入轧机辊缝。
检查表面质量必须要求穿带速度,禁止站在料卷正面,防止断带伤人,主操室必须有人监护。
课程设计题目:1700mm冷轧带钢压下规程学生姓名:¥¥¥学号: @@@@@@@@ 所在院(系):冶金与能源学院专业:金属材料工程班级: @#¥@#¥@#¥指导教师: ***2015年1 月5 日摘要冷轧带钢具有表面质量高、性能好、品种多和用途广等特点。
特别是汽车工业和家电行业的迅速发展,人们对汽车及家电外壳的质量和性能要求也越来越高,因此发展冷轧板带钢十分必要。
本设计是参照唐钢五连轧厂而进行的冷轧带钢车间设计,设计年产量120吨。
本设计在参考唐钢五连轧设备条件下,参照了诸多文献及实际资料,以年产量为基础,结合各产品市场前景合理地分配了个产品产量,并制定了轧制制度,校核了部分只要设备车间年产量,综合了各项技术经济指标,此做了篇关于五连轧压下规程制度的设计。
关键词表面质量,轧制制度,校核,连轧目录1压下规程........................................................................................................... - 4 - 1.1 压下规程确定 ................................................................................................ - 4 - 1.1.1 原料尺寸.. (4)1.1.2 各轧机压下量分配 (4)1.1.3 连轧机组压下量分配及速度制度 (5)1.1.4 五机架连轧各架轧机的压下量分配 (5)1.2 确定轧机速度制度 ......................................................................................... - 6 - 1.2.1 轧制速度的确定.......................................................................................... - 6 - 1.2.2 轧辊转速的确定.. (6)1.2.3 加速度的选择 (7)2力能参数计算 ................................................................................................... - 8 - 2.1 轧制压力的计算............................................................................................. - 8 - 2.2 轧制力矩的计算.......................................................................................... - 11 - 2.2.1轧制力矩的确定 .. (11)2.2.2摩擦力矩的确定 (11)2.2.3轧机的空转力矩(M K) (13)2.2.4动力矩的计算 (14)2.3 电机能力验算 ............................................................................................. - 14 -3 轧辊强度校核 ................................................................................................ - 19 - 3.1 综述 ............................................................................................................ - 19 - 3.2 轧辊强度校核 ............................................................................................. - 19 - 3.2.1支撑辊强度校核........................................................................................ - 19 - 3.2.3工作辊强度校核 (21)3.2.3工作辊与支撑辊间的接触应力 (23)1压下规程1.1 压下规程确定压下规程是轧制制度(规程)最基本的核心内容,直接关系着轧机的产量和产品的质量。
第四章:冷轧工艺理论和盘算4.1 轧制规程的设计1.1 根本概念轧制规程也叫做轧制轨制,它包含压下轨制.速度轨制.温度轨制.张力轨制和辊型轨制,是指轧制进程中各道次的压下量分派以及响应的力能参数设定.它重要式根据产品的技巧请求.原料前提及临盆装备的情形,应用数学公式(模子)或图表进行盘算,从而肯定轧制办法,肯定压下轨制.速度轨制.温度轨制.张力轨制和辊型轨制,以便在安然操纵前提下得达到优质.高产.低消费的目标.制订轧制规程的原则和请求1 在装备才能许可的前提下尽量(进步道次压下量.缩减轧制道次.缩短轧制周期.肯定合理速度规程等等)进步产量.2 在包管操纵稳固的前提下进步质量.总之,充分而又合理地施展轧机的装备才能,经由过程恰当削减轧制道次和进步轧制速度来增长产量,包管产品的质量.3 压下规程的分派根据和请求制订压下的根据是产品厚度精度.板形和概况质量划定.最大轧制力P max.最大轧制力矩M max.最大电机功率N max.成品尺寸等;压下规程的中间内容就是要肯定由必定的板坯轧成所请求的成品的变形轨制,即采取的轧制办法.轧制道次及每道压下量的大小.冷轧板带铝压下规程的制订一般包含原料规格的选择.轧制计划的肯定以及各道次的压下量的分派与盘算.①冷轧各道次的分派:因为第一道次的后张力太小,并且热轧来料的板形与厚度误差不平均,甚至呈现浪形.飘曲.镰刀弯或锲形断面,致使轧件对对中难以包管,给轧制带来必定的艰苦,第一道次不宜过大也不要太小;中央道次的压下分派,根本上可以从充分应用轧机才能动身,或按经验材料肯定各压下量;后几道次固然绝对压下较小,但带钢的加工硬化程度很大,变形抗力大,是以后几道次压下量则受带钢对轧制压力的限制,最后1-2道次为了包管板型及厚度精度,一般按经验采取较小的压下率.经常应用制订制订压下规程的办法:①因为道次的分派受各类身分身分的影响,要用准确的理论公式来盘算出来是不太现实的,一般先按经验并斟酌规程制订的一般原则和请求,分派各道的压下量,最后较核装备的负荷及各项限制前提,予以修改.4.3 轧制压力的盘算——冷轧带式临盆的轧制规范,带式临盆的铝合金热轧卷须要预先退火后再进行冷轧,退火规范如下:合金商标温度保温时光冷却方法2024铝合金390-440 1h 以小于30度/h的冷却速度缓冷.当温度为250度以下出炉:硬铝合金加工率可达80%以上.2,压下量分派及根本参数: 3.轧制变形区重要参数:4.冷轧轧制力盘算:————H:开坯时坯料厚度mm由上查《铝》3-2-16图得:③C.不斟酌弹性压扁时的接触弧长度:f.根据《铝板带轧制》图4-20得:———————《铝板轧制》图3-2-20 PMF:压力倍增系数宽展除在热轧及冷轧开坯道次斟酌,冷轧其余道次不斟酌)所以:=5906694N=590t =980t =579t4.4.1制订轧制规程必须遵照下面两个前提:第一、在负荷最大的道次中电机输出的转矩不该超出电机本身许可的最大转矩.第二、根据负荷图肯定的平方根转矩(或等效转矩)不该超出电机长时光工作的额定转矩.——冷轧时不斟酌轧机变速,只斟酌静力矩部分.轧制力矩d.轧辊直径.U张力轨制的肯定当卷取机的线速度大于工作辊的线速度产生前张力,而工作辊的线速度大于开卷机的则产生后张力.具有张力才干让轧件顺遂咬入轧机进行轧制.主如果选择平均单位张力σz,即感化于在带材断面上的平均张应力,s,最后道次即成品卷张力不克不及太高.辊型的调掌握度在轧制进程中,因为各种原因,入轧辊的受力曲折.沿辊身长度偏向的温度散布不平均等,将是辊型产生变更,导致板材横向厚差的变更,或因为板材在轧辊辊身边部和中部变形的不均而消失波浪.为了获得较为幻想的及格板材,就须要采纳措施来调节轧辊的辊型.除了使轧辊的凸形抵偿等施外,采取调节液压弯辊力的办法使很经常应用的办法.在设计和应用液压弯辊力的时刻,必须盘算弯辊力,但因为其盘算办法较多,并且盘算时要涉及到浩瀚参数,比较繁琐,故在设计时的弯辊力的长参考某些经验数据来拔取,一般曲折轧辊的最大曲折力约为最大轧制力的15%-20%,在具体的轧制进程中,由操纵者根据所不雅察到的现实情形,给定适合的弯辊力.4.7 轧辊的校核4.1 曲折强度的校核根据以上盘算可知,各道次的轧制力小于轧机的最大轧制力10500KN,故轧辊的曲折强度校核经由过程.轧机参数如下:4.2 强度的校核为了盘算轻便,对轧辊的校核,我们只拔取轧制力最大的谁人道次来进行校核.所以有盘算产品可知,轧制力最大的谁人出如今轧制2024铝板的第二道次上,其最大轧制力为1655t.在轧制进程中,四辊轧机的工作辊与支承辊接触处,以及工作辊与轧件的接触处,都邑产生接触应力.工作辊与支承辊的接触面积比工作辊与轧件的接触面积小得多,是以,在同样大小的感化力下,工作辊与支承辊间的接触应力要大大超出工作辊与轧件的接触应力.所以,在设计时,只需盘算工作辊与支承辊间的接触应力.1.轧辊概况的最大接触应力可按以下公式求得:.切向.轴向应力(即主应力.辊间最大压力..支承辊辊身半径则2.3.已知:工作辊辊身硬度:肖氏HS90~96对于硬度为HS90~100(相当于HB700)的冷轧工作辊,可得4.所以轧辊校核经由过程.轧制速度的肯定,平日15~30rpm/s之间,一般在30~60rpm/s之间,取本轧机主电机加快度=20rpm/s=1200r/min,减速度传动比:1:1.20r/min,30r/min,380 r/min;;;;;..带卷长度:因为式中,等速纯轧时光和减速纯轧时光所轧过的轧件长度.而按等效转矩校核设计计发烧是否安然,或者选择电机时的通俗方程式中 M jum——等效率矩n——轧制时光内各段纯轧时光的总和,s;,s;M n——各段轧制时光所对应的力矩按上式可盘算出轧机等效率矩M∴校核经由过程.2.,交换同步电因为所选电念头为直流电念头,故电机过载校核经由过程.。
嘉善申华金属包装材料有限公司冷轧机作业指导书核准:修订:草拟:目的:冷轧机处于铸轧流水线的收尾阶段,为了帮助大家正确使用及维护此设备,特制订本操作说明书,以供参考。
使用范围:本作业指导书仅适合本公司冷轧工序使用。
冷轧机常识及工作原理:1:本公司冷轧机分三个部分操作,一共有三个操作台,即收卷机操作台,1#主机操作台,2#主机操作台。
2、用途公司冷轧机用于批量铝板冷轧,生产量大、成品率高、单位能耗小等特点,适用于铝板带材的中、精轧及制成品,具有轧制精度高、速度快、张力稳定等多项优点。
3:设备组成:该机型由主机架、前后导位装置、传动底座、液压系统、电控系统、冲剪系统、收卷系统等部分组成。
4:生产原理:冷轧机,是在“再结晶”温度(包括常温)下将一定厚度的板材轧成目标厚度的设备。
传统的冷轧机都是用力矩电机和直流电机来控制的。
冷轧机的设备一般由3部分组成,即主机、剪切机、收卷机。
“冷轧机”顾名思义,是一种以冷作业方式对金属材料进行轧制的冶金加工设备。
所谓“冷轧”,是指在金属的“再结晶”温度(包括常温)之下对板材进行压力加工,或称“压延”。
轧件通过两相对旋转的轧辊以压力进行加工,使其产生塑性变形,称为轧制工艺过程。
轧机通过工作辊来完成这一过程。
工作辊包含有旋转和移动两种运动。
前者靠摩擦力进行轧制运动,由轧机主传动实现;后者用来调节压下量,控制轧件的变形程度,由轧机压下装置实现。
主传动由主电机通过联轴器带动减速机高速轴,减速后由低速轴通过齿轮联轴器与变速箱输入端相联,输出端通过万向节轴分别带动上下工作辊使其产生线速度相等、旋转方向相反的轧制运动。
压下装置共两组,分别安装在机架上面,经内外各一台压下电机及两级蜗轮、蜗杆副减速后传递给压下螺杆,压下螺杆由压下螺母固定在每片机架的窗口中间,通过安全臼及液压平衡装置使轧辊上下运动。
压下电机出轴上安装有制动器,使压下螺杆获得准确的位置精度。
压下装置必须反应灵敏,具有单独点动和内外联动的功能。
7 轧制工艺参数设计7.1 压下规程设计冷轧板带压下规程的设计一般包括原料规格的选择、轧制方案的确定、各道次压下量的分配与计算以及轧制速度的确定等。
7.1.1 坯料厚度选择在选择原料厚度时主要考虑冷轧总变形程度对性能及结构的影响。
由于对一定钢种、规格的产品,必须有一定的冷轧总变形程度,才能通过热处理获得所需要的一定的晶粒组织和性能。
坯料最大厚度受咬入能力和设备条件的限制;坯料最小厚度应考虑热轧带钢的供应情况,成品厚度和组织性能。
此外,选择原料厚度时,还要考虑生产能力的提高,故应根据具体情况做出选择。
本设计的代表产品是920×0.49 1020×0.95 1120×1.35 1220×1.75 1320×2.15 本设计选用厚度2.1 mm的带钢生产厚度为0.49mm成品板带钢,4.0 mm生产厚度为0.95mm的成品带钢,5.5mm生产厚度为1.35mm的成品带钢,4.0 mm生产厚度为1.75 mm的成品带钢,4.5mm生产厚度为2.15mm的成品带钢[4]。
7.1.2 轧制方案冷轧轧程是冷轧过程中每次中间退火所完成的冷轧工作。
冷轧轧程的确定主要取决于所轧钢种的软硬特性,坯料与成品的厚度,所采用的冷轧工艺和冷轧制度以及轧机的能力等因素,并随着工艺和设备的改进,轧制方案也在不断的变化。
例如选用润滑性能更好的工艺润滑剂或采用直径更小的高硬度工作辊都能减少所需要的轧程数。
因此,在确定冷轧轧程方案时,需要考虑已有的设备与工艺条件,还应充分研究各种提高冷轧效率的措施。
7.1.3 压下量的分配与计算在选择压下制度时,第一、二机架为利用金属的塑性,可以给予较大压下量,但往往受到咬入条件的限制,在有良好润滑研磨的轧辊允许咬入角3°到4°,而表面比较粗糙的轧辊为5°到8°,第一机架考虑到热轧来料的厚度偏差不宜采用过大压下量。
冷轧技术操作规程B标准1.工艺流程与工艺技术参数1.1工艺流程上料开卷穿带酸洗冲洗烘干切边涂油重卷打捆卸料涂油重卷打捆卸料1.2机组设计数据表1.2.1材料:热轧低碳钢1.2.2来料带卷内径: 610|760mm1.2.3厚度: 1.6~4.5mm1.2.4重卷带卷外径: 610mm1.2.5来料宽度: 600~1300mm1.2.6来料带卷外径:最大1920mm1.2.7切边宽度: 550~1270mm1.2.8重卷带卷外径:最大1870mm1.2.9带卷重量:最重24吨1.2.10机组速度:最高60m|min1.2.11穿带速度: 10~30m|min1.2.12公用介质:盐酸1.2.13电源: 380V|三相|50HZ1.2.14供水: 2.9 kg/c㎡1.2.14气源:最小5.0kg|c㎡1.2.15蒸气: 7 kg/c㎡饱与蒸气1.2.16液压压力:最大105kg/c㎡1.2.17屈服强度:最大37kg/c㎡1.2.18剪切强度:最大45 kg/c㎡1.2.19机组运行速速:西东1.2.20镰刀弯:来料每米小于2.0mm或者每30米小与50mm1.2.21机组张力:开卷最大3000kg 卷取最大5000kg2、操作规程2.1酸洗开机前的准备工作2.1.1检查机组的设备情况,过滤台、夹送辊辊面是否清洁无尘。
2.1.2检查各阀门是否处于正常位置。
2.1.3检查B9、B10、B11罐是否处于小循环,打开各罐间的连通阀。
2.1.4联系锅炉房、脱盐水、电气人员供电、供水、供气。
2.1.5通知物检人员检查酸液、冲洗水质情况是否达到工艺要求。
2.1.6启动各泵站,检查是否有特殊情况。
2.1.7生产剪边料时,应检查圆盘剪剪刃情况,并调换好。
2.1.8生产热轧料酸洗卷时,应预调好涂油机。
2.1.9准备好生产工具、用具与材料。
2.2上料操作2.2.1准备工作2.2.1.1落地小车位置是否协当;2.2.1.2根据来了内径进行选择610/760mm或者加尼龙快;2.2.1.3确定卷筒是否收缩;2.2.1.4确定压紧棍是否抬起;3.2.1.5确定开卷铲刀是否收回落下到最低位;2.2.1.6挡板是否收缩到位;2.2.1.7准备好剪刀、铁锤。
来料厚度3.2mm--成品厚度0.45mm采用普通900四辊单机架可逆轧制轧制道次选择:5道次可逆轧制压下率的制定道次F1F2F3F4F5入口厚度H 3.2 2.56 1.69 1.150.83出口厚度h 2.56 1.69 1.150.830.70压下量Δh0.640.870.540.320.13道次压下率ε0.20.340.320.280.16出口总压下率0.20.470.640.740.78入口总压下率00.20.470.640.74平均总压下率∑ε0.120.360.570.700.77变形抗力σs的计算模型Q195σs=842.2(0.0114+ε)^0.206Q235σs=88.75+(69398.43*ε+6669.42)^o.568其中ε=0.4*ε0+0.6*ε1道次F1F2F3F4F5平均总压下率∑ε0.120.360.570.710.77变形抗力σs(MPa)324.2448.7535.1586.2606.9带钢轧制张力T的计算:K*σs*h*b其中 K--张力系数,K=0.33-0.14*h+0.02*h^2h--轧件出入口平均厚度mmb--轧件宽度mm轧件平均厚度h 2.88 2.13 1.420.990.77张力系数K0.10.120.170.210.23轧件宽度b(mm)800800800800800轧制张力T(N)69243936891042649795687498然而开卷机最大张力5t,卷取机最大张力25t,故取第一次轧制时张力取4t。
轧制过程中摩擦系数的确定:采用乳化液润滑,轧辊采用普通光面轧辊,已经考虑轧件加工硬化,需考虑压下量对摩擦系数的影响。
查阅《塑性力学与轧制原理》,P208,图9-25得各道次摩擦系数为:μi=0.054,0.07,0.068,0.06,0.05。