工务标准化作业概述
- 格式:ppt
- 大小:2.10 MB
- 文档页数:16
铁路标准化作业铁路标准化作业是指在铁路运输中,为了确保列车运行安全、高效和有序,对相关设备、工作流程和人员操作进行规范化、标准化的管理和执行。
铁路标准化作业的重要性不言而喻,它直接关系到铁路运输的安全性和运行效率,对于保障乘客和货物的安全以及铁路运输的正常运行具有重要意义。
因此,铁路标准化作业是铁路运输领域的重要工作之一,需要高度重视和严格执行。
首先,铁路标准化作业需要建立完善的制度和规范。
这包括制定相关的标准和规范文件,明确各项作业的流程、要求和标准,确保所有作业都按照统一的标准进行。
同时,还需要建立健全的考核和监督机制,对标准化作业的执行情况进行定期检查和评估,发现问题及时纠正,保证标准化作业的有效执行。
其次,铁路标准化作业需要加强对人员的培训和管理。
铁路工作人员是铁路运输中最重要的执行者,他们的素质和技能直接关系到铁路运输的安全和效率。
因此,铁路标准化作业要求对相关人员进行系统的培训,确保他们熟悉并严格执行相关标准和规范。
同时,还需要建立健全的人员管理制度,对人员的素质和行为进行监督和考核,保证他们能够按照标准化作业要求进行工作。
另外,铁路标准化作业还需要加强对设备和工作环境的管理。
铁路运输中涉及大量的设备和工作场所,这些设备和场所的安全和正常运行对铁路运输至关重要。
因此,铁路标准化作业要求对设备进行定期检查和维护,确保其处于良好的工作状态。
同时,还需要对工作场所进行合理规划和管理,保证工作环境的安全和整洁。
总的来说,铁路标准化作业是铁路运输中不可或缺的重要环节,它直接关系到铁路运输的安全性和运行效率。
只有加强对标准化作业的管理和执行,才能保障铁路运输的安全和有序进行。
因此,铁路相关部门和人员都应高度重视铁路标准化作业,严格执行相关标准和规范,确保铁路运输的安全和高效运行。
工务段标准化规范化职工近年来,随着我国铁路的快速发展,铁路行业正面临着前所未有的挑战。
工务系统作为铁路运营安全的第一班岗,正接受着国家和人民给予的巨大考验。
在高铁迅速发展以及铁路大提速的新形势下,工务工作的安全生产管理模式、生产方式以及养护标准不断转变。
在今年路局组织召开的运输安全工作会上,武勇局长强调2014年全局安全工作总体思路时提到以“管理规范化、作业标准化”为核心。
对于工务系统来说,规范班组管理,实现作业标准化是铁路安全生产的基础。
如何实现标准化作业提到作业标准化,就不得不提与之相对应的结果,那就是安全。
在过去的铁路发展史上,不乏一些因违规作业造成的事故,惨痛的教训让我们更加认识到标准化作业的重要性。
所以如何实现作业标准化,推动作业标准化的实施进程是我们工作中不变的主题。
下面我将简要谈谈自己的想法。
一、切实提高干部职工对作业标准化重要性的认识。
在铁路的发展中,坚持高标准、不懈怠是铁路发展的必由之路,也是铁路建设和运营的重中之重。
在这一点上广大干部职工应有统一的共识,把作业标准化的重要性扎根于脑海之中。
纵观近年来的安全事故,很多都是干部职工认识不足,思想未转变,盲目甚至错误作业造成的。
铁路的标准化作业是长期以来广大干部职工对工作的总结。
它是铁路生产中,人身安全与行车安全的保证。
在这一点上,各广大干部职工应有深刻的认识,只有先认识到位,才能在工作中体现到位。
二、完善考核制度,加强考核力度。
国有国法家有家规,无规矩不成方圆。
对于实现作业标准化来说,应有一个健全的考核制度来敦促其实施。
首先作为干部应严格要求自己,清楚的认识到作业标准化对安全的生产的重要意义,在做好表率作用的同时,严查违规违章作业。
建立良好的制度才能推进作业标准化的实施。
三、职工应加强自我认知与学习能力。
要实现作业标准化,总的来说还是靠人来完成。
伴随着铁路的迅速发展,我们作为铁路职工,要加强自身的学习,不断转变自己的思想来跟上当前形势下的发展。
铁路局工务标准化作业指导书(DOC121页)部门: xxx时间: xxx整理范文,仅供参考,可下载自行编辑成都铁路局工务标准化作业指导书(普速桥路维修)二〇一五年四月目录第一节桥隧作业部分 (4)(一)桥隧路设备检查 (4)(二)制作桥枕 (7)(三)单根抽换桥枕 (11)(四)桥枕修理 (16)(五)更换护木 (21)(六)护木修理 (26)(七)扣件螺栓涂油(松开螺栓) (34)(八)钢结构手工除锈油漆 (39)(九)更换明桥面 k 型扣件垫板作业 (44)(十)支座捣垫砂浆作业(小于50mm) (49)(十一)制作更换人行道板 (55)(十二)清理隧道排水沟 (60)(十三)隧道漏水整治(U型槽) (64)第二节路基作业部分 (69)(十四)主动防护网安装 (69)(十五)被动防护网安装 (76)(十六)危石打刷处理 (85)(十七)浆砌片石 (90)(十八)干砌片石 (96)(十九)混凝土作业 (101)(二十)钢筋制作 (106)(二十一)搭拆脚手架 (113)(二十二)砂浆抹面及勾缝作业 (119)第一节桥隧作业部分(一)桥隧路设备检查1.作业条件1.1网内检查1.1.1 V≤160km/h的线路区段可在天窗点外作业,必须按规定设置好防护,来车时要及时下道。
1.1.2 160km/h<V≤200km/h的线路区段必须纳入天窗点内作业。
1.2网外且不影响行车的检查不受封锁时间限制1.3作业时间:根据工作量确定。
2.人员要求:作业负责人由不低于工班长或指派胜任的桥路工担任,防护员0-2人,作业人员至少2人一组。
3.作业机具安全带、安全绳、刻度放大镜、望远镜、检查锤、钢卷尺、石笔、数码照相机、吊线锤、检查记录本、记录笔、通信设备(对讲机)、信号旗(灯)、照明灯具。
4.配合要求无5.安全风险构成5.1违章作业风险5.1.1检查工具侵限,造成碰撞事故。
5.1.2高处检查时向下抛掷检查工具,造成行车事故。
岗位标准之铁路工务线路工岗位作业标准一、岗位职责:1、自觉遵章守纪,服从领导,听从指挥,按要求完成线路维修任务。
2、正确使用和维护设备、工器具及个人防护用品。
3、熟知并认真执行职业健康安全管理体系文件的规定。
4、爱护工具、备品备件,杜绝损失浪费。
5、监督职业健康安全状况,主动提出职业健康安全方面的意建议。
6、积极参加职业健康安全活动,接受安全教育和培训。
掌握本职工作所需的安全生产知识,不断提高安全意识和能力。
7、认真执行联保互保制,做好交、接班检查和班中检查。
8、制止他人违章作业,拒绝违章指挥,并越级报告。
9、当人身受到威胁时,及时采取正当的紧急避险措施。
10、发现危机行车安全的处所,要积极采取措施,保证行车安全。
11、完成上级交给的临时任务。
二、接班1、杜绝班前饮酒,严禁酒后上岗。
2、提前15分钟到岗穿好工作服,做好班前准备工作。
3、职工清扫室内外卫生,做好班前准备。
4、职工禁止带病上道,有事提前请假。
5、认真听取班、组长分配任务及安全注意事项,如有疑问立即提出。
三、线路维修:1.线路综合维修基本内容:(1)根据线路状态适当起道,木枕地段全面捣固,混凝土枕地段,撤除调高垫板,全面捣固或重点捣固,混凝土宽枕地段垫碴与垫板相结合;(2)改道,拨道,调整线路、道岔各部尺寸,全面拨正曲线;(3)清筛道床和边坡土基,处理道床翻浆冒泥,补充道碴和整理道床;(4)更换、方正和修理轨枕;(5)调整轨缝,整修、更换和补充防爬设备,整治线路爬行,锁定线路、道岔.(6)矫直钢轨硬弯,焊补、打磨钢轨,综合整治接头病害;(7)整修、更换和补充连接零件,并有计划地涂油;(8)整修路肩,疏通排水设备,清除道床杂草和路肩杂草;(9)整修道口及其排水设备,修理、补充和刷新标志,收集旧料;(10)其他预防和整治病害工作。
2.线路、道岔经常保养基本内容:(1)根据轨道几何尺寸超过经常保养容许偏差管理值的状态,成段地整修线路;(2)处理道床翻浆冒泥,均匀道碴和整理道床;(3)更换和修理轨枕;(4)调整轨缝,锁定线路;(5)更换伤损钢轨,焊补、打磨钢轨和整治接头病害;(6)有计划地成段整修扣件,进行扣件和接头螺栓涂油;(7)整治防沙防雪设备和整治冻害;(8)整修道口,疏通排水设备,清除杂草和路肩大草;(9)季节性工作,周期短于综合维修的单项工作和其他工作;3.临时补修:临时补修是及时整修超过临时补修容许偏差管理值及其他不良处所的临时性修理,以保证行车平稳和安全。
铁路工程标准化作业(第一部分)第一篇管理制度标准化第二篇人员配备标准化第三篇现场管理标准化第四篇过程控制标准化二〇一〇年七月二日目录第一篇管理制度标准化 (1)1 编制原则 (2)2 现场作业主要管理制度 (2)2.1施工图纸核对制度 (2)2.2技术交底制度 (2)2.3 原材料进场把关制度 (2)2.4材料、设备及构配件管理制度 (2)2.5检验批、分项、分部、单位工程质量验收制度 (3)2.6工程质量验工检查制度 (3)2.7成品保护制度 (3)2.8教育培训制度 (4)2.9考核奖惩制度 (4)2.10内部分配制度 (4)2.11 安全工作制度 (5)2.11.1组织领导 (5)2.11.2安全责任制 (5)2.11.3安全管理 (5)2.12 职业健康、劳动保护与社会保险制度 (6)第二篇人员配备标准化 (7)1 编制原则 (8)2 作业队组织机构 (8)3作业队编制与定员 (9)3.1基本原则 (9)3.2基本配置 (9)3.3 劳务用工 (9)3.3.1招用外部劳务的条件 (9)3.3.2外部劳务工聘用条件 (9)3.3.3劳务用工管理 (10)4 人员配置基本要求 (10)4.1作业队队长(副队长) (10)4.1.1职责 (10)4.1.2任职要求 (10)4.2作业队书记 (11)4.2.1职责 (11)4.2.2任职要求 (11)4.3作业队技术主管 (11)4.3.1职责 (11)4.3.2任职要求 (12)4.4作业队技术员 (12)4.4.1职责 (12)4.4.2任职要求 (12)4.5作业队安全员 (13)4.5.1职责 (13)4.5.2任职要求 (13)4.6作业队质检员 (13)4.6.1职责 (13)4.6.2任职要求 (13)4.7作业队统计员 (14)4.7.1职责 (14)4.7.2任职条件 (14)4.8作业队材料员 (15)4.8.1职责 (15)4.8.2任职要求 (15)4.9作业队领工员 (15)4.9.1职责 (15)4.9.2任职要求 (15)4.10作业队工班长 (16)4.10.1职责 (16)4.10.2任职要求 (16)第三篇现场管理标准化 (17)1 编制原则 (18)2 现场文明施工管理 (18)2.1职责分工 (18)2.1.1作业队职责 (18)2.1.2作业人员职责 (18)3 现场环境保护管理 (18)3.1 环境保护管理范围 (19)3.2施工现场环境标准 (19)3.2.1噪声标准 (19)3.2.2污水排放标准 (19)3.2.3空气标准 (19)3.2.4固体废弃物标准 (19)3.3环境保护控制措施 (20)3.3.1噪声控制 (20)3.3.2废水控制 (20)3.3.3扬尘控制 (21)3.3.4烟尘控制 (22)3.3.5废弃物控制 (22)4 现场施工安全管理 (22)4.1模板作业安全措施 (22)4.2钢筋作业安全措施 (23)4.3焊接作业安全措施 (24)4.3.1电焊 (24)4.3.2气焊 (24)4.4锅炉使用安全措施 (25)4.5起重吊装作业安全措施 (26)4.5.1起重作业措施 (26)4.5.2起重机具措施 (26)4.6高处作业安全措施 (28)4.7施工用电作业安全措施 (29)4.7.1基本要求 (29)4.7.2电气设备安装、运行 (29)4.7.3防雷措施 (32)4.8 特殊季节与夜间施工安全措施 (34)4.8.1雨季 (34)4.8.2冬季 (34)4.8.3高温季节 (34)4.8.4夜间施工 (34)4.9现场防火 (34)4.10交通安全 (35)5.检查考核 (35)第四篇过程控制标准化 (37)1 编制原则 (38)2 路基施工作业标准 (38)2.1水泥粉煤灰碎石桩(CFG)施工作业标准 (38)2.1.1作业制度 (38)2.1.2人员配备 (38)2.1.3施工作业标准 (39)2.1.4质量控制及检验标准 (42)2.2布袋注浆桩施工作业标准 (45)2.2.2人员配备 (45)2.2.3 施工作业标准 (45)2.2.4质量控制及检验标准 (49)2.3管桩施工作业标准 (50)2.3.1作业制度 (50)2.3.2人员配备 (50)2.3.3 施工作业标准 (51)2.3.4质量控制要点及检验标准 (52)2.4浆喷桩施工作业标准 (54)2.4.1作业制度 (54)2.4.2人员配备 (54)2.4.3 施工作业标准 (55)2.4.4质量控制要点及检验标准 (56)2.5强夯桩施工作业标准 (59)2.5.1作业制度 (59)2.5.2人员配备 (59)2.5.3施工作业标准 (59)2.5.4质量控制及检验标准 (63)2.6桩板结构施工作业标准 (65)2.6.1作业制度 (65)2.6.2人员配备 (65)2.6.3施工作业标准 (65)2.6.4质量控制及检验标准 (66)2.7褥垫层夹铺土工合成材料施工作业标准 (69)2.7.1作业制度 (69)2.7.2人员配备 (69)2.6.3施工作业标准 (69)2.7.4质量控制及检验标准 (70)2.8改良土填筑施工作业标准 (74)2.8.1作业制度 (74)2.8.2人员配备 (74)2.8.3施工作业标准 (74)2.8.4质量控制及检验标准 (81)2.9路基基床以下路堤填筑施工作业标准 (86)2.9.1作业制度 (86)2.9.2人员配备 (86)2.9.3施工作业标准 (87)2.9.4质量控制及检验标准 (89)2.10基床表层级配碎石施工作业标准 (92)2.10.1作业制度 (92)2.10.3施工作业标准 (92)2.10.4质量控制及检验 (97)2.11路堑施工作业标准 (101)2.11.1作业制度 (101)2.11.2人员配备 (101)2.11.3施工作业标准 (102)2.11.4路堑施工质量控制与检验标准 (105)2.12路基防护工程施工作业标准 (107)2.12.1作业制度 (107)2.12.2人员配备 (107)2.12.3施工作业标准 (107)2.12.4质量控制及检验标准 (118)2.13桥涵过渡段施工标准 (122)2.13.1作业制度 (122)2.13.2人员配备 (122)2.13.3施工作业标准 (122)2.13.4质量控制及检验标准 (126)3桥梁施工作业标准 (130)3.1桩基施工作业标准 (130)3.1.1作业制度 (130)3.1.2人员配备 (130)3.1.3施工作业标准 (130)3.1.4质量控制及检验标准 (139)3.2承台及扩大基础施工作业标准 (141)3.2.1作业制度 (141)3.2.2人员配备 (142)3.2.3施工作业标准 (142)3.2.4质量控制及检验标准 (148)3.3墩台帽施工作业标准 (150)3.3.1作业制度 (150)3.3.2人员配备 (150)3.3.3施工作业标准 (150)3.3.4质量控制及检验标准 (156)3.4支座安装施工作业标准 (159)3.4.1作业制度 (159)3.4.2人员配备 (159)3.4.3施工作业标准 (159)3.4.4质量控制及检验标准 (163)3.5移动模架原位现浇、支架现浇简支箱梁施工作业标准 (164)3.5.2人员配备 (164)3.5.3施工作业标准 (164)3.5.4质量控制及检验标准 (185)3.6连续梁与挂篮施工作业标准 (190)3.6.1作业制度 (190)3.6.2人员配备 (190)3.6.3施工作业标准 (190)3.6.4质量控制及检验标准 (221)3.7桥面附属工程施工作业标准 (226)3.7.1作业制度 (226)3.7.2人员配备 (226)3.7.3施工作业标准 (227)3.7.4质量控制及检验标准 (228)3.8框架涵施工作业标准 (230)3.8.1作业制度 (230)3.8.2人员配备 (230)3.8.3施工作业标准 (230)3.8.4质量控制及检验标准 (248)3.9空心墩台施工作业标准化 (250)3.9.1作业制度 (250)3.9.2人员配备 (250)3.9.3施工作业标准 (250)3.9.4质量控制及检验标准 (253)3.10整孔箱梁架设作业标准 (255)3.10.1作业制度 (255)3.10.2人员配备 (255)3.10.3施工作业标准 (255)3.10.4 箱梁质量控制及检验标准 (268)3.11预制箱梁施工作业标准 (271)3.11.1作业制度 (271)3.11.2人员配备 (271)3.11.3施工作业标准 (271)3.11.4.箱梁质量标准及检验标准 (290)4隧道施工作业标准 (294)4.1隧道开挖施工作业标准 (294)4.1.1作业制度 (294)4.1.2人员配备 (294)4.1.3施工作业标准 (294)4.1.4质量控制及检验标准 (316)4.2初期支护作业标准 (322)4.2.2人员配备 (322)4.2.3施工作业标准 (322)4.2.4质量控制及检验标准 (332)4.3二次衬砌及仰拱施工作业标准 (337)4.3.1作业制度 (337)4.3.2人员配备 (337)4.3.3施工作业标准 (337)4.3.4质量控制及检验标准 (347)4.4防排水施工作业标准 (350)4.4.1作业制度 (350)4.4.2人员配备 (350)4.4.3施工作业标准 (350)4.4.4质量控制及检验标准 (363)5.轨道施工作业标准 (365)5.1底碴摊铺标准化 (365)5.1.1作业制度 (365)5.1.2人员配备 (365)5.1.3施工作业标准 (365)5.1.4质量控制及检验标准 (366)5.2 CPG500型铺轨机组铺设长钢轨施工标准化 (367)5.2.1作业制度 (367)5.2.2人员配备 (367)5.2.3施工作业标准 (367)5.2.4质量控制及检验标准 (373)5.3人工铺设长钢轨施工标准化 (374)5.3.1作业制度 (374)5.3.2人员配备 (374)5.3.3施工作业标准 (374)5.3.4质量控制及检验标准 (377)5.4人工铺设标准轨作业标准化 (379)5.4.1作业制度 (379)5.4.2人员配备 (379)5.4.3施工作业标准 (379)5.4.4质量控制及检验标准 (381)5.5补碴整道作业标准 (382)5.5.1作业制度 (382)5.5.2人员配备 (382)5.5.3施工作业标准 (383)5.5.4质量控制及检验标准 (387)5.6 K922型移动闪光接触焊作业标准化 (389)5.6.2人员配备 (389)5.6.3施工作业标准 (389)5.6.4质量控制及检验标准 (393)5.7无缝线路应力放散锁定作业标准 (395)5.7.1作业制度 (395)5.7.2人员配备 (395)5.7.3施工作业标准 (395)5.7.4质量控制及检验标准 (398)5.8 道岔铺设标准化 (400)5.8.1作业制度 (400)5.8.2人员配备 (400)5.8.3施工作业标准 (400)5.8.4质量控制及检验标准 (405)5.9 铝热焊锁定焊接标准化 (408)5.9.1作业制度 (408)5.9.2人员配备 (408)5.9.3施工作业标准 (408)5.9.4质量控制及检验标准 (414)6. 四电集成施工作业标准 (415)6.1接触网下部基础施工作业标准(牵引供电专业) (415)6.1.1作业制度 (415)6.1.2人员、仪器配置 (415)6.1.3施工作业标准 (416)6.1.4质量控制及检验标准 (418)6.2 H型钢支柱安装整正作业标准(牵引供电专业) (420)6.2.1作业制度 (420)6.2.2人员机械配置 (420)6.2.3 施工作业标准 (421)6.2.4 质量控制及检验标准 (423)6.3 腕臂安装作业标准(牵引供电专业) (424)6.3.1作业制度 (424)6.3.2 人员机械配置 (424)6.3.3 施工作业标准 (425)6.3.4 质量控制及检验标准 (428)6.4 恒张力架线车架设承力索、接触线作业标准(牵引供电专业) (429)6.4.1 作业制度 (429)6.4.2 人员机械配置 (429)6.4.3 施工作业标准 (431)6.4.4 质量控制及检验标准 (435)6.5 载流式整体吊弦(整体吊弦)安装作业标准(牵引供电专业) (437)6.5.2 人员机械配置 (437)6.5.3 施工作业标准 (438)6.5.4 质量控制及检验标准 (440)6.6 横向电连接线安装作业标准(牵引供电专业) (441)6.6.1 作业制度 (441)6.6.2 人员机械配置 (441)6.6.3 施工作业标准 (442)6.6.4 质量控制及检验标准 (444)6.7 电力杆基坑开挖作业标准(电力专业) (445)6.7.1 作业制度 (445)6.7.2 人员机械配置 (445)6.7.3 施工作业标准 (446)6.7.4 质量控制及检验标准 (447)6.8 立电力杆作业标准(电力专业) (447)6.8.1 作业制度 (447)6.8.2 人员机械配置 (448)6.8.3 施工作业标准 (449)6.8.4 质量控制及检验标准 (451)6.9 金具、绝缘子组装作业标准(电力专业) (453)6.9.1 作业制度 (453)6.9.2 人员机械配置 (453)6.9.3 施工作业标准 (454)6.9.4 质量控制及检验标准 (455)6.10 导线架设作业标准(电力专业) (457)6.10.1 作业制度 (457)6.10.2 人员机械配置 (457)6.10.3 施工作业标准 (458)6.10.4 质量控制及检验标准 (460)6.11 隔离开关安装作业标准(电力专业) (462)6.11.1 作业制度 (462)6.11.2 人员机械配置 (462)6.11.3 施工作业标准 (463)6.11.4 质量控制及检验标准 (465)6.12 变压器安装作业标准(电力专业) (466)6.12.1作业制度 (466)6.12.2人员机械配置 (466)6.12.3 施工作业标准 (467)6.12.4 质量控制及检验标准 (469)6.13 直埋电缆敷设作业标准(电力专业) (470)6.13.1 作业制度 (470)6.13.3 施工作业标准 (471)6.13.4 质量控制及检验标准 (473)6.14 隧道内电缆敷设作业标准(电力专业) (474)6.14.1 作业制度 (474)6.14.2 人员机械配置 (474)6.14.3 施工作业标准 (475)6.14.4 质量控制及检验标准 (476)6.15 电缆头制作作业标准(电力专业) (478)6.15.1 作业制度 (478)6.15.2 人员机械配置 (478)6.15.3 施工作业标准 (479)6.15.4 质量控制及检验标准 (480)6.16 变配电所配电盘柜、开关柜安装及调试作业标准(电力专业) (481)6.16.1 作业制度 (481)6.16.2 人员机械配置 (481)6.16.3 施工作业标准 (482)6.16.4 质量控制及检验标准 (491)6.17 隧道照明安装作业标准(电力专业) (493)6.17.1 作业制度 (493)6.17.2 人员机械配置 (493)6.17.3 施工作业标准 (494)6.17.4 质量控制及检验标准 (496)6.18 站场照明安装作业标准(电力专业) (497)6.18.1 作业制度 (497)6.18.2 人员机械配置 (497)6.18.3 施工作业标准 (498)6.18.4 质量控制及检验标准 (499)6.19 室内动力安装作业标准(电力专业) (501)6.19.1 作业制度 (501)6.19.2 人员机械配置 (501)6.19.3 施工操作程序 (502)6.19.4 质量控制及检验标准 (503)6.20 基础定位测量施工作业标准(变电工程) (504)6.20.1 作业制度 (504)6.20.2 人员机械配置 (505)6.20.3 施工作业标准 (505)6.20.4 质量控制及检验标准 (510)6.21 设备基础浇制作业标准(变电工程) (510)6.21.1 作业制度 (510) (511)6.21.4 质量控制及检验标准 (515)6.22 构架及支架组立安装作业标准(变电工程) (516)6.22.1 作业制度 (516)6.22.2 人员机械配置 (517)6.22.3 施工作业标准 (517)6.22.4 质量控制及检验标准 (520)6.23 设备支架铁配件安装作业标准(变电工程) (521)6.23.1 作业制度 (521)6.23.2 人员机械配置 (522)6.23.3 施工作业标准 (522)6.23.4 质量控制及检验标准 (524)6.24 设备防护栅栏安装作业标准(变电工程) (526)6.24.1 作业制度 (526)6.24.2 人员机械配置 (527)6.24.3 施工作业标准 (528)6.24.4 质量控制及检验标准 (530)6.25 牵引变压器自锚滑行就位作业标准(变电工程) (532)6.25.1 作业制度 (532)6.25.2 人员机械配置 (533)6.25.3 施工作业标准 (533)6.25.4 质量控制及检验标准 (536)6.26 牵引变压器附件安装作业标准(变电工程) (537)6.26.1 作业制度 (537)6.26.2 人员机械配置 (538)6.26.3 施工作业标准 (539)6.26.4 质量控制及检验标准 (544)6.27 户内外电容器组(层架式)安装作业标准(变电工程) (546)6.27.1 作业制度 (546)6.27.2 人员机械配置 (547)6.27.3 施工作业标准 (548)6.27.4 质量控制及检验标准 (550)6.28 氧化锌避雷器安装作业标准(变电工程) (552)6.28.1 作业制度 (552)6.28.2人员机械配置 (553)6.28.3 施工作业标准 (554)6.28.4 质量控制及检验标准 (555)6.29 柱上互感器安装作业标准(变电工程) (557)6.29.1 作业制度 (557)6.29.2 人员机械配置 (558) (558)6.30 110kv GW4 隔离开关安装调整工艺作业标准(变电工程) (560)6.30.1 作业制度 (560)6.30.2 人员机械配置 (561)6.30.3 施工作业标准 (562)6.30.4 质量控制及检验标准 (567)6.31 六氟化硫断路器安装调整作业标准(变电工程) (568)6.31.1 作业制度 (568)6.31.2 人员机械配置 (569)6.31.3 施工作业标准 (570)6.31.4 质量控制及检验标准 (572)6.32 软母线安装施工作业标准(变电工程) (573)6.32.1 作业制度 (573)6.32.2 人员机械配置 (574)6.32.3 施工作业标准 (575)6.32.4 质量控制及检验标准 (580)6.33 硬母线安装施工作业标准(变电工程) (583)6.33.1 作业制度 (583)6.33.2 人员机械配置 (584)6.33.3 施工作业标准 (585)6.33.4 质量控制及检验标准 (587)6.34 盘、柜组立作业标准(变电工程) (594)6.34.1 作业制度 (594)6.34.2人员机械配置 (595)6.34.3 施工作业标准 (595)6.34.4 质量控制及检验标准 (597)6.35 户外端子箱安装施工作业标准(变电工程) (599)6.35.1 作业制度 (599)6.35.2人员机械配置 (600)6.35.3 施工作业标准 (601)6.35.4 质量控制及检验标准 (602)6.36 二次回路校线作业标准(变电工程) (604)6.36.1 作业制度 (604)6.36.2 人员机械配置 (605)6.36.3 施工作业标准 (605)6.36.4 质量控制及检验标准 (606)6.37 电缆二次配线施工作业标准(变电工程) (608)6.37.1作业制度 (608)6.37.2 人员机械配置 (609)6.37.3 施工作业标准 (609)6.37.4 质量控制及检验标准 (614)6.38 传输接入网系统施工标准化(通信工程) (617)6.38.1作业制度 (617)6.38.2 人员配备 (617)6.38.3 施工作业标准 (617)6.38.4质量控制及检验标准 (622)6.39 数字调度专用通信系统施工标准化(通信工程) (626)6.39.1 作业制度 (626)6.39.2 人员配备 (626)6.39.3 施工作业标准 (626)6.39.4 质量控制及检验标准 (630)6.40 GSM-R专用移动通信系统施工标准化(通信工程) (632)6.40.1 作业制度 (632)6.40.2 人员配备 (632)6.40.3 施工作业标准 (632)6.40.4 质量控制及检验标准 (639)6.41 数据网系统施工标准化(通信工程) (640)6.41.1 作业制度 (640)6.41.2 人员配备 (640)6.41.3 施工作业标准 (640)6.41.4 质量控制及检验标准 (642)6.42 电视电话会议系统施工标准化(通信工程) (643)6.42.1 作业制度 (643)6.42.2 人员配备 (643)6.42.3 施工作业标准 (643)6.42.4 质量控制及检验标准 (645)6.43 应急通信系统施工标准化(通信工程) (647)6.43.1 作业制度 (647)6.43.2 人员配备 (647)6.43.3 施工作业标准 (647)6.43.4 质量控制及检验标准 (649)6.44 同步及时钟分配系统施工标准化(通信工程) (650)6.44.1 作业制度 (650)6.44.2 人员配备 (650)6.44.3 施工作业标准 (650)6.44.4 质量控制及检验标准 (652)6.45 电源系统施工标准化(通信工程) (653)6.45.1 作业制度 (653)6.45.2 人员配备 (653)6.45.3施工作业标准 (653)6.45.4 质量控制及检验标准 (657)6.46 综合视频监控系统施工标准化(通信工程) (658)6.46.2 人员配备 (658)6.46.3 施工作业标准 (658)6.46.4 质量控制及检验标准 (660)6.47 通信线路施工标准化(通信工程) (661)6.47.1 作业制度 (661)6.47.2 人员配备 (661)6.47.3 施工作业标准 (661)6.47.4 质量控制及检验标准 (667)6.48 车站、段所综合布线系统施工标准化(通信工程) (668)6.48.1 作业制度 (668)6.48.2 人员配备 (668)6.48.3 施工作业标准 (668)6.48.4 质量控制及检验标准 (670)6.49 信号电缆敷设施工作业标准化(通信工程) (673)6.49.1 作业制度 (673)6.49.2 人员配备 (673)6.49.3 施工作业标准 (673)6.49.4 质量控制及检验标准 (679)6.50 信号箱盒安装施工作业标准化(通信工程) (681)6.50.1 作业制度 (681)6.50.2 人员配备 (681)6.50.3 施工作业标准 (681)6.50.4 质量控制及检验标准 (685)6.51 信号室外配线及导通施工作业标准化(通信工程) (686)6.51.1 作业制度 (686)6.51.2 人员配备 (686)6.51.3 施工作业标准 (686)6.51.4 质量控制及检验标准 (690)6.52 信号机安装施工作业标准化(通信工程) (692)6.52.1 作业制度 (692)6.52.2 人员配备 (692)6.52.3 作业标准 (692)6.52.4 质量控制及检验标准 (696)6.53 道岔安装施工作业标准化(通信工程) (697)6.53.1 作业制度 (697)6.53.2 人员配备 (697)6.53.3 施工作业标准 (697)6.53.4 质量控制及检验标准 (699)6.54 轨道电路施工作业标准化(通信工程) (700)6.54.1 作业制度 (700)6.54.3 施工作业标准 (700)6.56.4 质量控制及检验标准 (705)6.55 机架(柜)安装施工作业标准化(通信工程) (706)6.55.1 作业制度 (706)6.55.2 人员配备 (706)6.55.3 施工作业标准 (706)6.55.4 质量控制及检验标准 (710)6.56 联锁系统设备调试施工作业标准化(通信工程) (711)6.56.1 作业制度 (711)6.56.2 人员配备 (711)6.56.3施工作业标准 (711)6.56.4 质量控制及检验标准 (718)6.57 列控系统施工作业标准化(通信工程) (719)6.57.1作业制度 (719)6.57.2 人员配备 (719)6.57.3 施工作业标准 (719)6.57.4 质量控制及检验标准 (726)6.58 CTC 车站调度系统施工作业标准化(通信工程) (729)6.58.1 作业制度 (729)6.58.2 人员配备 (729)6.58.3 施工作业标准 (729)6.58.4 质量控制及检验标准 (731)7. 房建工程施工作业标准 (732)7.1 地基基础工程 (732)7.1.1 作业制度 (732)7.1.2 人员配备 (733)7.1.3 施工作业标准 (733)7.1.4 质量控制与检验标准 (741)7.2地下室防水工程 (745)7.2.1 作业制度 (745)7.2.2 人员配备 (745)7.2.3 施工作业标准 (746)7.2.4 质量控制与检验标准 (751)7.3 砌体结构 (753)7.3.1 作业制度 (753)7.3.2 人员配备 (753)7.3.3施工作业标准 (753)7.3.4质量控制与检验标准 (755)7.4 钢筋混凝土结构 (757)7.4.2 人员配备 (757)7.4.3施工作业标准 (758)7.4.4质量控制与检验标准 (774)7.5钢结构工程 (780)7.5.1 作业制度 (780)7.5.2 人员配备 (780)7.5.3施工作业标准 (781)7.5.4质量控制与检验标准 (783)7.6屋面工程 (785)7.6.1 作业制度 (785)7.6.2 人员配备 (785)7.6.3 施工作业标准 (785)7.6.4质量控制与检验标准 (789)7.7门窗工程 (790)7.7.1 作业制度 (790)7.7.2 人员配备 (790)7.7.3施工作业标准 (791)7.7.4质量控制及检验标准 (792)7.8装饰装修工程 (794)7.8.1 作业制度 (794)7.8.2 人员配备 (794)7.8.3施工作业标准 (795)7.8.4质量控制及检验标准 (799)7.9给排水安装工程 (803)7.9.1作业制度 (803)7.9.2人员配备 (803)7.9.3施工作业标准 (803)7.9.4质量控制及检验标准 (816)7.10电气安装工程 (818)7.10.1作业制度 (818)7.10.2人员配备 (819)7.10.3施工作业标准 (819)7.10.4质量控制及检验标准 (827)7.11通风与空调设备安装工程 (829)7.11.1作业制度 (829)7.11.2人员配备 (830)7.11.3施工作业标准 (830)7.11.4质量控制及检验标准 (838)第一篇管理制度标准化1 编制原则本篇规定了作业队在现场施工过程中必须建立和执行的基本制度,包括每项制度应包含的基本要素和要求。
成都铁路局工务标准化作业指导书(普速桥路维修)二〇一五年四月目录第一节桥隧作业部分 (3)(一)桥隧路设备检查 (3)(二)制作桥枕 (6)(三)单根抽换桥枕 (10)(四)桥枕修理 (15)(五)更换护木 (20)(六)护木修理 (25)(七)扣件螺栓涂油(松开螺栓) (33)(八)钢结构手工除锈油漆 (37)(九)更换明桥面k 型扣件垫板作业 (42)(十)支座捣垫砂浆作业(小于50mm) (47)(十一)制作更换人行道板 (52)(十二)清理隧道排水沟 (57)(十三)隧道漏水整治(U型槽) (61)第二节路基作业部分 (66)(十四)主动防护网安装 (66)(十五)被动防护网安装 (73)(十六)危石打刷处理 (82)(十七)浆砌片石 (87)(十八)干砌片石 (93)(十九)混凝土作业 (98)(二十)钢筋制作 (103)(二十一)搭拆脚手架 (110)(二十二)砂浆抹面及勾缝作业 (116)第一节桥隧作业部分(一)桥隧路设备检查1.作业条件1.1网内检查1.1.1 V≤160km/h的线路区段可在天窗点外作业,必须按规定设置好防护,来车时要及时下道。
1.1.2 160km/h<V≤200km/h的线路区段必须纳入天窗点内作业。
1.2网外且不影响行车的检查不受封锁时间限制1.3作业时间:根据工作量确定。
2.人员要求:作业负责人由不低于工班长或指派胜任的桥路工担任,防护员0-2人,作业人员至少2人一组。
3.作业机具安全带、安全绳、刻度放大镜、望远镜、检查锤、钢卷尺、石笔、数码照相机、吊线锤、检查记录本、记录笔、通信设备(对讲机)、信号旗(灯)、照明灯具。
4.配合要求无5.安全风险构成5.1违章作业风险5.1.1检查工具侵限,造成碰撞事故。
5.1.2高处检查时向下抛掷检查工具,造成行车事故。
5.2从业人员伤害风险5.2.1需上道或穿越线路时,未按规定设置防护,致使作业人员下道不及时,造成机车车辆伤害。
铁路局工务标准化作业指导书成都铁路局工务标准化作业指导书(普速桥路维修)二〇一五年四月目录第一节桥隧作业部分 .........................错误!未定义书签。
(一)桥隧路设备检查.......................错误!未定义书签。
(二)制作桥枕.............................错误!未定义书签。
(三)单根抽换桥枕.........................错误!未定义书签。
(四)桥枕修理.............................错误!未定义书签。
(五)更换护木.............................错误!未定义书签。
(六)护木修理.............................错误!未定义书签。
(七)扣件螺栓涂油(松开螺栓) ...............错误!未定义书签。
(八)钢结构手工除锈油漆...................错误!未定义书签。
(九)更换明桥面 k 型扣件垫板作业..........错误!未定义书签。
(十)支座捣垫砂浆作业(小于50mm) ...........错误!未定义书签。
(十一)制作更换人行道板...................错误!未定义书签。
(十二)清理隧道排水沟.....................错误!未定义书签。
(十三)隧道漏水整治(U型槽) ................错误!未定义书签。
第二节路基作业部分 .........................错误!未定义书签。
(十四)主动防护网安装.....................错误!未定义书签。
(十五)被动防护网安装.....................错误!未定义书签。
(十六)危石打刷处理.......................错误!未定义书签。
(十七)浆砌片石...........................错误!未定义书签。
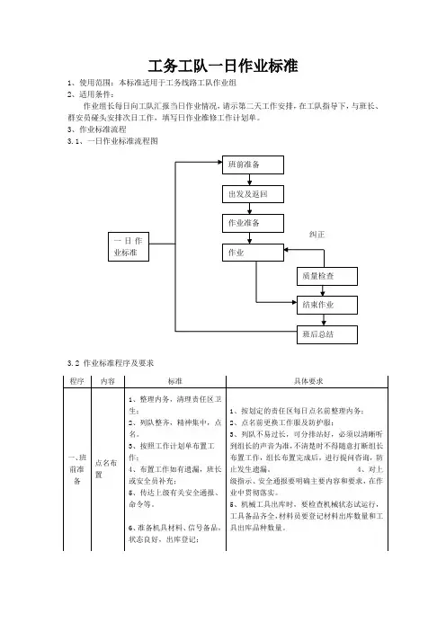
铁路工务线路养护维修作业标准线路养护维修作业是养路工作四个环节中的最重要环节,作业质量的好坏不仅直接影响设备质量,而且涉及劳动生产效率和行车安全。
线路养护维修作业是由许多单项作业组成的,只有做好这些单项作业,才能保证整体作业的质量。
线路养护维修作业一定要认真贯彻作业标准化,养路工作一日作业标准化如下:一、出工前(一)工作预报:按日计划在班组日志上公布作业项目和分工,准备好机具、备品和材料。
出库具材料及时做好登记。
(二)列队点名:布置当日工作计划(地点、项目、工作量)、质量要求以及安全措施和注意事项。
(三)根据作业的内容,联系有关单位配合施工。
(四)按规定办法乘车或列队行走去施工地点,施工负责人在前,安全员(安全值日)在队后,推起道机必须有二人,一人负责了望,做到一站、二看、三上道。
(五)根据工作性质,指派专职防护员,按规定设置防护信号。
二、作业中(一)听从工班长统一指挥,按岗位责任制和操作规则及时上道作业,做到不简化、不留病害,按规定工料定额完成任务。
(二)随时注意了望列车,听从防护员、安全员指挥,带好工具及时按规定下道避车。
(三)严格执行规章制度,实行安全生产,杜绝违章作业。
中间休息,人员机具必须撤离轨道。
(四)复线地段作业时,应面向来车方向。
复线及站场内作业,邻线来车本线也应下道。
(五)执行作业首件检查和随时抽查,保证质量,杜绝无效劳动。
(六)按半日清和当日清的作业要求,结束施工。
认真执行回检制度,不合质量要求,应返工重做。
三、作业后(一)撤除防护,按规定乘车办法或列队行走返回。
(二)整理机具材料入库,对号定位,堆码整齐。
(三)根据当日完成数量、质量核算工料消耗,填写日计划完成情况。
(四)分析当日安全、质量、数量、纪律等情况,进行评比记分;编制次日工作计划并组织安全预想。
四、单项作业的标准化,应按修规上的有关规定执行。
(一)线路养护维修作业一定要加强施工作业领导,实行记名修,避免无效劳动,消灭有害劳动。
青藏铁路公司行业标准工务作业标准路基作业1 范围本标准规定了既有线路基作业标准。
本标准适用于既有线路基大修、维修作业,也适用于既有线改造时的路基工程。
2 引用标准下列标准所包含的条文,通过在本标准中引用而构成为本标准的条文。
标准出版时,所示版本均为有效。
所有标准都会被修订,使用本标准的各方应探讨使用下列标准最新版本的可能性。
3 总则3.1 认真审阅设计文件,确定施工方法,编制施工组织,制定安全措施。
3.2 现场调查,了解施工现场的地形条件、工程地质,水文地质等情况,统筹安排工程材料、机具及施工人员住地和生活设施等有关问题。
3.3 施工测量放桩,核对设计文件,如有出入,应及时向设计部门反映,及时解决。
必须按设计施工,全部作业项目都应符合设计要求。
同时,施工负责人每日应填写施工日志。
3.4 工程材料及其他物品的装卸,应遵守有关规定。
同时尽量堆放在靠近施工地点,以减少搬运距离。
需要防潮、防曝晒的材料应放在房屋或工棚内妥善保管,贵重物品,应有专人保管。
3.5 路基作业对行车有影响时,应按有关规定设置施工防护,保证行车安全和作业安全。
需要列车慢行或封锁线路施工的路基作业,应按有关规定申请办理慢行或封锁手续。
3.6 路基作业与行车及人身安全关系密切,除应遵守本作业标准外,还应遵守《铁路工务安全规则》及其它有关规定。
3.7 无缝线路地段、电气化区段的路基作业,除遵守本标准外,还应遵守有关规定,保证行车安全和作业安全。
3.8 基坑支撑、脚手架、混凝土、钢筋弯扎、围堰等按“桥梁大修作业”标准等有关规定执行。
3.9 本标准未作规定的路基工程,由上级主管部门制定相应的作业标准组织施工。
3.10 路基工程全部作业完成后,应按有关规定编制竣工文件,办理验收交接手续。
第一章土石方4 取土及填土4.1 作业范围及条件路基工程中的取土、挖土、加宽路基填土、填补路肩、夯填裂缝以及其它建筑物的回填土等。
4.2 作业工具土镐、铁铲或挖土机具,夯锤或碾压机械等。
思考稿十2023-10-28•引言•工务段标准化建设的重要性•工务段标准化建设的实践目录•工务段标准化建设的思考•结论与建议•参考文献01引言我国铁路行业在近年来得到了快速的发展,特别是高速铁路的建设和运营取得了显著的成就。
然而,随着铁路运输量的不断增加和运行速度的不断提高,铁路工务段面临着越来越大的维护压力和安全风险。
因此,加强工务段标准化建设,提高维护水平和安全性能,成为了当前铁路行业的重要任务之一。
我国铁路的发展工务段是铁路运输企业中的一部分,主要负责铁路线路、桥梁、隧道等基础设施的维护和管理工作。
工务段的工作涉及到铁路运输的安全和效率,是铁路行业不可或缺的一部分。
然而,由于历史、体制和技术等多方面的原因,我国工务段标准化建设还存在一些问题和不足之处,需要进一步加强和完善。
工务段概述02工务段标准化建设的重要性通过标准化流程和操作规范,减少工人在工作中的重复性劳动,提高工作效率。
减少重复性工作优化工作流程提升设备使用效率通过标准化建设,优化工作流程,使得工作更加高效、流畅。
通过标准化的设备管理和维护流程,提高设备的使用效率,减少设备故障率。
030201通过标准化建设,为工务段各项工作制定统一的工作标准,确保工作质量的稳定和提升。
统一工作标准通过标准化的操作流程,减少人为因素对工作质量的影响,提高工作质量的可靠性。
减少人为因素影响通过标准化建设,提高员工对各项工作的理解和掌握程度,提升员工的技能水平和工作能力。
提高员工技能水平通过标准化建设,规范各项工作的操作流程,确保员工在工作中的安全操作。
保障工作安全规范操作流程通过标准化建设,提高员工对安全的认识和意识,确保员工在工作中始终遵循安全规定。
提高安全意识通过标准化建设,减少工作中可能出现的安全隐患和事故,保障员工的生命安全和财产安全。
减少事故发生03工务段标准化建设的实践调研规划开展工务段现状调研,明确标准化建设目标,制定实施计划和方案。
组织领导成立工务段标准化建设领导小组,明确责任分工,确保各项工作有序推进。
浅谈铁路现场作业的标准化铁路作为重要的交通运输方式,对乘客和货物的安全有着很高的要求。
而现场作业是铁路运输中不可或缺的环节,如车站乘客进出站、列车发车、装卸货物等。
因此,制定科学的标准化作业流程,是保障铁路运输安全性和效率的重要保证。
标准化作业流程的意义铁路现场作业的标准化是指,在各个环节操作过程中,按照统一的规范和流程进行操作和管理。
这种管理方式不仅规范了铁路工作人员的操作行为,确保了安全性,还能够提高整个铁路系统的效率。
相比起非标准化的作业流程,标准化的作业流程有如下意义:提高工作质量作为高安全要求的行业,铁路需要对各个环节进行密切的关注和监管,以确保安全生产。
标准化的作业流程可以避免人为因素影响造成的差错,提高工作质量,降低运营风险。
提高工作效率标准化的作业流程模式,可以让铁路工作人员明确各自的岗位职责,消除重复操作,避免出现资源浪费等问题,从而提高铁路作业效率。
降低成本标准化的作业流程可以指导铁路从业人员规范施工标准,减少误工和浪费,从而提高铁路的经济效益。
实施标准化作业流程的关键因素实施标准化作业流程需要考虑如下关键因素:制定科学的标准铁路作业流程的标准应该依据科学的技术标准和操作规范制定。
这些标准应该覆盖铁路工作人员的所有操作流程,涵盖不同的作业场景,从而保证相关的作业流程符合安全和效率原则。
不断地改进标准化并不是一次性任务,铁路作业人员和相关部门需要定期检查标准化流程的实施情况。
同时,要求员工不断改进工作方法,针对不符合标准化作业流程的现象进行反思和改进。
建立科学的考核制度作业标准的贯彻需要铁路相关部门建立科学的考核制度。
考核标准应该具有普适性和可操作性,从而能够真实反映铁路员工的工作情况。
在不断考核的过程中,铁路部门能够得到员工工作表现的数据及信息,进而更好地管理和监督员工的作业。
加强员工培训人员因素是影响铁路作业的重要因素之一。
为了确保标准化作业流程的顺利实施,铁路部门应该加强员工培训,增强员工的意识和能力,提高工作效率和质量。
铁路工务车间创建标准化车间经验材料及三标工作总结铁路工务车间创建标准化车间经验材料及三标工作总结转变作业观念提升管理水平努力争创一流标准化车间导航仪品牌排名脱毛膏排行榜前10强笑话大全**重点维修车间地处武九线,现有在职职工86人,管辖**线k13+000-k22+000、**线k9+500-k28+500及**线道口一处,车间现有**、**二个线路工区和一工区、二工区两个大修工区。
两个大修工区主要担负**线及**线等线路大中修和段其它重点工作的任务。
202*年以来,按照桥工段安排,**重点维修车间积极开展创“三标”活动,在争创标准化车间的过程中,主要做法有以下几点:一、建立车间基本管理制度。
1、车间基本管理制度建立车间年度安全生产总体目标和推进步骤;车间干部分工及包保制度;问题库管理办法;工作计划、总结制度;日常请示汇报制度;外观管理制度;厂务公开制度;值班制度;请休假制度;汽车司机管理制度;差旅费控制办法;成本控制制度;水电管理制度;防火防爆制度;突发事件应急处理预案;学习制度等。
2、加强内业管理。
紧密结合车间工作实际,不断完善车间各项规章制度,推进“标准化车间、标准化班组、标准化岗位”建设,规范统一管理制度、台帐模式、日常作业标准。
3、建立健全设备技术台帐。
车间自今年10月5日接管大冶及金山店两个工区来以相继对各种设备台帐进行了整理归类,加快了设备技术台帐的建立导航仪品牌排名脱毛膏排行榜前10强笑话大全二、建立车间主要职能。
按照段、车间和班组三级安全生产管理模式,设置生产组织机构。
建立车间主要生产职能。
我黄石重点维修车间的职能是主要负责全段的大中修及维修施工计划完成,配合大机(中机)抓好修理维修工作,根据线路科下达的施工计划,合理组织生产,安全优质完成各项生产任务,并经常检查和指导工区做好各项台帐的填写及资料建档。
三、建立考核程序及标准(一)考核程序每月21日~30(31)日前,结合段安全质量专项检查对班组进行考评。