课题2元素(1)
- 格式:ppt
- 大小:5.80 MB
- 文档页数:13
班级姓名氧气巩固练习:一、基础练习:1.一种元素与另一种元素的本质区别在于()A.原子的最外层电子数不同B.原子中的质子数不同C.原子中的电子数不同D.原子中的中子数不同2.某药品说明书上表明:本品每克含碘15 mg,镁65 mg,铜2 mg,锌1.5 mg,锰1 mg。
这里所标明的成分是指()A.分子B.原子C.元素D.无法确定3.国际互联网上报道:“目前世界上有近20亿人患有缺铁性贫血”,这里的“铁”是指()A.铁单质B.铁元素C.四氧化三铁D.三氧化二铁4. 下列关于二氧化碳的说法正确的是()A.二氧化碳是由碳、氧两种元素组成的B.二氧化碳是由碳和氧气混合而成的C.二氧化碳是由一个碳原子和两个氧原子组成的D.二氧化碳分子是由一个碳原子和两个氧原子构成的5.具有____________的一类原子的总称为元素,无论原子核内中子数是否相同,只要是___________相同,它们就属于同种元素。
6.空气中含量最多的元素是,地壳里含量最多的元素是,地壳里含量最多的金属元素是,生物细胞里含量最多的元素是,7.隔绝空气加热碳酸钙,完全分解后只生成二氧化碳和氧化钙(CaO)。
由此推断组成碳酸钙的元素有。
8.判断题(在正确的后面填“√”,在错误的后面填“×”)(1)混合物一定是含有两种或两种以上的元素()(2)某原子有6个质子和6个中子,另外一种原子有6个质子和7个中子,它们核外电子数不相同()(3)具有相同质子数的同一类原子总称为某元素()(4)原子只能构成分子,不能构成物质,而分子可以构成物质()二、迁移应用:9.科学家发现某些原子具有放射性,即原子能自动放射出一些固定粒子。
据此推断,当一种元素的原子经过放射变化后,结果变成了另一种元素的原子,它一定是放射了()A.电子B.中子C.质子D.该原子的原子核10.每个水分子里含有()A.1个氢分子和1个氧原子B.2个氢元素和1个氧元素C. 氢元素和氧元素D.2个氢原子和1个氧原子11.蜡烛燃烧生成二氧化碳和水,证明蜡烛中()A.一定含有C、H、O三元素B.只含有C元素C.含有C、H元素D.只含有O元素。
4.2 元素教学案设计一、学习目标:1.理解元素的概念,将对物质的宏观组成与微观结构的认识统一起来。
2.知道元素符号所表示的意义,学会元素符号的正确写法,逐步记住一些常见的元素符号。
重点:元素及元素符号难点:元素的概念及元素符号的意义【课前预习】1.什么是相对原子质量?其中“一种碳原子”是指哪一种碳原子? 有没有别的碳原子呢?2.元素是具有相同的的一类原子的总称。
(1)元素种类:到目前为止,已发现的元素有种,由此组成万种物质。
(2)地壳中含量居前四位的元素分别是 ,生物细胞中含量居前四位的是。
3.元素符号是国际上统一用来表示元素的一种特殊符号.其书写方法是:由一个字母表示的元素符号要由两个字母表示的元素符号,第一个字母要 ,第二个字母要 .4.元素符号的意义:(1)表示一种 ;(2)表示这种元素的一个。
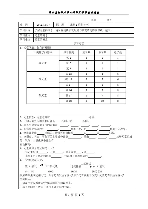
【情境导入】日常生活中,“含氟牙膏”、“高钙牛奶”、“加碘食盐”、“加铁酱油”中的“氟”“钙”“碘”“铁”指的是什么呢?二、自主探究:【分析思考】观察下表中几种不同的氢原子。
小结:氢气分子、水分子和过氧化氢分子中都含有原子,上表中的三种氢原子(氕、氘、氚)相同,不同,都叫氢小结:各种不同的碳原子中数不同,但数都相同,都叫碳。
【归纳】元素概念:具有相同的一类原子的总称。
●注意:元素的种类由决定。
【巩固应用】1.核电荷数(即质子数)为2的一类原子总称为。
2.核电荷数(即质子数)为8的一类原子总称为。
3.核电荷数(即质子数)为11的一类原子总称为。
4.核电荷数(即质子数)为12的一类原子总称为。
5.核电荷数(即质子数)为17的一类原子总称为。
【阅读】P73图4-4& P74资料,找出地壳中&生物细胞中含量最多的几种元素。
地壳中,各元素按质量由多到少的顺序为、、、。
生物细胞中,含量最多的元素分别为、、、。
【讨论交流】1.根据P73讨论,在化学反应中,反应物跟生成物相比,分子是否发生了变化?元素是否发生了变化?原子是否发生了变化?小结:反应前后,分子,元素种类和原子种类。
课题2《元素》(第一课时)设计一、课题内容:本教学设计为人教版新课改教材(上册)第四单元,课题二《元素》。
二、教材分析主要内容包括元素、元素符号和元素周期表三部分。
其中对元素这一概念的形成,元素的表示方法,元素的规律性认识作为教学的主线一直贯穿在教材之中。
本课题教学担负着帮助学生把宏观和微观分析联系起来,建立元素概念的重要衔接作用。
1.重点:元素概念的初步形成及理解。
2.难点:原子与元素的区别和联系。
3.关键:如何理解元素概念的形成三、学情分析:通过前三个单元的学习,学生对于常见物质的了解已经有了一定的基础,又通过前一课题建立了物质微观构成的初步知识,特别是对于原子的概念有了较为深刻的理解。
元素的概念比较抽象但并不晦涩。
纵览教材已有四次共六段文字涉及过这一名词,学生已经有了多次感知,在日常生活中“元素”这一用语也时常出现。
但要完成从微观到宏观,理解好“同一类原子的总称”这一定义仍是教学中的难点。
学生对于“元素”概念在生活、生产中的应用的意识还没有形成,本节课地壳、生物体中元素含量的了解可以使他们更好的感知元素的存在,理解消化这一概念。
四、教学目标1、知识与技能:了解元素的概念,将对物质的宏观组成与微观结构的认识统一起来。
2、过程与方法:通过微观想象、分析、讨论、对比,认识到化学反应中分子可以发生变化而元素不发生变化。
3、情感、态度与价值观:进一步建立科学的物质观、增进对物质的宏观组成与微观结构的认识。
培养学生善于合作、勤于思考、勇于实践的科学精神。
五、教学过程六、课堂小结本节课我们主要学习了元素的概念,是重点也是难点,理解了元素是物质的宏观组成,以及元素在自然界中的含量分布,除此之外,还学习了物质与元素、分子、原子、离子之间的关系,望同学们课后多复习并练题加以巩固。
七、作业布置。
《元素》(第一课时)教学设计一、教学目标1、知识目标:①了解元素的概念,统一对物质的宏观组成与微观结构的认识②元素与原子的联系与区别2、过程与方法:①通过问题讨论和例子进一步理解元素的概念②通过微观想像分析、讨论、对比,认识到化学反应中分子可以发生变化而元素不发生变化。
③通过同学之间相互合作,查阅资料,了解地壳、生物细胞和一些食品中元素的含量3、情感态度与价值观①进一步建立科学的物质观,增进对物质的宏观组成与微观结构的认识。
②发展善于合作,勤于思考,勇于实践的科学精神。
二、教学重点1、元素的概念;2、元素与原子的比较三、教学难点:元素的概念理解四、教学过程:1、导入新课(故事导入——牛尝出来的元素)1618年,英国伦敦附近有个村庄叫艾普松,当地人们以牧牛为主,有个农民想利当地的泉水供他饲养的牛饮用,于是便开了一条小沟引水。
但是,奇怪的是,没有一条牛愿意光顾他的小沟。
他感到很纳闷,自己一尝才知道,原来那泉水是苦的,后来被一名医生发现这泉水中含有一种固体物质,叫苦盐或艾普松盐。
最后,人们发现在海水或其他泉水中也含有这种苦盐,于是就发现这苦盐是含镁的硫酸盐,这样就发现了镁元素,由于苦盐的发现,离不开牛的贡献,因此,人们说镁是牛尝出来的元素,那么什么是元素?2、指导学生了解元素的概念①列举几种含氧元素(02、H20、C02、S02、H20)和几种含碳元素的物质(C、CO、C02、CaC03),并分别列出各种物质中氧原子和碳原子中的质子数,后质疑各种物质中氧原子和碳原子都有什么特点,从引出元素概念。
②分别举例出氧的同位和碳的同位素进一步引导学生理解元素的概念。
③活动与探究:请学生列举常见食品并指出它们的元素组成。
④元素和原子的比较。
让学生听下列文字后归纳出元素和原子的区别和联系:水是一种常见的物质,我们都知道它是由氢和氧元素组成,若从微观描述,水是由水分子构成,而水分子是由氢原子和氧原子构成,每个水分子含有一个氧原子和两个氢原子,由于水分子、氧分子和二氧化碳分子中氧原子的质子数都为8,所以,它们都属于氧元素,而不是氢元素。