环泵式泡沫比例混合器
- 格式:xls
- 大小:41.00 KB
- 文档页数:5
押题宝典消防设施操作员之消防设备高级技能模考模拟试题(全优)单选题(共30题)1、环泵式泡沫比例混合器吸液口不应高出泡沫液储罐最低液面(),否则泡沫混合液的混合比难以保证。
A.0.5B.l0C.1.5D.2【答案】 B2、关于水锤消除器的使用注意点,正确的有()。
A.阀体上的压力表,安装前显示管道压力,安装后显示阀体气室压力B.安装前请确认,水锤消除器气室压力不得低于管道压力C.若管道内水压力较低,或水锤消除器气室压力较低,皆可打开水锤消除器上方注气栓加入气压或释放气压D.水锤消除器气室压力,维持于管道压力50%、60%时水锤消除器效果较佳。
【答案】 C3、全淹没高倍数泡沫灭火系统和自动控制的固定式局部应用系统的启动方式分为自动控制、手动控制和机械应急手动控制三种。
联动控制功能测试主要针对()启动方式。
A.自动控制B.手动控制C.机械应急手动控制D.机械控制【答案】 A4、每()应对系统过滤器进行至少一次排渣,并应检查过滤器是否处于完好状态,当堵塞或损坏时应及时检修。
A.周B.月C.季度D.年【答案】 D5、干式报警阀系统水流报警装置应()试验一次。
A.每月B.每季度C.每半年D.每年【答案】 B6、火灾报警控制器在故障状态下,对信息特征描述不正确的一项是()。
A.点亮“故障”指示灯,故障排除后,故障信息的指示信号需要手动清除B.声响音调:发出与火警信息明显不同的故障声C.显示故障总数和故障报警序号、报警时间、类型编码D.主备电发生故障,发出声、光报警【答案】 A7、下面哪一项不是泡沬比例混合装置无法形成或不能按比例形成泡沫混合液的原因()。
A.泡沫液因储存环境不符合要求,失效变质B.装置相关阀门、管道连接件密封失效,发生泄漏,而导致装置无法正常工作C.消防水因含有较多杂质,运行中将水轮机损坏D.装置中的安全阀故陷、损坏,导致装置无法正常工作【答案】 D8、下面哪个部件不是柴油机消防泵组的组成部分()。
2023年消防设施操作员之消防设备高级技能精选试题及答案二单选题(共30题)1、在消防电话系统中,按下(),可以消除正在鸣响的呼叫声或报警声。
A.复位键B.消音键C.接通键D.挂断键【答案】 B2、根据《火灾自动报警系统施工及验收规范》,交流供电和()V以上直流供电的消防和电设备金属外壳应有接地保护,其接地线应与电气保护接地千线(PE)相连接。
A.100B.60C.36D.24【答案】 C3、消防用电设备及消防电梯等的供电,应在其配电线路的最末一级配电箱处()切换。
A.手动B.电动C.自动D.机械4、按照国家标准《火灾分类》GB/T4968-2008的规定,下列物质发生火灾属于C类火灾的是()。
A.棉B.乙醇C.甲烷D.变压器【答案】 C5、灭火器维修是指为确保灭火器安全使用和有效灭进行的检查、再充装和必要的部件更换等工作。
有一灭火器配置单元配置灭火器16具,送修灭火器时,一次送修数量不得超过()具。
A.3B.4C.5D.6【答案】 B6、关于柴油发电机组的说法正确的是()。
A.应急发电机组有柴油发电机组和燃气轮机发电机组B.柴油发电机组的容量应满足整个建筑物内所有消防设备同时运行时的容量要求C.当柴油发电机组兼做其他重要设备的备用电源时,还应考虑备用电源的容量D.柴油发电机组兼做其他重要设备的备用电源时,要考虑主备电源同时使用的情况7、对于泡沬比例混合装置与泡沫液罐的安装与施工不符合要求的是:()A.泡沬液罐的安装位置和高度应符合设计要求。
B.常压泡沬液罐的现场制作、安装和防腐应符合设计要求。
C.压力式泡沫液罐安装时,支架应与基础牢固固定,且不应拆卸和损坏配管、附件;罐的安全阀出口应朝向操作面。
D.设在室外的泡沬液罐的安装应符合设计要求,并应根据环境条件采取防晒、防冻、防腐等措施。
【答案】 C8、柴油机消防泵组的国际标准名称为“工程用柴油机消防泵组”,它以()为动力,驱动消防水泵,输出压力水或空气泡沫混合液进行消防灭火工作。
泡沫消防泵的工作原理泡沫消防泵是一种特殊的消防设备,它在灭火过程中起着至关重要的作用。
泡沫消防泵的工作原理主要涉及对泡沫液和水的混合、压缩和喷射,以形成泡沫并喷射到火源上,起到灭火作用。
以下是关于泡沫消防泵的工作原理及其拓展内容的详细介绍:一、泡沫消防泵的工作原理1.当保护场所起火后,泡沫消防泵会自动或手动启动。
此时,出水阀门打开,水流经过泡沫比例混合器。
2.在泡沫比例混合器中,泡沫液与水按规定的比例混合,形成泡沫混合液。
这一过程中,装置的比例混合器会向泡沫液储罐内分别引入两根管路,制造流体动压差。
系统工作压力高的管路向泡沫液储罐充水,压力低的管路将泡沫液引进比例混合器,实现泡沫液与水的混合。
混合比可以通过更换孔板来调整。
3.形成的泡沫混合液经过泡沫混合液管道,被输送到泡沫产生装置。
在这里,泡沫混合液被转化为空气泡沫。
4.产生的空气泡沫流淌、覆盖到燃烧液面或施放到着火对象上,隔绝空气,吸收热量,从而实施灭火。
二、拓展内容1.泡沫灭火系统的分类:根据安装方式,泡沫灭火系统可分为固定式、半固定式和移动式。
根据泡沫发泡倍数,可分为低倍数、中倍数和高倍数泡沫灭火系统。
此外,根据泡沫喷射形式,还可分为液上、液下和半液下泡沫喷灭火系统。
2.泡沫比例混合装置:除了环泵式泡沫比例混合器外,还有管线式、压力式和平衡压力式等不同类型的泡沫比例混合装置。
这些装置各有特点,适用于不同的消防场景和需求。
3.泡沫产生装置:包括低倍、高倍和中倍泡沫产生器、高背压泡沫产生器、泡沫喷头、泡沫枪、泡沫炮和泡沫钩管等多种类型。
这些装置可根据火源的大小、位置和类型进行选择和使用。
4.消防泡沫泵的应用场景:消防泡沫泵广泛应用于石油、化工、仓库、机场、码头等场所的消防灭火。
这些场所通常存放着大量易燃易爆物品,一旦发生火灾,后果将不堪设想。
因此,配备高效可靠的消防设备至关重要。
5.操作与维护:为确保消防泡沫泵在关键时刻能够正常工作,需要定期对其进行检查和维护。
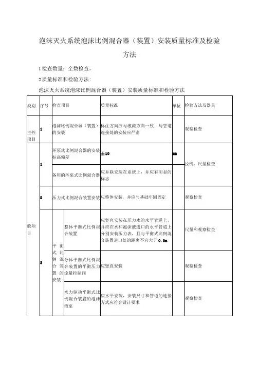
特别推荐:泡沫比例混合器(装置)的安装1.一般要求(1)安装要求①安装时,要使泡沫比例混合器(装置)的标注方向与液流方向一致。
各种泡沫比例混合器(装置)都有安装方向,在其上有标注,因此安装时不能装反,否则吸不进泡沫液或泵打不进去泡沫液,使系统不能灭火。
所以,安装时要特别注意标注方向与液流方向必须一致。
②泡沫比例混合器(装置)与管道连接处的安装要保证严密,不能有渗漏,否则,影响混合比。
(2)检测方法:观察检查。
其中第2)项主要是在调试时进行观察检查,因为只有管道充液调试时,才能观察到连接处是否有渗漏。
2.环泵式比例混合器的安装(1)安装要求①各部位连接顺序:环泵式比例混合器的进口要与水泵的出口管段连接,环泵式比例混合器的出口要与水泵的进口管段连接;环泵式比例混合器的进泡沫液口要与泡沫液储罐上的出液口管段连接。
环泵式泡沫比例混合器如图3-8-3-1所示,该类型比例混合器是利用文丘里管原理的第一代产品,根据其工作原理,消防泵进出口压力、泡沫液储罐液面与比例混合器的高差是影响其泡沫混合液混合比的两方面因素。
环泵式泡沫比例混合器的限制条件较多,设计难度较大,但其结构简单、工程造价低、且配套的泡沫液储罐为常压储罐,便于操作、维护、检点击【消防工程师学习资料】或打开/category/xfs1?wenkuwd,注册开森学(学尔森在线学习平台)账号,免费领取学习大礼包,包含:①真题答案及解析修、试验;②环泵式比例混合器安装标高的允许偏差为±10mm;③为了使环泵式比例混合器出现堵塞或腐蚀损坏时,备用的环泵式比例混合器能立即投入使用,备用的环泵式比例混合器需要并联安装在系统上,并要有明显的标志。
(2)检测方法:第①、③项用观察检查,第②项用拉线、尺量检查。
3.压力式比例混合装置的安装(1)安装要求①压力式比例混合装置的压力储罐和比例混合器出厂前已经安装固定在一起,因此,压力式比例混合装置要整体安装。
从外观上看,压力式比例混合器有横式和立式两种,实物图见图3-8-3-2所示。
中级消防设施操作员《理论知识》题库必做100题(含答案)选择题:1.以自动或手动方式启动消防水泵时,消防水泵应在()s内投入正常运行。
A.15B.20C.30D.55【答案】C2.气压给水设备的安全阀应能在规定的开启压力下动作,开启压力不得大于设备最高工作压力的()倍。
A.1.05B.1.1C.1.2D.1.25【答案】A3.()分为局部应用式、移动式两种类型。
A.低倍数泡沫灭火系统B.中倍数泡沫灭火系统C.高倍数泡沫灭火系统D.泡沫炮灭火系统【答案】B4.局部应用式中倍泡沫灭火系统适用于()m2以内的液体流火灾。
A.50B.100C.150D.200【答案】B5.泡沫喷淋系统与泡沫一水喷淋系统控制应具自动、手动和应急机械启动功能,在自动控制状态下,系统的响应时间不应大于()s。
A.30B.45C.60D.90【答案】C6.泡沫泵站与保护对象的距离不宜小于30m,且应满足在泡沫消防泵启动后,将泡沫混合液或泡沫输送到最远保护对象的时间不宜大于()min。
A.3B.5C.10D.15【答案】B7.表示低倍数空气泡沫产生器装置的代号是()。
A.PHD.PHP【答案】B8.环泵式泡沫比例混合器吸液口不应高出泡沫液储罐最低液面()m,否则泡沫混合液的混合比难以保证。
A.0.5B.1C.1.5D.2【答案】B9.消防电梯的载重量不应小于()kg。
A.500B.700C.800D.1000【答案】C10.线型光束感烟探测器光束轴线至顶棚的垂直距离宜为0.3-1.0m,距地高度不宜超过()m。
A.20B.15C.10D.5【答案】A11.在图形显示装置(CRT)中,查询历史记录可通过“()”菜单实现。
A.维保记录B.设备信息C.备份数据库D.日志查询【答案】D12.火灾自动报警系统中,光报警器不宜和消防应急疏散指示标志安装在同一面墙上,当安装在同一面墙上时,距离应大于()米。
A.0.5B.1C.1.5D.1.8【答案】B13.水成膜泡沫灭火剂灭火时间是()s。
泡沫灭火系统组件及设置要求Document serial number【KKGB-LBS98YT-BS8CB-BSUT-BST108】第一章泡沫灭火系统组件及设置要求泡沫灭火系统一般由泡沫液、泡沫消防水泵、泡沫混合液泵、泡沫液泵、泡沫比例混合器装置、压力容器、泡沫产生装置、火灾探测与启动控制装置、控制阀门及管道及其它附件组成。
系统组件必须经国家级产品质量监督检验机构检验合格,并且必须符合设计用途。
一、泡沫消防泵(一)泡沫消防水泵、泡沫混合液泵的选择与设置要求泡沫消防水泵、泡沫混合液泵应选择特性曲线平缓的离心泵,且其工作压力和流量应满足系统设计要求;当采用水力驱动平衡式比例混合装置时,应将其消耗的水流量计入泡沫消防水泵的额定流量内;当采用环泵式比例混合器时,泡沫混合液泵的额定流量应为系统设计流量的倍;泵进口管道上,应设置真空压力表或真空表;泵出口管道上,应设置压力表、单向阀和带控制阀的回流管。
(二)泡沫液泵的选择与设置要求泡沫液泵的工作压力和流量应满足系统最大设计要求,并应与所选比例混合装置的工作压力范围和流量范围相匹配,同时应保证在设计流量下泡沫液供给压力大于最大水压力;泡沫液泵的结构形式、密封或填充类型应适宜输送所选的泡沫液,其材料应耐泡沫液腐蚀且不影响泡沫液的性能;除水力驱动型泵外,泡沫液泵应按《泡沫灭火系统设计规范》(GB50151-2010)对泡沫消防泵的相关规定设置动力源和备用泵,备用泵的规格型号应与工作泵相同,工作泵故障时应能自动与手动切换到备用泵;泡沫液泵应耐受时长不低于10min的空载运行。
二、泡沫比例混合器泡沫比例混合器是一种使水与泡沫原液按规定比例混合成的混合液,以供泡沫产生设备发泡的装置。
我国目前生产的泡沫比例混合器有环泵式泡沫比例混合器、压力式泡沫比例混合器、平衡压力泡沫比例混合器、管线式泡沫比例混合器。
(一)环泵式泡沫比例混合器环泵式泡沫比例混合器固定安装在泡沫消防泵的旁路上,其混合流程如图3-7-7所示。
国家消防规范泡沫混合装置的范畴:压力式比例混合装置;平衡式比例混合装置;管线式比例混合器;环泵式比例混合器。
一:定义泡沫比例混合装置,是用泡沫灭火剂和水按一定比例混合形成泡沫混合液的装置。
二:泡沫混合装置(一)平衡式比例混合装置平衡式比例混合装置型号的标示含义:流量有一定宽度,一般以流量上限分为五个档次(①大于200L/s;②小于接近200L/s;③小于接近150L/s;④小于接近100L/s;⑤小于接近64L/s)混合比常用有两种:①3%;②6%驱动方式常用有五种(①SS 双水轮机驱动;②SS 机械泵入式;③DD 双电动机驱动;④DS一电动机一水轮机驱动;⑤DC 一电动机一柴油机驱动)。
1、SS双水轮机平衡式比例混合装置2、SD一水一电平衡式比例混合装置3、DD双电平衡式比例混合装置4、一电一柴平衡式比例混合装置5、机械泵入式比例混合装置(二)压力式比例混合装置压力式比例混合装置型号的标示含义:流量有一定宽度,一般以流量上限分为四个档次(①小于160L/s;②小于接近100L/s;③小于接近64L/s;④小于接近32L/s。
)贮罐容积一般根据客户要求定制,贮罐容积一般不超过10立方,容积在型号标示里需要x10。
混合比常用有两种:①3%;②6%例:PHYM32/20(6%)是指有隔膜的压力式比例混合装置,流量上限为32L/s,贮罐容积2.0立方;,混合比6%。
三:安装及维护安装:安装时,要使泡沫比例混合器(装置)的标注方向与液流方向一致。
各种泡沫比例混合器(装置)都有安装方向,在其上有标注,因此安装时不能装反,否则吸不进泡沫液或泵打不进去泡沫液,使系统不能灭火。
所以,安装时要特别注意标注方向与液流方向必须一致。
维护:采用常压式不锈钢泡沫液储罐,维护简捷,可靠性高,使用寿命长。
江西西河机械设备有限公司目前主要消防产品包含消防炮、炮塔、泡沬灭火系统、防撞调压消火栓、炮座、石化专用消火栓箱、船用消防炮、船用泡沬灭火系统等。
泡沫比例混合器原理图泡沫比例混合器是一种用于混合不同比例的液体和气体以产生泡沫的设备。
它通常被广泛应用于消防、矿山、化工等行业,用于灭火、矿井通风或者生产泡沫材料等工艺。
泡沫比例混合器的原理图如下:首先,泡沫比例混合器由进液管、进气管、比例控制阀、混合室和出泡沫管等组成。
当液体和气体进入混合室时,比例控制阀会根据预设的比例自动调节液体和气体的流速,使其在混合室内充分混合。
混合好的泡沫通过出泡沫管输出到需要的地方。
其次,泡沫比例混合器的原理是利用比例控制阀来控制液体和气体的流速,从而实现混合的目的。
比例控制阀通常由电磁阀或气动阀控制,可以根据需要进行手动或自动调节。
通过调节比例控制阀,可以实现不同比例的液体和气体混合,满足不同工艺的需求。
另外,泡沫比例混合器的原理图中还包括进液管和进气管。
进液管用于输送液体,进气管用于输送气体。
液体和气体进入混合室后,经过比例控制阀的调节,混合成泡沫后通过出泡沫管输出。
进液管和进气管的直径和长度对混合效果有一定影响,需要根据实际情况进行合理设计。
最后,泡沫比例混合器的原理图中的混合室是泡沫混合的关键部位。
在混合室内,液体和气体充分混合,形成稳定的泡沫。
混合室的设计和结构对泡沫的质量和稳定性有重要影响,需要考虑流体力学和热力学等因素,确保混合效果达到预期要求。
综上所述,泡沫比例混合器原理图中的各个部件相互配合,通过比例控制阀调节液体和气体的流速,实现不同比例的混合。
混合室是泡沫混合的关键部位,设计合理的混合室可以确保泡沫的质量和稳定性。
泡沫比例混合器在各行业中有着重要的应用,其原理图的设计和优化对设备的性能和效率有着重要的影响。
PH环泵式负压泡沫比例混合器的操作规范1 范围本规程规定了负压泡沫比例混合器操作要求和安全注意事项。
本规程适用于负压泡沫比例混合器操作。
2 规范性引用文件下列文件中的条款通过本标准的引用而成本标准的条款。
凡是注日期的引用文件,其随后所有的修改或修订版均不适用本标准。
然而鼓励根据本标准达成各方可使用的最新版本。
凡是不注日期的引用文件,其最新版本适用本标准。
GB 50151—2010泡沫灭火系统设计规范Q/SY LH LJ 0734—2013 强自吸离心式消防水泵启停操作规范3 操作前准备工作3.1 操作人员必须两人以上,且穿戴好劳动保护用品。
3.2 泡沫罐出液、泡沫泵进水流程确认正常,相关阀门灵活好用。
3.3 检查泡沫罐液位正常。
4 启动操作4.1 在消防系统启动时,首先打开吸液阀阀门(即泡沫罐出液阀)。
4.2 转动负压比例混合器的调节手柄,使指示牌指针指向相应档位。
4.3 启动泡沫泵执行Q/SY LH LJ 0734—2013 《强自吸离心式消防水泵启停操作规范》,水泵压力达到0.6-1.2MPa之间。
4.4 打开负压比例混合器进水阀,则开始吸液。
5 停止操作5.1 关闭吸液阀,泡沫泵继续运转几分钟,将负压混合器内部及管路中泡沫液和泡沫混合液冲洗干净。
5.2 关闭负压比例混合器进水阀。
5.3 停止泡沫泵,执行Q/SY LH LJ 0734—2013 《强自吸离心式消防水泵启停操作规范》。
5.4 挂好机泵停运指示牌,做好记录。
6 安全注意事项6.1 泡沫储罐必须通过与大气接通,否则大气压无法对储罐内泡沫液起作用而导致吸不上泡沫液.6.2 按顺序开闭消防系统阀门。
6.3 负压比例混合器调节球阀应开至所需泡沫混合液数总量的档位上。
7 可能发生的危害机械伤害、触电。
8应急处置发生机械伤害、触电伤害时,应立即采取措施使伤者脱离危险区域,执行本岗位应急处置程序。
泡沫混合比例装置是用于将水和泡沫液按一定比例混合以产生灭火泡沫的关键设备。
泡沫混合比例装置的类型主要包括:
1. 环泵式泡沫比例混合器:适用于建有独立泡沫消防泵站的单位,且储罐规格较单一的甲、乙、丙类液体储罐区。
这种类型的混合器结构简单,工程造价较低。
2. 压力式泡沫比例混合器:由泡沫罐、压力式比例混合器、隔膜、进水管、出液管及控制阀等组成。
它能自动将水与泡沫按照一定的比例混合,输出泡沫混合液供泡沫产生器、泡沫枪、泡沫炮等喷射设备产生泡沫。
3. 平衡式泡沫比例混合器:这种类型的混合器能够在不同的供水压力下保持相对稳定的混合比例。
4. 管线式泡沫比例混合器:通常安装在消防系统的供水管线上,以便在需要时迅速将泡沫液混入供水中。
泡沫混合比例装置的应用范围非常广泛,包括油库储罐区、化工厂、飞机库、油田、燃油发电厂、锅炉房、地下车库、危险品仓库、化工品仓库等场所。
它们在火灾预防和灭火工作中起着至关重要的作用,能够有效地控制和扑灭液体火灾。
在选择和使用泡沫混合比例装置时,需要考虑其性能特点、技术参数以及适用的工作环境,确保能够在紧急情况下有效地发挥作用。
同时,由于影响混合比精度的因素较多,如泡沫混液泵进出口压力、泡沫液储罐液面与比例混合器高差等,因此在设计和安装时需要特别注意这些因素,以确保混合比例的精确性。