平衡式泡沫比例混合装置操作说明与安装要求
- 格式:docx
- 大小:322.80 KB
- 文档页数:3
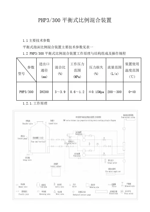
PHP3/300平衡式比例混合装置1.1主要技术参数平衡式泡沫比例混合装置主要技术参数见表一1.2 PHP3/300平衡式比例混合装置工作原理与结构组成及操作规程1.2.1.工作原理参数 型号进出口通径(mm)混合比(%)工作压力范围(MPa)压力损失(%)流量范围(L/s)装置使用温度范围 (℃)PHP3/300 DN200 3~3.9 0.6~1.2 ≦0.15Mpa 200~300 0-40由水泵提供的压力水在流经泡沫比例混合器时,该装置开始工作时,泡沫泵将储存在常压容器内的泡沫液注入装置管路,压力泡沫一路进入平衡阀回流至泡沫泵的进口端;一路进入平衡阀,再进入比例混合器,经泄压/持压阀和平衡阀的调压平衡后,适量的泡沫液与压力水按比例自动混合成泡沫混合液。
泡沫混合液被输送至泡沫产生器、泡沫枪、泡沫炮或其它泡沫喷射设备,产生空气泡沫扑救甲、乙、丙类液体火灾。
1.2.2.结构组成PHP3/300平衡式比例混合装置主要由电动机(柴油机)、常压泡沫液储罐、平衡阀、安全阀、泡沫比例混合器、泡沫泵、泡沫泵控制柜、底座及管道附件等集成为一体,结构紧凑。
结构如图:1.2.3.各组成部件及用途序号部件型号、名称用途状态伺应状态工作状态1 电动机(主) 设备驱动装置停止运转2 电动机(备)(柴油机)设备驱动装置停止主泵不能正常工作时使用3 常压泡沫液储罐储存泡沫液充满泡沫液输出泡沫液4 泡沫液电动截止阀控制泡沫液供给常闭自动/手动打开5 过滤器过滤泡沫液中杂质/ /6 单向阀防止消防压力水回流浮动浮动7 防震压力表显示进口水压力及出口混合液压力无信号输出压力值8 排污阀排出设备中残余液体常闭排污时打开9 泡沫泵控制柜控制泡沫泵工作运转/ /10 冲洗口球阀装置冲洗时使用常闭冲洗时打开11 冲洗球阀装置冲洗时使用常闭冲洗时关闭12 底座安放、支撑装置/ /13 比例混合器输出泡沫混合液/ /14 平衡阀调节进入比例混合器的泡沫液量,保证混合比常闭自动开启调节15 泡沫泵(主) 供给泡沫液 停止 运转16 泡沫泵(备) 备用泵,供给泡沫液 停止主泵不能正常工作时使用 17 安全阀 紧急泄压,保护装置管路不动作超压后动作1.2.1.操作规程PHP3/300平衡式比例混合装置动作程序如下:PHP3/300平衡式泡沫比例混合装置操作过程:起动前的准备与检查:1)检查发动机热交换器的存水量,及时补充冷却水,并检查冷却系统各部,应无漏水现象;2)检查发动机油底壳油量是否适当,不足时及时添加。
消防泡沫比例混合装置-消防泡沫罐01 消防泡沫比例混合装置用途压力式泡沫比例混合装置(以下简称装置)是高、中、低倍数泡沫灭火系统的一个关键设备:它可装置于低、中倍数的油罐用泡沫灭火系统、低倍数泡沫喷淋灭火系统、高倍数的全淹沫式泡沫灭火系统。
02 装备结构及工作原理泡沫比例混合装置主要由压力式比例混合器、贮罐、隔膜(即胶囊)、连接管路、阀门、仪表等组成(见图一)。
其工作原理是:压力水进入压力式比例混合器后由进水支管进入贮罐,挤压胶囊置换出泡沫灭火剂(泡沫浓缩液),泡沫灭火剂和水按设计的比例(3%或6%)混合成泡沫混合液。
1安全阀2.球阀3.比例混合器4.罐、膜夹层排气阀5压力表6.止回阀7.隔膜8.灌、排泡沫口9.排水口10.贮罐11.隔膜内腔排气阀图一:压力隔膜式空气泡沫比例混合装备构成示意图03压力式泡沫比例混合装置各种系统示例图04混合装置安装、使用说明装置的安装安装时压力水的水流方向应与装置上比例混合器的箭头所指方向一致。
在比例混合器前应没压力表、单向阀、控制阀、管道过滤器等。
当系统采用自动控制时,还应设压力开关和电(或气)控阀门等。
压力式泡沫比例混合装置的作用 A、比例混合器要在规定的压力和混合液流量范围内使用,比例混合器输出的混合液量的混合比可以随水流量的变化在规定的流量范围内自动调节,保持稳定的混合比。
B、当压力水通过比例混合器时开启进入贮藏的进水阀,比时观察压力表,当压力达到设汁压力值时,立即开启出液阀,这时装置开始工作。
C、使用结束后,应先将出液阀关闭,再将进入贮罐的进水阀关闭。
如果有较多剩余的泡沫液仍准备在短时问第二次使用时,暂时不用将贮罐中水放出。
泡沫液(泡沫灭火剂)补充上次隔膜内使用剩余的泡沫液下次还可继续使用,只须补充回原来的充装量即可,补充的泡沫液型号必须是与上次同一厂家同一型号的泡沫液。
充装方法有两种:第一种是打开罐顶最大的法兰及罐、膜夹层排气阀,然后用加液泵从灌、排泡沫液口加液,加好后将排液阀和排气阀关闭。
压力式泡沫比例混合装置(型号:PHYM24/10、PHYM24/15、PHYM32/20、PHYM32/25、PHYM32/30、PHYM48/40、PHYM48/50、PHYM48/55、PHYM64/60、PHYM64/76、PHYM64/80、PHYM80/100、PHYM100/110、PHYM120/130)使用说明书制造商:渤盾消防设备地址:市津南区小站工业园:8传真:3 邮编:300353目录一、概述 (1)二、产品规格及型号 (2)三、结构及工作原理 (2)四、性能参数与结构尺寸 (3)五、安装 (5)六、使用方法 (5)七、维护和保养 (7)八、故障排除 (7)九、保修围 (7)一、概述PHYM系列压力式泡沫比例混合装置由泡沫罐、压力式比例混合器、隔膜、进水管、出液管及控制阀等组成。
当压力水流经该装置的比例混合器时,能使水与泡沫按一定的比例进行自动混合,输出泡沫混合液供泡沫产生器、泡沫枪、泡沫炮等喷射设备产生喷射空气泡沫进行灭火。
该装置可与消防泵(或消防车)、泡沫产生及喷射设备组成固定式(或半固定式)泡沫灭火系统(见图一)。
广泛用于扑灭甲(液化烃除外)、乙、丙类液体火灾,具有安全可靠、灭火效率高等优点,是油库、炼油厂、化工厂、油田、码头、油轮、飞机库、机场及燃油锅炉房等场所最普遍配置使用的消防设备。
图一、PHYM系列泡沫灭火示意图二、产品规格及型号PHYM系列贮罐压力式泡沫比例混合装置按填盛方式分隔膜式、普通型;按罐体放置方式分卧式、立式两种形式。
泡沫混合比一般为3%或6%,亦可提供8%的混合液用于中倍数泡沫灭火系统。
该装置混合液流量32-160L/s,贮罐容积有1000-15000L不同规格。
根据所需要的混合液流量和泡沫喷射时间,比例混合器和泡沫罐可任意组合成系列产品,以满足工程应用的需要。
PHYM系列贮罐压力式泡沫比例混合装置的型号意义标记示例:PHYM32/55-6 表示最大流量为32L/S,泡沫液储罐容积为5.5M3,混合比为6%的隔膜型压力式比例混合装置。
(一)消防泵的安装一、消防泵应整体安装在基础上,安装时对组件不得随意拆卸,确需拆卸时,应由制造厂进行。
二、消防泵应以底座水平面为基准进行找平、找正。
三、消防泵与相关管道连接时,应以消防泵的法兰端面为基准进行测量和安装。
四、消防泵进水管吸水口处设置滤网时,滤网架的安装应牢固;滤网应便于清洗。
五、当消防泵采用内燃机驱动时,内燃机冷却器的泄水管应通向排水设施。
六、内燃机驱动的消防泵,其内燃机排气管的安装应符合设计要求,当设计无规定时,应采用直径相同的钢管连接后通向室外。
(二)泡沫比例混合装置的安装一、泡沫比例混合器(装置)的安装应符合下列规定:1.泡沫比例混合器(装置)的标注方向应与液流方向一致。
2.泡沫比例混合器(装置)与管道连接处的安装应严密。
二、环泵式比例混合器的安装应符合下列规定:1.环泵式比例混合器的安装标高的允许偏差为±10mm。
2.备用的环泵式比例混合器应并联安装在系统上,并应有明显的标志。
三、压力式比例混合装置应整体安装,并应与基础牢固固定。
四、平衡式比例混合装置的安装应符合下列规定:1.整体平衡式比例混合装置应竖直安装在压力水的水平管道上;并应在水和泡沫液进口的水平管道上分别安装压力表,且与平衡式比例混合装置进口处的距离不宜大于0.3m。
2.分体平衡式比例混合装置的平衡压力流量控制阀应竖直安装。
3.水力驱动式平衡式比例混合装置的泡沫液泵应水平安装,安装尺寸和管道的连接方式应符合设计要求。
五、管线式比例混合器应安装在压力水的水平管道上或串接在消防水带上,并应靠近储罐或防护区,其吸液口与泡沫液储罐或泡沫液桶最低液面的高度不得大于1.0m。
江西西河机械设备有限公司主要消防产品包含消防炮、炮塔、泡沬灭火系统、防撞调压消火栓、炮座、石化专用消火栓箱、船用消防炮、船用泡沬灭火系统等。
所有系列产品均经公安部消防产品检测中心的认可,并取得型式认可证书。
消防炮、泡沫系统产品获得中国CCS船级社颁发型式认可证书。
压力式泡沫比例混合装置使用说明与操作流程东营市亚通石化廷振一、泡沫比例混合装置的特点与用途贮罐压力式泡沫比例混合装置由泡沫罐、压力式比例混合器、隔膜、进水管、出液管与控制阀门等组成。
当压力水流经该装置的比例混合器时,能使水与泡沫液按一定的比例进行自动混合,输出泡沫混合液供泡沫产生与喷射设备产生空气泡沫进行灭火。
该装置可与消防泵(或消防车)、泡沫产生与喷射设备组成固定式(或半固定式)泡沫灭火系统(见图一),广泛应用于扑灭甲(液化气除外)、乙、丙类液体火灾,具有安全可靠、灭火效率高等优点,是油库、炼油厂、化工厂、油田、码头、油轮、飞机库、机场与燃油锅炉房等场所最普遍使用的消防设备。
图一、贮罐压力式空气泡沫比例混合装置泡沫灭火系统示意图二、规格与型号压力式泡沫比例混合装置按填盛方式分隔膜型、普通型,按罐体放置方式分卧式、立式两种形式。
泡沫混合比一般为3%或6%,亦可提供8%的混合液用于中倍数泡沫灭火系统。
该装置混合液流量32-160L/S,贮罐容积为1000-16000L不同规格。
根据所需要的混合液流量和泡沫喷射时间、比例混合器和泡沫罐可任意组合成系列产品,以满足工程应用的需要。
三、结构与工作原理压力式泡沫比例混合装置由罐体(普通型或隔膜型)、比例混合器总成、进水管路总成、出水管总成,排液管总成等组成。
当消防水泵的压力水沿供水管道进入比例混合器时,一部分压力水经进水管道流入泡沫液贮罐,将罐(或隔膜)的泡沫液压出,泡沫液通过出液管道进入压力比例混合器,在混合器中与水按规定的比例形成混合液流出混合器,再通过混合液管被送入泡沫产生设备,喷射泡沫进行灭火(见图二)。
该装置中设定为水压超过1.2Mpa时即能自动泄压,以保持装置安全。
(一)普通型由于溢水环安装在罐体的最上方,进入管路流入罐的压力水能从罐上方缓缓流出,水与泡沫液不会快速混合,保持比重大于水的泡沫药剂始终在水的下方,以满足比例混合器按比例使泡沫液与水的混合要求。
泡沫灭火系统使用说明书陕西领航科技发展有限公司陕西时代领航消防设备有限公司目录压力式泡沫比例混合装置 (1)平衡式泡沫比例混合装置 (11)移动式泡沫灭火装置 (22)空气泡沫产生器 (24)泡沫消火栓箱 (32)闭式泡沫—水喷淋系统 (34)泡沫灭火剂 (39)泡沫液的选择、储存和配制 (41)公司部分业绩 (42)压力式泡沫比例混合装置压力式泡沫比例混合装置由泡沫液压力储罐和泡沫比例混合器两部分组成,是贮存泡沫液并将泡沫液和水按一定比例混合的设备。
一、特点1.系统不需要单独配置泡沫液泵,可直接借用消防压力水驱动泡沫液,节约了设备成本。
2.混合比准确、稳定,能确保泡沫灭火最佳的混合比例,使灭火迅速可靠。
3.压力损失小,能确保系统末端泡沫产生设备所需压力。
4.泡沫液与水通过胶囊隔离,泡沫液不会因为一次使用而失效。
便于使用、调试和日常试验。
5.操作维护方便,占地面积小,可用于自动控制。
6.有多种容量泡沫液储罐和不同流量比例混合器配用,可满足多种泡沫产生设备需求。
7.可广泛用于低、中、高倍数泡沫灭火系统。
二、技术参数1.产品型号P H Y M /主参数:分母表示储罐立方容积的10倍值分子表示泡沫混合液流量L/s特征: L表示立式泡沫罐无字母表示卧式泡沫罐特征:隔膜式特征:压力式组别:混合器类别:泡沫设备2.性能参数表1.1 PHYM系列(卧式)工作压力范围0.6~1.2MPa额定工作压力 1.0MPa试验压力强度试验 1.5MPa 密封试验 1.32MPa储罐容积0.5~13m3配用比例混合器PHY4~PHY200 比例混合器混合比3%或6%进出口压力降≤0.15MPa表1.2 PHYML系列(立式)工作压力范围0.6~1.2MPa 额定工作压力 1.0MPa试验压力强度试验 1.5MPa 密封试验 1.32MPa储罐容积0.5~3m3配用比例混合器PHY4~PHY32比例混合器混合比3%或6%进出口压力降≤0.15MPa三、工作原理当消防压力水流经该设备时,比例混合器将其按比例分流,其中一小部分水进入带胶囊的泡沫液储罐夹层,挤压胶囊,置换出等体积的泡沫液与其余主管道的消防水混合为一定比例的泡沫混合液,并输送给泡沫产生设备。
一级消防工程师考试考点:泡沫比例混合器(装置)的安装[ 3月28日 ]泡沫比例混合器(装置)的安装(1)安装要求①安装时,要使泡沫比例混合器(装置)的标注方向与液流方向一致。
各类泡沫比例混合器(装置)都有安装方向,在其上有标注,因此安装时不能装反,不然吸不进泡沫液或泵打不进去泡沫液,使系统不能灭火。
因此,安装时要专门注意标注方向与液流方向必需一致。
②泡沫比例混合器(装置)与管道连接处的安装要保证周密,不能有渗漏,不然,阻碍混合比。
(2)检测方式:观看检查。
其中第2)项主若是在调试时进行观看检查,因为只有管道充液调试时,才能观看到连接处是不是有渗漏。
(1)安装要求①各部位连接顺序:环泵式比例混合器的入口要与水泵的出口管段连接,环泵式比例混合器的出口要与水泵的入口管段连接;环泵式比例混合器的进泡沫液口要与泡沫液储罐上的出液口管段连接。
环泵式泡沫比例混合器如图3-8-3-1所示,该类型比例混合器是利用文丘里管原理的第一代产品,依照其工作原理,消防泵进出口压力、泡沫液储罐液面与比例混合器的高差是阻碍其泡沫混合液混合比的两方面因素。
环泵式泡沫比例混合器的限制条件较多,设计难度较大,但其结构简单、工程造价低、且配套的泡沫液储罐为常压储罐,便于操作、保护、检修、实验;②环泵式比例混合器安装标高的许诺误差为±10mm;③为了使环泵式比例混合器显现堵塞或侵蚀损坏时,备用的环泵式比例混合器能当即投入利用,备用的环泵式比例混合器需要并联安装在系统上,并要有明显的标志。
(2)检测方式:第①、③项用观看检查,第②项用拉线、尺量检查。
(1)安装要求①压力式比例混合装置的压力储罐和比例混合器出厂前已经安装固定在一路,因此,压力式比例混合装置要整体安装。
从外观上看,压力式比例混合器有横式和立式两种,实物图见图3-8-3-2所示。
从结构上来分,压力式比例混合装置又可分为无囊式压力比例混合装置和囊式压力比例混合装置两种。
压力式泡沫比例混合装置使用说明及操作规程Last revision on 21 December 2020压力式泡沫比例混合装置使用说明及操作流程东营市亚通石化有限公司李廷振一、泡沫比例混合装置的特点及用途贮罐压力式泡沬比例混合装置由泡沬罐、压力式比例混合器、隔膜、进水管、出液管及控制阀门等组成。
当压力水流经该装置的比例混合器时,能使水与泡沬液按一定的比例进行自动混合,输出泡沬混合液供泡沬产生及喷射设备产生空气泡沬进行灭火。
该装置可与消防泵(或消防车)、泡沫产生及喷射设备组成固定式(或半固定式)泡沫灭火系统(见图一),广泛应用于扑灭甲(液化气除外)、乙、丙类液体火灾,具有安全可靠、灭火效率高等优点,是油库、炼油厂、化工厂、油田、码头、油轮、飞机库、机场及燃油锅炉房等场所最普遍使用的消防设备。
图一、贮罐压力式空气泡沫比例混合装置泡沫灭火系统示意图二、规格及型号压力式泡沬比例混合装置按填盛方式分隔膜型、普通型,按罐体放置方式分卧式、立式两种形式。
泡沬混合比一般为3%或6%,亦可提供8%的混合液用于中倍数泡沫灭火系统。
该装置混合液流量32-160L/S,贮罐容积为1000-16000L不同规格=根据所需要的混合液流量和泡沬喷射时间、比例混合器和泡沬罐可任意组合成系列产品,以满足工程应用的需要。
三、结构及工作原理压力式泡沫比例混合装置由罐体(普通型或隔膜型)、比例混合器总成、进水管路总成、出水管总成,排液管总成等组成。
当消防水泵的压力水沿供水管道进入比例混合器时,一部分压力水经进水管道流入泡沫液贮罐,将罐内(或隔膜内)的泡沫液压出,泡沫液通过岀液管道进入压力比例混合器,在混合器中与水按规定的比例形成混合液流出混合器,再通过混合液管被送入泡沫产生设备,喷射泡沫进行灭火(见图二)。
该装置中设定为水压超过时即能自动泄压,以保持装置安全。
(一)普通型山于溢水环安装在罐体内的最上方,进入管路流入罐内的压力水能从罐内上方缓缓流出,水与泡沫液不会快速混合,保持比重大于水的泡沫药剂始终在水的下方,以满足比例混合器按比例使泡沫液与水的混合要求。
公司主营:泡沫灭火装置、泡沫灭火剂、消防机器人、智能疏散系统、自动跟踪定位射流灭火装置(智能水炮)、干粉灭火系统、自动喷水灭火系统、消防炮、消防炮塔、消防阀门、消防箱、抗震支架等。
泡沫罐(压力式比例混合装置)型号:PHYM消防泡沫罐主要由带胶囊的泡沫液压力储罐与利用文丘里原理制成的PHYM型压力式比例混合器组成,当系统管网中的水流经比例混合器减压孔板时,在孔板的前后会形成压差。
压高处的一部分水(3%或6%)通过泡沫罐的进水管进入罐内,挤压胶囊,将胶囊中的泡沫液通过泡沫罐的出液管挤压至比例混合器低压处与水混合形成泡沫混合液,形成的泡沫混合液输出到泡沫产生设备(中、低、高倍数泡沫产生器,泡沫枪,泡沫炮等)与空气混合产生泡沫灭火。
该装置广泛用于油库、化工厂、机库、油田、燃油锅炉、地下车库等场所。
PHYM系列消防泡沫罐由压力罐、胶囊、比例混合器、安全阀、排气阀、压力表、单向阀及各类控制阀及管道组成。
由泵组供给压力水,将泡沫按一定比例置换出来后与压力水混合成泡沫混合液。
由于胶囊将泡沫液与水隔开,泡沫液一次没用完,下次可以继续使用且混合精度稳定、可靠。
1 / 61 / 6分体式泡沫罐安装方式(常用于地下室):化工类企业泡沫罐安装示意图:希望对大家有所帮助,多谢您的浏览!公司简介公司于1995年成立,现有自建标准厂房、宿舍楼、办公楼共30000多平方米,有各种先进的生产设备和现代化的检测中心,并通过ISO9001:2008质量管理体系认证、ISO14001:2015环境管理体系认证、idt OHSAS 18001:2007职业健康安全管理体系认证。
公司全部产品均通过公安部消防产品“CCCF”产品质量认证,部分产品已通过FM认证,被中国质量管理委员会评为《中国优质名牌产品》、商务部经济研究院评为“AAA”级诚信企业、质量信誉调查中心评为《质量万里行》产品、中国国际贸易促进委员会及法国科技质量监督中心委员会评为《向欧盟市场推荐产品》、荣获中国消防设备行业用户十大满意品牌产品称号。
公司主营:泡沫灭火装置、泡沫灭火剂、消防机器人、智能疏散系统、自动跟踪定位射流灭火装置(智能水炮)、干粉灭火系统、自动喷水灭火系统、消防炮、消防炮塔、消防阀门、消防箱、抗震支架等。
机械泵入式平衡比例混合装置型号:PHP产品简介机械泵入式平衡式比例混合装置与泡沫液储罐相连,并配有重力自动加液装置给比例泵配料。
该装置由两个关键元器件组成:一个水轮机和一个比例泵,通常还配有一个手动排气阀。
当三通阀将出液口关闭时,比例泵将被自动清洗。
工作原理系统提供的压力水带动水轮机转动,从而驱动比例泵将一定量的泡沫液送入装置,与压力水混合后从出液位置供给泡沫产生装置进行灭火。
泡沫液量与流量成正比而与压力变化无关,这样在压力变化的情况下也能保证稳定的混合比。
产品优势1.适用于所有的泡沫灭火系统,可以取代压力式比例混合装置及平衡式比例混合装置,混合比精确2.安装方便,水力马达驱动,无需额外动力。
结构紧凑,重量轻,无需压力容器。
3.使用简单,简单的机械式混合,宽广的流量范围,宽广的压力范围,无需校正4.经济高效,维护简单,定期测试简单,使用期内,维护成本低产品分类机械泵入式平衡式比例混合装置分为齿轮泵型,柱塞泵型及移动型,柱塞泵型主要适用于水-泡沫喷淋系统及泡沫喷雾系统,及一些中小流量的系统,目前最大流量达4000L/min。
齿轮泵型主要适用大中型泡沫灭火系统,目前最大流量达16000L/min,也可根据客户的要求定制更大的流量。
水-泡沫喷淋系统采用柱塞泵,相对于齿轮泵,柱塞泵的内漏更小,适用的流量范围及压力范围更加宽广,可以满足最新4L/s的流量要求。
同时泡沫液粘度对混合比的影响也相对更小,所以更适合于水-泡沫喷淋系统。
泡沫设备系统图:泡沫灭火剂分类:公司简介公司于1995年成立,现有自建标准厂房、宿舍楼、办公楼共30000多平方米,有各种先进的生产设备和现代化的检测中心,并通过ISO9001:2008质量管理体系认证、ISO14001:2015环境管理体系认证、idt OHSAS 18001:2007职业健康安全管理体系认证。
压力式泡沫比例混合装置使用说明及操作规程压力式泡沫比例混合装置使用说明及操作流程东营市亚通石化有限公司李廷振一、泡沫比例混合装置的特点及用途贮罐压力式泡沫比例混合装置由泡沫罐、压力式比例混合器、隔膜、进水管、出液管及控制阀门等组成。
当压力水流经该装置的比例混合器时,能使水与泡沫液按一定的比例进行自动混合,输出泡沫混合液供泡沫产生及喷射设备产生空气泡沫进行灭火。
该装置可与消防泵(或消防车)、泡沫产生及喷射设备组成固定式(或半固定式)泡沫灭火系统(见图一),广泛应用于扑灭甲(液化气除外)、乙、丙类液体火灾,具有安全可靠、灭火效率高等优点,是油库、炼油厂、化工厂、油田、码头、油轮、飞机库、机场及燃油锅炉房等场所最普遍使用的消防设备。
图一、贮罐压力式空气泡沫比例混合装置泡沫灭火系统示意图二、规格及型号压力式泡沫比例混合装置按填盛方式分隔膜型、普通型,按罐体放置方式分卧式、立式两种形式。
泡沫混合比一般为3%或6%,亦可提供8%的混合液用于中倍数泡沫灭火系统。
该装置混合液流量32-160L/S,贮罐容积为1000-16000L不同规格。
根据所需要的混合液流量和泡沫喷射时间、比例混合器和泡沫罐可任意组合成系列产品,以满足工程应用的需要。
三、结构及工作原理压力式泡沫比例混合装置由罐体(普通型或隔膜型)、比例混合器总成、进水管路总成、出水管总成,排液管总成等组成。
当消防水泵的压力水沿供水管道进入比例混合器时,一部分压力水经进水管道流入泡沫液贮罐,将罐内(或隔膜内)的泡沫液压出,泡沫液经过出液管道进入压力比例混合器,在混合器中与水按规定的比例形成混合液流出混合器,再经过混合液管被送入泡沫产生设备,喷射泡沫进行灭火(见图二)。
该装置中设定为水压超过1.2Mpa时即能自动泄压,以保持装置安全。
(一)普通型由于溢水环安装在罐体内的最上方,进入管路流入罐内的压力水能从罐内上方缓缓流出,水与泡沫液不会快速混合,保持比重大于水的泡沫药剂始终在水的下方,以满足比例混合器按比例使泡沫液与水的混合要求。
1、目的
为保证操作人员正确操作泡沫比例混合装置,特制订此规定。
2、范围
库区消防泵房2台泡沫比例混合装置。
3、责任
1、操作部经理对所有泡沫比例混合装置操作负责任;
2、维修部门负责泡沫比例混合装置修理和维护;
3、领班和操作工对具体工作负责任;
4、操作班长在安排相关操作任务时,要口头告知操作注意事项。
4、操作程序
4.1启动前:
⑴检查泡沫比例混合装置的液位是否正常(此项应作为日常巡检项目)。
⑵检查所有的排空阀是否都已关闭。
⑶检查系统所有阀门都处于关闭状态。
⑷启动消防稳压泵,使消防管线系统压力在1.0Mpa左右。
⑸检查库区及码头泡沫管线上的阀门、电动阀、导淋阀均处于关闭状态。
⑹检查库区及码头消防泡沫栓、泡沫炮均处于关闭状态。
4.2泡沫比例混合装置的启动与运行:
⑴启动时,现场打开泡沫罐出口手动蝶阀。
⑵先打开进口阀A、出口阀B及进水阀1。
⑶系统出口阀B的开度,使压力表显示到泡沫比例混合装置标定工作压力(0.6Mpa ~1.8Mpa),并稳定在一定数值。
⑷当贮罐内进入压力水并且压力升到工作压力后,即可打开出液阀2。
泡沫混合液即自动调节到3%的比例,并且开始向系统输出泡沫混合液。
⑸打开去往事发地点的电动阀(库区还是码头)
⑹当停止供液时,应先关闭出液阀2(以免压力水倒灌入泡沫液橡胶袋内,然后关闭其它阀门)。
同时亦应终止水泵工作。
⑺操作使用流程图:。
平衡式泡沫比例混合装置操作说明与安装要求
在泡沫消防系统中,大规模泡沫消防工程对泡沫混合液的供给源提出了更高的要求,传统的PHYM系列贮罐压力式泡沫比例混合装置由于受限于泡沫液供给量已越来越不适应现代大型泡沫消防工程的要求。
而PHP系列平衡压力式比例混合装置(以下简称PHP)是可以向泡沫消防系统连续提供泡沫混合液的新型泡沫灭火装置,主要由:平衡阀、泡沫比例混合器、泡沫泵、控制柜、底座等组成。
主要适用于石油化工、港口码头、油库、机场(库)、海上平台等场所的大中型泡沫消防系统。
操作说明
电机驱动型:
1. 电机驱动装置采用主备电源(三相四线制、AC380V 50HZ),主备电源自动切换。
电源自动切换。
2. 储罐灌装泡沫液:关闭球阀1、2;从罐底排液阀接泵向罐内充装泡沫液。
3. 待备状态:关闭球阀1、2、3、4;开启球阀5、6。
4. 工作状态:开启球阀1、2;启动消防水泵;启动泡沫液泵后,泡沫液经平衡阀进入比例混合器与消防水按设定的混合比输送泡沫混合液。
5.比例混合器试水或过水时应关闭球阀6,待备状态应开启。
水轮机驱动型:
1. 水轮机驱动装置采用消防压力水驱动泡沫液泵。
2. 储罐灌装泡沫液:关闭球阀1、2;从罐底排液球阀接泵向罐内充装泡沫液。
储罐装满后关闭排液球阀。
3. 待备状态:关闭球阀1、3、4、电动阀5;球阀2、6、7保持常开。
4. 工作状态:控制柜接到开启指令后,开启电动球阀1(泡沫液入泵)、电动阀5(泡沫液泵启动),泡沫液经泡沫液泵加压后再经出口管道上的平衡阀(自动调节阀门开关程度),使得适量的泡沫液进入比例混合器,多余的泡沫液回流到的泡沫液储罐。
进入比例混合器的泡沫液与消防水按设定的混合比输送出泡沫混合液。
5.比例混合器试水或过水时应关闭球阀7,待备状态应开启。
安装要求
1、本装置需通过地脚螺栓固定在其基础上,装置与泡沫液储罐安装高度应保持同一水平面或泡沫液储罐高于混和装置,泡沫液储罐与系统设备的连接为金属软管连接,泡沫液储罐与系统设备布置的水平距离不应超过3m。
2、本装置各管道连接及阀门连接必须紧固牢靠,不应有渗漏情况。
3、装置周围应留有满足检修需要的通道,其通道不宜小于0.7m且操作面不宜小于1.5m2,泡沫液储罐顶部至少预留0.8m的空间,以便于操作和检修。
维护与保养
1、管理和操作人员应熟悉平衡式泡沫比例混合装置的工作原理、性能和操作要求。
2、本装置的维护保养和管理按GB50281-98《泡沫灭火系统施工及验收规范》的有关规定执行。
3、本装置需定期进行维护检查,并做好检查记录,使本装置处于良好的备用状态。
4、本装置每年在系统中至少要运行一次,并检查装置上各阀门、管道及附件应完好无损,无滴、渗、漏现象出现。
5、本装置上的安全阀应定期进行校验。
6、每季度应对泡沫装置上的压力表、阀门、管道及附件进行外观检查,应完好无损。
7、每次使用完后,应打开装置上的冲洗阀门用清水将管道、泵内冲洗干净,防止锈蚀。
需要时对表面进行补漆防腐处理。
8、根据泡沫液有效期,定期更换泡沫原液储罐内的泡沫液。