空压机联控功能全
- 格式:doc
- 大小:90.00 KB
- 文档页数:7
空压机联控功能(全)联控功能8.1 主机联控8.1.1 简介本控制器符合MODBUS 485-RTU协议。
空压机作为从机通过主机进⾏控制(PLC/PC)进⾏多台联控运⾏,最多可达32 台。
主机联控适⽤于多台机组联合供⽓的场合,达到节能集中控制的要求。
多台空压机组与⼀个主机组成了主机联控⽹络。
8.1.2 机组连接⽤通讯⽤双绞屏蔽电缆将每台空压机控制器的第⼆路通讯⼝的A,B分别连接起来,在最远的两端AB之间接⼀个330Ω的终端电阻并使屏蔽层接地。
⼀般通讯长度不超过500⽶,⼤于500⽶不到1000⽶需要特殊电缆,⼤于1000⽶需要信号转接。
8.1.3 参数设置⽤户需要将⽹络内各台机组的波特率设置为9600Kbps,机组号按照顺序从1 设到联控最⼤台数(确保同⼀⽹络内机组号不重复)。
将通讯⽅式设置成从机⽅式。
使⽤的时候把需要⼊⽹控制各台机组在功能菜单中切换到远控状态。
此时控制器的启动按钮不再有效等待主机发送查询、启动、停⽌以及加、卸载命令。
联控主机根据管线压⼒以及各种状态信息控制多台空压机⾃动启动、停⽌和加/卸载, 以适应系统对空压站的⽤⽓要求。
在达到⽤户供⽓要求的前提下,合理控制机组提⾼整体的⼯作效率。
当某⼀台机组需要停机检修时,先使⽤功能菜单将此台机组切换成近控⽅式。
脱离⽹络,使本机进⾏⾃我控制然后再按停机按钮使机组停机。
为了安全起见检修时应切断电源,若⽆法切断或者不允许断电的情况则必须按下紧停按键。
若不切换成近控⽅式就按停⽌按键虽然机组也会停机,但主控设备发现有备⽤机组会⾃动发出启动命令,使本机组⾃动启动,从⽽发⽣危险。
8.1.4 空压机MODBUS通讯地址表8.2 ⾃⾏联控8.2.1 概述宏赛空压机⾃⾏联控⽅式,由1~8 台空压机连接成总线形式通过RS485 通讯⼝连成⾃控⽹络,各机按照顺序向⽹络发送和接收讯息,并对讯息进⾏处理,从⽽使得⽹络上的每台机器的⼯作状态和其他⼯作参数等信息公开可见。
空压机联控控制方案一、背景引言空压机在工业生产中扮演着重要的角色,被广泛地应用于各种领域,如制造业、化工、电力、医药等。
随着工业自动化的发展,空压机联控系统的控制方案变得越来越重要。
本文将介绍一种基于PLC(可编程逻辑控制器)和SCADA(监视、控制和数据采集)技术的空压机联控控制方案。
二、方案介绍1.控制器选择本方案采用PLC作为控制器,PLC具有可编程性、稳定性和可靠性等优点,能够满足空压机联控系统的复杂控制需求。
2.传感器布置3.SCADA系统设计SCADA系统用于监视、控制和数据采集,能够实时显示空压机的各项运行参数,并对其进行远程操作和控制。
SCADA系统通常由上位机和下位机组成,上位机通过网络与下位机通信。
在本方案中,上位机使用HMI (人机界面)来实现用户与系统的交互。
4.控制策略本方案采用PID控制策略对空压机进行控制。
PID控制器是一种经典的控制算法,能够根据实时误差调节输出,使系统的控制精度达到预期效果。
PID控制器的参数可根据实际情况进行调整,并通过SCADA系统进行监测和优化。
三、具体实施步骤1.参数搜集与传感器布置:根据空压机的工艺要求,确定需要搜集的参数,并选择合适的传感器进行布置。
传感器的数据通过模拟量输出接口与PLC进行连接。
2. 控制逻辑设计:根据工艺要求、空压机的实际运行特点和传感器数据,设计空压机的控制逻辑。
将控制逻辑通过Ladder Diagram(梯形图)等方式编写,并上传到PLC中。
3.SCADA系统设计:根据用户需求设计HMI界面,将需要监控和控制的参数进行布局,并与PLC进行通信。
HMI界面应具有实时性、直观性和友好性。
4.控制策略调试:在实际运行中,根据实际情况调整PID控制器的参数,使控制策略达到最佳效果。
通过SCADA系统对控制策略进行监测和优化,以提高系统的控制精度和稳定性。
四、优点和应用1.本方案基于PLC和SCADA技术,灵活可靠,能够满足空压机联控系统的复杂控制需求。
空压机的控制面板使用空压机是一种常见的工业设备,用于将空气压缩成高压气体供各种设备使用。
控制面板是空压机的重要组成部分,能够对空压机进行操作和监控。
本文将介绍空压机的控制面板的使用方法和功能。
一、控制面板的外观和布局空压机的控制面板通常位于设备的正面或侧面,具体的位置和布局可能有所不同,但一般都是以便于操作和观察为考虑因素。
面板上会有一些按钮、开关、显示屏和指示灯等元素。
显示屏一般是液晶屏或数码显示屏,用于显示各种参数和信息,比如当前的工作压力、温度、电流等。
指示灯则是用来指示设备的运行状态,比如开关机、故障提示等。
二、控制面板的功能和操作1. 开关操作:控制面板上通常会有一个开关按钮,用于开启或关闭空压机。
这个按钮通常是带有锁定功能的,以防止误操作,需要在按下开关后再次按下才能关闭设备。
2. 参数调整:控制面板上还会有一些旋钮或按钮,用于调整设备的一些参数,比如工作压力、排气温度等。
操作时,可以根据实际需要进行相应的调整。
3. 工作模式选择:控制面板上可能会有不同的工作模式选择按钮,比如手动模式和自动模式。
在手动模式下,可以手动控制设备的启停和参数调整;而在自动模式下,设备会根据预设的参数进行自动运行,更加智能化。
4. 故障提示:控制面板上的指示灯可以用来提示设备的故障情况。
当设备出现异常时,指示灯会亮起或闪烁,同时在显示屏上也会显示相应的故障代码,方便维修人员进行故障排查。
5. 数据记录和监控:有些控制面板还具备数据记录和监控功能,可以记录设备的运行情况,并实时监测各种参数。
这些数据可以用于后续的故障分析和设备性能的评估。
三、使用注意事项1. 操作规范:在操作空压机的控制面板时,需要确保自身具备相关的操作知识,并按照设备的使用手册进行正确的操作。
避免因误操作导致设备故障或个人安全问题。
2. 定期维护:控制面板是空压机正常运行的关键组成部分,需要定期检查和维护,确保按钮、开关和指示灯的正常工作。
SA—185W型空压机多机联合自动化控制霄云煤矿四台SA-185W空压机的控制方式采用西门子S7-300可编程控制器(简称PLC)联控控制。
拥有近控、远控、中控三个功能。
我矿S7-300联控内容包括冷却水循环联控和四台空压机自身联控以及冷却水和空压机间闭锁,建有实现四台空压机、高低压、水循环联合监控的主控室,并留有联控操作PLC的中控接口,以便于在调度室集中,可以实现直接通过调度室监控系统实现压风机房远程监控和操作,实现压风机房无人值守。
联控系统从大体上可分为:水循环系统联控和压风机四机联控:一、水循环系统的联控:水循环系统的控制内容包括:1#~6#电磁阀、冷水泵、热水泵、备用泵、1#冷却水塔、2#冷却水塔、冷水池、热水池。
水循环监控系统通过S7-300PLC控制水循环的启停。
水循环系统进行定期检修时,在水循环监控系统界面上点击“检修方式以确定”,水循环转入检修模式,再进行检修。
(“检修方式以确定”在PLC中为M12.5,通过组态王组态的水循环界面读取。
)二、四台SA-185空压机联控(简称四机联控):在四机联控中,可以检测到主电机工作电压、电流、轴承温度、绕组温度、排气压力、排气温度、管网压力和冷却水压。
联控时,在空压机监控系统上选择任意一台作为主机,如2#机,则2#主机,3#辅机,4#备机,1#后备机;若是选择3#主机,则4#辅机,1#备机,2#后备机,如此循环。
若主机故障,则辅机自动转换作为主机,备机作为辅机,后备机作为备机;若辅机故障,则主机为主机,备机自动转换作为辅机,后备机为备机,如此循环。
管网设定压力为0.7~0.8Mpa,四机运行前:联控启动主机运行,当管网压力低于0.7Mpa时,联控系统判断15秒内压力都低于0.7Mpa,辅机启动(所有空压机启动前提是该机上次停止已20分钟,下同);若辅机启动后,联控系统判断15秒内压力仍然不满足管网压力0.7Mpa,备机启动;若备机启动后,联控系统判断15秒内压力仍然不满足管网压力0.7Mpa,后备机启动。
三台空压机联控控制方案
一、系统说明:
用一台汇川PLC作为主站,分别与三台MD380变频器的PLC编程卡(MD38PC1)进行RS485通讯,站号任意标定,实现启动、停止、压力/温度、空压机轮换等控制功能;每台空压机配置一台HMI,和PLC编程卡进行RS422通讯,实时读取变频器的运行状态、电流/功率、压力/温度等显示参数,也可作为在单机模式下独立的控制。
同时PC机可以安装组态软件与PLC通讯,用作后台的监控,实时进行数据读取和发送,来控制系统的运行。
二、系统配置图(如下)
二、系统运行逻辑说明
1、启动运行
设置为联控状态,在所有机器待机的状态下,1#启动,进入打气状态,在设定的联机延时时间到达,如果压力未达到联控压力要求,那么2#机启动,联动延时时间到达,压力还是没有达到用气要求,那么3#机启动。
2、加载运行
空压机加载过程不改变,空压机启动后,根据联控压力进行加载,在加载过程中,另外两台机器均以一号机压力为检测标准。
3、卸载运行
当压力高于联控压力时,此时系统的3号机将进入卸载状态(可任意以条件设定,如总的运行时间等等),联动延时时间到,如果系统压力还是高于联控设定压力,那么继续执行2#机卸载,直至压力平衡。
4、停机状态
在联控状态下,如果手动停止1#主机,联控系统将关闭,其它空压机进入独立运行状态,互补影响,其它空压机手动停止运行后,进入停机状态。
5、空压机轮换状态
假设当前1#机,2#机运行能够满足用气需求,3#就处理待机状态或空载运行状态,再假设2#空压机连续运行时间达到轮换时间,此时3#空压机将启动,2#空压机进入停机状态。
6、单机和联机运行可切换。
空压机联动控制说明一、系统说明:空压机联动控制是我公司KY02S型空压机运行控制器中一项重要功能。
应用于多台空压机组成一个供气网络,给同一个气罐供气的场所。
空压机控制器地址从1开始顺序编号,网络中最多允许16台空压机控制器,1号机设为主机,其余空压机设为从机,主机中设定联机控制加载压力、卸载压力、联机台数及联机控制延时时间。
主机启动后,自动进入联机控制模式。
比较供气压力与设定联机控制压力,选取网络中空压机发送控制命令,控制网络中空压机的启动停机、自动稳定供气压力、平衡网络中各空压机的运行时间。
联动控制能避免因空压机的频繁启停,损坏设备及减少对电网冲击,达到节能效果。
二、系统设置:1、主机设置:在设备已停止状态下按“↓”键进入如下界面。
选择用户参数。
按“→”键进入操作方式预置,设置通信方式为:联动。
通信编码设为:0001,返回用户参数界面,选择联动参数预置,按“→”进入联动参数设置,联动状态设为:主机,联动启停设为:顺序,轮换时间、联动机数、联动压力下限、联动压力上限、联动延时时间根据用户实际情况设定。
注意(联动压力下限与联动压力上限值应在供气加载压力与供气卸载压力值之间)。
2、从机设置:在设备已停止状态下按“↓”键进入上图所示界面。
选择用户参数。
按“→”键进入操作方式预置,设置通信方式为:联动。
通信编码从0002到0016,(注意,网络中不允许有两台设备编码相同)。
返回用户参数界面,选择联动参数预置,按“→”进入联动参数设置,联动状态设为:从机。
从机的联动启停,轮换时间,联动机数,联动压力下限,联动压力上限,联动延时时间等不用设置。
三、网络连接:联动控制网络需采用屏蔽效果好的通信线将网络中空压机运行控制器的通信端口A、B 并联起来,布线过程中应尽量避免强电干扰。
信号线与电源线分走不同管道。
网络结构示意如下图所示:四、运行联动控制:用户确认设定好网络中各空压机的联动控制参数,连接好通信线后,起动主机,系统自动进入联动控制状态。
空压机联机控制技术空压机是一种广泛应用的工业设备,用于压缩空气并提供动力供应。
随着科技的不断进步,传统的空压机已经逐渐被具备联机控制技术的新一代空压机所取代。
这些新型空压机具有更高的效率、更低的维护成本和更可靠的运行。
本文将介绍空压机联机控制技术的原理和优势。
一、原理空压机联机控制技术基于现代化的控制系统,通过传感器和电子元件实时监测和控制空压机的运行状态。
系统根据实时数据进行自动调节和优化,以确保空压机的高效运行。
常见的联机控制技术包括压力控制、容量调节和多台机组的协同运行。
1. 压力控制:联机控制系统通过实时监测管道中的压力变化来控制空压机的启停。
当压力下降到设定值以下时,系统自动启动空压机,直到压力达到设定值以上才停止。
这种控制方式避免了多余的能耗和空压机的空转现象。
2. 容量调节:联机控制系统可根据实际需求自动调节空压机的容量。
通过控制空压机的旋转速度、进气口的开启程度等参数来实现容量调节,以满足不同压缩空气需求的变化。
这种方式可以充分发挥空压机的效能并提高能源利用率。
3. 多台机组协同运行:在大型工业生产中,常常需要多台空压机共同供气。
联机控制系统可以实现多台机组的协同运行,根据需求自动调节各台机组的启停和容量,以达到最佳的工作状态。
这种方式保证了空压系统的稳定运行,提高了生产效率。
二、优势空压机联机控制技术相比传统的空压机具有许多优势。
1. 能效提升:联机控制技术可以根据实际需求自动调节空压机的运行状态,避免了空压机无效运行和能耗浪费。
通过优化运行参数和控制机组数量,可以大幅度提高能源利用效率,降低能耗成本。
2. 维护成本降低:联机控制系统可对空压机的运行状态进行实时监测和故障诊断。
一旦出现异常情况,系统会立即发出警报并提供针对性的维修建议。
这大大减少了维修时间和维修成本,提高了设备的可靠性和稳定性。
3. 智能化管理:联机控制系统可以与其他设备进行联动,实现信息共享和智能化管理。
通过与生产计划系统的对接,可以实现空压机的自动调度和生产过程的优化。
矿井空压机集控系统功能与应用摘要:针对济宁二号煤矿空压机的使用状况,介绍了一种空压机集控系统,论述了该套系统的研究内容、现场应用效果。
研究设计了一套空压机集控系统,合理控制空压机投入运行数量,平衡空压机运行时间,避免机器频繁加、卸载,降低管网压力波动,确保压风系统稳定运行,具有很大的推广价值。
关键词:空压机、顺序控制、联控功能、压风系统引言:兖州煤业股份有限公司矿井压风系统“三化”融合技术标准要求:以信息采集、远程上传、分析处理为技术手段,实现空压机远程监控。
为提高空压机运行稳定性,便于对压风系统进行实时远程监控,实现压风系统的智能化管理,达到预防为主、实时反馈、事后追踪三位一体的管理效果,提高压风系统可靠性。
空压机集控系统功能空压机集控系统主要由PLC控制柜、上位机、压风机房集控系统平台、远程监控系统等组成。
系统具备远程控制和就地控制两种模式。
(一)联控功能:压风机房2台离心式空压机正常运行时一用一备,自主切换;8台螺杆式空压机根据管网压力实现顺序控制和联控功能,且具备容错功能;管网压力超出压力设定范围时能按优先级自动起停螺杆式空压机,合理控制空压机投入运行数量,平衡空压机运行时间,避免机器频繁加、卸载,降低管网压力波动。
图1 空压机联控设置界面(二)远控/就地功能:集控设备控制应分为远程控制和就地控制两种模式,远程单机模式下能够在上位机上实现对空压机、高压开关柜、冷却水泵等的远程启动/停止操作;就地控制模式下可以对集控设备进行手动起/停操作;控制柜出现故障时能自动切换到就地控制。
(三)空压机主要监测参数远程控制:实现螺杆式空压机、离心式空压机运行数据、开停记录、运行时间统计、流量累计等的连续在线监测功能;实现电机过载停机、缺相保护、排气高温跳车、断水保护、空气过滤器堵塞报警、油过滤器堵塞报警、油细分离器堵塞报警等。
(四)报警停机分级控制功能:当集控设备出现超温、超压等故障时能根据不同级别进行报警或停机,管网压力值超出设定范围时能进行报警。
目--录:一、客户需求二、改造方案三、功能的实现四、控制特点五、改造材料六、项目实施计划进度表七、售后服务措施及承诺一、客户需求通过与客户沟通,客户需要要求如下:客户设备数为7台,安装在同一个空压机房,共同对同一个储气罐打气,输出管道统一。
现在各空压机为独立运行。
现需希望通过空压机联网控制实现下列功能。
1、起停控制:7台空压机顺序启动,加载,卸载及停机。
避免空压机同时启动,影响电网波动。
2、压力及流量控制:空压机的启停根据用气要求,当气压达到用气压力低于用气需求,空压机将再启动一台。
压力过盛,达到卸载状态后,空压机自动减少一台。
现场压力已经达到要求,则保持当前空压机开启数目。
3、空压机轮换:空压机启动时,可以互相变换启动顺序,充分消耗每台空压机的耗材使用时间,平均使用耗材时间。
二、改造方案针对客户的要求,我们采用如下联网控制方案,方案如下:为了实现所有空压机联网,使空压机使用同样的通讯协议,实施方案过程中,必须更换所有空压机控制器,更换为支持同一通讯协议的控制器(控制器的规格及型号将更加每台机器的安装尺寸而定)。
这样所有空压机将可以实现同步通讯。
分别设置每台机器的地址编码。
按下列连接方式,使用485半双工通信方式连接各机器。
实现网络连接。
设定其中一台空压机为主机(初步选定110KW空压机为主空压机)。
其他为从机,并根据排列顺序依次对从机进行编号并设置地址。
连接图如下:根据每台机的功率配置好参数,使空压机单机运行正常后,再将空压机选择为联控模式。
在新的控制器安装过程中,必须更换对应的压力传感器及温度传感器。
交流互感器等设备。
同时,如外观差别比较的情况下,可能需要采用钣金件覆盖,填补的措施,恢复原机器的外观。
三、功能的实现我们将空压机编号假设为 主机------1#从机------2#,3#,4#,5#,6#,7#我们现假设从机启动顺序为2#到3#顺序启动(实际启动根据每个空压机的运行时间而定,运行时间最少的空压机优先启动)1,联控的运行启动运行设置为联控状态,在所有机器待机状态下,主机启动,进入打气状态,在设定联动延时时间达到,如压力未达到压力要求,那么2#开始启动,也进入打气状态,此时联动延时时间达到,压力还是没有达到用气要求,此时,3#空压机将启动,以此类推,直到7#空压机也启动。
空压机联控方案空压机(Air Compressor)是一种将气体压缩至高压状态的机械设备,广泛用于各种工业领域。
随着现代工业的快速发展,对空压机的需求也越来越高。
为了提高空压机的效率和可靠性,以及实现智能化控制,研究和开发空压机的联控方案变得至关重要。
一、背景介绍空压机通常由多台压缩机组成,根据实际工作负载的需求来选择运行台数,以达到节能、高效和稳定的目的。
传统的控制方式是手动操作,缺乏灵活性和智能化。
为了解决这些问题,空压机联控方案应运而生。
二、联控方案的原理空压机联控方案采用先进的控制技术和算法,通过对各个压缩机的运行状态进行实时监测和分析,并根据实际需求进行智能化调度和控制。
其原理可以概括为以下几点:1. 实时监测:通过传感器和数据采集系统,对各个压缩机的运行参数进行实时监测,包括温度、压力、流量等数据。
2. 数据分析:将监测到的数据进行处理和分析,得出各个压缩机的运行状态和性能指标。
3. 智能调度:根据实时监测和数据分析的结果,通过控制系统对各个压缩机的运行模式和负荷进行调度,以实现最佳的工作效率和能耗控制。
4. 故障诊断:通过对压缩机的故障诊断和预测,提前发现和解决潜在问题,以降低故障率和维护成本。
三、联控方案的优势采用空压机联控方案可以带来多个优势和益处,包括:1. 节能高效:通过智能调度和控制,优化压缩机的运行模式和负荷,在保证生产需求的同时降低能耗。
2. 稳定可靠:通过实时监测和故障诊断,提高空压机的稳定性和可靠性,减少停机和维修时间。
3. 扩展性强:联控方案可以根据实际需求进行配置和扩展,适应不同规模和复杂程度的空压系统。
4. 智能化管理:联控方案可以实现对空压机的远程监控和管理,提高工业自动化水平,降低人力成本。
四、应用实例空压机联控方案已经在多个行业得到了广泛应用,取得了显著的效果。
以下是两个典型的应用实例:1. 制造业:在制造业中,空压机通常是生产线不可或缺的设备。
采用联控方案可以实现多个工作区域的统一调度和控制,提高整个生产线的效率和稳定性。
空压机集中控制方案空压机是工业生产中常用的设备,用于产生高压气体,广泛应用于各种领域,如汽车制造、化工、电子等。
在生产过程中,多台空压机同时运行时,如何有效地进行集中控制,成为了一个重要的问题。
本文将介绍一种空压机集中控制方案,帮助您更好地管理和控制空压机的运行。
首先,我们需要选择一套适合的集中控制系统。
这套系统需要能够实现对多台空压机的集中监控和控制,包括对空压机的启停、运行状态监测、故障诊断等功能。
在选择系统时,需要考虑系统的稳定性、可靠性和灵活性,确保能够满足生产的实际需求。
其次,我们需要对空压机进行合理的布局和连接。
多台空压机之间需要进行合理的布局,确保在集中控制下能够实现对各台空压机的有效监控和控制。
同时,需要进行合理的连接,包括气源管道、电气连接等,确保各台空压机能够正常运行并与集中控制系统进行有效通信。
在集中控制系统的配置方面,我们需要设置合理的参数和逻辑控制。
通过对系统参数的设置,可以实现对空压机的启停、压力调节等功能,确保空压机能够按照生产需求进行合理的运行。
同时,需要进行逻辑控制的设计,包括对多台空压机的协调控制,确保它们能够在集中控制下实现协同运行,提高整体的生产效率。
另外,对于空压机的监测和诊断功能也是集中控制方案中的重要部分。
通过对空压机运行状态的监测,可以及时发现问题并进行处理,确保生产的连续性和稳定性。
同时,需要设置相应的故障诊断功能,对空压机可能出现的故障进行预判和诊断,提高故障处理的效率和准确性。
最后,集中控制方案的实施和运行是关键。
在实施过程中,需要对系统进行全面的测试和调试,确保各项功能能够正常运行。
在运行过程中,需要对系统进行定期的维护和保养,确保系统的稳定性和可靠性。
综上所述,空压机集中控制方案是一个复杂而又重要的系统工程,需要综合考虑各种因素,并进行合理的设计和实施。
通过采用合适的集中控制方案,可以提高空压机的运行效率,降低生产成本,提高生产的稳定性和可靠性,是工业生产中的重要环节。
空压机联控系统方案一、系统架构1.数据采集模块:负责对多台空压机的运行状态、能耗情况等数据进行实时采集。
2.数据传输模块:负责将采集到的数据传输至中央控制室。
3.数据处理模块:负责对采集到的数据进行处理和分析。
4.远程监控终端:负责接收和显示多台空压机的运行状态、能耗情况等信息。
5.控制模块:负责对多台空压机进行集中控制。
二、功能设计1.运行状态监测:通过传感器对多台空压机的压力、温度、电流等信息进行实时监测,并将监测数据传输至中央控制室,实现对空压机的状态监测和远程控制。
2.能耗监测:通过电能表等仪表对多台空压机的能耗情况进行监测和记录,实现对空压机能耗的实时监控和分析。
3.故障诊断:通过故障检测算法,对多台空压机的故障信息进行诊断和分析,及时发现和处理故障,提高空压机的可靠性和运行效率。
4.运行参数优化:分析多台空压机的运行数据,对其运行参数进行优化调整,以提高空压机的运行效率和能耗性能。
5.远程控制:通过远程监控终端,对多台空压机进行远程开关机、调节压力和温度等操作,实现空压机的集中控制和管理。
三、技术方案1.采用传感器网络技术,将多个传感器节点部署在每台空压机上,实现对空压机运行状态和能耗情况的实时采集和传输。
2.采用物联网通信技术,通过无线网络将采集到的数据传输至中央控制室,实现对多台空压机的数据监控和管理。
3.采用云计算技术,将采集到的数据上传至云服务器,并利用云计算平台对数据进行处理、分析和存储。
4.采用大数据分析技术,对采集到的空压机数据进行分析,发现运行异常和能耗问题,并提出相应的优化方案。
5.采用人机界面技术,为远程监控终端设计直观、易用的界面,实现对多台空压机的远程控制和管理。
四、系统优势1.实时监测:通过空压机联控系统,可以实现对多台空压机的实时监测和控制,及时发现运行异常和故障情况。
2.能耗监控:空压机联控系统可以对多台空压机的能耗情况进行监控和分析,帮助企业合理利用能源,降低能耗成本。
空压机集中控制方案1. 引言空压机是一种广泛应用于工业生产中的设备,用于产生压缩空气供给生产线和其他设备使用。
传统上,每个空压机通常都具备独立的控制系统。
然而,随着工业自动化和信息技术的发展,集中控制方案变得越来越流行。
本文将介绍一种空压机集中控制方案,旨在提高空压机系统的效率和可靠性。
2. 方案概述空压机集中控制方案基于现代工业控制系统,采用集中的软件控制平台来监测和控制多台空压机。
该方案主要包括以下几个组成部分:2.1 控制平台控制平台是该方案的核心组件,它利用现代工业控制系统的技术,集成了各个空压机的控制功能。
控制平台可通过电脑或移动设备进行监测和操作,提供用户友好的图形界面,方便操作人员实时监控和调整空压机系统的运行状态。
2.2 传感器和仪表为了实现对空压机系统的监测和控制,需要安装一系列传感器和仪表。
传感器可以测量空压机的各项关键参数,如压力、温度、功率等,向控制平台提供实时数据。
仪表用于显示和记录这些参数,提供给操作人员进行分析和决策。
2.3 通信网络空压机集中控制方案需要一个可靠的通信网络,将控制平台与每个空压机连接起来。
通信网络可以采用以太网、无线网络或者其他常用的工业通信协议,确保控制平台能够快速和稳定地与空压机进行数据交换和指令传输。
2.4 控制策略集中控制方案的核心在于协调和优化多台空压机的运行。
控制平台配备先进的控制算法和策略,通过实时监测和分析空压机的运行状态,自动调整运行参数以提高整体系统的效率和性能。
例如,控制策略可以根据压缩空气的需求量,在运行时选择最优的空压机组合,以减少能耗和维护成本。
3. 方案优势与传统的独立控制方案相比,空压机集中控制方案具有以下几个显著的优势:3.1 提高运行效率集中控制方案可以有效地调度和管理多台空压机,合理分配运行负载,避免不必要的重叠和闲置,从而提高整个系统的运行效率。
此外,控制策略还可以根据实际需求,自动调整运行参数,优化空压机的运行状态,降低能耗和维护成本。
空压机联控方案简介空压机是许多工业和商业场所常见的设备,它们通常用于为各种应用提供压缩空气。
在大型工业设施中,通常会使用多台空压机以满足需求,并且需要对它们进行联控以实现高效率和可靠性。
本文将介绍一种空压机联控方案,旨在帮助优化空压机系统的性能和运行。
联控方案概述空压机联控方案旨在实现多台空压机的自动化控制和协调工作。
它通过监测和控制各台空压机的运行状态,实现对系统的集中控制和优化。
通常,空压机联控方案包括以下几个关键组件:1.传感器:用于监测空压机的运行状态和性能参数,如压力、温度、流量等。
2.控制器:负责接收传感器数据,并根据预设的控制算法来调整各台空压机的工作模式和运行参数。
3.通信网络:用于传输传感器数据和控制指令,实现各个组件之间的信息交互和协调。
4.人机界面:提供对联控系统的可视化监控和操作界面,方便操作人员对系统进行监控和调整。
空压机联控方案的优势使用空压机联控方案可以带来诸多优势,包括:1.节能降耗:通过对多台空压机进行智能控制和协调,可以避免重复运行和不必要的能耗,从而降低能源消耗和运行成本。
2.优化运行:联控方案可以根据实时监测到的数据,对空压机进行精确调整,以实现最佳的运行效率和性能。
3.提高可靠性:通过实时监测和故障诊断,联控方案可以及时发现并处理空压机的故障,从而提高系统的可靠性和稳定性。
4.减少人工干预:联控方案能够实现对空压机系统的自动化控制和管理,减少了人工干预的需要,提高了工作效率。
空压机联控方案的实施步骤要实施空压机联控方案,通常需要按照以下步骤进行:1.系统设计:在设计阶段,需要确定联控系统的整体架构和所需的功能模块。
根据实际需求选择合适的传感器和控制器,并确定通信网络和人机界面的设计要求。
2.硬件选择:根据系统设计的要求,选择合适的传感器、控制器和通信设备。
确保它们能够匹配并与各个组件的通信接口兼容。
3.系统集成:将选定的硬件设备按照设计要求进行集成和安装。
空压机集中控制方案随着工业生产的不断发展和自动化程度的提高,空压机作为一种重要的设备,被广泛应用于各种生产领域。
为了更好地管理和控制空压机的运行,降低能耗,提高生产效率,空压机的集中控制方案应运而生。
一、传统空压机控制方式的不足在传统的空压机控制方式中,每台空压机都独立运行,没有统一的监控和控制系统。
这样就导致了以下问题:1. 能耗浪费:由于空压机的运行没有统一调度,可能会出现多台机器同时运行的情况,造成能耗的浪费。
2. 运行不稳定:每台空压机独立运行,无法根据实际负荷的变化进行动态调整,容易导致运行不稳定,甚至出现过载和欠载的情况。
3. 维护困难:传统控制方式下,维护人员需要逐一检查和调整每台空压机,工作量大且效率低下。
二、空压机集中控制方案的优势为了解决传统空压机控制方式的不足,空压机集中控制方案应运而生。
它具有以下优势:1. 集中管理:通过集中控制系统,可以对多台空压机进行统一管理和调度,实现智能化管理。
可以根据实际负荷的变化,自动调整空压机的运行状态,避免能耗的浪费。
2. 运行稳定:集中控制系统可以实时监测和控制空压机的运行状态,根据实际需求实现负荷均衡,提高运行稳定性,避免过载和欠载的情况。
3. 故障预警:集中控制系统可以实时监测空压机的故障信息,如果出现异常情况可以及时发出报警信号,提醒维护人员进行处理,避免故障扩大化。
4. 远程控制:通过集中控制系统,可以实现对空压机的远程控制。
维护人员无需亲临现场,就可以对空压机进行监控和调整,提高工作效率和便捷性。
5. 维护便利:集中控制系统可以提供实时的运行数据和报表分析,维护人员可以根据这些数据进行维护计划的制定和维修工作的安排,提高维护的效率和准确性。
三、空压机集中控制方案的应用案例目前,空压机集中控制方案已经在一些企业中得到了应用,并取得了良好的效果。
以下是一个实际的案例:某汽车制造企业的厂区内有多台空压机分布在不同的车间,传统的控制方式导致了能耗浪费和运行不稳定的问题。
空压机联机控制一、系统介绍:确保合格的供气品质,满足稳定的气源压力,自动调节供气流量等是空压站自动控制的基本任务。
空压机设备自带的单片机控制器已经能很好的控制单台空压机,但不具备对空压系统的整体调控能力。
联控系统最主要的功能是可以实现空压机机组(包括每台空压机的后处理设备)的联锁控制,能根据总管压力和空压机的运行状态智能地加卸载对应的空压机等以保证管网的供气稳定。
在空压系统中,相对单台空压机的调整,系统的整体联控具有更重要的意义。
联控有两种模式:时间顺序模式、固定顺序模式。
两者的联控原理是一致的。
只是时间顺序模式中各台空压机每隔一个轮换时间就按顺序时间判断一次,而固定模式的启动顺序是保持不变的。
工控机选用研华工控机,监控软件为昆态公司的MCGS组态软件。
对现场各类数据及系统设定参数进行实时显示,为系统报警和远程数据监控提供一个数据信息交互平台;对机组各类运行控制要求进行命令触发,为介入系统实时改变系统运行状态提供一个控制命令操作平台。
PLC使用三菱s700为空压机站到控制中心完成组态与单片机的数据交换和存储以及工控机各类控制信号处理。
主要的自动控制任务都由PLC自行完成,组态只能选择具体的机组运行方式,以及特定状态下对单台机组的单一运行方式改变。
各台空压机的信号通过RS485总线连接至PLC;由于空压机自带的单片机控制器提供了RS485通讯接口,所有的数据采集和控制功能都通过通讯接口来实现,在原有的控制系统基础上,增加1台三菱PLC,通过FX系的485通讯扩展模块能方便地与其通讯可以改进和增加控制软件即可实现空压系统的整体控制与连网监控。
二、设备工艺PLC控制部分是系统的核心部分:而供气压力是系统各种运行状态改变与保持的唯一指标。
简言之:压力小于供气压力要求下限就要更多的供气机组运行以增加供气量,压力大于供气压力要求上限就要把当前运行供气机组减少以减少供气量。
而处于上下限之间的压力值时就保持当前机组的运行状态不变。
空压机控制系统与气路控制部件功能说明一、空压机控制系统一般运行(1) 起动起动前,,进气卸荷阀和加载电磁阀都是关闭的。
起动后,少量空气从进气卸荷阀的节流小孔吸入,由于最小压力阀的作用,油气筒慢慢建立起压力,确保润滑油喷入机体进行润滑。
(2) 负载运行星角降压起动完成后,延时数秒时间,加载电磁阀得电开启,油气筒内压力得以通过,进气卸荷阀逐渐被打开,压缩机进入负载运行状态。
当压力超过0.4Mpa 后,最小压力阀也被打开,压缩空气由此输出。
当系统压力达到反比例阀的设定压力时,反比例阀开始起作用,自动调节压缩机的供气量,使供气量与耗气量保持平衡,此即无级气量调节功能。
(3) 卸载运行当用气量很小或不用时,排气压力会达到微电脑控制器设定的上限值。
此时加载电磁阀失电而关闭,这一方面使失去控制压力的进气阀自动关闭,另一方面使放空阀打开,油气罐内的压力逐渐得到释放(排至进气口处),压缩机进入卸载运行状态。
卸载运行状态持续时间达到设定值时,机器自动停机。
当系统压力降到微电脑控制器设定的下限值时,机器重新加载运行。
工作结束后,按停机按钮,机器即进入卸载运行状态,延时数十秒时间后自动停机。
二、空压机气路控制部件功能说明(1) 加载电磁阀加载电磁阀为两位三通常闭电磁阀。
通过电磁阀的得电和失电,控制气路的通、断状态,实现加载、卸载功能。
(2) 放空阀当卸载运行或停机时,此阀即打开,释放油气桶内的压力,使压缩机低负荷运转,或保证在无负载的情况下重新起动。
(3) 反比例阀超过设定的调节压力才起作用。
此时,比例阀的输入压力(即系统排气压力)越高,输出的控制压力就越低。
而控制压力越低,通过气缸伸缩控制的进气卸荷阀碟片的开度就越小,压缩机的进气量也就越少,使压缩机的供气量与耗气量保持平衡,实现无级气量调节功能。
设定调节压力的方法是:向上提起反比例阀的黑色盖帽并旋转,顺时针旋转则压力增大,逆时针则减小。
设定好后,压下盖帽,防止它因振动而自行旋转。
联控功能
8.1 主机联控
8.1.1 简介
本控制器符合MODBUS 485-RTU协议。
空压机作为从机通过主机进行控制(PLC/PC)进行多台联控运行,最多可达32 台。
主机联控适用于多台机组联合供气的场合,达到节能集中控制的要求。
多台空压机组与一个主机组成了主机联控网络。
8.1.2 机组连接
用通讯用双绞屏蔽电缆将每台空压机控制器的第二路通讯口的A,B分别连接起来,在最远的两端AB之间接一个330Ω的终端电阻并使屏蔽层接地。
一般通讯长度不超过500米,大于500米不到1000米需要特殊电缆,大于1000米需要信号转接。
8.1.3 参数设置
用户需要将网络内各台机组的波特率设置为9600Kbps,机组号按照顺
序从1 设到联控最大台数(确保同一网络内机组号不重复)。
将通讯方式设置成从机方式。
使用的时候把需要入网控制各台机组在功能菜单中切换到远控状态。
此时控制器的启动按钮不再有效等待主机发送查询、启动、停止以及加、卸载命令。
联控主机根据管线压力以及各种状态信息控制多台空压机自动启动、停止和加/卸载, 以适应系统对空压站的用气要求。
在达到用户供气要求的前提下,合理控制机组提高整体的工作效率。
当某一台机组需要停机检修时,先使用功能菜单将此台机组切换成近控方式。
脱离网络,使本机进行自我控制然后再按停机按钮使机组停机。
为了安全起见检修时应切断电源,若无法切断或者不允许断电的情况则必须按下紧停按键。
若不切换成近控方式就按停止按键虽然机组也会停机,但主控设备发现有备用机组会自动发出启动命令,使本机组自动启动,从而发生危险。
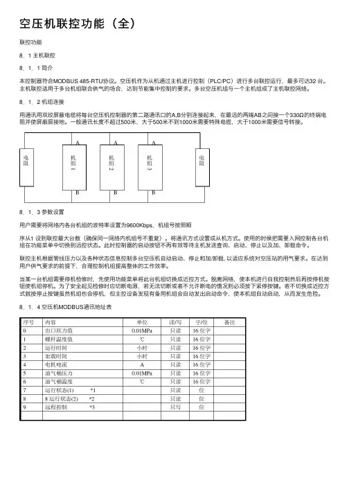
8.1.4 空压机MODBUS通讯地址表
8.2 自行联控
8.2.1 概述
宏赛空压机自行联控方式,由1~8 台空压机连接成总线形式通过
RS485 通讯口连成自控网络,各机按照顺序向网络发送和接收讯息,并对讯息进行处理,从而使得网络上的每台机器的工作状态和其他工作参数等信息公开可见。
任意一台网络中运行的机器都可以监视整个网络的工作状况,一台机器可以简单的加入和退出自控网络而不影响网络其他机器的工作。
自控网络的优点是简单可靠,连接方便且成本低廉,控制方式和主机联控相似,多机运行在平稳的工作状态下,保持管线压力在设定的管线压力上下限之间,提高了机组的工作效率和寿命。
8.2.2.参数说明
用户需要将网络内各台机组的波特率设置为9600Kbps,机组号按照顺序从1 设到联控最大台数(确保同一网络内机组号不重复)。
将通讯方式设置成广播方式。
使用的时候把需要入网控制各台机组在功能菜单中切换到远控状态。
顺序启动时间:指当压力不足时各机组依次启动(或加载)的间隔顺序卸载时间:指当压力高时各机组依次卸载的时间间隔
顺序轮换时间:指当长时间稳定运行时运行机组和备用机组的切换控制压力以进行联控机组的最高压力为标准,要求各机组加卸载压力必须设置成相同
8.2.3 操作说明
将要进行联控的机组设成远控。
按任意一台机组的启动键,此机组立即启动。
然后经过顺序启动时间后控制压力仍然低于加载压力+0.02Mpa则运行时间最少的机组启动(若运行时间相同则机组号小的启动)以此类推。
当控制压力大于卸载压力-0.02Mpa则运行时间大的卸载(若运行时间相同则机组号大的卸载)。
一般只有一台机组进行加卸载调节,其余机组均加载除非大于卸载压力进行保护卸载,一旦低于卸载压力立即加载。
当机组持续卸载到达空车过久时间时,此机组停机。
按任意一台机组的停机键时,此机组立即卸载停机。
然后各机组依次停机,直到全部停车。
当用户用气稳定,长时间没有切换机组时。
当最大运行时间与最小时间差大于轮换时间并低运行时间的机组处于停机状态时机组切换。
若有机组发生故障或处于近控状态,网络将忽略此机组,不会影响其他机组的运行对于整个网络运行无关。
很好的屏蔽了故障机组。
另外若通讯电缆发生断裂,整个网络相当于分成了两个无关的子网络。
对于整个网络机组的运行也不会有大的影响。
就算只剩下一台机组仍然能够稳定的运行。
8.3 中控
用户可以通过空压机的输入/出外部开关量连接到中控室,在中控室中对空压机进行集中控制。
也可以和无法通过通讯方式联系的主控组成联控网络。