cad机械制图第五章:机件的表达方法
- 格式:ppt
- 大小:18.34 MB
- 文档页数:111
机械制图–机件的表达方法引言机械制图是机械工程领域中非常重要的一项技能,它能够将设计图纸中的机件和装配关系准确地传达给制造工人和操作人员。
在机械制图中,机件的表达方法尤为重要,因为它直接影响到机件的制造质量和装配的准确性。
本文将介绍一些常用的机件表达方法,包括剖视图、断面图、表面粗糙度符号等。
剖视图剖视图是一种常用的机件表达方法,它将机件切割成不同的部分,并展示其内部的结构和特征。
剖视图可以帮助制造工人更好地理解机件的内部结构,从而更准确地制造出所需的零件。
在剖视图中,常用的标示方法包括剖面线、剖面符号和剖视图的方向箭头等。
剖视图的制作需要遵循一些基本原则。
首先,剖视图的切面应该选择在最具代表性的位置,以展示机件的内部结构特征。
其次,剖视图的表达应该简洁明了,避免冗余和多余的信息。
最后,剖视图需要清晰标注尺寸和注释,以确保制造工人能够准确理解和执行。
断面图断面图是一种将机件的某一部分切开,并在图纸上展示其内部结构的表达方法。
与剖视图类似,断面图也能够帮助制造工人更好地理解机件的结构特征。
不同的是,断面图通常针对机件的某一特定部分,而不像剖视图展示整个机件。
在制作断面图时,需要注意一些要点。
首先,断面图应该选择在最具关键性的位置进行切割,以突出展示该部分的结构特点。
其次,断面图需要明确标示剖面线和断面符号,以帮助制造工人准确理解该部分的结构。
最后,断面图需要清晰标注尺寸和注释,以确保制造工人能够准确理解和执行。
表面粗糙度符号在机械制图中,表面粗糙度符号是用来表示机件表面粗糙度要求的一种图形符号。
它能够准确地传达设计师对于机件表面质量的要求,以便制造工人能够根据符号标示选择合适的工艺和加工方法。
表面粗糙度符号通常由一些线条、符号和数字组成。
其中,线条表示表面的特征,符号表示加工方法,数字表示表面粗糙度的数值。
常用的表面粗糙度符号有光洁度要求符号、加工方法符号和粗糙度数值符号等。
在制作表面粗糙度符号时,需要遵循国际标准和相关规范,确保符号的统一和准确。
5.1 视图5.2 剖视图5.3 断面图5.4局部放大图和简化画法5.5表达方法的综合运用5.1 视图(GB/T17452-1998) 5.2剖视图(GB/T17452-1998)基本视图局部视图斜视图有关概念剖视图种类F(c)C A BED局部视图A局部视图的断裂边界线用波浪线表示。
画波浪线时应注意:①波浪线不应与轮廓线重合或在轮廓线的延长线上;②不应超出机件轮廓线;③不应穿空而过。
当所表达的局部结构是完整的,且外形轮廓线自成封闭,又与其它部分截然分开时,波浪线可省略不画。
斜视图(c)(a)(b)B A B A 斜视图一般按箭头所指的方向,且符合投影关系配置,也可配置在其它适当位置。
在不致引起误解时,允许将其图形旋转放正,一般以不大于90°旋转放正为宜,其标注形式为字母加旋转箭头“”,旋转箭头的方向应该与图形的旋转方向一致,字母放在箭头指向的一边.假想用剖切面(平面或柱面)剖开机件,将处在观察者与剖切面之间的部分移去,将剩下部分向投影面投影,所得到的图形称为剖视图(简称剖视)。
剖视图主要用于表达机件的内部结构形状。
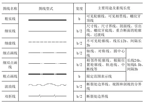
国标规定对剖切面与机件接触的部分(断面)要画出剖面符号。
并且规定不同材料要用不同的剖面符号。
各种材料的剖面符号,参见教材表5–1。
A—A AA30°45°画剖视图应注意的几点①剖切平面一般应通过机件的对称面或孔、槽的轴线、中心线,以便反映结构的真形。
②剖切是假想的,实际上并没有把机件切去一部分,因此,当机件的某一个视图画成剖视图以后,其它视图仍应按完整的机件画出③剖切面后方的可见轮廓线应全部画出,不能遗漏。
剖视图一般要用规定的剖切符号、箭头、拉丁字母标注出剖切面的剖切位置、剖切后的投影方向和剖视图的名称。
①用线宽(1~1.5)b、长约5~10 mm断开的粗实线作为剖切符号,在相应的视图上表示出剖切平面的位置。
②在剖切符号的起、止处外侧画出与剖切符号相垂直的箭头,表示剖切后的投影方向。
XXXXXXXXXXXXXX学院
教案
系(部)
教研室
课程名称机械制图与CAD
授课对象
授课教师
职称职务
教材名称《机械制图与CAD》
20 ~20 学年度第 1 学期
教务处监制
《机械制图》课程教案
2.半剖视图
(2)回转体上均匀分布的肋板、轮辐、孔等结构不处于剖切平面上时,可将这些结构假想旋转到剖切平面上画出。
如图5一
三、相同结构的简化画法
当机件上具有若干相同结构(齿、槽、孔等),并按一定规律分布时,只需画出几个完整结构,其余用细实线相连或标明中心位置,并注明总数,如图
四、较长机件的折断画法
六、某些结构的示意画法
5.5 读综合图样
教学体会
四川希望汽车职业学院学生平时成绩登记表系别:专业:班级:。
第5章 机件的表达方法在生产实际中,由于使用场合和要求的不同,物体的结构形状也是各不相同的。
当其形状比较复杂时,仅用前面所讲的三视图,已难于将物体的内外形状正确、完整、清晰地表示出来,必须根据物体的结构特点,采取多种表达方法。
为此,国家标准《技术制图》和《机械制图》规定了视图、剖视图、断面图等各种表达方法。
5.1 视图视图是用正投影法将物体向投影面投射所得的图形,主要用来表达物体的外部结构形状。
它一般用来表示物体的可见部分,必要时才用虚线画出其不可见部分。
视图分为基本视图、向视图、局部视图和斜视图。
5.1.1 基本视图物体向基本投影面投射所得的视图,称为基本视图。
在原有水平面、正面和侧面三个投影面的基础上,再增设三个投影面构成一个正六面体,正六面体的六个侧面称为基本投影面,如图5-1所示。
将物体放在正六面体中间,分别向六个基本投影面投射,即得到六个基本视图,如图5-2所示。
六个视图除了前面介绍的三个基本视图——主视图、俯视图和左视图外,新增加的基本视图是:右视图——由右向左投射所得的视图。
仰视图——由下向上投射所得的视图。
后视图——由后向前投射所得的视图。
图5-1 六个基本投影面 图5-2各基本投影面的展开方式如图5-3所示,即保持正投影面不动,其余各面按箭头所指方向展开,使之与正投影面共面,即得六个基本视图。
展开后各视图的配置如图5-4所示。
六个基本视图5-4 六个基本视图的配置在实际绘图时,应根据物体的结构特点,按实际需要选择基本视图的数量。
总的要求是表达完整、清晰,又不重复,使视图的数量最少。
5.1.2 向视图向视图是可以自由配置的视图。
基本视图按图5-4所示的位置配置时,可不标注视图的名称。
但在实际绘图过程中,为了合理利用图纸,可以自由配置的视图,这种可以自由配置的视图,称为向视图。
画向视图时,一般应在向视图上方用大写拉丁字母标出视图的名称“×”,并在相应视图附近5.1.3这样不但节省了两个基本视图,而且表达清楚,重点突出,简单明了。
从基本体到机械零件中间有两个教学环节:组合体和机件,组合体和机件的区别在于机件更接近零件,结构上更复杂一些,两者的相同点都是由基本体组合而成,图样上的区别在于组合体画虚线,机件要采取一些办法把内部结构和外形用简洁的图样表示清楚。
本章内容对画好零件图至关重要,所以学时尽量多一些,非机类专业和机械类专业在组合体和机件表达方法上基本相同,其它章节非机械类比机械类学时可少一些,从着一章开始要多安排一些测绘模型作业,教师要试做一些测绘作业,并多收集一些生产上使用的图样,通过分析生产图样的表达方法和尺寸标注,借鉴正确的表达方法,扬弃不规范的表达方法,以下是师生的部分作业和收集到的生产图样,供参考。
学生作业(70年代标准)教师作业教师作业教师作业学生作业学生作业学生作业学生作业生产图样生产图样返回第一讲基本视图1.知识点(1)六个基本视图(2)局部视图(3)斜视图2.教学设计首先用动画演示六个基本视图的形成,然后介绍六个基本视图的配置,再结合实物模型讲解如何用恰当的视图表示物体的形状。
局部视图和和斜视图采用模型和虚拟现实讲解,强调概念、画法、标记。
3.课前准备准备模型、熟悉课件,读国家标准《机械制图图样画法》,搞清楚基本视图、向视图、局部视图、斜视图的联系和区别。
4.教学内容(1)六个基本视图图5-1 六个基本视图【Flash动画/05-01 六个基本视图.swf】图5-2 六个基本视图的配置【例】阀体的表达方法图5-3 阀体【视频/05-01 右视图.avi】注意虚线的省略(2)局部视图图5-4 局部视图【视频/05-02 局部视图.avi】(3)斜视图图5-5 斜视图【视频/05-03 斜视图.avi】图5-6 斜视图的画法和标记返回第二讲剖视图(一)1.知识要点(1)剖视图的概念(2)剖视图的标记(3)剖视图的画法2.教学设计利用Flansh动画讲解剖视图的概念,对剖视图的标记要逐条讲解省略的规则,要让同学记好笔记,对阶梯孔、肋板的剖视图画法是该章的难点,要利用仿真模型把道理讲清,还要让同学在课堂上做适当的练习。