FMK4人防门框柱计算
- 格式:docx
- 大小:66.55 KB
- 文档页数:7
人防工程柱钢筋构件计算
人防工程中的柱钢筋构件计算是人防工程设计中非常重要的一
部分,它涉及到结构的稳定性和安全性。
在进行柱钢筋构件计算时,需要考虑以下几个方面:
1. 荷载计算,首先需要确定柱子所承受的荷载,包括垂直荷载
和水平荷载。
垂直荷载包括楼层荷载和柱自重,水平荷载包括风荷
载和地震荷载等。
这些荷载需要根据设计标准和实际情况进行合理
计算。
2. 钢筋筋筒计算,钢筋的数量、直径、布置方式等需要根据柱
子的受力情况和构件的尺寸进行合理设计和计算。
通常需要考虑受
压区和受拉区的钢筋布置,以及箍筋的设置等。
3. 构件稳定性计算,柱子作为承重构件,其稳定性也是非常重
要的。
需要考虑柱子的侧移、屈曲等情况,通过合理的截面尺寸和
钢筋布置来保证柱子的稳定性。
4. 构件连接设计,柱子与梁、板等其他构件的连接设计也需要
考虑在内,确保构件之间的协同工作和整体稳定性。
总的来说,人防工程柱钢筋构件计算涉及到荷载计算、钢筋筋筒计算、构件稳定性计算和构件连接设计等多个方面,需要结合相关设计规范和实际情况进行综合考虑和计算。
这样才能确保人防工程柱钢筋构件的安全可靠性。
FMK1人防门框墙计算分析一、引言人防门框墙是在人防设施中用以容纳防护门的承重墙体结构。
其设计与计算对于确保人防门的安全可靠性具有重要意义。
本文将从计算分析方面对FMK1人防门框墙进行详细讨论。
二、计算方法1.荷载计算人防门框墙一般承受着垂直荷载、水平荷载以及地震荷载。
垂直荷载包括自重和外部荷载,水平荷载主要是风荷载。
根据相关规范的要求,可以进行荷载计算。
2.配筋设计人防门框墙的配筋设计主要是为了增加结构的抗弯强度和刚度。
根据受力情况,可以采用合适的主筋和箍筋进行配筋,以满足结构的强度要求。
3.承载力计算人防门框墙的承载力计算包括弯曲承载力、剪切承载力和轴力承载力的计算。
根据相关理论和规范的要求,可以进行详细的计算和分析。
三、计算分析1.弯曲承载力弯曲承载力是指人防门框墙在受到弯矩作用时能够承受的最大力矩。
通过对墙体的截面进行计算,可以确定其弯曲承载力。
主要要素包括墙体的净高度、厚度、混凝土强度以及配筋等。
2.剪切承载力剪切承载力是指人防门框墙在受到剪力作用时能够承受的最大剪力。
通过对墙体的剪切区进行计算,可以确定其剪切承载力。
主要要素包括墙体的净高度、厚度、混凝土强度以及剪切钢筋的配筋等。
3.轴力承载力轴力承载力是指人防门框墙在受到轴力作用时能够承受的最大轴力。
通过对墙体的整体稳定性进行计算,可以确定其轴力承载力。
主要要素包括墙体的净高度、厚度、混凝土强度以及轴向压力的分布等。
四、结论通过对FMK1人防门框墙的计算分析,可以得出以下结论:1.FMK1人防门框墙的设计和计算需满足相关规范的要求,确保其结构的安全可靠性。
2.对于不同荷载情况,需进行相应的荷载计算,以确定结构的受力状况。
3.在配筋设计中,应选取合适的主筋和箍筋,增加结构的抗弯强度和刚度。
4.弯曲承载力、剪切承载力和轴力承载力的计算分析应综合考虑墙体的几何特性和材料性能等因素。
总之,FMK1人防门框墙的计算分析是确保结构安全可靠性的重要环节,通过合理的计算方法和配筋设计,可以有效地提高结构的抗力和稳定性,确保人防门的正常使用和紧急情况下的安全逃生。
FMK1人防门框墙计算在进行FMK1人防门框墙计算时,需要考虑以下几个方面:1.结构力学计算:FMK1人防门框墙需要满足一定的强度要求,以承受可能的冲击力和爆炸力。
首先需要进行结构力学计算,包括静力学计算、动力学计算和抗冲击计算等。
这些计算将包括门框墙的各个部分的材料强度和尺寸,以及连接件的选择和设计。
2.爆炸力计算:FMK1人防门框墙通常需要承受爆炸力的冲击,因此需要进行相应的爆炸力计算。
这些计算将包括爆炸荷载的大小、荷载作用时间和荷载的传递路径等。
爆炸力计算还需要考虑周围环境的影响,如地壳结构和土壤的反应力等。
3.防火计算:FMK1人防门框墙还需要满足一定的防火要求,以保证其在火灾发生时能够提供足够的逃生时间。
防火计算将包括材料的防火性能,包括抗燃烧性、烟密度、烟毒性等指标的测试和评定。
此外,还需要进行逃生通道和出口的布置和设计,以确保人们在火灾发生时能够顺利逃生。
4.人员密度计算:FMK1人防门框墙的设计还需要考虑人员密度计算,以确保在紧急情况下,人们能够有足够的空间和通道进行躲避和逃生。
人员密度计算将涉及到建筑物的用途和功能,例如办公楼、商业中心、酒店等,以及每个区域的人员流动情况等。
5.设计要求和标准:FMK1人防门框墙的设计还需要考虑相应的设计要求和标准。
这些设计要求和标准可能是由国家建筑设计规范、消防安全规范和人防工程设计规范等制定的。
设计人员需要详细了解并遵守这些规范,以确保设计的准确性和安全性。
以上是FMK1人防门框墙计算及设计的一些基本内容。
在实际设计和施工中,设计人员需要根据具体的项目要求和情况进行详细的计算和设计工作,以确保人防门框墙在紧急情况下的安全性和可靠性。
同时,还需要与相关部门和专业人士进行紧密合作,共同推动人防工程的发展和进步。
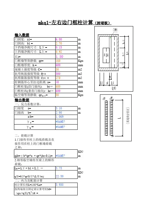
a=1400b=2200a/b=0.64γa =0.37γb =0.44q ia =67.34q ib =80.08f yd =432N/mm 2f cd =28.65N/mm2f td =2.57N/mm 22.0 墙厚(mm)1301.6 门洞宽度(mm)1.7 门洞高度(mm)120020001.5 qe(KN/m 2)1.8 门扇类型单扇门2. 计算查表:人防工程门框梁计算(BFM1220-10)1.9 短边悬挑长度(mm)400 3. 保护层厚度(mm)一、人防荷载1.1 出入口部位及形式1.2 距离1.3 抗力级别2. 混凝土强度等级1. 钢筋等级4. 最小配筋率300二、材料HRB400C40200.3二、受力分析及计算1. 基本参数:1.4 出入口净宽10m乙类 常6级≤3m 1.门框梁计算1.1.受力简图0.3x 0.3xa=0.30mxb= 1.30m xc=0.00m q1=39.00KN/m q2=67.34KN/m q3=26.00KN/m q4=104.00KN/m M1ab =8.3KNmM1ba =8.3KNm F Q F BA1=31.2KN M2ab =13.7KNm M2ba =20.1KNm F Q F BA2=55.9KN M3ab = 1.0KNm M3ba =0.1KNm F Q F BA3=0.2KN M4ab =22.2KNmM4ba =22.2KNm F Q F BA4=83.2KNΣM ab =45.2KNm ΣM ba =50.7KNmΣF Q F BA =170.5KNMmax=50.7KNm1.3.配筋计算h0=280mm αs=0.00269ζ=0.00269γs=0.99866As0=419Asmin=270As=419梁截面BxH 左图2.7层高(m) 3.9(门框柱靠门洞一侧墙长)计算简图选用门洞墙墙长(m)0.3x0.3(B为顺墙长方向高度)xa=0.05m xb= 2.20m xc= 1.65m q1=39.00KN/m q2=80.08KN/m q3=0.00KN/m F Q F BA =170.53KN M1ab =49.4KNmM1ba =49.4KNm M2ab =100.7KNmM2ba =42.1KNm M3ab =0.0KNm M3ba =0.0KNmM4ab =389.0KNmM4ba =542.5KNm ΣM ab =539.2KNm ΣM ba =634.0KNmMmax=634.0KNm 1.3.配筋计算h0=280mm αs=0.0336ζ=0.03419γs=0.98291As0=5333Asmin=270As=5333柱截面BxH 以下部分为门框柱计算,如采用右图,以下内容无效2.门框柱计算2.1.受力简图是否设固定门槛设门槛。
人防临空墙防护密闭封堵板计算1.横梁荷载计算:作用在防护密闭封堵板的等效静荷载标准值为:q e=171kN/m2层高4.9m,梁跨度:9.1m防护密闭封堵板型号为LFMDB7030(6),封堵板传给横梁的均布荷载:0.5x171x3=256.5 kN/m横梁及其上门框墙传来的均布荷载:0.5x171x1.71=145.35 kN/m2. KZ8荷载计算:横梁传来的剪力:0.5x(256.5x7+145.35x9.1=1559.1 kN左侧门框墙传来的均布荷载:171x0.6=102.6 kN/m柱面传来的均布荷载:171x1.0=171 kN/m右侧临空墙传来的梯形荷载最大值:171x1.41=241.1 kN/m计算项目: 封堵板边框柱KZ8-------------------------------------------------------------------[ 计算条件 ]砼强度等级: C40 配筋计算as(mm): 40纵筋级别: HRB400箍筋级别: HRB400箍筋间距: 100 (mm)支座弯矩调幅幅度: 0.000 %左支座固定右支座固定跨号跨长截面宽度(mm) 截面高度(mm) 1 4.900 1200 800[ 计算结果 ]跨号: 1左中右弯矩(-)(kN.m): -1320.25 -0.00 -1977.80弯矩(+)(kN.m): 0.00 769.67 0.00剪力(kN): 1368.68 217.37 -2318.63上部纵筋(mm2): 4165 2880 6358下部纵筋(mm2): 2880 2880 2880抗剪箍筋(mm2): 137 137 307本跨计算通过。
F M K1人防门框墙计算FMK1人防门框墙计算一、计算条件:1.计算参数:工程名称: 工程一 工程项目: 项目一 门框墙编号: 门框墙1请选择门框墙类别: 无柱梁式混凝土人防门种类: 单扇人防门 门扇与门框墙搭接长度d a (mm ): 100人防门洞口宽度B (mm ): 1200人防门洞口高度H (mm ): 2000 门框墙厚度t (mm ): 300门框侧墙长度a 1(mm ): 400 门框侧墙长度a 2(mm ): 500 人防门槛高度h 1(mm ): 200 门框上挡墙高度h 2(mm ): 2050门框上挡墙加强梁宽度b 1(mm ): 2050 门框上挡墙加强梁高度b 2(mm ): 300 门框墙等效静荷载q e1(kN /m 2): 200柱(梁)式门框时临空墙等效静荷载q e2(kN /m 2): 200保护层厚度c (mm ): 15门框墙混凝土强度等级: C35 门框墙受力筋级别: HRB400柱(梁)式门框箍筋级别: HPB300 输出柱(梁)式门框的详细计算过程: 是二、计算依据:《混凝土结构设计规范》GB50010-2010 《人民防空地下室设计规范》GB50038-2005《建筑结构静力计算实用手册》浙江大学编写,中国建筑工业出版社出版三、计算结果:(1)荷载导算过程:单个门扇宽度: a = B + 2 × d a = 1200 + 2 × 100 = 1400 mm 门扇高度: b = H + 2 × d a = 2000 + 2 × 100 = 2200 mm门扇宽度度与高度之比: a / b = 0.636,查人防规范表475-2: 上下门框反力系数: γa = 0.3664 左右门框反力系数: γb = 0.4327门扇传给上下门框的等效静荷载标准值: q a = γa × q e1 × a / 1000 = 0.3664 × 200.0 × 1400 / 1000 = 102.58 kN /m 门扇传给左右门框的等效静荷载标准值: q b = γb × q e1 × a / 1000 = 0.4327 × 200.0 × 1400 / 1000 = 121.16 kN /m(2)左侧门框墙的计算过程:梁式门框墙qh左侧门框墙可以按悬臂墙来计算。
人防门尺寸计算公式人防门是指用于防护人员生命安全和财产安全的门,通常用于防空洞、地下室等人防工程中。
人防门的尺寸计算是人防工程设计中非常重要的一部分,合理的尺寸设计可以保障人员的安全和逃生通道的畅通。
下面将介绍人防门尺寸计算的公式和相关内容。
一、人防门尺寸计算的基本要求。
1. 人防门的尺寸应符合国家相关标准和规定,保证人员的逃生通道畅通和安全。
2. 人防门的材质和结构应符合人防工程设计的要求,具有防护和防火的功能。
3. 人防门的尺寸计算应考虑人员疏散和逃生的需要,保证人员的安全和快速撤离。
二、人防门尺寸计算的公式。
人防门的尺寸计算通常包括门的宽度、高度和厚度三个方面。
下面将介绍人防门尺寸计算的公式。
1. 人防门的宽度计算公式:人防门的宽度应根据人员疏散和逃生的需要来确定,一般来说,人防门的宽度应符合以下公式:门宽 = 人数× 0.6米。
其中,人数为人防工程设计的最大人员容纳量,0.6米为每人所需的最小通过宽度。
根据这个公式计算出的门宽可以保证在紧急情况下人员的快速疏散和逃生。
2. 人防门的高度计算公式:人防门的高度应考虑人员的身高和逃生的需要,一般来说,人防门的高度应符合以下公式:门高 = 人员平均身高 + 0.1米。
其中,人员平均身高为人防工程设计中所规定的人员平均身高,0.1米为顶部预留空间。
根据这个公式计算出的门高可以保证人员的正常通过和逃生。
3. 人防门的厚度计算公式:人防门的厚度应考虑门的结构和防护的需要,一般来说,人防门的厚度应符合以下公式:门厚 = 门框厚度 + 门扇厚度。
其中,门框厚度和门扇厚度应根据人防工程设计的要求和门的材质来确定。
合理的门厚可以保证人防门具有良好的防护功能。
三、人防门尺寸计算的注意事项。
1. 人防门的尺寸计算应根据具体的人防工程设计要求和实际情况来确定,不能盲目套用公式。
2. 人防门的尺寸计算应考虑人员的实际疏散和逃生需求,保证人员的安全和快速撤离。
人防框架柱计算规则
人防框架柱计算规则是指在进行人防工程设计时,根据相关国家标准和规范对人防框架柱的承载能力和稳定性进行计算和评估的规则。
根据《人防工程设计规范》,人防框架柱的计算应当考虑以下因素:
1. 柱截面面积:柱截面面积越大,则柱的承载能力越大。
2. 柱高度和支撑方式:柱高度越高,支撑方式越不稳定,则柱的稳定性越差。
因此,在计算柱的承载能力和稳定性时,要根据柱高度和支撑方式进行考虑。
3. 材料强度:人防框架柱通常采用钢材或混凝土材料,不同材料的强度不同,因此在计算时需要根据实际使用的材料强度进行计算。
4. 荷载作用:人防框架柱要承受一定大小的荷载,包括自重、地震荷载等,需要在计算中进行考虑。
根据以上因素,人防框架柱的计算规则包括以下几个步骤:
1. 根据设计荷载和柱的高度、支撑方式等条件,计算出柱的引臂长度和弯矩大小。
2. 根据柱的截面形状和材料强度等参数,计算柱的截面面积和抗弯承载能力。
3. 判断柱的稳定性,计算柱的临界荷载大小,与实际荷载进行比较,判断柱是否稳定。
4. 根据计算结果进行柱的设计和选择。
需要注意的是,人防框架柱的计算规则在实际应用中可能会存在一定的变化和调整,需要根据具体情况进行调整和修正,以确保设计的准确性和合理性。
FMK1人防门框墙计算一、计算条件:1.计算参数:工程名称: 工程一 工程项目: 项目一 门框墙编号: 门框墙1请选择门框墙类别: 无柱梁式混凝土人防门种类: 单扇人防门门扇与门框墙搭接长度d a (mm ): 100人防门洞口宽度B (mm ): 1200人防门洞口高度H (mm ): 2000 门框墙厚度t (mm ): 300门框侧墙长度a 1(mm ): 400 门框侧墙长度a 2(mm ): 500 人防门槛高度h 1(mm ): 200 门框上挡墙高度h 2(mm ): 2050门框上挡墙加强梁宽度b 1(mm ): 2050 门框上挡墙加强梁高度b 2(mm ): 300 门框墙等效静荷载q e1(kN /m 2): 200柱(梁)式门框时临空墙等效静荷载q e2(kN /m 2): 200 保护层厚度c (mm ): 15门框墙混凝土强度等级: C35 门框墙受力筋级别: HRB400柱(梁)式门框箍筋级别: HPB300 输出柱(梁)式门框的详细计算过程: 是二、计算依据:《混凝土结构设计规范》GB50010-2010 《人民防空地下室设计规范》GB50038-2005《建筑结构静力计算实用手册》浙江大学编写,中国建筑工业出版社出版三、计算结果:(1)荷载导算过程:单个门扇宽度: a = B + 2 × d a = 1200 + 2 × 100 = 1400 mm 门扇高度: b = H + 2 × d a = 2000 + 2 × 100 = 2200 mm门扇宽度度与高度之比: a / b = 0.636,查人防规范表475-2: 上下门框反力系数: γa = 0.3664 左右门框反力系数: γb = 0.4327门扇传给上下门框的等效静荷载标准值: q a = γa × q e1 × a / 1000 = 0.3664 × 200.0 × 1400 / 1000 = 102.58 kN /m 门扇传给左右门框的等效静荷载标准值: q b = γb × q e1 × a / 1000 = 0.4327 × 200.0 × 1400 / 1000 = 121.16 kN /m(2)左侧门框墙的计算过程:梁式门框墙qh左侧门框墙可以按悬臂墙来计算。
人防门框梁计算范文首先,人防门框梁的计算需要考虑以下几个方面:1.强度计算:根据门体的重量、开启方式和使用条件,确定梁的截面尺寸和材料强度。
2.稳定性计算:考虑梁在使用过程中的受力情况,计算合适的支撑方式和间距。
3.整体受力分析:将门体的重力和水平力分解为梁的荷载,计算出梁的反力和内力分布。
在开始计算之前,我们首先需要明确以下参数:1.门体的重量及分布情况:通过门体的重量和形状来确定梁的荷载。
2.门体的开启方式:包括推拉门、旋转门、平开门等,不同开启方式的荷载分布方式不同。
3.门体的尺寸:包括门扇的高度、宽度和厚度等,决定了梁的截面尺寸。
根据这些参数,我们可以继续进行人防门框梁的计算。
首先,我们需要计算人防门框梁的强度。
强度计算主要涉及梁的截面尺寸和材料强度。
截面尺寸的计算通常采用受弯截面的设计原则。
根据门体的重量和形状,我们可以计算出最大弯矩和剪力大小。
在材料强度方面,人防门框梁通常使用高强度钢、钢筋混凝土或者复合材料等。
根据材料的抗拉、抗压和抗弯强度等参数,以及梁的截面形状,我们可以计算出材料的最大承载力。
如果所选材料的承载力大于最大弯矩和剪力的计算结果,那么所选材料即可满足强度要求。
下一步,我们需要进行人防门框梁的稳定性计算。
稳定性计算主要涉及梁的支撑方式和支撑间距的确定。
对于人防门框梁来说,常见的支撑方式有两种:一是设置固定支点或者较大的扭矩支架,使梁在不受到外力作用时保持稳定;二是在梁的下方设置一定间距的支撑方式,以保证梁在荷载作用下不发生屈曲。
稳定性计算的关键是确定梁的侧向稳定系数。
侧向稳定系数是指梁在受到侧向力作用时的稳定性,其计算涉及梁的截面尺寸、材料的弹性模量和屈曲长度等参数。
我们可以根据这些参数,计算出梁的侧向稳定系数,并判断是否满足稳定性要求。
最后,我们需要进行人防门框梁的整体受力分析。
整体受力分析主要涉及梁的反力和内力分布。
根据门体的重力和水平力的大小和分布情况,我们可以计算出梁的受力情况,并分析梁的内力分布。
FMK1人防门框墙计算一、计算条件:1.计算参数:工程名称: 工程一 工程项目: 项目一 门框墙编号: 门框墙1请选择门框墙类别: 无柱梁式混凝土人防门种类: 单扇人防门门扇与门框墙搭接长度d a (mm ): 100人防门洞口宽度B (mm ): 1200人防门洞口高度H (mm ): 2000 门框墙厚度t (mm ): 300门框侧墙长度a 1(mm ): 400 门框侧墙长度a 2(mm ): 500 人防门槛高度h 1(mm ): 200 门框上挡墙高度h 2(mm ): 2050门框上挡墙加强梁宽度b 1(mm ): 2050 门框上挡墙加强梁高度b 2(mm ): 300 门框墙等效静荷载q e1(kN /m 2): 200柱(梁)式门框时临空墙等效静荷载q e2(kN /m 2): 200 保护层厚度c (mm ): 15门框墙混凝土强度等级: C35 门框墙受力筋级别: HRB400柱(梁)式门框箍筋级别: HPB300 输出柱(梁)式门框的详细计算过程: 是二、计算依据:《混凝土结构设计规范》GB50010-2010 《人民防空地下室设计规范》GB50038-2005《建筑结构静力计算实用手册》浙江大学编写,中国建筑工业出版社出版三、计算结果:(1)荷载导算过程:单个门扇宽度: a = B + 2 × d a = 1200 + 2 × 100 = 1400 mm 门扇高度: b = H + 2 × d a = 2000 + 2 × 100 = 2200 mm门扇宽度度与高度之比: a / b = 0.636,查人防规范表475-2: 上下门框反力系数: γa = 0.3664 左右门框反力系数: γb = 0.4327门扇传给上下门框的等效静荷载标准值: q a = γa × q e1 × a / 1000 = 0.3664 × 200.0 × 1400 / 1000 = 102.58 kN /m 门扇传给左右门框的等效静荷载标准值: q b = γb × q e1 × a / 1000 = 0.4327 × 200.0 × 1400 / 1000 = 121.16 kN /m(2)左侧门框墙的计算过程:梁式门框墙qh左侧门框墙可以按悬臂墙来计算。
a=1700b=2200a/b=0.77γa =0.36γb =0.42q ia =122.40q ib =142.80f yd =432N/mm 2f cd =38.50N/mm 2f td =2.85N/mm 2二、受力分析及计算1.门框梁计算1.1.受力简图2. 混凝土强度等级C504. 最小配筋率0.32.0 墙厚(mm)3002. 计算查表:二、材料1. 钢筋等级HRB400 3. 保护层厚度(mm)201.8 门扇类型单扇门1.9 短边悬挑长度(mm)4001.6 门洞宽度(mm)15001.7 门洞高度(mm)20001.3 层高:3.451.4 净宽:2.1mm 1.5 qe(KN/m 2)200人防工程门框梁计算FMK16-0820(BFM0820-15)一、人防荷载1. 基本参数:1.1 部位:竖井1.2 抗力级别:甲类核610m矩计算0.3x 0.3xa=0.30m xb= 1.70m xc=0.10m q1=60.00KN/m q2=122.40KN/m q3=40.00KN/m q4=135.00KN/m M1ab =22.1KNmM1ba =22.1KNm F Q F BA1=63.0KN M2ab =49.0KNm M2ba =59.3KNm F Q F BA2=118.9KN M3ab = 1.6KNm M3ba =0.1KNm F Q F BA3=0.2KN M4ab =49.6KNm M4ba =49.6KNm F Q F BA4=141.8KN ΣM ab =122.2KNm ΣM ba =131.1KNmΣF Q F BA =323.8KNMmax=131.1KNm1.3.配筋计算h0=280mm αs=0.14474ζ=0.15707γs=0.92146As0=1176Asmin=270As=1176层高(m) 3.65计算简图选用右图门洞墙墙长(m) 2.1(门框墙自门洞两侧墙肢或墙柱以内墙长)梁截面BxH0.4x0.5(B为顺墙长方向高度)xa=0.05m xb= 2.20m xc= 1.40m q1=80.00KN/m q2=142.80KN/m q3=10.00KN/m F Q F BA =323.78KN M1ab =88.8KNm M1ba =88.8KNm M2ab =169.5KNm M2ba =78.0KNm M3ab =11.1KNm M3ba =11.1KNm M4ab =547.9KNmM4ba =952.6KNmΣM ab =817.3KNm ΣM ba =1130.5KNmMmax=1130.5KNm1.3.配筋计算h0=480mm αs=0.31861ζ=0.39769γs=0.80115As0=6805Asmin=600柱截面BxH以下部分为门框柱计算,如采用右图,以下内容无效2.门框柱计算2.1.受力简图是否设固定门槛设门槛As=6805。
FMK4人防门框墙计算一、计算条件:1.计算参数:工程名称: 工程一 工程项目: 项目一 门框墙编号: 门框墙1请选择门框墙类别: 双柱梁式混凝土人防门种类: 单扇人防门 门扇与门框墙搭接长度d a (mm ): 100人防门洞口宽度B (mm ): 1500 人防门洞口高度H (mm ): 2000门框墙厚度t (mm ): 300门框侧墙长度a 1(mm ): 400门框侧墙长度a 2(mm ): 500人防门槛高度h 1(mm ): 500 门框上挡墙高度h 2(mm ): 2050 门框侧墙加强柱宽度c 1(mm ): 1500 门框侧墙加强柱高度c 2(mm ): 1500 门框上挡墙加强梁宽度b 1(mm ): 2050 门框上挡墙加强梁高度b 2(mm ): 300门框墙等效静荷载q e1(kN /m 2): 200 柱(梁)式门框时临空墙等效静荷载q e2(kN /m 2): 200保护层厚度c (mm ): 15 门框墙混凝土强度等级: C35门框墙受力筋级别: HRB400 柱(梁)式门框箍筋级别: HPB300输出柱(梁)式门框的详细计算过程: 是二、计算依据: 《混凝土结构设计规范》GB50010-2010《人民防空地下室设计规范》GB50038-2005《建筑结构静力计算实用手册》浙江大学编写,中国建筑工业出版社出版三、计算结果:(1)荷载导算过程:单个门扇宽度: a = B + 2 × d a = 1500 + 2 × 100 = 1700 mm 门扇高度: b = H + 2 × d a = 2000 + 2 × 100 = 2200 mm门扇宽度度与高度之比: a / b = 0.773,查人防规范表475-2: 上下门框反力系数: γa = 0.3600 左右门框反力系数: γb = 0.3982门扇传给上下门框的等效静荷载标准值: q a = γa × q e1 × a / 1000 = 0.3600 × 200.0 × 1700 / 1000 = 122.40 kN /m 门扇传给左右门框的等效静荷载标准值: q b = γb × q e1 × a / 1000q h= 0.3982 × 200.0 × 1700 / 1000 = 135.38 kN /m(2)左侧门框墙的计算过程:因为 a 1 > B / 2 ,左侧门框墙采用柱式门框。
L 1 = c 1 - d a = 1500 - 100 = 1400 mm L 2 = L - c 1 = 400 - 1500 = -1100 mm柱式门框高度: L h = h 1 + H + h 2 = 500 + 2000 + 2050 = 4550 mm 柱式门框线荷载: q = q b + q e1 × L 1 / 1000 + q e2 × Min {L 2,L h } / (2 × 1000) = 135.38 + 200 × 1400 / 1000 + 200 × Min { - 1100,4550} / (2 × 1000) = 305.38 kN /m有梁式门框,尚应计算梁式门框传给柱式门框的集中力。
梁式门框; L 1' = b 1 - d a = 2050 - 100 = 1950 mm 梁式门框; L 2' = h 2 - b 1 = 2050 - 2050 = 0 mm 梁式门框跨度; L b = 1500 mm 梁式门框线荷载; q ' = q a + q e1 × L 1' / 1000 + q e2 × Min {L 2',L b } / (2 × 1000) = 122.40 + 200 × 1950 / 1000 + 200 × Min {0,1500} / (2 × 1000) = 512 kN /m梁式门框传给加强柱的集中力; F = q ' × L b / (2 × 1000) = 512 × 1500 / (2 × 1000) = 384.3 kN集中力距柱式门框底距离; y 1 = h 1 + H + b 1 / 2 = 500 + 2000 + 2050 / 2 = 3525 mm 集中力距柱式门框顶距离; y 2 = h 2 - b 1 / 2 = 2050 - 2050 / 2 = 1025 mm M = q × L h 2 / (12 × 106) + F × y 12 × y 2 / (L h 2 × 103) = 305.38 × 45502 / (12 × 106) + 384.3 × 35252 × 1025 / (45502 × 103) = 763.3 kN.m V = q × L h / (2 × 1000) + F × y 12 × (1 + 2 × y 2 / L h ) / L h 2 = 305.38 × 4550 / (2 × 1000) + 384.3 × 35252 × (1 + 2 × 1025 / 4550) / 45502 = 1029.3 kN以下是柱(梁)式门框正截面受弯的详细计算过程: 混凝土轴心受压强度设计值: f c = 16.7 N /mm 2 混凝土轴心受拉强度设计值: f t = 1.57 N /mm 2 混凝土轴心受压强度标准值: f ck = 23.4 N /mm 2 钢筋抗拉强度设计值: f y = 360 N /mm 2 钢筋受压强度设计值: f y ' = 360 N /mm 2 钢筋弹性模量: E s = 200000 N /mm 2 最大配筋率: ρmax = 2.4 %混凝土材料强度综合调整系数: r d1 = 1.5 钢筋材料强度综合调整系数: r d2 = 1.2调整后的混凝土轴心受压强度设计值: f cd = f c × r d1 = 16.70 × 1.50 = 25.05 N /mm 2 调整后的混凝土轴心受拉强度设计值: f td = f t × r d1 = 1.57 × 1.50 = 2.36 N /mm 2 调整后的混凝土轴心受压强度标准值: f ckd = f ck × r d1 = 23.40 × 1.50 = 35.10 N /mm 2 调整后的钢筋抗拉强度设计值: f yd = f y × r d2 = 360 × 1.20 = 432 N /mm 2 调整后的钢筋受压强度设计值: f yd ' = f y ' × r d2 = 360 × 1.20 = 432 N /mm 2 系数: α1 = 1混凝土立方体轴心受压强度标准值: f cuk = 35 N /mm 2 系数: β1 = 0.8非均匀受压时的混凝土极限压应变: E cu = 0.0033 - (f cuk - 50) × 10 - 5 = 0.0033 - (35 - 50) × 10 - 5 = 0.0035 当E cu > 0.0033 时,取E cu = 0.0033。
相对界限受压区高度: ξb = β1 / [1 + f y / (E s × E cu )]= 0.8 / [1 + 432.0 / (200000 × 0.0033)] = 0.4835截面有效高度: H 0 = H - c2 - 20 = 1500 - 15 - 20 = 1465 mm A omax = ξb × (1 - 0.5 × ξb ) = 0.4835 × (1 - 0.5 × 0.4835) = 0.3666 M b = A omax × α1 × f c × B × H 02 = 0.3666 × 1.0 × 25.05 × 1500 × 14652 = 29566050000.00 N.m M < M b , 按单筋矩形截面梁进行设计。
受压区高度: x = H 0 - [H 02 - 2 × M / (α1 × F c × B )]1 / 2 = 1465 - [14652 - 2 × 763270300.00 / (1.0 × 25.05 × 1500)]1 / 2 = 14 mm 受压区高度与有效高度之比: ξ = x / H 0 = 14 / 1465 = 0.010 受拉钢筋配筋面积: As = α1 × f c × B × x / f y = 1.0 × 25.05 × 1500 × 14 / 432.0 = 1212 mm 2 As < As min , As = As min = 5625 mm 2人防构件受压区构造配筋面积: As ' = As / 3 = 5625 / 3 = 1875 mm 2人防构件受压区构造配筋应满足受拉钢筋最小配筋率: As ' = A smin = 5625 mm 2 计入受压钢筋的受压区高度: x = (f y × As - f y ' × As ') / (α1 × f c × B ) = (432.0 × 5625 - 432.0 × 5625) / (1.0 × 25.05 × 1500) = 0 mm计入受压钢筋的受压区高度与有效高度之比: ξ = x / H 0 = 0 / 1465 = 0.000 加强柱计算配筋面积: 5625.0 mm 2加强柱采用对称配筋: 15C 22(5701.5 mm 2)以下是柱(梁)式门框斜截面受剪的详细计算过程: 混凝土轴心受压强度设计值: f c = 16.7 N /mm 2 混凝土轴心受压强度标准值: f t = 1.57 N /mm 2 箍筋抗拉强度设计值: f yv = 270 N /mm 2 混凝土材料综合调整系数: γd1 = 1.5 钢筋材料综合调整系数: γd2 = 1.35调整后的混凝土轴心受压强度设计值: f cd = f c × r d1 × 0.8 = 16.70 × 1.50 × 0.8 = 20.04 N /mm 2 调整后的混凝土轴心受压强度标准值: f td = f t × r d1 × 0.8 = 1.57 × 1.50 × 0.8 = 1.88 N /mm 2 调整后的箍筋抗拉强度设计值: f yvd = f yv × r d2 = 270 × 1.35 = 365 N /mm 2 混凝土保护层厚度: c = 15 mm截面有效高度: H 0 = H - c - 20 = 1500 - 15 - 20 = 1465 mm 混凝土强度影响系数:βc = 1对矩形截面,截面的腹板高度: H w = H 0 = 1465 mm hb = H w / B = 0.9766667, hb ≤4 。