人防门框墙计算
- 格式:xls
- 大小:1.60 MB
- 文档页数:5
杭州中翰建筑设计有限公司结构计算书工程编号:工程名称:项目名称: xx区地下汽车库设计阶段: xx区人防结构计算计算人:校对人:专业负责:审核人:日期: 2012.03Ⅶ区地下汽车库人防结构计算书目录一、人防主要计算依据和计算软件二、人防等效荷载及材料强度三、主要人防墙体计算(一)人防临空墙(二)非人防与人防隔墙(三)相邻人防单元隔墙(四)人防扩散室隔墙(五)人防地下室外墙四、各类门框墙、楼梯等按图集选用五、人防地下室梁、柱计算(SATWE电算)六、人防地下室顶板和底板计算(SATWE电算)人防结构计算一、主要计算依据和计算软件1、《人民防空地下室设计规范》 GB50038-20052、《防空地下室结构设计》(国家建筑标准设计图集) 07FG01~053、《防空地下室》(全国民用建筑工程设计技术措施) 20094、计算软件PKPM(2012版)A人防侧墙、临空墙、单元隔墙采用手算并结合结构计算软件Morgain2012年版计算。
人防门框墙、扩散室悬板活门门框墙、防暴波电缆井、室外主要出入口人防楼梯等,依据国标人防图集查选。
B人防底板和顶板采用PKPM-PMCAD程序计算C人防地下室柱、地梁、顶板的梁采用PKPM-Satwe程序计算二、等效静荷载及材料强度1、本工程为甲类防空地下室,人防等级核6级常6级,人防区为大地下室Ⅶ区范围,共5个人防防护单元2、人防等效静荷载标准值确定:依据《人民防空地下室设计规范GB 50038—2005》查表,人防构件允许延性比按4.6.2条规定。
a、顶板:(梁板结构,允许延性比3.0)《规范》4.8.2条1)纯地下室部分:70kPa (不考虑上部建筑影响,覆土1.5米,板区格最大短边净跨5.7米-0.3米=5.4米)2)主楼范围地下室(-2.8米标高板):55kPa(考虑上部建筑影响,无覆土,板净跨≥3米0029b、土中外墙:(允许延性比2.0)《规范》4.8.3-2条不考虑上部建筑影响,取55kPa (饱和土中,淤泥土)c、带桩基钢筋混凝土底板,第4.8.15条,取值25kPad、相邻防护单元间隔墙,门框墙:1)6级与6级相邻每侧:50kPa2)6级与普通地下室普通地下室一侧:隔墙:110kPa ;门框墙:170kPa3)扩散室与与内部房间相邻的临空墙:39kPae、楼梯踏步与休息平台(作为战时主要出入口):正面荷载:60 kPa 反面荷载:30 kPaf、出入口直接作用门框墙和出入口临空墙:(kPa)三、主要人防墙体计算:(一)、地下室墙计算:DFQ1(人防临空墙)人防等效静荷载标准值:130kN/m2 (按均布荷载输入Morgain)混凝土强度等级为 C35,人防:f c= 16.72N/mm2x1.5=25.08 N/mm2f t= 1.575N/mm2x1.5=2.363 N/mm2f tk= 2.204N/mm2x1.5=3.306 N/mm2Ec=3.15x104 N/mm2x1.2=3.78 x104 N/mm2钢筋抗拉强度设计值(HRB400) f y= 360N/mm2x1.2=432 N/mm2E s= 20 x104 N/mm2Morgain计算如下:上下固端,不考虑裂缝控制。
广联达-专业、易用的人防门框墙一、人防业务介绍人防是指人民防空地下室,简称防空地下室。
甲类防空地下室设计必须满足其预定的战时对核武器、常规武器和生化武器的各项防护要求。
乙类防空地下室设计必须满足其预定的战时对常规武器和生化武器的各项防护要求。
在实际工程中,人防业务有特定的图集规范。
因为人防业务特殊性,以往用软件存在一些的难点:1、人防门框墙种类多,造型复杂,人防门框墙的绘制,步骤繁琐,效率慢;2、人防门框墙的钢筋计算需要手动调整计算结果。
最新版GGJ2009软件新增了专业、易用的功能,帮助大家更方便、快捷、准确的处理人防业务。
二、软件人防功能简介依据07FG04人防门框墙图集以及常见的人防施工图纸,GGJ2009提供了人防门框墙构件。
采用参数图组合方式定义,可以处理1546种门框墙类型,配合灵活的钢筋输入格式和钢筋计算设置,可以满足大部分常见业务情况,且支持与剪力墙重叠绘制,钢筋计算精确扣减,使人防的处理专业便捷。
下图为人防门框墙定义界面:下图为人防门框墙计算设置:三、实例演示:下面将通过实例工程来演示GGJ2009软件人防门框墙的功能。
下图为本工程的人防门框墙配筋表。
以MKQ1为例,首先新建门框墙MKQ1,如图:1)平剖形式根据门框墙配筋表,平坡形式采用大样图“A”样式,由门框墙大样图得到“A”样式:从图中得到,左右都是悬臂式,根据配筋特点,在门框墙左、右构造中,调开参数图,选择为悬臂式-1选择完毕,然后根据大样图对照配筋表,直接在右边参数图“1-1”中输入洞口尺寸及左右悬臂的配筋,配筋完成,如下图:在对悬臂进行配筋时,也可在属性列表中输入:2)立剖形式根据门框墙配筋表,MKQ1的立剖形式采用大样图“4”,然后再门框墙大样图中对照大样图“4”,在软件中确定MKQ1的上、下样式,然后根据大样图4对照配筋表,确定上下样式的配筋,如下图:定义人防门框墙MKQ1之后,绘制到图上:绘制完成后,汇总计算查看结果:通过实例可以发现,利用GGJ2009处理人防门框墙比较简单方便。
人防门框墙钢筋计算设置中左右侧水平筋根数计算方法人防门框墙的钢筋计算和设置是一个复杂的过程,涉及到多个因素,包括抗震等级、人防等级、墙的厚度、钢筋的强度等级等。
至于左右侧水平筋的根数,这主要取决于墙的厚度和设计要求。
一般来说,如果墙的厚度大于或等于400毫米,并且设计要求设置水平筋,那么通常会放置三根钢筋,包括两根直径为12毫米的钢筋和一根直径为14毫米的钢筋,其中直径为12毫米的钢筋位于外侧,直径为14毫米的钢筋
位于内侧。
如果墙的厚度小于400毫米,则只需放置两根直径为12毫米的钢筋。
但请注意,这只是一般情况下的做法,具体的钢筋配置需要按照设计图纸和相关规范进行计算和设置。
因此,建议您在进行人防门框墙的钢筋配置时,仔细阅读相关规范和设计图纸,并咨询专业人士以确保安全和合规。
FMK1人防门框墙计算分析一、引言人防门框墙是在人防设施中用以容纳防护门的承重墙体结构。
其设计与计算对于确保人防门的安全可靠性具有重要意义。
本文将从计算分析方面对FMK1人防门框墙进行详细讨论。
二、计算方法1.荷载计算人防门框墙一般承受着垂直荷载、水平荷载以及地震荷载。
垂直荷载包括自重和外部荷载,水平荷载主要是风荷载。
根据相关规范的要求,可以进行荷载计算。
2.配筋设计人防门框墙的配筋设计主要是为了增加结构的抗弯强度和刚度。
根据受力情况,可以采用合适的主筋和箍筋进行配筋,以满足结构的强度要求。
3.承载力计算人防门框墙的承载力计算包括弯曲承载力、剪切承载力和轴力承载力的计算。
根据相关理论和规范的要求,可以进行详细的计算和分析。
三、计算分析1.弯曲承载力弯曲承载力是指人防门框墙在受到弯矩作用时能够承受的最大力矩。
通过对墙体的截面进行计算,可以确定其弯曲承载力。
主要要素包括墙体的净高度、厚度、混凝土强度以及配筋等。
2.剪切承载力剪切承载力是指人防门框墙在受到剪力作用时能够承受的最大剪力。
通过对墙体的剪切区进行计算,可以确定其剪切承载力。
主要要素包括墙体的净高度、厚度、混凝土强度以及剪切钢筋的配筋等。
3.轴力承载力轴力承载力是指人防门框墙在受到轴力作用时能够承受的最大轴力。
通过对墙体的整体稳定性进行计算,可以确定其轴力承载力。
主要要素包括墙体的净高度、厚度、混凝土强度以及轴向压力的分布等。
四、结论通过对FMK1人防门框墙的计算分析,可以得出以下结论:1.FMK1人防门框墙的设计和计算需满足相关规范的要求,确保其结构的安全可靠性。
2.对于不同荷载情况,需进行相应的荷载计算,以确定结构的受力状况。
3.在配筋设计中,应选取合适的主筋和箍筋,增加结构的抗弯强度和刚度。
4.弯曲承载力、剪切承载力和轴力承载力的计算分析应综合考虑墙体的几何特性和材料性能等因素。
总之,FMK1人防门框墙的计算分析是确保结构安全可靠性的重要环节,通过合理的计算方法和配筋设计,可以有效地提高结构的抗力和稳定性,确保人防门的正常使用和紧急情况下的安全逃生。
人防门框墙计算EXCEL
在Excel中进行人防门框墙计算,需要考虑的参数包括墙体的尺寸、
墙体材料、水平荷载和垂直荷载等。
以下是一个简单的人防门框墙计算EXCEL示例。
1.墙体尺寸:包括墙体高度、宽度和厚度等参数。
2.材料属性:包括墙体材料的密度、弹性模量和抗拉强度等参数。
3.荷载参数:包括水平荷载和垂直荷载的大小和方向等参数。
接下来,根据公式计算各个参数的数值。
例如,根据墙体尺寸和材料
属性可以计算出墙体的体积、质量和截面面积等参数。
根据荷载参数和墙
体尺寸可以计算出墙体的受力情况,包括弯矩、剪力和轴力等参数。
然后,根据计算结果,可以使用Excel的函数和公式进行进一步的计算。
例如,可以计算墙体的最大应力和变形,以及墙体的安全系数等参数。
还可以使用图表和图形来可视化计算结果,以便更好地理解和分析。
最后,可以在Excel中添加必要的说明、注释和说明,使计算结果更
加清晰和易于理解。
可以使用Excel的格式化功能美化表格,并进行数据
验证和错误处理等操作,以提高计算的准确性和可靠性。
总之,人防门框墙计算EXCEL是一种方便和灵活的工具,可以帮助工
程师和设计师进行人防门框墙结构参数的计算和分析。
通过合理的数据输
入和计算方法,可以得到准确可靠的设计结果,确保人防门框墙结构的安
全性和稳定性。
一、门框墙等效静荷载标准值qe=240KN/m 2q=180KN/m 2由门扇传来的等效静荷载标准值qia 、qib门洞短边单位长度作用力标准值ia=205.92K N/m 门洞长边单位长度作用力标准值q ib=205.92K N/m二、门框墙配筋计算(一)、水平段1、门框墙内力计算见RFJ02-2009第5.9.2条门框墙悬挑长度L(水平)750mm 门框墙厚度h 500mm 门扇搭接长度100mm 门扇传来的作用力至悬臂根部的距离L 1716.7mm 直接作用在墙上的等效静荷载标准值qe 的分布宽度L 2650mm按GB50038-2005第4.10.12条计算门框墙内力门洞边单位长度内悬臂根部弯矩M : M=q ia*L 1+q e*L 2*L 2/2=198.28KN.m/m 门洞边单位长度内牛腿(或悬臂梁)根部剪力V : V=q ia+qe*L2=361.92KN/m 2 .构件截面设计1).结构构件材料及材料强度,依据GB 50010-2010表4.1.4-1、表3.4.2、表4.1.4、人防门框墙(GWSFM6526(6))配筋计算人防密闭门框墙按钢筋混凝土悬臂构件设计。
本工程抗力等级为核6级。
1、直接作用在墙上的等效静荷载标准值qe(RFJ02-2009 第5.6.12条)、(GB50038-2005 表4.56.-1)2、作用在门扇上的等效静荷载标准值qe (RFJ02-2009表5.6.11-2)2). 正截面受弯承载能力验算(以1m长为计算单元)悬臂构件宽度b=1000mm 悬臂构件有效厚度h 0=470mm αs=M/α1f cd bh 02=0.036ξ=1-(1-2αs)0.5=0.036As=α1f cd ξbh 0/f yd =994.69mm 2/m受弯构件最小配筋率:45f t /f y =0.20%GB50038-2005表4.7.7ρmin =0.25%每延米钢筋截面面积:A s =1250mm 2/m取大值,As=1250mm 2/m 直径间距根数面积mm 2配筋率22150 6.72534.220.54%GB50038-2005表4.6.5-2,受拉钢筋的最大配筋率为2.4%。
人防设计计算书人防计算书一、设计依据《人民防空地下室设计规范》GB50038-2005《建筑地基基础设计规范》GB50007-2011《混凝土结构设计规范》GB50010-2010《建筑抗震设计规范》GB50011-2010(2016版)二、荷载取值人防工程为地下两层,层高均为3.6m,地下二层为甲类核6级,常6级物资库,地下一层为甲类核6级,常6级二等人员掩蔽所,荷载根据《人民防空地下室设计规范》GB50038-2005取值,按承受常规武器爆炸动荷载、核武器爆炸动荷载、静荷载组合分别作用设计,并取最不利组合配筋。
三、材料墙、柱混凝土采用C35,梁、板采用C35混凝土,钢筋:采用HRB400级。
四、结构体系本工程采用钢筋混凝土框架结构,外墙、临空墙、隔墙等采用钢筋混凝土墙体,基础采用桩基础,地下室底板为桩基础防水板,地下室顶楼盖采用无梁楼盖体系,梁、板、墙、底板构件尺寸详见图纸。
五:设计方法人防楼板及梁柱配筋采用盈建科1.8.2版,输入相应荷载进行设计。
地下室外墙,临空墙,人防隔墙等采用理正,scct等结构计算软件,按相应人防荷载进行设计。
因每层净高均小于 3.6m,门框墙根据图集《防空地下室结构设计》FG01~05进行选取。
竖井,防爆波电缆井,人防楼梯,放倒塌棚架等根据《防空地下室结构设计》FG01~05进行选取。
六:构件计算LKQ1临空墙计算3600x3600mm,双向板一、计算条件:工程名称: 工程一工程项目: 项目一临空墙编号: LKQ1临空墙的宽度L x(mm): 3600临空墙的高度L y(mm): 3600临空墙的厚度t(mm): 300临空墙等效静荷载q e(kN/m2): 160临空墙保护层厚度c(mm): 20临空墙混凝土强度等级: C35临空墙钢筋级别: HRB400内力计算采用弹性方法: 否临空墙最小配筋率(%): 0.25动荷载下构件允许延性比[ ]: 1.0进行斜截面抗剪验算: 是进行抗冲切验算: 是二、计算依据:《混凝土结构设计规范》GB50010-2010《建筑结构荷载规范》GB50009-2012《建筑结构静力计算实用手册》浙江大学编写,中国建筑工业出版社出版三、计算结果:(1)系数说明:Mx,Mxmax分别为平行于Lx方向板中心点的弯矩和板跨内最大弯矩;My,Mymax分别为平行于Ly方向板中心点的弯矩和板跨内最大弯矩;Mxo,Myo分别为固定边中点沿Lx和Ly方向的支座弯矩;(2)(3)(4)人防组合下,板斜截面抗剪计算过程如下:V = [q × (2 × Ly-Lx) × Lx / (4 × Ly)] / 1000= [160.00 × (2 × 3600 - 3600) × 3600 / (4 × 3600)] / 1000 = 144.00 kN混凝土轴心受压强度设计值:f t = 1.43 N/mm2混凝土材料综合调整系数:γd = 1.50调整后的混凝土轴心受压强度设计值: f td = f t × γd × 0.8 = 1.43 × 1.50 × 0.8 = 1.72 N/mm2截面有效高度: H0 = H-c- 10 = 300 - 20 - 10 = 270 mmβh = 1截面抗剪承载力: R = 0.7 × βh × f td × H0 = 0.7 × 1.0000 × 1.72 × 270 = 324.32 kN人防组合下, V ≤ 0.7 × βh × f td × H0 , 板斜截面抗剪验算满足要求!(5)人防组合下,板抗冲切计算过程如下:人防组合面荷载值:q = 160 kN/m2混凝土抗拉强度:f t = 1.43 N/mm2调整后的混凝土抗拉强度: f td = f t × r d = 1.43 × 1.50 = 1.72 N/mm2H0 = H-c1- 8 = 300 - 20 - 8 = 272 mmβh = 1F L = q × (Lx- 2 × H) × (Ly- 2 × H) / 1000000= 160.00 × (3600 - 2 × 300) × (3600 - 2 × 300) / 1000000 = 1440.00 kN u m = (Lx-H) × 2 + (Ly-H) × 2 = (3600 - 300) × 2 + (3600 - 300) × 2 = 13200 mmR = 0.7 × βh × f td × u m × H0 / 1000= 0.7 × 1.00 × 2.15 × 13200 × 272 / 1000 = 5390.99 kN人防组合下, F L ≤ 0.7 × βh × f t × u m × H0 , 板抗冲切验算满足要求!LKQ2 临空墙计算7200x3600 双向板一、计算条件:工程名称: 工程一工程项目: 项目一临空墙编号: LKQ1临空墙的宽度L x(mm): 7200临空墙的高度L y(mm): 3600临空墙的厚度t(mm): 300临空墙等效静荷载q e(kN/m2): 160临空墙保护层厚度c(mm): 20临空墙混凝土强度等级: C35临空墙钢筋级别: HRB400内力计算采用弹性方法: 否临空墙最小配筋率(%): 0.25动荷载下构件允许延性比[β]: 1.0进行斜截面抗剪验算: 是进行抗冲切验算: 是二、计算依据:《混凝土结构设计规范》GB50010-2010《建筑结构荷载规范》GB50009-2012《建筑结构静力计算实用手册》浙江大学编写,中国建筑工业出版社出版三、计算结果:(1)系数说明:Mx,Mxmax分别为平行于Lx方向板中心点的弯矩和板跨内最大弯矩;My,Mymax分别为平行于Ly方向板中心点的弯矩和板跨内最大弯矩;Mxo,Myo分别为固定边中点沿Lx和Ly方向的支座弯矩;(2)(3)(4)人防组合下,板斜截面抗剪计算过程如下:V = [q × (2 × Lx-Ly) × Ly / (4 × Lx)] / 1000= [160.00 × (2 × 7200 - 3600) × 3600 / (4 × 7200)] / 1000 = 216.00 kN混凝土轴心受压强度设计值:f t = 1.43 N/mm2混凝土材料综合调整系数:γd = 1.50调整后的混凝土轴心受压强度设计值: f td = f t × γd × 0.8 = 1.43 × 1.50 × 0.8 = 1.72 N/mm2截面有效高度: H0 = H-c- 10 = 300 - 20 - 10 = 270 mmβh = 1截面抗剪承载力: R = 0.7 × βh × f td × H0 = 0.7 × 1.0000 × 1.72 × 270 = 324.32 kN人防组合下, V ≤ 0.7 × βh × f td × H0 , 板斜截面抗剪验算满足要求!(5)人防组合下,板抗冲切计算过程如下:人防组合面荷载值:q = 160 kN/m2混凝土抗拉强度:f t = 1.43 N/mm2调整后的混凝土抗拉强度: f td = f t × r d = 1.43 × 1.50 = 1.72 N/mm2H0 = H-c1- 8 = 300 - 20 - 8 = 272 mmβh = 1F L = q × (Lx- 2 × H) × (Ly- 2 × H) / 1000000= 160.00 × (7200 - 2 × 300) × (3600 - 2 × 300) / 1000000 = 3168.00 kNu m = (Lx-H) × 2 + (Ly-H) × 2 = (7200 - 300) × 2 + (3600 - 300) × 2 = 20400 mmR = 0.7 × βh × f td × u m × H0 / 1000= 0.7 × 1.00 × 2.15 × 20400 × 272 / 1000 = 8331.52 kN人防组合下, F L ≤ 0.7 × βh × f t × u m × H0 , 板抗冲切验算满足要求!LKQ3 临空墙计算单向板本计算依据《人民防空地下室设计规范》GB50038-2005简称《规范》,其余规范按国家统一标准。
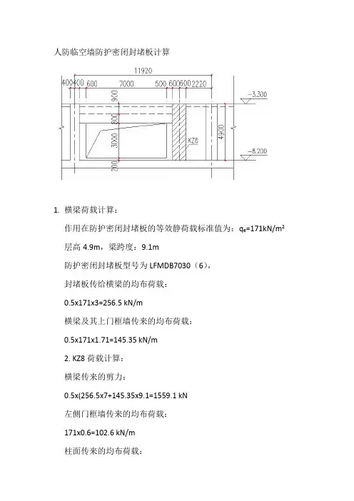
人防临空墙防护密闭封堵板计算1.横梁荷载计算:作用在防护密闭封堵板的等效静荷载标准值为:q e=171kN/m2层高4.9m,梁跨度:9.1m防护密闭封堵板型号为LFMDB7030(6),封堵板传给横梁的均布荷载:0.5x171x3=256.5 kN/m横梁及其上门框墙传来的均布荷载:0.5x171x1.71=145.35 kN/m2. KZ8荷载计算:横梁传来的剪力:0.5x(256.5x7+145.35x9.1=1559.1 kN左侧门框墙传来的均布荷载:171x0.6=102.6 kN/m柱面传来的均布荷载:171x1.0=171 kN/m右侧临空墙传来的梯形荷载最大值:171x1.41=241.1 kN/m计算项目: 封堵板边框柱KZ8-------------------------------------------------------------------[ 计算条件 ]砼强度等级: C40 配筋计算as(mm): 40纵筋级别: HRB400箍筋级别: HRB400箍筋间距: 100 (mm)支座弯矩调幅幅度: 0.000 %左支座固定右支座固定跨号跨长截面宽度(mm) 截面高度(mm) 1 4.900 1200 800[ 计算结果 ]跨号: 1左中右弯矩(-)(kN.m): -1320.25 -0.00 -1977.80弯矩(+)(kN.m): 0.00 769.67 0.00剪力(kN): 1368.68 217.37 -2318.63上部纵筋(mm2): 4165 2880 6358下部纵筋(mm2): 2880 2880 2880抗剪箍筋(mm2): 137 137 307本跨计算通过。
人防防空地下室门框墙设计摘要:防护密闭门门框墙是一种特殊的临空墙,门框墙由于需要更严格的控制其变形,以保证受力时能和门扇共同作用,因此虽然出入口通道内门框墙与临空墙处在相邻的位置,但作用在门框墙上的等效静荷载要比作用在临空墙上的等效静荷载值大。
当门洞边悬挑长度大于1/2倍门洞边长时,墙体为双向受力构件,为使受力明确,可在洞口边设置梁(柱)。
当门洞边悬挑长度小于1/2倍门洞边长时,可简化成悬臂构件进行设计。
关键词:门框墙,加强梁,加强柱。
1引言人民防空工程也叫人防工事,是指为保障战时人员与物资掩蔽、人民防空指挥、医疗救护等而单独修建的地下防护建筑,以及结合地面建筑修建的战时可用于防空的地下室。
人防工程不同于一般的地下建筑工程,它除有一般地下建筑工程的特点外,还具有其特殊的、供战时抵御各种武器的攻击防护及使用功能,满足预定的战时对核武器和生化武器的各种防护要求。
在60年代末、70年代初,我国各单位、街道居民在房子底下挖洞,尔后相互连通,形成了四通八达的地道网,这些工程统称为早期人防工程。
随着时间的推移,人防工程建设逐步走上了正规化、科学化的轨道,围绕“平战结合”,我国各地人防工程建设大多体现了“一个工程多种用途”的原则,使人防工程不仅能防空,还能在缓解城市的用地和交通紧张问题等方面发挥积极作用。
由于人员与设备的进出,以及通风、给排水、排烟等的需要,人防地下室有少量与外部联通的孔洞,而这些孔口是恰恰人防工程的薄弱环节。
因此,孔口防护是人防工程的主要分部工程,对门框墙应该尤其重视,保证其具备足够的抵抗强度,才能保证其与防护门协调发挥作用。
2门框墙设计要点(1)门框墙受力特点:临空墙和门框墙都承受同样的核爆冲击荷载。
两者的荷载值差别并不大,区别的是荷载的作用方式。
临空墙一般是只有等效均布荷载作用,而作用在门框墙的由两部分组成,一部分为门框部分的等效均布荷载,另一部分为密闭门传来的支座反力。
门框墙包括密闭门门框墙和防护密闭门门框墙。
人防门框墙图文教程1、名称:根据图纸输入构件的名称,该名称在当前楼层的当前构件类型下是唯一的。
2、门框墙左侧构造:门框墙左侧的样式,可通过按钮进入图库选择参数化图形,共提供了8种样式。
下面以左右悬臂式、上下部无卧梁式的构造介绍如何输入尺寸及配筋。
3、门框墙右侧构造:选择门框墙的右侧构造样式,同左侧构造。
4、门框墙上部构造:选择门框墙的上部构造样式,共提供了11种样式,方法同上。
5、门框墙下部构造:选择门框墙的下部构造样式,共提供了8种样式,方法同上。
6、纵筋构造:当选择为设置插筋时,软件根据相应设置自动计算插筋;当选择为纵筋锚固时,则上层墙体垂直钢筋伸入下层,不再单独设置插筋。
7、左侧尺寸:定义门框墙左侧构造的尺寸。
8、洞口宽度(mm):门框墙洞口的宽度。
9、悬臂尺寸1(mm):当门框墙左侧的构造选择为悬臂式后,在此输入悬臂尺寸;如果选择为柱式,则输入边柱宽度。
10、节点尺寸1(mm):当门框墙左侧的构造选择为悬臂式后,此处输入左侧节点的尺寸;如果选择为柱式,则输入柱的高度。
11、左侧配筋:定义人防门框墙的左侧配筋。
12、左侧墙肢纵筋:输入左侧墙肢的纵筋,输入格式:数量+级别+直径,例如:3B16,不同钢筋信息用“+”连接,例如2B20+2B16。
13、左侧墙肢分布筋:输入左侧墙肢的分布筋,输入格式:数量+级别+直径或级别+直径+间距,例如:3B16或B12@200,当直接输入根数时,不同钢筋信息用“+”连接,例如2B20+2B16。
14、左侧墙筋:左侧节点墙体部分的纵筋。
,输入格式:数量+级别+直径。
15、左侧墙肢水平筋:左侧墙肢部分的水平钢筋,输入格式:级别+直径+间距,如B12@150。
16、左侧墙肢拉筋:左侧墙肢部分的拉筋信息,输入格式:级别+直径+间距*间距,如B12@150*150或【排数】+级别+直径+间距,如2B12@150。
17、洞口加筋:门框墙洞口的附加钢筋,输入格式:数量+级别+直径,不同直径用加号连接,如3B16+3B18,数量为洞口一侧的钢筋根数。
FMK1人防门框墙计算一、计算条件:1.计算参数:工程名称: 工程一 工程项目: 项目一 门框墙编号: 门框墙1请选择门框墙类别: 无柱梁式混凝土人防门种类: 单扇人防门门扇与门框墙搭接长度d a (mm ): 100人防门洞口宽度B (mm ): 1200人防门洞口高度H (mm ): 2000 门框墙厚度t (mm ): 300门框侧墙长度a 1(mm ): 400 门框侧墙长度a 2(mm ): 500 人防门槛高度h 1(mm ): 200 门框上挡墙高度h 2(mm ): 2050门框上挡墙加强梁宽度b 1(mm ): 2050 门框上挡墙加强梁高度b 2(mm ): 300 门框墙等效静荷载q e1(kN /m 2): 200柱(梁)式门框时临空墙等效静荷载q e2(kN /m 2): 200 保护层厚度c (mm ): 15门框墙混凝土强度等级: C35 门框墙受力筋级别: HRB400柱(梁)式门框箍筋级别: HPB300 输出柱(梁)式门框的详细计算过程: 是二、计算依据:《混凝土结构设计规范》GB50010-2010 《人民防空地下室设计规范》GB50038-2005《建筑结构静力计算实用手册》浙江大学编写,中国建筑工业出版社出版三、计算结果:(1)荷载导算过程:单个门扇宽度: a = B + 2 × d a = 1200 + 2 × 100 = 1400 mm 门扇高度: b = H + 2 × d a = 2000 + 2 × 100 = 2200 mm门扇宽度度与高度之比: a / b = 0.636,查人防规范表475-2: 上下门框反力系数: γa = 0.3664 左右门框反力系数: γb = 0.4327门扇传给上下门框的等效静荷载标准值: q a = γa × q e1 × a / 1000 = 0.3664 × 200.0 × 1400 / 1000 = 102.58 kN /m 门扇传给左右门框的等效静荷载标准值: q b = γb × q e1 × a / 1000 = 0.4327 × 200.0 × 1400 / 1000 = 121.16 kN /m(2)左侧门框墙的计算过程:梁式门框墙qh左侧门框墙可以按悬臂墙来计算。
下面就我的工作经历给大家做个介绍,本人水平有限,如有不恰当之处也恳请各位大侠指出。
我所在的单位虽具有人防甲级资质,但是单位小,所做的工程也只局限与4级以下的人防工程(如普通的人防地下室,指挥所、救护站等等),级别更高的人防工程一般都是一些人防大院和军区院来做。
人防设计讲究平战结合,既要满足平时的使用功能,也要为战时的人员、设备掩护做保障.在设计顶板时,首先要确定人防荷载,这在规范的相关表格中可以查到。
建好模型,输入相关荷载和参数便可以进行计算。
一般我建两个模型,平时的和战时的,平时主要是裂缝控制(地下室多位于地下水位以下,因此对裂缝要求很严,一般取0。
2),按弹性计算,顶板梁亦是如此,裂缝可以适当放宽,取到0。
25或0。
3。
战时主要是人防荷载控制,按塑性计算,不考虑裂缝。
分别计算以后把两者计算结果做比较取大者。
对于核6或6B级的工程,顶板的人防荷载在60~75kN/^2之间,一般我是以一米的覆土为界限,覆土超过一米,基本为平时荷载控制,小于一米的,就要分别考虑两种情况了。
人防顶板的厚度规范要求不小于250mm,如果覆土浅可以采用框架梁(顶板300mm厚),配筋跨中主筋+支座负筋;覆土厚可以做主次梁(顶板一般可取250mm),钢筋双层双向拉通,可以大大节省板钢筋.板钢筋的直径一般取12mm~18mm之间,间距尽量不大于150mm。
钢筋讲究“细而密",一般用2级钢,因为2级钢延性高.记得以前做框架梁形式的时候,跨中主筋间距多取200的间距,后来审图有要求,现在多控制在150间距内.除了以上两种形式,还有无梁楼盖,采用混凝土空心管,可以节省净高。
底板设计时,首先要区分单建和附建两种情况,单建地下室要考虑抗浮,适当增加覆土或底板厚度、打抗浮桩或锚杆都可行。
附建的地下室一般都有承压桩,底板仅为止水作用.一般无桩地下室(不包括抗浮桩)底板的人防荷载为50kN/^2,有桩的取25kN/^2。
其实我个人认为(仅指普通级别的人防地下室),一般地下室底板底面距地下水位都很深,水压力通常很大,所以底板一般都为平时荷载控制,在进行战时荷载计算时,完全可以仅按有桩(25)和无桩(50)两种荷载计算,而不必按规范上根据土层和板跨详细的划分人防荷载。
一、门框墙等效静荷载标准值
qe=380
KN/m
2
2、由门扇传来的等效静荷载标准值qia 、qib
门扇短边长a 1.2m 门扇长边长b
2.2m
门洞短边单位长度作用力标准值ia=168.72K N/m 门洞长边单位长度作用力标准值
q ib=
208.10
K N/m
二、门框墙配筋计算(一)、水平段1、门框墙内力计算
见GB50038-2005图4.7.5-1门框墙悬挑长度L(水平)390mm 门框墙厚度h 350mm 门扇搭接长度
100mm 门扇传来的作用力至悬臂根部的距离L 1
356.7mm 直接作用在墙上的等效静荷载标准值qe 的分布宽度L 2
290mm
按GB50038-2005第4.10.12条计算门框墙内力门洞边单位长度内悬臂根部弯矩M : M=q ib*L 1+q e*L 2*L 2/2=90.20KN.m/m 门洞边单位长度内牛腿(或悬臂梁)根部剪力V : V=q ib+qe*L2=318.30KN/m 2 .构件截面设计
1).结构构件材料及材料强度,依据GB 50010-2002表3.4.1、表3.4.2、表4.1.4、 2). 正截面受弯承载能力验算(以1m长为计算单元)
悬臂构件宽度b=1000mm 悬臂构件有效厚度h 0=330mm
人防密闭门框墙按钢筋混凝土悬臂构件设计。
本工程抗力等级为核5级。
1、直接作用在墙上的等效静荷载标准值qe (GB50038-2005表4.8.7)
地下室门框墙(RMKQ1)配筋计算
αs=M/α1f cd bh 02=0.039ξ=1-(1-2αs)0.5=0.039As=α1f cd ξbh 0/f yd =688.47
mm 2/m
受弯构件最小配筋率:
45f t /f y =0.21%GB50038-2005表4.11.7及第4.11.12条ρmin =0.25%每延米钢筋截面面积:A s =
875
mm 2/m 取大值,As=
875mm 2/m 直径
间距
根数面积mm 2
配筋率121258.0904.780.27%
GB50038-2005表4.11.8,受拉钢筋的最大配筋率为2.5%。
3). 斜截面受剪承载能力验算
V=318.30KN,<0.25f cd bh 0=1769.63KN,
截面尺寸符合要求。
q ib /V=65%
按GB50010-2002第7.5.4-1配置箍筋
混凝土受剪承载力Vc=0.7f td bh 0=495.495按构造配置箍筋
(二)、竖直段1、门框墙内力计算
见GB50038-2005图4.7.5-1门框墙悬挑长度L(水平)1000mm 门框墙厚度h 350mm 门扇搭接长度100mm 门扇传来的作用力至悬臂根部的距离L 1966.7
mm 直接作用在墙上的等效静荷载标准值qe 的分布宽度L 2
900mm
按GB50038-2005第4.10.12条计算门框墙内力
门洞边单位长度内悬臂根部弯矩M : M=q ia*L 1+q e*L 2*L 2/2=317.00KN.m/m 门洞边单位长度内牛腿(或悬臂梁)根部剪力V : V=q ia+qe*L2=510.72KN/m 2 .构件截面设计
1).结构构件材料及材料强度,依据GB 50010-2002表3.4.1、表3.4.2、表4.1.4、
2). 正截面受弯承载能力验算(以1m长为计算单元)
悬臂构件宽度b=1000mm
选用钢筋
HRB335级
悬臂构件有效厚度h 0=330mm αs=M/α1f cd bh 02=0.136ξ=1-(1-2αs)0.5=0.146As=α1f cd ξbh 0/f yd =2559.20
mm 2/m
受弯构件最小配筋率:
45f t /f y =0.21%GB50038-2005表4.11.7及第4.11.12条ρmin =0.25%每延米钢筋截面面积:A s =
875
mm 2/m 取大值,As=
2559.2041mm 2/m 直径
间距
根数面积mm
2
配筋率1810010.02544.690.77%
GB50038-2005表4.11.8,受拉钢筋的最大配筋率为2.5%。
3). 斜截面受剪承载能力验算
V=510.72KN,<0.25f cd bh 0=1769.63KN,
截面尺寸符合要求。
q ia /V=33%
按GB50010-2002第7.5.4-1配置箍筋
混凝土受剪承载力Vc=0.7f td bh 0=495.50按计算配置抗剪箍筋选用箍筋φ10@100(2)箍筋所能承担的剪力Vs Asv1=78.5mm 2S=100mm n=
2
Vs=1.25f yd nA sv1h 0/S=
183.60KN Vcs=Vc+Vs=
679.10
KN
斜截面受剪承载力满足要求。
选用钢筋
HRB335级。