FMK1人防门框墙计算
- 格式:doc
- 大小:258.00 KB
- 文档页数:13
一、门框墙等效静荷载标准值qe=380KN/m22、由门扇传来的等效静荷载标准值qia 、qib门扇短边长a 1.2m 门扇长边长b2.2m门洞短边单位长度作用力标准值ia=168.72K N/m 门洞长边单位长度作用力标准值q ib=208.10K N/m二、门框墙配筋计算(一)、水平段1、门框墙内力计算见GB50038-2005图4.7.5-1门框墙悬挑长度L(水平)390mm 门框墙厚度h 350mm 门扇搭接长度100mm 门扇传来的作用力至悬臂根部的距离L 1356.7mm 直接作用在墙上的等效静荷载标准值qe 的分布宽度L 2290mm按GB50038-2005第4.10.12条计算门框墙内力门洞边单位长度内悬臂根部弯矩M : M=q ib*L 1+q e*L 2*L 2/2=90.20KN.m/m 门洞边单位长度内牛腿(或悬臂梁)根部剪力V : V=q ib+qe*L2=318.30KN/m 2 .构件截面设计1).结构构件材料及材料强度,依据GB 50010-2002表3.4.1、表3.4.2、表4.1.4、 2). 正截面受弯承载能力验算(以1m长为计算单元)悬臂构件宽度b=1000mm 悬臂构件有效厚度h 0=330mm人防密闭门框墙按钢筋混凝土悬臂构件设计。
本工程抗力等级为核5级。
1、直接作用在墙上的等效静荷载标准值qe (GB50038-2005表4.8.7)地下室门框墙(RMKQ1)配筋计算αs=M/α1f cd bh 02=0.039ξ=1-(1-2αs)0.5=0.039As=α1f cd ξbh 0/f yd =688.47mm 2/m受弯构件最小配筋率:45f t /f y =0.21%GB50038-2005表4.11.7及第4.11.12条ρmin =0.25%每延米钢筋截面面积:A s =875mm 2/m 取大值,As=875mm 2/m 直径间距根数面积mm 2配筋率121258.0904.780.27%GB50038-2005表4.11.8,受拉钢筋的最大配筋率为2.5%。
F M K1人防门框墙计算FMK1人防门框墙计算一、计算条件:1.计算参数:工程名称: 工程一 工程项目: 项目一 门框墙编号: 门框墙1请选择门框墙类别: 无柱梁式混凝土人防门种类: 单扇人防门 门扇与门框墙搭接长度d a (mm ): 100人防门洞口宽度B (mm ): 1200人防门洞口高度H (mm ): 2000 门框墙厚度t (mm ): 300门框侧墙长度a 1(mm ): 400 门框侧墙长度a 2(mm ): 500 人防门槛高度h 1(mm ): 200 门框上挡墙高度h 2(mm ): 2050门框上挡墙加强梁宽度b 1(mm ): 2050 门框上挡墙加强梁高度b 2(mm ): 300 门框墙等效静荷载q e1(kN /m 2): 200柱(梁)式门框时临空墙等效静荷载q e2(kN /m 2): 200保护层厚度c (mm ): 15门框墙混凝土强度等级: C35 门框墙受力筋级别: HRB400柱(梁)式门框箍筋级别: HPB300 输出柱(梁)式门框的详细计算过程: 是二、计算依据:《混凝土结构设计规范》GB50010-2010 《人民防空地下室设计规范》GB50038-2005《建筑结构静力计算实用手册》浙江大学编写,中国建筑工业出版社出版三、计算结果:(1)荷载导算过程:单个门扇宽度: a = B + 2 × d a = 1200 + 2 × 100 = 1400 mm 门扇高度: b = H + 2 × d a = 2000 + 2 × 100 = 2200 mm门扇宽度度与高度之比: a / b = 0.636,查人防规范表475-2: 上下门框反力系数: γa = 0.3664 左右门框反力系数: γb = 0.4327门扇传给上下门框的等效静荷载标准值: q a = γa × q e1 × a / 1000 = 0.3664 × 200.0 × 1400 / 1000 = 102.58 kN /m 门扇传给左右门框的等效静荷载标准值: q b = γb × q e1 × a / 1000 = 0.4327 × 200.0 × 1400 / 1000 = 121.16 kN /m(2)左侧门框墙的计算过程:梁式门框墙qh左侧门框墙可以按悬臂墙来计算。
MK-1门扇尺寸(门洞尺寸加200):a=3000mm; b =2700mm;墙厚:h=500mm;c =30mm;h 0=465门框长:上下门框:L=1020mm;L 1=987mm;L 2=920两侧门框:L=750mm;L 1=717mm;L 2=650其中:L1=L-100/3;L2=L-100a/b= 1.111上下门框:g a =0.350两侧门框:g b =0.300q i =上下门框:q ia =73.5KN/m 两侧门框:q ib =63.0KN/m其中:K df = 2.0P c =35KN/m 2q e =240KN/m 2M=上下门框:M=174.1KNm 两侧门框:M=95.9KNmV=上下门框:V=294.3KN 两侧门框:V=219.0KN C30砼 fcd=21.5N/mm 2a1=1.0b1=0.8RRB400钢筋fyd=360N/mm 2Es= 2.0上下门框:> V 构造配筋两侧门框:> V构造配筋剪跨比:4.2)抗弯计算:698.2 KN 双扇平板门反力系数:《人防规范》公式4.5.6-2:0.07f cd bh o =0.07f cd bh o =698.2 KN4.1)抗剪计算:3).内力计算单位长度门框根部的弯矩:单位长度门框根部的剪力:x105N/mm21).几何尺寸:2).荷载计算:计算门扇传给门框的压力:q i4).配筋计算查GB 50038-94 表4.5.6-32l q q e i *+aP K c df ***g 222L q L q e i i *+*上下门框:C=M/V=0.59,C/ho= 1.27>1两侧门框:C=M/V=0.44,C/ho=0.94<1上下门框门框按悬臂梁计算:As=1060.2mm 2/Mx=17.8<ζb h 0=两侧门框门框按牛腿计算:As=673.6mm 2/Mx=9.7<ζb h 0=其中:240.7按悬臂梁计算时:按牛腿计算时:240.7 085.0h f M As yd=0x = h ydcd f x b f As ***1a =)*1(1cu s yd b E f εb ζ+=mm;mm; mm;。
FMK1人防门框墙计算一、计算条件:1.计算参数:工程名称: 工程一 工程项目: 项目一 门框墙编号: 门框墙1请选择门框墙类别: 无柱梁式混凝土人防门种类: 单扇人防门门扇与门框墙搭接长度d a (mm ): 100人防门洞口宽度B (mm ): 1200人防门洞口高度H (mm ): 2000 门框墙厚度t (mm ): 300门框侧墙长度a 1(mm ): 400 门框侧墙长度a 2(mm ): 500 人防门槛高度h 1(mm ): 200 门框上挡墙高度h 2(mm ): 2050门框上挡墙加强梁宽度b 1(mm ): 2050 门框上挡墙加强梁高度b 2(mm ): 300 门框墙等效静荷载q e1(kN /m 2): 200柱(梁)式门框时临空墙等效静荷载q e2(kN /m 2): 200 保护层厚度c (mm ): 15门框墙混凝土强度等级: C35 门框墙受力筋级别: HRB400柱(梁)式门框箍筋级别: HPB300 输出柱(梁)式门框的详细计算过程: 是二、计算依据:《混凝土结构设计规范》GB50010-2010 《人民防空地下室设计规范》GB50038-2005《建筑结构静力计算实用手册》浙江大学编写,中国建筑工业出版社出版三、计算结果:(1)荷载导算过程:单个门扇宽度: a = B + 2 × d a = 1200 + 2 × 100 = 1400 mm 门扇高度: b = H + 2 × d a = 2000 + 2 × 100 = 2200 mm门扇宽度度与高度之比: a / b = 0.636,查人防规范表475-2: 上下门框反力系数: γa = 0.3664 左右门框反力系数: γb = 0.4327门扇传给上下门框的等效静荷载标准值: q a = γa × q e1 × a / 1000 = 0.3664 × 200.0 × 1400 / 1000 = 102.58 kN /m 门扇传给左右门框的等效静荷载标准值: q b = γb × q e1 × a / 1000 = 0.4327 × 200.0 × 1400 / 1000 = 121.16 kN /m(2)左侧门框墙的计算过程:梁式门框墙qh左侧门框墙可以按悬臂墙来计算。
FMK1人防门框墙计算一、计算条件:1.计算参数:工程名称: 工程一 工程项目: 项目一 门框墙编号: 门框墙1请选择门框墙类别: 无柱梁式混凝土人防门种类: 单扇人防门门扇与门框墙搭接长度d a (mm ): 100人防门洞口宽度B (mm ): 1200人防门洞口高度H (mm ): 2000 门框墙厚度t (mm ): 300门框侧墙长度a 1(mm ): 400 门框侧墙长度a 2(mm ): 500 人防门槛高度h 1(mm ): 200 门框上挡墙高度h 2(mm ): 2050门框上挡墙加强梁宽度b 1(mm ): 2050 门框上挡墙加强梁高度b 2(mm ): 300 门框墙等效静荷载q e1(kN /m 2): 200柱(梁)式门框时临空墙等效静荷载q e2(kN /m 2): 200 保护层厚度c (mm ): 15门框墙混凝土强度等级: C35 门框墙受力筋级别: HRB400柱(梁)式门框箍筋级别: HPB300 输出柱(梁)式门框的详细计算过程: 是二、计算依据:《混凝土结构设计规范》GB50010-2010 《人民防空地下室设计规范》GB50038-2005《建筑结构静力计算实用手册》浙江大学编写,中国建筑工业出版社出版三、计算结果:(1)荷载导算过程:单个门扇宽度: a = B + 2 × d a = 1200 + 2 × 100 = 1400 mm 门扇高度: b = H + 2 × d a = 2000 + 2 × 100 = 2200 mm门扇宽度度与高度之比: a / b = 0.636,查人防规范表475-2: 上下门框反力系数: γa = 0.3664 左右门框反力系数: γb = 0.4327门扇传给上下门框的等效静荷载标准值: q a = γa × q e1 × a / 1000 = 0.3664 × 200.0 × 1400 / 1000 = 102.58 kN /m 门扇传给左右门框的等效静荷载标准值: q b = γb × q e1 × a / 1000 = 0.4327 × 200.0 × 1400 / 1000 = 121.16 kN /m(2)左侧门框墙的计算过程:梁式门框墙qh左侧门框墙可以按悬臂墙来计算。
FMK1人防门框墙计算一、计算条件:1.计算参数:工程名称: 工程一 工程项目: 项目一 门框墙编号: 门框墙1请选择门框墙类别: 无柱梁式混凝土人防门种类: 单扇人防门门扇与门框墙搭接长度d a (mm ): 100人防门洞口宽度B (mm ): 1200人防门洞口高度H (mm ): 2000 门框墙厚度t (mm ): 300门框侧墙长度a 1(mm ): 400 门框侧墙长度a 2(mm ): 500 人防门槛高度h 1(mm ): 200 门框上挡墙高度h 2(mm ): 2050门框上挡墙加强梁宽度b 1(mm ): 2050 门框上挡墙加强梁高度b 2(mm ): 300 门框墙等效静荷载q e1(kN /m 2): 200柱(梁)式门框时临空墙等效静荷载q e2(kN /m 2): 200 保护层厚度c (mm ): 15门框墙混凝土强度等级: C35 门框墙受力筋级别: HRB400柱(梁)式门框箍筋级别: HPB300 输出柱(梁)式门框的详细计算过程: 是二、计算依据:《混凝土结构设计规范》GB50010-2010 《人民防空地下室设计规范》GB50038-2005《建筑结构静力计算实用手册》浙江大学编写,中国建筑工业出版社出版三、计算结果:(1)荷载导算过程:单个门扇宽度: a = B + 2 × d a = 1200 + 2 × 100 = 1400 mm 门扇高度: b = H + 2 × d a = 2000 + 2 × 100 = 2200 mm门扇宽度度与高度之比: a / b = 0.636,查人防规范表475-2: 上下门框反力系数: γa = 0.3664 左右门框反力系数: γb = 0.4327门扇传给上下门框的等效静荷载标准值: q a = γa × q e1 × a / 1000 = 0.3664 × 200.0 × 1400 / 1000 = 102.58 kN /m 门扇传给左右门框的等效静荷载标准值: q b = γb × q e1 × a / 1000 = 0.4327 × 200.0 × 1400 / 1000 = 121.16 kN /m(2)左侧门框墙的计算过程:梁式门框墙qh左侧门框墙可以按悬臂墙来计算。
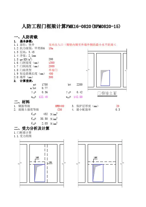
a=1700b=2200a/b=0.77γa =0.36γb =0.42q ia =122.40q ib =142.80f yd =432N/mm 2f cd =38.50N/mm 2f td =2.85N/mm 2二、受力分析及计算1.门框梁计算1.1.受力简图2. 混凝土强度等级C504. 最小配筋率0.32.0 墙厚(mm)3002. 计算查表:二、材料1. 钢筋等级HRB400 3. 保护层厚度(mm)201.8 门扇类型单扇门1.9 短边悬挑长度(mm)4001.6 门洞宽度(mm)15001.7 门洞高度(mm)20001.3 层高:3.451.4 净宽:2.1mm 1.5 qe(KN/m 2)200人防工程门框梁计算FMK16-0820(BFM0820-15)一、人防荷载1. 基本参数:1.1 部位:竖井1.2 抗力级别:甲类核610m矩计算0.3x 0.3xa=0.30m xb= 1.70m xc=0.10m q1=60.00KN/m q2=122.40KN/m q3=40.00KN/m q4=135.00KN/m M1ab =22.1KNmM1ba =22.1KNm F Q F BA1=63.0KN M2ab =49.0KNm M2ba =59.3KNm F Q F BA2=118.9KN M3ab = 1.6KNm M3ba =0.1KNm F Q F BA3=0.2KN M4ab =49.6KNm M4ba =49.6KNm F Q F BA4=141.8KN ΣM ab =122.2KNm ΣM ba =131.1KNmΣF Q F BA =323.8KNMmax=131.1KNm1.3.配筋计算h0=280mm αs=0.14474ζ=0.15707γs=0.92146As0=1176Asmin=270As=1176层高(m) 3.65计算简图选用右图门洞墙墙长(m) 2.1(门框墙自门洞两侧墙肢或墙柱以内墙长)梁截面BxH0.4x0.5(B为顺墙长方向高度)xa=0.05m xb= 2.20m xc= 1.40m q1=80.00KN/m q2=142.80KN/m q3=10.00KN/m F Q F BA =323.78KN M1ab =88.8KNm M1ba =88.8KNm M2ab =169.5KNm M2ba =78.0KNm M3ab =11.1KNm M3ba =11.1KNm M4ab =547.9KNmM4ba =952.6KNmΣM ab =817.3KNm ΣM ba =1130.5KNmMmax=1130.5KNm1.3.配筋计算h0=480mm αs=0.31861ζ=0.39769γs=0.80115As0=6805Asmin=600柱截面BxH以下部分为门框柱计算,如采用右图,以下内容无效2.门框柱计算2.1.受力简图是否设固定门槛设门槛As=6805。
一、门框墙等效静荷载标准值qe=240KN/m 2q=180KN/m 2由门扇传来的等效静荷载标准值qia 、qib门洞短边单位长度作用力标准值ia=205.92K N/m 门洞长边单位长度作用力标准值q ib=205.92K N/m二、门框墙配筋计算(一)、水平段1、门框墙内力计算见RFJ02-2009第5.9.2条门框墙悬挑长度L(水平)750mm 门框墙厚度h 500mm 门扇搭接长度100mm 门扇传来的作用力至悬臂根部的距离L 1716.7mm 直接作用在墙上的等效静荷载标准值qe 的分布宽度L 2650mm按GB50038-2005第4.10.12条计算门框墙内力门洞边单位长度内悬臂根部弯矩M : M=q ia*L 1+q e*L 2*L 2/2=198.28KN.m/m 门洞边单位长度内牛腿(或悬臂梁)根部剪力V : V=q ia+qe*L2=361.92KN/m 2 .构件截面设计1).结构构件材料及材料强度,依据GB 50010-2010表4.1.4-1、表3.4.2、表4.1.4、人防门框墙(GWSFM6526(6))配筋计算人防密闭门框墙按钢筋混凝土悬臂构件设计。
本工程抗力等级为核6级。
1、直接作用在墙上的等效静荷载标准值qe(RFJ02-2009 第5.6.12条)、(GB50038-2005 表4.56.-1)2、作用在门扇上的等效静荷载标准值qe (RFJ02-2009表5.6.11-2)2). 正截面受弯承载能力验算(以1m长为计算单元)悬臂构件宽度b=1000mm 悬臂构件有效厚度h 0=470mm αs=M/α1f cd bh 02=0.036ξ=1-(1-2αs)0.5=0.036As=α1f cd ξbh 0/f yd =994.69mm 2/m受弯构件最小配筋率:45f t /f y =0.20%GB50038-2005表4.7.7ρmin =0.25%每延米钢筋截面面积:A s =1250mm 2/m取大值,As=1250mm 2/m 直径间距根数面积mm 2配筋率22150 6.72534.220.54%GB50038-2005表4.6.5-2,受拉钢筋的最大配筋率为2.4%。
FMK1人防门框墙计算在进行FMK1人防门框墙计算时,需要考虑以下几个方面:1.结构力学计算:FMK1人防门框墙需要满足一定的强度要求,以承受可能的冲击力和爆炸力。
首先需要进行结构力学计算,包括静力学计算、动力学计算和抗冲击计算等。
这些计算将包括门框墙的各个部分的材料强度和尺寸,以及连接件的选择和设计。
2.爆炸力计算:FMK1人防门框墙通常需要承受爆炸力的冲击,因此需要进行相应的爆炸力计算。
这些计算将包括爆炸荷载的大小、荷载作用时间和荷载的传递路径等。
爆炸力计算还需要考虑周围环境的影响,如地壳结构和土壤的反应力等。
3.防火计算:FMK1人防门框墙还需要满足一定的防火要求,以保证其在火灾发生时能够提供足够的逃生时间。
防火计算将包括材料的防火性能,包括抗燃烧性、烟密度、烟毒性等指标的测试和评定。
此外,还需要进行逃生通道和出口的布置和设计,以确保人们在火灾发生时能够顺利逃生。
4.人员密度计算:FMK1人防门框墙的设计还需要考虑人员密度计算,以确保在紧急情况下,人们能够有足够的空间和通道进行躲避和逃生。
人员密度计算将涉及到建筑物的用途和功能,例如办公楼、商业中心、酒店等,以及每个区域的人员流动情况等。
5.设计要求和标准:FMK1人防门框墙的设计还需要考虑相应的设计要求和标准。
这些设计要求和标准可能是由国家建筑设计规范、消防安全规范和人防工程设计规范等制定的。
设计人员需要详细了解并遵守这些规范,以确保设计的准确性和安全性。
以上是FMK1人防门框墙计算及设计的一些基本内容。
在实际设计和施工中,设计人员需要根据具体的项目要求和情况进行详细的计算和设计工作,以确保人防门框墙在紧急情况下的安全性和可靠性。
同时,还需要与相关部门和专业人士进行紧密合作,共同推动人防工程的发展和进步。
FMK1人防门框墙计算分析一、引言人防门框墙是在人防设施中用以容纳防护门的承重墙体结构。
其设计与计算对于确保人防门的安全可靠性具有重要意义。
本文将从计算分析方面对FMK1人防门框墙进行详细讨论。
二、计算方法1.荷载计算人防门框墙一般承受着垂直荷载、水平荷载以及地震荷载。
垂直荷载包括自重和外部荷载,水平荷载主要是风荷载。
根据相关规范的要求,可以进行荷载计算。
2.配筋设计人防门框墙的配筋设计主要是为了增加结构的抗弯强度和刚度。
根据受力情况,可以采用合适的主筋和箍筋进行配筋,以满足结构的强度要求。
3.承载力计算人防门框墙的承载力计算包括弯曲承载力、剪切承载力和轴力承载力的计算。
根据相关理论和规范的要求,可以进行详细的计算和分析。
三、计算分析1.弯曲承载力弯曲承载力是指人防门框墙在受到弯矩作用时能够承受的最大力矩。
通过对墙体的截面进行计算,可以确定其弯曲承载力。
主要要素包括墙体的净高度、厚度、混凝土强度以及配筋等。
2.剪切承载力剪切承载力是指人防门框墙在受到剪力作用时能够承受的最大剪力。
通过对墙体的剪切区进行计算,可以确定其剪切承载力。
主要要素包括墙体的净高度、厚度、混凝土强度以及剪切钢筋的配筋等。
3.轴力承载力轴力承载力是指人防门框墙在受到轴力作用时能够承受的最大轴力。
通过对墙体的整体稳定性进行计算,可以确定其轴力承载力。
主要要素包括墙体的净高度、厚度、混凝土强度以及轴向压力的分布等。
四、结论通过对FMK1人防门框墙的计算分析,可以得出以下结论:1.FMK1人防门框墙的设计和计算需满足相关规范的要求,确保其结构的安全可靠性。
2.对于不同荷载情况,需进行相应的荷载计算,以确定结构的受力状况。
3.在配筋设计中,应选取合适的主筋和箍筋,增加结构的抗弯强度和刚度。
4.弯曲承载力、剪切承载力和轴力承载力的计算分析应综合考虑墙体的几何特性和材料性能等因素。
总之,FMK1人防门框墙的计算分析是确保结构安全可靠性的重要环节,通过合理的计算方法和配筋设计,可以有效地提高结构的抗力和稳定性,确保人防门的正常使用和紧急情况下的安全逃生。
人防门框墙计算EXCEL
在Excel中进行人防门框墙计算,需要考虑的参数包括墙体的尺寸、
墙体材料、水平荷载和垂直荷载等。
以下是一个简单的人防门框墙计算EXCEL示例。
1.墙体尺寸:包括墙体高度、宽度和厚度等参数。
2.材料属性:包括墙体材料的密度、弹性模量和抗拉强度等参数。
3.荷载参数:包括水平荷载和垂直荷载的大小和方向等参数。
接下来,根据公式计算各个参数的数值。
例如,根据墙体尺寸和材料
属性可以计算出墙体的体积、质量和截面面积等参数。
根据荷载参数和墙
体尺寸可以计算出墙体的受力情况,包括弯矩、剪力和轴力等参数。
然后,根据计算结果,可以使用Excel的函数和公式进行进一步的计算。
例如,可以计算墙体的最大应力和变形,以及墙体的安全系数等参数。
还可以使用图表和图形来可视化计算结果,以便更好地理解和分析。
最后,可以在Excel中添加必要的说明、注释和说明,使计算结果更
加清晰和易于理解。
可以使用Excel的格式化功能美化表格,并进行数据
验证和错误处理等操作,以提高计算的准确性和可靠性。
总之,人防门框墙计算EXCEL是一种方便和灵活的工具,可以帮助工
程师和设计师进行人防门框墙结构参数的计算和分析。
通过合理的数据输
入和计算方法,可以得到准确可靠的设计结果,确保人防门框墙结构的安
全性和稳定性。
人防门尺寸计算公式人防门是指用于防护人员生命安全和财产安全的门,通常用于防空洞、地下室等人防工程中。
人防门的尺寸计算是人防工程设计中非常重要的一部分,合理的尺寸设计可以保障人员的安全和逃生通道的畅通。
下面将介绍人防门尺寸计算的公式和相关内容。
一、人防门尺寸计算的基本要求。
1. 人防门的尺寸应符合国家相关标准和规定,保证人员的逃生通道畅通和安全。
2. 人防门的材质和结构应符合人防工程设计的要求,具有防护和防火的功能。
3. 人防门的尺寸计算应考虑人员疏散和逃生的需要,保证人员的安全和快速撤离。
二、人防门尺寸计算的公式。
人防门的尺寸计算通常包括门的宽度、高度和厚度三个方面。
下面将介绍人防门尺寸计算的公式。
1. 人防门的宽度计算公式:人防门的宽度应根据人员疏散和逃生的需要来确定,一般来说,人防门的宽度应符合以下公式:门宽 = 人数× 0.6米。
其中,人数为人防工程设计的最大人员容纳量,0.6米为每人所需的最小通过宽度。
根据这个公式计算出的门宽可以保证在紧急情况下人员的快速疏散和逃生。
2. 人防门的高度计算公式:人防门的高度应考虑人员的身高和逃生的需要,一般来说,人防门的高度应符合以下公式:门高 = 人员平均身高 + 0.1米。
其中,人员平均身高为人防工程设计中所规定的人员平均身高,0.1米为顶部预留空间。
根据这个公式计算出的门高可以保证人员的正常通过和逃生。
3. 人防门的厚度计算公式:人防门的厚度应考虑门的结构和防护的需要,一般来说,人防门的厚度应符合以下公式:门厚 = 门框厚度 + 门扇厚度。
其中,门框厚度和门扇厚度应根据人防工程设计的要求和门的材质来确定。
合理的门厚可以保证人防门具有良好的防护功能。
三、人防门尺寸计算的注意事项。
1. 人防门的尺寸计算应根据具体的人防工程设计要求和实际情况来确定,不能盲目套用公式。
2. 人防门的尺寸计算应考虑人员的实际疏散和逃生需求,保证人员的安全和快速撤离。
一、门框墙等效静荷载标准值qe=240KN/m 2q=180KN/m 2由门扇传来的等效静荷载标准值qia 、qib门洞短边单位长度作用力标准值ia=205.92K N/m 门洞长边单位长度作用力标准值q ib=205.92K N/m二、门框墙配筋计算(一)、水平段1、门框墙内力计算见RFJ02-2009第5.9.2条门框墙悬挑长度L(水平)750mm 门框墙厚度h 500mm 门扇搭接长度100mm 门扇传来的作用力至悬臂根部的距离L 1716.7mm 直接作用在墙上的等效静荷载标准值qe 的分布宽度L 2650mm按GB50038-2005第4.10.12条计算门框墙内力门洞边单位长度内悬臂根部弯矩M : M=q ia*L 1+q e*L 2*L 2/2=198.28KN.m/m 门洞边单位长度内牛腿(或悬臂梁)根部剪力V : V=q ia+qe*L2=361.92KN/m 2 .构件截面设计1).结构构件材料及材料强度,依据GB 50010-2010表4.1.4-1、表3.4.2、表4.1.4、人防门框墙(GWSFM6526(6))配筋计算人防密闭门框墙按钢筋混凝土悬臂构件设计。
本工程抗力等级为核6级。
1、直接作用在墙上的等效静荷载标准值qe(RFJ02-2009 第5.6.12条)、(GB50038-2005 表4.56.-1)2、作用在门扇上的等效静荷载标准值qe (RFJ02-2009表5.6.11-2)2). 正截面受弯承载能力验算(以1m长为计算单元)悬臂构件宽度b=1000mm 悬臂构件有效厚度h 0=470mm αs=M/α1f cd bh 02=0.036ξ=1-(1-2αs)0.5=0.036As=α1f cd ξbh 0/f yd =994.69mm 2/m受弯构件最小配筋率:45f t /f y =0.20%GB50038-2005表4.7.7ρmin =0.25%每延米钢筋截面面积:A s =1250mm 2/m取大值,As=1250mm 2/m 直径间距根数面积mm 2配筋率22150 6.72534.220.54%GB50038-2005表4.6.5-2,受拉钢筋的最大配筋率为2.4%。
_人防门框墙计算人防门框墙是建筑物中的一种特殊的墙体结构,主要用于防护和安全目的。
它在设计和施工过程中需要考虑多个因素,包括结构设计,材料选择,施工方法等等。
下面是一个关于人防门框墙计算的详细说明,以帮助读者了解该过程。
首先,人防门框墙的计算需要进行结构设计。
这涉及到墙体的几何形状和尺寸,材料的选择,墙体的荷载和受力分析等等。
在人防门框墙的设计中,要考虑到墙体的高度、宽度和厚度,并确定框墙的层数和密度。
此外,还需要考虑到墙体上的开口部分,如门和窗的位置和尺寸。
这些都是设计人员在进行计算时需要考虑的因素。
其次,人防门框墙的计算还需要选择适当的材料。
通常,墙体的主要材料可以选择混凝土、钢材等。
在选择材料时需要考虑到墙体的强度和耐久性。
此外,还需要选择合适的填充材料,如保温材料和隔热材料,以确保门框墙的保温和隔音效果。
选择合适的材料对于人防门框墙的安全和持久性至关重要。
在进行人防门框墙的计算时,还需要考虑到墙体的荷载和受力分析。
这涉及到墙体受到的外部力量,如地震力,风力和荷载等。
为了确保门框墙的稳定性和安全性,需要对墙体受力进行分析,并确定适当的厚度和加固措施。
在这一过程中,还需要考虑到材料的抗拉、抗剪和抗压强度等参数。
最后,人防门框墙的计算还需要考虑到施工方法。
根据墙体的尺寸和形状,需要选择适当的施工方法,如模板施工、钢结构施工等等。
在进行施工时,要确保墙体的垂直度和水平度,以及墙体表面的平整度。
此外,还需要考虑到人防门框墙与其他建筑物结构的连接方式和防水处理。
综上所述,人防门框墙的计算是一项复杂而细致的工作。
它涉及到结构设计、材料选择、施工方法等多个方面。
通过合理的计算和设计,可以确保人防门框墙的稳定性、安全性和持久性。
在实际施工过程中,还应该根据具体的情况进行调整和优化,以满足实际需求和条件。
计算人防门框墙的过程是一个综合性的工作,需要专业的知识和经验。
人防门框墙计算EXCEL以下是人防门框墙计算EXCEL的详细步骤。
首先,在EXCEL中创建一个新的工作簿。
在第一个工作表中,我们将进行人防门框墙的计算。
第一步:输入各项参数在A列中,输入以下参数:A1:门洞尺寸(宽度)A2:门洞尺寸(高度)A3:墙体厚度A4:门洞高度顶部至人防门洞顶部的高度A5:门洞高度底部至人防门洞顶部的高度第二步:计算门洞内净空尺寸在B列中,输入以下公式:B1:=A1-2*A3B2:=A2-A4-A5这些公式将根据门洞尺寸和墙体厚度计算出门洞内净空尺寸,即门洞的净宽度和净高度。
第三步:计算门洞中心线位置在C列中,输入以下公式:C1:=B1/2C2:=A2-(A4+A5)/2这些公式将根据门洞内净空尺寸和人防门洞顶部高度计算出门洞的中心线位置。
第四步:计算门洞两侧墙面面积在D列中,输入以下公式:D1:=B1*A2D2:=B1*C2这些公式将根据门洞内净空尺寸和门洞的净高度计算出门洞两侧墙面的面积。
第五步:计算门洞上方墙面面积在E列中,输入以下公式:E1:=A1*A4E2:=B1*A4这些公式将根据门洞宽度和人防门洞顶部高度计算出门洞上方墙面的面积。
第六步:计算人防门框墙的总面积在F列中,输入以下公式:F1:=D1+D2+E1+E2这个公式将计算出人防门框墙的总面积,即门洞两侧墙面面积和门洞上方墙面面积的和。
第七步:可选的计算如果你还想计算墙面的体积或重量,可以在G列和H列中使用以下公式:G1:=F1*A3H1:=G1*材料密度这些公式将根据人防门框墙的总面积和墙体厚度计算出墙面的体积,然后再根据你指定的材料密度计算出墙面的重量。
通过以上步骤,你可以在EXCEL中计算出人防门框墙的各项参数,如门洞净空尺寸、门洞中心线位置、各个墙面的面积,以及可选的墙面体积和重量。
这个计算表可以帮助你快速准确地设计和计算人防门框墙。
FMK1人防门框墙计算一、计算条件:1.计算参数:工程名称: 工程一 工程项目: 项目一 门框墙编号: 门框墙1请选择门框墙类别: 无柱梁式 混凝土人防门种类: 单扇人防门 门扇与门框墙搭接长度d a (mm ): 100人防门洞口宽度B (mm ): 1200 人防门洞口高度H (mm ): 2000 门框墙厚度t (mm ): 300 门框侧墙长度a 1(mm ): 400 门框侧墙长度a 2(mm ): 500 人防门槛高度h 1(mm ): 200门框上挡墙高度h 2(mm ): 2050门框上挡墙加强梁宽度b 1(mm ): 2050 门框上挡墙加强梁高度b 2(mm ): 300门框墙等效静荷载q e1(kN /m 2): 200柱(梁)式门框时临空墙等效静荷载q e2(kN /m 2):200保护层厚度c (mm ): 15门框墙混凝土强度等级: C35 门框墙受力筋级别: HRB400 柱(梁)式门框箍筋级别: HPB300输出柱(梁)式门框的详细计算过程: 是二、计算依据:《混凝土结构设计规范》GB50010-2010 《人民防空地下室设计规范》GB50038-2005 《建筑结构静力计算实用手册》浙江大学编写,中国建筑工业出版社出版三、计算结果:(1)荷载导算过程:单个门扇宽度: a = B + 2 × d a = 1200 + 2 × 100 = 1400 mm门扇高度: b = H + 2 × d a = 2000 + 2 × 100 = 2200 mm 门扇宽度度与高度之比: a / b = 0.636,查人防规范表475-2: 上下门框反力系数: γa = 0.3664 左右门框反力系数: γb = 0.4327门扇传给上下门框的等效静荷载标准值: q a = γa × q e1 × a / 1000= 0.3664 × 200.0 × 1400 / 1000 = 102.58 kN /m 门扇传给左右门框的等效静荷载标准值: q b = γb × q e1 × a / 1000 = 0.4327 × 200.0 × 1400 / 1000 = 121.16 kN /m梁式门框墙qh(2)左侧门框墙的计算过程:左侧门框墙可以按悬臂墙来计算。
L 1 = L - d a / 3 = 400 - 100 / 3 = 367 mmL 2 = L - d a = 400 - 100 = 300 mm M = q b × L 1 / 1000 + q e1 × L 22 / (2 × 106)= 121.16 × 367 / 1000 + 200 × 3002 / (2 × 106) = 53.4 kN.m V = q b + q e1 × L 2 = 121.16 + 200 × 300 = 181.2 kN 左侧门框墙钢筋计算面积: 453 mm 2 左侧门框墙配筋 : C8@100 左侧门框墙配筋面积 : 503 mm 2混凝土轴心受压强度设计值: f t = 1.57 N /mm 2 混凝土材料综合调整系数: γd = 1.50调整后的混凝土轴心受压强度设计值: f td = f t × γd × 0.8 = 1.57 × 1.50 × 0.8 = 1.88 N /mm 2 截面有效高度: H 0 = H - c - 10 = 300 - 15 - 10 = 275 mmβh = 1截面抗剪承载力: R = 0.7 × βh × f td × H 0 = 0.7 × 1.0000 × 1.88 × 275 = 362.67 kNV ≤ R , 斜截面抗剪满足要求。
(3)右侧门框墙的计算过程:右侧门框墙可以按悬臂墙来计算。
L 1 = L - d a / 3 = 500 - 100 / 3 = 467 mmL 2 = L - d a = 500 - 100 = 400 mm M = q b × L 1 / 1000 + q e1 × L 22 / (2 × 106)= 121.16 × 467 / 1000 + 200 × 4002 / (2 × 106) = 72.5 kN.m V = q b + q e1 × L 2 = 121.16 + 200 × 400 = 201.2 kN 右侧门框墙钢筋计算面积: 618 mm 2 右侧门框墙配筋 : C10@125 右侧门框墙配筋面积 : 628 mm 2混凝土轴心受压强度设计值: f t = 1.57 N /mm 2 混凝土材料综合调整系数: γd = 1.50调整后的混凝土轴心受压强度设计值: f td = f t × γd × 0.8 = 1.57 × 1.50 × 0.8 = 1.88 N /mm 2 截面有效高度: H 0 = H - c - 10 = 300 - 15 - 10 = 275 mmβh = 1截面抗剪承载力: R = 0.7 × βh × f td × H 0 = 0.7 × 1.0000 × 1.88 × 275 = 362.67 kNV ≤ R , 斜截面抗剪满足要求。
(4)门框上挡墙的计算过程:因为 h 2 > H / 2 ,门框上档墙采用梁式门框。
L 1 = b 1 - d a = 2050 - 100 = 1950 mm L 2 = L - b 1 = 2050 - 2050 = 0 mm 梁式门框跨度: L b = 2100 mm 梁式门框线荷载: q = q a + q e1 × L 1 / 1000 + q e2 × Min {L 2,L b } / (2 × 1000) = 102.58 + 200 × 1950 / 1000 + 200 × Min {0,2100} / (2 × 1000) = 492.58 kN /m M = q × L b 2 / (12 × 106) = 492.58 × 21002 / (12 × 106) = 181.0 kN.m V = q × L b / (2 × 1000) = 492.58 × 2100 / (2 × 1000) = 517.2 kN以下是柱(梁)式门框正截面受弯的详细计算过程: 混凝土轴心受压强度设计值: f c = 16.7 N /mm 2 混凝土轴心受拉强度设计值: f t = 1.57 N /mm 2 混凝土轴心受压强度标准值: f ck = 23.4 N /mm 2 钢筋抗拉强度设计值: f y = 360 N /mm 2 钢筋受压强度设计值: f y ' = 360 N /mm 2 钢筋弹性模量: E s = 200000 N /mm 2 最大配筋率: ρmax = 2.4 %混凝土材料强度综合调整系数: r d1 = 1.5 钢筋材料强度综合调整系数: r d2 = 1.2调整后的混凝土轴心受压强度设计值: f cd = f c × r d1 = 16.70 × 1.50 = 25.05 N /mm 2 调整后的混凝土轴心受拉强度设计值: f td = f t × r d1 = 1.57 × 1.50 = 2.36 N /mm 2 调整后的混凝土轴心受压强度标准值: f ckd = f ck × r d1 = 23.40 × 1.50 = 35.10 N /mm 2 调整后的钢筋抗拉强度设计值: f yd = f y × r d2 = 360 × 1.20 = 432 N /mm 2 调整后的钢筋受压强度设计值: f yd ' = f y ' × r d2 = 360 × 1.20 = 432 N /mm 2 系数: α1 = 1混凝土立方体轴心受压强度标准值: f cuk = 35 N /mm 2系数: β1 = 0.8非均匀受压时的混凝土极限压应变: E cu = 0.0033 - (f cuk - 50) × 10 - 5 = 0.0033 - (35 - 50) × 10 - 5 = 0.0035 当E cu > 0.0033 时,取E cu = 0.0033。
相对界限受压区高度: ξb = β1 / [1 + f y / (E s × E cu )]= 0.8 / [1 + 432.0 / (200000 × 0.0033)] = 0.4835 截面有效高度: H 0 = H - c2 - 20 = 300 - 15 - 20 = 265 mmA omax = ξb × (1 - 0.5 × ξb ) = 0.4835 × (1 - 0.5 × 0.4835) = 0.3666 M b = A omax × α1 × f c ×B × H 02 = 0.3666 × 1.0 × 25.05 × 2050 × 2652 = 1322124000.00 N.m M < M b , 按单筋矩形截面梁进行设计。
受压区高度: x = H 0 - [H 02 - 2 × M / (α1 × F c × B )]1 / 2 = 265 - [2652 - 2 × 181023800.00 / (1.0 × 25.05 × 2050)]1 / 2 = 14 mm 受压区高度与有效高度之比: ξ = x / H 0 = 14 / 265 = 0.052 受拉钢筋配筋面积: As = α1 × f c × B × x / f y = 1.0 × 25.05 × 2050 × 14 / 432.0 = 1623 mm 2 人防构件受压区构造配筋面积: As ' = As / 3 = 1623 / 3 = 541 mm 2人防构件受压区构造配筋应满足受拉钢筋最小配筋率: As ' = A smin = 1538 mm 2 计入受压钢筋的受压区高度: x = (f y × As - f y ' × As ') / (α1 × f c × B )= (432.0 × 1623 - 432.0 × 1538) / (1.0 × 25.05 × 2050) = 1 mm计入受压钢筋的受压区高度与有效高度之比: ξ = x / H 0 = 1 / 265 = 0.003 加强梁计算配筋面积: 1623.1 mm 2加强梁采用对称配筋: 21C12(2375.1 mm 2)以下是柱(梁)式门框斜截面受剪的详细计算过程: 混凝土轴心受压强度设计值: f c = 16.7 N /mm 2 混凝土轴心受压强度标准值: f t = 1.57 N /mm 2 箍筋抗拉强度设计值: f yv = 270 N /mm 2 混凝土材料综合调整系数: γd1 = 1.5钢筋材料综合调整系数: γd2 = 1.35调整后的混凝土轴心受压强度设计值: f cd = f c × r d1 × 0.8 = 16.70 × 1.50 × 0.8 = 20.04 N /mm 2 调整后的混凝土轴心受压强度标准值: f td = f t × r d1 × 0.8 = 1.57 × 1.50 × 0.8 = 1.88 N /mm 2 调整后的箍筋抗拉强度设计值: f yvd = f yv × r d2 = 270 × 1.35 = 365 N /mm 2 混凝土保护层厚度: c = 15 mm截面有效高度: H 0 = H - c - 20 = 300 - 15 - 20 = 265 mm 混凝土强度影响系数:βc = 1对矩形截面,截面的腹板高度: H w = H 0 = 265 mmhb = H w / B = 0.1292683, hb ≤4 。