轴心受压构件计算(水工结构)
- 格式:xls
- 大小:16.50 KB
- 文档页数:2
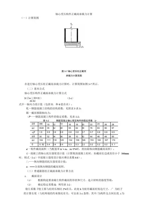
轴心受压构件正截而承载力计算(一)计算简图图5-7轴心受乐柱正截而承報力计算简图在进行轴心受压柱正截而承载力计算时,计算简图如图5-7所示。
(二)基本公式轴心受压构件正截面承载力计算公式N吕=丄畑+皿)(5-1)Zd Zd式中一轴向力设计值(包括Y。
和0值在内):牝—钢筋混凝上结构的结构系数,见附录3表3:掘一截而极限轴向力:(P——钢筋混凝上构件的稳定系数,见表5-2:A一构件截而面积(当配筋率x/ = A:/A>3%时,需扣除纵向钢筋截而而积):£一混凝上的轴心抗压强度设计值(计算现浇混凝上柱时,如截而长边或直径小于300mm 时,则式(5-1)中混凝土强度设计值应乘以系数0.8);/;——纵向钢筋的抗压强度设计值:4:——全部纵向钢筋的截而而积。
(三)普通箍筋柱正裁面承载力计算方法1.截面设计(1)根据构造要求确左构件截而的形状和尺寸,选立材料的强度等级:(2)确定稳定系数Q:利用表5-2 :稳左系数卩值主要与柱的长细比2%有关,此处b为矩形截而柱短边尺寸,/°为柱子的计算长度(与柱两端的约朿情况有关,可自表5-1査得,其中/为构件支点间长度.s为拱轴线的长度)。
(3)计算所需的纵向钢筋截而而积A;:N吕=丄曲/ + “;)Xd X<1(4)选择纵向钢筋钢筋混凝土柱内配置的纵向钢筋常用II级或III级,并应符合下列要求:1)纵向钢筋的根数不得少于4根,每边不得少于2根:直径不应小于12mm,工程中常用钢筋直径为12〜32mm,宜选用根数较少的粗直径钢筋以形成劲性较好的骨架。
2)在轴向受压时沿截面周边均匀布置:在偏心受压时沿截面短边均匀布置。
3)现浇立柱纵向钢筋的净距不应小于50mm,同时中距也不应大于350mm。
在水平位置上浇筑的装配式柱,其净距与梁相同,当偏心受压柱的长边大于或等于600mm时,应在长边中间设宜直径为10〜16mm,间距不大于500mm的纵向构造钢筋,同时相应地设置联系拉筋。
4.2 轴心受压构件承载力计算按照箍筋配置方式不同,钢筋混凝土轴心受压柱可分为两种:一种是配置纵向钢筋和普通箍筋的柱(图4.2.1a),称为普通箍筋柱;一种是配置纵向钢筋和螺旋筋(图4.2.1b)或焊接环筋(图4.2.1c)的柱,称为螺旋箍筋柱或间接箍筋柱。
需要指出的是,在实际工程结构中,几乎不存在真正的轴心受压构件。
通常由于荷载作用位置偏差、配筋不对称以及施工误差等原因,总是或多或少存在初始偏心距。
但当这种偏心距很小时,如只承受节点荷载屋架的受压弦杆和腹杆、以恒荷载为主的等跨多层框架房屋的内柱等,为计算方便,可近似按轴心受压构件计算。
此外,偏心受压构件垂直于弯矩作用平面的承载力验算也按轴心受压构件计算。
一、轴心受压构件的破坏特征按照长细比的大小,轴心受压柱可分为短柱和长柱两类。
对方形和矩形柱,当≤8时属于短柱,否则为长柱。
其中为柱的计算长度,为矩形截面的短边尺寸。
1.轴心受压短柱的破坏特征配有普通箍筋的矩形截面短柱,在轴向压力N作用下整个截面的应变基本上是均匀分布的。
N较小时,构件的压缩变形主要为弹性变形。
随着荷载的增大,构件变形迅速增大。
与此同时,混凝土塑性变形增加,弹性模量降低,应力增长逐渐变慢,而钢筋应力的增加则越来越快。
对配置HPB235、HRB335、HRB400、RRB400级热轧钢筋的构件,钢筋将先达到其屈服强度,此后增加的荷载全部由混凝土来承受。
在临近破坏时,柱子表面出现纵向裂缝,混凝土保护层开始剥落,最后,箍筋之间的纵向钢筋压屈而向外凸出,混凝土被压碎崩裂而破坏(图4.2.2)。
破坏时混凝土的应力达到棱柱体抗压强度。
当短柱破坏时,混凝土达到极限压应变=0.002,相应的纵向钢筋应力值=E s=2×105×0.002N/mm2=400N/mm2。
因此,当纵向钢筋为高强度钢筋时,构件破坏时纵向钢筋可能达不到屈服强度。
设计中对于屈服强度超过400N/mm2的钢筋,其抗压强度设计值只能取400N/mm2。
轴心受压构件长细比详细计算公式及扩展
长细比的计算公式如下:
λ=L/d
其中,λ为长细比,L为构件的长度,d为构件的截面尺寸(一般指最小截面尺寸,如矩形截面的宽度或圆形截面的直径)。
1.普通钢筋混凝土构件:λ≤60
2.预应力混凝土短期受拉构件:λ≤35
3.预应力混凝土长期受拉构件:λ≤25
以上是常见的构件长细比限制,对于特殊构件或特殊材料,限制值可能有所不同。
在进行具体的构件设计时,需要结合实际情况进行计算和判断。
扩展的长细比计算公式如下:
1.矩形截面长细比计算公式:
-构件为矩形截面,不考虑抗弯预应力,截面面积为A,截面惯性矩为I,截面高度为h,长细比为λ,宽度为b;
-λ=L/d=L/(b/√12)=√12*L/b
-公式中√12是矩形截面抗弯构件的长细比的系数。
2.圆形截面长细比计算公式:
-构件为圆形截面,直径为d,长细比为λ;
-λ=L/d
3.T形截面长细比计算公式:
-构件为T形截面,不考虑抗弯预应力,截面上翼缘的高度为h1,宽度为b1,截面下翼缘的高度为h2,宽度为b2;
-λ=L/d=L/((b1h1+b2h2)/2)
以上是一些常见截面形状的长细比计算公式。
在实际工程设计中,可能还会有其他特殊形状的截面,需要根据具体情况进行计算。
在进行长细比计算时,需要注意以下几点:
1.计算中要考虑截面惯性矩的效应,通常会取截面最不利的惯性矩进行计算。
2.考虑截面的有效高度,对于有孔洞或开口的截面,需要减去孔洞或开口的高度。
3.不同材料的长细比限制值可能有所不同,需要根据不同材料的特性进行计算和判断。
轴心受压构件正截面承载力计算首先,要计算轴心受压构件的正截面承载力,我们需要了解构件的几何参数,例如截面的尺寸和形状,以及构件的材料特性,如弹性模量和抗压强度等。
下面介绍一种常用的计算方法,即欧拉公式。
欧拉公式适用于细长的杆件,可以计算其承载力。
根据欧拉公式,轴心受压构件的正截面承载力可以表示为:Pcr = (π^2 * E * I) / (Lr)^2其中,Pcr 是构件的临界承载力,E 是构件的弹性模量,I 是构件截面的惯性矩,Lr 是约化长度。
对于不同的构件形状,惯性矩I的计算公式也不同。
以下是一些常见形状的惯性矩计算公式:1.矩形截面:I=(b*h^3)/12,其中b是截面的宽度,h是截面的高度;2.圆形截面:I=π*(d^4)/64,其中d是截面的直径;3.方管截面:I=(b*h^3-(b'*h')^3)/12,其中b是外边框的宽度,h是外边框的高度,b'是内边框的宽度,h'是内边框的高度。
约化长度Lr的计算取决于构件的边界条件。
以下是一些常见边界条件的约化长度计算公式:1.双端固定支承:Lr=L;2.一端固定支承、一端支座支承:Lr=0.7*L;3.双端支座支承:Lr=2*L。
通过使用上述公式,我们可以计算出轴心受压构件的正截面承载力。
需要注意的是,上述公式是基于一些理想化假设和条件下推导得出的,实际工程中还需要考虑一些因素,例如构件的稳定性和局部细部构造等。
因此,在实际设计中,应该根据具体情况综合考虑各种因素,并结合相关的规范和标准进行设计和验证,以确保构件的安全性和可靠性。
总之,轴心受压构件正截面承载力计算是工程设计中的重要环节。
通过合理的参数选择和计算,可以确定构件能够安全承受的最大压力,从而保证结构的安全和可靠性。
第四章二、钢梁的强度计算钢梁的强力一般应包括弯应力、剪应力和折算应力的验算。
对弯应力强度的验算如下: 单向弯曲 xx n xMfW=≤σϒ(4-3)双向弯曲 m axyxx n xyn yMMfWW =+≤σϒϒ (4-4)式中xM,yM——绕x 轴和y 轴的计算弯矩,应考虑荷载分项系数;f ——钢材的抗弯强度设计值——(表2-4);nxW ,n yW ——钢梁对x 轴和y 轴的净截面模量;x ϒ,yϒ——截面塑性发展系数,工字形x ϒ=1.05,yϒ=1.2;其他截面形式的xϒ,yϒ值详见表5-4.当梁的受压翼缘的自由外伸宽度b 与其厚度 1t 之比大于13⨯时(但不超过15⨯),或当梁直接受动力荷载时,都应取1.0x y ==ϒϒ。
钢闸门和拦污栅中的各种梁,按有关现行专门规范规定,仍应采用容许应力计算法。
对应于式(4-3)的验算式为:单向弯曲 []xnxMM =≤σσ(4-5)钢梁剪应力的验算公式为 v wVS f It =≤τ(4-6)式中 V ——梁所受的最大剪力,应考虑荷载分项系数; vf ——钢材的抗剪强度设计值(表2-4);I——梁的毛截面惯性矩(不考虑螺栓孔削弱);S ——梁的毛截面在计算剪应力处以上部分对于中和轴的面积矩; wt ——摸板厚度若梁截面在同一点上受到较大的弯应力 σ、局部压应力c σ、和剪应力 τ共同作用时,还应按下式验算其折算应力:ep f=≤σβ (4-7)式中c σ,σ ——以拉应力为正值,压应力为负值;β ——计算折算应力的强度增大系数,当σ与cσ 同号或0c=σ时,取β=1.1,当σ 与cσ 异号时,取β=1.2 。
轧成梁的设计挠度验算。
应按荷载标准值计算梁的挠度:2x w PLw l EL l ⎡⎤=≤⎢⎥⎣⎦β(4-19)式中 β ——系数,根据梁的荷载分布与支承情况而定,例如收均载的简支梁5384=β/,跨度中点受集中荷载P 时,148=β/;P ——梁所受的荷载总值,例如,受均载q 时,P=qL ; x EI ——梁的抗弯刚度;w l ⎡⎤⎢⎥⎣⎦——相对挠度限值,随各类结构的使用要求而定,可由表4-2查得,详见有关规范中的规定。
关于受压杆件长细比的计算1.对于轴压构件的长细比计算公式如下:l 0=λl l ⋅=μ0A I i =(根据I 的定义,理解i )其中对各个系数进行详解:A —构件的横截面积。
矩形面积为A=bh 。
对于圆形截面为:42D A π=,圆管截面22)1(4απ-=D A 。
I —构件的截面惯性矩。
对于矩形的截面惯性矩为123bh I =,对于圆形截面来说为644D I π=,对于圆管截面的惯性矩为)1(6444απ-=D I 其中D d /=α,d 为圆管内径,D 为圆管外径。
矩形:24/3232022222bh y b dy b y dA y I h hh =⋅=⋅=⋅=⎰⎰-圆形:64/)22sin (2164)2cos 1(2164sin sin 320420420223220222D D d D d drr rd r drdA y I D Dπθθθθθθθθππππ=-⋅=-⋅==⋅=⋅=⎰⎰⎰⎰⎰⎰(θθ2sin 212cos -=)l 为构件的几何长度,其具体长度又根据混凝土,钢结构,砌体等不同的结构形式而有所不同。
μ为长度因数,其值由竿端约束情况决定。
例如,两端铰支的细长压杆,μ=1;一段固定、一段自由的细长压杆,μ=2;两端固定的细长压杆,μ=0.5;一段固定一段铰支的细长压杆,μ=0.7。
拓展:根据i 的计算公式,很明显,我们可以就算出矩形和圆形的回转半径i :矩形:12h i =;圆形(实):4D i =,圆环:4)1(4α-=D i (不用记)钢结构受压杆件的容许长细比如有侵权请联系告知删除,感谢你们的配合!。
第一节一、普通箍筋柱二、螺旋箍筋柱以承受轴向压力为主的构件称为受压构件。
凡荷载的合力通过截面形心的受压构件称之为轴心受压构件(compression members with axial load at zero eccentricity)。
若纵向荷载的合力作用线偏离构件形心的构件称之为偏心受压构件。
受压构件(柱)往往在结构中具有重要作用,一旦产生破坏,往往导致整个结构的损坏,甚至倒塌。
按箍筋作用的不同,钢筋混凝土轴心受压构件可分为两种基本类型:一种为配有纵向钢筋及普通箍筋的构件,称为普通箍筋柱(tied columns),如图;另一种为配有纵向钢筋及螺旋箍筋或焊环形箍筋的螺旋箍筋柱(spirally reinforced columns),如图。
一、普通箍筋柱(一)构造要点1、截面形式:正方形、矩形、工字形、圆形;2、截面尺寸:根据正压力、柱身弯距来确定,截面最小边长不宜小于250mm;3、纵筋:(1)纵向受力钢筋的直径不应小于12mm,其净距不应小于50mm,也不应大于350mm,根数不少于4根。
(2)构件的全部纵向钢筋配筋率不宜超过5%。
构件的最小配筋率不应小于0.5%,当混凝土强度等级为C50及以上时不应小于0.6%;同时,一侧钢筋的配筋率不应小于0.2%。
(3)纵向受力钢筋应伸入基础(foundations)和盖梁(caps),伸入长度不应规定的锚固长度。
4、箍筋:(1)箍筋应做成封闭式,以保证钢筋骨架的整体刚度。
(2)箍筋间距应不大于纵向受力钢筋直径的15倍且不大于构件横截面的较小尺寸(圆形截面采用0.8倍直径)且不大于400mm。
纵向受力钢筋搭接范围的箍筋间距,当绑扎搭接钢筋受拉时不大于主钢筋直径的5倍且不大100mm;当搭接钢筋受压时不大于主钢筋直径的10倍且不大于200mm。
纵向钢筋截面面积大于混凝土截面面积3%时,箍筋间距不应大于纵向钢筋直径的10倍且不大于200mm。
(3)箍筋直径不小于8mm且不小于纵向钢筋直径的1/4。