工作服管理办法76862
- 格式:doc
- 大小:37.50 KB
- 文档页数:4
工作服管理办法第一篇:工作服管理办法工作服管理办法一、本管理办法制定宗旨:(一)将本公司员工服装的制发统一化、整体化。
(二)使本公司员工的服装仪容整齐高雅,提升员工士气,增进公司形象。
二、本管理办法适用范围:本公司员工制式服装的制发,悉依照本标准管理。
三、由行政部负责本标准制定、修改、废止的起草工作,由总经理负责本标准制定、修改、废止的核准。
四、服装的分类(一)夏季服装1、一线员工:门市制服为短袖套裙。
专业部制服可由部门决定款式。
2、制作部员工:统一白色长褂服,戴工作帽。
3、行政部:男士:上身着深色衬衫系领带,下身着深色西裤黑色皮鞋。
女士:黑色职业套装,浅色丝袜着黑色有跟皮鞋。
(二)冬季服装:同上,门市制服为长袖套裙。
五、服装换季:由行政部统一公告服装换季。
六、服装制发及领用(一)服装的设计与制作本公司人员的服装,其式样由公司统一设计,不得任意变更。
由总务部分别量身,统一发包制作。
(二)服装分发由总务部根据所报人数、型号分发到各店、部门,由店长、部门经理负责发放,员工签字领用。
(三)服装的领用1、凡领用新服装未满六个月离职者,应赔偿制服的制作工本费用。
2、新进人员于试用期不发给正式服装,待其正式聘任后,比照一般员工的规定办理。
七、服装的穿着与清洁(一)服装的穿着1、凡本公司员工,于上班时间一律穿着制式服装,并应依据规定佩戴员工识别证。
2、新进人员于试用期间,应尽量穿着制式服装。
3、代表公司外出洽谈公务,应尽量穿着制式服装。
4、冬天气温降低时,个人添加衣物,应以深色系为原则。
(二)服装的清洁保护1、员工的服装应经常换洗,保持干净整洁。
2、员工对于个人领用的服装应善加爱惜,如有破损应缝补修复。
(三)不得擅自改变制服样式。
不得出卖转借制服给外单位。
八、公司工作服配发标准(一)本标准确定的是公司工作服配发、穿用及换发等有关事项。
(二)为使本标准顺利执行,总务部对每一套工作服配发管理表。
管理表的项目包括:1、2、3、4、5、6、7、8、规格与编号;购入日;购入价格;配发日;配发对象;上交日;换发日;换发负责人。
工作服管理规定办法【6篇】【导语】工作服管理规定办法怎么写受欢迎?本为整理了6篇优秀的工作服管理办法范文,为便于您查看,点击下面《目录》可以快速到达对应范文。
以下是为大家收集的工作服管理规定办法,仅供参考,希望对您有所帮助。
【第1篇】工作服管理规定办法工作服管理规定工作制服管理规定为了提高公司形象,增强管理力度,展示员工的精神面貌。
公司决定全体员工穿着统一制服上班,现就制服的着装管理作出如下规定: 一、服装分类季节管理人员办公室文员保安员清洁工厨工修理工司机夏装衬衣西裤(裙)(两套,400元/套)衬衣西裤(裙)(两套,300元/套)保安服(两套,250/元套)蓝领工装(两套,100/元套)白工衣(两套,100/元套)蓝领工装(两套,100/元套)蓝领工装(两套,250/元套)冬装西装制服(两套,600元/套) 西装制服(两套,500元/套) 保安服(两套,400元/套) 蓝领工装(两套,150/元套)白工衣(两套,150/元套)蓝领工装(两套,150/元套)蓝领工装(两套,400/元套)使用期限二年二年二年一年一年一年二年二、换季时间夏装:5月1日至10月31日冬装:11月1日至次年4月30日三、制服的使用及发放凡本公司所属员工在职期间均有权利享受制服待遇。
1. 制服在使用期限内如有损坏或遗失,由使用者个人按月折价从工资中扣回制服款,并由行政人事部统一补做制服。
2. 员工如有离职,按规定的使用期限,折价扣回制服款,不收回制服。
3. 新员工入职,试用期满后,方可配备制服,如有特殊情况需在试用期间着制服的,制服的使用期限从试用期满之日算起。
4. 员工上班,必须按规定统一着装。
未按规定着装者,一经发现罚部门经理100元/人次。
5. 未能及时领取制服和制服不合身者,各部门应在三个工作日内将名单及型号报人事部,否则按不着装处理。
人事部必须在10个工作日内解决,否则罚人事部经理100元/人次。
6. 部门经理以上(不含部门经理)日常上班可不统一着装,大型*或有关活动按通知要求着装。
员工工装及工作服管理办法一、员工工装发放范围公司机关在职员工(含劳务派遣人员)、项目经理部领导班子成员(包括项目经理、项目组织负责人、项目副经理、项目总工程师)。
二、管理职责1、公司办公室、项目经理部办公室负责员工工装的登记备案、定制、发放、回收,库存情况的汇总、统计与核对,以及相关问题的协调处理。
2、公司项目监管部负责项目经理部员工工作服的登记备案、定制、发放、回收,库存情况的汇总、统计与核对,以及相关问题的协调处理。
3、公司人力资源部负责审核员工工装及工作服的申请。
三、工装及工作服配置及要求男员工每人2 件上衣、3 条长裤;女员工每人2 件上衣、2 条长裤、1 条裙子,每四年制作并更换一次。
1、西服每人2 件长袖、2 件短袖,每两年制作并更换一次。
2、衬衫(一)公司在职员工的工装按集团公司规定由集团公司统一组织制作发放。
(二)新入职员工在试用期期间(三个月)暂不制作发放工装及工作服,由本人自行穿着与本单位要求相近的服装,待转正后,由公司制作发放。
(三)距退休(含内退)时间半年以内(含半年)的员工不再定制工装;距退休(含内退)时间半年以上一年以下(含一年)的员工定制西服一套(1件上衣、1 条长裤)、衬衫1 件长袖、1 件短袖;距退休(含内退)时间一年以上两年以下(含两年)的员工定制西服上衣1 件、长裤2 条(女员工可1 条长裤、1 条裙子)、衬衫2 件长袖、2 件短袖。
四、着装要求1、秋冬季工装:男员工秋冬春季服装为套装西服,内配白衬衫,应着黑色或深色皮鞋;女员工秋冬春季服装为套装西服,内配白色衬衫。
2、夏季工装:男员工应着配发的短袖衬衫(在特殊场合或特殊要求下应着长袖衬衫)和长裤,应着黑色或深色皮鞋;女员工夏装应着配发的短袖衬衫和裙子(或长裤)。
3、着工装时,应搭配与工装颜色、款式得当的袜子和鞋类,鞋面应保持清洁光亮,不得穿拖鞋、凉拖和旅游鞋。
4、工装应经常换洗,不得出现掉扣、错扣、脱线等现象。
工衣管理办法.docx范本一:工作服管理办法一、工作服管理的目的和范围1. 目的:规范工作服使用和管理,保证员工工作环境的整洁和安全。
2. 范围:适合于所有公司员工的工作服管理。
二、工作服的选购和配发1. 选购要求:a) 工作服应符合公司形象和品牌要求;b) 材质要适合岗位工作特点;c) 颜色要醒目、璀璨,易于辨识。
2. 配发程序:a) 员工在入职时,向人事部提出工作服尺寸要求;b) 人事部根据员工尺寸和岗位要求,向供应商订购工作服;c) 工作服由人事部负责统一发放给员工。
三、工作服的使用、清洗和保养1. 使用要求:a) 员工应按规定穿着工作服上下班;b) 工作服应保持干净整洁,不得有明显破损。
2. 清洗和保养:a) 员工应定期将工作服送至指定地点进行清洗;b) 清洗过程中应注意防止工作服变形和退色;c) 员工应妥善保管自己的工作服,避免丢失或者被他人使用。
四、工作服的更换和报废1. 更换要求:a) 工作服因磨损或者损坏需要更换时,员工应向人事部提出申请;b) 收到员工申请后,人事部负责及时安排新工作服的发放。
2. 报废程序:a) 停用的工作服由人事部收回,并进行鉴定;b) 符合回收标准的工作服可以送给需要的员工作为暂时使用。
五、管理责任和处罚措施1. 管理责任:a) 人事部负责工作服的选购、配发和更换;b) 员工负责工作服的使用、清洗和保养。
2. 处罚措施:a) 违反工作服使用规定的员工,将受到相应的纪律处分;b) 多次违反使用规定的员工,将被取销发放工作服的权利。
六、附件1. 工作服尺码表2. 工作服清洗指南七、法律名词及注释本无涉及法律名词。
------------------------范本二:工作服管理政策一、工作服管理的目的和范围1. 目的:规范工作服的使用和管理,确保员工的形象和工作环境的整洁与安全。
2. 范围:该政策适合于公司所有员工的工作服管理。
二、工作服的选购与配发1. 选购要求:a) 工作服的颜色、样式应符合公司形象要求;b) 材质应适合不同岗位的工作环境。
企业工作服管理办法企业工作服管理办法第一章总则第一条为了规范企业工作服管理,加强员工工作服管理,保障员工的身体健康和形象形象,并提高企业形象,本办法制定。
第二条合用: 本办法合用于本企业管理的全体员工。
第二章工作服配发与管理第三条工作服的配发1. 明确配发标准和要求,合理配置数量。
2. 由各部门、车间提出配发申请,并报经综合办公室审核后,交由领导审批签字。
3. 经批准后,由物资部统一配发,并进行登记。
第四条工作服的保管和使用1. 每一个员工配发工作服后,应严禁以其他任何形式转借、出售或者任意更换。
2. 工作服应统一由车间管理员或者班组长保管,每月进行清点核实,并做好登记,切勿私自取用。
3. 工作服装配完毕时,应统一上交,以上交单据应妥善保管。
第五条工作服的检修和维护1. 经过一段时间的使用后,工作服应进行定期检修和维护,确保服装完好无损。
2. 经过检修和维护后的服装,应做好登记,并重新按员工数统一派发。
第六条工作服的清洗1. 工作服应定期清洗,确保衣服清洁卫生。
2. 领取洗衣券后,员工应在洗衣点进行清洗,切勿私自清洗。
第七条工作服的更衣1. 员工应在下班离开公司后方可更衣,确保工作服不受污损。
2. 工作服应按要求归还车间管理员或者班组长。
第三章职责分工第八条办公室1. 负责审核工作服配发申请,并报经领导审批。
2. 统计配发、更换工作服的数量,并按要求制定统计表格。
第九条物资部1. 负责对配发的工作服进行登记管理,并定期清点。
2. 负责检修和维护工作服。
3. 统计工作服清洗次数并登记,按要求制定月度清洗表格。
第十条车间管理员或者班组长1. 负责工作服的保管、清点和更衣登记。
2. 负责工作服的检修和维护,并按要求填写相应表格。
3. 负责统计工作服清洗数量,并按要求填写相应表格。
第四章附件所涉及的附件如下:1. 配发申请表2. 工作服登记表3. 工作服检修和维护表4. 工作服清洗表第五章法律名词及注释所涉及的法律名词及注释如下:1. 劳动法:中华人民共和国劳动法2. 员工:指企业服务中心及下属部门内的在册职工。
工作服管理规定工作服管理办法
1. 工作服的配置和配备应根据企业的业务类型和员工的工种进行合理确定。
企业应为员工提供符合工作要求和安全标准的工作服,并确保工作服的数量充足。
2. 员工应当按规定佩戴工作服,严禁擅自更换或私自使用其他服装代替工作服。
3. 工作服应保持整洁、干净。
员工在佩戴工作服时应注意避免弄脏、弄破或污损工作服。
4. 员工在使用工作服时应注意避免向外界宣传企业或个人信息,禁止私自在工作服上做任何标记、刻字或挂饰等。
5. 员工不得将工作服借给他人使用,更不得私自贩卖、转让或丢弃工作服。
6. 在离岗休假期间,工作人员应妥善保管工作服,如有损坏或遗失应立即报告单位,并按规定进行处理。
7. 企业应定期检查工作服的使用情况,如发现损坏较重的工作服应及时更换或修复。
8. 对于违反工作服管理规定的员工,企业应根据情节轻重给予相应的处罚,包括但不限于扣发工资、记录违纪、教育培训等。
9. 员工在佩戴工作服期间出现的安全问题或其他问题应及时上报单位,单位应积极处理并采取措施予以解决。
10. 企业应建立健全工作服管理制度,明确工作服的购置、配发、使用、保管等方面的具体规定,并定期对员工进行相关培训。
一、本制度的目的是合理管理工作服二、管理职责1. 综合办公室负责制定工作服的统一款式与颜色,并进行数量统计。
在获得公司总经理的批准后,负责采购工作服。
此外,综合办公室还承担工作服的入库、保管以及发放等管理工作,并确保做好相关记录。
2. 所有员工应遵循工服规定进行领取或购买。
各分公司及各部门的负责人需负责监督着装规范的执行情况。
三、内部员工工作服发放和管理(一)内部员工工作服的发放1. 综合办公室已建立工作服领用登记台账。
领用人需填写工作服申请表,并在部门主管签字确认后,前往综合办公室领取所需工作服。
为确保日常领用需求,综合办公室将储备至少3件短袖工作服以及3件长袖工作服,以备不时之需。
2. 为贯彻节约和高效利用的方针,特制定以下工作服发放办法:(1)凡入职的每个员工必须有一套工作服,使用周期为一年,满一年后,另行发放。
3、使用不足一年因遗失或者破损需要换新者,由员工本重新申领,主管批准后发放,按成本收取费用,费用在工资中代扣。
(二)内部员工工作服的离职处理办法1、公司员工在配备工作服六个月内辞职的,公司将收取工服费用50%;在配备半年以上、一年以内辞职的,公司将收取30%的工服费用;在配备一年以上辞职的,不收取制作费。
(三)工作服的保管1、办事处预留工作服由综合办保管,按规定发放不得滥用。
2、员工对个人领用的服装应妥善保管并爱惜,保持工作服的清洁。
对违反公司着装相关规定的按照着装规定进行处罚。
四、承包区工作服的购买1. 承包区的工作人员制服既可以从我司购买,也可以通过社会其他渠道采购,但必须遵循公司的着装规范。
对于任何违反规定的行为,将按照公司规定进行处理。
2. 若承包区需向公司购买制服,单套制服可直接向业务经理提交工服购买申请,并在综合办公室支付费用后领取;若需采购两套或以上,应至少提前四天通知公司业务经理进行预约采购。
在综合办公室支付费用后,制服将在第四天随货物一起发放至承包区。
五、工作服、鞋穿着规定公司员工在工作时间内进入现场时,必须穿着规定的工作服。
工作服及着装管理办法一、目的 :为树立和保持公司良好的公众形象,进一步规范化管理,特制定本办法。
二、工作时间着装及仪表要求:1、所有员工必须按照公司规定穿员工工作服,保持良好的精神风貌,树立良好的公司形象。
2、工作时间须着装工作服,注意仪容仪表,穿着整洁、得体、大方.3、工作装应经常换洗,确保工作服干净。
三、员工工作服的使用及发放:1、办理正式入职手续的员工,可在转正之日内领取工作服。
2、员工工作服配发给员工后,如遇到工作原因发生意外损坏或者其他特殊情况需要提前换发时,由本人提出申请,写明情况,经部门主管及副总经理审核后,递交后勤部换发.3、如因个人原因,造成工作服丢失、失窃或未到期破损,须按要求提前换发,并由本人补缴相应的费用。
4、员工离职时,对所领用的工作服按以下相关规定收取一定费用(从离职当月工资内扣除):(1)满两年离职者,工作服费用全部由公司承担;(2)未满两年离职者,公司承担员工在职期间工作服费用,其余费用由员工个人承担(如:甲员工在职时间为18个月,则公司承担240/24*18=180元,个人承担(24-18)*240/24=60元);四、处罚措施:1、员工未按要求穿着员工工作服,按10元/次进行处罚,部门主管未监督并提醒者,按5元/次进行处罚;2、员工人为损坏、丢失工作服(洗涤、保存方法不当),按工作服的实际价格进行赔偿处罚;3、员工穿着工作服和仪容仪表的情况,将作为个人绩效考核的依据之一,以上处罚从当月奖金中扣除.五、遵守事项:1、上班时间必须统一着装公司配发的公司员工工作服;2、员工对配发的工作服有保管、清洗、修补的责任;3、应尽量减少工作服在非工作时间的损耗;4、员工不得擅自改变工作服的式样;5、员工不得擅自转借工作服;6、员工工作服应保持整洁,如有污损,员工应自费进行清洗或修补;7、后勤部负责对以上行为进行不定期抽查,对不按规定着装者,按相关规定进行处罚;8、部门主管有指导与监督员工穿着工作服的责任。
关于工作服的管理办法一、目的为推进公司企业文化建设,为树立和保持公司良好统一的公众形象,进一步规范化管理,特制定本规定。
二、适用范围本规定适用于除高层管理和业务人员外的所有员工。
三、工作着装要求1、公司所有员工,每天上班时间必须按照要求穿着工作服,注意仪容仪表,穿着整洁、得体大方,保持良好的精神风貌,树立良好的个人形象和企业形象。
2、上班过程中,不得赤脚、不得穿拖鞋和露趾凉鞋等。
3、工作服应经常换洗,注意个人卫生。
4、行政人事部对员工工作服穿着情况进行不定期检查,对检查发现未穿工作服上班未按要求着装的人员,按照公司要求处罚10元/次。
5、主管级以上人员有指导与监督员工规范穿戴工作服的责任和义务。
行政人事部将对以上行为进行不定期抽查,对不按规定着装者按公司规定给予处罚。
四、工作服的发放1、员工试用期满(转正)后,发放工作服,公司的工作服包括冬装(长袖)和夏装(短袖)。
2、公司人员发放工作服冬、夏装各两套,使用年限为两年。
3、如因个人原因,造成工作服丢失、失窃或未到期破损,须按要求提前换发,应由本人补缴相应的费用(夏季工作服成本价50元/件、冬季工作服成本价格80元/件);4、可由本人直接向行政人事部申请购买,经审批后方可到仓库领取工作服,其费用从工资中扣除。
若属故意损坏的除加倍赔偿外,还将视情节严重情况进行处理。
5、员工离职(辞职/辞退)时,对所领用的工作服按以下相关规定收取一定费用,从离职当月工资内扣除。
5.1 自工作服发放之日起,工作满三个月以上者,离职时,不收取服装费用。
5.2 自工作服发放之日起,工作不满三个月者,离职时,按公司购买成本价扣除费用。
6、新进员工转正后签字领用,每人两件。
五、工作服的定制1、后勤仓库要定期盘点工作服,并根据员工进出库情况和库存情况,及时进行汇报及申购,备足数量以便使用;并根据使用年限、季节变化及时组织更换。
2、工作服订购要本着货比三家的原则选择好定制厂家,在定制前签订合同(或协议),明确数量、材质、尺寸规格、交期、价格、发票税点、验收标准、商标使用规范以及其他定制要求等。
工作服管理规定办法
前言
为了规范员工着装,提高企业形象,保护员工生命健康,制定本规定。
一、适用范围
本规定适用于本企业所有从事工作的员工。
二、工作服种类
1.管理人员:西装、衬衫、领带。
2.技术人员、生产人员:蓝色工作服。
3.清洁人员:绿色工作服。
三、选购原则
1.工作服必须符合国家有关安全、卫生、环保标准。
2.工作服必须具有防静电、耐磨、防洒溅等特性。
3.工作服必须具有合理的设计,穿着舒适、方便、美观。
四、管理办法
1.工作服的保管由管理人员负责,定期对工作服进行检查和洗涤,确保工作服卫生、清洁。
2.新入职员工应在入职时申领工作服,并在离职时清洗并返还工作服。
3.员工个人应对所领用的工作服负责,不得私自转借、挂在非指定区域等。
4.如工作服因工作需要损坏,应及时向管理人员报告。
5.如员工使用、保管不当造成损失,应赔偿相应的费用。
6.未经许可不得私自更换工作服。
五、考核与激励
1.对于遵守本规定,积极配合工作服管理工作,协助工作服洗涤和检查的员工,可以接受奖励。
2.对于不遵守本规定,私自转借、挂在非指定区域、故意损坏工作服等违规行为,将给予相应的处罚。
六、附则
1.本规定由人力资源部负责解释。
2.本规定自公布之日起生效,以前的有关规定同时废止。
以上就是工作服管理规定办法,希望各位员工严格遵守,加强工作服管理,规范着装,提高企业形象,保障员工健康。
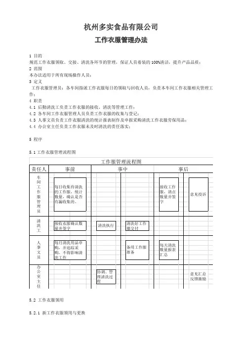
杭州多实食品有限公司工作衣服管理办法1 目的规范工作衣服领取、交接、清洗各环节的管理,保证人员着装的100%清洁,提升产品品质;2 范围本办法适用于所有现场操作人员;3 定义工作衣服管理员:各车间指派工作衣服每日的领取与回收人员,负责本车间工作衣服相关管理工作;4 职责4.1 后勤清洗工负责工作衣服的接收、清洗等管理工作;4.2 各车间工作衣服管理人员负责工作衣服的收集与登记;4.3 人事文员负责工作衣服清洗的统计报表制作及申报采购清洗工作衣服劳保用品;4.4 办公室主任负责工作衣服未及时清洗的责任落实;5 程序5.1工作衣服管理流程图5.2 工作衣服领用5.2.1 新工作衣服领用与更换a)新进人员到岗当天,需到人事文员处领取工作衣服;人事文员根据工作衣服的要求发放,衣服二套、帽子二只、拖鞋一双、胶靴一双;b) 工作人员领取工作衣服后,由自己负责保管;5.2.2 工作衣服编号a) 工作衣服的编号分为两个部分:车间名称(面包)——数字编号(001);b) 车间名称编号规定:面包车间前段用M、面包车间后段用B、三明治车间前段用K、三明治后段用S、丹麦车间用D。
5.2.3 日常工作衣服领用a) 各车间工作衣服管理员在每天上班之前,到后勤清洗工处领取清洗好的工作衣服,并且双方当场清点交接;并填报《工作衣服清洗登记表》,确认无误后方可领走工作衣服;b) 工作衣服管理员需在上班前将干净工作衣服下发到员工本人手中,不得私藏或未经本人允许转借他人,若因工作衣服原因影响员工进车间生产的,处罚工作衣服管理员罚款20元;c) 如在领取过程中出现异常或数量不对时,由清洗人员进行登记注明,报办公室主任解决处理;d) 工作衣服存放,后勤清洗工应按班组划分,并用编码的塑料盒存放,方便领取;5.3工作衣服的清洗a) 各车间工作衣服管理员在每天下班之后或上班之前,将本班组或车间的工作衣服全部收齐并做好《工作衣服清洗登记表》的登记,整理完后将记录与工作衣服放在指定的存放盒内交清洗房处,双方在交接时对数量须当场清点核对;5.4 各班组具体对接时间表5.5 工作衣服清洗的相关管理5.5.1人事文员在每日将昨天的服装的清洗数据统计汇总;5.5.2 人事文员负责每月一次清洗工作衣服用的劳保用品申购,遇急用时可临时自行购买清洁用品。
工作服管理制度一、目的为树立和保持公司良好的公众形象,进一步规范化管理,特制定本规定。
二、工作时间着装及仪表要求1、公司全体员工必须按照公司规定着装,保持良好的精神风貌,树立良好的公司形象;2、工作时间须注意仪容仪表,穿着整洁、得体、大方;3、工作装应经常换洗,不得出现掉扣、错扣、脱线现象;4、工作时间必须佩戴公司统一发放的工作牌。
三、工作服的使用及发放1、办理正式入职F续的员工,可在入职3 7天日内到行政部领取工作服及工作牌;2、如因个人原因,造成工作服或工作牌丢失、失窃或未到期破损,须按要求提前换发,应由本人补缴相应的费用(工作服成本价/套,工作牌20 元/个): 3,员工离职时,员工须将工作牌交还,同时对所领用的工作服按以下相关规定收取一定费用(从离职当月工资内扣除):1)工作未满六个月离职者,收取工作服成本的100%费用:2)工作六个月以上十二个月以卜离职者,收取工作服成本的70%费用: 3)工作满十••个月以上离职者,不收取任何工作服费用。
四、处罚措施1、员工未按要求穿着工作服,按照公司相关规定进行处罚;2、员工人为损坏、丢失工作服(洗涤、保存方法不当),原价补换:3、员工穿着工作服和仪容仪表的情况,将作为个人绩效考核的依据之* O五、遵守事项1、上班时间必须统一着公司配发的工作服及佩戴工作牌:2,员工对配发的工作服、工作牌有保管、修补的责任:3、员工不得擅自改变工作服的式样:4、员工不得擅自转借工作服;5、工作服应保持整洁,如有污损,员工应自行进行清洗或修补;6、行政部负贲人进行不定期抽查,对不按规定着装及佩戴工作牌者,将进行处罚,并计入当月绩效考核:7、主管级以上员工有指导与监督员工规范穿戴工作服的贲任。
六、附则1、本规定从颁布之日起执行;2、本规定最终解释权归属行政部。
工作服管理制度总结本工作服管理制度旨在树立和保持公司良好的公众形象,促进内部管理的规范化。
制度详细规定了员工在工作时间的着装要求、工作服的使用与发放流程、违规处罚措施及员工需遵守的相关事项,确保了公司形象的统一性和员工行为的规范性。
工作服领用、管理办法一、目的为了规范公司工作服的领用和管理,提高员工形象和工作效率,制定本办法。
二、适用范围本办法适用于公司全体职工。
三、领用程序1. 员工入职后,须填写《工作服领用申请表》,经直接主管审核签字后,交给行政部门。
2. 行政部门收到申请表后,核对申请人信息并安排领取时间,将申请表交给仓库管理员。
3. 仓库管理员按照申请表上的信息进行工作服的领取,并将领取记录填写在《工作服领取登记簿》上,由员工填写领取确认。
四、领用数量1. 根据员工工作性质,公司将统一为员工提供相应的工作服。
2. 每位员工领取的工作服数量为3套,包括上衣、裤子、及配饰等。
五、工作服管理1. 员工领取的工作服为公司财产,任何情况下不得私自调换或调离工作岗位外使用。
2. 员工应妥善保管工作服,不得将工作服借给非本公司人员使用。
3. 如因员工自身原因导致工作服损坏或遗失,员工需按照公司规定进行赔偿。
4. 定期检查员工工作服的使用情况,如发现异常情况立即报告行政部门。
5. 员工转岗或离职时,应将工作服归还给行政部门或仓库管理员,并填写《工作服归还登记表》。
六、违规处理1. 如发现员工私自调换或调离工作岗位外使用工作服的,将按照公司规定进行严肃处理。
2. 员工私自将工作服借给非本公司人员使用的,将视情节轻重进行警告、罚款等处罚。
3. 如发现员工私自调换、遗失或损坏工作服的,将按照公司规定进行赔偿。
4. 如有员工拒不归还工作服的,将取消其相关奖励,必要时将向公司法务部门追究法律责任。
七、附则1. 本办法自颁布之日起执行,如有其他特殊情况需调整,由行政部门负责制定补充规定。
2. 员工在领取和使用工作服过程中,发生争议时,可向行政部门提出申诉,由行政部门及时处理。
以上就是公司工作服领用、管理办法的相关规定,请各位员工严格遵守,共同营造良好的工作氛围。
工作服管理办法一、工作服管理背景和目的工作服是指在特定工作环境下为员工提供的专用服装。
随着企事业单位的发展壮大,工作服的管理变得愈加重要。
工作服管理办法的制定旨在规范工作服的使用和管理,保障员工的安全和形象。
二、工作服管理的适用范围工作服管理办法适用于所有企事业单位及机关团体。
三、工作服管理的原则1. 安全原则:工作服的设计、材质和使用应符合国家相关安全标准,确保员工工作时的人身安全。
2. 统一原则:工作服的款式、颜色和标识应统一规范,使员工易于辨识。
3. 品质原则:工作服的质量应符合相关质量标准,寿命应符合实际使用需求。
4. 文明原则:员工在佩戴工作服时应注意形象整洁,维护单位良好形象。
四、工作服管理的具体要求1. 工作服的选择和设计a. 根据工作环境的特点和员工的实际需求,选择合适的工作服款式和材质。
b. 工作服的设计应简洁大方,舒适耐穿,不影响员工正常工作。
c. 工作服的颜色应与单位形象相符,避免使用过于花哨的颜色。
2. 工作服的配发和使用a. 单位应根据员工岗位的需要,按时配发工作服,并做好相应登记和档案管理。
b. 员工佩戴工作服时应保持整洁,定期清洗和维护,确保工作服的卫生和质量。
3. 工作服的标识和管理a. 工作服应统一印有单位的名称或标志,以便员工和外部人员辨识。
b. 单位应设立专门的工作服管理部门或负责人,负责工作服的管理、维护和发放。
4. 工作服的更换和报废a. 随着员工工作年限的增加或工作服损坏无法修复时,单位应及时为员工更换新的工作服。
b. 被更换的工作服应及时收回,根据实际情况进行处理,可以选择修复、重制或报废。
五、工作服管理的责任分工1. 企事业单位和机关团体的领导应制定明确的工作服管理制度,并确保其执行。
2. 工作服管理部门或负责人应负责具体的工作服发放、清洗和维护工作。
3. 员工应遵守工作服管理规定,正确佩戴和保管工作服。
六、工作服管理的监督与检查单位应定期进行工作服管理的监督和检查,对发现的问题及时处理,并采取措施加以改进。
企业工作服管理办法企业工作服管理办法1. 简介本文档旨在规范企业工作服的管理办法,确保员工能够正确佩戴工作服,提升企业形象和员工职业感。
2. 工作服的定义工作服是指企业为员工提供的、用于标识员工身份和职业的特定服装。
3. 工作服的选购3.1 根据企业形象和员工工作特点,确定合适的工作服款式和颜色。
3.2 选择符合安全性要求的面料和材料,确保员工的舒适度和安全性。
3.3 按照员工的身高、体型等要素,提供合适的尺寸和款式。
4. 工作服的佩戴要求4.1 员工应按规定时间佩戴工作服,不得随意更换或私自修改。
4.2 工作服应整洁无破损,如有损坏应立即更换。
4.3 工作服应统一佩戴,不得穿着私人服装进行工作。
4.4 工作服应与个人衣物分开储存,保持清洁。
4.5 超过规定佩戴时间的工作服,应及时更换以保证清洁和时尚。
5. 工作服的保养与清洁5.1 员工应按要求定期清洗和保养工作服。
5.2 工作服的清洗应选择合适的清洗方法和洗涤剂,避免损坏面料。
5.3 清洗后工作服应晾晒或熨烫,确保整洁和平整。
5.4 工作服的保养需要定期检查,如有破损应及时修复或更换。
6. 工作服的归还和更换6.1 员工离职或调动时,应归还工作服。
6.2 工作服因大小、破损等原因需更换时,员工应及时提出申请。
6.3 企业应定期检查和更新工作服,确保员工佩戴的工作服整洁、时尚。
7. 处罚措施7.1 对违反工作服管理办法的员工,应予以相应的处罚和教育。
7.2 多次违反工作服管理办法的员工,将面临严重警告或解雇等后果。
8. 结语本文档详细规定了企业工作服的管理办法,员工应严格遵守,确保企业形象的统一和员工职业感的提升。
企业应加强工作服的选购、佩戴、保养与清洁以及归还和更换等各个环节的管理,做好工作服管理工作,提高企业的整体形象和竞争力。
企业工作服管理办法目的范围公司公司给配置的所有服装3.定义权责分发给个人的工作装由个人保管5.作业内容5.1工作服着装要求公司职员每周的周一到周五上班时刻,必须严格按公司的要求着装工作服,周六或周日上班的人员,可酌情着个人职业便服。
5.1.1着工作装时,应搭配与工作装颜色、款式得当的衬衣、袜子和鞋类;鞋应保持清洁光亮,无破旧并符合工作要求;在工作场所不得赤脚、不得穿拖鞋、拖鞋式凉鞋等。
5.1.2工作服应经常换洗,不得显现掉扣、错扣、脱线现象。
5.1.3男职员着装要求:(1)、头发梳理整齐、大方;额前头发只是眉,旁只是耳,后不盖衣领;不得剃光头;不得留胡须。
(2)、工作时刻不得光膀子或穿跨栏背心及大短裤。
5.1.4女职员着装要求(1)、头发梳理整齐,发型(包括发式、颜色)不得留奇形怪发,额前头发不得过眉;提倡化淡妆,金银首饰或其他饰物应佩戴得当。
(2)、不得穿超短裙、低胸衫,着裙装时,外露袜子以肉色丝袜为宜。
(2)、职员上班时刻幸免使用味道浓烈的香水。
注: ①如因个人缘故保管不善而造成工服使用年限提早应视情节予以赔偿。
②凡因个人缘故造成的需更换工作服的职员应向总务课递交书面申请,经核实后由总务课按工作服发放程序办理有关手续并发放。
5.2工作服的采购治理5.2.1本公司职员工作服由行政总务课安排专人负责统一采购;5.2.2工作服采购人员按照安全库存量安排常规采购,确保工作服供应及时。
当某型号工作服实际库存数量低于安全库存量时,由采购人员按照与供应商签订的有关合同最低采购总量安排进行采购,并合理分配各型号采购量,所有工作服库存量不应超过该类型最高库存量。
5.2.3采购人员按照公司各部门因突发性大批量聘请职员(一次性聘请职员超过50人,如接收毕业生)或因换季需要所填写的《工作服需求表》安排专门规采购。
总务课应按照公司人员聘请打算提早一个月填写《工作服需求表》报有关领导审批,以便及时安排工作服采购工作;5.2.4每年2月至9月进行夏装采购,10月至次年1月进行春夏装、冬装采购;5.2.5所采购的工作服由总务课工作服治理员按各类型号做好入库登记及保管;5.2.6总务课工作服治理员须按照公司仓库治理有关制度做好库存工作服的治理工作,对库存工作服做好保管措施,确保工作服洁净整洁,不受损坏或遗失;5.2.7总务课每季度末对库存的工作服进行盘点,并将盘点结果上报公司有关领导。
《工作服管理办法》一、目的:为了规范员工着装行为,展示员工精神面貌,树立公司良好的社会形象,同时也为加强对员工制服的管理,特此制订本办法。
二、适用范围:XXX集团有限公司全体已转正员工(试用期员工自备正装)三、工作服具体情况及着装时间要求:四、制服的穿着要求:1.任何部门和个人不得私自改变制服款式及颜色或污损制服;2.所有员工进入工作区域,在正常上班时间都必须穿着公司统一的工作制服,注意仪容仪表,穿着整洁、得体、大方;3.工作时间必须佩戴公司统一配发的工牌;4.以公司名义外出会客或办事,都应当穿公司配发的制服;5. 工作服应经常换洗,不得出现掉扣、错扣、脱线等现象。
五、发放制度:1.员工正式入职后(入职7天后),发放工牌;办理转正手续后的员工,制作工作服;2.工作服使用年限为1年,均从领用之日算起;3.员工须妥善保管制服,一旦遗失,全部费用由员工承担。
六、工作服制作及扣款:1. 公司将为全体员工制作统一工服,在公司工作满一年者(自领用工服之日起,含一年),公司的工作服将属于员工自己,费用由公司支付,并且于同年制作第二套工服,以此类推。
2. 员工自领用工服之日起工作满一年离职时,工服归个人,不扣除工服制作的任何费用;满半年不满一年(含半年)离职时,工服归个人,公司扣除工服制作费用的50%;未满半年离职时,工服归个人,公司扣除工服制作费用的全部(每次工服制作价格不等,扣除工服费用时,按照发放时财务给出的价格为标准)。
3.如因个人原因,造成工作服或工牌丢失或未到期破损,须按要求提前换发,应由本人补交相应的费用(工作服成本价元/套,工牌:试用期工牌15元/个,正式工牌15元/个,行政级别牌25元/个)。
4.员工离职时,员工工牌必须交还,如人为损坏、丢失等原因未交回者,按工牌价格照价赔偿。
七、其他事项:1.人事部负责需制作工服人员名单及工牌制作人员名单的统计;2.行政部负责工服的制作与发放;企划部负责工牌的制作,人事部负责发放;3.审计部负责本办法的检查实施工作,对不按要求着装或佩戴工牌者,每发现一次罚款10元,部门负责人一次罚款20元,分管领导一次罚款50元;4. 上级领导有监督下属穿制服的责任;5. 本工作服管理办法为修订版,自总裁签署之日起下发执行,同时废止原工作服管理。
员工工作服管理方法
一、管理目的
为推进公司企业文化建设,提高员工素质和公司整体形象,全体员工应按规定着装并保持整洁得体。
二、适用范围
1、本公司影院员工(含运营经理)工作服的发放及管理均按本制度执行;
2、公司工作服分为:夏季和冬季两种。
三、着装及仪表要求
(一)整体着装要求
1、所有员工必须按照公司规定着装,保持良好的精神风貌,树立良好的公司形象。
2、工作时间须注意仪容仪表,穿着整洁、得体、大方。
3、工作装应经常换洗,不得出现掉扣、错扣、脱线等现象。
4、着工作装时,应搭配相对应的衬衣、袜子和鞋类;鞋应保持清洁光亮,无破损并符合工作要求;在工作场所不得赤脚、不得穿拖鞋、拖鞋式凉鞋等。
5、工作时间必须佩戴公司统一发放的工作牌,并佩戴在左胸前适当位置。
6、公司组织大型集体活动时,所有人员必须按统一要求着装。
(二)男员工着装要求
1、头发梳理整齐、大方;前不过眉,旁不过耳,后不盖衣领;不得剔光头;不得留胡须。
2、着西装时,须着衬衣,系打领带;衬衣束腰,不得挽袖或不系袖扣。
3、工作时间必须统一佩戴公司发放的工作牌、领带、领结。
(三)女员工着装要求
1、头发梳理整齐,发型(包括发式、颜色)不得太夸张;提倡化淡妆,金银首饰或其他饰物应佩戴得当。
2、工作时间必须统一佩戴公司发放的工作牌、丝巾、发髻。
3、尽量避免用过浓的香水。
四、工作服的管理
1、员工对配发的工作服有保管、补修的责任。
2、工作服清洗由个人负责。
3、工作服丢失、失盗或破损时,如系个人原因,应由本人全部赔偿。
五、工装领用及退还说明
1、试工期员工及兼职员工必须按营运经理要求着装上岗,并统一佩戴公司实习工作牌。
2、长期员一周考核期满后,可发放工作服。
员工领取工作服一律填写工作服申领表,并缴纳押金300元,由营运经理统一开具收据,每人一张,第三联交于员工自己保管。
第二联及押金统一交由财务保管入账。
3、员工离职或辞退时,需将工作服(含工作牌、领花、头花、领带)清洗干净,折叠整齐后交于营运经理,营运经理收取工作服的同时,收取第三联押金条,并在第三联上注明“工作服已回收—XX(营运经理)”,后交于财务,财务办理退款给运营经理,营运经理将押金退还给员工。
4、员工对个人领用的服装应妥善保管并爱惜,若破损换新者,由员工本人自行承担服装成本费用。
六、其它事项
1、营运经理可依据季节温度变化,统一安排工作服换季穿着事宜。
2、公司任何人不得擅自对工作服样式进行更改,或借给非本公司人穿着。
3、公司员工应遵守公司相关着装规定,合理得体的着装及佩戴工作牌进入工作场地。
七、处罚措施
1、每位员工必需按本制度要求穿着工作服者罚款10元/天,工作时间未穿工作服者罚款20元/天。
2、将工作服借给非本公司人员穿着者给予通报批评及罚款50元/次;
3、工作时间未佩戴工作牌者,第一次者,班前会上予以批评,第二次者,罚款10元/次。
4、罚款由营运经理登记在本月考勤内,从当月工资中扣除。
5、损坏/丢失工作服者,公司予以补发,费用自行承担。
工作服申领表
店名:
领用人领用时间数量(套)签名备注
阳斐2013.8.16 1 衬衣、马甲、长裤、外套、
领带或丝巾、工作牌各一
件。