预制内墙板
- 格式:ppt
- 大小:56.47 MB
- 文档页数:28
装配式住宅预制ALC内隔墙板机械化安装施工工法一、前言在房屋建设中,内隔墙是起到分隔房间、隔音、隔热等功能的重要部分。
传统的内隔墙多采用砖混结构,但在建造过程中存在噪音大、施工时间长、废弃物产生多等问题。
随着新型建筑材料的不断涌现,装配式住宅预制ALC内隔墙板成为新时代的建筑选择。
装配式住宅预制ALC内隔墙板结构简单,制作精度高,安装方便,效果优美,施工时间短,降低建筑噪音,增强工程质量。
机械化安装施工工法结合了现代机械化生产模式,进一步减少了人工砌墙的不良因素,同时还充分利用了自动化、信息化等现代科技手段,为建筑工程提高效率、降低成本提供了新的途径。
二、工法特点装配式住宅预制ALC内隔墙板机械化安装施工工法的特点主要表现在以下四个方面:1.施工效率高:结构简单、加工精度高效、安装方便快捷,减少了人工操作时间。
2.施工质量优良:提高了工程整体质量,而装配式住宅预制ALC内隔墙板的材料和加工工艺保证了精度和一致性。
3.施工环保:与传统砖墙相比,装配式住宅预制ALC内隔墙板工艺减少了建筑噪音和灰尘扰民,减少了建筑垃圾的产生和消耗的资源。
4.施工成本低:装配式住宅预制ALC内隔墙板加工简便,生产成本成本低,施工效益明显。
三、适应范围装配式住宅预制ALC内隔墙板机械化安装施工工法适用于各类房屋建设,有着广泛的适应范围,并且在建筑业颇为普及。
该工法不受环境限制,既可以在城市和居民区建设,也可以扩大到农村和偏远地区进行使用。
四、工艺原理装配式住宅预制ALC内隔墙板机械化安装施工工法以加强承重框架中的隔墙功能,整合数字化制造技术体系,优化了工艺流程,创新性地采用了机械化生产和现代装配生产模式。
该工法有以下几点优势:1.机械化生产:采用自动化生产设备,将加工和制造工艺划分为多个部门,节省材料使用和人工劳动力成本。
2.现代装配生产模式:利用数字化控制技术,减少了流程中可能出现的错误,并保持了批量生产工序的准确性、安全性和稳定性。
预制内隔墙板优点及工艺工法预制内隔墙板属于一种新型工程材料的应用,但是在建筑工程施工中的应用越来越多,对于一些工程人员来说预制内隔墙板还是一种新鲜事物,下面就预制内隔墙板优点及工艺工法进行简单的阐述。
标签:预制内隔墙板;深化设计;基层;隐蔽项目引言随着建筑行业的迅猛发展以及人们对环境质量的要求不断提高,随之产生各种工程施工新工艺,预制内隔墙板就是其中的一种。
预制内隔墙板的出现逐渐取代了分室分户及非、承重墙由空心砖和混凝土砌块砌筑而成的施工方式。
预制内隔墙板在建设工程中占据重要的地位,给我们带来种种优势的同时,它存在的弊端和不足也不容忽视。
如何解决轻预制内隔墙板产生的裂缝问题已成为工程建设中的关键。
因此把握好施工过程中的施工方法是解决后期裂缝的先决条件。
下面就预制内隔墙板的优点及施工工艺简单的进行阐述。
1 预制内隔墙板的优点(1)质地轻:预制内隔墙板用特种原料配合而成,因此能浮于水面;(2)抗渗性:预制内隔墙板内部小孔均有独立的封闭孔,能有效地阻止水分扩散;(3)绿色环保性:由于预制内隔墙板不用土,不消耗材料,并符合《建筑材料的放射性核素限量》标准,属于绿色环保材料;(4)强度高:由于尺寸加入了防腐短纤维为骨架,浆料硬化后与纤维凝为一体,大大增加了轻质隔墙板的抗折,抗冲性能;(5)经济性:从经济方面而言,采用加气墙板为框架结构的内隔墙,与采用空心砖、泰柏板等相比,总造价可节省20%左右;(6)隔音性能:根据墙体厚度和表面处理方式不同,加之内部有许多细小气孔,使轻质隔墙板产品同时具有隔音与吸音的双重性能;(7)预制内隔墙板的施工便捷:由于是多孔,再加上产品能钉、能刨、能钻等一般性机械加工,故对水、电的管道安装及埋线等施工,比其他所有墙板都方便。
(8)防火性能:预制内隔墙板为无机物,绝不燃烧。
实验表明,预制内隔墙板材料是理想的防火材料,12cm厚墙体的耐火能力可达4小时以上。
2 预制内隔墙板施工工艺工法2.1 深化设计(1)预制内墙板深化设计的主要目的是结合水电专业预埋预留以及预制内墙板连接构造的需要合理布置排板。
预制内墙板工艺工法预制内墙板工艺工法是一种先进的建筑技术,它将内墙板制作成标准化的模块,并在工厂中进行加工和组装,然后再运到现场进行安装。
这种工法在建筑业中被广泛应用,能够提高工程的质量和效率。
预制内墙板工艺的工法可以分为以下几个步骤:第一步是设计和制作内墙板的模块。
根据建筑设计的要求,设计师会绘制出内墙板的详细图纸,并确定模块的尺寸和结构要求。
然后,工厂会根据这些图纸制作出内墙板的模块。
这些模块可以包括墙板、门窗洞口和电线开孔等。
第二步是在工厂中进行加工和组装。
首先,工厂会使用自动化设备对内墙板的模块进行加工,如切割和打孔。
然后,工人会按照设计要求将这些模块组装成完整的内墙板。
在这个过程中,工人需要确保模块之间的连接牢固,并且表面光滑。
第三步是运输和安装内墙板。
完成内墙板的制作和组装后,工厂会将它们打包并运输到施工现场。
在现场,工人按照设计要求将内墙板进行安装。
通常情况下,内墙板可以通过简单的螺栓或钢结构进行固定。
安装完成后,工人需要进行验收和修复,确保内墙板的质量和密封性。
使用预制内墙板工艺的工法有许多优势。
首先,它能够提高工程的质量和效率。
由于内墙板是在工厂中制作和组装的,因此可以避免现场施工中的误差和质量问题。
其次,预制内墙板能够加快施工进度。
因为内墙板是提前制作好的,所以可以节约大量的施工时间。
此外,预制内墙板还能够减少对资源的浪费,提高建筑的可持续发展性。
总之,预制内墙板工艺工法是一种现代化的建筑技术,它能够提高质量、效率和可持续性。
随着建筑行业的发展,预制内墙板工法有着广阔的应用前景。
通过采用这种工法,可以为建筑工程带来更多的价值和效益。
预制内墙板工艺工法是一种在建筑业中广泛应用的先进技术,能够将内墙板制作成标准化的模块,并在工厂中进行加工和组装,然后再运到施工现场进行安装。
这种工法能够提高工程的质量和效率,减少施工时间和成本,因此备受建筑行业关注和青睐。
预制内墙板工法的流程包括设计、制作、加工、组装、运输和安装等多个环节。
编制说明《万科住宅建筑构造图集--- 预制墙板工艺工法》是由万科企业股份(以下简称万科)编制的用于万科及其下属公司管理的建筑工程专用图集。
本图集在总结、、南、、、、、、等公司应用预制墙板经验的基础上,推出试行版。
主要包括预制墙板的深化设计、材料要求以及工艺流程和构造做法。
供设计、施工、监理等单位在万科工程中试用。
1.编制依据:《建筑用轻质隔墙条板》 GB/T23451—2009《建筑轻型条板隔墙技术规程》 JGJ/T157—2008《建筑隔墙用轻质条板》 JG/T169—2005《建筑工程施工质量验收统一》 GB50300《轻骨料混凝土隔墙板施工技术规程》 DB11/T491-2007《蒸压粒混凝土墙板应用技术规程》 DBJ/T—15-84-2011《轻质隔墙条板质量检验评定标准》 DBJ01-29《省灰砂混凝土空心隔墙板标准图集》川08J135《住宅设计规》 GB50096-2011《建筑设计防火规》 GBJ16-2006《高层民用建筑防火设计规》 GB50045-20052.适用围: 4.其他:4.1防火、隔声:选用预制墙板时,其防火和隔声性能应满足施工图纸的要求。
4.2防潮、防水构造:预制墙板位于有防水要求的房间时(如卫生间、洗衣间等),应设置混凝土反坎。
建议优先采用预制混凝土反坎(与现浇楼板同期施工就位)。
4.3抗震构造:预制墙板顶端用U型、L型钢板卡及射钉与结构梁(板)固定。
4.4 抗裂构造:4.4.1墙板板边榫头、榫槽构造4.4.2使用与墙板材料配套的粘结剂、嵌缝剂、嵌缝带4.4.3在“L型”、“T型”“十字型”等应力集中部位,预制墙板的连接应采用定制转角板解决。
具体做法详见第一册的第二、三分册。
门洞口的抗裂构造详见第一册第二、三分册及附录的容。
4.5 电气专业预留预埋:仅允许在预制墙板的孔芯部位预埋电管。
立模浇筑成型工艺的预制墙板,电气专业预留预埋应在工厂加工完成。
挤压成型工艺的预制墙板,电气专业预留预埋可在现场完成。
预制内墙板安装方案预制内墙板一般于楼层施工电梯运行后一周左右进场。
预制内墙板施工简单快捷、速度快、效率高。
为了保证施工质量。
本工程遵循“逐区段施工、流水作业”的原则安排,逐层进行安装施工,施工一层验收一层。
一、施工程序预制内墙板安装主要施工程序如下:材料检验→清理作业面→定位放线→验线→确定安装顺序→立板→调位、顶紧和固定→连续安装→质量检查→封缝填实→垃圾清理。
二、墙板安装操作要点1.定位放线:按施工图及排板图标出墙板安装线、门(窗)的位置。
经检查验线无误后,进行下道即安装工序。
2.安装顺序:从主体结构(墙、柱)的一端向另一端顺序安装;有门洞时,可从洞口向两侧安装。
3.立板:立第一块板定位,在墙板的企口处及顶面均匀满刮粘结材料(每块板顶端芯孔处先用泡沫填堵),上下对准墨线立板。
当采用橡胶垫块安装时,板的上端均匀加放两个橡胶垫块。
4.调位、顶紧和固定:在立起的墙板的下端,采用撬棍调位,在板的两侧对应打入木楔使墙板向上顶紧,同时对板的位置和垂直度进行检查、微调定位,再在墙板顶端安装加固钢角码固定,靠结构墙柱侧端斜打短钢筋加固。
5.连续安装:按排板图顺序安装第二块墙板,在前板的榫槽及顶面均匀涂刮好粘结材料(每块板顶端芯孔处先用泡沫填堵),将板榫头对准榫槽拼接挤紧,同时调整墙面垂直度和平整度,合格后进行固定,随即清理板面,重复进行上述工序。
6.质量检查:一面墙安装后,及时检查墙面平整度、垂直度。
已安装的墙板,应稳定、牢固,不得撬动。
7.封缝填实:墙体与四周主体结构的空隙,应用粘结材料填实、压平。
三、墙板施工注意事项1、施工进场应具备的条件(1)在墙体施工的前一道工序已经完成并有足够的工作面;(2)施工前将楼层内清理干净,无杂物、无积水、无其它建筑材料、建筑垃圾等,墙线位置的混凝土梁板面平整,无水泥浮浆;(3)施工现场具备材料垂直运输设备(塔吊、人货梯等)。
2、施工放线(1)根据已经经过审核确定的墙板安装施工平面图,依照控制线把楼面上的墙线弹好,并标好门窗的位置,再根据地面上弹好的线用激光投线仪把墙体的天花线弹出,以保证墙体的垂直度。
预制内墙板安装完毕后,第二分册:立模浇筑工艺成型配筋轻质混凝土预制内墙板5.墙板物理性能检查项目墙板厚度85mm 100mm 120mm 抗冲击性能,次≥8抗弯承载/板自重,倍数≥1.5抗压强度,MPa ≥7.5软化系数≥0.80面密度,kg/m2 ≤90 ≤110 ≤125含水率,%≤8干燥收缩值,mm/m ≤0.4吊挂力,N ≥1,500空气声计权隔声量,db ≥40 ≥45 ≥50 耐火极限,h ≥1 ≥1.5 ≥2燃烧性能A1或A2级传热系数,W/m2.k ≤2.06.安装辅材6.1安装辅材主要包括粘接剂、嵌缝剂、耐碱玻纤网格布、木楔、钢卡件、钢托件、射钉、钢钉、胶垫、EPS泡沫棒、填缝材料及修补砂浆等。
6.2粘接剂:预制内墙板间以及它与结构之间的连接应使用厂家提供的配套粘结剂。
6.3 嵌缝材料:包括嵌缝剂和嵌缝带。
嵌缝剂使用厂家提供的配套嵌缝剂。
嵌缝带:用于板缝连接时的增强材料,宜选用宽度为100/50的耐碱玻纤网格布,性能要求如下:二氧化锆含量≥14.5%、纵横向抗拉强度≥1200N/5cm,单位面积量≥160g/m2、延伸率大于2%。
6.4木楔:起临时固定作用。
宜选用强度较大的木材制成,如白橡木、硬枫木、胡桃木等,规格为45(W)X250(L)X3-40mmT。
6.5 钢卡件:L型。
钢材厚度不小于2mm,规格为25(宽)X100(长)X100(高),并需热浸镀锌处理,镀锌层厚度不小于35μm。
6.6 钢托件:L型。
钢材厚度不小于2mm,规格为65(宽)X100(长)X100(高),并需热浸镀锌处理,镀锌层厚度不小于35μm。
6.7 射钉:固定钢卡件用。
规格Φ4 x 3.5mm。
6.8 钢钉:固定钢托架用。
规格Φ5.5x 90mm。
需做电镀处理。
6.9 锚筋:连接预制内墙板和结构墙(柱)用。
Φ6钢筋,长度 100mm。
6.10 胶垫:调整安装高度用。
规格为32*20*30。
6.11 EPS泡沫棒:直径Φ40~80mm,长度为100~150mm。
预制内隔墙板施工工艺及控制要点图文详解预制内墙板,相对于传统砌筑墙体优势多多,可实现免抹灰,减少了空鼓、开裂等质量通病问题,而且建造速度快,受气候条件制约小,节约劳动力并可提高建筑质量。
因此,预制内墙板已被行业广泛接受并应用。
01预制内墙板的优势与存在的问题
02预制内墙板质量控制要点
03预制内墙板推进中应注意的主要事项
1.设计前置,合理配板,杜绝变更;
2.保证工序间歇,杜绝抢工;
3.门头板、门边板是裂缝高发处,应谨慎对待;
4.预制墙板与主体结构相接处用补板调节;
5.阴阳角要用异形板;
6.设备预埋在预制板上墙前进行,杜绝在墙上开槽;
7.精装修开始前全面检查、修补;。
高温蒸养预制混凝土墙板技术做法一、高温蒸养预制混凝土墙板标准做法1.图纸深化:墙板安装必须有深化图纸,2.施工放线:墙板放线实行双线控制;深化完成由项目组织总包、铝模、设计、工程等各方参与联合会审;3.墙板运输:根据深化图按户发货;发货前需与总包提前沟通。
总包必须提供墙板临时堆放场地;非标板必须编号分类打包;5.墙板安装辅助工具:(1)耐碱网格布160g/m2,必须送检;(40mm直径、100mm板用50mm直径;抗震胶垫,空心采用带角的、)木楔必须采用强度较大的木材制成,如白橡木、硬枫木、胡桃木等;100*50*2mm;6.构造要求:(1)室内梁高必须统一;(2)有墙板的梁侧、墙侧必须压槽;(3)入户门垛、强弱电箱必须现浇;(4)墙长超过5m必须设置构造柱,并不大于3米设置一处;(5)取消反坎(卫生间及烟道除外)、管道墩子二次构件;(6)水电必须按照墙板深化图做预埋;(7)所有落水管、地漏必须采用止水节;7.安装:(1)安装前对照图纸找好板,用PE板封堵板孔,将砂浆挂在板边,采用挤浆安装,严禁现场随意切割板;8.安装:(2)墙板采用下楔法施工,严禁采用上楔;9.安装:(3)采用红外扫平仪、靠尺进行调整;平整度、垂直度≤3mm10.安装: (4)顶部、底部补浆、灌缝,必须勾缝处理;严禁出现缝隙不饱满、假缝等现象;采用撬棍从下部往上、从侧面挤紧;缝宽不大于8mm;11.安装:(5)7天后拆除木楔,对木楔位置进行灌缝处理;12.安装: (6)墙板安装间隔14天后进行拼缝位置补浆,必须采用耐碱网格布(宽度50mm);13.安装:(7)腻子施工前,墙板面全铺耐碱网格布(搭接100mm),与主体交接处搭接100mm安装内容线盒位开槽大小(cm) 接管孔位开槽大小(cm)备注6*1010*10二、预制内墙板构造图集预制内墙板构造图集详见《高温蒸养预制混凝土墙板技术标准》。
三、管理动作(一)墙板深化图与铝模深化图需要同时进行,图纸会审由项目部组织,参加方:总包、铝模厂、墙板厂、设计、工程;会审会议纪要由项目部发出,24小时内发相关人员;(二)墙板生产过程中,项目部距离供货时间前30天/25天/20天进行抽检,20天以后安排驻场检查;(三)水电安装必须依据墙板图纸安装,首层铝模上水电定位监理必须验收确认;(四)墙板安装依据墙板排版图安装,不按图施工的必须拆除;(五)木楔拆除时间必须间隔7天,拼缝砂浆必须间隔14天;(六)墙板拼缝砂浆饱满度须进行破坏性抽芯检查;(七)出现裂缝的墙体应报工程部备案,修补必须有专项方案,严禁私自修补。
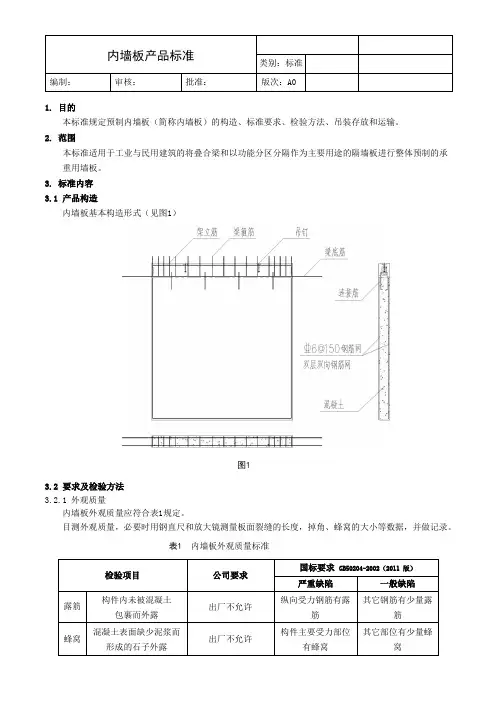
内墙板产品标准类别:标准编制:审核:批准:版次:A01.目的本标准规定预制内墙板(简称内墙板)的构造、标准要求、检验方法、吊装存放和运输。
2.范围本标准适用于工业与民用建筑的将叠合梁和以功能分区分隔作为主要用途的隔墙板进行整体预制的承重用墙板。
3.标准内容3.1产品构造内墙板基本构造形式(见图1)图13.2要求及检验方法3.2.1外观质量内墙板外观质量应符合表1规定。
目测外观质量,必要时用钢直尺和放大镜测量板面裂缝的长度,掉角、蜂窝的大小等数据,并做记录。
表1 内墙板外观质量标准检验项目公司要求国标要求GB50204-2002(2011 版)严重缺陷一般缺陷露筋构件内未被混凝土包裹而外露出厂不允许纵向受力钢筋有露筋其它钢筋有少量露筋蜂窝混凝土表面缺少泥浆而形成的石子外露出厂不允许构件主要受力部位有蜂窝其它部位有少量蜂窝3.2.2准用证、盖章标识(喷码)位置:3.2.2.1准用证张贴位置:距底边1400mm(靠标签底边)、且牢固,如下图示;3.2.2.2盖单标识位置:准用证标签下方50mm间距处,如下图示;3.2.2.3喷码位置:统一在构件浇捣面的右下角,距边200mm喷码,如预埋冲突,则视情况更换至左下角,距边200mm的位置,合理避开预埋,如下图示:准用证标签50mm盖章标示1400mm 喷码准用证/盖章位置示意图喷码位置示意图注:准用证和盖章标示为标准要求,如项目有特殊要求进行喷码,则取代盖章标示。
3.2.3尺寸允许偏差内墙板的外形尺寸允许偏差及检验方法应符合表2的规定。
表2 内墙板外形尺寸允许偏差及检验方法检验项目公司要求检验方法国标要求GB50204/2015长度±5,极差:≤5尺量±5高度±5,极差:≤5尺量一端及中部±5厚度±3±5对角线差≤10尺量两对角线10侧向弯曲<L/1000,且≤10mm 拉线,尺量最大侧向弯曲处<L/1000,且≤15对角翘曲<L/1000,且≤10mm调平尺在两端量测<L/1000 表面平整度 3 2m 靠尺和塞尺检查 5 吊钉数量/牢固性/不影响吊爪安装目测/预埋套筒1.位置:±52.间距:±53.深度差:-5,0;4. 垂直度:200 高度的偏移量≤5mm;5.试配螺栓顺畅(无堵塞、进浆等)尺量/线盒1.位置偏差±52.水平度≤33.埋入深度:-5,04.相邻线盒高差:35.相邻线盒中心距:90(±4)6.无反向、堵塞、破损尺量及目视/预留孔洞墙槽1.中心线位置:±52.形状尺寸 0,+5尺量/3.2.4基本结构性能内墙板的基本结构性能及检验方法应符合表3的规定。
1外墙板吊装就位吊装工人进行外墙板吊装、就位并校正完成;2内墙板吊装就位吊装工人进行内隔墙板吊装、就位并校正完成;3填充XPS板预制外墙板与预制内墙板之间采用XP S^( XPS板在内墙板端部预制)填充,两侧各预留5mmt隙;4缝隙间发泡填充预制外墙板与预制内墙板之间两侧预留5mr缝隙采用聚氨酯发泡填充。
质量控制点1.预制外墙板与预制内墙板板就位后须校正准确。
2.内墙板与预制外墙板之间缝隙XPS板及聚氨酯发泡要填充严密。
预制内墙板与预制外墙板之间预留5mm宽竖向接缝,缝隙采用内填XPS板外侧聚氨预制外墙板与预制内墙板连接节点XPSWS^预制外墙板与预制内墙板连接节点图集号13VKJ-131审核赵汉昌校对邱亮国设计徐晓明页2-91现浇内墙钢筋绑扎对现浇部位进行钢筋绑扎;2内墙板吊装将预制内墙板板吊装就位并校正完成;3模板支设进行现浇部位的模板支设;4混凝土浇筑对现浇部位进行混凝土浇筑。
质量控制点1.预制内墙板预留钢筋应全部锚入现浇内墙。
预制内墙板板预留直径4mm连接钢筋,竖向每400mm设置一道,预留钢筋埋入现浇部位之内,与现浇部位浇筑成一体。
/200预制内墙板与现浇部位连接节点做法■ ^0.d 1[预制内墙板与现浇部位连接节点做法图集号13VKJ-131审核赵汉昌校对邱亮国审核 赵汉昌 校对 邱亮国 设计 徐晓明 页 2-11做法说明及节点详图做法说明:两块预制内墙板相连接处 10mm 缝隙打发泡填充。
预制内墙板板拼缝两侧各留设深度 10mm 宽度100mm 的凹槽,待墙板安装连接完成后,凹槽内粘贴 200mm 宽的玻璃纤维网,并抹1:2水泥砂浆与墙板表面平齐。
① 预制内隔墙扳间丁字转角处连接节点图賈陶伽门泗鼬#胭:?施解工艺流程构造做法内墙板 内墙板板吊装就为并校正元成1吊装2发泡剂填充相交墙体10诚隙采用聚氨酯发泡剂进行填充抹灰槽挂网 抹灰现在凹槽内采用水泥胶泥粘贴 用1:2水泥砂浆与墙面抹平齐。
预制内墙板施工方案1. 概述预制内墙板是一种通过工厂预先制造和加工的墙板,以提高施工效率和质量。
本文档将介绍预制内墙板的施工方案,包括施工准备、安装步骤和注意事项。
2. 施工准备在进行预制内墙板的施工之前,需要进行以下准备工作:2.1 材料准备•预制内墙板:根据设计要求和施工平面图,确定所需的墙板数量和规格。
•墙板连接件:包括螺栓、连接板和角铁,用于将墙板连接在一起。
•水泥砂浆:用于固定墙板和墙体。
•打孔机和螺丝刀:用于安装墙板连接件。
2.2 工具准备•开孔工具:用于在墙板上开槽和打孔,以便安装电线和插座。
•砂纸和漆刷:用于修整墙板表面,使其光滑并进行涂装。
•梯子和脚手架:用于操作和安装高处的墙板。
3. 施工步骤3.1 确定墙板位置根据设计平面图,确定墙板的位置和尺寸。
使用激光测距仪和铅垂线等工具,标记出墙板的位置。
3.2 安装墙板连接件使用打孔机和螺丝刀,在墙板上打孔并安装墙板连接件。
根据设计要求,安装角铁和连接板,用螺栓将墙板连接在一起。
3.3 固定墙板将墙板放置在预定位置上,并使用水泥砂浆进行固定。
通过将水泥砂浆均匀涂抹在墙体和墙板连接处,确保墙板稳固地固定在墙体上。
3.4 开槽和打孔根据需要,使用开孔工具在墙板上开槽和打孔。
开槽和打孔工作应精确无误,以便安装电线和插座。
3.5 修整和涂装墙板使用砂纸将墙板表面进行修整,确保光滑。
然后使用漆刷对墙板进行涂装,根据设计要求选择适当的涂料颜色。
4. 注意事项在进行预制内墙板施工时,需要注意以下事项:•完整检查墙板和连接件的质量,确保没有损坏或缺陷。
•使用合适的工具和设备进行施工,确保操作安全。
•遵循施工规范和操作步骤,防止误操作和事故发生。
•对开槽和打孔的精度要求高,以保证后续电线和插座的安装质量。
•确保施工现场安全整洁,及时清理施工残留物和垃圾。
以上是预制内墙板施工的方案,通过预制内墙板的使用,可以缩短施工时间、提高施工效率,并且墙板质量更稳定可靠。
混凝土预制构件的种类和规格一、概述混凝土预制构件是在工厂或现场模具中,采用混凝土和钢筋等原材料,经过加工、浇筑、硬化而成的构件。
混凝土预制构件具有质量稳定、生产周期短、施工速度快等优点,因此在建筑工程中广泛应用。
本文将介绍混凝土预制构件的种类和规格。
二、种类1. 墙板:墙板是指在工厂或现场模具中,采用混凝土和钢筋等原材料,经过加工、浇筑、硬化而成的构件。
墙板具有质量稳定、施工速度快等优点。
墙板按照用途可以分为内墙板和外墙板。
内墙板厚度一般为100mm,外墙板厚度一般为120mm-200mm。
2. 梁:梁是指在工厂或现场模具中,采用混凝土和钢筋等原材料,经过加工、浇筑、硬化而成的构件。
梁主要用于承载楼板和屋面荷载。
梁按照截面形状可以分为矩形梁、T形梁、圆形梁等多种形式。
梁的长度和宽度可以根据具体工程需要进行设计。
3. 柱:柱是指在工厂或现场模具中,采用混凝土和钢筋等原材料,经过加工、浇筑、硬化而成的构件。
柱主要用于承载楼板和屋面荷载,同时也可以起到支撑建筑物的作用。
柱按照截面形状可以分为矩形柱、圆形柱等多种形式。
柱的长度和宽度可以根据具体工程需要进行设计。
4. 预制板:预制板是指在工厂或现场模具中,采用混凝土和钢筋等原材料,经过加工、浇筑、硬化而成的板状构件。
预制板的厚度一般为50mm-150mm,可以根据具体工程需要进行设计。
预制板主要用于建筑物的地面、墙面、屋面等部分的铺装,具有施工速度快、质量稳定等优点。
5. 预制构件墙:预制构件墙是指在工厂或现场模具中,采用混凝土和钢筋等原材料,经过加工、浇筑、硬化而成的构件。
预制构件墙的厚度一般为200mm-300mm,可以根据具体工程需要进行设计。
预制构件墙主要用于建筑物的外围结构,具有施工速度快、质量稳定等优点。
三、规格1. 墙板规格:内墙板:厚度100mm,长度在2米到6米之间,宽度一般为600mm或者900mm。
外墙板:厚度120mm-200mm,长度在2米到6米之间,宽度一般为600mm或者900mm。
预制内墙板施工方案预制内墙板是一种新型的装饰材料,具有施工速度快、质量可靠等优点,受到越来越多的建筑企业和个人消费者的青睐。
下面就针对预制内墙板的施工方案进行详细介绍。
一、施工前的准备工作1. 现场确认:确认施工地点的平面和立面尺寸,并查看该区域是否有不适合施工的情况,如漏水、空气污染等。
2. 需求确认:与业主确认预制内墙板的类型、尺寸、颜色等要求,并编制详细的工程施工方案。
3. 墙体处理:根据实际情况,对墙体进行打磨、清洁和除湿等处理,以保证墙面平整、干净。
4. 现场安全:设置施工区域的安全警示标识,确保施工区域的安全。
二、材料准备1. 预制内墙板:按照施工方案,从专业厂商处采购符合要求的预制内墙板。
2. 辅助材料:购置预制内墙板施工所需的胶水、填缝剂、固定件等辅助材料。
三、施工步骤1. 预制内墙板的安装:根据施工方案,精确测量墙体尺寸,然后将预制内墙板按照预定位置固定在墙体上。
固定方式可以使用螺钉、胶水或者其他粘结材料。
2. 接缝处理:安装墙板后,通过填缝剂对预制内墙板之间的接缝进行密封处理,确保墙面整洁、平滑。
3. 高度调整:根据设计要求,进行预制内墙板的高度调整,以保证墙面整体的水平度。
4. 检查完工:施工完成后,仔细检查验收已施工区域的质量,确保预制内墙板的安装质量和完美度。
四、施工注意事项1. 施工现场的环境要求:确保施工现场的通风、干燥、洁净,避免灰尘和异味对施工造成影响。
2. 设备和工具的选择:选择适合预制内墙板施工的工具和设备,确保施工质量。
3. 施工时的安全保证:施工人员要佩戴好防护用品,如安全帽、手套等,避免施工过程中发生意外。
4. 施工加工过程中注意细节:合理安排预制内墙板的连接方式,确保连接强度和美观度。
综上所述,预制内墙板施工方案的核心在于施工前的准备工作,材料的合理选择和施工过程的细节把控。
通过严格按照施工方案的要求进行施工,可以保证预制内墙板的安装质量和整体效果。
工艺流程构造做法做法说明及节点详图1 弹线切割线管、开关、插座安装4 钢筋补强5 填塞洞口6 墙板编号墙板开孔前应先用墨线弹出开关、插座、接驳口切割线;洞口尺寸、位置应按图施工,误差宜控制在土10mm使用无齿锯、切割机等专用工具单面开洞;根据水电定位图,用1:2干硬性水泥砂浆临时敷设开关、插座,敷设位置误差应控制在土2mm水泥砂浆填塞厚度为洞口深度的一半,同时通过墙板芯孔暗埋线管;严禁在墙面两面同一位置安装开关、插座线管、开关及插座临时敷设后,应在临时敷设砂浆完成面上平行孔芯方向加入①6钢筋补强墙板整体性,钢筋伸入孔芯长度不宜小于200mm插座、开关临时定位及钢筋补强后,使用1: 2干硬性水泥砂浆填塞孔洞,砂浆完成面与墙板面平齐;根据墙板编号图编号存放,等待打包。
连接构造及做法说明:本节点图适用于现场开孔敷设线管、插座及开关做法。
1•墙板内线管、开关、插座应在现场上墙安装前完成预埋,墙板与梁底、结构楼板交接处预留250 (高)X150〜300 (宽)坑口,预埋线管伸出洞口40± 10mm便于与现浇部分敷设线管接驳;2.严禁在墙板上横向、斜向开槽敷设电气线管,线管宜通过墙板芯孔,不得另行开槽敷设。
注意:严禁墙板安装后开槽敷设线管、开关、插座,线管及线盒等应在厂内暗埋,暗埋后墙板宜采取补强措施;线管暗埋应避免骑板缝,两联、三联线盒应选用连体线盒,切割口应居中布置且宽度应小于板宽的1/2 ;严禁在墙体两侧同一部位开槽、开洞,错开应》150mm1:2干硬性水泥砂浆填实楼板主体预埋线管墙板根部暗埋管线2暗埋接地立面图结构预埋线管专用粘结剂填实1暗埋板底、梁底立面图质量控制点1.开关、插座敷设位置准确,误差不大于土2mm ;2 •墙板开洞填塞不得出现裂缝;3.墙板开洞宜加钢筋加强,避免运输损坏。
预制内墙板预埋线管、开关、插座做法。