《预制内墙板工艺工法图集》130306
- 格式:docx
- 大小:3.85 MB
- 文档页数:77
内墙板生产工艺1、拆模工艺描述:码垛机将完成养护工序的构件连同底模从养护窑里取出,并送入拆模工位第一工位:利用电动扳手快速拆卸该工位模具上所有紧固螺丝第二工位:模具与预制构件混凝土脱离第三工位:模具与预制构件混凝土脱离注意事项:(1)拆模之前需做同条件试块的抗压试验,试验结果达到20MPa方可拆模;(2)拆卸模板时尽量不要使用重物敲打模具侧模,以免模具损坏或变形;(3)拆模过程中要保证构件的完整性;(4)拆卸下来的侧模轻放到边摸回转轨道上;(5)拆卸下来的工装、紧固螺栓等零件必须放到底模的工具箱内;(6)拆模用工具使用后放到工具箱内或工具台上,摆放整齐。
2、翻转起吊3、工艺描述:驱动装置驱动预制构件连同底模至翻转工位,底模平稳后液压缸将底模缓慢顶起,最后通过航车将构件运至成品运输小车注意事项:(1)混凝土强度达到20MPa后方可进行底模翻转、构件起吊工作,且翻转角度控制在80~85度之间;(2)起吊前检查专用吊具及钢丝绳是否存在安全隐患,吊具需通过受力验算后方可使用;(3)必须保证各液压缸同步工作;(4)起吊指挥人员(1人)要与航车操作手配合好,保证构件平稳运至成品运输小车上,整个过程不允许发生磕碰中且构件不允许在操作面上空行走;(5)起吊工具、工装、钢丝绳等使用过后要存放到指定位置,妥善保管。
3、清理工艺描述:驱动装置驱动底模至清理工位,清扫机大件挡板挡住大块的混凝土土块,防止大块混凝土进入清理机内部损坏设备。
立式旋清电机组对底面进行精细清理,把附着在底板表面的小块混凝土残余清理干净。
风刀对底模表面进行最终清理,清洗机底部废料回收箱收集清理的混凝土废渣,并输送到车间外部存放处理模具清理需要人工进行清理注意事项:(1)如清扫机清理不干净需要对底模进行人工二次清扫;(2) 模具清理时保证所有拼接处均用刮板清理干净,确保组模时无尺寸偏差;(3)模具上下基准面必须清理干净,便于抹面时保证混凝土厚度;(4)构件粗糙面处模具可以不做清理直接涂刷界面剂。
制作预制内墙的制作工艺和制作流程下载温馨提示:该文档是我店铺精心编制而成,希望大家下载以后,能够帮助大家解决实际的问题。
文档下载后可定制随意修改,请根据实际需要进行相应的调整和使用,谢谢!并且,本店铺为大家提供各种各样类型的实用资料,如教育随笔、日记赏析、句子摘抄、古诗大全、经典美文、话题作文、工作总结、词语解析、文案摘录、其他资料等等,如想了解不同资料格式和写法,敬请关注!Download tips: This document is carefully compiled by theeditor. I hope that after you download them,they can help yousolve practical problems. The document can be customized andmodified after downloading,please adjust and use it according toactual needs, thank you!In addition, our shop provides you with various types ofpractical materials,such as educational essays, diaryappreciation,sentence excerpts,ancient poems,classic articles,topic composition,work summary,word parsing,copy excerpts,other materials and so on,want to know different data formats andwriting methods,please pay attention!预制内墙的制作工艺和制作流程预制内墙是一种先制成后安装的建筑构件,其制作工艺和制作流程如下:一、设计与预算阶段在进行预制内墙的制作之前,需要进行设计和预算。
预制内墙板工艺工法预制内墙板工艺工法是一种先进的建筑技术,它将内墙板制作成标准化的模块,并在工厂中进行加工和组装,然后再运到现场进行安装。
这种工法在建筑业中被广泛应用,能够提高工程的质量和效率。
预制内墙板工艺的工法可以分为以下几个步骤:第一步是设计和制作内墙板的模块。
根据建筑设计的要求,设计师会绘制出内墙板的详细图纸,并确定模块的尺寸和结构要求。
然后,工厂会根据这些图纸制作出内墙板的模块。
这些模块可以包括墙板、门窗洞口和电线开孔等。
第二步是在工厂中进行加工和组装。
首先,工厂会使用自动化设备对内墙板的模块进行加工,如切割和打孔。
然后,工人会按照设计要求将这些模块组装成完整的内墙板。
在这个过程中,工人需要确保模块之间的连接牢固,并且表面光滑。
第三步是运输和安装内墙板。
完成内墙板的制作和组装后,工厂会将它们打包并运输到施工现场。
在现场,工人按照设计要求将内墙板进行安装。
通常情况下,内墙板可以通过简单的螺栓或钢结构进行固定。
安装完成后,工人需要进行验收和修复,确保内墙板的质量和密封性。
使用预制内墙板工艺的工法有许多优势。
首先,它能够提高工程的质量和效率。
由于内墙板是在工厂中制作和组装的,因此可以避免现场施工中的误差和质量问题。
其次,预制内墙板能够加快施工进度。
因为内墙板是提前制作好的,所以可以节约大量的施工时间。
此外,预制内墙板还能够减少对资源的浪费,提高建筑的可持续发展性。
总之,预制内墙板工艺工法是一种现代化的建筑技术,它能够提高质量、效率和可持续性。
随着建筑行业的发展,预制内墙板工法有着广阔的应用前景。
通过采用这种工法,可以为建筑工程带来更多的价值和效益。
预制内墙板工艺工法是一种在建筑业中广泛应用的先进技术,能够将内墙板制作成标准化的模块,并在工厂中进行加工和组装,然后再运到施工现场进行安装。
这种工法能够提高工程的质量和效率,减少施工时间和成本,因此备受建筑行业关注和青睐。
预制内墙板工法的流程包括设计、制作、加工、组装、运输和安装等多个环节。
编制说明《万科住宅建筑构造图集--- 预制墙板工艺工法》是由万科企业股份(以下简称万科)编制的用于万科及其下属公司管理的建筑工程专用图集。
本图集在总结、、南、、、、、、等公司应用预制墙板经验的基础上,推出试行版。
主要包括预制墙板的深化设计、材料要求以及工艺流程和构造做法。
供设计、施工、监理等单位在万科工程中试用。
1.编制依据:《建筑用轻质隔墙条板》 GB/T23451—2009《建筑轻型条板隔墙技术规程》 JGJ/T157—2008《建筑隔墙用轻质条板》 JG/T169—2005《建筑工程施工质量验收统一》 GB50300《轻骨料混凝土隔墙板施工技术规程》 DB11/T491-2007《蒸压粒混凝土墙板应用技术规程》 DBJ/T—15-84-2011《轻质隔墙条板质量检验评定标准》 DBJ01-29《省灰砂混凝土空心隔墙板标准图集》川08J135《住宅设计规》 GB50096-2011《建筑设计防火规》 GBJ16-2006《高层民用建筑防火设计规》 GB50045-20052.适用围: 4.其他:4.1防火、隔声:选用预制墙板时,其防火和隔声性能应满足施工图纸的要求。
4.2防潮、防水构造:预制墙板位于有防水要求的房间时(如卫生间、洗衣间等),应设置混凝土反坎。
建议优先采用预制混凝土反坎(与现浇楼板同期施工就位)。
4.3抗震构造:预制墙板顶端用U型、L型钢板卡及射钉与结构梁(板)固定。
4.4 抗裂构造:4.4.1墙板板边榫头、榫槽构造4.4.2使用与墙板材料配套的粘结剂、嵌缝剂、嵌缝带4.4.3在“L型”、“T型”“十字型”等应力集中部位,预制墙板的连接应采用定制转角板解决。
具体做法详见第一册的第二、三分册。
门洞口的抗裂构造详见第一册第二、三分册及附录的容。
4.5 电气专业预留预埋:仅允许在预制墙板的孔芯部位预埋电管。
立模浇筑成型工艺的预制墙板,电气专业预留预埋应在工厂加工完成。
挤压成型工艺的预制墙板,电气专业预留预埋可在现场完成。
预制内隔墙板施工工艺及控制要点图文详解预制内墙板,相对于传统砌筑墙体优势多多,可实现免抹灰,减少了空鼓、开裂等质量通病问题,而且建造速度快,受气候条件制约小,节约劳动力并可提高建筑质量。
因此,预制内墙板已被行业广泛接受并应用。
01预制内墙板的优势与存在的问题
02预制内墙板质量控制要点
03预制内墙板推进中应注意的主要事项
1.设计前置,合理配板,杜绝变更;
2.保证工序间歇,杜绝抢工;
3.门头板、门边板是裂缝高发处,应谨慎对待;
4.预制墙板与主体结构相接处用补板调节;
5.阴阳角要用异形板;
6.设备预埋在预制板上墙前进行,杜绝在墙上开槽;
7.精装修开始前全面检查、修补;。
9.反映工法施工艺操作过程中关键点的图片
图1检查墙体预留预埋
图2放线和墙体支座的设置
图3基层清理、支座安装
图4分仓条施工
图5预制墙安装吊环
图6作业人员检查墙体安装方向和旋转调整
图7预制墙安装钢筋对中灌浆套筒。
图5.2.5-4预制墙就位
图8预制墙斜撑架体支撑
图5.2.5-6安装完毕的预制墙
图9-1工人进行封缝处理图9-2图封缝处理完成
图10灌浆料搅拌操作工艺
图11 灌浆料流动度测试
图12 灌浆料制作试块
浆料倒入灌浆机开始注浆堵塞出浆孔
图13灌浆操作工艺
图14预制墙钢筋与现浇墙钢筋搭接
图15预制墙与现浇结构墙体连接部位模板加固。
预制内墙板,相对于传统砌筑墙体优势多多,可实现免抹灰,减少了空鼓、开裂等质量通病问题,而且建造速度快,受气候条件制约小,节约劳动力并可提高建筑质量。
因此,预制内墙板已被行业广泛接受并应用,特别是如万科、碧桂园等大型房企,已将该技术的应用列入企业标准。
下面就来碧桂园项目看一看预制内墙板是如何施工的。
预制内墙板实例墙板安装细部样板板材及辅材预制内墙板施工流程①复线②切割③装抗震胶④榫槽批浆⑤立板⑥调整⑦检查量测⑧装L形卡码⑨连续安装⑩补底缝⑪退木楔补缝⑫水电开槽⑬水电安装⑭挂网补缝内墙板安装质量要点材料:集中堆放、集中切割、下垫上盖;复线:100%结构尺寸复核;切割:统一切割,弹线切割;辅材安装:立板前先安装PE棒、抗振胶垫;墙板安装:竖缝、顶缝挤浆安装,勾缝处理,严禁空缝、假缝;墙板测量:随装、随测、随调整,严禁安装后扰动;灌缝:底部灌缝前必须用水冲洗干净,灌缝必须密实、分二次灌缝;木楔:木楔必须间隔7天后才允许取出,禁止提前扰动;水电安装工艺要点划线验收:防止大面积开槽造成墙板破损;切割剔凿:禁止野蛮暴力施工;砂浆修补:回填密实、修补平整。
成品保护要点安装7天内禁止任何碰撞;走道墙板防止撞击破损(阳角);墙面泥浆、粉尘防止污染(水电专业)。
防开裂措施1、设计要点主体结构与墙板连接处设置企口;排版合理、尽量减少切割板(长墙构造柱定位由墙板厂家确认);消除异形墙体构造连接;2、墙板性能干燥收缩值3、专用砂浆性能要求抗压强度≥C15粘结强度≥0.7Mpa柔韧性≥1.0mm4、施工要求防水反坎强度(C20)进行墙板施工;墙板竖缝拼缝挤浆安装,保证满浆满缝;墙板底缝清洗地面后灌浆,保证砂浆连接稳定;各道工序技术间歇符合安装要求,禁止提前扰动;水电精确定位,防止大面积开槽造成墙板破损;墙板开槽必须采用专用工具,严禁野蛮暴力凿打。
名企预制内墙板施工工艺及标准做法 (一)预制内墙板是现在建筑施工流程中越来越重要的一种装修材料,在建筑工程中有着广泛的应用。
名企预制内墙板施工工艺及标准做法是建筑工程中最为重要的技术之一,下面将详细介绍它的施工工艺和标准做法。
一、施工前准备工作(1)安全保障:在施工时应严格遵守安全规范,工人必须佩戴好安全帽、带好防护镜、口罩等防护用品。
(2)工具准备:工人在施工前,需要将所需施工用具都准备齐全,如电锯、钢锤、钢尺、射线仪等。
(3)材料准备:在施工前需要准备好所有的预制内墙板材料,包括木架、钢杆、水泥板、钢筋网、水泥等。
二、实施施工工艺(1)预制内墙板的造型在首先对预制内墙板进行造型加工,按照构造要求在板上切割出所需型号、长度、宽度的预制内墙板。
(2)木架加工在墙板进行木架加工之前,要进行严格的测量,将墙板的尺寸对准,并按照钢架的尺寸进行切割和加工。
(3)安装木架在确认加工好的木架后,工人需要将木架放好,钢筋网进行绑扎,还要预留出电器插头和管线的空间。
(4)铺装水泥板将预制好的水泥板铺放好,并进行逐一检查,确保水泥板的质量符合标准要求。
(5)安装抹灰网工人在安装好铺装的水泥板后,需要将抹灰网按照预留空间逐一设放,并进行钢筋网的绑扎。
(6)抹上砂浆在完成了抹灰网的安装后,需要在抹灰网上铺上一层砂浆,使其进行固定。
(7)配筋钢筋网工人在配筋钢筋网前要仔细测量,再根据尺寸进行裁剪,最后使用钢筋网进行绑扎。
(8)覆盖砂浆在完成了配筋钢筋网的呼伦后,在水泥板上覆盖一层砂浆,并进行充分的平整处理。
三、总结通过以上的介绍,我们可以看到名企预制内墙板施工工艺及标准做法是非常复杂的,需要高度的专业技术及严格的管理。
因此,在进行建筑施工时,预制内墙板的使用,仅仅是为了在建筑中提高施工效率,如果建筑施工使用预制内墙板,需要掌握上述重点和注意事项,才能更好地完成施工任务。
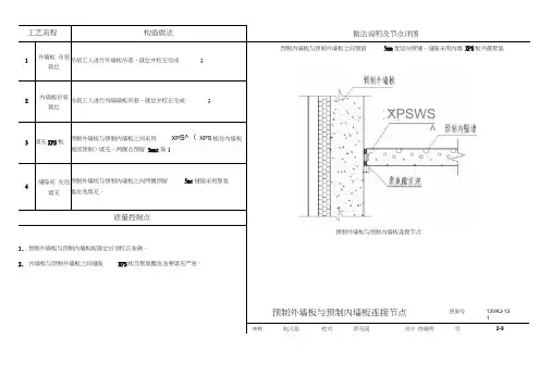
1外墙板吊装就位吊装工人进行外墙板吊装、就位并校正完成;2内墙板吊装就位吊装工人进行内隔墙板吊装、就位并校正完成;3填充XPS板预制外墙板与预制内墙板之间采用XP S^( XPS板在内墙板端部预制)填充,两侧各预留5mmt隙;4缝隙间发泡填充预制外墙板与预制内墙板之间两侧预留5mr缝隙采用聚氨酯发泡填充。
质量控制点1.预制外墙板与预制内墙板板就位后须校正准确。
2.内墙板与预制外墙板之间缝隙XPS板及聚氨酯发泡要填充严密。
预制内墙板与预制外墙板之间预留5mm宽竖向接缝,缝隙采用内填XPS板外侧聚氨预制外墙板与预制内墙板连接节点XPSWS^预制外墙板与预制内墙板连接节点图集号13VKJ-131审核赵汉昌校对邱亮国设计徐晓明页2-91现浇内墙钢筋绑扎对现浇部位进行钢筋绑扎;2内墙板吊装将预制内墙板板吊装就位并校正完成;3模板支设进行现浇部位的模板支设;4混凝土浇筑对现浇部位进行混凝土浇筑。
质量控制点1.预制内墙板预留钢筋应全部锚入现浇内墙。
预制内墙板板预留直径4mm连接钢筋,竖向每400mm设置一道,预留钢筋埋入现浇部位之内,与现浇部位浇筑成一体。
/200预制内墙板与现浇部位连接节点做法■ ^0.d 1[预制内墙板与现浇部位连接节点做法图集号13VKJ-131审核赵汉昌校对邱亮国审核 赵汉昌 校对 邱亮国 设计 徐晓明 页 2-11做法说明及节点详图做法说明:两块预制内墙板相连接处 10mm 缝隙打发泡填充。
预制内墙板板拼缝两侧各留设深度 10mm 宽度100mm 的凹槽,待墙板安装连接完成后,凹槽内粘贴 200mm 宽的玻璃纤维网,并抹1:2水泥砂浆与墙板表面平齐。
① 预制内隔墙扳间丁字转角处连接节点图賈陶伽门泗鼬#胭:?施解工艺流程构造做法内墙板 内墙板板吊装就为并校正元成1吊装2发泡剂填充相交墙体10诚隙采用聚氨酯发泡剂进行填充抹灰槽挂网 抹灰现在凹槽内采用水泥胶泥粘贴 用1:2水泥砂浆与墙面抹平齐。
..编制说明.《万科住宅建筑构造图集(二)--- 预制内墙板工艺工法》是由中国建筑标准设计研究院和万科企业股份有限公司(以下简称万科)共同编制的用于万科及其下属公司管理的建筑工程专用图集。
本图集在总结广州、、、、、沈阳等公司应用预制内墙板经验的基础上,推出试行版。
主要包括预制内墙板的深化设计、材料要求以及工艺流程和构造做法。
供设计、施工、监理等单位在万科工程中试用。
1 编制依据:《建筑用轻质隔墙条板》GB/T23451—2009 《建筑轻型条板隔墙技术规程》JGJ/T157—2008 《建筑隔墙用轻质条板》JG/T169—2005 《建筑工程施工质量验收统一》GB50300 《轻骨料混凝土隔墙板施工技术规程》DB11/T491-2007 《蒸压陶粒混凝土墙板应用技术规程》DBJ/T—15-84-2011《轻质隔墙条板质量检验评定标准》DBJ01-29 《四川省灰砂混凝土空心隔墙板标准图集》川08J135 《住宅设计规范》GB50096-2011 《住宅建筑规范》GB50368-2005 《建筑设计防火规范》GBJ16-2006 《高层民用建筑防火设计规范》GB50045-20052 适用范围:2.1万科及其下属公司在各地管理的新建及改、扩建的住宅和公建项目;2.2抗震设防烈度6-8度的地区。
3 主要内容:本图集共分四个分册。
第一分册通用部分主要描述了隔墙板深化设计要求并给出隔墙板排板图示例及隔墙板安装顺序图。
第二—第四分册按照预制内墙板原材料、构造和生产工艺的不同,分别给出了蒸压陶粒混凝土预制内墙板、轻骨料混凝土预制内墙板和钢筋混凝土预制内墙板的材料说明、质量验收标准、成品保护要求、工艺流程及构造做法说明。
4其他:4.1选用预制内墙板时,其防火和隔声性能应满足施工图纸的要求。
4.2预制内墙位于有防水要求的房间(如卫生间、洗衣间等)时,应设置混凝土反坎。
并建议优先采用预制混凝土反坎(与现浇楼板同期施工就位)。
做法说明:预制内墙板与预制外墙板之间预留5mm宽竖向接缝,缝隙采用内填XPS板外侧聚氨酯发泡填充封闭。
预制外墙板与预制内墙板连接节点
做法说明:预制内墙板板预留直径4mm连接钢筋,竖向每400mm设置一道,预留钢筋埋入现浇部位之内,与现浇部位浇筑成一体。
预制内墙板与现浇部位连接节点做法
做法说明:两块预制内墙板相连接处10mm缝隙打发泡填充。
预制内墙板板拼缝两侧各留设深度10mm、宽度100mm的凹槽,待墙板安装连接完成后,凹槽内粘贴200mm宽的玻璃纤维网,并抹1:2水泥砂浆与墙板表面平齐。
1 墙板底部
角码固定
预制内墙板安装完成后,底部采用角码固定牢固;
做法说明:预制内墙板板安装固定完成后,并待本层现浇楼板模板拆除完成后15天后,预制内
墙板板底部20mm缝隙采用苯板填充;两侧均采用1:2水泥砂浆勾缝。
预制内墙板底部连接节点
2 缝隙清理将内隔墙底部20mm缝隙清理干净;
3 苯板填充采用苯板进行填充;
4 墙板底部两
侧浇水湿润
对预制内墙板底部两侧勾缝部位提前浇水湿润;
5墙板底部缝
隙勾缝
对内隔墙板底部两侧采用1:2水泥砂浆进行勾缝。
质量控制点
1. 预制内墙板板底部采用苯板填充应密实。
预制内墙板底部连接节点做法图集号13VKJ-131
审核赵汉昌校对邱亮国设计徐晓明页2-13。
预制内墙板安装完毕后,
第二分册:立模浇筑工艺成型配筋轻质混凝土预制内墙板
5.墙板物理性能
检查项目
墙板厚度
85mm 100mm 120mm 抗冲击性能,次≥8
抗弯承载/板自重,倍数≥1.5
抗压强度,MPa ≥7.5
软化系数≥0.80
面密度,kg/m2 ≤90 ≤110 ≤125
含水率,%≤8
干燥收缩值,mm/m ≤0.4
吊挂力,N ≥1,500
空气声计权隔声量,db ≥40 ≥45 ≥50 耐火极限,h ≥1 ≥1.5 ≥2
燃烧性能A1或A2级
传热系数,W/m2.k ≤2.0
6.安装辅材
6.1安装辅材主要包括粘接剂、嵌缝剂、耐碱玻纤网格布、木楔、钢卡件、
钢托件、射钉、钢钉、胶垫、EPS泡沫棒、填缝材料及修补砂浆等。
6.2粘接剂:预制内墙板间以及它与结构之间的连接应使用厂家提供的配套
粘结剂。
6.3 嵌缝材料:包括嵌缝剂和嵌缝带。
嵌缝剂使用厂家提供的配套嵌缝剂。
嵌
缝带:用于板缝连接时的增强材料,宜选用宽度为100/50的耐碱玻纤网格
布,性能要求如下:二氧化锆含量≥14.5%、纵横向抗拉强度≥1200N/5cm,
单位面积量≥160g/m2、延伸率大于2%。
6.4木楔:起临时固定作用。
宜选用强度较大的木材制成,如白橡木、硬枫木、
胡桃木等,规格为45(W)X250(L)X3-40mmT。
6.5 钢卡件:L型。
钢材厚度不小于2mm,规格为25(宽)X100(长)X100(高),并
需热浸镀锌处理,镀锌层厚度不小于35μm。
6.6 钢托件:L型。
钢材厚度不小于2mm,规格为65(宽)X100(长)X100(高),并
需热浸镀锌处理,镀锌层厚度不小于35μm。
6.7 射钉:固定钢卡件用。
规格Φ4 x 3.5mm。
6.8 钢钉:固定钢托架用。
规格Φ5.5x 90mm。
需做电镀处理。
6.9 锚筋:连接预制内墙板和结构墙(柱)用。
Φ6钢筋,长度 100mm。
6.10 胶垫:调整安装高度用。
规格为32*20*30。
6.11 EPS泡沫棒:直径Φ40~80mm,长度为100~150mm。
6.12填缝材料:根据缝宽选用1:2干硬性水泥砂浆或C20细石混凝土。
具体见
分册内节点详图。
6.13修补砂浆:混凝土墙连接构造开槽等用1:3水泥砂浆分层分批修补,每立
方砂浆掺加CL30砂浆添加剂1Kg。
预制内墙板(空心板)示意图
材料说明图集号13VKJ-131
审核赵汉昌校对张芸设计张芸、于飞、唐俊林、张彬页1-9
第一册:预制混凝土条形内墙板工艺工法第三分册:挤压工艺成型非配筋轻骨料混凝土预制内墙板
一. 材料说明
1简介:
按增强构造和生产工艺分为:钢丝增强轻骨料混凝土空心条板和钢丝网架增强轻骨料混凝土实心条板。
前者采用挤压成型工艺,在板的两面沿纵向布有ø3.5mm的冷拔钢丝各4根。
后者为平模生产工艺,采用ø4mm-ø6mm钢丝焊接成立体钢丝网增强。
2主材:
2.1水泥:采用强度等级42.5的硅酸盐水泥或低碱硫铝酸盐水泥。
水泥各项
技术指标应符合GB175、JC714的相关规定。
2.2陶粒:采用堆积密度400kg/m3以下的材料。
其他指标应符合《轻集料及
其试验方法》 GB/T 17431.1-2的规定。
2.3砂:符合GB/T 14684《建筑用砂》要求的中砂。
2.4冷拔钢丝应符合《冷拔低碳钢丝应用技术规程》JGJ 19的规定。
2.5水渣(北京)、粉煤灰应符合相应国家标准。
2.5外加剂:应符合GB 8076的规定,严禁使用氯盐类外加剂。
2.6水:混凝土拌和用水使用自来水,技术指标应符合JGJ63的规定。
2.7冷拔钢筋(丝):采用符合《低碳钢热轧圆盘条》GB/T 701规定,直径为
6.5mm低碳钢热轧圆盘条,冷拔成直径为4mm的冷拔丝。
冷拔丝应符合
《冷拔低碳钢丝应用技术规程》JGJ19的规定,其主要物理力学性能应
符合表A.0.1-2的要求。
水泥采用强度等级42.5的硅酸盐水泥或低碱硫
铝酸盐水泥。
水泥各项技术指标应符合GB175、JC714的相关规定。
3龄期:自然养护28天后方可出厂使用。
4分类:
4.1 墙板按用途不同分为标准板、特种板和异形板。
标准板规格尺寸见表4.1。
4.2特种板包括门边板及门头板。
门边板靠近门洞的孔芯应灌实。
门头板只
有当门上口距结构板(梁)底高度≥0.25m时才能使用。
门头板须在工厂内统一加工定制。
4.2异形板包括T型、L型、十字型、八字型或其它形状的定制转角板。
厚
度同标准板,每边突出平面外的长度不宜小于50mm。
表4.1 标准板规格及使用部位建议
厚度T
(mm)
标称宽度★1
(mm)
实际宽度B
(mm)
长度L
(mm)
建议使用部位
85/90 600 595
≤3300★2
分室隔墙,
双层墙★3 120 600 595
140 600 595
楼梯间隔墙
配电箱墙体200 600 595 分户墙★3
预制内墙板(空心)示意图
★1绘制排板图时使用。
★2预制内墙板安装高度:85/90mm厚墙板安装高度不宜大于3.2m。
120、140mm的墙板安装的隔墙高度不宜大于4.2m。
墙板高度超过以上范围,应根据实际情况另行设计。
★3用于分户墙时,需要有相关的隔声检验报告,并应符合设计要求。
材料说明图集号13VKJ-131审核赵汉昌校对张芸设计张芸、于飞、唐俊林、张彬页1-29。