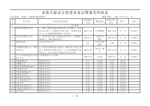
道路运输安全隐患排查治理情况明细表
- 格式:doc
- 大小:297.50 KB
- 文档页数:12
交通运输企业和单位安全生产隐患排查治理情况统计表附件3:交通运输企业和单位安全生产隐患排查治理情况统计表(2009年1月- 月)填报单位:,盖章,行业和领域排查治一般隐患重大隐患理隐患排查一其中:整改率排查治理重大隐患其中:列入治理计划的重大隐患企业单般隐患已整改排查重其中:整改率列入治其中累计落实治位大隐患已整改理计划理资金落实治落实治落实治落实治落实安销号的重大理目标理经费理机构理时间全措施隐患任务物资人员要求应急预案,家, ,项, ,项, ,%, ,项, ,项, ,%, ,项, ,项, ,项, ,项, ,项, ,项, ,万元, ,1, ,2, ,3, ,4, ,5, ,6, ,7, ,8, ,9, ,10, ,11, ,12, ,13, ,14,合计 1、道路运输企业其中:危货运输 2、公路养护企业 3、公路施工企业4、水上运输企业5、水运施工企业单位负责人:,签字, 填表人:,签字, 联系电话: 填报日期: 年月日注:1、表中数据关系:,8,?,5,-,6,, ,9,、,10,、,11,、,12,、,13,分别?,8,。
2、每月报送2009年1月以来的累计数。
附件4:重大隐患排查治理情况说明表序应急资金单位名称隐患形成原因责任人整改措施整改情况号预案投入单位负责人:,签字, 填表人:,签字, 联系电话: 填报日期: 年月日文案编辑词条B 添加义项 ?文案,原指放书的桌子,后来指在桌子上写字的人。
现在指的是公司或企业中从事文字工作的职位,就是以文字来表现已经制定的创意策略。
文案它不同于设计师用画面或其他手段的表现手法,它是一个与广告创意先后相继的表现的过程、发展的过程、深化的过程,多存在于广告公司,企业宣传,新闻策划等。
基本信息中文名称文案外文名称Copy目录1发展历程2主要工作3分类构成4基本要求5工作范围6文案写法7实际应用折叠编辑本段发展历程"文案"(wén àn)是指古代官衙中掌管档案、负责起草文书的幕友,亦指官署中的公文、书信等;在现代,文案的称呼主要用在商业领域,其意义与中国汉字古代所说的文案是有区别的。
第一篇:《道路运输企业安全隐患排查整治表》公司道路运输安全隐患排查整治表第二篇:《道路运输企业安全隐患排查整治表》附件道路运输企业安全隐患排查整治表— 1 —— 2 —— 3 —— 4 —第三篇:《道路运输企业安全隐患排查治理工作小结》道路运输企业安全隐患排查治理工作小结市运管处根据市处[2008]04号文件《关于认真做好道路运输企业安全隐患排查治理工作的通知》的要求,星子所本季度对辖区内各运输企业进行了安全隐患的排查工作,现将此工作小结如下我所在结合实际情况,尤其在“十一”黄金周期间,为进一步加强运输企业及客运站场的安全督导,按照“三关一监督”的职责要求,一是结合县交通局的安排,制定了具体工作方案,召开了全县运输企业安全生产会议,签订了“十一”期间安全生产责任状。
二是会同县交通局对各客运企业、客运站场进行了再一次的安全生产大检查,通过检查查找存在问题,明确企业责任,对存在的问题作出进一步要求。
企业通过此项活动的开展进行,对完善安全生产制度,落实责任,在加强日常安全工作的具体实施有了不同程度的提高,有朝着逐步完善和规范的方向发展,但也存在一定的问题,主要反映以下几个方面一、客运企业的生产管理,尤其是安全生产管理的制度建立和实际运行不协调,主要是反映在农村客运公司方面,由于车辆管理人员相对较少,人员素质参差不齐,在工作中随意性较大,缺乏制度化,程序化的管理模式。
二、农村客运公司对建立车辆技术管理,日常安全生产管理的资料不健全,个别企业根本就没有车辆技术档案和原始安全记录,将会影响安全运输工作的有效连续性。
三、各客运企业及客运站场的安全生产资金没有落实,除长运星子分公司有一定投入外,其它均无具体反映。
整改意见一、督促各企业在制度的建立、规范工作及日常连续方面建立长效运行机制,不断提高人员素质,并明确要求各运输企业必须配备一名专职例检员,取得资格后,持证上岗,做好车辆的技术保障工作。
二、要求各运输企业设立安全生产专项资金,直接列入各运输企业财务计划,有具体投入,下一季度将审核具体使用情况。