运输企业安全隐患排查表
- 格式:docx
- 大小:10.80 KB
- 文档页数:3
运输企业安全生产隐患排查表1、安全生产事故隐患排查治理登记表如何填写?安全隐患治理规定安全生产隐患排查报告治理登记表填表单位(盖章):单位名称主要负责人安全管理部门经济类型自定整改期限单位地址联系电话负责人电话从业人员人数预投资额手机电子邮箱实际投资邮政编码排查日期报告日期所属行业隐患分级填表日期:年月日整改责任人排查人报告部门上年销售收入完成日期隐患基本情况治理措施监控措施说明行业领域划分:危险化学品、烟花爆竹、煤矿、非煤矿山、石油天然气开采、冶金、有色、民爆、旅游、机械、轻工、纺织、烟草、贸易、道路运输、公路养护、水运、铁路运输、航空公司、机场和航油企业、渔业、农机、学校、商场、建筑、水利、电力、邮政、电信、林业、军工、旅游、其它。
表格填写报送:此表由企业填写,立即完成整改的隐患,本单位存档一份,不上报;限期整改(含有部门限期整改)的一般以上隐患一式三份,本单位存档一份,报县级安监部门、行业监管部门各一份,县安监部门、行业主管部门按分级管理原则,将复印件留存,原件上报上级部门。
填表人(签名):部门负责人(签字):单位负责人(签字):安全生产隐患排查报告治理登记表填表单位(盖章):填表日期:年月日1、安全生产事故隐患(以下简称事故隐患)是生产安全事故的根源。
没有事故隐患就没有生产安全事故发生。
消除事故隐患就是消除生产安全事故。
下面对事故隐患的定义分类等进行简要分析,帮助我们在日常工作中对事故隐患进行认定和处置。
2、事故隐患,是指生产经营单位违反安全生产法律、法规、规章、标准、规程和安全生产管理制度的规定,或者因其他因素在生产经营活动中存在可能导致事故发生的物的危险状态、人的不安全行为和管理上的缺陷。
此定义是《安全生产事故隐患排查治理暂行规定》法定的。
仔细分析,这一定义有优点也有不足。
3、重大事故隐患是指可能导致重大人身伤亡或者重大经济损失的事故隐患,加强对重大事故隐患的控制管理,对于预防特大安全事故有重要的意义。
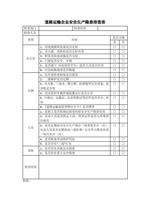
XX市危货运输车辆安全隐患排查记录
表(表二)
企业名称: 检查人员: 检查时间:
车辆基本情况从业人员情况
车号车
型
类型吨位
使用
年限
运输危险品
及类型
驾驶员押运员
驾驶员
从业资
格证
安全设施设备检查情况
标志灯、牌罐体安
全标志
灭火器防滑链三角木
等设备
防毒面具
橡胶手套
防水防潮篷
布
GPS监测
情况
运行线
路
车辆安检情况
制动转向传动悬挂车身车架轮胎灯光存在的安全隐
患
整改责任人签字
整改结果驾驶员签字
复检结论复检人员签字。
运输安全隐患排查记录台账单位名称:XXX运输公司单位地址:XXXXX记录时间:2022年8月15日记录人员:张三一、车辆安全隐患排查1.1 车辆外观检查车牌是否完好、清晰;车辆机身是否有明显的损坏或者修补痕迹;车辆钢板是否松动等。
1.2 车辆动力系统检查发动机是否有异常异响或抖动;变速箱是否顺畅;离合器、刹车是否灵敏。
1.3 车辆灯光检查车灯、示宽灯、转向灯是否齐全、明亮;示宽灯、制动灯是否正常。
1.4 车辆悬挂系统检查悬挂系统是否有异常的响声;悬挂系统是否有裂纹或变形。
1.5 车辆轮胎检查轮胎花纹是否磨损严重;轮胎胎压是否正常;轮胎是否有裂纹或破损。
1.6 车辆制动系统检查制动系统是否灵敏;制动盘、制动鼓是否有裂纹。
1.7 车辆安全设施检查安全带是否正常;灭火器是否有效;三角牌、安全锤是否齐全。
1.8 其他隐患排查驾驶舱内是否干净整洁;车辆货箱内是否有杂物,是否稳定。
二、驾驶员安全隐患排查2.1 驾驶证、从业资格证等证件是否齐全有效。
2.2 驾驶员健康状况是否良好;是否存在长时间疲劳驾驶的情况。
2.3 驾驶员是否定期参加交通安全培训。
2.4 驾驶员是否遵守交通规则,是否存在违规行为。
三、运输安全制度执行情况排查3.1 运输安全管理制度是否完善,是否得到严格执行。
3.2 是否建立和落实安全生产责任制。
3.3 是否建立日常隐患排查制度,是否有隐患排查记录台账。
3.4 是否定期组织安全教育和培训。
3.5 是否建立事故预防机制,有无事故隐患排查报告。
3.6 是否建立和完善应急预案。
四、安全生产设施设备检查4.1 是否建立安全警示标识,是否完善。
4.2 安全出口、疏散通道是否畅通,是否有障碍物。
4.3 安全通风设施是否完善。
4.4 消防设施是否完善齐全,已完成消防设施设备检查记录。
以上内容由张三负责检查,并将检查结果及时填写到台账中。
如果存在安全隐患,需立即整改,并填写整改记录。
由公司相关负责人及时跟踪整改情况。