最新基桩检测人员上岗考试题库(高应变)-(1)
- 格式:docx
- 大小:31.43 KB
- 文档页数:5
精品文档。
1欢迎下载五、问答题1.可以采用高应变法进行单桩竖向抗压承载力验收检测的范围是哪些?抽检数量如何确定?2.当采用高应变法对单桩承载力验收检测时对被检桩有哪些要求?3.高应变检测时出现哪些情况应采用静载法进一步验证? 4.高应变动力试桩应如何选择锤重和落高?对传感器的安装有什么要求?为什么?5.基桩高应变动力检测的锤击设备应符合哪些规定? 6.高应变测试重锤的选择要点有哪些?7.“重锤低击”有哪些好处?“轻锤高击”为什么不利于拟合分析?8对灌注桩进行高应变检测,对桩头的处理有什么要求? 9.采用高应变法进行试打桩与打桩监控时,传感器的安装应符合哪些规定? 10,《建筑基桩检测技术规范》(JGJ 106一2003)规定:高应变法传感器宜安装在距桩顶不小于(1)的桩侧表面处(D 为试桩的直径或边宽)。
为什么传感器的安装点与桩顶之间应有足够的距离?11.如何判定高应变检测时所采集的力和速度信号的优劣? 12.高应变实测的力和速度信号第一峰起始比例失调时,是否可以进行比例调整?为什么?13.出现哪些情况时,高应变锤击信号不得作为分析计算的依据?14.采用CASE 法判定桩承载力应符合哪些规定? 15.简述CASE 法的基本假定、局限性及优缺点。
16.CASE 法判定桩承载力时,需用到CASE 阻尼系数Jc ,请叙述通过动静对比试验方法确定去值的方法,并列出有关公式。
17,请写出CASE 法判定的单桩承载力计算公式,说明该计算公式的适用范围。
哪些情况下不适用该公式?如何进行修正?18.采用实测曲线拟合法判定桩承载力,应符合哪些规定? 19.简述波形拟合法的数学模型、基本原理和成果分析。
20.为什么需要动静对比?动静对比成立应满足哪些条件? 21.基桩高应变检测与低应变检测有哪些不同?22.高应变动力检测,预制方桩截面尺寸为6佣mm × 6佣mm ,桩长为52m ,为1:6 斜桩,采用打桩锤做冲击设备。
高应变试题一、填空题1、高应变法适用于检测基桩的竖向承载力和桩身完整性,监测预制桩打入时的桩身应力和锤击能量传递比,为沉桩工艺参数和桩长选择提供依据。
2、采用自由落锤为锤击设备时,应重锤低击原则,最大锤击落距不宜大于2.5 m。
3、对于大直径扩底桩和Q-s曲线具有缓变型特征的大直径灌注桩,不宜采用高应变法进行竖向抗压承载力的检测。
4、EA/C=ρCA,称之为桩的阻抗,其综合反映了材料特性及桩身截面大小。
5、为了测得土决定的基桩极限承载力,高应变测试就必须使桩土之间产生塑性变形,使单击贯入度大于2mm,但一般也不能大于6mm。
6、土对桩的支撑阻力和桩的运动有关,决定静阻力的主要因素是位移,决定动阻力的主要因素是速度。
7、高应变中桩的的基本模型为一维弹性杆件,土静阻力的基本模型为理想弹塑性模型,土动阻尼力的基本模型为线性黏滞阻尼。
8、桩顶的最大冲击加速度范围是(50~500)g ;常见的桩顶的最大动位移范围是(5~18)mm;常见的桩顶的最大质点运动速度范围是(0.8~5)m/s。
9、高应变法实际所测试的物理量为应变ε、加速度a 。
10、采用实测曲线拟合时,可用实测的力或速度或采用上下行波作为边界条件进行拟合。
11、桩身结构完整性系数β的定义为Z2/Z1被测截面桩身阻抗与测点处桩身阻抗之比,其在高应变测试中可用来判断桩身缺陷程度。
当β=1 时,为Ⅰ类桩;当0.8≤β<1时,为Ⅱ类桩;当0.6≤β<0.8 时,为Ⅲ类桩;当β<0.6时,为Ⅳ类桩。
12、重锤由0.8m高度自由下落锤击桩顶,若桩身截面阻抗和土阻力很小且不考虑桩身材料强度,在应力波未及桩底前的桩身最大质点运动速度约为4m/s。
13、在一般情况下,F和ZV曲线的首峰值因为无上行波是重合的, 但当测点附近桩身有较大阻抗变化时、测点附近有高土阻力时、测点附近桩身发生严重塑性变形时并不是。
14、锤击作用时间和锤的质量、形状及锤击时的落距等有关。
15、高应变实测曲线中, F 与ZV 之间的差值代表了应力波从桩顶下行至x深度的过程中所受到的土阻力。
高应变复习题1、定义:用重锤锤击桩顶,实测桩顶速度和力时曲线,通过波动理论分析,对桩身完整性单竖向抗压承载能力判定的检测方法。
2、方法适用范围:(1)适用检测基桩坚向抗压承载力和桩身完整性;(2)监测预制桩打入时的桩应力和锤击能量比,为沉桩工艺和桩长选择提供参数。
4、5、带有普查性的完性检测,采用低应变法更为恰当。
6、凯司法作如下假定:①桩身质量均匀,且无明显缺陷,所以桩身阻抗恒定;②动阻尼只存在桩端,忽略桩侧阻尼的影响;③应力波在桩身中传播时,除土阻力影响外,没有其他因素造成能量扩散和信号的畸变;④土体对桩的阻力只与其相对位移有关,与其位移大小无关,也即一有位移,土阻力即达极限状态。
7、Z桩身阻抗为P(密度)、c(波速)、A(截面积)的乘积。
8、Jc值:纯砂0.1-0.15;粉砂0.15-0.25;粉土0.25-0.4;亚黏土0.4-07;黏土0.7-19、对短桩、扩底桩、截面变化复杂的桩,桩身存在来重缺陷的桩不适用(用Capwapc曲线拟合法或静载法解决);10、Jc值与桩尖土有关;桩周土;桩类型有关。
11、检测仪器的主要技术性能指标不应低于现行行业标准《基桩动测仪》JG/T 3055中表1 规定的应具有保存、显示实测力与速度信号和信号处理与分析的功能。
12、高应变检测用重锤应材质均匀、形状对称、锤底平整。
高径(宽)比不得小于1,并采用铸铁或铸钢制作。
13、当采取自由落锤安装加速度传感器的方式实测锤机力时,重锤应整体铸造。
且高径(宽)比应在1.0~1.5 范锤的重量应大干预估单桩极限承载力的1.0%~1.5%,混凝土桩的桩径大于15、16、17、18、 1.5倍桩径左右的桩测表面。
19、波形曲线初始段F曲线与Z·V(t)曲线基本是重合的,当不重合时应查明:(1)地表有阻力,(2)传感器附近变截面(3)参数不合理(4)传感器位置不当安装不好(5)受力偏心,力的任一值与平均值差大于30%。
一、基础理论试题(每空1分,共40分)1、我国目前检验桩身质量的方法有、、、,其中低应变检验方法又可分为、、。
2、单桩极限承载力一方面取决于、另一方面取决于。
3、灌注桩成桩后,为使混凝土达到一定强度,一般需要天后才能进行静载荷试验,对于预制的打入桩,为了消除孔隙水压力和土被扰动的影响,需经过一段休止时间,对砂性土大约休止天,粘性土大约休止天。
4、目前我国沉管灌注桩的沉管方法有、、、等方法,泥浆护壁灌注桩成桩方法有、,当用应力波反射法测桩时,写出钢桩、混凝土预制桩和灌注桩大约的纵波波速范围,钢桩,混凝土预制桩,灌注桩。
5、用瞬态激振检验基桩桩身完整性通常使用力锤或力棒,根据所需要的带宽和能量要求,可选择不同、的激振设备。
6、低应变反射波法检测基桩完整性,对一柱一桩的建筑物或构筑物,基桩应进行检测,对非一柱一桩,应按施工班组抽测,检测数量应根据工程的重要性、抗震设防等级、地质条件、成桩工艺、检测目的等情况,由有关部门协商确定,检测混凝土灌注桩桩身完整性时,抽测数不得少于该批桩总数的且不得少于根,检测混凝土灌注桩承载力时,抽测数不得少于该批桩总数的且不得少于根。
7、低应变反射波法、桩身混凝土纵波波速的定义为:;缺陷的深度计算式为(均写出表达式即可)。
8、低应变反射波法传感器的选择,可选用宽频带的型或型传感器。
9、基桩高应变测试的锤击设备可选用打桩机械或类似的装置,重锤应质量均匀,形状对称,锤低平整,宜用铸钢或铸铁制作。
当采用自由落锤时,锤的重量应(大于、小于、等于)预优的单桩极限承载力的1%,且宜重锤。
10、按现行有关规范,地基土分类主要分为、、、,评价砂土密实度的原位测试主要是标准贯入试验,对于砂土,当标量击数N63.5≤10为松散,当标贯击数为密实。
二、判断题(每题2分,共20分)1、当桩顶受到瞬态脉冲力作用时,激振能量以应力波形式沿桩身传递,当遇到桩身截面波阻抗(ρCA)发生变化时,将产生反射波和透射波,应力波反射透射的能量大小取决于界面上下的波阻抗ρCA值,并遵守能量守恒定律。
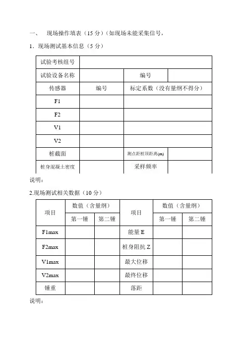
一、现场操作填表(15分)(如现场未能采集信号,1.现场测试基本信息(5分)
说明:
2.现场测试相关数据(10分)
说明:
二、现场采集数据的输出与评价(35分)
1.根据现场采集数据,输出实测FV曲线。
(8分)
2.采集数据输出的内容有:实测F1F2曲线,实测V1V2曲线,实测上下波,下行波曲线,饿能量位移曲线,曲线中应标注2L/C的位置。
(12分)
3.对现场采集信号进行分析判断,是否可作为承载力分析计算的依据,并阐述理由。
(5分)
第一锤和第二锤都不能作为承载力分析的依据,第一:单边力的比值严重超出规范要求的比值范围(规范要求单边力的比值在0.5-2之间),第二:速度和激励峰脉宽过窄,作用时间短,传递能量不完全。
第三:质点速度过低,桩身没有被打动,锤击能量不足。
4.给出本试验2L/C值,并根据给定波速(在室内分析时即时公布)确定试验桩桩长(测点以下桩长度)。
(5分)
起始时刻是20.8ms,2L/C时刻是23.9ms,根据给定波速3600m/s,试验桩测点下长度为5.5m
5.设定Jc=0.3,Jc=0.65时,相应的CASE法承载力为多少,并使用高应变相关程序输出计算结果。
(5分)
第二部分波形拟合
一、给定波形拟合分析(70分,共两根桩)每题35分
1.每根桩分析完成须提供资料(每题15分)
2.结果汇总(每题20分)。
郑州市地基基础检测人员高、低应变法试题低应变试题一、填空题(10分,每空1分)1.一般低应变法测试的目的是测试桩的,判断的和。
2.低应变钟形力脉冲的宽度为1ms时,其对应的高频截止分量约Hz左右,采用频率应至少为Hz。
3.低应变加速度传感器的幅频线性段的高限不应小于Hz,速度传感器不应小于Hz4.低应变测试过程中,按入射峰—桩底反射峰确定的波速将比实际,根据该波速确定的桩身缺陷位置将比实际的。
正确判定应力波波速的方法是由至时段确定的波速。
5.低应变法的理论基础以一维线弹性杆件模型为依据,因此受检桩的、瞬态激励脉冲与桩的横向尺寸之比均宜大于5。
6.低应变信号的采集过程中,根据桩径大小,桩心对称布置个检测点;每个检测点记录的有效信号数量不宜少于点。
7. 当上行的压力波遇到桩顶时,会反射为,当遇到阻抗变大时会反射为。
8.当信号出现振荡时,可在分析的基础上采用方或消去。
二、判断题(10分)1.在一维弹性杆中,只要有质点的纵向振动,就会有波的纵向传播。
()2.波通过桩身缺陷部位会引起质点运动速度幅值的衰减,扩径桩也同样。
()3.桩顶测到的扩径处二次反射通常为负向。
()4.对于桩身截面渐变后又恢复到原桩径的混凝土灌注桩,根据实测波形进行桩身完整性判定时,可能会出现误判。
()5.当低应变测桩采用磁电式速度传感器时,传感器的幅频特性以及相频特性均与阻尼比有关。
()三、 选择题(每题2分,共30分)单选题1.一根置于地面、两端自由的桩,方波入射时桩顶所测的桩底反射波幅V R 与入射波幅V I 的关系为( )A 、V R ≈V IB 、V R ≈-2V IC 、V R ≈-V ID 、V R ≈2V I2. 频域分析过程中,深部缺陷和浅部缺陷的频差分别为2f ∆和1f ∆,则( )A 、12f f ∆>∆B 、12f f ∆<∆C 、12f f ∆=∆D 、不好比较3.一根置于地面,两端自由的长桩,窄方波入射时,在桩身正中央所记录的入射波幅V I 与反射波幅V R 间的关系为:( )A 、V R ≈V IB 、V R ≈-2V IC 、V R ≈-V ID 、V R ≈2V I4. 一根弹性杆的一维纵波波速为3000m/s ,当频率为3000Hz 的正弦波在该杆中传播时,它的波长为 ( )。
公路水运工程试验检测人员继续教育自测试题基桩高应变检测技术试题本试题为本人在个人继续过程中收集的公路水运工程试验检测人员继续教育自测试题的题目及答案,仅为后续继续教育的同志提供方便,如觉得文件不错记得评价、点赞及下载,不建议盗用及外传,谢谢合作。
第1题设有一根直径为50mm的混凝土杆,混凝土的标号为C25,其抗拉强度为抗压强度的1/6,将该杆自由放置在地面上,用一手锤锤击杆的一端,最大锤击力为10kN,请问该杆可能会发生什么情况?A.杆的锤击端先被压坏B.杆的另一端先被拉坏C.杆不会发生破坏D.杆的另一端先被压坏答案:B您的答案:B题目分数:1此题得分:1.0批注:第2题高应变测桩时,常用桩身完整性系数β值判别桩身质量,这里β的物理意义是A.传感器安装截面与被测截面的面积比B.上部完整截面与被测截面阻抗比C.被测截面与上部完整截面的阻抗比D.传感器安装截面与被测截面的阻抗比答案:C您的答案:C题目分数:1此题得分:1.0批注:第3题高应变测桩时得出一组力-时间曲线和一组速度-时间曲线,这里的速度是指A.应力波在桩内的传播速度B.桩底处质点运动速度C.传感器安装截面处的质点运动速度D.桩顶面处的质点运动速度答案:C您的答案:C题目分数:1此题得分:1.0批注:第4题下面关于高应变动力试桩的陈述正确的是A.上行压缩波一定是土阻力波B.桩底反射波一定是上行拉伸波C.土阻力波传至桩顶附近会使传感器安装截面受力增大速度减小D.土阻力波传至桩顶附近会使传感器安装截面受力减小速度增大答案:C您的答案:C题目分数:1此题得分:1.0批注:第5题下面关于Case法几种子方法的陈述正确的是A.RAU法将桩端运动速度为零时的总阻力作为桩的检测承载力B.RUN法由于扣除了桩中上部的侧阻力使计算结果偏于保守C.RMN法适用于上升沿tr短,Quake值较大的桩D.RMX法适用于Quake值较小、土阻力滞后发挥的桩答案:A您的答案:A题目分数:1此题得分:1.0批注:第6题有一根预制砼桩,采用锤击法施工,桩尖需穿透一密实砂层进入软粘土层,在穿透的一瞬间桩身会出现A.较大的拉应力B.较大的压应力C.速度为零D.应力无变化您的答案:A题目分数:1此题得分:1.0批注:第7题高应变测桩时,若测出的力-时间曲线出现高频振荡波,说明A.桩顶有塑性变形B.传感器已松动C.桩身已断裂D.锤击偏心答案:B您的答案:B题目分数:1此题得分:1.0批注:第8题在高应变测试中,由于土阻力的影响,产生上行压力波,从而使A.力值增大,速度值增大B.力值增大,速度值减小C.力值减小,速度值增大D.力值减小,速度值减小答案:B您的答案:B题目分数:1此题得分:1.0批注:第9题高应变检测中,习惯上将力和速度分别以正、负表示,正确的定义为:A.压力为正,速度向上为正B.拉力为正,速度向上为正C.压力为正,速度向下为正D.拉力为正,速度向下为正答案:C您的答案:C题目分数:1此题得分:1.0第10题桩顶受到锤击力时,当遇到桩身有缺陷时,实测曲线表现为A.力值增大、速度值减少B.力值增大、速度值不变C.力值减少、速度值增大D.力值不变、速度值增大答案:C您的答案:C题目分数:1此题得分:1.0批注:第11题在高应变动力试桩中,速度信号对桩身缺陷的敏感程度高于力信号主要是因为:A.加速度计的频响特性优于力传感器B.加速度计的信噪比优于力传感器C.加速度计只用一个螺栓固定,而力传感器需两个螺栓固定D.缺陷引起的拉伸波在桩顶的反射和叠加作用答案:D您的答案:D题目分数:1此题得分:1.0批注:第12题软土地区长摩擦型预制桩在锤击施工中易导致桩身缺陷是因为:A.桩较长时,桩具备较大的惯性,使施工设备能给桩顶施加较高的能量,而使桩顶局部受拉破坏B.桩较长,使桩身各截面运动的不均匀性增加,冲击脉冲产生的下行压缩波覆盖的桩身范围有限,使冲击应力波经桩底反射后在桩下部产生较大的静拉应力而使桩身破坏C.桩侧土阻力较小,冲击应力波有较大的能量传至桩底,经桩底放大后使桩尖受压破坏D.桩较长时,冲击脉冲持续时间长,连续的施打使压应力反复叠加造成桩身中下部受压破坏答案:B您的答案:B题目分数:2此题得分:2.0批注:第13题在高应变动力试桩中,锤击偏心往往引起桩身两侧传感器实测信号产生差异,一般情况下:A.两侧速度信号的差异大于两侧力信号的差异B.两侧力信号的差异大于两侧速度信号的差异C.A、B两种情况均有可能发生,视偏心程度而定D.由于两侧传感器对称安装,所以两侧力信号的差异程度和速度信号的差异程度是一样的答案:B您的答案:B题目分数:2此题得分:2.0批注:第14题桩顶受到锤击力时,当遇到桩身有扩径时,实测曲线表现为A.力值增大、速度值减少B.力值增大、速度值不变C.力值减少、速度值增大D.力值不变、速度值增大答案:A您的答案:A题目分数:2此题得分:2.0批注:第15题下列设备中,不可作为高应变承载力测试锤击设备的是A.自由落锤B.筒式柴油锤C.导杆式柴油锤D.液压锤答案:C您的答案:C题目分数:2此题得分:2.0批注:第16题高应变测试中,当某时刻测得桩身的某截面的应变量为500微应变,桩身混凝土波速为4000m/s,则可知此截面的质点振动速度为多少A.2m/sB.0.2m/sC.1.25 m/sD.0.8 m/s答案:A您的答案:A题目分数:2此题得分:2.0批注:第17题如锤击设备为自由落锤,当落距为1.0m时,实测最大锤击力为4000kN,当落距为1.2m时,则最大实测锤击力约为多少kNA.4800B.4400C.4600D.5000答案:B您的答案:B题目分数:2此题得分:2.0批注:第18题一根预制方桩,截面尺寸为400×400mm,桩长为32m,预估极限承载力为2000kN;另一根混凝土灌注桩,桩径800mm,桩长29m,预估极限承载力为4000kN。
2020公路检验工程师《水运结构与地基》章节题:基桩高应变检测含答案第五节基桩高应变检测一、单选1、嵌固良好的完整桩的实测导纳值No 与理论计算导纳值N 的关系是。
AA.N0B.N0>NC.N0=N2、采用凯斯法测桩时,应预先将桩的_____等按试桩的实际情况确定。
ABCDA、桩长B、桩身波速C、桩身混凝土质量密度D、桩身截面积3、能使高应变动力试桩得到成功的桩身运动是下列那一条(A)A.测点速度尽可能低,贯入度达到一定量级B.测点速度尽可能高,贯入度达到一定量级C.测点速度尽可能高,贯入度尽可能大4 超声波测桩基系统,换能器在声测管中用水耦合,其共振频率宜为(C)A.25~50KHz1MPa100-200v200μsB.25~50KHz2MPa100-250v2000μsC.25~50KHz1MPa250-1000v2000μsD.25~50KHz2MPa120-360v200μs5、采用高应变动力检测进行桩的轴向承载力检测时,检测桩在沉桩后至检测时的间歇时间,对粘性土和砂土分别不应少于(A)。
(A)14 天;3 天(B)3 天;14 天(C)25 天;14 天(D)28 天;3 天6、采用β法评价桩身完整性,当β值为(C)时为基本完整桩。
(A)0.6;(B)1.0;(C)0.8~1.0;(D)0.6~0.87 应力波在桩身中的传播速度取决于B。
A 桩长;B、桩身材质;C、锤击能量;D、桩周土特性8 高应变动力检测所提供的桩身截面完整性系数ß 是指被测截面桩身与测点处桩身A。
A 阻抗之比;B、面积之比;C、弹性模量之比;D、波速之比;9 桩身缺陷在实测曲线上的特征是D。
A力值增大、速度值增大;C、力值减小、速度值减小;B、力值增大、速度值减小;D、力值减小、速度值增大;10 桩身扩颈在实测曲线上的特征是B。
A力值增大、速度值增大;C、力值减小、速度值增大;B、力值增大、速度值减小;D、力值减小、速度值减小11 高应变检测传感器安装位置对于一般桩型、距桩顶位置不宜小于:(B)A.1.5 倍桩径B.2 倍桩径C.3 倍桩径D.1 倍桩径12 为得到梁上某截面的最大主应力及剪应力的分布规律,每个测点上要量几个应变值?(C)A.一个方向B.二个方向C.三个方向D.六个方向13 在进行结构构件应力分析时,双向、单向及纯剪切应力状态属于(A)状态。
选择题高应变试验主要用于检测桩基的哪项性能?A. 桩身完整性B. 桩基承载力(正确答案)C. 桩身材料强度D. 桩基抗拔力在进行桩基承载力高应变试验时,下列哪项设备是必需的?A. 超声波检测仪B. 静载试验机C. 动测仪(正确答案)D. 地质雷达高应变试验通常采用的加载方式是什么?A. 静力加载B. 动力加载(正确答案)C. 液压加载D. 气压加载下列哪项不是高应变试验可以获取的数据?A. 桩身应力分布B. 桩基承载力C. 桩身完整性系数(正确答案,此为低应变检测内容)D. 桩身动位移在进行桩基承载力高应变试验前,需要对桩顶进行什么处理?A. 切割处理B. 打磨平整(正确答案)C. 浇筑混凝土D. 加装传感器高应变试验的结果分析中,下列哪项参数不是重点关注的?A. 桩基承载力B. 桩身动刚度C. 桩身混凝土强度(正确答案,此为材料性能,非高应变直接测试内容)D. 桩身动位移下列哪项不是影响高应变试验结果准确性的因素?A. 桩身材料B. 加载设备性能C. 测试人员经验D. 天气状况(正确答案,除非极端天气,一般不影响)在进行桩基承载力高应变试验时,加载的锤重和落锤高度通常如何确定?A. 根据桩身直径确定B. 根据桩基设计承载力确定C. 根据试验规范和桩身参数确定(正确答案)D. 根据测试人员经验确定高应变试验结束后,通常需要进行的后续工作是什么?A. 立即进行静载试验B. 对试验数据进行整理和分析(正确答案)C. 对桩身进行修补D. 对测试设备进行校准。
五、问答题I. 可以采用高应变法进行单桩竖向抗压承载力验收检测的范围是哪些?抽检数量如何确定?2•当采用高应变法对单桩承载力验收检测时对被检桩有哪些要求?3 .高应变检测时出现哪些情况应采用静载法进一步验证?4 .高应变动力试桩应如何选择锤重和落高?对传感器的安装有什么要求?为什么?5 .基桩高应变动力检测的锤击设备应符合哪些规定?6. 高应变测试重锤的选择要点有哪些?7 •“重锤低击”有哪些好处?“轻锤高击”为什么不利于拟合分析?8对灌注桩进行高应变检测,对桩头的处理有什么要求?9•采用高应变法进行试打桩与打桩监控时,传感器的安装应符合哪些规定?10 ,〈〈建筑基桩检测技术规范》(JGJ 106 一2003 )规定:高应变法传感器宜安装在距桩顶不小于(1)的桩侧表面处(D为试桩的直径或边宽)。
为什么传感器的安装点与桩顶之间应有足够的距离?II. 如何判定高应变检测时所采集的力和速度信号的优劣?12 .高应变实测的力和速度信号第一峰起始比例失调时,是否可以进行比例调整?为什么?13 •出现哪些情况时,高应变锤击信号不得作为分析计算的依据?14 .采用CASE法判定桩承载力应符合哪些规定?15 .简述CASE法的基本假定、局限性及优缺点。
16 . CASE法判定桩承载力时,需用到CASE阻尼系数Jc, 请叙述通过动静对比试验方法确定去值的方法,并列出有关公式。
17,请写出CASE法判定的单桩承载力计算公式,说明该计算公式的适用范围。
哪些情况下不适用该公式?如何进行修正?・18 .采用实测曲线拟合法判定桩承载力,应符合哪些规定?19 .简述波形拟合法的数学模型、基本原理和成果分析。
20 .为什么需要动静对比?动静对比成立应满足哪些条件?21. 基桩高应变检测与低应变检测有哪些不同?22 .高应变动力检测,预制方桩截面尺寸为6佣mm X 6佣mm,桩长为52m,为1 : 6斜桩,采用打桩锤做冲击设备。
在桩顶下1. 0m处4个侧面安装传感器,传感器安装轴线与桩中心轴保持垂直,采用在受检桩附近架设基准梁安置百分表的方法实测桩的贯人度,并由加速度信号2次积分得到的最终位移作为校核。
请指出以上测试方法的不妥之处,并写出正确的测试方法。
23,上行波曲线wu(t)能反映哪些桩土特征?24 .上行波曲线wu(t)能给出哪些桩侧阻力信息?25 .每一次锤击都能求到一个最大的静阻力,如何判断这个静阻力是否为桩的极限承载力值?26 .什么情况下会出现桩侧土的卸载?27 .某钻孔灌注桩,低应变检测时发现严重缩径。
施工单位委托某检测机构拟用高应变法检测单桩承载力。
高应变锤击信号的分析、计算采用实测曲线拟合法。
请问该方案是否可行?28 .简述CAPWAPC的典型分析过程。
29 .举例说明什么情况下应考虑使用辐射阻尼?30 .简要说明主要土参数单独变化时对拟合曲线的影响。
31.某高应变检测人员采用在自由落锤锤体对称安装加速度传感器直接测量冲击力的方式。
自由落锤为整体铸造,高径比为2。
加速度传感器对称安装在靠近自由落锤锤体0,5Hr处()r为锤体高度),桩顶上放置尺寸和质量较大的桩帽(替打)。
请问:(1)与在桩头附近的桩侧表面安装应变式传感器的测力方式相比,采用在自由落锤锤体对称安装加速度传感器直接测量冲击力的方式有哪些优点?在上述操作中该检测人员有哪些错误之处?对称安装在桩侧表面的加速度传感器距桩顶的距离应符合哪些规定?32 .打桩引起的桩身破坏有哪几种形式?33 .同一根钢筋混凝土桩,采用高应变法、低应变法检测的波速是不一致的,为什么?34 .图)、图(b)是同一根桩的初打、复打波形曲线,请判断哪个是初打,哪个是复打,并说明理由。
35 .某工程2根PHC管桩的高应变动力检测,单桩预估极限承载力约30佣kN。
某检测机构在高应变检测时使用2t重锤。
在出具的检测报告中,将实际使用锤重约2t改为锤重3t,而且其高应变检测结果反映,该工程单桩极限承载力只达到设计极限承载力的约50 %。
后经委托其他检测单位对同2根桩高应变检测和同2根桩的静荷载试验,单桩极限承载力符合设计要求。
请问:该检测机构有哪些违规之处?36 .下面4根桩在沉桩28d后采用2型柴油重锤进行复打测试,试述测试时需输人的桩参数。
传感器安装点在桩顶下1? Omo问答题1.答:对于下列4种情况应采用单桩竪向抗压静载试验进行验收检测:(1)设计等级为甲级的桩基;地质条件复杂、桩施工质量可靠性低;采用新桩型或新工艺;挤土群桩施工产生挤土效应。
对于以上4种情况以外的预制桩和满足高应变适用检测范围的灌注桩,可采用高应变法进行单桩竖向抗压承载力验收检测。
当有相近条件下的对比验证资料时,高应变法可以作为4种情况下单桩竖向抗压承载力验收检测的补充。
抽检数量不应少于总桩数的5 %,且不少于5根。
2被检桩应具有代表性。
对不能承受锤击的桩头应加固处理。
被检桩应满足桩顶部分的自由长度大于2倍桩径或边宽。
桩头测点处截面尺寸应与原桩身截面尺寸相同。
被检桩的休止期和混凝土龄期(或设计强度)应满足相应设计规范的规定。
若验收检测工期紧,无法满足休止时间规定时,应在检测报告中注明。
3 .答:当出现下列情况时应采用静载法进一步验证:(1)桩身存在缺陷,无法判定桩的竖向承载力;桩身缺陷对水平承载力有影响;单击贯人度大,桩底同向反射强烈且反射峰较宽,侧阻力波、端阻力波反射弱,即波形表现出竖向承载性状明显与勘察报告中的地质条件不符合;嵌岩桩桩底同向反射强烈,且在时间2L/C后无明显端阻力反射。
4 •答:进行高应变承载力检测时,锤的重量应大于预估单桩极限承载力的1. 0 %、1. 5%,混凝土桩的桩径大于600mm或桩长大于30m时取高值。
采用自由落锤为锤击设备时,宜重锤低击,最大锤击落距不得大于2. 5mo检测时至少应对称安装冲击力和冲击响应(质点运动速度) 测量传感器各2个。
传感器宜分别对称安装在距桩顶不小于(1)的桩侧表面处(D为试桩的边宽或外径);对于大直径桩,传感器与桩顶之间的距离可适当减小,但不得小于IDO安装面处的材质和截面尺寸应与原桩身相同,传感器不得安装在截面突变处附近。
各传感器的安装面材质应均匀、密实、平整,并与桩轴线平行,否则应采用磨光机将其磨平。
应变传感器与加速度传感器的中心应位于同一水平线上,同侧的力传感器和加速度传感器间的水平距离不宜大于80mmo安装完毕后,传感器的中心轴应与桩中心轴保持平行。
安装螺栓的钻孔应与桩侧表面垂直。
安装完毕后的传感器应紧贴桩身表面,锤击时传感器不得产生滑动。
安装应变式传感器时应能保证锤击时的可测轴向变形余量。
当连续锤击监测时,应将传感器连接电缆有效固定。
5 .答:锤击设备宜具有稳固的导向装置。
打桩机械或类似的装置(导杆式柴油锤除外)都可作为锤击设备。
重锤应材质均匀、形状对称、锤底平整,高径(宽)比不得小于1,并采用铸铁或铸钢制作。
当采取自由落锤安装加速度传感器的方式实测锤击力时,重锤应整体铸造,且高径(宽)比应在1. 0、1. 5范围内。
6. (1)高应变检测用重锤应材质均匀、形状对称、锤底平整,高径(宽)比不得小于1,并采用铸铁或铸钢制作。
当采取自由落锤安装加速度传感器的方式实测锤击力时,重锤应整体铸造,且高径(宽)比应在1? 0、1?范围内(2)进行高应变承载力检测时,锤的重量应大干预估单桩极限承载力的1?0 %、1. 5 %,混凝土桩的桩径大于6佣mm或桩长大于30m时取高值。
7. “重锤低击”的好处:“重锤低击”可避免“轻锤高击”产生的应力集中,而应力集中容易使桩身材料产生塑性甚至破坏;“重锤低击”荷载脉冲作用时间长,且荷载变化缓慢,可以使桩产生较大的沉降位移,"重锤低击",桩体产生的速度较小,速度变化率也较小,因此动阻尼的影响较小,可减少动阻尼参数误差对拟合分析的影响,提高拟合分析精度;“重锤低击”作用类似静载试验中快速维持荷载法或静动法试验。
“轻锤高击”不利于拟合分析的原因:(1) “轻锤高击”产生的应力集中容易使桩身材料塑性变形甚至破坏;由于冲击脉冲窄小,应力波在向下传播时,桩的一部分处于加载状态,另一部分处于卸载状态,桩的沉降位移一般是很小的,桩甚至没有沉降位移;由于加载速率较高,动阻力及惯性力较大,使用阻尼系数误差对结果影响很大,同时应力波衰减也较快,到达桩深部甚至变得比较微弱。
8,答:为了确保高应变检测时锤击力的正常传递,桩头应做如下处理:(1)混凝土桩应先凿掉桩顶部的破碎层和软弱混凝土。
桩头顶面应平整,桩头中轴线与桩身上部的中轴线应重合。
桩头主筋应全部直通至桩顶混凝土保护层之下,各主筋应在同一高度上。
距桩顶1倍桩径范围内,宜用厚度为3、5m的钢板围裹或距桩顶1. 5倍桩径范围内设置箍筋,间距不宜大于100mm。
桩顶应设置钢筋网片2 一3层,间距60、100mm。
桩头混凝土强度等级宜比桩身混凝土提高1、2级,且不得低于C30。
桩头测点处截面尺寸应与原桩身截面尺寸相同。
桩头顶部应设置桩垫,桩垫可采用10、30mm厚的木板或胶合板等材料。
9 .答:采用高应变法进行试打桩与打桩监控时,传感器的安装应符合下列规定:(1)应变传感器与加速度传感器的中心应位于同一水平线上;同侧的应变传感器和加速度传感器间的水平距离不宜大于80mmo安装完毕后,传感器的中心轴应与桩中心轴保持平行。
各传感器的安装面材质应均匀、密实、平整,并与桩轴线平行,否则应采用磨光机将其磨平。
安装螺栓的钻孔应与桩侧表面垂直;安装完毕后的传感器应紧贴桩身表面,锤击时传感器不得产生滑动。
安装应变式传感器时应对其初始应变值进行监视,安装后的传感器初始应变值应能保证锤击时的可测轴向变形余量为:.混凝土桩应大于土佣0些;钢桩应大于土001些。
当连续锤击监测时,应将传感器连接电缆有效固定。
10,答:依照圣维南原理:“如果把物体的一小部分边界上的面力,变换为分布不同但静力等效的面力,那么近处的应力分布将显著改变而远处所受的影响可以不计”9当传感器安装在离桩顶一定距离时,可以避开桩顶附近复杂的应力状态,使所测信号符合一维弹性波的理论要求;同时也可以避免一旦桩头被打裂而对传感器造成的损坏。
738= 11.答:(1)连续锤击下,信号应具有稳定性、重复性。
试验中可能碰到的问题有桩周饱和黏性土在锤击振动下强度剧烈降低,桩的承载力在多次锤击下不断下降,波形曲线变化很大。
对此,〈〈建筑基桩检测技术规范》(JGJ 106 一2003 )规定不得以高应变信号来提供承载力。
•力曲线和速度曲线在开始阶段有正比例关系,但峰值不一定重合。
这是由波动理论决定的,在没有上行波产生之前,力与加速度应该成正比。
如果地表有较大土阻力,或传感器安装截面下不远处有变阻抗,都会使力和速度峰值不重合。