丝锥攻丝扭矩(切削力)的简单计算
- 格式:doc
- 大小:27.00 KB
- 文档页数:2
螺丝拧紧扭矩计算1.螺丝拧紧的目的螺丝连接是工程中常见的连接方式,它利用螺纹的摩擦力来实现零件间的固定。
螺丝的拧紧需要适当的扭矩,以确保连接紧固度符合需求,同时也要避免过度拧紧造成的损坏。
2.影响螺丝拧紧扭矩的因素3.螺丝拧紧扭矩的计算方法常用的螺丝拧紧扭矩计算方法有两种:经验公式法和工程力学计算法。
-经验公式法:根据经验公式,根据螺纹直径和螺纹类型等参数,选择适当的公式计算螺丝拧紧扭矩。
例如,有些经验公式是通过螺丝拧紧力与扭矩之间的关系来得出的,通过测量或试验确定。
-工程力学计算法:根据力学原理和力的平衡关系,通过计算螺丝连接的受力情况来确定螺丝拧紧扭矩。
该方法需要考虑螺纹接触面的摩擦系数、螺纹的几何形状等因素。
实际应用中,一般会根据设计要求和相关标准选择适当的计算方法,或者参考各种手册和文献中给出的螺丝拧紧扭矩数值。
4.螺丝拧紧扭矩的控制为了确保螺丝拧紧扭矩的正确性和可靠性,需进行扭矩控制。
-扭力扳手:这是一种可调扭矩扳手,可以通过设置扭矩值来控制拧紧力。
它是常用的控制拧紧扭矩的工具,广泛应用于汽车、机械和航空等领域。
-校验设备:可以通过校验设备对扭矩进行实时监测和调整。
这些设备根据预设的扭矩值和实际测量进行比对,来调整扭矩的大小。
-标准和规范:不同的工程领域和不同的螺丝连接类型都有相应的标准和规范。
这些标准和规范中通常给出了螺丝拧紧扭矩的指导,可作为参考依据。
同时,需要注意的是,螺丝松动可能会因环境震动和负载变化等因素而引起。
因此,需要根据实际情况定期检查螺丝拧紧扭矩,并进行必要的修复和更换。
总而言之,螺丝拧紧扭矩的计算是确保螺丝连接可靠和安全的重要环节。
正确的螺丝拧紧扭矩需要考虑多种因素,并通过适当的工具和控制方法来实现。
这样可以有效地避免螺丝连接的松动或损坏,保障工程的质量和安全。
切削转矩的计算公式一:切削线速度:
V=πDN/1000
N=rpm(主轴转数)
D=¢mm(切削直径)
V=M/min
π=3.14
二:切削动力:
KW=(Ks×V×d×f)÷(6000×λ)
W=Kw(切削动力)
f=进刀量(mm/rev)
d=切削深度(mm)
λ=0.7~0.85(机械效率)
三:切削阻抗:
P=Ks×q
P=KG
Ks=kg/平方mm
q=f×d[切削面积〔平方mm〕]
四:切削扭力:
T=P×(D/2)
T=kg-m
D=¢mm(切削直径)
五:进刀速度与进刀量:Vf=N×f
Vf=进刀速度(mm/min)
N=rpm(主轴转数)
f=进刀量(mm/rev)
六:钻孔时间:
T=L/Nf=πDL/1000Vf
T=钻孔时间(min)
D=¢mm(钻头直径)
L=钻孔深度(mm)
V=M/min
f=进刀量(mm/rev)
七:刀尖圆弧半径补偿:Z=r(1-tanθ/2)
X=Ztanθ
Z=Z向补正值
X=X向补正值
r=刀尖圆弧半径
θ=斜线夹角
八:工作台进给量:
Vf=fz×Z×n
Vf=工作台进给量(mm/min)
fz=每齿进给量(mm/t)
Z=铣刀齿数
n=铣刀转数。
丝锥攻丝扭矩(切削力)的简单计算对丝锥操作者来说,大多时候已不需要知道攻丝时所用切削力的大小了。
因为在丝锥及攻丝夹具设计的时候生产厂商已经过严格的计算。
但是,在某些情况下比如要调节具有过载保护装置的攻丝夹头扭矩的设定值,这个时候就需要有个比较准确的参考值。
因此,明确不同规格螺纹攻丝所需扭矩的大小则显得尤为重要。
根据丝锥的平均寿命,切削丝锥攻丝所需切削力可按以下公式计算:M D =A·ks·d1/1000 [Nm]挤压丝锥攻丝所需切削力公式:M D =1.5·A·ks·d1/1000 [Nm]上式中,A——切屑截面积,A=0.25·P2 [mm2]d1——丝锥大径 [mm]ks——材料比切力 [N/mm2]其中,比切力ks是个重要的参数,它反映了材料的切削难易程度,直观上有点类似于抗拉强度。
根据材料的不同,ks大体上可按如下选择:•抗拉强度<850N/mm2的碳钢、合金钢:k s=2500N/mm2•抗拉强度<1100N/mm2的碳钢、合金钢:k s=3200N/mm2•抗拉强度<1400N/mm2的碳钢、合金钢:k s=3600N/mm2•灰口铸铁:k s=2000N/mm2•球墨铸铁:k s=2500N/mm2•铝合金:k s=700N/mm2•黄铜:k s=720N/mm2•抗拉强度<850N/mm2的奥氏体、铁素体及部分马氏体不锈钢:k s=3200N/mm2•抗拉强度<1100N/mm2的马氏体、奥-铁双相不锈钢:k s=3600N/mm2•抗拉强度<1400N/mm2的沉淀硬化不锈钢:k s=4000N/mm2•镍合金及钛合金:k s=4000N/mm2•洛氏硬度<44HRC的淬硬钢、高硬钢:k s=4100N/mm2•洛氏硬度<55HRC的淬硬钢、高硬钢:k s=4700N/mm2•洛氏硬度<60HRC的淬硬钢、高硬钢:k s=5000N/mm2据此,可比较准确的计算出攻丝所需扭矩大小。
丝锥攻丝扭矩(切削力)的简单计算对丝锥操作者来说,大多时候已不需要知道攻丝时所用切削力的大小了。
因为在丝锥及攻丝夹具设计的时候生产厂商已经过严格的计算。
但是,在某些情况下比如要调节具有过载保护装置的攻丝夹头扭矩的设定值,这个时候就需要有个比较准确的参考值。
因此,明确不同规格螺纹攻丝所需扭矩的大小则显得尤为重要。
根据丝锥的平均寿命,切削丝锥攻丝所需切削力可按以下公式计算:M D=A·k s·d1/1000 [Nm]挤压丝锥攻丝所需切削力公式:M D=1.5·A·k s·d1/1000 [Nm]上式中,A——切屑截面积,A=0.25·P2 [mm2]——丝锥大径[mm]d1——材料比切力[N/mm2]ks是个重要的参数,它反映了材料的切削难易程度,直观上有点类其中,比切力ks大体上可按如下选择:似于抗拉强度。
根据材料的不同,ks•抗拉强度<850N/mm2的碳钢、合金钢:k s=2500N/mm2•抗拉强度<1100N/mm2的碳钢、合金钢:k s=3200N/mm2•抗拉强度<1400N/mm2的碳钢、合金钢:k s=3600N/mm2•灰口铸铁:k s=2000N/mm2•球墨铸铁:k s =2500N/mm 2 • 铝合金:k s =700N/mm 2 •黄铜:k s =720N/mm 2 • 抗拉强度<850N/mm 2的奥氏体、铁素体及部分马氏体不锈钢:k s =3200N/mm 2•抗拉强度<1100N/mm 2的马氏体、奥-铁双相不锈钢:k s =3600N/mm 2 •抗拉强度<1400N/mm 2的沉淀硬化不锈钢:k s =4000N/mm 2 •镍合金及钛合金:k s =4000N/mm 2 •洛氏硬度<44HRC 的淬硬钢、高硬钢:k s =4100N/mm 2 •洛氏硬度<55HRC 的淬硬钢、高硬钢:k s =4700N/mm 2 • 洛氏硬度<60HRC 的淬硬钢、高硬钢:k s =5000N/mm 2据此,可比较准确的计算出攻丝所需扭矩大小。
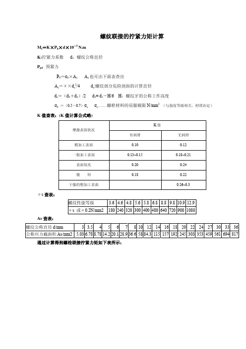
螺纹联接的拧紧力矩计算M t=K×P0×d×10-3 N.mK:拧紧力系数d:螺纹公称直径P0:预紧力P0=σ0×A s A s也可由下面表查出A s=π×d s2/4 d s:螺纹部分危险剖面的计算直径d s=(d2+d3)/2 d3= d1-H/6 H:螺纹牙的公称工作高度σ0=(0.5~0.7)σs σs――――螺栓材料的屈服极限N/mm2(与强度等级相关,材质决定)K值查表:(K值计算公式略)K值摩擦表面状况有润滑无润滑精加工表面0.10 0.12一般加工表面0.13~0.15 0.18~0.21表面氧化0.20 0.24镀锌0.18 0.22 干燥的粗加工表面 0.26~0.3 σs查表:螺纹性能等级 3.6 4.6 4.8 5.6 5.8 6.88.89.810.912.9σs 或σ0.2N/mm21802403203004004806407209001080As查表:螺纹公称直径d/mm3 3.545678101214161820222427303336公称应力截面积As/mm2 5.036.788.7814.220.128.936.65884.3115157192245303353459561694817通过计算得到螺栓联接拧紧力矩如下表所示:表面被氧化(无润滑)的螺纹联接的拧紧力矩值(单位:N.m)性能等级 3.6 4.6 4.8 5.6 5.8 6.88.89.810.912.9螺纹直径d/mm min max min max min max min max min max min max min max min max min max min max 30.330.460.430.610.580.810.540.760.72 1.010.87 1.22 1.16 1.62 1.30 1.83 1.63 2.28 1.96 2.74 3.50.510.720.680.960.91 1.280.85 1.20 1.14 1.59 1.37 1.91 1.82 2.55 2.05 2.87 2.56 3.59 3.08 4.31 40.76 1.06 1.01 1.42 1.35 1.89 1.26 1.77 1.69 2.36 2.02 2.83 2.70 3.78 3.03 4.25 3.79 5.31 4.55 6.375 1.53 2.15 2.04 2.86 2.73 3.82 2.56 3.58 3.41 4.77 4.09 5.73 5.457.63 6.138.597.6710.749.2012.886 2.60 3.65 3.47 4.86 4.63 6.48 4.34 6.08 5.798.10 6.959.739.2612.9710.4214.5913.0218.2315.6321.887 4.37 6.12 5.838.167.7710.887.2810.209.7113.5911.6516.3115.5421.7517.4824.4721.8530.5926.2236.718 6.328.858.4311.8111.2415.7410.5414.7614.0519.6816.8723.6122.4931.4825.3035.4231.6244.2737.9553.13 1012.5317.5416.7023.3922.2731.1820.8829.2327.8438.9833.4146.7744.5462.3650.1170.1662.6487.7075.17105.24 1221.8530.5929.1340.7938.8554.3836.4250.9848.5667.9858.2781.5877.69108.7787.40122.36109.25152.95131.10183.54 1434.7848.6946.3764.9261.8286.5557.9681.1477.28108.1992.74129.83123.65173.11139.10194.75173.88243.43208.66292.12 1654.2675.9672.35101.2896.46135.0590.43126.60120.58168.81144.69202.57192.92270.09217.04303.85271.30379.81325.56455.78 1874.65104.5199.53139.35132.71185.79124.42174.18165.89232.24199.07278.69265.42371.59298.60418.04373.25522.55447.90627.06 20105.84148.18141.12197.57188.16263.42176.40246.96235.20329.28282.24395.14376.32526.85423.36592.70529.20740.88635.04889.06 22143.99201.58191.98268.77255.97358.36239.98335.97319.97447.96383.96537.55511.95716.73575.94806.32719.931007.90863.911209.48 24183.00256.19243.99341.59325.32455.45304.99426.99406.66569.32487.99683.18650.65910.91731.981024.77914.981280.971097.971537.16 27267.69374.76356.92499.69475.89666.25446.15624.61594.86832.81713.84999.37951.781332.501070.761499.061338.441873.821606.132248.59 30363.53508.94484.70678.59646.27904.78605.88848.23807.841130.98969.411357.171292.541809.561454.112035.761817.642544.702181.173053.64 33494.68692.56659.58923.41879.441231.21824.471154.261099.301539.011319.161846.821758.872462.421978.732770.232473.423462.782968.104155.34 36635.30889.42847.071185.891129.421581.191058.831482.361411.781976.491694.132371.782258.843162.382541.203557.683176.504447.093811.805336.51表面被氧化(有润滑)的螺纹联接的拧紧力矩值(单位:N.m)性能等级 3.6 4.6 4.8 5.6 5.8 6.88.89.810.912.9螺纹直径d/mm min max min max min max min max min max min max min max min max min max min max 30.270.380.360.510.480.680.450.630.600.850.72 1.010.97 1.35 1.09 1.52 1.36 1.90 1.63 2.28 3.50.430.600.570.800.76 1.060.71 1.000.95 1.33 1.14 1.59 1.52 2.13 1.71 2.39 2.14 2.99 2.56 3.59 40.630.890.84 1.18 1.12 1.57 1.05 1.48 1.40 1.97 1.69 2.36 2.25 3.15 2.53 3.54 3.16 4.43 3.79 5.315 1.28 1.79 1.70 2.39 2.27 3.18 2.13 2.98 2.84 3.98 3.41 4.77 4.54 6.36 5.117.16 6.398.957.6710.746 2.17 3.04 2.89 4.05 3.86 5.40 3.62 5.07 4.82 6.75 5.798.107.7210.818.6812.1610.8515.2013.0218.237 3.64 5.10 4.86 6.80 6.479.06 6.078.508.0911.339.7113.5912.9518.1314.5720.3918.2125.4921.8530.598 5.277.387.039.849.3713.128.7812.3011.7116.4014.0519.6818.7426.2321.0829.5126.3536.8931.6244.27 1010.4414.6213.9219.4918.5625.9817.4024.3623.2032.4827.8438.9837.1251.9741.7658.4652.2073.0862.6487.70 1218.2125.4924.2833.9932.3745.3230.3542.4940.4656.6548.5667.9864.7490.6472.84101.9791.04127.46109.25152.95 1428.9840.5738.6454.1051.5272.1348.3067.6264.4090.1677.28108.19103.04144.26115.92162.29144.90202.86173.88243.43 1645.2263.3060.2984.4080.38112.5475.36105.50100.48140.67120.58168.81160.77225.08180.86253.21226.08316.51271.30379.81 1862.2187.0982.94116.12110.59154.83103.68145.15138.24193.54165.89232.24221.18309.66248.83348.36311.04435.46373.25522.55 2088.20123.48117.60164.64156.80219.52147.00205.80196.00274.40235.20329.28313.60439.04352.80493.92441.00617.40529.20740.88 22119.99167.98159.98223.98213.31298.64199.98279.97266.64373.30319.97447.96426.62597.27479.95671.93599.94839.92719.931007.90 24152.50213.49203.33284.66271.10379.55254.16355.82338.88474.43406.66569.32542.21759.09609.98853.98762.481067.47914.981280.97 27223.07312.30297.43416.40396.58555.21371.79520.51495.72694.01594.86832.81793.151110.41892.301249.211115.371561.521338.441873.82 30302.94424.12403.92565.49538.56753.98504.90706.86673.20942.48807.841130.981077.121507.971211.761696.461514.702120.581817.642544.70 33412.24577.13549.65769.51732.861026.01687.06961.88916.081282.511099.301539.011465.732052.021648.942308.522061.182885.652473.423462.78 36529.42741.18705.89988.24941.181317.66882.361235.301176.481647.071411.781976.491882.372635.322117.662964.732647.083705.913176.504447.09镀锌(无润滑)的螺纹联接的拧紧力矩值(单位:N.m)性能等级 3.6 4.6 4.8 5.6 5.8 6.88.89.810.912.9螺纹直径d/mm min max min max min max min max min max min max min max min max min max min max 30.300.420.400.560.530.740.500.700.660.930.80 1.12 1.06 1.49 1.20 1.67 1.49 2.09 1.79 2.51 3.50.470.660.630.880.84 1.170.78 1.10 1.04 1.46 1.25 1.75 1.67 2.34 1.88 2.63 2.35 3.29 2.82 3.95 40.700.970.93 1.30 1.24 1.73 1.16 1.62 1.55 2.16 1.85 2.60 2.47 3.46 2.78 3.89 3.48 4.87 4.17 5.845 1.41 1.97 1.87 2.62 2.50 3.50 2.34 3.28 3.12 4.37 3.75 5.25 5.007.00 5.627.877.039.848.4311.816 2.39 3.34 3.18 4.46 4.25 5.94 3.98 5.57 5.317.43 6.378.918.4911.899.5513.3711.9416.7214.3320.067 4.01 5.61 5.347.487.129.97 6.689.358.9012.4610.6814.9514.2419.9416.0222.4320.0328.0424.0333.658 5.808.127.7310.8210.3114.439.6613.5312.8818.0415.4621.6420.6128.8623.1932.4728.9940.5834.7848.70 1011.4816.0815.3121.4420.4228.5819.1426.8025.5235.7330.6242.8740.8357.1645.9464.3157.4280.3968.9096.47 1220.0328.0426.7137.3935.6149.8533.3846.7444.5162.3153.4174.7871.2299.7080.12112.17100.15140.21120.18168.25 1431.8844.6342.5059.5156.6779.3453.1374.3870.8499.1885.01119.01113.34158.68127.51178.52159.39223.15191.27267.78 1649.7469.6366.3292.8488.42123.7982.90116.05110.53154.74132.63185.69176.84247.58198.95278.53248.69348.16298.43417.80 1868.4395.8091.24127.73121.65170.31114.05159.67152.06212.89182.48255.47243.30340.62273.72383.20342.14479.00410.57574.80 2097.02135.83129.36181.10172.48241.47161.70226.38215.60301.84258.72362.21344.96482.94388.08543.31485.10679.14582.12814.97 22131.99184.78175.98246.38234.64328.50219.98307.97293.30410.63351.96492.75469.29657.00527.95739.13659.93923.91791.921108.69 24167.75234.84223.66313.13298.21417.50279.58391.41372.77521.88447.32626.25596.43835.00670.98939.38838.731174.221006.471409.06 27245.38343.53327.18458.05436.23610.73408.97572.56545.29763.41654.35916.09872.471221.45981.531374.141226.911717.671472.292061.20 30333.23466.53444.31622.04592.42829.38555.39777.55740.521036.73888.621244.071184.831658.761332.941866.111666.172332.641999.402799.17 33453.46634.84604.61846.46806.151128.61755.771058.071007.691410.761209.231692.921612.302257.221813.842539.372267.303174.222720.763809.06 36582.36815.30776.481087.071035.301449.42970.601358.831294.131811.781552.952174.142070.602898.852329.433261.202911.794076.503494.154891.80镀锌(有润滑)的螺纹联接的拧紧力矩值(单位:N.m)性能等级 3.6 4.6 4.8 5.6 5.8 6.88.89.810.912.9螺纹直径d/mm min max min max min max min max min max min max min max min max min max min max 30.240.340.330.460.430.610.410.570.540.760.650.910.87 1.220.98 1.37 1.22 1.71 1.47 2.05 3.50.380.540.510.720.680.960.640.900.85 1.20 1.03 1.44 1.37 1.91 1.54 2.15 1.92 2.69 2.31 3.23 40.570.800.76 1.06 1.01 1.420.95 1.33 1.26 1.77 1.52 2.12 2.02 2.83 2.28 3.19 2.84 3.98 3.41 4.785 1.15 1.61 1.53 2.15 2.04 2.86 1.92 2.68 2.56 3.58 3.07 4.29 4.09 5.73 4.60 6.44 5.758.05 6.909.666 1.95 2.74 2.60 3.65 3.47 4.86 3.26 4.56 4.34 6.08 5.217.29 6.959.737.8110.949.7713.6811.7216.417 3.28 4.59 4.37 6.12 5.838.16 5.467.657.2810.208.7412.2411.6516.3113.1118.3516.3922.9419.6627.538 4.74 6.64 6.328.858.4311.817.9111.0710.5414.7612.6517.7116.8723.6118.9726.5623.7233.2028.4639.84 109.4013.1512.5317.5416.7023.3915.6621.9220.8829.2325.0635.0833.4146.7737.5852.6246.9865.7756.3878.93 1216.3922.9421.8530.5929.1340.7927.3138.2436.4250.9843.7061.1858.2781.5865.5591.7781.94114.7298.33137.66 1426.0836.5134.7848.6946.3764.9243.4760.8657.9681.1469.5597.3792.74129.83104.33146.06130.41182.57156.49219.09 1640.6956.9754.2675.9672.35101.2867.8294.9590.43126.60108.52151.93144.69202.57162.78227.89203.47284.86244.17341.83 1855.9978.3874.65104.5199.53139.3593.31130.64124.42174.18149.30209.02199.07278.69223.95313.53279.94391.91335.92470.29 2079.38111.13105.84148.18141.12197.57132.30185.22176.40246.96211.68296.35282.24395.14317.52444.53396.90555.66476.28666.79 22107.99151.18143.99201.58191.98268.77179.98251.97239.98335.97287.97403.16383.96537.55431.96604.74539.95755.92647.94907.11 24137.25192.14183.00256.19243.99341.59228.74320.24304.99426.99365.99512.39487.99683.18548.99768.58686.23960.72823.481152.87 27200.77281.07267.69374.76356.92499.69334.61468.46446.15624.61535.38749.53713.84999.37803.071124.291003.831405.371204.601686.44 30272.65381.70363.53508.94484.70678.59454.41636.17605.88848.23727.061017.88969.411357.171090.581526.821363.231908.521635.882290.23 33371.01519.42494.68692.56659.58923.41618.35865.70824.471154.26989.371385.111319.161846.821484.052077.671855.062597.092226.073116.50 36476.47667.06635.30889.42847.071185.89794.121111.771058.831482.361270.601778.841694.132371.781905.902668.262382.373335.322858.854002.38干燥的粗加工表面的螺纹联接的拧紧力矩值(单位:N.m)性能等级 3.6 4.6 4.8 5.6 5.8 6.88.89.810.912.9螺纹直径d/mm min max min max min max min max min max min max min max min max min max min max 30.350.570.470.760.63 1.010.590.950.78 1.270.94 1.52 1.26 2.03 1.41 2.28 1.77 2.85 2.12 3.42 3.50.560.900.74 1.200.99 1.590.93 1.49 1.23 1.99 1.48 2.39 1.97 3.19 2.22 3.59 2.78 4.48 3.33 5.38 40.82 1.33 1.10 1.77 1.46 2.36 1.37 2.21 1.83 2.95 2.19 3.54 2.92 4.72 3.29 5.31 4.11 6.64 4.937.975 1.66 2.68 2.22 3.58 2.95 4.77 2.77 4.47 3.69 5.96 4.437.16 5.919.54 6.6510.748.3113.429.9716.106 2.82 4.56 3.76 6.08 5.028.10 4.707.60 6.2710.137.5312.1610.0316.2111.2918.2314.1122.7916.9327.357 4.737.65 6.3110.208.4213.597.8912.7410.5216.9912.6220.3916.8327.1918.9430.5923.6738.2328.4045.888 6.8511.079.1414.7612.1819.6811.4218.4515.2324.6018.2729.5124.3639.3527.4144.2734.2655.3441.1166.41 1013.5721.9218.1029.2324.1338.9822.6236.5430.1648.7236.1958.4648.2677.9554.2987.7067.86109.6281.43131.54 1223.6738.2431.5650.9842.0867.9839.4563.7352.6084.9763.12101.9784.17135.9694.69152.95118.36191.19142.03229.43 1437.6760.8650.2381.1466.98108.1962.79101.4383.72135.24100.46162.29133.95216.38150.70243.43188.37304.29226.04365.15 1658.7894.9578.37126.60104.50168.8197.97158.26130.62211.01156.75253.21209.00337.61235.12379.81293.90474.77352.68569.72 1880.87130.64107.83174.18143.77232.24134.78217.73179.71290.30215.65348.36287.54464.49323.48522.55404.35653.18485.22783.82 20114.66185.22152.88246.96203.84329.28191.10308.70254.80411.60305.76493.92407.68658.56458.64740.88573.30926.10687.961111.32 22155.98251.97207.98335.97277.31447.96259.97419.96346.63559.94415.96671.93554.61895.91623.941007.90779.921259.87935.911511.85 24198.24320.24264.33426.99352.44569.32330.41533.74440.54711.65528.65853.98704.871138.64792.981280.97991.221601.211189.471921.45 27290.00468.46386.66624.61515.55832.81483.33780.76644.441041.01773.321249.211031.101665.621159.981873.821449.982342.281739.982810.73 30393.82636.17525.10848.23700.131130.98656.371060.29875.161413.721050.191696.461400.262261.951575.292544.701969.113180.872362.933817.04 33535.91865.70714.541154.26952.721539.01893.181442.831190.901923.771429.082308.521905.453078.032143.633462.782679.534328.483215.445194.17 36688.241111.77917.651482.361223.541976.491147.071852.961529.422470.611835.312964.732447.083952.972752.964447.093441.205558.874129.446670.64精加工表面(无润滑)的螺纹联接的拧紧力矩值(单位:N.m)性能等级 3.6 4.6 4.8 5.6 5.8 6.88.89.810.912.9螺纹直径d/mm min max min max min max min max min max min max min max min max min max min max 30.160.230.220.300.290.410.270.380.360.510.430.610.580.810.650.910.81 1.140.98 1.37 3.50.260.360.340.480.460.640.430.600.570.800.680.960.91 1.28 1.03 1.44 1.28 1.79 1.54 2.15 40.380.530.510.710.670.940.630.890.84 1.18 1.01 1.42 1.35 1.89 1.52 2.12 1.90 2.66 2.28 3.19 50.77 1.07 1.02 1.43 1.36 1.91 1.28 1.79 1.70 2.39 2.04 2.86 2.73 3.82 3.07 4.29 3.83 5.37 4.60 6.446 1.30 1.82 1.74 2.43 2.32 3.24 2.17 3.04 2.89 4.05 3.47 4.86 4.63 6.48 5.217.29 6.519.127.8110.947 2.18 3.06 2.91 4.08 3.88 5.44 3.64 5.10 4.86 6.80 5.838.167.7710.888.7412.2410.9215.2913.1118.358 3.16 4.43 4.22 5.90 5.627.87 5.277.387.039.848.4311.8111.2415.7412.6517.7115.8122.1418.9726.56 10 6.268.778.3511.6911.1415.5910.4414.6213.9219.4916.7023.3922.2731.1825.0635.0831.3243.8537.5852.62 1210.9315.3014.5720.3919.4227.1918.2125.4924.2833.9929.1340.7938.8554.3843.7061.1854.6376.4865.5591.77 1417.3924.3423.1832.4630.9143.2828.9840.5738.6454.1046.3764.9261.8286.5569.5597.3786.94121.72104.33146.06 1627.1337.9836.1750.6448.2367.5245.2263.3060.2984.4072.35101.2896.46135.05108.52151.93135.65189.91162.78227.89 1837.3252.2549.7769.6766.3692.9062.2187.0982.94116.1299.53139.35132.71185.79149.30209.02186.62261.27223.95313.53 2052.9274.0970.5698.7894.08131.7188.20123.48117.60164.64141.12197.57188.16263.42211.68296.35264.60370.44317.52444.53 2271.99100.7995.99134.39127.99179.18119.99167.98159.98223.98191.98268.77255.97358.36287.97403.16359.96503.95431.96604.74 2491.50128.10122.00170.80162.66227.73152.50213.49203.33284.66243.99341.59325.32455.45365.99512.39457.49640.48548.99768.58 27133.84187.38178.46249.84237.95333.12223.07312.30297.43416.40356.92499.69475.89666.25535.38749.53669.22936.91803.071124.29 30181.76254.47242.35339.29323.14452.39302.94424.12403.92565.49484.70678.59646.27904.78727.061017.88908.821272.351090.581526.82 33247.34346.28329.79461.70439.72615.61412.24577.13549.65769.51659.58923.41879.441231.21989.371385.111236.711731.391484.052077.67 36317.65444.71423.53592.95564.71790.59529.42741.18705.89988.24847.071185.891129.421581.191270.601778.841588.252223.551905.902668.26精加工表面(有润滑)的螺纹联接的拧紧力矩值(单位:N.m)性能等级 3.6 4.6 4.8 5.6 5.8 6.88.89.810.912.9螺纹直径d/mm min max min max min max min max min max min max min max min max min max min max 30.140.190.180.250.240.340.230.320.300.420.360.510.480.680.540.760.680.950.81 1.14 3.50.210.300.280.400.380.530.360.500.470.660.570.800.76 1.060.85 1.20 1.07 1.49 1.28 1.79 40.320.440.420.590.560.790.530.740.700.980.84 1.18 1.12 1.57 1.26 1.77 1.58 2.21 1.90 2.66 50.640.890.85 1.19 1.14 1.59 1.07 1.49 1.42 1.99 1.70 2.39 2.27 3.18 2.56 3.58 3.20 4.47 3.83 5.376 1.09 1.52 1.45 2.03 1.93 2.70 1.81 2.53 2.41 3.38 2.89 4.05 3.86 5.40 4.34 6.08 5.437.60 6.519.127 1.82 2.55 2.43 3.40 3.24 4.53 3.03 4.25 4.05 5.66 4.86 6.80 6.479.067.2810.209.1012.7410.9215.298 2.64 3.69 3.51 4.92 4.68 6.56 4.39 6.15 5.868.207.039.849.3713.1210.5414.7613.1818.4515.8122.14 10 5.227.31 6.969.749.2812.998.7012.1811.6016.2413.9219.4918.5625.9820.8829.2326.1036.5431.3243.85 129.1012.7512.1416.9916.1922.6615.1721.2420.2328.3224.2833.9932.3745.3236.4250.9845.5263.7354.6376.48 1414.4920.2919.3227.0525.7636.0624.1533.8132.2045.0838.6454.1051.5272.1357.9681.1472.45101.4386.94121.72 1622.6131.6530.1442.2040.1956.2737.6852.7550.2470.3460.2984.4080.38112.5490.43126.60113.04158.26135.65189.91 1831.1043.5541.4758.0655.3077.4151.8472.5869.1296.7782.94116.12110.59154.83124.42174.18155.52217.73186.62261.27 2044.1061.7458.8082.3278.40109.7673.50102.9098.00137.20117.60164.64156.80219.52176.40246.96220.50308.70264.60370.44 2259.9983.9979.99111.99106.66149.3299.99139.99133.32186.65159.98223.98213.31298.64239.98335.97299.97419.96359.96503.95 2476.25106.75101.66142.33135.55189.77127.08177.91169.44237.22203.33284.66271.10379.55304.99426.99381.24533.74457.49640.48 27111.54156.15148.72208.20198.29277.60185.90260.25247.86347.00297.43416.40396.58555.21446.15624.61557.69780.76669.22936.91 30151.47212.06201.96282.74269.28376.99252.45353.43336.60471.24403.92565.49538.56753.98605.88848.23757.351060.29908.821272.35 33206.12288.57274.82384.75366.43513.00343.53480.94458.04641.26549.65769.51732.861026.01824.471154.261030.591442.831236.711731.39 36264.71370.59352.94494.12470.59658.83441.18617.65588.24823.54705.89988.24941.181317.661058.831482.361323.541852.961588.252223.55一般表面(无润滑)的螺纹联接的拧紧力矩值(单位:N.m)性能等级 3.6 4.6 4.8 5.6 5.8 6.88.89.810.912.9螺纹直径d/mm min max min max min max min max min max min max min max min max min max min max 30.240.400.330.530.430.710.410.670.540.890.65 1.060.87 1.420.98 1.60 1.22 2.00 1.47 2.40 3.50.380.630.510.840.68 1.120.64 1.050.85 1.40 1.03 1.67 1.37 2.23 1.54 2.51 1.92 3.14 2.31 3.77 40.570.930.76 1.24 1.01 1.650.95 1.55 1.26 2.07 1.52 2.48 2.02 3.30 2.28 3.72 2.84 4.65 3.41 5.585 1.15 1.88 1.53 2.50 2.04 3.34 1.92 3.13 2.56 4.17 3.07 5.01 4.09 6.68 4.607.51 5.759.39 6.9011.276 1.95 3.19 2.60 4.25 3.47 5.67 3.26 5.32 4.347.09 5.218.51 6.9511.357.8112.769.7715.9611.7219.157 3.28 5.35 4.377.14 5.839.52 5.468.927.2811.908.7414.2711.6519.0313.1121.4116.3926.7619.6632.128 4.747.75 6.3210.338.4313.777.9112.9110.5417.2212.6520.6616.8727.5518.9730.9923.7238.7428.4646.48 109.4015.3512.5320.4616.7027.2815.6625.5820.8834.1025.0640.9233.4154.5737.5861.3946.9876.7356.3892.08 1216.3926.7721.8535.6929.1347.5927.3144.6136.4259.4843.7071.3858.2795.1765.55107.0781.94133.8398.33160.60 1426.0842.6034.7856.8046.3775.7343.4771.0057.9694.6769.55113.6092.74151.47104.33170.40130.41213.00156.49255.60 1640.6966.4754.2688.6272.35118.1667.82110.7890.43147.71108.52177.25144.69236.33162.78265.87203.47332.34244.17398.81 1855.9991.4574.65121.9399.53162.5793.31152.41124.42203.21149.30243.86199.07325.14223.95365.78279.94457.23335.92548.67 2079.38129.65105.84172.87141.12230.50132.30216.09176.40288.12211.68345.74282.24460.99317.52518.62396.90648.27476.28777.92 22107.99176.38143.99235.18191.98313.57179.98293.97239.98391.96287.97470.35383.96627.14431.96705.53539.95881.91647.941058.29 24137.25224.17183.00298.89243.99398.52228.74373.62304.99498.15365.99597.78487.99797.05548.99896.68686.231120.85823.481345.01 27200.77327.92267.69437.23356.92582.97334.61546.53446.15728.71535.38874.45713.841165.93803.071311.681003.831639.591204.601967.51 30272.65445.32363.53593.76484.70791.68454.41742.20605.88989.60727.061187.52969.411583.371090.581781.291363.232226.611635.882671.93 33371.01605.99494.68807.98659.581077.31618.351009.98824.471346.64989.371615.971319.162154.621484.052423.951855.063029.932226.073635.92 36476.47778.24635.301037.66847.071383.54794.121297.071058.831729.431270.602075.311694.132767.081905.903112.972382.373891.212858.854669.45一般表面(有润滑) 的螺纹联接的拧紧力矩值(单位:N.m)性能等级 3.6 4.6 4.8 5.6 5.8 6.88.89.810.912.9螺纹直径d/mm min max min max min max min max min max min max min max min max min max min max30.180.290.240.380.310.510.290.480.390.630.470.760.63 1.010.71 1.140.88 1.43 1.06 1.71 3.50.280.450.370.600.490.800.460.750.62 1.000.74 1.200.99 1.59 1.11 1.79 1.39 2.24 1.67 2.6940.410.660.550.890.73 1.180.68 1.110.91 1.48 1.10 1.77 1.46 2.36 1.64 2.66 2.05 3.32 2.47 3.9850.83 1.34 1.11 1.79 1.48 2.39 1.38 2.24 1.85 2.98 2.22 3.58 2.95 4.77 3.32 5.37 4.15 6.71 4.988.056 1.41 2.28 1.88 3.04 2.51 4.05 2.35 3.80 3.14 5.07 3.76 6.08 5.028.10 5.649.127.0611.408.4713.687 2.37 3.82 3.16 5.10 4.21 6.80 3.94 6.37 5.268.50 6.3110.208.4213.599.4715.2911.8319.1214.2022.948 3.43 5.53 4.577.38 6.099.84 5.719.227.6112.309.1414.7612.1819.6813.7022.1417.1327.6720.5533.20 10 6.7910.969.0514.6212.0619.4911.3118.2715.0824.3618.1029.2324.1338.9827.1443.8533.9354.8140.7265.77 1211.8419.1215.7825.4921.0433.9919.7331.8726.3042.4931.5650.9842.0867.9847.3476.4859.1895.6071.01114.72 1418.8430.4325.1240.5733.4954.1031.4050.7241.8667.6250.2381.1466.98108.1975.35121.7294.19152.15113.02182.57 1629.3947.4839.1963.3052.2584.4048.9879.1365.31105.5078.37126.60104.50168.81117.56189.91146.95237.38176.34284.86 1840.4465.3253.9187.0971.88116.1267.39108.8689.86145.15107.83174.18143.77232.24161.74261.27202.18326.59242.61391.91 2057.3392.6176.44123.48101.92164.6495.55154.35127.40205.80152.88246.96203.84329.28229.32370.44286.65463.05343.98555.66 2277.99125.99103.99167.98138.65223.98129.99209.98173.32279.97207.98335.97277.31447.96311.97503.95389.96629.94467.95755.92 2499.12160.12132.16213.49176.22284.66165.20266.87220.27355.82264.33426.99352.44569.32396.49640.48495.61800.60594.73960.72 27145.00234.23193.33312.30257.77416.40241.66390.38322.22520.51386.66624.61515.55832.81579.99936.91724.991171.14869.991405.37 30196.91318.09262.55424.12350.06565.49328.19530.15437.58706.86525.10848.23700.131130.98787.641272.35984.561590.441181.471908.52 33267.95432.85357.27577.13476.36769.51446.59721.41595.45961.88714.541154.26952.721539.011071.811731.391339.772164.241607.722597.09 36344.12555.89458.83741.18611.77988.24573.53926.48764.711235.30917.651482.361223.541976.491376.482223.551720.602779.432064.723335.32。
螺丝扭力简单计算公式螺丝扭力是指施加在螺丝上的旋转力,用来固定物体或者连接物体的力。
在工程领域中,螺丝扭力的计算是非常重要的,因为它直接影响到螺丝的紧固效果和使用寿命。
在这篇文章中,我们将介绍螺丝扭力的简单计算公式,帮助读者更好地理解和应用螺丝扭力的知识。
螺丝扭力的计算公式可以通过以下步骤得到:1. 确定螺丝的材料和尺寸,首先需要确定螺丝的材料和尺寸,包括螺丝的直径、螺距、材料弹性模量等参数。
2. 计算螺丝的拉力,根据螺丝的材料和尺寸参数,可以计算出螺丝在紧固状态下的拉力,即施加在螺丝上的拉伸力。
3. 计算螺丝的扭矩,根据螺丝的拉力和螺距,可以计算出施加在螺丝上的扭矩,即旋转力。
4. 计算螺丝的扭力,最后,根据螺丝的扭矩和螺丝的长度,可以计算出螺丝的扭力,即施加在螺丝上的旋转力。
螺丝扭力的计算公式可以用以下简单的公式表示:T = F r。
其中,T表示螺丝的扭力,单位为牛顿米(N·m);F表示螺丝的拉力,单位为牛顿(N);r表示螺丝的长度,单位为米(m)。
根据这个公式,我们可以看到螺丝的扭力与螺丝的拉力和长度有直接的关系,拉力越大、长度越长,扭力也会越大。
因此,在实际工程中,我们需要根据具体的情况来选择合适的螺丝材料和尺寸,以满足设计要求。
除了上述简单的计算公式外,螺丝扭力的计算还需要考虑一些其他因素,比如螺丝的材料弹性模量、螺丝的表面处理、螺丝的使用环境等。
这些因素都会对螺丝的扭力产生影响,因此在实际工程中需要进行综合考虑。
总之,螺丝扭力的计算是工程领域中非常重要的一部分,它直接影响到螺丝的紧固效果和使用寿命。
通过本文介绍的简单计算公式,希望读者能够更好地理解和应用螺丝扭力的知识,为工程设计和实际应用提供帮助。
丝杠扭力值计算
摘要:
1.丝杠扭力值的概念
2.丝杠扭力值的计算方法
3.丝杠扭力值的应用实例
4.注意事项
正文:
1.丝杠扭力值的概念
丝杠扭力值,是指在机械传动系统中,丝杠所承受的扭矩。
它是衡量丝杠在承受负载时,所能传递的转动力矩大小的一个重要参数。
在实际应用中,了解和掌握丝杠扭力值的计算方法,有助于我们更好地选择和使用丝杠,保证机械传动系统的正常运行。
2.丝杠扭力值的计算方法
丝杠扭力值的计算公式为:
扭力值= (力矩/半径) ×螺距
其中,力矩是指作用在丝杠上的力与丝杠半径的乘积,螺距是指丝杠上螺纹的间距。
3.丝杠扭力值的应用实例
例如,一个丝杠的半径为R,螺距为P,作用在丝杠上的力为F。
假设我们已知力矩M=F×R,那么可以通过以下公式计算丝杠的扭力值:扭力值= (M/R) ×P
4.注意事项
在计算丝杠扭力值时,需要注意以下几点:
1) 确保计算中所使用的单位统一,如力矩的单位为牛顿米(N·m),螺距的单位为毫米(mm);
2) 计算扭力值时,应根据丝杠的材料、直径、长度等因素,考虑其安全系数,避免因超负荷使用导致丝杠损坏;
3) 在实际应用中,还需要考虑丝杠的安装方式、传动效率等因素,综合分析后确定实际所需的丝杠扭力值。
螺丝扳紧扭矩计算公式在机械工程中,螺丝扳紧扭矩是一个非常重要的参数,它直接影响到螺丝的紧固效果和工件的安全性。
正确地计算螺丝扭矩可以确保螺丝的紧固力达到要求,避免因紧固不足或者过紧而导致的问题。
在本文中,我们将介绍螺丝扳紧扭矩的计算公式及其应用。
螺丝扳紧扭矩的计算公式可以分为两种情况,一种是根据螺丝的材料和规格来计算扭矩,另一种是根据工件的材料和规格来计算扭矩。
下面我们将分别介绍这两种情况下的计算公式。
首先是根据螺丝的材料和规格来计算扭矩的情况。
对于一般的螺丝,其扭矩计算公式可以表示为:T = K F D。
其中,T为扭矩,K为摩擦系数,F为螺丝的预紧力,D为螺丝的公称直径。
摩擦系数K是一个与螺丝材料和润滑条件有关的参数,通常在设计手册或者相关标准中可以找到。
螺丝的预紧力F可以通过螺丝的拉伸力来计算,一般可以根据螺丝的拉伸性能和工程要求来确定。
螺丝的公称直径D可以直接测量得到。
通过这个公式,我们可以根据螺丝的材料和规格来计算出其所需的扭矩。
其次是根据工件的材料和规格来计算扭矩的情况。
对于螺丝紧固在不同材料的工件上,其扭矩计算公式可以表示为:T = K F D μ。
其中,T为扭矩,K为摩擦系数,F为螺丝的预紧力,D为螺丝的公称直径,μ为工件材料的摩擦系数。
在这个公式中,摩擦系数K和预紧力F的计算方法与上述相同,而工件材料的摩擦系数μ可以通过实验或者相关资料来确定。
通过这个公式,我们可以根据工件的材料和规格来计算出螺丝所需的扭矩。
除了上述的基本计算公式外,还有一些特殊情况下的扭矩计算需要引入一些修正系数。
例如,当螺丝处于受振动或者受冲击的环境中时,需要考虑振动或者冲击对扭矩的影响,此时需要引入一个动载荷系数。
另外,当螺丝处于高温或者低温环境中时,需要考虑温度对扭矩的影响,此时需要引入一个温度系数。
这些修正系数的计算方法通常可以在相关的设计手册或者标准中找到。
在实际工程中,螺丝扭矩的计算是一个比较复杂的过程,需要考虑到螺丝、工件和使用环境等多个因素。
常用螺纹丝锥攻牙切削参数螺纹丝锥是一种常用的切削工具,用于在金属材料上切削螺纹。
在使用螺纹丝锥进行切削之前,需要确定一些切削参数,以确保切削的效果和质量。
以下是一些常用的螺纹丝锥攻牙切削参数。
1.材料选择:螺纹丝锥可以用于切削各种金属材料,如铁、铜、铝等。
不同的材料需要选择不同的螺纹丝锥,以确保切削效果和寿命。
2.切削速度:切削速度是指螺纹丝锥在切削过程中的移动速度。
切削速度的选择应根据材料的硬度和切削质量要求来确定。
一般来说,对于硬度较高的材料,切削速度应适当降低,以避免过快的切削速度导致切削刃的磨损和断裂。
3.进给量:进给量是指螺纹丝锥在单位时间内切削的深度。
进给量的选择应考虑材料的硬度和切削刃的寿命。
对于硬度较高的材料,进给量应适当降低,以减少切削刃的磨损。
4.切削力:切削力是指螺纹丝锥在切削过程中产生的力。
切削力的大小与切削参数、切削刃的质量和材料的硬度有关。
过大的切削力会导致切削刃的磨损和断裂,因此应根据材料的硬度和切削刃的质量来选择合适的切削力。
5.刀具材料:螺纹丝锥的切削刃一般采用高速钢或硬质合金制造。
高速钢具有良好的切削性能和耐磨性,适合切削中等硬度的材料。
硬质合金具有更高的硬度和耐磨性,适合切削较硬的材料。
6.切削润滑:在切削过程中,可以使用切削润滑剂来降低切削力和延长切削刃的寿命。
切削润滑剂可以减少切削过程中的摩擦和热量,提高切削效果和质量。
7.切削表面处理:切削过程中产生的切削屑可能会对切削表面造成损坏。
为了获得更好的切削表面质量,可以采用适当的切削参数和切削润滑剂,并及时清除切削屑。
总之,螺纹丝锥的切削参数应根据材料的硬度、切削质量要求和切削刃的寿命来确定。
通过合理选择切削速度、进给量、刀具材料和切削润滑等参数,可以获得高质量的螺纹切削效果。
丝锥攻丝扭矩计算公式丝锥攻丝是机械加工中常用的一种方式,通过旋转丝锥将螺纹切削到工件表面,形成螺纹的工序。
而丝锥攻丝需要确定一个合适的扭矩,以确保切割质量和工具的寿命。
丝锥攻丝的扭矩计算公式包含以下几个要素:1.螺纹尺寸:包括螺距、直径等。
螺距是单位长度上螺纹的螺旋线数目,直径是螺纹的外径。
2.材料性质:不同的材料对应不同的切削参数,如硬度、材料的韧性等。
3.攻丝速度:这个参数也会影响最终计算出的扭矩值。
攻丝速度可以是切削刀具在单位时间内切削的线长。
根据以上要素,可以得到下面的扭矩计算公式:T=K*Fr*L/(D*m*Kc)其中,T是攻丝所需的扭矩,K是一个经验系数,Fr是切割力,L是攻丝的长度,D是攻丝所需的直径,m是硬度系数,Kc是一个附加系数。
切割力可以通过以下公式计算:Fr = (Fz * fn + Fa) * f其中,Fz是进给力,fn是每转进给量,Fa为径向力,f是附加系数。
硬度系数m是通过对材料的硬度进行测量得到的。
附加系数Kc是根据螺纹尺寸和工具类型等因素得出的。
实际上,对于丝锥攻丝计算公式的具体应用,往往需要根据具体的工件材料和钻具的类型以及螺纹尺寸等综合因素进行调整。
所以,最好的方法是参考相关的手册或者表格,根据具体的应用情况来确定合适的扭矩数值。
总而言之,丝锥攻丝的扭矩计算公式是一个综合考虑螺纹尺寸、材料性质和攻丝速度等因素的计算公式,通过该公式可以得到一种较为合理的扭矩数值,从而实现攻丝的质量和工具的寿命的平衡。
但由于各种因素的综合作用导致实际应用中存在很大的不确定性,因此需要参考手册或者表格来确定最终的扭矩数值。
您要打印的文件是:切削力计算的经验公式打印本文切削力计算的经验公式作者:佚名转贴自:本站原创度压缩比有所下降,但切削力总趋势还是增大的。
强度、硬度相近的材料,塑性大,则与刀面的摩擦系数μ也较大,故切削力增大。
灰铸铁及其它脆性材料,切削时一般形成崩碎切屑,切屑与前刀面的接触长度短,摩擦小,故切削力较小。
材料的高温强度高,切削力增大。
⑵切削用量的影响①背吃刀量和进给量的影响背吃刀量ap或进给量f加大,均使切削力增大,但两者的影响程度不同。
加大ap 时,切削厚度压缩比不变,切削力成正比例增大;加大f加大时,有所下降,故切削力不成正比例增大。
在车削力的经验公式中,加工各种材料的ap指数xFc≈1,而f的指数yFc=0.75~0.9,即当ap加大一倍时,Fc也增大一倍;而f加大一倍时,Fc只增大68%~86%。
因此,切削加工中,如从切削力和切削功率角度考虑,加大进给量比加大背吃刀量有利。
②切削速度的影响在图3-15的实验条件下加工塑性金属,切削速度vc>27m/min 时,积屑瘤消失,切削力一般随切削速度的增大而减小。
这主要是因为随着vc的增大,切削温度升高,μ下降,从而使ξ减小。
在vc<27m/min时,切削力是受积屑瘤影响而变化的。
约在vc=5m/min时已出现积屑瘤,随切削速度的提高,积屑瘤逐渐增大,刀具的实际前角加大,故切削力逐渐减小;约在vc=17m/min处,积屑瘤最大,切削力最小;当切削速度超过vc=17m/min,一直到vc=27m/min时,由于积屑瘤减小,使切削力逐步增大。
图3-15 切削速度对切削力的影响切削脆性金属(灰铸铁、铅黄铜等)时,因金属的塑性变形很小,切屑与前刀面的摩擦也很小,所以切削速度对切削力没有显著的影响。
⑶刀具几何参数的影响①前角的影响前角γo加大,被切削金属的变形减小,切削厚度压缩比值减小,刀具与切屑间的摩擦力和正应力也相应下降。
因此,切削力减小。
但前角增大对塑性大的材料(如铝合金、紫铜等)影响显著,即材料的塑性变形、加工硬化程度明显减小,切削力降低较多;而加工脆性材料(灰铸铁、脆铜等),因切削时塑性变形很小,故前角变化对切削力影响不大。
钛合金的攻丝扭矩以及丝锥的研究作者:李鑫来源:《无线互联科技》2013年第09期摘要:钛合金是一种具有比重小、强度高、耐腐蚀和耐热等特性的金属材料。
本文主要针对钛合金攻丝过程中的扭矩和丝锥进行分析,对实际的加工具有很强的参考价值。
关键词:钛合金;攻丝;扭矩;丝锥1 概要钛合金是高强度耐热合金,它的切削加工性很差,螺孔攻丝就更为困难。
它的工艺特点是被加工出的新生表面有很高的化学活性,很容易和氧、碳、氮生成一层坚硬的化合物,这是一层深度大的冷作硬化层;它又很容易和丝锥表面结合成牢固的金属化合物,使丝锥产生粘接磨损。
攻丝时,冷却、润滑和排屑条件比其它切削加工更差一些。
如果用一般碳钢丝锥加工,切屑厚度薄,切削在强度和硬度都高的冷作硬化层内进行,有时丝锥只攻4-5个螺孔,切削刃后面就被磨钝或产生崩刃和折断。
而且切屑和孔壁、丝锥之间发生强烈的摩擦,有尖锐的吱叫声,加工粗糙度差,所以钛合金攻丝是一道困难的加工工序。
2 钛合金的攻丝2.1 钛合金切削特点钛合金是一种难切削材料,切削过程中切削层变形小。
由于钛合金的塑性低并且钛的化学活泼性高,在高切削温度下化学亲和性很强,容易与大气中的氧、氮等元素化合,从而使脆性提高,切削变形小。
此外,钛合金在切削过程中切削温度高。
钛合金导热性很差,导热系数只相当于45号钢的1/5-1/7。
切削热不容易散出,主要集中在切削区和切削刃附近的较小范围内。
切削过程中产生的塑性变形,在高的切削温度下,使得钛很容易吸收空气中的氧和氮形成硬而脆的外皮,而产生冷硬现象。
丝锥攻丝过程属于半封闭式多刃薄切削过程,与车削螺纹相比较,切削条件恶劣。
在工件底孔内切出的螺纹,是由丝锥切削刃瓣上的各切削牙逐层切削而成的。
丝锥或工件旋转一周后,每个切削牙都前进一个螺距,并分别从工件上切除一层金属。
对于钛合金来说,因切削层巨大的摩擦力和塑性变形给运动中的丝锥受力带来了波动。
2.2 钛合金攻丝扭矩进行钛合金攻丝时,作用在丝锥各切削刃上的切削力可分解为轴向力Fa1.、Fa2…,径向力Fr1、Fr2…和切向力Ft1、Ft2…。
自动车床丝攻,滚牙径,材料比重计算公式(国际标准)国际标准一、挤牙丝攻内孔径计算公式:公式:牙外径-1/2×牙距例1:公式:M3×0.5=3-(1/2×0.5)=2.75mmM6×1.0=6-(1/2×1.0)=5.5mm例2:公式:M3×0.5=3-(0.5÷2)=2.75mmM6×1.0=6-(1.0÷2)=5.5mm二、一般英制丝攻之换算公式:1英寸=25.4mm(代码)例1:(1/4-30)1/4×25.4=6.35(牙径)25.4÷30=0.846(牙距)则1/4-30换算成公制牙应为:M6.35×0.846例2:(3/16-32)3/16×25.4=4.76(牙径)25.4÷32=0.79(牙距)则3/16-32换算成公制牙应为:M4.76×0.79三、一般英制牙换算成公制牙的公式:分子÷分母×25.4=牙外径(同上)例1:(3/8-24)3÷8×25.4=9.525(牙外径)25.4÷24=1.058(公制牙距)则3/8-24换算成公制牙应为:M9.525×1.058四、美制牙换算公制牙公式:例:6-326-32 (0.06+0.013)/代码×6=0.1380.138×25.4=3.505(牙外径)25.4÷32=0.635(牙距)那么6-32换算成公制牙应为:M3.505×0.6351、孔内径计算公式:牙外径-1/2×牙距则应为:M3.505-1/2×0.635=3.19那么6-32他内孔径应为3.192、挤压丝攻内孔算法:下孔径简易计算公式1:牙外径-(牙距×0.4250.475)/代码=下孔径例1:M6×1.0M6-(1.0×0.425)=5.575(最大下孔径)M6-(1.0×0.475)=5.525(最小)例2:切削丝攻下孔内径简易计算公式:M6-(1.0×0.85)=5.15(最大)M6-(1.0×0.95)=5.05(最小)M6-(牙距×0.860.96)/代码=下孔径例3:M6×1.0=6-1.0=5.0+0.05=5.05五、压牙外径计算简易公式:1.直径-0.01×0.645×牙距(需通规通止规止)例1:M3×0.5=3-0.01×0.645×0.5=2.58(外径)例2:M6×1.0=6-0.1×0.645×1.0=5.25(外径)六、公制牙滚造径计算公式:(饱牙计算)例1:M3×0.5=3-0.6495×0.5=2.68(车削前外径)例2:M6×1.0=6-0.6495×1.0=5.35(车削前外径)七、压花外径深度(外径)外径÷25.4×花齿距=压花前外径例:4.1÷25.4×0.8(花距)=0.13 压花深度应为0.13八、多边形材料之对角换算公式:1.四角形:对边径×1.414=对角径2.五角形:对边径×1.2361=对角径3.六角形:对边直径×1.1547=对角直径公式2: 1.四角:对边径÷0.71=对角径2.六角:对边径÷0.866=对角径九、刀具厚度(切刀):材料外径÷10+0.7参考值十、锥度的计算公式:公式1:(大头直径-小头直径)÷(2×锥度的总长)=度数等于查三角函数值公式2:简易(大头直径-小头直径)÷28.7÷总长=度数滚牙径计算公式一、 60°牙型的外螺纹中径计算及公差(国标GB 197/196)a. 中径基本尺寸计算:螺纹中径的基本尺寸=螺纹大径-螺距×系数值公式表示:d/D-P×0.6495例:外螺纹M8螺纹中径的计算8-1.25×0.6495=8-0.8119≈7.188b.常用的6h外螺纹中径公差(以螺距为基准)上限值为”0”下限值为P0.8-0.095 P1.00-0.112 P1.25-0.118P1.5-0.132 P1.75-0.150 P2.0-0.16P2.5-0.17上限计算公式即基本尺寸,下限值计算公式d2-hes-Td2即中径基本尺寸-偏差-公差M8的6h级中径公差值:上限值7.188 下限值:7.188-0.118=7.07C常用的6g级外螺纹中径基本偏差: (以螺距为基准)P 0.80-0.024 P 1.00-0.026 P1.25-0.028 P1.5-0.032P1.75-0.034 P2-0.038 P2.5-0.042上限值计算公式d2-ges即基本尺寸-偏差下限值计算公式d2-ges-Td2即基本尺寸-偏差-公差例M8的6g级中径公差值:上限值7.188-0.028=7.16 下限值:7.188-0.028-0.118=7.042注:①以上的螺纹公差是以粗牙为准,对细牙的螺纹公差相应有些变化,但均只是公差变大,所以按此控制不会越出规范界限,故在上述中未一一标出.②螺纹的光杆坯径尺寸在生产实际中根据设计要求的精度和螺纹加工设备的挤压力的不同而相应比设计螺纹中径尺寸加大0.04—0.08之间,为螺纹光杆坯径值,例我们公司的M8外螺纹6g级的螺纹光杆坯径实在7.08—7.13即在此范围.③考虑到生产过程的需要外螺纹在实际生产的未进行热处理和表面处理的中径控制下限应尽量保持在6h 级为准二、60°内螺纹中径计算及公差(GB 197 /196)a. 6H级螺纹中径公差(以螺距为基准)上限值:P0.8+0.125 P1.00+0.150 P1.25+0.16 P1.5+0.180P1.25+0.00 P2.0+0.212 P2.5+0.224下限值为”0”,上限值计算公式2+TD2即基本尺寸+公差例M8-6H内螺纹中径为:7.188+0.160=7.348 上限值:7.188为下限值b. 内螺纹的中径基本尺寸计算公式与外螺纹相同即D2=D-P×0.6495即内螺纹中径螺纹大径-螺距×系数值c. 6G级螺纹中径基本偏差E1(以螺距为基准)P0.8+0.024 P1.00+0.026 P1.25+0.028 P1.5+0.032P1.75+0.034 P1.00+0.026 P2.5+0.042例:M8 6G级内螺纹中径上限值:7.188+0.026+0.16=7.374下限值:7.188+0.026=7.214上限值公式2+GE1+TD2即中径基本尺寸+偏差+公差下限值公式2+GE1即中径尺寸+偏差三、外螺纹大径的计算及公差(GB 197/196)a. 外螺纹的6h大径上限值即螺纹直径值例M8为φ8.00上限值公差为”0”b. 外螺纹的6h级大径下限值公差(以螺距为基准)P0.8-0.15 P1.00-0.18 P1.25-0.212 P1.5-0.236 P1.75-0.265P2.0-0.28 P2.5-0.335大径下限计算公式:d-Td 即螺纹大径基本尺寸-公差例:M8外螺纹6h大径尺寸:上限为φ8,下限为φ8-0.212=φ7.788c. 外螺纹6g级大径的计算与公差6g级外螺纹的基准偏差(以螺距为基准)P0.8-0.024 P1.00-0.026 P1.25-0.028 P1.5-0.032 P1.25-0.024 P1.75 –0.034P2.0-0.038 P2.5-0.042上限计算公式d-ges 即螺纹大径基本尺寸-基准偏差下限计算公式d-ges-Td 即螺纹大径基本尺寸-基准偏差-公差例: M8 外螺纹6g级大径上限值φ8-0.028=φ7.972下限值φ8-0.028-0.212=φ7.76注:①螺纹的大径是由螺纹光杆坯径及搓丝板/滚丝轮的牙型磨损程度来决定的,而且其数值在同样毛坯及螺纹加工工具的基础上与螺纹中径成反比出现即中径小则大径大,反之中径大则大径小.②对需进行热处理和表面处理等加工的零件,考虑到加工过程的关系实际生产时应将螺纹大径控制在6h级的下限值加0.04mm以上,如M8的外螺纹在搓(滚)丝的大径应保证在φ7.83以上和7.95以下为宜.四、内螺纹小径的计算与公差a. 内螺纹小径的基本尺寸计算(D1)螺纹小径基本尺寸=内螺纹基本尺寸-螺距×系数例:内螺纹M8的小径基本尺寸8-1.25×1.0825=6.646875≈6.647b. 内螺纹6H级的小径公差(以螺距为基准)及小径值计算P0.8 +0. 2 P1.0 +0. 236 P1.25 +0.265 P1.5 +0.3 P1.75 +0.335P2.0 +0.375 P2.5 +0.48内螺纹6H级的下限偏差公式D1+HE1即内螺纹小径基本尺寸+偏差注:6H级的下偏值为“0”内螺纹6H级的上限值计算公式=D1+HE1+TD1即内螺纹小径基本尺寸+偏差+公差例:6H级M8内螺纹小径的上限值 6.647+0=6.6476H级M8内螺纹小径的下限值6.647+0+0.265=6.912c. 内螺纹6G级的小径基本偏差(以螺距为基准)及小径值计算P0.8 +0.024 P1.0 +0.026 P1.25 +0.028 P1.5 +0.032 P1.75 +0.034P2.0 +0.038 P2.5 +0.042内螺纹6G级的小径下限值公式=D1+GE1即内螺纹基本尺寸+偏差例: 6G级M8内螺纹小径的下限值 6.647+0.028=6.6756G级M8内螺纹小径的上限值公式D1+GE1+TD1即内螺纹基本尺寸+偏差+公差例: 6G级M8内螺纹小径的上限值是6.647+0.028+0.265=6.94注:①内螺纹的牙高直接关系到内螺纹的承载力矩的大小,故在毛坯生产中应尽量在其6H级上限值以内②在内螺纹的加工过程中,内螺纹小径越小会给加工具——丝锥的使用效益有所影响.从使用的角度讲是小径越小越好,但综合考虑时一般采用小径的在中限至上限值之间,如果是铸铁或铝件时应采用小径的下限值至中限值之间③内螺纹6G级的小径在毛坯生产中可按6H级执行,其精度等级主要考虑螺纹中径的镀层,故只在螺纹加工时考虑丝锥的中径尺寸而不必考虑光孔的小径。
切削力和扭矩之间存在密切的关系。
在进行切削加工时,切削力是产生切屑变形和切削分离的动力,它与切削过程中的物理现象、切削层参数、刀具参数、切削用量等许多因素有关。
而扭矩则是切削力的力矩,它的大小取决于切削力的作用点和切削力方向的确定。
理论上,切削力和扭矩之间的关系可以通过力学公式进行描述。
根据力学原理,在切削过程中,切削力与扭矩之间的关系可以表示为:T = F ×r,其中T表示扭矩,F表示切削力,r表示切削力的作用点到旋转中心的距离。
这个公式表明,当切削力的作用点离旋转中心越远时,所需的扭矩就越大。
在实际的切削加工过程中,切削力和扭矩之间的关系并不是线性的,因为切屑变形的程度、切削热的产生等因素都会对切削力的大小产生影响。
因此,为了精确地确定切削力和扭矩之间的关系,需要综合考虑各种因素,并使用先进的测试设备和测量技术进行实验和测量。
总的来说,切削力和扭矩之间的关系是复杂的,它们之间的具体关系取决于许多因素。
在切削加工中,了解和控制这些因素对于优化加工过程、提高加工效率和加工质量具有重要意义。
丝锥攻丝扭矩(切削力)的简单计算
对丝锥操作者来说,大多时候已不需要知道攻丝时所用切削力的大小了。
因为在丝锥及攻丝夹具设计的时候生产厂商已经过严格的计算。
但是,在某些情况下比如要调节具有过载保护装置的攻丝夹头扭矩的设定值,这个时候就需要有个比较准确的参考值。
因此,明确不同规格螺纹攻丝所需扭矩的大小则显得尤为重要。
根据丝锥的平均寿命,切削丝锥攻丝所需切削力可按以下公式计算:
M D=A·k s·d1/1000 [Nm]
挤压丝锥攻丝所需切削力公式:
M D=1.5·A·k s·d1/1000 [Nm]
上式中,
A——切屑截面积,A=0.25·P2 [mm2]
d1——丝锥大径[mm]
k s——材料比切力[N/mm2]
它反映了材料的切削难易程度,直观上有点类其中,比切力k
s是个重要的参数,
似于抗拉强度。
根据材料的不同,k
s大体上可按如下选择:
∙抗拉强度<850N/mm2的碳钢、合金钢:k s=2500N/mm2
∙抗拉强度<1100N/mm2的碳钢、合金钢:k s=3200N/mm2
∙抗拉强度<1400N/mm2的碳钢、合金钢:k s=3600N/mm2
∙灰口铸铁:k s=2000N/mm2
∙球墨铸铁:k s=2500N/mm2
∙铝合金:k s=700N/mm2
∙黄铜:k s=720N/mm2
∙抗拉强度<850N/mm2的奥氏体、铁素体及部分马氏体不锈钢:k s=3200N/mm2
∙抗拉强度<1100N/mm2的马氏体、奥-铁双相不锈钢:k s=3600N/mm2
∙抗拉强度<1400N/mm2的沉淀硬化不锈钢:k s=4000N/mm2
∙镍合金及钛合金:k s=4000N/mm2
∙洛氏硬度<44HRC的淬硬钢、高硬钢:k s=4100N/mm2
∙洛氏硬度<55HRC的淬硬钢、高硬钢:k s=4700N/mm2
∙洛氏硬度<60HRC的淬硬钢、高硬钢:k s=5000N/mm2
据此,可比较准确的计算出攻丝所需扭矩大小。
以M10×1.5为例,材料#45,使用切削丝锥攻丝所需扭矩:
M D=0.25·P2·k s·d1/1000=0.25·1.52·2500·10/1000≈14Nm
因此,如需调节攻丝夹头安全扭矩值,设定在20Nm左右为宜。