新产品订单评审记录表-更新
- 格式:doc
- 大小:43.50 KB
- 文档页数:1
订单评审管理程序(ISO9001-2015)1.0 目的明确和了解客户的要求和期望并对此进行评审, 以确保与产品和服务有关的要求和义务都能得到确定, 而且使本公司能满足这些要求, 做到客户满意。
2.0 适用范围适用于本公司所接受的量产中订单和即将量产的客户订单的评审和确认并对此做出承诺。
3.0 定义4.0 职责5.0 作业内容5.1 与产品和服务有关要求的确定5.1.1 由营业部负责对与产品和服务有关的要求进行确定包括:a. 顾客明确规定的要求,如交货期、包装、运输、售后服务等;b. 顾客没有明确规定,但预期或规定用途所必要的要求;c. 与产品有关的法律、法规的要求,如国家强制性标准等;d. 本公司附加的对顾客的责任。
e.与先前表述存在差异的合同或订单要求。
5.1.2 与产品有关的特殊及附加要求需在合同中说明。
5.2 与产品和服务有关的要求的评审5.2.1 试作订单的接收评审5.2.1.1 试作订单的评审由营业部执行,主要形式为营业部签字为审核证据。
5.2.2 量产品订单的接收评审5.2.2.1 当生产计划部门接收到顾客发出的订单后, 应实时核对订单内容, 确认订单字迹﹑产品图号﹑交货数量、交货日期﹑交货地点、交货方式及该产品的要求是否得到明确的规定, 确认是否有跟以前要求不一致的地方,交期是否能满足对应,确认是否有新的或其它特殊要求。
5.2.2.2确认无误后,作成《交货计划》,并将订单输入到电脑系统,编制系统出货指示,并回复客户,仓库根据系统出货指示进行备货、出货。
5.2.2.3 如材料或计划不能满足客户订单需求,则根据实际情况回复订单交货日期给客户。
5.2.2.4 当评审订单出现不能满足顾客要求时,则由生产计划确认后再与顾客联络沟通不能满足的原因,向客户提出《交货期(纳期)变更检讨依赖书》申请,同时相关部门应做出对策,尽量达到顾客要求。
当与客户协商不成时,上报处理。
5.3 订单变更5.3.1 当生产计划接到顾客的订单变更后,确认变更内容后,根据5.2.2审核。
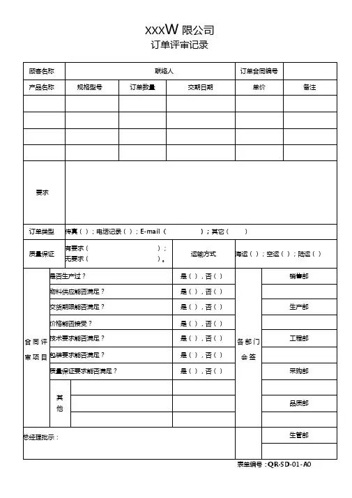
订单评审表订单评审表是一份非常重要的文档,它用于记录和评估客户订单的信息。
在这份表格中,我们可以记录客户的姓名、地址、订单详情、订单数量、支付方式等信息。
通过对这些信息的评估,我们可以确定这个订单是否符合公司的要求,同时我们也可以了解客户的需求,以便给予更好地服务。
一、订单评审表的必要性当我们接到客户的订单时,如果直接进行生产则无疑存在风险,一旦订单有误或者不符合要求,就会造成巨大的浪费,严重损害公司利益,同时也会给客户带来不良的购物体验,影响公司的声誉。
因此,为了避免产生这样的情况,我们需要进行订单评审。
通过对订单进行评审,及时发现订单中潜在的问题,以便及时交流或更改,让生产流程更加高效、准确。
二、订单评审表的内容1.客户信息:记录客户的姓名、地址、联系方式等必要信息,以便给予更好地服务。
2.订单详情:包括产品品种、尺寸、颜色、包装要求,以及订单数量等相关信息,确保与客户的沟通一致。
3.支付方式:记录客户的支付方式,判断是否有未收齐的款项。
4.交货时间:记录客户需要交货的时间,以便我们制定生产计划和安排物流。
三、订单评审表的注意事项1.尽可能详细地记录客户的要求,避免遗漏或误解。
2.及时与客户确认订单信息,确保订单正确无误。
如果存在疑问点,主动与客户沟通解决,充分了解客户需求,才能达到客户的满意。
3.评审表需要交由指定的专人负责,确保评审过程的严谨和有效性。
四、总结订单评审表旨在准确记录客户订单信息,评审制定正确、合理的生产计划和物流安排。
评审过程要严谨、有效,必须主动与客户沟通,解决问题,达到双方满意的结果。
通过这份表格,我们可以生产高品质的产品,同时为客户提供更优质的服务。
订单评审流程1、目的为了能满足客人交期,确保生产有序生产,生产节拍一致。
2、适用范围适用销售部、技术部、计划部、采购部、生产部、品质部对订单合同的评审。
3、表单引用4、职责4.1 销售部:负责根据客人需求,列出《待下单产品清单》明细,明细中包括:产品型号、数量、是否为新产品(含新产品订单的图纸由各部门审核后再进行订单评审)、交期,并在当日出具《订单评审表》。
4.2 技术部:负责《订单评审表》下的相关技术图纸制作、工艺明确及技术支持。
明确设计员、技术准备(图纸、BOM)、新物料、工艺准备,并更新《技术出图登记表》。
4.3 计划部:负责《订单评审表》下在《焊抛主计划》中计划预排,原材料、配件及外购件需求计划时间要求填写。
4.4 采购部:负责《订单评审表》下的原材料、配件及外协件按时采购到位。
并更新《新物料评审单》,新物料(物料编码)中需明确采购员、采购员确认物料到货周期并维护到系统中;外协厂家确定及外协周期。
4.5 生产部:负责结合生产的实际生产能力,评审出生产预计可完成时间。
并更新《模具刀排工装夹具制作记录》,工艺准备中包含模具、刀排、工装夹具。
4.6 品质部:负责在生产时各工序的检验,特殊设备的检测,制作新物料检验方法及标准。
4.7 副总:负责各部门评审后的审核及协调。
5、过程细则:5.1 销售部:接到客人的购买意向后,业务员列出销售《待下单产品清单》和客户反馈信息,填具《订单评审表》(评审表内容包括:订单号、客户代码、生产数量、装柜数量、交货期、有无新产品新工艺)。
5.1.1 当有新产品时,评审前跟单员先将《待下单产品清单》发到技术部、计划部、采购部、生产部、品质部,让相关部门做好预估。
5.1.2 当无新产品时,跟单员将填好的《订单评审表》,随附《待下单产品清单》依次拿到技术部和计划部进行评审。
5.1.3 当评审有异议时,跟单员将信息反馈到外贸副总处,以便总体权衡协调。
评审表填写如图(带“*”为必填项):注:1.新产品包括未生产过的产品、由老产品改造后未批量生产的产品。
新产品开发第一阶段审核表(计划和确定项目)新产品开发第二阶段审核表(产品设计和开发)新产品开发第三阶段审核表(过程设计和开发)新产品开发第四阶段审核表(产品和过程确认)新产品开发第五阶段审核表(反馈、评定和纠正措施)实用标准文案精彩文档A — 1 设计FMEA检查表修订日期第1页,共1页制定人:精彩文档A — 2 设计信息检查表修订日期第1页,共4页精彩文档A—2 设计信息检查表(续)修订日期第2页,共4页制定人:精彩文档A — 2 设计信息检查表(续)修订日期第3页,共4页制定人:精彩文档A — 2 设计信息检查表(续)修订日期第4页,共4页制定人:精彩文档A— 3 新设备、工装和试验设备检查表修订日期第1页,共2页制定人:精彩文档A — 3 新设备、工装和试验设备检查表(续)精彩文档A — 4 产品 / 过程质量检查表修订日期第1页,共4页本检查表并不打算代替克莱斯勒、福特和通用汽车公司的质量体系评定精彩文档A — 4 产品 / 过程质量检查表(续)修订日期第2页,共4页精彩文档A — 4 产品 / 过程质量检查表(续)修订日期第3页,共4页精彩文档A — 4 产品 / 过程质量检查表(续)修订日期第4页,共4页制定人:精彩文档A — 5 车间平面布置检查表修订日期第1页,共2页制定人:精彩文档A — 5 车间平面布置检查表(续)修订日期第2页,共2页制定人:精彩文档A — 6 过程流程图检查表修订日期第1页,共1页制定人:精彩文档A — 7 过程FMEA检查表修订日期第1页,共1页制定人:精彩文档A —8 控制计划检查表修订日期第1页,共1页制定人:精彩文档精彩文档。