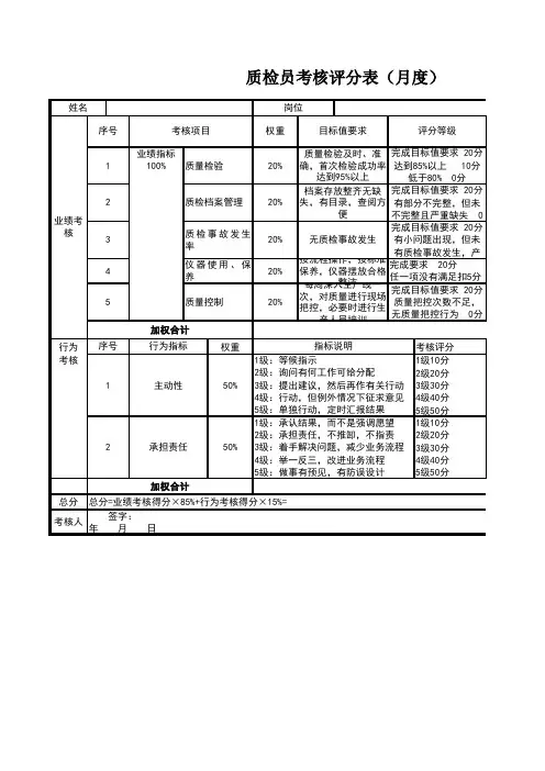
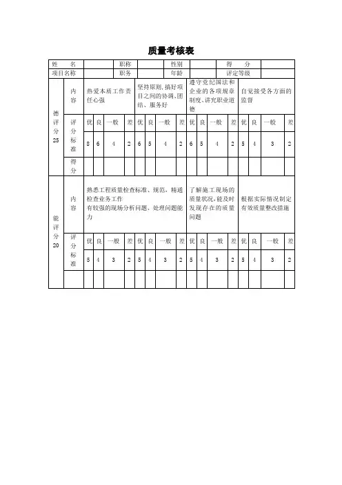
公司质量监督员行为规范考评表[资料]
- 格式:doc
- 大小:48.61 KB
- 文档页数:6
集团石化安全监督人员行为规范考评表编号:CORP-HR-JC03 被考核人: 填表日期:
集团石化安全监督人员行为规范考评表(续) 编号:CORP-HR-JC03 被考核人: 填表日期:
《集团石化安全监督人员行为规范考评表》(CORP-HR-JC03)
填表说明及要求
1.本表用于集团石化安全监督人员行为规范考评。
2.被考核人:被考核人员姓名。
3.扣分:按各扣分项目依次检查,根据实际情况决定各项目的扣分分
4.加分:按各加分项目依次检查,根据实际情况决定各项目的加分分值。
5.合计:汇总扣分项目和加分项目确定合计得分。
6.考核结果:考评人根据实际情况填写。
7.被考评人意见:被考评人签字确认,或提出异议。
8.考评组意见:考评组人员签字确认,或提出异议。
9.主管部门审核意见:被考核人主管部门签署审核意见。
三公司工程质量监督检查内容及评分表(2020版)
质量控制(35分)
检查组签字:受检单位签字:检查日期:
说明:
1、本检查评分表总分设置为100分,进行质量监督检查时,因各项目管理模式不同,若出现不适用项目,该项目不作评分,该项目的标准分值从100分总分中予以扣除,并按实际计算得分率。
2、评分时各单项检查内容得分最低值为0分,不得出现负分。
3、由于工程类别较多,难以列出全部类别施工工艺和工程实体质量的检查项目。
在进行有关项目质量监督检查时(如房屋建筑、地铁盾构、沥青路面、疏浚清淤、钢结构等),可对本表“施工工艺及现场质量”、“工程实体质量”两个大项的检查内容及评分标准做出调整(大项分值保持不变)。
公司安全质量员行为规范考评表(doc 4页)
上海市电力公司市区供电公司安全质量员行为规范考评表
2004年月
行为规范(非班员类)评分标准
被考核人姓名:丁国伟部门:腾隆沪北分公司综合事务部岗位:安全质量员
考核人姓名:凌虹部门:腾隆沪北分公司综合事务部
岗位:主管
考核期限:从200 年月至200 年月
被考核人签名:丁国伟考核人签名:凌虹日期:
行为规范(非班员类)月度工作计划表
被考核人姓名:丁国伟部门:腾隆沪北分公司综合事务部岗位:安全质量
考核人姓名:凌虹部门:腾隆沪北分公司综合事务部
岗位:主管
时间:2004 年12 月
被考核人签名:丁国伟考核人签名:凌虹日期:
行为规范考评表——部室专职岗位。
质量督导人员对考评人员工作评价表
编号:06020000-JL-061 姓名:鉴定职业(工种):鉴定人数:鉴定时间:
质量督导负责人(签字):年月日
诚信承诺书
编号:06020000-JL-062
本人在参与鉴定活动中承诺如下:
一、严格遵守职业道德,熟悉掌握有关考评工作的要求;
二、在鉴定过程中坚持公平公证原则,认真履行考评职责;
三、严格遵守职业技能鉴定工作的各项保密规定;
四、服从考评组长安排,独立完成考评任务,对有争议的事项由考评组长组织讨论并表决,形成最终结果;
五、自觉执行对亲属、朋友等利害关系的回避制度;
六、在鉴定结束后,认真总结考评工作,如实撰写考评报告,并在规定时间内交回;
七、积极地向鉴定科室提出改进考评工作的意见或建议。
本人接受包头市职业技能鉴定指导中心及信息技术与考务保障科的监督,如违反上述承诺,愿意承担相应责任。
承诺人(签字):
年月日
包头市职业技能鉴定考评人员年度考核表
编号:06020000-JL-063
鉴定所对考评人员工作评价表
编号:06020000-JL-064
鉴定所负责人(签字):年月日
考生对考评人员工作评价表
编号:06020000-JL-065 姓名:鉴定职业(工种):鉴定人数:鉴定时间:
考生签字:年月日。
上海市电力公司市区供电公司安全质量员行为规范考评表
2004 年月
行为规范(非班员类)评分标准
被考核人姓名:丁国伟 位:安全质量员 考核人姓名:凌虹 岗位:主管
考核期限:从200 年
部门:腾隆沪北分公司综合事务部 岗
部门:腾隆沪北分公司综合事务部
月
至 200 年 月
被考核人签名:丁国伟考核人签名:凌虹日期:
行为规范(非班员类)月度工作计划表
被考核人姓名:丁国伟部门:腾隆沪北分公司综合事务部岗位:安全质量
考核人姓名:凌虹部门:腾隆沪北分公司综合事务部
岗位:主管时间:2004年12 月
被考核人签名:丁国伟考核人签名:凌虹日期:
行为规范考评表一一部室专职岗位
被考核人姓名: __________ 丁国伟 ____________ 部门:腾隆沪北分公司综合事务部 考评期限: ___________________ 至 _____________________
凌虹
考核期初
日 部门:腾隆沪北分公司综合事务部
考核人姓名:
? 总体绩效回顾
-哪些目标已经达到 -哪些目标还未达到
-哪些客观条件对达到目标产生了积极或消极影响
考核期末。
质量系统人员考评表背景随着企业发展,质量控制越来越成为企业竞争的关键因素之一。
在这个严苛的市场环境下,为了确保产品质量的稳定性,保证企业的竞争力,需要对质量控制人员进行科学的考评和管理,以激发质量系统人员的积极性和创造性,提高质量控制管理的效率和质量水平。
管理目标本文档的管理目标是:建立科学、规范的质量系统人员考评制度,明确质量控制人员的职责、权利和义务,规范考核程序,提高质量控制管理质量和效率,营造良好的工作氛围。
考评内容考评内容包括以下方面:1. 岗位要求根据企业生产和管理需要,明确质量控制人员的工作职责和能力要求,建立详细的岗位说明书,并对质量控制人员的岗位要求进行评估和量化。
2. 工作表现根据岗位要求,对质量控制人员的工作表现进行考评。
包括但不限于:•工作效率:完成任务的速度、质量和数量。
•工作态度:认真负责、积极配合、沟通等。
•专业技能:掌握的专业技能、应用能力。
•团队合作:与同事或其他部门的合作情况。
3. 个人发展考虑到员工的个人发展需要,需要关注质量系统人员的个人成长和专业发展。
对员工的成长与发展情况进行考评。
考评标准考评标准是实施考评工作的依据和基础,考评标准的制定需要科学、公正、公平。
考虑到不同的岗位有不同的工作要求,需要根据不同的职责制定相应的考评标准。
1. 岗位要求对不同岗位的职责与能力进行评估和量化,制定相应的岗位要求标准,作为评估考核标准的依据。
2. 工作表现工作表现作为考评内容之一,可以从以下几个方面考核:•工作效率:任务处理速度、质量和数量设定相应的工作指标,考核时需要依据指标,进行实际应用效果的考核;•工作态度:从员工对工作的认真负责、积极主动、沟通配合等方面进行评估;•专业技能:方面从员工对掌握的专业技能应用能力方面进行考核;•团队合作:从员工在与同事或其他部门的合作中所体现出的彼此配合、提供帮助、协调与沟通等方面进行评估。
3. 个人发展针对个人发展方面,主要从员工的成长与发展方面进行考评。