结构设计常用数据
- 格式:doc
- 大小:45.51 KB
- 文档页数:9
结构设计常用数据在结构设计领域中,有许多常用的数据和参数,这些数据和参数在设计过程中起着至关重要的作用。
本文将介绍一些结构设计中常用的数据和其含义,以帮助读者更好地理解结构设计工作。
1. 设计荷载设计荷载是指在结构设计过程中需要考虑的所有荷载,包括静态荷载、动态荷载、气候荷载等。
常见的设计荷载有自重荷载、活载、风荷载、地震荷载等。
设计荷载的合理确定对结构的安全性和经济性非常重要。
2. 结构材料结构材料是指用于构建结构的材料,包括钢材、混凝土、木材等。
不同材料具有不同的力学性能和耐久性能,在设计过程中需要选择合适的材料以满足设计要求。
3. 截面尺寸截面尺寸是指结构截面的几何尺寸,包括高度、宽度、厚度等。
截面尺寸的选择与结构的承载能力和稳定性密切相关,在设计过程中需要通过计算和试错确定合适的截面尺寸。
4. 跨径跨径是指结构的横向距离,例如桥梁的主跨、楼板的跨度等。
不同跨度的结构会受到不同的荷载和力学效应影响,跨径的合理选择对结构的安全性和经济性至关重要。
5. 支座类型支座类型是指结构与基础之间的连接方式,常见的支座类型有固定支座、铰支座、滑动支座等。
不同支座类型对结构的受力、变形和稳定性有着不同的影响,支座的选择应根据具体情况进行。
6. 屈曲长度屈曲长度是指结构在受压状态下发生屈曲时的长度,也称为临界长度。
屈曲长度的大小与结构的截面形状、材料性能等因素相关,屈曲长度的控制是保证结构稳定性的重要措施之一。
7. 结构间距结构间距是指相邻结构之间的距离,例如柱子之间的间距、梁与柱之间的距离等。
合理的结构间距可以保证结构的正常使用和维护,避免发生碰撞和干扰。
8. 剪切跨径比剪切跨径比是指结构受剪时,剪力作用点距离梁端的距离与梁的跨度之比。
剪切跨径比的大小对梁的剪切性能有重要影响,剪切跨径比的确定需要考虑材料的剪切强度和结构的抗剪能力。
9. 设计系数设计系数是结构设计中用于考虑不确定性和安全性的参数,常见有荷载系数、材料系数、部件系数等。
结构设计常用数据结构设计常用数据1. 引言结构设计是指按照一定的规范和要求,对各种建筑和工程结构进行合理设计的过程。
在结构设计过程中,需要使用许多常用数据来进行计算和分析。
本文将介绍一些在结构设计中常用的数据。
2. 材料力学性能数据2.1 强度指标- 抗拉强度(Tensile strength): 材料在拉伸过程中能够抵抗外力而不发生断裂的最大应力。
- 屈服强度(Yield strength): 材料开始发生塑性变形时所能承受的最大应力。
- 剪切强度(Shear strength): 材料在受到切割力时可以抵抗剪断发生的最大应力。
- 抗压强度(Compressive strength): 材料在受压状态下能够承受的最大应力。
2.2 强度设计值强度设计值是指在建筑和工程结构设计中所能使用的材料强度的一种安全系数处理表达式。
常见的强度设计值有塑性抗力设计值、单调分力设计值等。
3. 结构荷载数据3.1 自重自重是指建筑物本身的重量。
在结构设计中,自重常用于计算结构的强度和稳定性。
3.2 活载活载是指在建筑物使用过程中可变的加载,如人员、家具、设备等产生的荷载。
在结构设计中,活载常用于计算结构的变形和挠度。
3.3 风荷载风荷载是指风对建筑物表面的作用力。
在结构设计中,风荷载常用于计算结构的稳定性和振动。
3.4 地震荷载地震荷载是指地震引起的地面运动对建筑物的作用力。
在结构设计中,地震荷载常用于计算结构的抗震性能。
4. 结构几何数据4.1 长度长度是指建筑物在各个方向上的线性尺寸。
在结构设计中,长度常用于计算结构的变形和位移。
4.2 面积面积是指建筑物平面尺寸的大小。
在结构设计中,面积常用于计算结构的荷载分布和应力分布。
4.3 体积体积是指建筑物在三维空间中所占的空间大小。
在结构设计中,体积常用于计算结构的质量和惯性矩。
5. 结构断面数据5.1 面积断面的面积是指断面平面内的面积大小。
在结构设计中,面积常用于计算结构的承载能力。
建筑结构设计七个重要参数建筑结构设计是建筑工程中至关重要的环节,它关乎到建筑的稳固性、经济性和安全性。
在进行建筑结构设计时,需要考虑七个重要参数,这些参数对于建筑结构的设计和建设起着至关重要的作用。
下面将详细介绍这七个重要参数。
参数一:荷载荷载是指对建筑结构施加的外力和外载荷。
外力包括自重、活载(人员、设备等)、风载、地震载、温度变化引起的荷载等。
荷载是建筑结构设计的基础,合理估计和分析荷载有助于确保结构的稳定性和安全性。
参数二:强度强度是指结构材料所能承受的最大外力或应力。
在建筑结构设计中,需要考虑材料的强度和抗力,以确保结构的安全性。
强度设计要充分考虑结构的各种不利因素,如荷载类型、弯曲、剪切、压缩等,并根据设计规范进行相应的计算和分析。
参数三:刚度刚度是指结构抵抗外力变形的能力。
在建筑结构设计中,需要考虑结构的刚度,以确保结构在受力后能够保持稳定。
刚度设计要充分考虑结构的几何形状、材料的性质,以及结构的连接方式,采用合适的刚度设计有助于提高结构的稳定性和整体性。
参数四:稳定性稳定性是指建筑结构在受到外力作用后仍能保持平衡和稳定的能力。
在建筑结构设计中,需要考虑结构的整体稳定性,以确保结构不会发生失稳和倒塌。
稳定性设计要充分考虑结构的几何形状、重心位置、支座条件等因素,采用合适的稳定性设计有助于提高结构的抗风、抗震能力。
参数五:耐久性耐久性是指建筑结构能够在长期使用条件下保持强度、刚度和稳定性的能力。
在建筑结构设计中,需要考虑结构的耐久性,以确保结构能够长期使用而不会出现损坏和退化。
耐久性设计要充分考虑结构材料的性质、外界环境的影响,采用合适的防护措施有助于延长结构的使用寿命。
参数六:经济性经济性是指在保证结构安全、稳定和耐久的前提下,以最少的材料和成本达到设计要求。
在建筑结构设计中,需要考虑结构的经济性,以确保在有限的资源条件下实现设计目标。
经济性设计要充分考虑结构的材料选择、结构形式和施工工艺,采用合适的经济性设计有助于减少成本和资源消耗。
结构设计常用数据在结构设计领域,准确可靠的数据是确保设计质量和安全性的基石。
无论是建筑结构、机械结构还是其他各类工程结构,都依赖于一系列关键的数据来进行合理的规划和计算。
接下来,让我们一起深入了解一下结构设计中那些常用的数据。
首先,材料的性能数据是重中之重。
不同的材料具有不同的强度、刚度、韧性等特性。
以钢材为例,其屈服强度、抗拉强度、弹性模量等数据直接影响着钢结构的承载能力和稳定性。
常见的钢材如 Q235、Q345 等,它们各自的力学性能参数都有明确的标准规定。
再如混凝土,其抗压强度、抗拉强度、弹性模量等数据对于混凝土结构的设计至关重要。
此外,木材、铝合金等材料也都有相应的性能指标需要在设计中加以考虑。
结构的荷载数据也是必不可少的。
荷载分为恒载、活载和偶然荷载三大类。
恒载指的是结构自身的重量,包括构件、墙体、楼板等的重量。
在计算恒载时,需要准确获取各种建筑材料的密度数据。
活载则是指人员、家具、设备等可移动的荷载。
例如,住宅的楼面活载标准值通常为 20kN/m²,而商场的楼面活载标准值则会更高。
偶然荷载包括地震作用、风荷载等。
地震作用的大小与地震烈度、场地类别、结构类型等因素有关。
风荷载则取决于当地的基本风压、建筑高度、体型系数等。
在结构构件的尺寸设计中,截面尺寸的数据起着关键作用。
例如,钢梁的高度和宽度、混凝土梁的截面尺寸等,需要根据跨度、荷载大小以及材料强度等因素来确定。
合理的截面尺寸既能满足承载要求,又能避免材料的浪费。
结构的连接数据同样不容忽视。
焊接、螺栓连接、铆钉连接等是常见的连接方式,每种连接方式都有相应的强度设计值和构造要求。
焊接的焊缝长度、高度,螺栓的直径、间距等数据都需要经过精确计算和设计,以确保连接的可靠性。
在进行结构分析和计算时,还需要用到一些几何数据。
比如结构的跨度、高度、长宽比等。
这些数据对于确定结构的受力模式和计算模型具有重要意义。
另外,基础设计中的数据也十分关键。
结构设计常用数据本文档是关于结构设计常用数据的详细范本,旨在提供参考和指导。
以下是各个章节的细化内容:1、数据收集1.1 结构设计的基本要求1.2 相关设计规范和标准1.3 工程现场数据收集方法和工具2、结构材料数据2.1 施工材料性能指标2.2 材料强度参数2.3 材料的变形和稳定性参数2.4 材料的耐久性和抗腐蚀性能3、结构荷载数据3.1 建筑物自重3.2 活载和可变荷载3.3 风荷载和地震荷载3.4 温度荷载和水荷载3.5 其他特殊荷载4、结构尺寸和几何数据4.1 建筑物的总体尺寸4.2 结构各部分的几何参数4.3 连接件和连接方式的细节尺寸5、结构分析及设计参数5.1 结构静力分析参数5.2 结构动力分析参数(如振动频率、周期等) 5.3 结构稳定性分析参数5.4 结构疲劳分析参数6、结构施工数据6.1 施工方法和工程组织6.2 施工阶段和施工顺序6.3 施工过程中的监控数据7、结构维护和检测数据7.1 结构定期检测数据记录7.2 维护和修缮记录7.3 结构健康监测数据8、结构设计计算方法和公式8.1 结构静力计算方法和公式8.2 结构动力计算方法和公式8.3 结构稳定性计算方法和公式9、结构设计软件和工具9.1 常用的结构设计软件介绍9.2 结构分析和计算工具介绍9.3 其他辅助设计工具介绍附件:本文档涉及的附件包括各个章节中提到的相关规范、标准、数据记录表格、施工监测报告等。
法律名词及注释:1、法律名词1:注释12、法律名词2:注释23、法律名词3:注释3。
建筑结构设计是建筑工程中至关重要的一环,设计中需要用到各种常用数据来保证建筑的安全性和稳定性。
本文将介绍建筑结构设计中常用的一些数据,并对其进行详细解释和说明。
一、载荷数据1.1 风荷载风荷载是建筑结构设计中非常重要的一个数据,建筑结构需要能够承受风力对其造成的压力和影响。
根据建筑所在地的气象环境和地理位置,需要对风荷载进行精确的计算,并在设计中予以考虑和合理安排。
1.2 地震荷载地震荷载是指建筑在地震作用下所受到的荷载,地震荷载的大小和方向会对建筑结构的稳定性造成影响。
在设计中需根据建筑所在地的地震烈度和地震参数来进行精确的计算和分析。
二、材料性能数据2.1 混凝土的抗压强度混凝土是建筑结构中常用的一种材料,在设计中需要了解混凝土的抗压强度,并根据其性能进行合理选择和使用。
2.2 钢材的屈服强度钢材作为建筑结构中的另一种重要材料,其屈服强度是设计中需要考虑的重要数据之一。
设计师需要根据钢材的屈服强度来确定结构的受力情况和承载能力。
三、构件尺寸数据3.1 梁的截面尺寸梁是建筑结构中常用的构件,其截面尺寸需要根据受力情况和承载能力进行合理设计和选择。
3.2 柱的截面尺寸柱作为建筑结构中的另一种重要构件,其截面尺寸的大小和形状会对结构的稳定性和承载能力造成影响,设计师需要根据柱的受力情况和承载能力来确定其截面尺寸。
四、连接节点数据4.1 螺栓连接参数在建筑结构设计中,不同构件之间的连接需要使用螺栓等连接件,设计师需要根据构件的受力情况和连接方式来确定螺栓的规格和参数。
4.2 焊缝设计参数焊缝是建筑结构中常用的连接方式,设计师需要根据构件的受力情况和连接方式来确定焊缝的设计参数,以保证连接的牢固性和稳定性。
建筑结构设计中常用的数据涉及载荷数据、材料性能数据、构件尺寸数据和连接节点数据等方面,设计师需要根据这些数据来进行合理的计算和分析,以保证建筑结构的安全性和稳定性。
希望本文能对建筑结构设计中常用数据的了解有所帮助。
结构设计常用数据1. 强度设计参数在结构设计中,强度设计参数是十分重要的数据,它们包括以下几个方面:抗压强度(fc):表示材料在受到压力时的最大承载能力。
这个参数常用于柱子、墙体等受压构件的设计中。
抗拉强度(ft):表示材料在受到拉力时的最大承载能力。
这个参数常用于梁、板等受拉构件的设计中。
剪切强度(fv):表示材料在受到剪切力时的最大承载能力。
这个参数常用于梁、板等受剪构件的设计中。
扭转强度(fd):表示材料在受到扭转力时的最大承载能力。
这个参数常用于柱子、梁等受扭构件的设计中。
这些强度设计参数通常由材料的试验数据得出,不同的材料在不同情况下可能会有不同的数值。
2. 几何数据几何数据是描述构件形状和尺寸的重要参数,在结构设计中经常被使用。
常见的几何数据包括:面积(A):表示构件所占据的平面面积,常用于计算受压构件的承载能力。
截面形状参数:不同形状的截面有不同的计算公式,一些常见的截面形状参数包括矩形、圆形、T形、I形等。
跨度(L):表示构件的长度,常用于计算梁的挠度和承载能力。
高度(H):表示构件的垂直距离,常用于计算柱子的承载能力。
倾角(θ):表示构件的倾斜程度,常用于计算斜拉索的张力等。
这些几何数据通常由工程师根据实际情况测量得出或者通过图纸获得。
3. 荷载数据荷载数据是指结构在使用过程中所受到的外力或内力,它是结构设计中不可或缺的重要参数。
常见的荷载数据包括:死荷载:也称为常驻荷载,是结构自身所产生的静态荷载,如自重、仪器设备等。
活荷载:也称为可变荷载,是结构在使用过程中产生的荷载,如人员、设备、雨水等。
风荷载:指风对建筑物或结构物产生的荷载。
地震荷载:指地震对建筑物或结构物产生的荷载。
荷载数据需要根据实际情况进行估算或者通过测量获得,并且需要根据设计规范进行合理的选取和计算。
4. 边界条件边界条件是结构设计中必须考虑的数据,它是指结构的约束和支承情况。
常见的边界条件包括:支座类型:包括固支、滑动支座、铰支、弹性支座等。
结构设计常用数据表格结构设计常用数据表格1.项目信息表---- 字段名 ---- 类型 ---- 说明 ---- ---- --------- ---- ------- ---- -------------- ---- ---- 项目名称 ---- 字符串 ---- 项目的名称 ---- ---- 项目编号 ---- 字符串 ---- 项目的编号 ---- ---- 项目负责人---- 字符串 ---- 项目负责人姓名 ---- ---- 项目描述 ---- 字符串 ---- 项目的描述信息 ---- ---- 开始日期 ---- 日期 ---- 项目开始的日期 ---- ---- 结束日期 ---- 日期 ---- 项目预计结束日期 ----2.构件信息表---- 字段名 ---- 类型 ---- 说明 -------- ---------- ---- ------- ---- ---------------- -------- 构件名称 ---- 字符串 ---- 构件的名称 -------- 构件编号 ---- 字符串 ---- 构件的编号 -------- 构件负责人 ---- 字符串 ---- 构件负责人姓名 -------- 所属项目 ---- 字符串 ---- 构件所属的项目 -------- 构件类型 ---- 字符串 ---- 构件的类型 -------- 材料 ---- 字符串 ---- 构件的材料 -------- 重量 ---- 浮点数 ---- 构件的重量 -------- 尺寸 ---- 字符串 ---- 构件的尺寸 ----3.结构分析表---- 字段名 ---- 类型 ---- 说明 ----------- 构件名称 ---- 字符串 ---- 构件的名称 -------- 所属项目 ---- 字符串 ---- 构件所属的项目 -------- 荷载类型 ---- 字符串 ---- 荷载的类型 -------- 荷载大小 ---- 浮点数 ---- 荷载的大小 -------- 最大应力 ---- 浮点数 ---- 构件的最大应力 -------- 安全系数 ---- 浮点数 ---- 构件的安全系数 -------- 变形量 ---- 浮点数 ---- 构件的变形量 ----4.结构设计细节表---- 字段名 ---- 类型 ---- 说明 ----------- 构件名称 ---- 字符串 ---- 构件的名称 -------- 所属项目 ---- 字符串 ---- 构件所属的项目 -------- 设计参数 ---- 字符串 ---- 结构设计的参数 -------- 设计结果 ---- 字符串 ---- 结构设计的结果 -------- 材料选择 ---- 字符串 ---- 材料的选择 -------- 施工方法 ---- 字符串 ---- 施工方法 ----5.进度表---- 字段名 ---- 类型 ---- 说明 -------- ---------- ---- ------- ---- ---------------- ----------- 所属项目 ---- 字符串 ---- 项目所属的项目 -------- 开始日期 ---- 日期 ---- 任务的开始日期 -------- 结束日期 ---- 日期 ---- 任务的结束日期 -------- 任务描述 ---- 字符串 ---- 任务的描述信息 -------- 负责人 ---- 字符串 ---- 负责人姓名 -------- 完成进度 ---- 字符串 ---- 任务的完成进度 ----6.质量检验表---- 字段名 ---- 类型 ---- 说明 -------- ---------- ---- ------- ---- ---------------- ----------- 所属项目 ---- 字符串 ---- 构件所属的项目 -------- 检验日期 ---- 日期 ---- 检验的日期 -------- 检验结果 ---- 字符串 ---- 检验的结果 -------- 检验人 ---- 字符串 ---- 检验人姓名 ----7.材料清单表---- 字段名 ---- 类型 ---- 说明 -------- ---------- ---- ------- ---- ---------------- -------- 构件名称 ---- 字符串 ---- 构件的名称 -------- 所属项目 ---- 字符串 ---- 构件所属的项目 ----------- 材料数量 ---- 整数 ---- 材料的数量 -------- 材料规格 ---- 字符串 ---- 材料的规格 -------- 供应商 ---- 字符串 ---- 供应商名称 ----附件:1.项目计划书2.构件设计图纸3.结构分析报告4.施工方案法律名词及注释:1.荷载类型:指施加在结构上的力或重量,如静荷载、动荷载等。
结构设计常用数据结构设计常用数据1. 强度设计参数1.1 材料抗拉强度(σt):指材料在拉伸破坏前能承受的最大拉应力。
1.2 材料屈服强度(σy):指材料在受到持续或周期性加载时产生可定量测量的塑性变形的最大应力。
1.3 材料压缩强度(σc):指材料在受到压缩加载时能承受的最大应力。
1.4 材料弯曲强度(σb):指材料在受到弯曲加载时能承受的最大应力。
1.5 构件截面尺寸(A):截面面积,用于计算构件的剪切强度和抗弯刚度等参数。
1.6 构件长度(L):指构件的长度,用于计算构件的稳定性。
1.7 设计受力方式:包括受拉、受压、弯曲、剪切等。
1.8 安全系数(FoS):指设计载荷与实际工作载荷之比,用于确保结构的安全性。
2. 刚度设计参数2.1 构件弯曲刚度(EI):指构件对弯曲荷载的抵抗能力,与构件的截面形状、尺寸、材料性质等相关。
2.2 构件扭转刚度(GJ):指构件对扭转荷载的抵抗能力,与构件的截面形状、尺寸、材料性质等相关。
2.3 构件剪切刚度(GA):指构件对剪切荷载的抵抗能力,与构件的截面形状、尺寸、材料性质等相关。
3. 稳定性设计参数3.1 边缘受压稳定系数(β):指边缘受压构件的稳定性能指标,用于计算构件在受压状态下的稳定性。
3.2 端截面受剪稳定系数(τ):指端截面受剪构件的稳定性能指标,用于计算构件在受剪状态下的稳定性。
3.3 屈曲长度(λ):指构件在稳定状态下的长度,用于计算构件的稳定性。
4. 耐久性设计参数4.1 材料抗腐蚀性能:指材料对外界环境腐蚀的抵抗能力。
4.2 构件防护措施:包括防腐涂层、防水处理等,用于提高构件的耐久性。
4.3 设计使用寿命:指构件的设计预计使用年限。
4.4 构件维护保养:包括定期检查、维修等,用于延长构件的使用寿命。
5. 施工性设计参数5.1 施工工艺要求:包括施工工艺、施工工期等,用于指导施工过程中的操作。
5.2 施工材料要求:包括施工所用的材料种类、性能要求等。
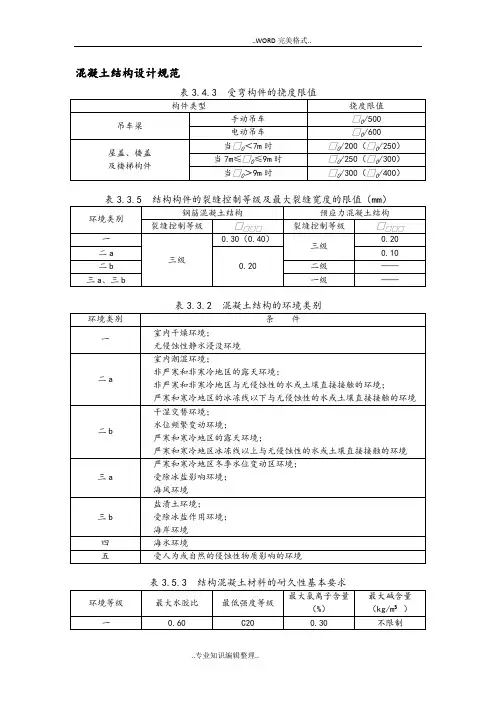
结构设计常用数据及抗震参数1.常用参数1.1环境类别注:I:室内潮湿环境是指构件表面经常处于结露或湿润状态的环境;2:严寒和寒冷地区的划分应符合现行国家标准《民用建筑热工设计规范》GB 50176的有关规定;3:海岸环境和海风环境宜根据当地情况,考虑主导风向及结构所处迎风、背风部位等因素的影响,由调查研究和工程经验确定;4:受除冰盐影响环境是指受到除冰盐盐雾影响的环境;受除冰盐作用环境是指被除冰盐溶液溅射的环境以及使用除冰盐地区的洗车房、停车楼等建筑。
5:暴露的环境是指混凝土结构表面所处的环境。
1.2保护层厚度注:I:混凝土强度等级不大于C25时,表中保护层厚度数值应增加5mm;2:钢筋混凝土基础宜设置混凝土垫层,基础中钢筋的混凝土保护层厚度应从垫层顶面算起,且不应小于40mm;8.2.2当有充分依据并采取下列措施时,可适当减小混凝土保护层的厚度;I:构件表面有可靠的防护层;2:采用工厂化生产的预制构件;3:在混凝土中掺加阻锈剂或采用阴极保护处理等防锈措施;与土壤接触一侧钢筋的保护层厚度可适当减少,但不应小于25mm;8.2.3:当梁、柱、墙中纵向受力钢筋的保护层厚度大于50mm时,宜对保护层采取有效的构造措施;当在保护层内配置防裂、防剥落的钢筋网片时,网片钢筋的保护层厚度不应小于25mm1.3地面粗糙度1.4钢筋砼设计值1.5民用活载表5.1.1 民用建筑楼面均布活荷载标准值(kN/m2)及其组合值、频遇值和准永久值系数续表1 本表所给各项活荷载适用于一般使用条件,当使用荷载较大、情况特殊或有专门要求时,应按实际情况采用;2 第6项书库活荷载当书架高度大于2m时,书库活荷载尚应按每米书架高度不小于2.5kN/m2确定;3 第8项中的客车活荷载仅适用于停放载人少于9人的客车;消防车活荷载适用于满载总重为300kN的大型车辆;当不符合本表的要求时,应将车轮的局部荷载按结构效应的等效原则,换算为等效均布荷载;4 第8项消防车活荷载,当双向板楼盖板跨介于3m×3m~6m×6m之间时,应按跨度线性插值确定;5 第12项楼梯活荷载,对预制楼梯踏步平板,尚应桉1.5kN集中荷载验算;6 本表各项荷载不包括隔墙自重和二次装修荷载;对固定隔墙的自重应按永久荷载考虑,当隔墙位置可灵活自由布置时,非固定隔墙的自重应取不小于1/3的每延米长墙重(kN/m)作为楼面活荷载的附加值(kN/m2))计入,且附加值不应小于1.0kN/m2。
结构设计常用数据
结构设计常用数据
在进行结构设计时,工程师需要使用一些常用数据来确定结构的尺寸和材料选择。
这些数据包括力学性质、材料性质和设计规范等。
本文将介绍结构设计中常用的数据和其相关信息。
力学性质
强度
- 抗拉强度:材料在拉伸应力下破坏之前能承受的最大应力。
- 抗压强度:材料在压缩应力下破坏之前能承受的最大应力。
- 抗剪强度:材料在剪切应力下破坏之前能承受的最大应力。
刚度
- 弹性模量:材料在受力时单位应变产生的单位应力。
- 剪切模量:材料在受力时单位剪切应变产生的单位剪切应力。
- 纵向泊松比:材料在受力时纵向应变与横向应变之间的比值。
裂纹韧性
- 断裂韧性:材料在受到破坏之前能够承受的能量。
材料性质
密度
- 材料的质量与体积的比值。
热膨胀系数
- 材料在温度变化时长度、体积发生的变化。
设计规范
建筑结构设计规范
- 建筑结构设计规范主要包括荷载规范、抗震设计规范和混凝土结构设计规范等。
钢结构设计规范
- 钢结构设计规范主要包括荷载规范、抗震设计规范和钢结构设计规范等。
混凝土结构设计规范
- 混凝土结构设计规范主要包括荷载规范、抗震设计规范和混凝土结构设计规范等。
结语
在结构设计中,工程师需要使用各种常用数据来确定结构的尺寸和材料选择。
力学性质包括强度、刚度和裂纹韧性等;材料性质包括密度和热膨胀系数;设计规范包括建筑结构设计规范、钢结构
设计规范和混凝土结构设计规范等。
通过合理应用这些数据,工程师可以设计出更安全可靠的结构。
建筑结构设计常用数据建筑结构设计中涉及的数据种类繁多,包括静力学参数、材料性能、荷载数据、地震数据等。
这些数据是建筑结构设计的基础,对于确保建筑安全性和稳定性至关重要。
本文将介绍建筑结构设计中常用的数据类型及其作用。
一、静力学参数静力学参数是指建筑结构在静力平衡条件下的力学性能。
常用的静力学参数包括弯矩、剪力、轴力、位移等。
这些参数可以通过结构分析方法计算得出,用于确定结构的受力状态和变形情况,从而指导设计和施工。
二、材料性能材料性能是指建筑结构所使用的材料的力学性能和物理性能。
常用的材料性能包括抗拉强度、抗压强度、抗剪强度、弹性模量、热胀冷缩系数等。
这些性能参数是材料的基本特性,用于评估材料的承载能力和变形能力,从而确定材料的使用范围和设计参数。
三、荷载数据荷载数据是指建筑结构所承受的外部力的大小和作用方式。
常用的荷载数据包括常规荷载、临时荷载和地震荷载等。
常规荷载包括自重、活载和风载等,用于计算结构的受力情况。
临时荷载包括施工荷载和使用荷载等,用于计算结构在施工和使用过程中的安全性。
地震荷载是指地震作用下的力和位移,用于计算结构的地震反应。
四、地震数据地震数据是指地震的发生频率、震级和震源距离等参数。
地震数据是评估建筑结构抗震能力的重要依据,可以用于确定设计地震动参数和抗震设防烈度等级。
根据地震数据,可以确定结构的地震设计参数,包括设计地震加速度、周期和阻尼比等。
五、其他数据除了上述常用的数据类型,建筑结构设计中还涉及其他一些数据,如温度数据、湿度数据、地基数据等。
温度数据和湿度数据用于分析结构的热力学行为和湿度变形特性。
地基数据用于评估建筑结构的承载力和变形特性,包括土壤分类、土层厚度、地下水位等。
建筑结构设计中常用的数据类型包括静力学参数、材料性能、荷载数据和地震数据等。
这些数据是建筑结构设计的基础,对于确保建筑的安全性和稳定性至关重要。
设计人员需要准确获取和使用这些数据,以保证结构的合理性和可靠性。
结构设计常用数据表格结构设计常用数据表格1:概述在结构设计过程中,常常需要记录和整理某些数据,以便后续的计算和分析。
本文档提供了常用的结构设计数据表格范本,包括但不限于荷载表、截面尺寸表、构件长度表等,以供参考使用。
2:荷载表荷载表用于记录各种荷载的特征值和设计值。
每一行表示一个荷载,包括荷载类型、荷载作用位置、特征值、组合系数、设计值等。
根据项目需求,可以添加额外的字段,如持续荷载和临时荷载的区分标记等。
3:截面尺寸表截面尺寸表用于记录结构构件的截面形状和尺寸。
包括构件编号、截面类型、截面尺寸(宽度、高度或直径)、钢筋布置等信息。
对于复杂的截面形状,可以添加详细的描述或图纸附件。
4:构件长度表构件长度表用于记录各个构件的长度信息。
每一行表示一个构件,包括构件编号、起始端点坐标、终止端点坐标、长度等。
对于曲线形状的构件,可以添加额外的字段以记录曲线的方程或控制点坐标。
5:施工工况表施工工况表用于记录各个施工阶段的荷载组合情况。
每一行表示一个施工工况,包括施工阶段、作用荷载、组合系数等。
可以添加额外的字段以记录施工过程中的一些特殊情况或安全措施。
6:钢筋计算表钢筋计算表用于记录结构中各个截面的钢筋计算结果。
每一行表示一个截面,包括截面编号、计算步骤、计算公式、计算结果等。
对于需要进行多步计算的截面,可以使用多行进行展示。
7:注释本文档所涉及的法律名词及注释:- 荷载特征值:指根据统计数据和工作经验得出的不同荷载参数的概率分布特征。
- 荷载设计值:根据规范要求对荷载特征值进行修正得到的用于结构设计的设计值。
- 组合系数:用于对不同荷载组合进行整体性考虑的系数,考虑各种荷载的同时作用。
- 截面类型:指结构构件的截面形状的分类,如矩形、圆形、T 形等。
- 钢筋布置:指在构件截面内的钢筋布置方式,包括主筋和箍筋等。
8:附件本文档涉及的附件包括但不限于以下内容:- 结构设计荷载分析报告- 结构截面设计计算过程- 结构构件布置图纸。