产品通用件的管理办法及图号编制方法(新)
- 格式:doc
- 大小:1.50 MB
- 文档页数:9
产品图纸的图号编制规则LS-GC-TY-103为促进产品的标准化和系列化,提高生产效率和产品质量,需要编制产品图样的代号,具体编制规则如下:一、图样代号由四部分组成,如下所示:二、编号中允许出现的数字为:0 1 2 3 4 5 6 7 8 9 。
编号中允许出现的字母为:A B C D E F G H J K L M N P Q R S T U V W X Y Z a b c d e f g h j k l m n p q r s t u v w x y z 。
三、企业代号:LS ;车型代号见下表。
车型代号车型 普通半挂车 特种半挂车 自卸车 混凝土搅拌运输车罐式汽车 厢式载货汽车 仓栅载货汽车 全挂车 代号BTZJGXCQ四、订单号:对于通用图,订单号填写两个字母:CT ,就是常见通用件的简称。
对于随订单下发的图纸,填写订单的后三位。
文件序号 分组代号订单号企业代号及车型五、分组代号:分组代号由七位数字或字母组成。
前四位为一级总成,名称和代号见附表(表格样式)。
第五位为二级总成编号,第六位为三级总成编号。
5.1对于零件图,第七位为末级零件编号。
对于一级总成下的零件,第五位和第六位用数字“0”表示。
对于二级总成下的零件,第六位用数字“0”表示。
第七位有不能为数字“0”。
5.2对于总成图,第七位为数字“0”。
对于一级总成,第五位和第六位用数字“0”表示。
对于二级总成,第六位用数字“0”表示。
5.3、优先用数字表示总成或零件编号,其次用大写字母表示,最后用小写字母表示;5.4、对于三级总成,则在第六位后加短横杠“-”,用第七位表示,第八位用数字“0”表示总成或用其他符号表示三级总成下的零件。
同理,四级、五级总成如三级表示,依次加位数即可;六、文件序号文件序号优先用大写字母表示,代表不同的类型或不同时期产生的版本。
七、当再次下发的图纸与原有图纸编号相同时,新图纸替换原有图纸使用,原有图纸作废。
八、例如:LSZ-222-8510100表示:路神公司的自卸车,合同编号为222的订单,一级总成侧厢焊合,二级总成的图纸。
图纸编码及填写规范技术部王峰一、目的加强对技术部文件、图纸的管理,使设计、工艺文件管理有规可寻,实现资源共享。
二、适用范围适用于技术部所有设计、工艺图纸的编码及管理。
三、定义本制度所述的技术文件包括产品零件图、装配图、工装、量具图,试制流程图、工艺规程、检验卡片、作业指导书、质量记录、文件资料等。
四、一般要求4、 1 每个产品、部件、零件的图样与文件均应有独立的代号。
4、 1、1 采用表格图时,表中每种规格的产品、部件、零件都应标出独立的代号。
4、 1、 2 同一产品、部件、零件的图样用数张图纸绘制时,各张图样标注同一代号。
4、 1、3 同一CAD文件使用两种以上的存储介质时,每种存储介质中的CAD文件都应标注同一代号。
4、 1、4 通用件的编号应参照JB/T5054、8 或按企业标准的规定。
4、 1、5 借用件的编号应采用被借用件的代号。
五、主要内容1、软件的使用技术部机械制图统一采用 AutoCAD(2D),Solidworks(3D);具体版本由技术部商讨决定。
2、图纸编号规则1)产品编号XXX·XX ·XX序号产品代号公司代号2)零件图编码规则产品编号:参照1);特征码(可增加): 零件图——L; 装配图——Z; 装配流程图——P; 工装夹具图——J;版本号:从A-Z进行编号;零件号:从01-99进行编号。
3)装配图编码规则产品编号:参照1);特征码:参照2);版本号:从A-Z进行编号;零件号:从01-99进行编号。
4)工装夹具图编码规则产品编号:参照1);特征码:参照2);版本号:从A-Z进行编号;零件号:从01-99进行编号。
5)装配流程图编码规则产品编号:参照1);特征码:参照2);图号:从01-99进行编号。
6)标准件不进行编号,但必须写明对应国标、品名及规格等参数;7)在相应的图纸标题栏内必须填写相应的版本号;从A-Z进行编写,以次类推;图纸换版就是在图纸有很大改动的情况下,图纸勘误不能算换版。
..产品零部件图号编制规范(发布日期:200-04-13)1 范围本规范规定了产品零部件的图样编号方法,包括无图纸的产品零部件的图样编号。
本规范适用于XXYY 公司产品零部件的图样编号(以下简称图号)。
不包括海外订单物料图号和YY 项目产品的图号,这些产品可参考本规范执行。
注:从本规范实施日起,下发新图纸和更改后需要新图号的图纸按此规定执行;已经下发的老图纸不强制要求更改,各部门可以根据本部门的需要而制定更改计划或者不更改。
2 内容2.1 图号分类1)专用图号:专用件、系列通用件的图号,例如:KFR-26G/Y.1、W030.1;2)通用图号:通用件、标准件的图号,例如:DYF-A02、GB845/ST3.9*16-C-H(C);2.2 基本要求2.2.1 每个产品、部件、零件均应有独立的图号,并且是唯一的。
2.2.2 同一产品、部件、零件的图样用数张图纸绘出时,各张图纸应标注同一图号,用“共X 页第Y0页”的形式区分每页。
2.2.3 借用件的图号应采用被借用件的图号。
2.2.4 对于外形相同但不能通用互换的零部件,必须采用专用图号。
2.2.5 允许多个同类物料使用同一张通用图纸,但必须在图纸中增加物料参数一览表,表中每种规格的物料都应标出独立的图号。
2.2.6 对第一工厂和第二工厂的物料,如果与本部物料不一致且无法整改成一致的,必须使用新的图号,作为新物料处理。
不得使用本部图纸只更改图纸内容、不更换图号而成为第一或第二专用图纸。
2.3 专用图号的编制方法专用图号主要由产品型号、部件号、零件号组成,中间用短横线隔开(为考虑到将来的兼容性,不建议采用圆点符号)。
对于作用功能相同但不能互换的零部件增加区别代号,对于不同生产基地有所不同的零部件增加产地识别代号。
区别代号,见2.3.4.产地识别代号,见2.3.5零件号,见2.3.3部(组)件号,见2.3.2产品代号,见2.3.1-X .XX X (X )2.3.1产品代号1)由大写英文字母和数字组成,与产品型号相同(空调器室外机通用零部件除外)。
1.目的为了统一产品图纸、设计文件的编号,便于公司内外的交流、协作,对图纸编号方法进行科学、合理的规定。
2. 范围本方法适用于公司所有图纸、设计文件的编号。
2.引用标准GB/T5054.4-2000 产品图样及设计文件编号原则GB/T17601.1-1989 技术制图标题栏GB/T14689-1993 技术制图图纸幅面和格式GB/T10609.2—1989 技术制图明细栏GB/T14690-1993 技术制图比例GB/T14691-1993 技术制图字体GB/T17450-1998 技术制图图线4. 总则4.1 每个产品、部件、零件的图样均应有独立的代号;4.2 采用表格图时,表中每种规格的产品、部件、零件都应标出独立的代号;4.3 同一产品、部件、零件的图样用数张图纸绘制时,各张图样标注同一代号;4.4 公司已有产品图纸的编号不变,自本标准实施之日起,新产品图纸按本标准编号;4.5 顾客原始设计的产品图纸采用外来文件的编号进行登记,当须对图纸进行转化时,零件图采用其原始编号不变,且应在标题栏正上方注明是依据顾客提供图纸进行重新绘制。
5. 图纸的编号5.1 基本符号图纸编号一般可采用下列字符:——0~9 阿拉伯数字;——A~Z 拉丁字母(O、I 除外);——短横线。
5.2 编号的组成5.2.1 本公司图纸按隶属关系编号,隶属编号是按产品、部件、零件的隶属关系编号,隶属编号其代号由产品代号和隶属号组成。
5.2.2 隶属编号由数字组成。
产品代号占两位(由“01—99”表示)。
部件代号占四位,最多分四级,第一位代表一级部件,第四位代表四级部件(每一位由数字“1—9”表示,如只有两级部件,其后两位用“0”表示)。
零件代号占三位(由“001—999”表示,“000”表示部件)。
部件代号与零件代号中间用短横线隔开。
5.2.3 特征码由客户产品代号表示,基础型产品可以不带特征码。
特征码由字母和数字组成,码位不超过 8 位,如SX2190N车型其特征号为“SX2190N”。
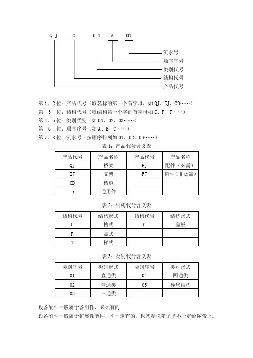
Q J . C . 0 1 A 01
流水号
顺序序号
类别代号
结构代号
产品代号
第1、2位:产品代号(取名称的第一个首字母,如QJ、ZJ、CD……)
第 3 位:结构代号(取结构第一个字的首字母如C、P、T……)
第4、5位:类别类别(如01、02、03……)
第 6 位:顺序序号(如A、B、C……)
第7、8位: 流水号(按顺序排列如01、02、03……)
表1:产品代号含义表
表2:结构代号含义表
表3:类别代号含义表
设备配件一般属于备用件,必须有的
设备附件一般属于扩展性能件,不一定有的,也就是说箱子里不一定给你带上。
Q J . C . 0 2 A B001
前6位编制及含义同总装图号B:部装图
Q J . C . 0 2 A L001
前6位编制及含义同总装图号L:零件图。
产品图、工装、工艺的编号规则本规则的编制目的是使全公司的工装编号得到统一、便于库房、财务、采购、生产、技术资料等的管理,同时使各公司间资源得到最大化利用。
本规则的编制参照了《JB-T9164-1998 工艺装备编号方法》,同时根据本公司过去相关编码规则和管理等情况,并结合公司生产中的实际使用情况编制而成。
本规则的解释权属技术部。
1、编制原则:1.1反应产品的基本属性1.2不宜过长、过乱1.3易于扩充、易于记忆、易于分辨2、编制规则如下:2.1气缸头产品图编号规则:2.1.1编号规则说明:2.1.1.1本编制规则适用于本公司生产的各产品。
2.1.1.2 前面为产品型号,中间隔以短横,后面为基本号。
2.1.1.3 000为组件总成图。
2.1.1.4 010给予该组件内最大零件,例:168F-1汽缸头为:168F-1-0102.1.1.5 001-009为预备用号。
如分组内简图,座圈导管气道关系图、毛坯图等。
例:毛坯图为:001。
2.1.1.6依据隶属关系编零件图号,例:168F-1进气座圈为168F-1-011,依次类推。
2.2 工装代号的构成2.2.1工装代号编号规则说明:2.2.1.1类别号:D :代表刀具; L :代表量具 ; F :代表辅具,J: 代表夹具。
2.2.1.2顺序号、零件号:采用自然数1、2、3…。
2.2.1.3并列号:采用罗马数字Ⅰ、Ⅱ、Ⅲ、…。
2.2.1.4改进号采用英文大写字母A 、B 、C …。
2.3通用工装代号编制方法:2.3.1通用工装编制说明 2.3.1.1 T 表示通用2.3.1.2 类别号同工装类别号,见2.2.1.1。
2.3.1.3 特征代号见表2表2表32.4工艺代号、工序号编制方法:2.4.1 专用工艺代号编制方法:2.4.2每套工艺规程目录下的工序号以自然数5、10、15..递增;每个工序号间预留四个序号,以满足增加工序时使用;2.4.3在工序号后加大写字母G(如:10G),代表此工序为关建重要工序;2.4.4通用、辅助、检验工艺代号编制方法:G——代表工艺2.4.4.1类别号采用英文大写字母T、F、J;通用工艺——字母T表示辅助工艺——字母F表示检验工艺——字母J表示2.5为避免各分厂区编号重复,特进行编号分段,环泰顺序号取0—100,凯嘉顺序号取1012—200,用满后再往后选取。
8.产品图样及设计文件通用件管理办法(JB/T 5054.8-2001)1 范围本标准规定了机械工业产品通用零部件(以下简称通用件)图样及设计文件,包括CAD图样和设计文件(以下简称通用件图样和文件)的管理办法及通用件代号的编制方法。
本标准适用于机械工业产品通用件图样和文件的管理。
2 引用标准下列标准所包含的条文,通过在本标准中引用而构成为本标准的条文。
本标准出版时,所示版本均为有效。
所有标准都会被修订,使用本标准的各方应探讨使用下列标准昀新版本的可能性。
JB/T 5054.1—2000 产品图样及设计文件总则JB/T 5054.3—2000 产品图样及设计文件格式JB/T 5054.6—2000 产品图样及设计文件更改办法JB/T 5054.10—2001 产品图样及设计文件管理规则3 定义本标准采用JB/T 5054.1中的定义。
4 基本要求4.1 产品设计时继承已有的零部件,扩大产品的通用化系数,可显著提高设计工作效率,缩短产品设计、试制、生产周期,确保质量,降低成本。
因此,在产品设计和改进时,应尽量采用通用件。
4.2 为建立正常的技术管理秩序,应加强通用件管理。
通用件的管理应符合第8章的规定。
5 构成通用件的条件和方法5.1 通用件的构成一般具有下列条件:a) 需技术负责人批准;b) 适用产品范围较大;c) 有专用的代号;d) 一般应编成图册。
5.2 通用件的构成可有以下方法:a) 扩大了使用范围的借用件转为通用件;b) 产品中通用性高,使用范围较广的零部件变为通用件;c) 根据已有零部件的相似特征,对其中基本形状、结构要素出现率较高的零部件,进行汇总与调整,设计成通用零部件。
6 选用通用件的原则6.1 跨系列产品中可广泛采用的零部件,应尽量地设计为通用件。
6.2 通用部件中可以有标准件、通用件及外购件。
6.3 通用部件中不应有借用件。
7 通用件的编号方法通用件应有专用的代号,代号由大写汉语拼音字母和阿拉伯数字构成。
商品编号管理办法一目的为加强产品的管理控制工作,使产品管理工作简洁化,以提高工作效率和完善产品管理。
二适用范围本公司生产的产品所使用的生产性主要材料,辅助材料等。
三编号规定1。
本公司产品编号为10位数字和字母混合编号。
如图2—2所示流水码规格码颜色码材质码价格码类别码图2-2 公司商品编号示例图2.类别码(1)第一,第二位号码为类别号,用阿拉伯数字表示。
(2)公司商品主要分为电子,塑胶,五金,包料,化工等.(3)电子类商品编号为01~20,塑胶商品编号为21~40,五金商品编号为41~60,包装商品编号为61~80,化工商品编号为81~90,其他商品编号为91~99.具体参照《商品编号一级分类表》.3.价格码第三位号码为价格码,为英文字母,价格高者为A,中等价格者为B,低价格者为C,具体参照《价格分类表》。
4.材质码第四位号码为材质码,为英文字母,如塑胶类使用ABS料的商品编号为A,使用PP料的商品编号为P,使用HIPS料的商品编号为H等,具体参照《材质分类表》.5.颜色码第五位号码为颜色码,为英文字母,采用与商品最相近颜色的英文单词的第一个字母。
红色为R,黄色为Y,黑色为B,白色为W等,具体参照《颜色分类表》。
6.规格码第六,第七位号码为规格码,为数字或字母,表示此种商品的规格,具体参照《商品规格编码对照表》。
7.流水码最后三个号码为流水码,为阿拉伯数字,当前面的编号都相同时,采用流水码对其进行分别。
四编号使用1.商品入库后必须按照上述编号规定对其进行统一的编号处理,并保证编号的唯一性,不得出现重号的情况.2.对编号后的商品进行管理时,一律使用商品编号代替该商品。
图号编制⽅法图样⽂件的编号⽅法1、图样和⽂件编号⼀般可采⽤下列字符:0~9阿拉伯数字A-Z拉丁字母(O、I除外)-短横线.圆点/斜线2、⼀般要求2.1 每个产品、部件、零件的图样和⽂件均应有独⽴的代号:(1)采⽤表格图时,表中每种规格的产品、部件、零件都应标出独⽴的代号。
(2)同⼀产品、部件、零件的图样⽤数张图纸绘制时,各张图样标注同⼀代号。
(3)同⼀CAD⽂件使⽤两种以上的存储介质时,每种存储介质中的CAD⽂件都应标注同⼀代号。
(4)通⽤件的编号应参照JB/T5054.8或按企业标准的规定。
(5)借⽤件的编号应采⽤被借⽤件的代号。
2.2 图样和⽂件的编号⼀般有分类编号和⾪属编号两⼤类。
也可按各⾏业有关标准规定编号。
2.3 图样和⽂件的编号应与企业计算机辅助管理分类编号要求相协调。
3、分类编号分类编号,按对象(产品、零部件)功能、形状的相似性,采⽤⼗进位分类法进⾏编号。
3.1 分类编号其代号的基本部分由分类号(⼤类)、特征号(中类)和识别号(⼩类)三部分组成,中间以圆点或短横线分开,短横线在中间,圆点在下⽅。
必要时可以在尾部加尾注号。
注:企业已开展计算机辅助管理者,应将信息分类码中相应的⼤类号编⼊分类号。
5.2 部分⾪属编号,其产品代号由产品代号、⾪属号和识别号组成。
其⾪属号为部件序号,见下图。
部件序号编到哪⼀级由企业⾃⾏规定。
识别号是对⼀级或⼆级以下部件(称分部件)与零件混合编序号(流⽔号)。
分部件、零件序号推荐三种编号⽅法。
必要时尾部可加尾注号。
※※—※※※※—※※※其中※※:产品代号※※※※:部件序号—⾪属号※※※:零件、分部件序号(流⽔号)—识别号(1)零件、分部件序号,规定※※※—※※※(001~099)为分部件序号,※※※—※※※(101~999)为零件序号。
零件序号也可按材料性质分类。
(2)零件、分部件序号,规定其中逢⼗的整数(如常0、10、20、30、……)为分部件序号,余者为零件序号。
产品图、工装、通用件的编号规则本规则的编制在于使全公司的工装编号得到统一、便于库房、财务、采购、生产、技术资料等的管理,同时使各公司间资源得到最大化利用。
本规则的编制参照了《JB-T9164-1998 工艺装备编号方法》,同时吸取了本公司过去工装编码不统一、管理不便等情况,并结合公司的实际生产编制而成。
有不足之处望各部们提供宝贵意见。
1、编制原则:1.1反应产品的基本属性 1.2不宜过长、过乱 1.3易于扩充、易于记忆。
2、编制规则如下:2.1汽缸头产品图编号规则:—XXX2.1.1编号规则说明:2.1.1.1本编制规则适用于本公司生产的各产品。
2.1.1.2 前面为产品型号,中间隔以短横,后面为基本号。
2.1.1.3 000为组件总成图。
2.1.1.4 010给予该组件内最大零件,例:168F-1汽缸头为:168F-1-0102.1.1.5 001-009为预备用号。
如分组内简图,座圈导管气道关系图、毛坯图等。
例:毛坯图为:001。
2.1.1.6依据隶属关系编零件图号,例:168F-1进气座圈为168F-1-011,依次类推。
2.2 工装代号的构成2.2.1工装代号编号规则说明:2.2.1.1公司代号:为区分三个公司均生产同种型号产品时用,若为独家生产时则可取消公司代号。
2.2.1.2类别号有:D:刀具; L:量具; F:辅具,J:夹具。
2.2.1.3顺序号:选择一条生产线作为基准线,依此条生产线生产的基本产品工序顺序依次编制,同一加工部位、固定顺序号。
2.2.1.3.1同一加工部位、同一生产线、不同产品时顺序号一致。
2.2.1.3.2 同一加工部位、不同生产线、相同/不同产品时顺序号一致。
2.2.2具体举例表1 表12.3.1.1 T表示通用2.3.1.2 类别号同工装类别号,见2.2.1.2。
2.3.1.3 特征号见表1表2表3表3续编制:审核:批准:。
机电公司图纸名称及编号方法文件号: JS-19-01版本:A/0 受控:编制:日期:审核:日期:批准:日期:2019-5-1 发布 2019-5-1 实施文件修订记录一、目的为规范产品图样名称及编号的编制方法,统一名称及编号形式,使图纸具有隶属性,便于查询、使用,特制订本规定。
二、范围本规定适用于公司所有产品图样名称编号的编制:1、外来产品图纸;2、用户测绘图纸;3、标准产品图纸分解零部件图纸。
三、名词术语1、借用件:借用件是在采用公司已有产品隶属编号的图样中,使用已有产品的组成部分。
2、通用件:在不同类型或同类型不同规格的产品中具有互换性的零部件。
3、外购件:外购件是本公司产品及其组成部分中,采购其它企业的产品。
4、外协件:是本公司产品图样委托其他企业加工制作的零部件或整机。
四、要求1、每种产品、部件、零件的图样应遵循“一件一号”的原则,均应有独立的编号;2、同一产品、部件及零件的图样用数张图纸绘出时,各张图样名称及编号应相同。
3、通用件的编号可采用被通用件的图纸编号。
4、产品如出现零、部件相互借用时,图样的编号应按最先出图的产品图样编号为准,借用关系应借用最先出图的产品。
5、所有产品的名称及编号应遵循本行业的规范,公司转化及分解图纸时,原名称及编号不变,另外增加公司及用户代码(或合同号)。
五、产品图样编号的编制方法产品图纸分为标准图纸和非标准图纸,标准图纸可以用于不同用户及合同的相同产品的图纸中,非标准图纸针对不同用户进行新的设计图纸或测绘图纸。
1、非标准图纸编号按产品名称、零件、部件分类编号的方法进行编号,分类编号其代号的基本部分由图样识别号、分类号(产品分类码)、特征号(图纸分类代码或原图号)、识别号(零部件图顺序号)、尾注号(零部件图版本号)五部分组成。
图样编号区位及含义图样分类含产品合同记录编号和图纸年份,特征号为图纸分类代码,用短横线隔开,用于同一项目合同中相同产品的不同图纸中图号的区分,采用数字、字母的形式进行编号。
广东新宝电器股份有限公司企业标准文件名称:产品通用件的管理办法及图号编制方法文件编号:QB/XB TM TY018-2011生效日期:2011-09-10版本号:2011版受控正本受控副本编制:向品辉审核:罗文胡有意批准:陈光华保密等级:内部广东新宝电器股份有限公司企业标准QB/XB TM TY018-2011 产品通用件的管理办法及图号编制方法Management means and drawing numbering methodof common part2011-06-20发布2011-09-10实施前言为适应公司日益发展的需要,以及提升公司标准化管理水平,便于通用件在产品上的应用和控制,以提高产品的标准化率,特制订本标准。
本标准是公司技术标准体系系列标准之一。
本标准涵盖了通用件的图号编制方法、通用件的构成条件和方法、通用件的选用要求和原则、通用件的管理、通用件的更改等方面的内容,是一部综合性的技术管理的标准。
本标准由研发中心标准化科提出。
本标准由研发中心标准化科归口。
1 范围本标准规定了公司内部产品通用零部件(以下简称通用件)图样及设计文件,包括CAD 及ProE图样和设计文件(以下简称通用件图样和文件)的管理办法及通用件图号的编制方法。
本标准适用于公司内部产品通用件图样和文件的管理。
2 规范性引用文件下列文件中的条款通过本标准的引用而成为本标准的条款。
凡是注日期的引用文件,其随后所有的修改单(不包括勘误的内容)或修订版均不适用于本标准,然而,鼓励根据本标准达成协议的各方研究是否可使用这些文件的最新版本。
凡是不注日期的引用文件,其最新版本适用于本标准。
GB/T 1.1 标准化工作导则第1部分:标准的结构和编写规则JB/T 5054.8 产品图样及设计文件通用件管理办法3 定义3.1 通用件通用件是在不同类型或同类型不同规格的产品中具有互换性的零部件。
3.2 借用件借用件是在采用隶属编号的产品图样中,使用已有产品的组成部分。
技术部产品图样编号办法江西奥斯盾农牧设备有限公司技术部产品图样编号办法编制:_______________校核:_______________批准:_______________前言本标准为江西奥斯盾农牧设备有限公司企业技术标准。
本标准由技术部提出。
本标准主要起草人:杨晓乐。
本标准由总经理熊正儒审核、批准。
本标准自2013年11月起实施。
1.目的与范围为规范产品图样编号的编制方法,统一编号形式,使图样编号具有隶属性,便于查询、使用,特制订本规定。
本规定适用于公司所有产品图样编号的编制。
2.引用标准下列标准所包含的条文,通过在本标准中引用而构成为本标准的条文。
本标准出版时,所示版本均为有效:(1)JB/T5054.1-2000《产品图样及设计文件总则》(2)JB/T5054.4-2000《产品图样及设计文件编号原则》(3)JB/T5054.8-2001《产品图样及设计文件通用件管理办法》(4)JB/T5054.9-2001《产品图样及设计文件借用件管理办法》3.名词术语(1)借用件:借用件是在采用本企业已有产品隶属编号的图样中,使用已有产品的组成部分。
(2)通用件:在不同类型或同类型不同规格的产品中具有互换性的零部件。
(3)外购件:外购件是本企业产品及其组成部分中,采购其它企业的产品。
(4)外协件:是本企业产品图样委托其他企业加工制作的零部件或整机。
4.基本要求4.1每种产品、部件、零件的图样应遵循“一件一号”的原则,均应有独立的编号;4.2采用表格图时,表中每种规格产品、部件、零件都应标出独立的图号。
4.3同一产品、部件及零件的图样用数张图纸绘出时,各张图样号应相同。
4.4同一CAD文件使用两种以上的存储介质时,每种存储介质中的CAD文件都应标注同一图号4.5本公司出图的外购件、外协件,其图号由本厂给出;外购、外协件由外购、外协单位设计出图要由公司技术质保部给予验证确认,并给出公司内部图号。
4.6对图样设计引用的国家标准件,仍按相应国家标准给出名称、及编号,引用标准要收集入档备查。
产品图样和技术文件编号管理办法1. 目的1.1 为规范本公司产品设计管理,便于技术文件资料的标识、使用、表明技术文件和图样的不同类型和不同性质;1.2 编号管理方法被有效地运用。
2. 范围本公司所有的技术文件及图样,包括自行设计的产品图纸、零部件图纸、自行编写的技术条件、安装使用说明书、试制鉴定大纲、工艺文件,作业指导书等的编号.3. 参考资料JB/DQZ0133。
9-1985 电工产品图样及技术文件编制导则产品图样及技术文件十进位分类编号法4。
编号方法4。
1 图样和文件组成的形式图样和文件的组成方式有两种:基本代号系统和补充代号系统。
4.1.1 基本代号系统:它由以下三部分组成,它适用于单一类型的产品或组成部分的图样或文件编号a.企业代号b。
特征代号c。
序号基本代号系统排列顺序如下:序号组类特征代号部级特征代号企业代号4.1.2 补充代号系统:它由基本代号系统加上类型序号组成,它适用于具有多个类型的产品或组成部分的图样或文件编号补充代号系统排列顺序如下X类型序号序号组类特征代号部级特征代号企业代号4。
2 编号组成形式的确定原则4。
2.1 企业代号本公司的企业代号为“YCD”.4.2。
2 特征代号特征代号由四个阿拉伯数字组成,自左至右顺次表示级、部、类、组.为了能更明显地区分对象的级别,规定将级的代号与企业代号写在一起(产品及其组成部分以及技术文件的分级详见表1).部、类、组的代号写在企业代号之右。
4.2。
3 序号序号采用四位阿拉伯数字,用以确定在该特征代号范围内的具体编号顺序,称登记序号.4。
2。
4 类型序号对于某一产品或组成部分(组件、部件、零件)在确定其特征代号后,因又不是单一的类型(品种、规格),而是多个类型,在对图样或文件进行编号时,应采用补充代号系统形式,类型序号应按类型数量的多少而定,从阿拉伯数字“1”开始,按数字的连续、递增顺序编定。
4.2。
5 编号时,应在企业代号、特征代号、序号、类型序号间用小圆点“.”隔开(小圆点点在右下角)。
广东新宝电器股份有限公司
企业标准
文件名称:产品通用件的管理办法及图号编制方法
文件编号:QB/XB TM TY018-2011
生效日期:2011-09-10
版本号:2011版
受控正本受控副本
编制:向品辉
审核:罗文胡有意
批准:陈光华
保密等级:内部
广东新宝电器股份有限公司企业标准
QB/XB TM TY018-2011 产品通用件的管理办法及图号编制方法
Management means and drawing numbering method
of common part
2011-06-20发布2011-09-10实施
前言
为适应公司日益发展的需要,以及提升公司标准化管理水平,便于通用件在产品上的应用和控制,以提高产品的标准化率,特制订本标准。
本标准是公司技术标准体系系列标准之一。
本标准涵盖了通用件的图号编制方法、通用件的构成条件和方法、通用件的选用要求和原则、通用件的管理、通用件的更改等方面的内容,是一部综合性的技术管理的标准。
本标准由研发中心标准化科提出。
本标准由研发中心标准化科归口。
1 范围
本标准规定了公司内部产品通用零部件(以下简称通用件)图样及设计文件,包括CAD 及ProE图样和设计文件(以下简称通用件图样和文件)的管理办法及通用件图号的编制方法。
本标准适用于公司内部产品通用件图样和文件的管理。
2 规范性引用文件
下列文件中的条款通过本标准的引用而成为本标准的条款。
凡是注日期的引用文件,其随后所有的修改单(不包括勘误的内容)或修订版均不适用于本标准,然而,鼓励根据本标准达成协议的各方研究是否可使用这些文件的最新版本。
凡是不注日期的引用文件,其最新版本适用于本标准。
GB/T 1.1 标准化工作导则第1部分:标准的结构和编写规则
JB/T 5054.8 产品图样及设计文件通用件管理办法
3 定义
3.1 通用件
通用件是在不同类型或同类型不同规格的产品中具有互换性的零部件。
3.2 借用件
借用件是在采用隶属编号的产品图样中,使用已有产品的组成部分。
3.3 外购件
外购件是本企业产品及其组成部分中采购其他企业的产品。
3.4 标准件
标准件是经过优选、简化、统一,并给予标准代号的零部件。
4 通用件的管理原则
4.1通用件的图号编制方法
4.1.1 通用件图纸编号由“产品类别代号”,“通用件代号”,“通用件分类顺序码”,“同类通用件顺序号”、“零、部件分类码”五个部分组成,其结构形式如下:
零、部件分类码(2位)
同类通用件的顺序号(2位)
通用件分类码(3位)
通用件代号(T)
产品类别代号(2位)
4.2通用件图纸编号组成部分的含义
4.2.1 产品类别代号,见下表:
产品类别代号对应表
4.2.2 通用件代号(T─通用零、部件或组件)。
4.2.3 通用件分类码,按各部门产品线的电子电器件,冲压、五金、压铸等金属件,塑料件,硅橡胶件,玻璃件,其它非金属件的顺序依次编制通用件的分类码;对以后申请的新的无分类码的通用件,接着各产品线通用件的分类码,按顺序往后编排。
4.2.4 同类通用件的顺序号,为同类通用零、部件的流水号。
4.2.5 零、部件分类码(2位):通用件为部件时00─表示部件,01~99─表示部件中的零件,通用件为零件时此分类码省略。
4.2.6 同类型或同系列不同规格的通用件应共用一个分类码,每个通用件只能对应一个通用件的图号。
4.2.7 通用件图纸编号示例:
假设:电水壶发热盘部件的分类码为001,电水壶胶脚零件的分类码为015
示例一:电水壶发热盘部件的通用件图号为KET001-01-00,该部件中的发热盘图号为KET001-01-01,发热管为KET001-01-02,传热板为KET001-01-03,蒸汽管为KET001-01-04,铁码为 KET001-01-05
示例二:电水壶胶脚零件的通用件图号为KET015-01
4.2.8 通用件电子档命名方法:
4.2.8.1 CAD二维图:通用件型号+零部件(或图纸)名称,其中通用件型号为产品类别代号和通用件代号和通用件分类码以及同类通用件的顺序号组成;
示例一(无认证规格之分的):KET001-01传热板.dwg
示例二(有认证规格之分的):KET001-01(GS)发热管.dwg
4.2.8.2 Pro/E二维、三维图:通用件型号+零部件(或图纸)的英文名称(通用件型号和英文名称的单词间用下划短线), 当图纸有如GS或UL等规格之分时,在通用件型号后还应加规格;
示例一(无认证规格之分的):KET001-01_heat_transfer_plate
示例二(有认证规格之分的):KET001-01_gs_heat_element
4.3 通用件的构成条件和方法
4.3.1 通用件的构成一般具有下列条件:
a) 需技术负责人批准:
b) 适用产品范围较大:
c) 有专用的通用件图号:
d) 一般应编入产品通用件应用规范,及编成产品通用件图册。
4.3.2 通用件的构成可有以下方法:
a) 扩大了使用范围的借用件转为通用件,产品零部件在不同类型或同类型不同规格的产品中可互换的,且至少在三个系列产品上能互换使用的借用件经批准可上升为通用件:
b) 产品中通用性高,使用范围较广的零部件变为通用件;
c) 根据已有零部件的相似特征,对其中基本形状、结构要素出现率较高的零部件,进行汇总与调整,设计成通用零部件。
4.4 通用件的选用要求和原则
4.4.1 新产品设计时继承已有零部件或结构,扩大产品的通用化系数,可显著提高设计工作效率,缩短产品设计、试制、生产周期,确保质量,降低成本。
因此,在新产品设计和旧产品改进时,应尽量采用通用件。
4.4.2 跨系列产品中可广泛采用的零部件,应尽量地设计为通用件。
4.4.3 通用部件中可以有标准件、通用件及外购件。
4.4.4 通用部件中不应有借用件。
4.5 通用件的管理
4.5.1通用件的申请应对通用件的结构、性能及适用范围等进行分析、论证后,由设计人员填写通用件申请表,经本部门经理和相关产品工程部经理审阅,标准化部门审核报研发中心负责人批准。
通用件申请表的格式见附录A。
4.5.2通用件图样和文件应经设计或编制、校对、审核、工艺和标准化签署,并经批准后方可生效。
4.5.3 通用件图样和文件应按公司《产品技术资料标准化的基本原则和要求》标准和公司文控的有关规定整理、归档。
4.5.4 通用件图样和文件应按产品系列分类汇总成通用件图册,编制通用件应用规范和通用件汇总表,其格式应符合《图纸、图样设计规范》标准和《通用件应用规范》的有关规定,发送各有关单位使用,并在PDM(或PLM)系统中按产品建立通用件应用平台。
通用件汇总表格式见附录 B
4.5.5 通用件被采用后,由生产部门根据通用件图样和文件、工艺文件安排生产。
4.5.6 通用件可以利用计算机数据库技术或PDM(或PLM)系统进行登记、存档、查询、汇总等管理工作。
4.6 通用件的更改
4.6.1 通用件图样应严格控制更改,必须更改时,仍应保持互换性,由提出更改的设计人员填写更改通知书,经本部门经理和相关产品工程经理审阅,以及所涉及原来产品的负责人会签,标准化部门审核报研发中心负责人批准。
4.6.2 若通用件图样的更改不涉及以前图形、尺寸、结构、技术要求等,只添加系列内容(如:规格、标识),则可直接填写更改通知书(增加该通用件的图纸序号),不需要涉及原来产品的负责人会签。
4.6.3 通用件图样的更改应符合《图纸、图样设计规范》标准和图纸更改的有关规定。
附表A
通用件申请表格式
附表 B
通用件汇总表格式。