车辆检测器线圈安装指南
- 格式:doc
- 大小:1.21 MB
- 文档页数:4
线圈型车辆检测器PD-23X 使用说明NO:9001- 023X-102■ 技术参数工作电源: AC 110 V / 220V / DC12~24V 频率范围: 20KHz ~ 170KHz 灵 敏 度: 三级可调 反应时间: 10ms 工作温度: -40ºC ~ +80ºC 相对湿度: <90% 环境补偿: 自动飘移补偿 输出方式: 继电器线圈电感: 推荐100uH ~ 300 uH (包含连接线) 外形尺寸: 长78mm 宽40mm 高116 mm■ 线圈埋设线圈一般切成平行四边形的凹槽采用耐高温铁氟龙线埋设多圈,测试正常后用液体沥清灌封。
当地面下有钢筋时增加1~2圈进行补偿,线圈电感量保持在150~300uH 之间。
线圈引出线必须紧密双绞以防止震动干扰。
请务必注意:车辆检测高度约为线圈宽度的一半。
线圈施工要点:► 切槽形状:一般为平行四边形 ► 导线截面:大于0.75平方毫米► 线圈宽度:约为检测高度的两倍 ► 线圈引线:无接头、必须双绞至少每米20次 ► 地面切槽:宽约0.3公分、深5公分以上 ► 相邻线圈:圈数最好不要相同► 绕线方法:切槽清洗凉干后再绕线圈 ► 相邻间距:两个线圈边到边的距离大于1个线圈宽 ► 导线材质:铁氟龙耐高温多股镀锡铜线 ► 灌封材料:测试正常后再用液体沥青进行灌封■ 安装检测器车辆检测器必须安装在防水、防潮的位置,并且必须远离热源、远离强磁场,与机箱壁至少保持1公分以上的距离(千万不要紧贴机箱安装)。
检测器应在机箱中垂直安装,以防止接触不良。
务必注意: 1、本型号产品必须要同时接入两个线圈才能正常工作,如果只接入一个线圈将不会工作。
2、在车辆行驶方向判别模式时,必须保证同一辆车能够同时压在两个线圈上。
■ 接线方法通常情况下,1、2脚接电源,7、8脚接车辆检测器线圈1引出线,9、10脚或7、9脚(7脚和10脚是相通的)车辆检测器线圈2引出线。
汽车点火线圈的测试与更换技巧汽车点火线圈(Ignition Coil)是点火系统中非常重要的组成部分,它负责将电池提供的低电压转换为高电压,以启动发动机。
然而,由于长时间的使用或者其他原因,点火线圈可能会出现故障,导致发动机无法正常运转。
因此,了解如何测试和更换汽车点火线圈是非常重要的。
本文将介绍汽车点火线圈的测试方法和更换技巧。
一、测试汽车点火线圈的工具和步骤在进行汽车点火线圈的测试之前,我们需要准备以下工具:螺丝刀,万用表和测试火花。
1. 断开电源:在进行点火线圈测试之前,请务必将汽车的电源关闭。
断开电池的负极以确保安全。
2. 定位点火线圈:根据汽车的具体型号和发动机类型,找到点火线圈的位置。
通常情况下,点火线圈位于发动机上方的火花塞盖下。
3. 获取操作权限:使用螺丝刀轻轻拆下火花塞盖,并提前准备好适当的工具,以便于重新组装。
4. 断开点火线圈连接线:轻轻拔掉点火线圈与火花塞的连接线。
确保牢固握住连接线的端子进行拔插操作,避免造成损坏。
5. 连接万用表:将一个万用表探针的一端接在火花塞端子上,将另一个端子接在车辆的接地点上,这样可以测量点火线圈的电阻。
6. 测量电阻:打开万用表的电阻档位,并记录下测量结果。
根据汽车厂家提供的规范,确定点火线圈的标准电阻范围,并与测量结果进行比较。
7. 检查绝缘:使用测试火花来测试点火线圈是否存在漏电现象。
将一根测试火花插入点火线圈的连接线端子中,再与车辆的接地点进行连接,然后让他人启动车辆。
观察测试火花是否产生明亮的火花,如果有则说明点火线圈工作正常。
二、更换汽车点火线圈的技巧如果经过测试发现汽车点火线圈存在故障,那么就需要进行线圈的更换。
以下是更换汽车点火线圈的一般步骤:1. 确认型号:根据汽车的型号和发动机类型,购买适配的点火线圈。
确保新线圈与原线圈完全匹配。
2. 断开电源:首先,断开汽车电池的负极,以防止任何电子装置受到损坏。
3. 拆卸旧线圈:使用螺丝刀或扳手小心地拆出旧线圈。
地球磁场型车辆检测器/车位探测器安装说明书参考指南(V1.0)概述地磁车辆检测器安装方式有两种:一、埋入路面下安装。
埋入路面下安装优点:车辆距离检测器安装固定后,其离车辆地盘距离可控制在某个范围内(一般0.5米以内),需要埋设设备和牵引电缆线,要对路面挖掘安装空和引线槽。
但工程量相对埋设线圈是很少的。
另外灵敏度调节和其他参数设置可离线设置,相对占用车道时间也是很短的。
所以该方式并不会在施工方面带来特别大的困扰。
二、道路侧(路)边安装。
也可选择路边安装。
特别适合某些不能破坏路面或路面比较松软(安装后无法保证检测器位置长期不发生位移的)场合。
这种场合下,能够在道路侧边安装仍能实现车辆检测,且综合考虑价格、性能因素,地磁检测器某种意义上将是唯一的有性价比的产品选择了。
另外车道较窄,宽度不超过3~4米,可选择侧边安装方式,道路两侧各安装一个检测器,就可非常方便的检测每一侧车辆;如高速公路出入口匝道,一般很窄,就可直接将检测器安装在护栏上,非常方便,高速公路收费站的出入口,也可选择侧边安装(在收费亭上)。
安装方式一:埋入路面下安装图一检测器埋设安装示意图图一为车辆检测器在路面下安装示意图,安装步骤如下:1、在路面上挖掘或钻一个安装孔,宽度以能放入检测器为适宜,深度为0.2~0.6米。
2、在路面挖掘引线槽。
3、将套好(地磁检测器的)电缆线的PVC管放入槽中。
4、调节电缆线,将地磁检测器放入孔中,调整好距离地面高度H=0.2~0.4米。
电缆线要出于松弛状态。
5、往地磁检测器与安装孔间隙处填充固化且防水材料。
6、将电缆线连接到客户控制系统。
材料与安装要点:1、PVC管选择不要太粗,比电缆线直径稍大,能套入电缆线为妥。
2、电缆线在PVC管中应处于适当松弛状态(不可处于紧绷状态),避免PVC管变形,拉断电缆电气线。
PVC与电缆出入口出要填充防水材料。
3、同样的,装PVC管的引线槽宽度以能埋下PVC槽为合适。
4、引线槽深度不能太浅,太浅,容易被车轮压塌该槽,并影响到其中的电缆性能,甚至会压断。
一、系统设备JL-WD车辆无线检测器采用埋在车道的磁性传感器检测车辆的存在和通过。
通过低功耗设计的无线电技术实时传输检测数据至接收机,或通过附近的中继器转发至接收器,接收机通过数据线传输给一个或多个本地或远程的交通管理控制系统,系统主要设备组成:(1)JL-WD-A系列无线传感器;(2)JL-WD-B系列接收机;(3)JL-WD-C系列中继器;(4)JL-WD-16D系列数据转换单元;(5)附件:天线、天线安装支架等。
二、系统连接组成无线传感器埋设于车道中,检测机动车通过传感器时地球磁场的变化,判断车辆的存在和通过。
当检测到车辆通过后,由传感器中的无线数据发射机把检测数据发送到附件的接收机,再通过数据线传送到交通控制设备中,系统组成框图如图1所示。
实际应用中,每个路口使用一套接收机,但在大路口接收距离的需要,可能会增加使用中继器转发数据。
图1:系统组成框图三、系统设备及安装4.1JL-WD-A系列无线传感器4.1.1、无线传感器外形JL-WD-A2为最新系列无线传感器,产品外观如图2:图2:JT-WD-A2无线检测器圆柱形设计,直径98mm,高90mm,防挤压防水(浸泡)设计,安装方向标志。
4.1.2无线传感器安装(1)准备工作:封闭待安装的车道,做好车道施工安全工作措施;(2)安装位置:在SCATS应用中建议路口所有的左转、真行车道全部安装,安装位置在车道中央,距离停车线2.5米处,如下图示:图3:无线检测器安装位置(3)打孔安装:按上述位置打孔机打深度略大于95mm,直径为108mm (打孔机标准孔径)的孔洞,清理干净孔内的渣土及水,再用适量细砂平铺孔底;(4)将无线检测器放入孔内,检测器宽棱方向(如图2)与行车方向一致,在空隙处用细砂填实,表面用填料(快干水泥、沥青、环氧树脂)填平实,清洁路面,安装完成。
安装注意事项:保证检测器水平放置;安装要填实,保证在车辆碾压时检测器不发生倾斜和下沉等情况。
地球磁场型车辆检测器/车位探测器安装说明书参考指南(V1.0)概述地磁车辆检测器安装方式有两种:一、埋入路面下安装。
埋入路面下安装优点:车辆距离检测器安装固定后,其离车辆地盘距离可控制在某个范围内(一般0.5米以内),需要埋设设备和牵引电缆线,要对路面挖掘安装空和引线槽。
但工程量相对埋设线圈是很少的。
另外灵敏度调节和其他参数设置可离线设置,相对占用车道时间也是很短的。
所以该方式并不会在施工方面带来特别大的困扰。
二、道路侧(路)边安装。
也可选择路边安装。
特别适合某些不能破坏路面或路面比较松软(安装后无法保证检测器位置长期不发生位移的)场合。
这种场合下,能够在道路侧边安装仍能实现车辆检测,且综合考虑价格、性能因素,地磁检测器某种意义上将是唯一的有性价比的产品选择了。
另外车道较窄,宽度不超过3~4米,可选择侧边安装方式,道路两侧各安装一个检测器,就可非常方便的检测每一侧车辆;如高速公路出入口匝道,一般很窄,就可直接将检测器安装在护栏上,非常方便,高速公路收费站的出入口,也可选择侧边安装(在收费亭上)。
安装方式一:埋入路面下安装图一检测器埋设安装示意图图一为车辆检测器在路面下安装示意图,安装步骤如下:1、在路面上挖掘或钻一个安装孔,宽度以能放入检测器为适宜,深度为0.2~0.6米。
2、在路面挖掘引线槽。
3、将套好(地磁检测器的)电缆线的PVC管放入槽中。
4、调节电缆线,将地磁检测器放入孔中,调整好距离地面高度H=0.2~0.4米。
电缆线要出于松弛状态。
5、往地磁检测器与安装孔间隙处填充固化且防水材料。
6、将电缆线连接到客户控制系统。
材料与安装要点:1、PVC管选择不要太粗,比电缆线直径稍大,能套入电缆线为妥。
2、电缆线在PVC管中应处于适当松弛状态(不可处于紧绷状态),避免PVC管变形,拉断电缆电气线。
PVC与电缆出入口出要填充防水材料。
3、同样的,装PVC管的引线槽宽度以能埋下PVC槽为合适。
4、引线槽深度不能太浅,太浅,容易被车轮压塌该槽,并影响到其中的电缆性能,甚至会压断。
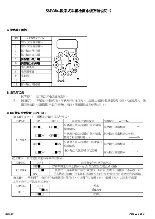
SM3080--数字式车辆检测系统安装说明书A.接线端子图例:B.指示灯状态:1. POWER:红灯亮表示电源通电正常。
2. DETECT:车辆进入时绿灯亮、车辆离开时绿灯灭。
(连接上线圈后检测器绿灯闪烁、可能故障为:线圈回路短路、线圈圈数不足(闪烁慢);开路、线圈圈数过多(闪烁快) )。
C.DIP拨码开关设置(DIP1~10):(1). DIP 1 & DIP 2:调整脉冲输出状态与模式。
(3). DIP 4:频率调节,当有多个检测器同时使用时,可以调节为高频(64)低频(59),以至相邻线圈(4). DIP 5 & DIP 6 & DIP 7:灵敏度调节。
共有1~8(最低~最高)档灵敏度可供选择,在一般情况下建议使用第5档。
D.产品概述1. 检测方式:地埋线圈式2. 概要:车辆进入时,安装于底板的环线圈(LOOP COIL)及时进行频率变调而检测车辆,一个检测器可检测一回路的环线圈(LOOP COIL)具备一操作完了后,在任何气候的变化及多量的湿气也不需调整的A.F.C(自动频率控制:Automatic Frequency Control) 3. 规格1) 供应电源:220V交流电源输入2) 消耗电力:平时1.0W ,动作时3.6W3) 使用温度:-60℃~140℃4) 湿度:38%~93%5) 外形尺寸:105mm(H) × 75mm(W) ×41mm(D)6) 外壳材料:铝7) 重量:328g4. 功能1) 检测方式:通过检测方式(频率变调方式)2) 检测能力:轻车以上3) 分解能力:环线圈(LOOP COIL)幅以上的车辆之间的距离4) 检测速度:0Km ~180Km/h5) 灵敏度:8级灵敏度可供调整6) 同调方式:自动同调方式7) 计时功能:0~14秒可供调整7) 复位功能:误动作发生时30秒自动复位(自动:30秒或人为操作)8) 输出信号:无电压继电器干接点输出(短接点及长接点)※本公司保留修改之权力,产品规格若有更改恕不另行通知。
线圈安装说明安装线圈施工建议(参考)1.线圈尺寸及圈数A.车辆检测器允许对线圈的形状和尺寸进行灵活调整,实际中一般线圈周长最大可达30米,最小可为3米。
B.线圈的长度取决于车道的宽度(见后图)。
线圈距车道的边沿方至少保持300mm距离。
C.当线圈周长超过10米时通常绕两圈,当线圈周长在6-10米之间时,通常绕三圈,而当线圈周长小于6米时,线圈应绕四圈。
2.线圈间距A.当两个线圈相距较近,并且是接在不同的车辆检测器上时,它们的平行的两边间距应至少大于2米,当它们不在同一平面内时,这一间距可减到1米。
B.当多个线圈接到同一台多通道车辆检测器时,可以避免它们之间的串扰,这一特性可用于方向判断逻辑功能。
当用于这种功能时,两线圈间允许的最大间距为1米,以保证车辆在行驶方向上可以同时跨在两个线圈上。
3.线圈电感范围A.一般对于单圈线圈,圆周长上的电感每米1.5uH,3圈线圈是每米9.3uH。
B.双绞的馈线,每米电感为0.6uH。
4.允许的馈线长度A.值得注意的是,长的馈线可能会降低检测器的灵敏度,因此应尽可能减小馈线长度。
两根馈线应该双绞在一起,以减小馈线间的辐射干扰,同时可能的话,推荐使用屏蔽电缆作馈线。
B.馈线总长度一般不应大于350米。
(理论值)C.为了提高灵敏度,应保证线圈的电感量大于馈线的电感,因此对于小线圈长馈线情况,应增加线圈的圈数,线圈电感与馈线电感之比最少应为4:1。
5.金属和增强材料的影响A.在线圈附近,含铁量高的金属会严重影响线圈灵敏度,像下水道井盖或类似的物体等,地应避开面上可见的物体,线圈与这些物体间应留1米的空间。
而埋入地下的钢筋等增强材料并不明显,但有可能对线圈灵敏度造成影响。
车辆检测器使用说明书一、技术参数工作电源:AC220V/ 50 Hz,2.5W 灵敏度:三级可调工作温度:-40℃~+65℃工作频率:约100 KHz相对湿度“最大95% 采样时间:35 ms储存温度:-40℃~+85℃最大线圈:1米×8米外型尺寸:45mm×75mm×120mm 引线长度:最长10米二、管脚定义(21、A2、22对应为1#继电器,12、31、14对应为2#继电器)三、工作模式定选择首先,将检测器上部的黑色盖板打开(见图1),然后按图2的定义选择你所需要的工作模式:图1(右):检测器示意图图2(左):工作模式定义说明:T1,T2为延时时间,当MOD的位1=OFF 时,T1=0, T2=“DELAY”×0.7(秒);当MOD的位1=ON 时,T2=0, T1=“DELAY”×0.7(秒)四、线圈安装指南检测器能否良好工作在很大程度上取决于它所连接的感应线圈。
线圈的几个重要的参数包括:线圈材料,线圈形状和是否正确施工埋设。
在安装时必须注意以下事项:1.线圈串扰当两个感应线圈靠得很近,两个线圈的磁场迭加在一起,相互造成干扰。
这种现象就是串扰。
串扰会导致错误的检测结果和环路检测器的死锁。
在相邻的但属于不同感应的线圈间,要消除串扰,可以采取以下措施:A.相同的尺寸不同的圈数以改变线圈的工作频率。
一般建议一个为4圈,另一个为6圈。
B. 将相邻的线圈间距加大。
必须保证探测线圈之间的间距大于3米。
C.对线圈引出导线进行良好的屏蔽,屏蔽线必须在探测器端接地。
线圈电缆和接头最好采用多股铜导线。
在电缆和接头之间最好不要有接线处。
如果必需有接线端,也要保证连接可靠,用烙铁将它们焊接起来,并且放置于防水处。
导线截面积不小于0.5平方毫米。
导线材料应耐高温防氧化,如高温镀锡线。
2线圈形状及匝数除非条件不允许,探测线圈应该是长方形。
两条长边与车辆(金属物)运动方向垂直,彼此间距推荐为1米。
环形线圈切割安装指南1环形线圈检测的基本原理感应式环形线圈检测系统由两个部分组成,检测器模块和感应线圈及引线,检测器振荡电路驱动能量(10-200KHZ)通过线圈而产生一个电磁场。
环形线圈感应器形成一个调解电路。
线圈作为一个传感器。
当有金属物体通过磁场时,引起磁通量的变化,产生旋流,旋流将会在导体中被感应到。
由于环形线圈的电感与磁流成比例的,这就导致了环形线圈的电感系数的减少。
检测器检测到这种变化并驱动其电子输出。
环形线圈和引入线是检测系统的感应部分,并且具有阻抗和电容(线与线之间及线与地之间的电容)。
线被环绕起来开形成线圈(通常绕三至四圈),此处的磁场更为集中,形成一个检测区。
所有运载电流的导体或线由于电流通过线体而产生磁流。
这种磁流的结果就是被称为电感的电流性质,电感量以亨利(H)来衡量的。
2环线感应线圈,引入线通常采用交/直流低阻抗的12号或14号AWG线(线圈专用线)。
线的粗细是一个重要因素,但更关键的是线的质量和绝缘体的类型。
绝缘体可以是橡胶、热塑或聚合物。
交键聚乙烯是最常用的,也是我们竭力推荐的一个绝缘体。
绝缘体必须能经受来自起伏不平的街道的磨损和腐蚀,以及潮气、溶液和油剂的侵袭。
同时还须承受酷热的气候和密封剂的高温。
建议采用标准的环形线圈而不用实心线,因为前者具有更好的机械性能。
多胶绞合金属线比实心线更能抗曲折和拉力。
3.线圈的尺寸对车辆进行检测通常采用的是安置在车辆行进方向上的,尺寸为1.2至2米的呈正方形的环形线圈。
采用更小的线圈有可能导致对高车体的车辆过早的失去检测。
线圈的宽度通常应跨越所需检测的车道。
不过应与相邻车道上的线圈保持足够的距离(1.2米以上),以防止产生对相邻车道上的检测。
因此不得小于2米。
使用过小的环形线圈时,车辆较高离地间隙和轮轴将会引起检测方面的问题,在较小的环形线圈上每对轮轴会看作一个单独的检测对象。
典型的检测场高是环形线圈最短一端距离的1/2至2/3。
60智能建筑与城市信息 2003年 第2 期 总第75期IC目。
随着我国加入WTO加。
场,由于车辆进出手续简便,性高,并可以配合电脑设备,入车辆自动进行监测、计费、显示,因而得到广泛应用。
1 IC系统IC组成部分为读卡控制器、时,卡,经系统确认后,起;车辆通过闸杆,时,器探测到车辆驶离,落将入口关闭,的过程。
同样,一台闸杆机,各埋设有一只地感线圈。
驶出车场时,感线圈上面,信号,闸杆自动抬起。
车辆客户收费,出口处的管理人员手工控制。
辆通过闸杆驶离地感线圈后,便自动下落将出口处关闭。
理控制,统计或打印输出结果,备图像监控系统、临时客户发卡计费系统等。
L1、L2,绕制在利用铁淦氧的高导可以减少线圈匝数,又避免变压器T1其绕组L1通过引线外接地地感线圈的感抗通过T1反L2,形成等效电感L,LC1形成振荡回路,根据图2中振荡频率为十余千赫S1闭合C2与C1并联,电容量增设置高低两种L1未连接地感线圈或由故电路停振。
因此Q1的集电极的输出经三极管Q3整97C2051的T0口。
单片机内有2K字节和128字节RAM,2个16Products & Application61Intelligent Building & City Information 2003 2 No. 75位定时/计数器,程的串行通信接口。
的最大特点是一次性编程OTPOTP即这种芯片的EPROM一次,不能再次擦除编程。
位,不占用单片机的任何资源。
OTP模式加密后,再次擦除,片机内的程序。
很显然,程序的方式适合于厂家的中、量生产,但是在产品的开发阶段,使用Atmel公司的机,其功能和指令系统与完全一样,但EPROM等开发调试完成,片机。
最近几年来,Atmel产的AT89C合理处,破译的。
车身金属底盘改变了地感线从而使振荡频率发生振荡频率与f1的差值超出了此时检测器判为车辆驶在有车辆驶入时,单片机的第脚输出约0.5s的高电位,三极管导通,继电器J1吸合,通过相由于各类车辆的车身大小不对地感线圈电感量的影响程度有时地感线圈的埋设处对线圈的电这些因此,无车驶入与有车驶入时这就是车辆检测如果两者频率之表明必须产生更这属于低灵敏度检测;差值设只要有较小的频率变化便可这属于高灵敏度将差值设为大小不同的四个值,分别代表最低、较低、较高、最高四种灵敏度。
1.施工安装场地勘查测量地感安装选址:车辆检测器的地感线圈是停车场管理系统中的重要零件,它的工作稳定性直接影响整个系统的运行效果,地感线圈的制作是工程安装过程中很重要的一个工作环节。
制作地感线圈前要考虑以下几点:①周围50公分范围内不能有大量的金属,如井盖、雨水沟盖板等。
②周围1米范围内不能有超过220V的供电线路。
③制作多个线圈时,线圈与线圈之间的距离要大于2米,否则会互相干扰。
对于进出口在相同位置的停车场系统而言,在确定道闸等安装位置时要充分考虑两车道的宽度,一般车道宽度要求大于等于2.5米小于等于3.5米。
减速带选址:本系统在停车场中或者园区内使用时,在系统读卡区域安装减速带。
减速带安装在系统读卡区域前80厘米处,宽度以横跨车道宽度为宜。
限速在5公里/小时(按照规定园区内部车速不得超过5公里/小时)。
2.地感线圈施工规程1、切割并制作地感线圈槽按照图纸在路面上规划好地感线圈尺寸和位置,用路面切割机切割长方形的线圈槽,要求:①地感线圈大小一般为2×1米左右(实际大小参考停车场现场要求)。
②拐角处切割0.2×0.2米的倒角(倒角处做圆滑处理,防止坚硬的混凝土直角割伤线圈)。
③线圈槽深度为约为4厘米,线圈槽宽度为0.3厘米,线圈引线槽的宽度为0.5厘米,深度和宽度要均匀一致。
④切割完毕的槽内不能有杂物,槽底平整无杂物,槽内干燥清洁。
⑤地感线圈的引线槽要切入底部范围内,避免引线裸露在路面。
2、地感线圈的安装位置地感线圈间的距离应注意以下两点:①900M读卡器的读卡区域示意图读卡器的稳定读卡距离为10米,宽度6米,故触发地感的安装位置可在该区域内敷设。
②现场的地理位置根据现场停车场的施工区域来确定地感线圈的位置。
如下图所示:图1 地感线圈槽切割示意图通过读卡器的稳定读卡区域和停车场的施工区域,二者结合,可以确定地感线圈的安装位置,建议触发地感和防砸地感之间的距离在:3.5米~7米。
三年级我眼中的晋城作文
晋城,我的家乡,像一个巨大的玩具盒!
早晨,太阳公公从山后探出头,把金色的阳光撒落城市。
街道上,小鸟叽叽喳喳地唱着歌,路边的花儿也笑眯眯地张开笑脸,我期待着新的一天。
下午,我穿着很好看的裙子,和爸爸妈妈一起去公园。
公园里,有高大的树木,有五颜六色的花朵,也有小朋友们欢快的笑声,到处都是欢声笑语。
晚上,我和小伙伴们在广场上玩捉迷藏游戏。
天空中,星星眨着眼睛,月亮像个巨大的玉盘。
我们玩得非常开心!
晋城的夏天真热闹,大人们在树荫下纳凉,孩子们在喷泉边快乐地玩耍。
夜晚,我们一家三口在阳台上看星星,爸爸给我讲了许多关于星星的故事。
晋城的冬天真美,白雪皑皑,孩子们在雪地里堆雪人,玩雪,脸上洋溢着幸福的笑容。
我和爸爸妈妈一起在暖烘烘的房间里,喝着热乎乎的奶茶,看着窗外的雪景,感到无比温暖。
晋城,我的家乡,我爱你!你像一个巨大的玩具盒,充满了快乐和幸福。
1. 操作指南感应线圈车辆检测器就是感应车辆的存在,在公路下面或人行道表面埋有一圈或多圈线圈,当车辆经过时,就可感应其存在。
感应线圈通过绞在一起的馈线与检测器相连。
当车辆经过感应线圈时,使线圈的电感变化,这种变化被检测器感应到。
检测器灵敏度是可以调整的,以适应线圈和馈线的多样性来满足多种车型的需要。
车辆通过检测器线圈时,检测器产生继电器输出,这种输出可以被用于触发与其相连的控制装置。
2检测器调谐检测器的调谐是全自动的,一个检测器系统安装后,加电或进行一个复位操作时,检测器就会自动调谐与之相连的线圈。
检测器可以自动调谐线圈的范围是20-1500uH。
这样大的调谐范围可以保证与之相连的所有线圈电感和连接馈线电感都在检测器的调谐范围之内。
一旦调谐完成,感应线圈任何由环境产生的变化,会由检测器的内部补偿电路进行补偿,以保证检测器稳定调谐。
3 安装指导检测器模块所能达到的最好工作状态由与之相连的感应线圈的诸因素决定。
这些因素包括线圈金属材料的选择、线圈结构,以及正确的安装。
一个车辆检测系统的成功安装,必须遵循如下约束,严格遵守安装要求。
检测器必须安装在一个相对密封防潮的位置,尽可能靠近线圈。
4 操作影响串扰当两个线圈安装十分接近时,其中一个的磁场将会与另一个重叠,并对另一个的磁场造成干扰。
这种现象称之为串扰,它将会使检测器检测错误和死锁。
相邻线圈之间的串扰可以通过设置为不同的操作模式而消除:1.注意选择操作频率。
对两个相邻线圈,必须设置为不同的操作频率。
2.分离两个相邻的线圈。
两个线圈间的最小距离应保证在两米以上。
3.如果馈线与其他的电线埋在一起,应采用屏蔽馈线。
在与检测器相连的屏蔽层末端必须接地。
5金属加强物影响在路面下有金属加强物(建筑钢筋等)的存在,对感应线圈电感的变化有影响,因此,对检测系统的灵敏度也产生一定的影响。
所以,在有加强物的地方,线圈的圈数应比通常增加2圈,参考第5.3节。
虽然不一定可能,但线圈、电缆与金属增强物之间的理想空间应该在150毫米左右。
前言:停车场系统地感线圈的埋设工作非常重要,可以说关乎了整个停车场系统的稳定性,本篇文章从地感线圈的原理说起,全面介绍地感线圈的施工正文:一、停车场车辆检测器和地感线圈的原理1、工作原理地感线圈车辆检测器,是一种基于电磁感应原理的车辆检测器。
它通常在同一车道的道路路基下埋设环形线圈,通以一定工作电流,作为传感器。
当车辆通过该线圈或者停在该线圈上时,车辆本身上的铁质将会改变线圈内的磁通,引起线圈回路电感量的变化,检测器通过检测该电感量的变化来判断通行车辆状态。
电感变化量的检测方法一般有两种:一种是利用相位锁存器和相位比较器,对相位的变化进行检测;另一种是利用环形线圈构成的耦合电路对其振荡频率进行检测。
2、系统组成地感车辆检测器包括地感线圈和检测器,线圈作为数据采集,检测器用于实现数据判断,并输出相应逻辑信号。
检测器一般由机架、中央处理器、检测卡和接线端子组成。
中央处理器是对采集信号进行计算的模块,一般是一个带嵌入式操作系统的单板机,具备较强的数字计算、存储能力和通讯接口。
通过对端口的扫描,捕捉电平的变化时间,以此计算出相应的交通数据检测车辆通过或静止在感应线圈的检测域时,通过感应线圈的电感量会降低,检测卡的功能就是检测这一变化并精确地输出相应的电平。
在对高速通过车辆进行检测时,可能会存在车长、车速检测不准确的情况,需要正确调节检测器的灵敏度。
目前的车辆检测器一般都具有多级灵敏度可调的功能。
二、停车场系统中地感线圈的作用在停车场系统中,要确定地感线圈的作用首先我们得知道地感线圈安装的位置,地感线圈一般装在以下四个位置:1、入口票箱处(入口控制机);2、入出口道闸处各一个;3、出口票箱处(出口控制机);行业内使用的地感线圈,一般都是铜芯线,上过初中的人都应该知道,当有金属物体穿过线圈时,会产生电流,停车场系统中就是利用了这个原理;这也就是为什么我们称之为线圈,线圈的制作方法比较简单,就是将一定长度的铜线环绕几圈,这么一解释大家都不陌生了吧;三、其入口控制机处的地感作用可定位两个方面:1、防丢卡大家应该都知道,在标准一进一出系统中,临时车辆进场时是通过自动取卡进场的,他只需要按按钮就行了,这时候的地感的作用就是当感应有车辆在该处时才能取卡,而不是人站上去按按钮就能取卡2、压地感读卡在远距离读卡系统中(蓝牙系统、车牌识别系统),该处地感用于辨别车辆方向;四、入出口道闸其作用也有两个方面1、防砸车,有车在地感处时道闸杆是不会落杆的;2、车过落杆出口控制机处的地感跟入口控制器处的地感相似,在远距离读卡系统中(蓝牙系统、车牌识别系统),该处地感用于辨别车辆方向五、地感线圈埋设注意事项停车场系统里“地感线圈”就是一个振荡电路。
地感线圈设计、安装规范及注意事项操作指引一、地感线圈介绍地感线圈材质:国标多芯软线BVR1.5地感线圈使用场景:●控制机地感(车牌识别场景):用于检测未能识别到的无牌车辆,通过压地感抓拍车辆图片作为入场记录、出场记录比对并完成缴费的凭证作用;●控制机地感(取票场景):用于检测出入口是否有车,仅当地感检测到有车辆时,才允许取票、吞票;●控制机地感(红绿灯应用场景):用于检测出入口是否有车,当地感检测到有车辆时,会触发红绿灯控制器控制灯为红色,没有检测到车辆时,则为绿色;●道闸开闸地感(压地感开闸场景):用于检测出入口道闸开闸,当检测到有车辆,则会触发道闸开闸;没有检测到车辆时,则不开闸;●道闸防砸地感:用于检测车辆是否正在通行,起防砸车作用。
二、设计规范1、设计原则地感设计依据现场实际应用场景、合理优化地感设计方案,保证车辆能够控制及检测地感信号,且需做到抗临道干扰;对于喇叭口、T字型口、栅栏杆、大型货车通行,必须配备红外对射装置。
2、应用场景设计指引2.1、常规场景设计指引2.1.1、线圈常规形状及尺寸a.控制机地感:标准宽度为0.8m,标准长度为2m,距离安全岛边沿0.5m-1m;控制机前面的地感主要是用来检测是否有车、无牌车图片抓拍,施工时地感可按矩形(倒角,倒角为30cm/45°)形状施工,如下图:b.道闸地感:车道≤4m,标准宽度为1m,标准长度2m;通常地感探测线圈是长方形(倒角),一边距离安全岛边沿0.5m-1m,另一边距离道闸杆尾端0.5m-1m。
从车辆行车方向,以道闸杆为分界线3:7切割,如果出入口共道的情况直接进行5:5切割。
c.道闸地感:4m<车道≤6m,且大货柜为主的车场,道闸地感可将宽度调整为1.5m-2m;小车为主的车道宽度调整为1.2m-1.5m,调整为”8”字型或日字型,每个口字长度不能超过2米(大货车为主情景,必须配备2组红外对射装置、立柱高度依据现场大货柜车的高度决定,呈斜角高低对射),如下图:注:当路面为沥青路面时,两地感线圈之间的宽度调整为600,以便不损坏线圈的连接角处。
地感线圈车辆检测器安装指南一、检测器安装检测器应尽可能安装在防潮防湿的干燥环境里,并与其它设备或装置保持一定间隔,以便接线和维护。
二、线圈安装指南检测器能否正常工作在很大程度上取决于它所连接的感应线圈。
线圈的几个重要参数包括:线圈材料,线圈形状及尺寸和线圈施工质量。
线圈安装由于 SJ400T 型车辆检测器的电感自调谐范围较大,所以检测器对于感应线圈的电感量(包括馈线)适应范围较宽,馈线长度最长可达 500米,有利于工程应用。
线圈和馈线推荐使用整根电缆(无接头)。
⑴线圈材料:一般可选用聚乙烯 AWG16~22 多芯高温护套线,不使用 PVC 绝缘线。
⑵线圈形状及开槽方法:线圈一般为矩形,四角 45 度倒角避免尖角割伤线圈电缆。
①道路地面开槽方法俯视图(见图)②线槽截面图(见图)⑶线圈施工步骤:①路面画线,根据检测对象,确定线圈尺寸,避免尖角损坏电缆绝缘;②设置锯缝:深度一般为 50~80mm应保证槽内最上层电缆距地面 30mm以上,槽宽一般为 4~8mm,应大于电缆直径,切割馈线走线槽,去掉槽内锐角,清理碎渣,检查槽底是否平整;③整个电感线圈(包括矩形线圈和馈线)的电缆应无接头,在槽内自下而上逐层排线,压紧,直至完成设计总匝数;④馈线(从矩形线圈到检测器)须双绞后延伸至检测器,每米至少绞合20 次;⑤线圈电缆必须每隔 20~30cm 用长 3cm 左右的塑料泡沫棒固定,这样可防止电缆在填缝时浮起;⑥填缝:槽内缝隙须填实与道路成为一体,防止线圈在有车经过时发生颤动,对于水泥路面可用水泥、沥青或环氧树酯,而对于沥青路面只能用沥青作为填缝材料。
⑷线圈周长与线圈匝数参考表:⑸线圈电感量参考表(馈线电感量计算方法:约为 0.72uH/m)⑹线圈串扰在多于1 台检测器的应用场合,必须确保检测器所带载的线圈之间没有串扰,可以将检测器的线圈分开一定距离安装(两个平行长边相距大约 2 米以上),同时可通过调整检测器的内部工作频率来避免线圈之间的串扰。
地感线圈的技术要求和施工方法线圈可在车道施工中预埋,也可用切割机后期施工。
线圈连至探测控制器连线须螺旋双绞(>20绞/m)。
具体尺寸如与图纸有冲突以施工图纸为准。
线圈用RV1.5mm²电缆。
1、线圈尺寸及圈数车辆检测器允许对线圈的形状和尺寸进行灵活调整,实际中一般线圈周长最大可达30米,最小可为3米。
线圈的长度取决于车道的宽度(见上图)。
线圈距车道的边沿方至少保持300mm距离。
当线圈周长超过10米时通常绕两圈,当线圈周长在6-10米之间时,通常绕三圈,而当线圈周长小于6米时,线圈应绕四圈。
2、线圈间距当两个线圈相距较近,并且是接在不同的车辆检测器上时,它们的平行的两边间距应至少大于2米,当它们不在同一平面内时,这一间距可减到1米.当多个线圈接到同一台多通道车辆检测器时,可以避免它们之间的串扰,这一特性可用于方向判断逻辑功能.当用于这种功能时,两线圈间允许的最大间距为1米,以保证车辆在行驶方向上可以同时跨在两个线圈上.3、线圈电感范围一般对于单圈线圈,圆周长上的电感每米1。
5uH,3圈线圈是每米9.3uH。
双绞的馈线,每米电感为0。
6uH.4、允许的馈线长度值得注意的是,长的馈线可能会降低检测器的灵敏度,因此应尽可能减小馈线长度。
两根馈线应该双绞在一起,以减小馈线间的辐射干扰,同时可能的话,推荐使用屏蔽电缆作馈线。
馈线总长度一般不应大于350米。
(理论值)为了提高灵敏度,应保证线圈的电感量大于馈线的电感,因此对于小线圈长馈线情况,应增加线圈的圈数,线圈电感与馈线电感之比最少应为4 :1。
5、金属和增强材料的影响在线圈附近,含铁量高的金属会严重影响线圈灵敏度,像下水道井盖或类似的物体等,地应避开面上可见的物体,线圈与这些物体间应留1米的空间。
而埋入地下的钢筋等增强材料并不明显,但有可能对线圈灵敏度造成影响。
当存在金属物体或钢筋等增强材料时,线圈应安装在这些金属网上方50mm左右。
如果允许降低灵敏度时,这一距离可减小到40mm。
车辆检测器线圈
安
装
指
南
目录
一、线圈安装步骤 (3)
1.1 感应线圈的定位与几何形状选择 (3)
1.2凹形槽的切割 (3)
1.3 线圈匝数与规格 (3)
1.4 感应线圈与引出线的埋设 (3)
1.5 线圈的串扰与处理 (4)
二、其他注意事项 (4)
一、线圈安装步骤
车辆检测器能否良好工作,很大程度上取决于它所连接的感应线圈。
线圈的几个重要参数包括:线圈材料,线圈形状和是否正确施工埋设。
在安装时必须注意以下事项。
1.1 感应线圈的定位与几何形状选择
感应地感的定位应根据设计要求及设备布置图和现场环境定位,一般有菱形、长方形两种,个别场合也有采用“8”字形的感应线圈形状;停车场应用系统常采用2米x 1米的长方形的感应线圈形状;
1.2凹形槽的切割
确定了线圈的形状后,需要在地上切10MM宽(可在切地感时装三块切割片),50MM 深的凹形槽,用于放置感应线圈;凹形槽的四角拐弯处应打磨光滑以防割破线圈的绝缘,如遇有直角或小于90度的转角,应进行倒角处理,避免线圈折角后容易损坏;同时应切割引线槽到车辆检测器的安装位置,以便将感应线圈引线到车辆检测器,也可用相同的凹型槽;
1.3 线圈匝数与规格
感应线圈的材料用BV-1.0铜线即可,线径也可大一些;
如果线圈小,则匝数应增多
1.4 感应线圈与引出线的埋设
在埋设电缆时,要留出足够的长度以便连接到车辆检测器,并保证感应线圈由头至尾间没有接头及线护套无破损的地方;按匝数要求安放线圈,走线尽可能在槽底,同时在转角处加强防破损处理,比如,在转角处用绝缘胶布将线包裹;感应线圈的引出线必须进行高密度双绞,以防被干扰,每米不得少于扭绞20次;感应线圈的引出线长度不应超过10米,由于探测线圈的灵敏度随引线长度的增加而降低,所以引线电缆的长度要尽可能短。
“凹形槽”在填满前,必须要测量线圈的电感量与绝缘电阻,然后在其上放尼龙绳,再把凹槽内填满水泥或者是树脂。
目的是使线圈对地的绝缘电阻大于20Mohm(最好100M以上)。
为确保使用可靠,凹形槽填满后,需重新测量线圈的电感量与绝缘电阻,避免填满过程中将感应线圈损坏,而留下使用隐患;
测量要点:
1)电感量必须在50uH---1000uH 之间,理想的值近似100uH;
2)绝缘电阻必须大于20MOhm,想值必须大于100Mohm;
截面示意图:
1.5 线圈的串扰与处理
当两个感应线圈靠得很近,两个线圈的磁场迭加在一起,相互造成干扰,这种现象就是串扰。
串扰会导致错误的检测结果和死锁。
在相邻的但属于不同感应器的线圈间,要消除串扰,可以通过以下措施:
A.选择不同的工作频率。
两个线圈靠得越近,它们的工作频率就应该差得越大;
B.将相邻的线圈间距加大。
必须保证探测线圈之间的间距大于1.5米(最好2米以上);
二、其他注意事项
1).车辆检测器必须安装在离探测线圈尽可能近的、防水的环境里。
2). 感应线圈不能装在很软的或者活动地面下。
3).感应线圈引出线要尽可能地短,并且要和强电、网线、信号线分离。
4).引出线出地面处需用绝缘导管。