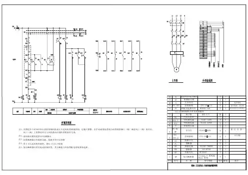
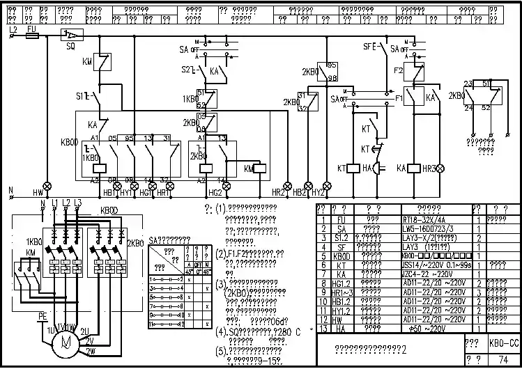
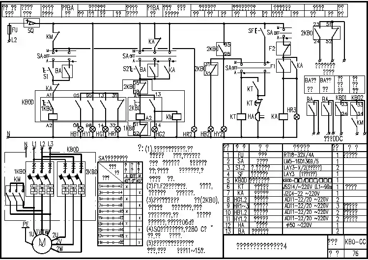
LAY3 (1常开1常闭)AD11-22/20 ~220VAD11-22/20 ~220VAD11-22/20 ~220VAD11-22/20 ~220V带熔断指示安装.(5).外引高低速启.停按钮组可在箱面上或墙壁上(3).高速排烟使用的控制保护器(2KB0),为满足在过负荷时继续工作,应选配消防型过载保护器,其本身具备只报警不跳闸功能。辅助触头为06d。KM工程设计决定采用就地检修手控和消防联动控制.远距离控制;高速运行作为排采用就地检修手控和停止运行.SQ为防火阀限位开关,其280 C动作后,设备烟使用,低速运行作为排风使用,本图适用于正常工作时F1.F2屏或联动模块.常闭触点,接自(2).注:(1).(6).(4).为消防联动常开.消防控制SA转换开关LW5-16D0413/2110红绿各二SS3SAMOFFAxxx654321开动动45045MOFFA用途接点号xxx78SA转换开关接点图表自断手位置和排风兼排烟双速风机控制电路图1此部分取消.无消防联动时消防联动F1F2983295311314A1A2515251523132141395980805A1A21KB0 2KB01KB02KB0HR1HY1NHB1HG1HG2HB2SS2SS1电源二次保护手动控制及运行信号低速就地与远距离低速控制信号短路故障停止SF1SF3SF2HY297SF3,RT18-32X/4A1KB0D- / / 序号符 号名 称型号及规格 备 注 数量双速控制器熔断器FU23456KB0D1启.停按钮组按需要增减按需要增减按需要增减绿色信号灯蓝色信号灯红色信号灯黄色信号灯外引高低速222241HG1.2HB1.2HY1.2HR1.2SF1.2,SS1.2SS3.双速控制器的选型由工程设计决定,详见本图集第9-15页.73KB0-CC图集号页 号HR2电源手动控制及运行信号高速就地故障短路停止高速控制信号1高低速启.FUL2KMKM高速运转接触器KMSQ位开关防火阀限停按钮1V~}KM1UPEI>}I>>}L1N1KB02UM2V2W1WI>}I>>}I>}I>}I>>}I>>}I>}I>>}I>}I>>}2KB0L2L3KB0D020 ~220V1按需要增减