ANSYS温度场分析步骤
- 格式:docx
- 大小:802.64 KB
- 文档页数:7
第一章绪论1.1内燃机活塞组有限元研究的背景和意义内燃机是目前世界上应用最广泛的热动力装置,它主要利用燃料燃烧释放出的热能产生有用的机械能做功。
经历了百余年的发展,内燃机领域己经取得了长足的进步。
在现今的社会中,几乎所有的交通工具均以内燃机做其核心的动力源。
回溯整个20世纪,内燃机技术的成熟推动了整个人类社会向前进步,其广泛的应用也造就了这个世纪的繁荣。
随着各种新技术的研究成果应用到发动机设计过程中,以及愈来愈严格的排放法规的现在,发动机正想着高转速,高功率和低油耗的方向发展。
功率的提高必然带来一些负面的影响。
如加重了活塞的热负荷,使得活塞的温度超过活塞材料所能承受的味道,大大降低了活塞磁疗的强度,严重时可能活塞会出现龟裂甚至烧损。
缸内爆发压力增加是活塞和缸体,缸盖承受的接卸符合增大。
可能导致活塞和缸体缸盖因强度不足而产生破坏。
此外压力升高率过大时,会产生敲缸现象,增加发动机的燃烧噪声,当提高发动机的转速以增大发动机的功率时,各个运动部件的惯性力也随着增加,使得活塞销和活塞销座的受力问题更为突出。
缸体对活塞的支撑力也增大。
于是发动机的噪声问题成为整车噪声中的主要问题【21】。
尽管转速的自己可以减少发动机的传热损失,但却同时造成发动机的NOx排放增加,在排放法规要求日益严格的今天,这一问题的得与失显得要慎重考虑。
不仅如此,还会造成摩擦损失的增加。
在满足发动机高功率设计的同时,必须要考虑发动机的温度和强度方面的要求。
发动机是一切动力装置的新章,而作为发动机关键部件的活塞又是重中之重,活塞热负荷和热强度问题的解决常常是提高征集技术水平的关键,直接影响内燃机工作可靠性和耐久性。
为了减少发动机的整机重量和提高功率,中小型柴油机几乎都采用铝合金作为材料,为了减少活塞的传热和热负荷,人们正尝试使用陶瓷作为活塞的材料。
有限元法是当今工程分析中应用最广泛的数值计算方法。
由于它的通用性和有效性,受到工程技术界的高度重视。
ANSYS稳态和瞬态热模拟基本步骤基于ANSYS 9。
0一、稳态分析从温度场是否是时间的函数即是否随时间变化上,热分析包括稳态和瞬态热分析。
其中,稳态指的是系统的温度场不随时间变化,系统的净热流率为0,即流入系统的热量加上系统自身产生的热量等于流出系统的热量:(3-1)=0+-q q q流入生成流出在稳态分析中,任一节点的温度不随时间变化.基本步骤:(为简单起见,按照软件的菜单逐级介绍)1、选择分析类型点击Preferences菜单,出现对话框1。
对话框1我们主要针对的是热分析的模拟,所以选择Thermal.这样做的目的是为了使后面的菜单中只有热分析相关的选项.2、定义单元类型GUI:Preprocessor>Element Type〉Add/Edit/Delete 出现对话框2对话框2点击Add,出现对话框3对话框3在ANSYS中能够用来热分析的单元大约有40种,根据所建立的模型选择合适的热分析单元。
对于三维模型,多选择SLOID87:六节点四面体单元。
3、选择温度单位默认一般都是国际单位制,温度为开尔文(K).如要改为℃,如下操作GUI:Preprocessor>Material Props>Temperature Units选择需要的温度单位。
4、定义材料属性对于稳态分析,一般只需要定义导热系数,他可以是恒定的,也可以随温度变化。
GUI: Preprocessor〉Material Props> Material Models 出现对话框4对话框4一般热分析,材料的热导率都是各向同性的,热导率设定如对话框5.对话框5若要设定材料的热导率随温度变化,主要针对半导体材料。
则需要点击对话框5中的Add Temperature选项,设置不同温度点对应的热导率,当然温度点越多,模拟结果越准确.设置完毕后,可以点击Graph按钮,软件会生成热导率随温度变化的曲线。
对话框5中,Material菜单,New Model选项,添加多种材料的热参数。
ANSYS 稳态和瞬态热模拟基本步骤基于ANSYS 9.0一、稳态分析从温度场是否是时间的函数即是否随时间变化上,热分析包括稳态和瞬态热分析。
其中,稳态指的是系统的温度场不随时间变化,系统的净热流率为0,即流入系统的热量加上系统自身产生的热量等于流出系统的热量:=0q q q+-流入生成流出在稳态分析中,任一节点的温度不随时间变化。
基本步骤:(为简单起见,按照软件的菜单逐级介绍)1、选择分析类型点击Preferences 菜单,出现对话框1。
对话框1我们主要针对的是热分析的模拟,所以选择Thermal 。
这样做的目的是为了使后面的菜单中只有热分析相关的选项。
2、定义单元类型GUI :Preprocessor>Element Type>Add/Edit/Delete 出现对话框2对话框2(3-1)点击Add,出现对话框3对话框3在ANSYS中能够用来热分析的单元大约有40种,根据所建立的模型选择合适的热分析单元。
对于三维模型,多选择SLOID87:六节点四面体单元。
3、选择温度单位默认一般都是国际单位制,温度为开尔文(K)。
如要改为℃,如下操作GUI:Preprocessor>Material Props>Temperature Units选择需要的温度单位。
4、定义材料属性对于稳态分析,一般只需要定义导热系数,他可以是恒定的,也可以随温度变化。
GUI: Preprocessor>Material Props> Material Models 出现对话框4对话框4一般热分析,材料的热导率都是各向同性的,热导率设定如对话框5.对话框5若要设定材料的热导率随温度变化,主要针对半导体材料。
则需要点击对话框5中的Add Temperature选项,设置不同温度点对应的热导率,当然温度点越多,模拟结果越准确。
设置完毕后,可以点击Graph按钮,软件会生成热导率随温度变化的曲线。
基于ANSYS12.0的钢板加热过程分析
一.问题描述
2000mm*2000mm*100mm的钢板,初始温度为20℃,放入温度为1120℃的加热炉内加热,已知其换热系数125W/㎡*K,钢板的比热为460J/kg*℃,密度为7850kg/m ³,导热系数为50W/m*K,计算钢板1800s后的温度场分布。
二.问题分析
此问题属于热瞬态分析(载荷随时间变化),选用SOLID70三维六面体单元进行有限元分析。
SOLID70——三维热实体,具有8各节点,每个节点一个温度自由度。
该单元可用于三维的稳态或瞬态的热分析问题。
三.操作步骤
1.定义分析文件名
Utility Menu>File>Change Jobname,输入Example。
2.定义单元类型
Main Menu>Preprocesor>Element Type>Add/Edit/Delete,选择SOLID70三维六面体单元进行有限元分析。
3.定义材料属性
①传导系数
②材料密度
③材料比热
4.建立几何模型
5.设置单元密度
6.划分单元
7.施加对流换热载荷
8.施加初始温度
9.设置求解选项
10.温度偏移量设置
11.输出控制
12.存盘
13.求解
14.显示温度场分布云图
四.总结
本例介绍了应用ANSYS对钢板加热过程进行瞬态热分析的基本步骤,应用此方法可对各种零件加热过程的温度
场分布进行分析。
!此APDL程序为本书第六章《太阳辐射作用下钢结构温度场分析》中例题6.2的相关程序!(1)建立工作文件名和工作标题/CLEAR !清除目前ANSYS中所有数据/COM,Thermal !过滤ANSYS的图形截面/FILENAME, TEMP_FIELD !定义工作文件名/TITLE, TEMPERATURE FIELD ANAL YSIS OF A STEEL MEMBER !定义工作标题*AFUN,DEG !设置程序中角单位为度!(2)定义单元类型/PREP7 !进入前处理模块ET,1,SOLID70 !定义热分析单元ET,2,MESH200 !定义网格划分单元KEYOPT,2,1,6 !定义单元2的第一个关键选项KEYOPT,2,2,0 !定义单元2的第二个关键选项!(3)定义材料性能参数MP,KXX,1,45 !定义钢材KXX方向的导热系数MP,KYY,1,45 !定义钢材KYY方向的导热系数MP,KZZ,1,45 !定义钢材KZZ方向的导热系数MP,DENS,1,7850 !定义钢材的密度MP,C,1,465 !定义钢材的比热容!(4)创建有限元模型LOCAL,11,0,0,0,0,0,0,30 !定义局部坐标系11CSYS,11 !激活局部坐标系11K,1,0,0,0 !定义矩形钢管的中心轴线中的关键点1K,2,0,1,0 !定义矩形钢管的中心轴线中的关键点2L,1, 2 !连接关键点1和2,生成矩形钢管的中心轴线k,3,0.5,0,0.5 !定义矩形钢管截面的关键节点3k,4,-0.5,0,0.5 !定义矩形钢管截面的关键节点4k,5,-0.5,0,-0.5 !定义矩形钢管截面的关键节点5k,6,0.5,0,-0.5 !定义矩形钢管截面的关键节点6k,7,0.48,0,0.48 !定义矩形钢管截面的关键节点7k,8,-0.48,0,0.48 !定义矩形钢管截面的关键节点8k,9,-0.48,0,-0.48 !定义矩形钢管截面的关键节点9k,10,0.48,0,-0.48 !定义矩形钢管截面的关键节点10k,11,0.5,0,0.48 !定义矩形钢管截面的关键节点11k,12,-0.5,0,0.48 !定义矩形钢管截面的关键节点12k,13,-0.5,0,-0.48 !定义矩形钢管截面的关键节点13k,14,0.5,0,-0.48 !定义矩形钢管截面的关键节点14!定义矩形钢管截面,为便于网格划分,分四部分创建A,3,4,12,11 !利用关键点3、4、12、11,生成面1A,5,6,14,13 !利用关键点5、6、14、13,生成面2A,11,7,10,14 !利用关键点11、7、10、14,生成面3A,8,12,13,9 !利用关键点8、12、13、9,生成面4!对矩形钢管截面进行网格划分AESIZE,all,0.02 !将所有面网格划分时的单元尺寸设置为0.02m MSHAPE,0,2D !利用四边形单元进行网格划分MSHKEY,1 !采用映射网格划分单元AMESH,ALL !对所有网格进行划分单元TYPE,1 ! 定义单元属性EXTOPT,ESIZE,10,1, !在体生成的方向上单元分割为10份EXTOPT,ACLEAR,1 !在体生成时清除面单元网格EXTOPT,ATTR,0,0,0 !使用有MA T命令定义的材料属性赋给单元MA T,1 !定义单元的材料属性VDRAG,1,2 ,3 , 4, , ,1 !拉伸建立体并形成SOLID70实体单元CSYS,0 ! 激活笛卡尔坐标系!(5)计算日照时间内,即14个小时内的空气的温度值*DIM,t_outdoor,,14 !定义室外空气温度数组为t_outdoor*DO,t,6,19 !给室外空气温度数组t_outdoor赋值*SET,t_outdoor(t-5),35+5*sin(15*(t-5)-45)*ENDDO!(6)计算日照时间内,即14个小时内地面的温度值*DIM,t_earth,,14 !定义地面的温度值数组为t_earth*DO,t,6,19 !给日照时间内地面温度值数组赋值*SET,t_earth(t-5),36+8*sin(15*(t-5)-45)*ENDDO!(7)定义14个时刻太阳高度角正弦数组altitudea1=23.44 !定义太阳赤纬角23.44a2=36.26 !定义地理纬度为北纬36.26*DIM,altitude,,14 !定义日照时间内太阳高度角的正弦值数组为altitude *DO,i,1,14,1aa=cos(a2)*cos(15*(i-1)-90)*cos(a1)aa1=sin(a2)*sin(a1) !根据书中公式()计算太阳高度角正弦值*SET,altitude(i),aa+aa1*ENDDO!(8)定义14个时刻的太阳方位角余弦数组azimuth并赋值,*DIM,azimuth,,14*DO,i,1,14,1aa=sin(a1)*cos(a2)-cos(a1)*sin(a2)*cos(15*(i-1)-90)aa2=sqrt(1-altitude(i)**2)*SET,azimuth(i),aa/aa2*ENDDO!(9)定义14个时刻的太阳方位角角度数组angle并赋值*DIM,angle,,14*DO,i,1,7,1*SET,angle(i),acos(azimuth(i))*ENDDO*DO,i,8,14,1*SET,angle(i),2*180-acos(azimuth(i))*ENDDO!(11)太阳辐射强度计算的基本参数设置*SET,factorc,0.138 !太阳散射辐射系数*SET,pg,0.35 !地面或者水平面的太阳辐射反射率*SET,factor_a,1370*(1+0.034) !地外太阳直射辐射值*SET,factor_b,0.42 !定义大气消光系数!(12)定义14个时刻的地面太阳辐射直射强度数组GND并赋值*DIM,GND,,14*DO,m,1,14,1*SET,GND(m),factor_a/exp(factor_b/altitude(m))*ENDDO!(13)定义14个时刻结构表面太阳辐射荷载的几何参数*DIM,cos_surf,,4 !表面方位角余弦值*DIM,cos_angle,,4 !表面方位角角度值*DIM,cos_title,,4 !倾角余弦值*DIM,title_angle,,4 !倾角角度值!利用面5上的三个关键点,计算面5的表面方位角余弦、表面方位角弧度、倾角余弦和倾角弧度值kp_1=4 !将面5中的关键点4的编号赋给参数kp_1kp_2=3 !将面5中的关键点3的编号赋给参数kp_2kp_3=16 !将面5中的关键点16的编号赋给参数kp_3k1x=kx(kp_1) !提取关键点4的X坐标值k1y=ky(kp_1) !提取关键点4的Y坐标值k1z=kz(kp_1) !提取关键点4的Z坐标值k2x=kx(kp_2) !提取关键点3的X坐标值k2y=ky(kp_2) !提取关键点3的Y坐标值k2z=kz(kp_2) !提取关键点3的Z坐标值k3x=kx(kp_3) !提取关键点16的X坐标值k3y=ky(kp_3) !提取关键点16的Y坐标值k3z=kz(kp_3) !提取关键点16的Z坐标值!参考空间解析几何相关知识,计算面5的a1=(k2y-k1y)*(k3z-k1z)-(k3y-k1y)*(k2z-k1z)a2=(k3x-k1x)*(k2z-k1z)-(k2x-k1x)*(k3z-k1z)a3=0a4=sqrt(a1**2+a2**2+a3**2)*set,cos_surf(1),abs(a2)/a4cosx=normkx(kp_3,kp_2,kp_1)cosy=normky(kp_3,kp_2,kp_1)*if,cosx,lt,0,and,cosy,lt,0,then*set,cos_angle(1),acos(cos_surf(1))*elseif,cosx,gt,0,and,cosy,gt,0,then*set,cos_angle(1),acos(cos_surf(1))+180*elseif,cosx,lt,0,and,cosy,gt,0,then*set,cos_angle(1),180-acos(cos_surf(1))*else*set,cos_angle(1),360-acos(cos_surf(1))*endifcosz=normkz(kp_3,kp_2,kp_1)*(-1)*set,cos_title(1),cosz*set,title_angle(1),acos(cosz)!利用面21上的三个关键点,计算面21的表面方位角余弦、表面方位角弧度、倾角余弦和倾角弧度值kp_1=13 !将面21中的关键点13的编号赋给参数kp_1kp_2=12 !将面21中的关键点12的编号赋给参数kp_2kp_3=22 !将面21中的关键点22的编号赋给参数kp_3k1x=kx(kp_1) !提取关键点13的X坐标值k1y=ky(kp_1) !提取关键点13的Y坐标值k1z=kz(kp_1) !提取关键点13的Z坐标值k2x=kx(kp_2) !提取关键点12的X坐标值k2y=ky(kp_2) !提取关键点12的Y坐标值k2z=kz(kp_2) !提取关键点12的Z坐标值k3x=kx(kp_3) !提取关键点22的X坐标值k3y=ky(kp_3) !提取关键点22的Y坐标值k3z=kz(kp_3) !提取关键点22的Z坐标值a1=(k2y-k1y)*(k3z-k1z)-(k3y-k1y)*(k2z-k1z)a2=(k3x-k1x)*(k2z-k1z)-(k2x-k1x)*(k3z-k1z)a3=0a4=sqrt(a1**2+a2**2+a3**2)*set,cos_surf(1),abs(a2)/a4cosx=normkx(kp_3,kp_2,kp_1)cosy=normky(kp_3,kp_2,kp_1)*if,cosx,lt,0,and,cosy,lt,0,then*set,cos_angle(2),acos(cos_surf(2))*elseif,cosx,gt,0,and,cosy,gt,0,then*set,cos_angle(2),acos(cos_surf(2))+180*elseif,cosx,lt,0,and,cosy,gt,0,then*set,cos_angle(2),180-acos(cos_surf(2))*else*set,cos_angle(2),360-acos(cos_surf(2))*endifcosz=normkz(kp_3,kp_2,kp_1)*(-1)*set,cos_title(2),cosz*set,title_angle(2),acos(cosz)!利用面18上的三个关键点,计算面18的表面方位角余弦、表面方位角弧度、倾角余弦和倾角弧度值kp_1=11 !将面18中的关键点11的编号赋给参数kp_1kp_2=14 !将面18中的关键点14的编号赋给参数kp_2kp_3=21 !将面18中的关键点21的编号赋给参数kp_3k1x=kx(kp_1) !提取关键点11的X坐标值k1y=ky(kp_1) !提取关键点11的Y坐标值k1z=kz(kp_1) !提取关键点11的Z坐标值k2x=kx(kp_2) !提取关键点14的X坐标值k2y=ky(kp_2) !提取关键点14的Y坐标值k2z=kz(kp_2) !提取关键点14的Z坐标值k3x=kx(kp_3) !提取关键点21的X坐标值k3y=ky(kp_3) !提取关键点21的Y坐标值k3z=kz(kp_3) !提取关键点21的Z坐标值a1=(k2y-k1y)*(k3z-k1z)-(k3y-k1y)*(k2z-k1z)a2=(k3x-k1x)*(k2z-k1z)-(k2x-k1x)*(k3z-k1z)a3=0a4=sqrt(a1**2+a2**2+a3**2)*set,cos_surf(1),abs(a2)/a4cosx=normkx(kp_3,kp_2,kp_1)cosy=normky(kp_3,kp_2,kp_1)*if,cosx,lt,0,and,cosy,lt,0,then*set,cos_angle(3),acos(cos_surf(3))*elseif,cosx,gt,0,and,cosy,gt,0,then*set,cos_angle(3),acos(cos_surf(3))+180*elseif,cosx,lt,0,and,cosy,gt,0,then*set,cos_angle(3),180-acos(cos_surf(3))*else*set,cos_angle(3),360-acos(cos_surf(3))*endifcosz=normkz(kp_3,kp_2,kp_1)*(-1)*set,cos_title(3),cosz*set,title_angle(3),acos(cosz)!利用面10上的三个关键点,计算面10的表面方位角余弦、表面方位角弧度、倾角余弦和倾角弧度值kp_1=6 !将面10中的关键点6的编号赋给参数kp_1kp_2=5 !将面10中的关键点5的编号赋给参数kp_2kp_3=19 !将面10中的关键点19的编号赋给参数kp_3k1x=kx(kp_1) !提取关键点6的X坐标值k1y=ky(kp_1) !提取关键点6的Y坐标值k1z=kz(kp_1) !提取关键点6的Z坐标值k2x=kx(kp_2) !提取关键点5的X坐标值k2y=ky(kp_2) !提取关键点5的Y坐标值k2z=kz(kp_2) !提取关键点5的Z坐标值k3x=kx(kp_3) !提取关键点19的X坐标值k3y=ky(kp_3) !提取关键点19的Y坐标值k3z=kz(kp_3) !提取关键点19的Z坐标值a1=(k2y-k1y)*(k3z-k1z)-(k3y-k1y)*(k2z-k1z)a2=(k3x-k1x)*(k2z-k1z)-(k2x-k1x)*(k3z-k1z)a3=0a4=sqrt(a1**2+a2**2+a3**2)*set,cos_surf(1),abs(a2)/a4cosx=normkx(kp_3,kp_2,kp_1)cosy=normky(kp_3,kp_2,kp_1)*if,cosx,lt,0,and,cosy,lt,0,then*set,cos_angle(4),acos(cos_surf(4))*elseif,cosx,gt,0,and,cosy,gt,0,then*set,cos_angle(4),acos(cos_surf(4))+180*elseif,cosx,lt,0,and,cosy,gt,0,then*set,cos_angle(4),180-acos(cos_surf(4))*else*set,cos_angle(4),360-acos(cos_surf(4))*endifcosz=normkz(kp_3,kp_2,kp_1)*(-1)*set,cos_title(4),cosz*set,title_angle(4),acos(cosz)!(14)定义日照时间内14个时刻的构件表面太阳方位角数组并计算赋值*dim,angle_surf,,4,14 !表面太阳方位角计算*do,m,1,14*do,j,1,4,1*set,angle_surf(j,m),abs(cos_angle(j)-angle(m))*enddo*enddo!(15)定义日照时间内14个时刻的构件表面太阳入射角数组并计算赋值*dim,cos_ps,,4,14!计算入射角*do,m,1,14cosp=sqrt(1-altitude(m)**2)*do,j,1,4,1dd1=altitude(m)*cos(title_angle(j))dd2=cosp*cos(angle_surf(j,m))*sin(title_angle(j))*set,cos_ps(j,m),dd1+dd2*enddo*enddo!(16)定义日照时间内14个时刻的构件表面与水平面之间夹角的余弦值数组并计算赋值*dim,cos_ph,,4!表面与水平面之间的夹角的余弦!利用面5上的三个关键点,计算面5水平面之间的夹角的余弦值并赋值给cos_ph(1)kp_1=4 !将面21中的三个关键点13的编号分别赋给参数kp_1kp_2=3 !将面21中的三个关键点12的编号分别赋给参数kp_2kp_3=16 !将面21中的三个关键点22的编号分别赋给参数kp_3k1x=kx(kp_1) !提取关键点4的X坐标值k1y=ky(kp_1) !提取关键点4的Y坐标值k1z=kz(kp_1) !提取关键点4的Z坐标值k2x=kx(kp_2) !提取关键点3的X坐标值k2y=ky(kp_2) !提取关键点3的Y坐标值k2z=kz(kp_2) !提取关键点3的Z坐标值k3x=kx(kp_3) !提取关键点16的X坐标值k3y=ky(kp_3) !提取关键点16的Y坐标值k3z=kz(kp_3) !提取关键点16的Z坐标值a1=(k2y-k1y)*(k3z-k1z)-(k3y-k1y)*(k2z-k1z)a2=(k3x-k1x)*(k2z-k1z)-(k2x-k1x)*(k3z-k1z)a3=(k2x-k1x)*(k3y-k1y)-(k3x-k1x)*(k2y-k1y)a4=sqrt(a1**2+a2**2+a3**2)*set,cos_ph(1),abs(a3)/a4!利用面21上的三个关键点,计算面21水平面之间的夹角的余弦值并赋值给cos_ph(2) kp_1=13 !将面21中的三个关键点13的编号分别赋给参数kp_1kp_2=12 !将面21中的三个关键点12的编号分别赋给参数kp_2kp_3=22 !将面21中的三个关键点22的编号分别赋给参数kp_3k1x=kx(kp_1) !提取关键点13的X坐标值k1y=ky(kp_1) !提取关键点13的Y坐标值k1z=kz(kp_1) !提取关键点13的Z坐标值k2x=kx(kp_2) !提取关键点12的X坐标值k2y=ky(kp_2) !提取关键点12的Y坐标值k2z=kz(kp_2) !提取关键点12的Z坐标值k3x=kx(kp_3) !提取关键点22的X坐标值k3y=ky(kp_3) !提取关键点22的Y坐标值k3z=kz(kp_3) !提取关键点22的Z坐标值a1=(k2y-k1y)*(k3z-k1z)-(k3y-k1y)*(k2z-k1z)a2=(k3x-k1x)*(k2z-k1z)-(k2x-k1x)*(k3z-k1z)a3=(k2x-k1x)*(k3y-k1y)-(k3x-k1x)*(k2y-k1y)a4=sqrt(a1**2+a2**2+a3**2)*set,cos_ph(2),abs(a3)/a4!利用面18上的三个关键点,计算面18水平面之间的夹角的余弦值并赋值给cos_ph(3) kp_1=11 !将面21中的三个关键点13的编号分别赋给参数kp_1kp_2=14 !将面21中的三个关键点14的编号分别赋给参数kp_2kp_3=21 !将面21中的三个关键点21的编号分别赋给参数kp_3k1x=kx(kp_1) !提取关键点11的X坐标值k1y=ky(kp_1) !提取关键点11的Y坐标值k1z=kz(kp_1) !提取关键点11的Z坐标值k2x=kx(kp_2) !提取关键点14的X坐标值k2y=ky(kp_2) !提取关键点14的Y坐标值k2z=kz(kp_2) !提取关键点14的Z坐标值k3x=kx(kp_3) !提取关键点21的X坐标值k3y=ky(kp_3) !提取关键点21的Y坐标值k3z=kz(kp_3) !提取关键点21的Z坐标值a1=(k2y-k1y)*(k3z-k1z)-(k3y-k1y)*(k2z-k1z)a2=(k3x-k1x)*(k2z-k1z)-(k2x-k1x)*(k3z-k1z)a3=(k2x-k1x)*(k3y-k1y)-(k3x-k1x)*(k2y-k1y)a4=sqrt(a1**2+a2**2+a3**2)*set,cos_ph(3),abs(a3)/a4!利用面10上的三个关键点,计算面10水平面之间的夹角的余弦值并赋值给cos_ph(4) kp_1=6 !将面21中的三个关键点6的编号分别赋给参数kp_1kp_2=5 !将面21中的三个关键点5的编号分别赋给参数kp_2kp_3=19 !将面21中的三个关键点19的编号分别赋给参数kp_3k1x=kx(kp_1) !提取关键点6的X坐标值k1y=ky(kp_1) !提取关键点6的Y坐标值k1z=kz(kp_1) !提取关键点6的Z坐标值k2x=kx(kp_2) !提取关键点5的X坐标值k2y=ky(kp_2) !提取关键点5的Y坐标值k2z=kz(kp_2) !提取关键点5的Z坐标值k3x=kx(kp_3) !提取关键点19的X坐标值k3y=ky(kp_3) !提取关键点19的Y坐标值k3z=kz(kp_3) !提取关键点19的Z坐标值a1=(k2y-k1y)*(k3z-k1z)-(k3y-k1y)*(k2z-k1z)a2=(k3x-k1x)*(k2z-k1z)-(k2x-k1x)*(k3z-k1z)a3=(k2x-k1x)*(k3y-k1y)-(k3x-k1x)*(k2y-k1y)a4=sqrt(a1**2+a2**2+a3**2)*set,cos_ph(4),abs(a3)/a4!(17)定义日照时间内的14个时刻的4个面的太阳直射强度数组并计算赋值*dim,vertical,,4,14!定义表面太阳辐射直射强度数组*do,m,1,14,1*do,j,1,4,1*if,cos_ps(j,m),gt,0,then*set,vertical(j,m),gnd(m)*cos_ps(j,m)*else*endif*enddo*enddo!(18)定义日照时间内的14个时刻的4个面的太阳辐射散射强度数组并计算赋值*dim,diffuse,,4,14!定义表面太阳辐射散射强度数组*DIM,fuhao,,4 !定义*do,m,1,14,1!利用面5上的三个关键点,计算当前时刻的面5的太阳辐射散射强度并赋值给diffuse(1,m) kp_1=4 !将面5中的三个关键点4的编号分别赋给参数kp_1kp_2=3 !将面5中的三个关键点3的编号分别赋给参数kp_2kp_3=16 !将面5中的三个关键点16的编号分别赋给参数kp_3cos=normkz(kp_3,kp_2,kp_1)*if,cos,lt,0,then*set,fuhao(j),100*set,diffuse(1,m),gnd(m)*factorc*(1+cos_ph(1))/2*else*set,diffuse(1,m),0*set,fuhao(1),0*endif*enddo*do,m,1,14,1kp_1=13 !将面21中的三个关键点13的编号分别赋给参数kp_1kp_2=12 !将面21中的三个关键点12的编号分别赋给参数kp_2kp_3=22 !将面21中的三个关键点22的编号分别赋给参数kp_3cos=normkz(kp_3,kp_2,kp_1)*if,cos,lt,0,then*set,fuhao(j),100*set,diffuse(2,m),gnd(m)*factorc*(1+cos_ph(2))/2*else*set,diffuse(2,m),0*set,fuhao(2),0*endif*enddo*do,m,1,14,1kp_1=11 !将面18中的三个关键点11的编号分别赋给参数kp_1kp_2=14 !将面18中的三个关键点14的编号分别赋给参数kp_2kp_3=21 !将面18中的三个关键点21的编号分别赋给参数kp_3cos=normkz(kp_3,kp_2,kp_1)*if,cos,lt,0,then*set,diffuse(3,m),gnd(m)*factorc*(1+cos_ph(3))/2*else*set,diffuse(3,m),0*set,fuhao(3),0*endif*enddo*do,m,1,14,1kp_1=6 !将面10中的三个关键点6的编号分别赋给参数kp_1kp_2=5 !将面10中的三个关键点5的编号分别赋给参数kp_2kp_3=19 !将面10中的三个关键点19的编号分别赋给参数kp_3cos=normkz(kp_3,kp_2,kp_1)*if,cos,lt,0,then*set,fuhao(j),100*set,diffuse(4,m),gnd(m)*factorc*(1+cos_ph(4))/2*else*set,diffuse(4,m),0*set,fuhao(4),0*endif*enddo!(19)定义日照时间内的14个时刻的4个面的太阳辐射反射强度数组并计算赋值*dim,reflect,,4,14!表面太阳辐射反射强度*do,m,1,14,1kp_1=4 !将面5中的三个关键点4的编号分别赋给参数kp_1kp_2=3 !将面5中的三个关键点2的编号分别赋给参数kp_2kp_3=16 !将面5中的三个关键点16的编号分别赋给参数kp_3cos=normkz(kp_3,kp_2,kp_1)*if,cos,gt,0,then*set,reflect(1,m),gnd(m)*(cos(22.76*3.14/180)+factorc)*pg*(1-cos_ph(1))/2*else*set,reflect(1,m),0*endif*enddo*do,m,1,14,1kp_1=13 !将面21中的三个关键点13的编号分别赋给参数kp_1kp_2=12 !将面21中的三个关键点12的编号分别赋给参数kp_2kp_3=22 !将面21中的三个关键点22的编号分别赋给参数kp_3cos=normkz(kp_3,kp_2,kp_1)*if,cos,gt,0,then*set,reflect(2,m),gnd(m)*(cos(22.76*3.14/180)+factorc)*pg*(1-cos_ph(2))/2*else*set,reflect(2,m),0*endif*enddo*do,m,1,14,1kp_1=11 !将面18中的三个关键点11的编号分别赋给参数kp_1kp_2=14 !将面18中的三个关键点14的编号分别赋给参数kp_2kp_3=21 !将面18中的三个关键点21的编号分别赋给参数kp_3cos=normkz(kp_3,kp_2,kp_1)*if,cos,gt,0,then*set,reflect(3,m),gnd(m)*(cos(22.76*3.14/180)+factorc)*pg*(1-cos_ph(3))/2*else*set,reflect(3,m),0*endif*enddo*do,m,1,14,1kp_1=6 !将面10中的三个关键点6的编号分别赋给参数kp_1kp_2=5 !将面10中的三个关键点5的编号分别赋给参数kp_2kp_3=19 !将面10中的三个关键点19的编号分别赋给参数kp_3cos=normkz(kp_3,kp_2,kp_1)*if,cos,gt,0,then*set,reflect(4,m),gnd(m)*(cos(22.76*3.14/180)+factorc)*pg*(1-cos_ph(4))/2*else*set,reflect(4,m),0*endif*enddo!(20)定义日照时间内的14个时刻的4个面的太阳辐射总强度数组并计算赋值*dim,radi_all,,4,14!表面辐射总强度*do,m,1,14,1*do,j,1,4,1*set,radi_all(j,m),(vertical(j,m)+diffuse(j,m)+reflect(j,m))*0.55*enddo*enddo!(21)定义日照时间内的14个时刻的4个面的太阳辐射等效生热率数组并计算赋值!等效生热率*dim,heat_eq,,4,14*do,m,1,14,1*do,j,1,4,1*set,heat_eq(j,m),radi_all(j,m)/0.02*enddo*enddofinish!(21) 进入求解器,设置求解选项进行数值计算/soluantype,trans !设置求解类型瞬态热分析trnopt,full ! 指定瞬态分析的求解方法为完全法timint,on ! 打开时间积分效应tunif,32.5 !设置构件的初始温度为32.5摄氏度outres,all ! 将除SV AR和LOCI以外的所有计算数据写入数据库和文件中!求解参数设定value_1=0.8 ! 定义构件的辐射发射率参数value_2=5.67e-8 !定义斯蒂芬-玻尔慈曼常数参数value_3=value_1*value_2 !将value_1和value_2相乘并赋值给value_3*dim,long_wave,,4,840 !求解过程中,每个荷载步中给四个外表面所施加的长波辐射强度*dim,node_num1,,2000 !拱上实体包含的节点编号数组*dim,node_temp1,,2000 !拱上实体包含节点的温度值数组l=0*do,m,1,14,1*do,r,3600,3600,3600time,(m-1)*3600+rl=l+1nsubst,1,100,1 !设置每个荷载的子步数数为1,最大值为100,最小值为1autots,on ! 打开自动时间步长跟踪eqslv,JCG !指定方程求解器为JCGkbc,0 !使用递增方式加载!施加对流荷载sfa,5,,conv,10,t_outdoor(m) !给面5定义当前荷载步的对流换热系数及周围环境温度sfa,21,,conv,10,t_outdoor(m) !给面21定义当前荷载步的对流换热系数及周围环境温度sfa,18,,conv,10,t_outdoor(m) !给面18定义当前荷载步的对流换热系数及周围环境温度sfa,10,,conv,10,t_outdoor(m) !给面10定义当前荷载步的对流换热系数及周围环境温度!施加太阳辐射荷载bfv,1,HGEN,heat_eq(1,m)+long_wave(1) !给体1施加当前荷载步的等效生热率bfv,4,HGEN,heat_eq(2,m)+long_wave(2) !给体4施加当前荷载步的等效生热率bfv,3,HGEN,heat_eq(3,m)+long_wave(3) !给体3施加当前荷载步的等效生热率bfv,2,HGEN,heat_eq(4,m)+long_wave(4) !给体2施加当前荷载步的等效生热率solvevsel,s,,,1 !选择编号为1的体元素eslv,r !选择当前所选体元素上的所有单元nsle,r !选择当前所选单元上的所有节点*get,node_total,node,0,count ! 提取当前所选节点的个数*get,node_num1(1),node,0,num,min ! 提取当前所选节点中节点的最小编号,并赋值给变量node_num1(1)*do,n,2,node_total,1*get,node_num1(n),node,node_num1(n-1),nxth ! 将当前所选择的节点的编号赋值给数组node_num1*enddo*do,f,1,node_total,1*get,node_temp1(f),node,node_num1(f),temp ! 提取当前所选节点的节点温度值,并赋值给数组node_temp1*enddototal=0*do,f,1,node_total,1total=total+node_temp1(f) ! 计算当前所选节点的温度值之和,并赋值给变量total*enddotarea=total/node_total+273 ! 计算当前所选节点温度值的平均值,并赋值给tareatsky=t_outdoor(m)-6+273 !计算当前时刻的天空温度值,并赋值给tsky*if,fuhao(1),eq,100,thenvalue_4=value_3*((tsky**4-tarea**4)*(1+cos_ph(1))/2) !计算与天空之间值长波辐射净强度*elsevalue_4=value_3*((t_earth(m)**4-tarea**4)*(1-cos_ph(1))/2) !计算与地面之间值长波辐射净强度*endif*set,long_wave(1,l),value_4/0.03 !计算长波辐射净强度的等效生热率allselvsel,s,,,4 !选择编号为4的体元素eslv,r !选择当前所选体元素上的所有单元nsle,r !选择当前所选单元上的所有节点*get,node_total,node,0,count ! 提取当前所选节点的个数*get,node_num1(1),node,0,num,min ! 提取当前所选节点中节点的最小编号,并赋值给变量node_num1(1)*do,n,2,node_total,1*get,node_num1(n),node,node_num1(n-1),nxth ! 将当前所选择的节点的编号赋值给数组node_num1*enddo*do,f,1,node_total,1*get,node_temp1(f),node,node_num1(f),temp ! 提取当前所选节点的节点温度值,并赋值给数组node_temp1*enddototal=0*do,f,1,node_total,1total=total+node_temp1(f) ! 计算当前所选节点的温度值之和,并赋值给变量total*enddotarea=total/node_total+273 ! 计算当前所选节点温度值的平均值,并赋值给tareatsky=t_outdoor(m)-6+273 !计算当前时刻的天空温度值,并赋值给tsky*if,fuhao(2),eq,100,thenvalue_4=value_3*((tsky**4-tarea**4)*(1+cos_ph(2))/2) !计算与天空之间值长波辐射净强度*elsevalue_4=value_3*((t_earth(m)**4-tarea**4)*(1-cos_ph(2))/2) !计算与地面之间值长波辐射净强度*endif*set,long_wave(2,l),value_4/0.03 !计算长波辐射净强度的等效生热率allselvsel,s,,,3 !选择编号为3的体元素eslv,r !选择当前所选体元素上的所有单元nsle,r !选择当前所选单元上的所有节点*get,node_total,node,0,count ! 提取当前所选节点的个数*get,node_num1(1),node,0,num,min ! 提取当前所选节点中节点的最小编号,并赋值给变量node_num1(1)*do,n,2,node_total,1*get,node_num1(n),node,node_num1(n-1),nxth ! 将当前所选择的节点的编号赋值给数组node_num1*enddo*do,f,1,node_total,1*get,node_temp1(f),node,node_num1(f),temp ! 提取当前所选节点的节点温度值,并赋值给数组node_temp1*enddototal=0*do,f,1,node_total,1total=total+node_temp1(f) ! 计算当前所选节点的温度值之和,并赋值给变量total*enddotarea=total/node_total+273 ! 计算当前所选节点温度值的平均值,并赋值给tareatsky=t_outdoor(m)-6+273 !计算当前时刻的天空温度值,并赋值给tsky*if,fuhao(3),eq,100,thenvalue_4=value_3*((tsky**4-tarea**4)*(1+cos_ph(3))/2) !计算与天空之间值长波辐射净强度*elsevalue_4=value_3*((t_earth(m)**4-tarea**4)*(1-cos_ph(3))/2) !计算与地面之间值长波辐射净强度*endif*set,long_wave(3,l),value_4/0.03 !计算长波辐射净强度的等效生热率allselvsel,s,,,2 !选择编号为2的体元素eslv,r !选择当前所选体元素上的所有单元nsle,r !选择当前所选单元上的所有节点*get,node_total,node,0,count ! 提取当前所选节点的个数*get,node_num1(1),node,0,num,min ! 提取当前所选节点中节点的最小编号,并赋值给变量node_num1(1)*do,n,2,node_total,1*get,node_num1(n),node,node_num1(n-1),nxth ! 将当前所选择的节点的编号赋值给数组node_num1*enddo*do,f,1,node_total,1*get,node_temp1(f),node,node_num1(f),temp ! 提取当前所选节点的节点温度值,并赋值给数组node_temp1*enddototal=0*do,f,1,node_total,1total=total+node_temp1(f) ! 计算当前所选节点的温度值之和,并赋值给变量total*enddotarea=total/node_total+273 ! 计算当前所选节点温度值的平均值,并赋值给tareatsky=t_outdoor(m)-6+273 !计算当前时刻的天空温度值,并赋值给tsky*if,fuhao(4),eq,100,thenvalue_4=value_3*((tsky**4-tarea**4)*(1+cos_ph(4))/2) !计算与天空之间值长波辐射净强度*elsevalue_4=value_3*((t_earth(m)**4-tarea**4)*(1-cos_ph(4))/2) !计算与地面之间值长波辐射净强度*endif*set,long_wave(4,l),value_4/0.03 !计算长波辐射净强度的等效生热率allsel*enddo*enddo在土木工程结构中,温度应力在很多情况下对结构的影响很大。
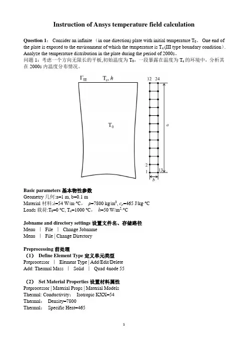
Instruction of Ansys temperature field calculationQuestion 1:Consider an infinite (in one direction) plate with initial temperature T0。
One end of the plate is exposed to the environment of which the temperature is T e (III type boundary condition). Analyze the temperature distribution in the plate during the period of 2000s。
问题1:考虑一个方向无限长的平板,初始温度为T0,一段暴露在温度为T e的环境中,分析其在2000s内温度分布情况。
Basic parameters基本物性参数Geometry几何:a=1 m, b=0.1 mMaterial材料:λ=54 W/m·o C,ρ=7800 kg/m3, c p=465 J/kg·o CLoads载荷:T0=0 o C, T e=1000 o C,h=50 W/m2·o CJobname and directory settings设置文件名、存储路径Menu |File |Change JobnameMenu |File | Change DirectoryPreprocessing前处理(1)Define Element Type定义单元类型Preprocessor |Element Type | Add/Edit/DeleteAdd: Thermal Mass |Solid |Quad 4node 55(2)Set Material Properties设置材料属性Preprocessor | Material Props | Material ModelsThermal: Conductivity:Isotropic KXX=54Thermal:Density=7800Thermal:Specific Heat=465Modeling建模(1)Create Node 1建立节点1Preprocessor | Modeling |Create | Nodes |In Active CSNo.:1,(x, y, z) = (0,0,0)(2) Create Node 12建立节点12Preprocessor |Modeling | Create | Nodes |In Active CSNo.: 2,(x,y, z)= (0,1,0)(3) Fill Between Node 1 and 12在节点1,12间填充其余节点Preprocessor |Modeling |Create | Nodes |Fill Between NdsNumber of nodes to fill:10Spacing ratio: 1(均匀网格)(4)Create Node 13~24 by copying复制生成节点13~24Preprocessor |Modeling |Copy | Nodes | CopyPick All选择所有节点Total number of copies: 2复制2份(包含原先的1份)X-offset:0。
基于Ansys Workbench雅阁ISG温度场仿真分析李新华1杨国威1李哲然2(1.湖北工业大学电气与电子工程学院,430068;2.华中科技大学控制科学与工程系,430074)摘要:本文研究基于Ansys Workbench ISG温度场仿真方法,在此基础上使用Ansys Workbench软件对本田Accord ISG不同工况下的温度场进行仿真,并与电枢绕组温升试验结果做比较,同时讨论电机温度对转子磁钢和磁桥结构的影响。
关键词:ISG,Ansys Workbench,温度场仿真,应力分析Accord ISG Temperature Field Simulation Based onAnsys WorkbenchLI Xinhua1,YANG Guowei1,LI Zheran2(1.School of Electrical & Electronic Engineering,Hubei University of Technology,Wuhan430068,China2.Department of control science and Engineering,Huazhong University of Science andTechnology,Wuhan 430074,China)Abstract:In this paper,ISG temperature field simulation method is researched based on Ansys Workbench.On this basis, the temperature field of the Honda Accord ISG different operating conditions are simulated by Ansys Workbench.And it is compared with the armature winding temperature rise test results.The impact of the motor temperature of the rotor magnet and the magnetic bridge structure are also discussed.Keywords:ISG,Ansys Workbench,temperature field simulation,stress analysis1 引言轻度混合动力汽车集成式起动-发电机ISG(ISG: Integrated Starter Generator)功率和转矩密度高、运行工况多变、特别是工作环境温度高、散热条件差,这些都给电机设计带来了新的挑战,仅按有常规的电磁设计是不够的,还需要对其进行温度场的仿真分析与设计。
基于ANSYS的温度场仿真分析引言:在工程领域中,温度场分布的仿真分析是一项重要的工作。
温度场分布的准确预测和优化设计对于许多工业过程和产品的设计和改进至关重要。
在这里,我们将介绍一种基于ANSYS软件的温度场仿真分析方法。
一、ANSYS软件简介ANSYS是一种广泛使用的通用有限元分析(FEA)软件。
它提供了强大的功能,可以进行多种物理和工程仿真分析。
其中,温度场分布的仿真分析是ANSYS的一个主要功能之一二、温度场仿真分析的步骤1.几何建模:使用ANSYS的几何模块进行物体的几何建模。
可以通过绘制二维或三维几何形状来定义和创建模型。
2.网格划分:对几何模型进行网格划分,将其划分为小的单元,以便进行离散化计算。
网格划分的质量直接影响到仿真结果的准确性和计算速度。
3.边界条件设置:根据具体的问题,设置物体表面的边界条件。
边界条件包括固定温度、传热系数、对流换热等。
边界条件设置的准确与否对温度场的分布有重要影响。
4.材料属性定义:为物体的各个部分定义材料属性,包括热导率、热容量等。
这些属性是模型中的重要参数,直接影响到温度场的分布。
5.求解和后处理:设置求解算法和参数,开始进行仿真计算。
求解器根据网格和边界条件,通过计算方程的数值解确定温度场的分布。
计算完成后,可以进行后处理,生成温度场分布的图表和报告。
三、温度场仿真分析的应用温度场仿真分析在多个工程领域中得到广泛应用。
以下是几个示例:1.电子设备散热优化:通过温度场仿真分析,可以评估电子设备中的热量分布,优化散热设计,确保电子设备的正常运行和寿命。
2.汽车发动机冷却系统:通过温度场仿真分析,可以预测汽车发动机冷却系统中的温度分布,优化冷却器的大小和位置,提高冷却效果。
3.空调系统设计:通过温度场仿真分析,可以预测房间内的温度分布,优化空调系统的风口布置和参数设置,实现舒适的室内温度。
4.熔炼和混合过程优化:通过温度场仿真分析,可以预测熔炼和混合过程中的温度分布,优化加热和冷却控制,提高生产效率和产品质量。
短圆柱体的热传导过程问题:一短圆柱体,直径和高度均为1m,现在其上端面施加大小为100℃的均匀温度载荷,圆柱体下端面及侧面的温度均为0℃,试求圆柱体内部的温度场分布(假设圆柱体不与外界发生热交换)。
圆柱体材料的热传导系数为30W/(m·℃)。
求解:第一步:建立工作文件名和工作标题在ANSYS软件中建立相应的文件夹,并选择Thermal复选框。
第二部:定义单元类型在单元类型(element type)中选择thermal solid和quad 4node 55,在单元类型选择数字(element type reference number)输入框中输入1,在单元类型选择框里选择Axisymmetric,其余默认即可。
第三步:定义材料性能参数在材料性能参数对话框中输入圆柱体的导热系数30.第四步:创建几何模型、划分网格创建数据点,输入点坐标。
在第一个输入框中输入关键点编号1,并输入第一个关键点坐标0、0、0,重复输入第二个、第三个、第四个关键点,相应的坐标分别为2(0.5,0,0);3(0.5,1,0);4(0,1,0)。
结果如下图1所示:在模型中创建直线,选择编号为1、2的关键点生成一条直线,在选取2、3生成一条直线,同样选择编号为3、4和编号为4、1的关键点生成另外两条直线。
结果如下图2所示:之后在plot numbering controls对话框,分别打开KP Keypoint numbers、LINE line numbers、AREA Area numbers,建立直线L1、L2、L3、L4线段。
生成几何模型,如下图所示:在L1、L3线段上划分20个单元,并将L2、L4划分成40个单元格,并在模型上选取编号为A1的平面,如下图所示:将结果进行保存。
第五步:加载求解选择分析类型Steady-State,在Select Entities对话框,第一个下拉列表框中选择Lines,在第二个下拉列表中选择By Num,第三个单选框中选择From Full。
(完整)ANSYS热分析详解编辑整理:尊敬的读者朋友们:这里是精品文档编辑中心,本文档内容是由我和我的同事精心编辑整理后发布的,发布之前我们对文中内容进行仔细校对,但是难免会有疏漏的地方,但是任然希望((完整)ANSYS热分析详解)的内容能够给您的工作和学习带来便利。
同时也真诚的希望收到您的建议和反馈,这将是我们进步的源泉,前进的动力。
本文可编辑可修改,如果觉得对您有帮助请收藏以便随时查阅,最后祝您生活愉快业绩进步,以下为(完整)ANSYS热分析详解的全部内容。
第一章简介一、热分析的目的热分析用于计算一个系统或部件的温度分布及其它热物理参数,如热量的获取或损失、热梯度、热流密度(热通量〕等。
热分析在许多工程应用中扮演重要角色,如内燃机、涡轮机、换热器、管路系统、电子元件等。
二、ANSYS的热分析•在ANSYS/Multiphysics、ANSYS/Mechanical、ANSYS/Thermal、ANSYS/FLOTRAN、ANSYS/ED五种产品中包含热分析功能,其中ANSYS/FLOTRAN不含相变热分析。
•ANSYS热分析基于能量守恒原理的热平衡方程,用有限元法计算各节点的温度,并导出其它热物理参数。
•ANSYS热分析包括热传导、热对流及热辐射三种热传递方式.此外,还可以分析相变、有内热源、接触热阻等问题。
三、ANSYS 热分析分类•稳态传热:系统的温度场不随时间变化•瞬态传热:系统的温度场随时间明显变化四、耦合分析•热-结构耦合•热-流体耦合•热-电耦合•热-磁耦合•热-电-磁-结构耦合等第二章 基础知识一、符号与单位 W/m 2—℃ 二、传热学经典理论回顾热分析遵循热力学第一定律,即能量守恒定律:● 对于一个封闭的系统(没有质量的流入或流出〕PE KE U W Q ∆+∆+∆=-式中: Q —— 热量;W -- 作功;∆U ——系统内能;∆KE ——系统动能;∆PE —-系统势能;●对于大多数工程传热问题:0==PE KE ∆∆; ●通常考虑没有做功:0=W , 则:U Q ∆=; ● 对于稳态热分析:0=∆=U Q ,即流入系统的热量等于流出的热量;●对于瞬态热分析:dt dU q =,即流入或流出的热传递速率q 等于系统内能的变化。
基于AnsysWorkbench雅阁ISG温度场仿真分析本文基于Ansys Workbench对雅阁ISG的温度场进行了仿真分析。
ISG是内燃机启动器和发电机的组合装置,也称为轴承式起动机(Starter Generator,简称SG),是目前汽车发动机的“绿色”起动技术之一。
首先,我们需要构建ISG的三维模型,并设置ISG工作时的工况条件,包括工作电流、转速等。
然后,我们将模型导入Ansys Workbench中,通过选择热传导法,建立ISG的温度场分析。
在分析过程中,我们可以将ISG的温度场分为静态和动态两种情况进行分析。
其中,静态分析主要用于分析ISG在静止状态下的温度分布情况,而动态分析则可以直观地反映ISG在工作状态下的温度场分布情况。
通过静态分析,我们可以发现ISG在不同位置的温度分布存在一定的差异。
其中,发电机部分温度分布状态相对均匀,而起动机部分温度分布则表现出较强的集中性,这主要是由于起动机部分工作时电磁场的分布差异所导致的。
而通过动态分析,我们可以得知ISG在不同工作状态下的温度分布情况也会有所不同。
例如,在高负载状态下,ISG的温度分布相对均匀而稳定,在低负载状态下则出现温度分布的不均匀性。
最后,我们可以对ISG的改进进行模拟分析,以寻找最优的改进方案。
例如,可以通过对ISG内部的散热结构进行优化设计,以提高ISG的散热效率并减少温度的集中分布。
综上所述,通过Ansys Workbench的仿真分析,我们可以深入研究ISG的温度场分布情况,并寻找最优的改进方案,以提高ISG的效率和稳定性。
此外,在ISG使用过程中,温度对于ISG的运行状态有着重要的影响。
温度过高会导致ISG内部元件的热膨胀而失去原本的机械性能,从而导致ISG的故障或损坏,进一步影响到整个发动机的运行状态。
因此,在ISG的设计过程中,需要考虑机械结构和散热系统的优化,以确保其能够承受各种环境下的温度影响而稳定运行。
ANSYS温度场分析步骤ANSYS是一个计算机辅助工程软件,用于各种工程应用,包括温度场分析。
温度场分析主要是用于研究物体或系统内部的温度分布和传热过程,可以帮助工程师设计和改进各种设备和系统。
下面是ANSYS温度场分析的步骤:1.准备工作:在进行温度场分析之前,首先需要准备好相关的几何模型和网格模型。
几何模型可以由CAD软件创建,而网格模型则需要使用ANSYS的网格生成工具进行网格划分。
在划分网格时,需要根据物体的几何形状和分析需求选择适当的划分网格的密度。
2.定义材料属性:在进行温度场分析之前,需要定义材料的热传导特性。
在ANSYS中,可以通过输入材料的热导率、热容和密度来描述材料的热性能。
3.设置边界条件:在进行温度场分析时,需要设置边界条件来模拟实际工况。
边界条件包括:初始温度、加热或冷却速率、边界热通量以及固定温度等。
这些条件将对温度场分析结果产生重要影响,需要根据实际情况进行合理设置。
4.定义物理模型:在进行温度场分析之前,需要定义物理模型,包括所分析的物体的几何形状和边界条件。
在ANSYS中,可以通过绘制几何模型和设置边界条件来定义物理模型。
5.进行温度场分析:在完成前面的准备工作后,就可以进行温度场分析了。
在ANSYS中,可以使用热传导分析模块来进行温度场分析。
热传导分析模块可以通过求解热传导方程来计算温度场的分布。
分析结果可以包括温度场分布图、热通量分布图等。
6.分析结果的后处理:在进行温度场分析之后,需要对分析结果进行后处理。
后处理包括对温度场分布图进行可视化分析,并进行更详细的结果解释。
可以通过ANSYS提供的后处理工具来进行分析结果的可视化。
7.结果验证和优化:在进行温度场分析之后,可以对分析结果进行验证和优化。
验证可以通过与实际测量数据进行对比来确定模型的准确性和可靠性。
优化则可以通过调整边界条件、几何形状或材料属性等来提高设计的性能。
总结:ANSYS温度场分析是一个非常强大和灵活的工程分析工具,可以用于各种工程应用。
实验名称:温度场有限元分析一、实验目的1. 掌握Ansys分析温度场方法2. 掌握温度场几何模型二、问题描述井式炉炉壁材料由三层组成,最外一层为膨胀珍珠岩,中间为硅藻土砖构成,最里层为轻质耐火黏土砖,井式炉可简化为圆筒,筒内为高温炉气,筒外为室温空气,求内外壁温度及温度分布。
井式炉炉壁体材料的各项参数见表1。
表1 井式炉炉壁材料的各项参数三、分析过程1. 启动ANSYS,定义标题。
单击Utility Menu→File→Change Title菜单,定义分析标题为“Steady-state thermal analysis of submarine”2.定义单位制。
在命令流窗口中输入“/UNITS, SI”,并按Enter 键3. 定义二维热单元。
单击Main Menu→Preprocessor→Element Type→Add/Edit/Delete 菜单,选择Quad 4node 55定义二维热单元PLANE554.定义材料参数。
单击Main Menu→Preprocessor→Material Props→Material Models菜单5. 在右侧列表框中依次单击Thermal→Conductivity→Isotropic,在KXX文本框中输入膨胀珍珠岩的导热系数0.04,单击OK。
6. 重复步骤4和5分别定义硅藻土砖和轻质耐火黏土砖的导热系数为0.159和0.08,点击Material新建Material Model菜单。
7.建立模型。
单击Main Menu→Preprocessor→Modeling→Create→Areas→Circle→By Dimensions菜单。
在RAD1文本框中输入0.86,在RAD2文本框中输入0.86-0.065,在THERA1文本框中输入-3,在THERA2文本框中输入3,单击APPL Y按钮。
8.重复第7步,输入RAD1=0.86-0.065,RAD2=0.86-0.245,单击APPL Y;输入RAD1=0.86-0.245,RAD2=0.86-0.36,单击OK。
基于ANSYS的温度场计算ANSYS软件是融结构、流体、电场、磁场、声场分析于一体的大型通用有限元分析软件。
由世界上最大的有限元分析软件公司之一的美国ANSYS 开发,它能与多数C AD软件接口,实现数据的共享和交换,如Pro/Engine er, NASTRA N, Alogor, I-DEAS, AutoCA D等,是现代产品设计中的高级CAD 工具之一。
应用ansy s分析软件对一个具体的对象进行分析和计算时,完整的ans ys分析过程可分成三个阶段:即前处(Prepro cessi ng),前处理是建立有限元模型,完成单元网格剖分:求解(Soluti on)和后处理(Postpr ocess ing),后处理则是采集处理分析结果,使用户能简便提取信息,了解计算结果。
下面分别进行说明。
Ansys的前处理Ansys的前处理技术一般由两部分组成:一、对求解场域进行离散,生成有限元网格;二、区域物理参数的处理。
网格剖分主要是实现对求解场域单元的自动剖分,自动把各个单元和节点进行编号,确定各节点的坐标、边界节点的编号等数据,形成一个数据文件,作为有限元程序的输入数据。
为了方便查看各单元剖分情况,判断合理性,还要绘制网格剖分图。
自适应网格剖分(Adapti ve Mesh Genera tion)及其加密技术是近年来a n sys温度场计算中发展比较快和比较完整的内容,它也属于an sys的前处理范畴。
前处理程序是定义问题的程序,它安排所有必须进行汇编的实体数据。
它由可分开的两部分组成。
第一部分是几何图形和拓扑结构的描述,即该实体有一定几何形状和材料性质,这是对原型样机的结构仿真,我们通过第一部分的工作建立有限元分析实体模型。
ANSYS温度场分析步骤
基于ANSYS12.0的钢板加热过程分析
一.问题描述
2000mm*2000mm*100mm的钢板,初始温度为20℃,放入温度为1120℃的加热炉内加热,已知其换热系数125W/㎡*K,钢板的比热为460J/kg*℃,密度为7850kg/m 3,导热系数为50W/m*K,计算钢板1800s后的温度场分布。
二.问题分析
此问题属于热瞬态分析(载荷随时间变化),选用SOLID70三维六面体单元进行有限元分析。
SOLID70——三维热实体,具有8各节点,每个节点一个温度自由度。
该单元可用于三维的稳态或瞬态的热分析问题。
三.操作步骤
1.定义分析文件名
Utility Menu>File>Change Jobname,输入Example。
2.定义单元类型
Main Menu>Preprocesor>Element Type>Add/Edit/Delete,选择SOLID70三维六面体单元进行有限元分析。
3.定义材料属性
①传导系数
②材料密度
③材料比热
4.建立几何模型
5.设置单元密度
6.划分单元
7.施加对流换热载荷
8.施加初始温度
9.设置求解选项
10.温度偏移量设置
11.输出控制
12.存盘
13.求解
14.显示温度场分布云图
四.总结
本例介绍了应用ANSYS对钢板加热过程进行瞬态热分析的基本步骤,应用此方法可对各种零件加热过程的温度场分布进行分析。