项目报建流程图
- 格式:docx
- 大小:37.36 KB
- 文档页数:3
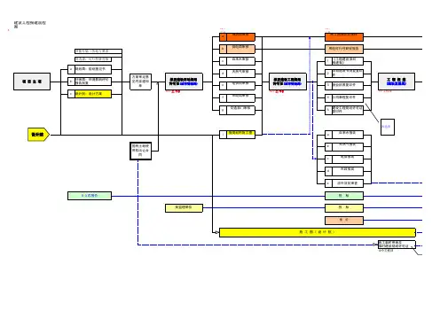
页脚内容建设报件流程图及报件资料(房建及市政项目)1、发改委立项或者备案2、规划选址意见书3、规划用地许可证4、规划方案审查预审附1、环评咨询意见(区环保局办理)(委托环评单位按环保局要求制作环评报告并取得环保局的批复)建委初设消防初设5 7、建委初设审查 绿化初设防雷初设市政委 人防初设8、建设工程规划许可证(规划局) 9、施工许可证 10、办理竣工验收手续(同时办理施工审查备案)(建委)(红色字体为房建必备项)页脚内容建设报件流程图及报件资料一、发改委立项或者备案1、同意某地块农转非安置房开展经济适用房项目前期工作的通知(市国土局)(仅经济适用房需要办理)申报资料:1、区政府向市国土局的函告2、区房管局的请示3、建设单位申请4、土地权属证明5、符合控规要求的证明(区规划局办理)6、建设单位营业执照、资质证书7、经办人身份证明材料批件时效:全部资料递交后二十个工作日内核发批文。
2、发改委立项或者投资备案申报资料:1、备案申请2、企业营业执照3、组织结构代码证4、项目前期工作通知批件时效:全部资料递交后二个工作日审核批准。
本阶段所需工作日为二十二个。
二、规划选址(国有投资且以划拨方式取得国有土地使用权的才办理,以招标、拍卖、挂牌方式取得国有土地使用权直接办建设用地规划许可证)1、规划选址申请表(原件1份)2、书面申请(原件1份)3、申请人身份证明材料(营业执照复印件、资质证书复印件、身份证复印件、介绍信原件)(各1份)4、1:500——1:1000现状地形图(勘测室盖章现状章的)及光盘(图原件1份、光盘只是现状图,没有红线的)5、国土红线图或国土证(复印件1份)批件时效:五个工作日内受理回复,全部资料递交后二十个工作日内审核批准。
三、建设用地规划许可证(一)通过招标、拍卖、挂牌方式取得国有土地使用权(出让)1、建设用地规划许可证申请表(原件1份)2、书面申请(原件1份)3、申请人身份证明材料(营业执照复印件、资质证书复印件、身份证复印件、介绍信原件)(各1份)4、1:500——1:1000现状地形图及电子文档(含地下管网)(原件1份)5、《国有土地使用权出让合同》及附图(复印件1份)6、发改委批准、核准或备案文件(复印件1份)批件时效:五个工作日内受理回复,全部资料递交后二十个工作日内审核批准。
1建设报件流程图及报件资料(房建及市政项目)1、发改委立项或者备案2、规划选址意见书3、规划用地许可证4、规划方案审查预审 附1、环评咨询意见(区环保局办理)(委托环评单位按环保局要求制作环评报告并取得环保局的批复)建委初设消防方案 5 7、建委初设审查 绿化初设防雷初设人防初设8、建设工程规划许可证(规划局)9、施工许可证 10、办理竣工验收手续(同时办理施工审查备案)(建委) (红色字体为房建必备项)建设报件流程图及报件资料一、发改委立项或者备案1、同意某地块农转非安置房开展经济适用房项目前期工作的通知(市国土局)(仅经济适用房需要办理)申报资料:1、区政府向市国土局的函告2、区房管局的请示3、建设单位申请4、土地权属证明5、符合控规要求的证明(区规划局办理)6、建设单位营业执照、资质证书7、经办人身份证明材料批件时效:全部资料递交后二十个工作日内核发批文。
2、发改委立项或者投资备案申报资料:1、备案申请2、企业营业执照3、组织结构代码证4、项目前期工作通知批件时效:全部资料递交后二个工作日审核批准。
本阶段所需工作日为二十二个.二、规划选址(国有投资且以划拨方式取得国有土地使用权的才办理,以招标、拍卖、挂牌方式取得国有土地使用权直接办建设用地规划许可证)1、规划选址申请表(原件1份)2、书面申请(原件1份)3、申请人身份证明材料(营业执照复印件、资质证书复印件、身份证复印件、介绍信原件)(各1份)4、1:500-—1:1000现状地形图(勘测室盖章现状章的)及光盘(图原件1份、光盘只是现状图,没有红线的)5、国土红线图或国土证(复印件1份)批件时效:五个工作日内受理回复,全部资料递交后二十个工作日内审核批准。
三、建设用地规划许可证(一)通过招标、拍卖、挂牌方式取得国有土地使用权(出让)1、建设用地规划许可证申请表(原件1份)2、书面申请(原件1份)3、申请人身份证明材料(营业执照复印件、资质证书复印件、身份证复印件、介绍信原件)(各1份)4、1:500-—1:1000现状地形图及电子文档(含地下管网)(原件1份)5、《国有土地使用权出让合同》及附图(复印件1份)6、发改委批准、核准或备案文件(复印件1份)批件时效:五个工作日内受理回复,全部资料递交后二十个工作日内审核批准。
房地产项目报建流程图以下是房地产项目报建流程图:1.XXX:项目立项(20个工作日)企业通过“招、拍、挂”拿到土地后,需要向发改委申报项目立项,等待20个工作日的审批时间。
2.规划局:《建设工程许可证》(20个工作日)获得项目立项批文后,需要向规划局申请《建设工程许可证》,等待20个工作日的审批时间。
3.设计院:设计总平图、日照分析报告、指标校核表及电子磁盘(10个工作日)设计院需要提供设计总平图、日照分析报告、指标校核表及电子磁盘等文件,等待10个工作日的审批时间。
4.申请报告阶段在此阶段,需要提交以下文件:项目申请报告项目可行性报告土地证建设单位营业执照固定资产投资登记表节能登记表5.建设用地规划许可证审批阶段在此阶段,需要提交以下文件:申请报告建设项目选址定点申请表及建设用地规划许可证审批单委托书、委托人身份证及被委托人身份证企业营业执照国有土地使用权出让合同和国有土地使用权拍卖成交确认书立项批文所申请位置路网图测量图及电子文件6.建设项目规划设计方案审批阶段在此阶段,需要提交以下文件:申请报告建设项目规划设计方案审批申请表委托书、委托人身份证及被委托人身份证立项批文7.申报规划总平方案阶段在此阶段,需要提交以下文件:建设用地规划许可证路网图建设项目规划设计条件审批表设计单位资质总平图3份指标校核表及电子磁盘8.设计建筑方案审批阶段在此阶段,需要提交以下文件:建筑设计方案节能意见报告建设用地规划许可证申请节能审查批复南宁市民用建筑设计方案节能意见书建筑设计方案文本9.绿化工程设计方案审批阶段在此阶段,需要提交以下文件:申请报告备案表总平图土地证绿化工程设计图纸及电子版设计单位资质10.环评批复阶段在此阶段,需要提交以下文件:委托第三方环评单位做环评报告建设单位营业执照委托书11.项目报建登记阶段在此阶段,需要提交以下文件:工程建设报建表立项批文规划总平图土地证12.施工图测绘报告书备案阶段在此阶段,需要提交以下文件:法人委托书13.人防初步设计许可审批阶段在此阶段,需要提交以下文件:人防初步设计许可申请表法人委托书总平图建设项目建筑方案设计图前期准备工作是建筑工程中非常重要的一环,其中监理单位需要准备的材料包括:建委的质量安全监督登记(15个工作日)、建筑施工单位计划生育工作保证书、南宁市建筑工程劳务分包合同备案登记书、安装施工现场远程视频监控协议书、以及项目经理、安全员、质检员、施工员等证书。
项目报建流程图一、概述项目报建流程图是指在启动一个项目之前,所需进行的报建工作的流程图表。
它包括了项目报建的各个环节和步骤,以及相关的时间节点和责任人,有助于项目管理人员和相关部门了解项目报建的全过程,确保报建工作的顺利进行。
二、流程图示例```1. 确定项目需求和目标- 负责人:项目发起人- 时间节点:项目启动前2. 编制项目报建申请书- 负责人:项目发起人- 时间节点:项目启动前- 内容:项目概述、目标、预算、时间计划等3. 提交项目报建申请书- 负责人:项目发起人- 时间节点:项目启动前- 目标:向相关部门提交报建申请书4. 部门初审- 负责人:相关部门- 时间节点:项目报建申请书提交后- 目标:初步审查项目报建申请书的完整性和合规性5. 报建审批- 负责人:相关部门- 时间节点:部门初审通过后- 目标:对项目报建申请进行审批,决定是否批准报建6. 编制项目报建方案- 负责人:项目管理人员- 时间节点:报建审批通过后- 内容:详细规划项目的实施方案、资源需求、风险评估等7. 提交项目报建方案- 负责人:项目管理人员- 时间节点:报建方案编制完成后- 目标:向相关部门提交报建方案8. 部门审查- 负责人:相关部门- 时间节点:项目报建方案提交后- 目标:对项目报建方案进行审查,确保其符合相关法规和标准9. 报建方案审批- 负责人:相关部门- 时间节点:部门审查通过后- 目标:对项目报建方案进行审批,决定是否批准报建10. 项目报建- 负责人:项目管理人员- 时间节点:报建方案审批通过后- 目标:按照报建方案进行项目的实施和管理11. 监督检查- 负责人:相关部门- 时间节点:项目报建后- 目标:对项目的进展和质量进行监督检查,确保项目按照规定进行12. 完成报建- 负责人:项目管理人员- 时间节点:项目完成后- 目标:报建工作结束,项目进入下一阶段```三、流程说明1. 确定项目需求和目标:项目发起人确定项目的需求和目标,为后续的报建工作提供基础。
项目报建流程图
一、概述
项目报建是指将一个项目的建设计划和相关材料提交给相关部门进行审批和批
准的过程。
项目报建流程图是对项目报建过程中各个环节和步骤进行图形化展示,以便于理解和操作。
二、流程图示例
```
开始 --> 编制项目建议书 --> 编制项目可行性研究报告 --> 编制项目初步设计方案 --> 编制项目环境影响评价报告 --> 编制项目施工图设计 --> 编制项目投资估算
表 --> 编制项目资金筹措方案 --> 编制项目施工组织设计 --> 编制项目施工方案 --> 编制项目安全生产计划 --> 编制项目验收申请书 --> 提交项目报建材料 --> 审批部
门受理 --> 审查项目报建材料 --> 评审项目报建材料 --> 批准项目报建材料 --> 发放项目建设许可证 --> 结束
```
三、流程步骤详解
1. 编制项目建议书:项目建议书是对项目的初步规划和可行性进行论证的文件,包括项目的背景、目标、规模、投资估算等内容。
2. 编制项目可行性研究报告:项目可行性研究报告是对项目的可行性进行系统
分析和评估的文件,包括项目的市场分析、技术可行性、经济效益等内容。
3. 编制项目初步设计方案:项目初步设计方案是对项目的总体设计和布局进行
初步规划的文件,包括项目的建筑结构、设备配置等内容。
4. 编制项目环境影响评价报告:项目环境影响评价报告是对项目建设对环境影响进行评估和预测的文件,包括项目的环境影响分析、环境保护措施等内容。
5. 编制项目施工图设计:项目施工图设计是对项目的具体施工图纸进行编制和设计的文件,包括项目的平面布置图、立面图、剖面图等内容。
6. 编制项目投资估算表:项目投资估算表是对项目的投资总额和资金来源进行估算和统计的文件,包括项目的建设投资、运营费用等内容。
7. 编制项目资金筹措方案:项目资金筹措方案是对项目资金来源和筹措方式进行规划和安排的文件,包括项目的财务计划、融资方案等内容。
8. 编制项目施工组织设计:项目施工组织设计是对项目施工过程和组织管理进行规划和设计的文件,包括项目的施工工序、施工组织架构等内容。
9. 编制项目施工方案:项目施工方案是对项目具体施工过程和方法进行规划和安排的文件,包括项目的施工工艺、施工进度等内容。
10. 编制项目安全生产计划:项目安全生产计划是对项目施工过程中安全管理和措施进行规划和安排的文件,包括项目的安全生产组织、安全防护措施等内容。
11. 编制项目验收申请书:项目验收申请书是对项目建设完成后申请验收的文件,包括项目的建设情况、达到的技术指标等内容。
12. 提交项目报建材料:将项目建议书、可行性研究报告、设计方案等相关材料提交给审批部门进行审查和评审。
13. 审批部门受理:审批部门对提交的项目报建材料进行受理,并进行初步审核。
14. 审查项目报建材料:审批部门对项目报建材料进行详细审查,包括内容的合规性、技术可行性等方面的评估。
15. 评审项目报建材料:审批部门组织专家对项目报建材料进行评审,评估项
目的可行性和合规性。
16. 批准项目报建材料:审批部门根据评审结果,决定是否批准项目报建材料。
17. 发放项目建设许可证:审批部门根据批准结果,发放项目建设许可证,允
许项目正式进入建设阶段。
18. 结束:项目报建流程结束,项目进入实际建设阶段。
四、总结
项目报建流程图对项目报建过程中的各个环节和步骤进行了详细的描述和展示。
通过清晰的流程图,可以帮助项目参与者和相关部门更好地理解和掌握项目报建的流程和要求,从而提高项目报建的效率和质量。