1-5自动往复循环控制-行程控制
- 格式:ppt
- 大小:4.57 MB
- 文档页数:21
《计算机控制技术》复习思考题第一章自动控制系统基本概念1.自动控制系统的组成一个简单的自动控制系统,均可概括成两大部分:一部分是自动化装置控制下的生产设备,称为被控对象;另一部分是为实现自动控制所必须的自动化仪表设备,简称为自动化装置,它包括测量变送器、调节器和执行器等。
简单的自动控制系统由被控对象、测量变送器、调节器及执行器四大部分组成。
2.术语a)被控对象?调节器?执行器?测量变送器?b)被控变量,y?设定值,g?测量值,z?偏差,e?干扰,f?调节参数?在被控对象中,需要控制一定数值的工艺参数叫做被控变量,用字母y表示。
被控变量的测量值用字母:表示,按生产工艺的要求,被控变量希望保持的具体数值称为设定值,用字母譬表示。
被控变量的测量值与设定值之间的差值叫做偏差,用字母e表示,e=g-z。
在生产过程中,凡能影响被控变量偏离设定值的种种因素称为干扰,用字母,表示。
用来克服干扰对被控变量的影响,实现控制作用的参数叫做调节参数。
c)反馈?负反馈、正反馈?把系统(或环节)的输出信号直接或经过一些环节重新返回到输入端的做法叫做反馈。
如果反馈信号能够使原来的信号减弱,也就是反馈信号取负值,那么就叫做负反馈。
如果反馈信号取正值,反馈信号使原来的信号加强,那么就叫做正反馈。
自动控制系统绝对不能单独采用正反馈。
d)闭环系统?一个一个信号沿着箭头的方向传送,最后又回到原来的起点,形成一个闭合的回路,如此循环往复,直到被控对象的被控变量值达到或接近设定值为止,所以这种自动控制系统是闭环系统。
自动控制系统是具有被控变量负反馈的闭环系统。
3.自动控制系统方框图?4.自动控制系统的分类?按照工艺过程需要控制的参数值即设定值是否变化和如何变化来分类,而将闭环自动控制系统分为定值控制系统、随动控制系统和程序控制系统三大类。
按调节器具有的控制规律来分类,如位式、比例、比例积分、比例微分、比例积分微分等控制系统。
定值控制系统、随动控制系统和程序控制系统?5.过渡过程a)静态、动态?自动控制系统的平衡(静态)是暂时的、相对的和有条件的,不平衡(动态)才是普遍的、绝对的、无条件的。
实验3 工作台自动往返循环控制线路一、实验目的1、通过对工作台自动往返循环控制线路实际安装接线、掌握由电气原理图变换成安装接线图的方法、掌握行程控制中行程开关作用、以及在机床电路中的应用。
2、通过实验进一步加深自动往返循环控制在机床电路中的应用场合。
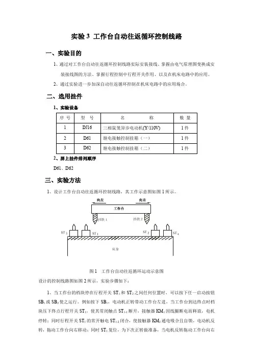
二、选用挂件1、实验设备2、屏上挂件排列顺序 D61、D62三、实验方法1、设计工作台自动往返循环控制线路,其工作示意图如图1所示。
图1 工作台自动往返循环运动示意图设计的控制线路图如图2所示,实验步骤如下:1、当工作台的档块停在行程开关ST 1和ST 2之间任何位置时,可以按下任一启动按钮SB 1或SB 2使之运行。
例如按下SB 1,电动机正转带动工作台左进,当工作台到达终点时档块压下终点行程开关ST 1,使其常闭触点ST 1-1断开,接触器KM 1因线圈断电而释放,电机停转;同时行程开关ST 1的常开触电ST 1-2闭合,使接触器KM 2通电吸合且自锁,电动机反转,拖动工作台向右移动;同时ST 1复位,为下次正转做准备,当电机反转拖动工作台向右ST 4移动到一定位置时,档块2碰到行程开关ST 2,使ST 2-1断开,KM 2断电释放,电动机停电释放,电动机停转;同时常开触点ST 2-2闭合,使KM 1通电并自锁,电动机又开始正转,如此反复循环,使工作台在预定行程内自动反复运动。
2、按图2接线。
图中SB 1、SB 2、SB3、FR 1、KM 1、KM 2选用D61挂件,FU 1、FU 2、FU 3、FU4、Q 1、ST 1、ST 2、ST 3、ST 4选用D62挂件,电机选用DJ16(Y/110V )。
经指导老师检查无误后通电操作: (1) 合上开关Q 1,接通三相交流电源。
(2) 按SB 1按钮,使电动机正转约十秒钟。
(3) 用手按ST 1(摸拟工作台左进到终点,档块压下行程开关ST 1),观察电动机应停止正转并变为反转。
(4) 反转约半分钟,用手压ST 2(模拟工作台右进到终点,档块压下行程开关ST 2),观察电动机应停止反转并变为正转。
自动往复循环控制-行程控制小车往复运动的前进、后退的自动控制和电动机的自动往复循环控制,内容:1.手动控制:前面介绍的异步电动机起动、停止和正反转控制都是由人通过按钮发布命令的。
2.开关自动控制:在现代生产中,常用一些能自动发布命令的开关来实施各种自动控制。
3.开关自动控制种类:通过把不同的物理量转换为开关命令。
①行程控制②时间控制③速度控制④压力控制行程控制:当运动部件到达一定行程位置时采用行程开关来控制其运行状况。
生产中由于工艺和安全的要求,常常需要控制某些机械的行程和位置。
例如,龙门刨床的工作台要求进行往复运动加工产品,在工作台达到极限位置时,必须自动停下来。
像这一类的行程控制可以利用行程开关来实现。
实例--龙门刨床自动往返控制线路之元器件介绍行程控制通常用行程开关来实现。
外形图(一)行程开关1、什么是行程开关?行程开关又称位置开关或限位开关,是根据运动部件位移来切换电路的一种自动电器,能实现运动部件极限位置的保护。
可将机械信号转换为电信号,以实现对机械运动的控制。
2、行程开关结构和分类主要由触头系统、操作机构和外壳组成。
按其结构可分为直动式、滚轮式和微动式三种。
行程开关动作后,复位方式有自动复位和非自动复位两种。
LXK3-20H/L行程开关(滚轮柱塞式自动复位)柱塞式行程开关LX19-001 高银点/厚铝壳能自动复位一开一闭以直动式为例其工作原理同按钮相似,只是变手动为撞块撞击。
撞块安装在机械部件的位移的工作台上。
未撞击撞击3、行程开关的工作原理当运动机械的挡铁压到滚轮上时,杠杆连同转轴一起转动,并推动撞块。
当撞块被压到一定位置时,推动微动开关动作,使常开触头分断,常闭触头闭合。
在当动动机械的挡铁离开后,复位弹簧使行程开关各部位部件恢复常态。
播放滚轮式动画4、行程开关的图文符号用行程开关控制工作台的前进与后退(自动往返循环控制线路)线路的工作原理(二)自动往返控制线路原理图自动往返示意图反转电动机运动状态正转向左工作台运动方向向右挡铁1挡铁2SQ3 SQ1SQ2 SQ4电路结构分析3、行程开关SQ 1和SQ 2分别控制工作台左右移动的行程。
《电动机自动往返控制电路原理与安装、调试、检修》教学设计一、教学内容分析“电动机自动往返控制电路原理与安装、调试、检修”是机电技术应用专业的主要专业课程。
本课程包含四个学习任务,分别为:⑴介绍自动往返控制电路工作原理、⑵自动往返控制电路的安装、⑶自动往返控制电路调试、⑷自动往返控制电路检修本学习任务的主要内容是:记住自动往返控制电路工作原理;会安装和调试自动往返控制电路;能用电路工作原理来分析电路故障现象;编写故障检修流程;实际检测并排除电路故障。
二、教学对象分析本课程的教学对象是初中起点机电技术应用专业2年级的学生,学生已经学习了起、保、停电路的安装;正反转控制电路的安装。
在教师指导下,能对简单控制电路进行检测与维修。
该班学生上课不太认真,逻辑思维能力、总结能力、应急能力和合作能力相对较差。
三、教学目标设计1、能说出自动往返控制线路的工作原理。
2、会正确安装自动往返控制线路。
3、根据故障现象,能运用专业化语言描述故障现象产生的原因。
4、会制定故障诊断与排除故障的流程。
5、会检测与维修自动往返控制线路。
6、通过该任务的学习,提高学生分析电路的能力、实际动手能力、团结协作能力。
四、学习重点与其化解方法1、重点自动往返控制线路的工作原理和电路中各电器元件的作用,会安装并调试电路。
2、化解方法老师详讲,提出问题,学生分组讨论;老师示范操作、学生实际安装电路。
五、学习难点与其化解方法1.难点安装电路,故障分析与检修步骤的制定,实际检修电路。
2.化解方法老师现场分析并示范检修故障,学生小组合作、查阅资料、实际检修电路,教师巡回指导。
六、教学策略选择与设计1、任务教学法:师生以团队的形式共同实施一个完整的任务所进行的教学活动。
教师将需要解决的问题以任务的形式交给学生,学生在教师指导下,以个人或小组的工作方式,按照实际工作的完整流程,共同制定方案,最终完成整个任务,并开展个人和小组评价。
学习的重点是学习过程,而非最终结果,整个过程培养学生的各方面职业能力。
三相笼型异步电动机全压起动控制一、单向全压起动控制线路1 线路工作原理:合上QS,主电路接通三相电源等待、控制线路通电按下SB2→KM线圈得电→主触头闭合→电动机起动运行辅助常开闭合,自锁按下SB1→KM线圈失电→主触头及辅助触头复位→电动机断电,停止运行2 保护环节——熔断器FU(短路保护)、热继电器FR(过载保护)接触器的电磁机构(失压、欠压保护)二、电动机的点动控制线路(教材P31 Fig2-2 b)图b为带手动开关SA的点动控制线路:SB2实现点动控制,SA合上即可实现连续运转控制。
分析图d工作原理如下:1. 点动控制按下SB2→KA线圈得电→ KA常闭打开→阻断自锁KA常开闭合→KM线圈得电→主触头闭合→电动机起动运行放开SB2→KA线圈失电→KA触头复位→KM线圈失电→主触头打开→电动机停2. 连续控制按下SB3→KM线圈得电→ 主触头闭合→电动机起动连续运行辅助常开闭合,自锁按下SB1→KM线圈失电→主触头及辅助触头复位→电动机断电,停止运行三相异步电动机的正反转控制线路在生产加工过程中,往往要求电动机能够实现可逆运行。
若将接至电动机的三相电源进线中的任意两相对调,即可实现逆向运行。
A)电动机正——停——反(缺点:必须先停机再切换)控制线路:教材P32 Fig2-3a。
控制过程:主电路:合上转换开关QS→控制回路接上电源控制回路:(1)SB2按下→K M1线圈得电→ 主触头吸合,电机正转辅助常开闭合,自锁辅助常闭断开,阻断(互锁)K M2(2)SB1按下→KM1失电→主触头断开→电机停转各触头复位(3)SB3按下→KM2线圈得电→主触头吸合,电机反转辅助常开闭合,自锁辅助常闭断开,阻断(互锁)KM1B)电动机正——反——停(优点:不必停机即可切换;且按钮和接触器均有互锁电路,工作可靠)控制线路:教材P32 Fig2-3b。
控制过程:(1)SB2复合按钮按下→KM1支路通→线圈得电→主触头吸合,电机正转辅助常开闭合,自锁辅助常闭断开,阻断(互锁)KM2KM2支路断(2)SB3复合按钮按下→ KM2支路通→线圈得电→主触头吸合,电机反转辅助常开闭合,自锁辅助常闭断开,阻断(互锁)KM1KM1支路断(3)SB1按下→线路失电→电机停转注意:按钮开关:常闭先断,常开后合(见教材P17 Fig1-18)四、自动往复行程控制线路控制线路:教材P33 Fig2-4控制过程请同学自行分析。
电气控制技术实验指导书亳州职业技术学院实验一三相异步电动机点动和自锁控制线路一、实验目的1、通过对三相异步电动机点动控制和自锁控制线路的实际安装接线,掌握由电气原理图变换成安装接线图的知识。
2、通过实验进一步加深理解点动控制和自锁控制的特点以及在机床控制中的应用。
二、实验设备三、实验方法实验前要检查控制屏左侧端面上的调压器旋钮须在零位。
开启“电源总开关”,按下启动按钮,旋转调压器旋钮将三相交流电源输出端U、V、W的线电压调到220V。
再按下控制屏上的“关”按钮以切断三相交流电源。
以后在实验接线之前都应如此。
1、三相异步电动机点动控制线路:按图1-1接线。
图中SB1、KM1选用D61-2上元器件,Q1、FU1、FU2 、FU3 、FU4选用D62-2上元器件,电机选用WDJ24(△/220V)。
接线时,先接主电路,它是从220V三相交流电源的输出端U、V、W开始,经三刀开关Q1、熔断器FU1、FU2、FU3、接触器KM1主触点到电动机M的三个线端A、B、C 的电路,用导线按顺序串联起来,有三路。
主电路经检查无误后,再接控制电路,从熔断器FU4插孔V开始,经按钮SB1常开、接触器KM1线圈到插孔W。
线接好,图1-1 点动控制线路经指导老师检查无误后,按下列步骤进行实验:(1)按下控制屏上“开”按钮;(2)先合Q1,接通三相交流220V电源;(3)按下启动按钮SB1,对电动机M进行点动操作,比较按下SB1和松开SB1时电动机M的运转情况。
2、三相异步电动机自锁控制线路:按下控制屏上的“关”按钮以切断三相交流电源。
按图1-2接线,图中SB1、SB2、KM1、FR1选用D61-2挂件,Q1、FU1、FU2 、FU3 、FU4选用D62-2挂件,电机选用WDJ24(△/220V)。
检查无误后,启动电源进行实验:(1) 合上开关Q1,接通三相交流220V电源;(2) 按下启动按钮SB2,松手后观察电动机M运转情况;(3) 按下停止按钮SB1,松手后观察电动机M运转情况。
PLC课程设计课程设计报告题目工作台自动往返循环控制学院电子与信息工程学院专业电气工程及其自动化班级姓名指导教师2012 年12 月 5 日电子与信息工程学院目录1PLC及PLC简介 (3)1.1PLC简介 (3)1.2PLC的一般结构 (3)1.4PLC的应用领域 (4)2系统总体方案及硬件设计 (5)2.1系统总体方案 (5)2.1.1设计目的 (5)2.1.2 设计任务及要求 (5)2.1.3 工作台控制示意图 (6)2.2硬件设计 (6)3工作台自动循环控制软件设计 (7)3.1软件设计 (8)3.2运行并调试程序 (8)4工作台的仿真 (9)5总结 (10)参考文献 (11)1 PLC及PLC简介1.1PLC简介可编程控制器(PLC)是用来取代控制系统中的继电器的一种设备,它通过检测输入端口,并根据输入端口的状态,按照程序控制输出口,可编程控制器的程序一般要使用一定的软件编写,使用人员通过输入预先编写的程序,使可编程控制器按预定的控制方案执行控制任务。
目前大多数城市采用的交通信号灯指挥控制系统,采用电子线路加继电器构成,也有少数采用单片机构成。
对信号灯的要求也越来越高,采用电子线路加继电器的控制方式,则需要加入大量的中间继电器,时间继电器,计数器等器件。
而且交通控制智能化需要按实际情况而改变参数,如使用继电器控制,则很难实现。
如使用单片机控制,则需要引入大量I/O接口电路、硬件设计,而且这两种控制方式的抗干扰能力十分有限。
采用可编程控制器对交通信号灯进行管理,技能满足控制要求,又具有高的抗干扰和稳定性。
1.2 PLC的一般结构可编程控制器虽然外观各异,但硬件结构大体相同。
主要由中央处理器(CPU),存储器(RAM/ROM),输入输出(I/O接口),电源及编程设备几大部分组成。
PLC的硬件结构框图如下图2-2所示:接现图2-2 基本构成1.3 PLC的特点(1)抗干扰能力强,可靠性高继电接触器控制系统虽具有较好的抗干扰能力,但使用了大量的机械触头,使设备连线复杂,由于器件的老化、脱焊、触头的抖动及触头在开闭时受电弧的损害大大降低了系统的可靠性。