电机正反转接线图
- 格式:doc
- 大小:238.00 KB
- 文档页数:3
或盐池,那上面连小草也长不出来的。
人生的磨难是很多的,所以我们不可对于每一件轻微的伤害都过于敏感。
在生活磨难面前,精神上的坚强和无动于衷是我们抵抗罪恶和人生意外的最好武器。
1 单项电机(双电容)正反转简易接线图
人们往往把单项电机的正反转接线搞的很复杂,其实电机在出厂前已经按相关标准做好了接线图。
分别是:Z2W2 U2 V2下层是:U1 V1 Z1W1 内部图线如下:
对应的倒顺开关图如下:
或盐池,那上面连小草也长不出来的。
人生的磨难是很多的,所以我们不可对于每一件轻微的伤害都过于敏感。
在生活磨难面前,精神上的坚强和无动于衷是我们抵抗罪恶和人生意外的最好武器。
2
简单的倒顺接线图如下:
或盐池,那上面连小草也长不出来的。
人生的磨难是很多的,所以我们不可对于每一件轻微的伤害都过于敏感。
在生活磨难面前,精神上的坚强和无动于衷是我们抵抗罪恶和人生意外的最好武器。
3
注:配接倒顺开关时,应该把原电机的“连接片”去除
或盐池,那上面连小草也长不出来的。
人生的磨难是很多的,所以我们不可对于每一件轻微的伤害都过于敏感。
在生活磨难面前,精神上的坚强和无动于衷是我们抵抗罪恶和人生意外的最好武器。
4
单项电机正反转接线图。
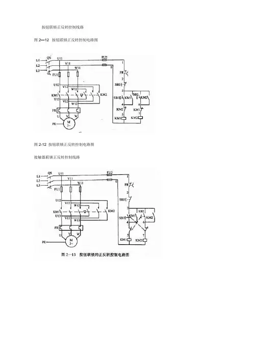
按钮联锁正反转控制线路图2—12 按钮联锁正反转控制电路图图2-12 按钮联锁正反转控制电路图接触器联锁正反转控制线路双重联锁正反转控制线路元件安装图元件明细表1、线路的运用场合:正反转控制运用生产机械要求运动部件能向正反两个方向运动的场合。
如机床工作台电机的前进与后退控制;万能铣床主轴的正反转控制;电梯、起重机的上升与下降控制等场所。
2、控制原理分析(1)、控制功能分析:A、怎样才能实现正反转控制?B、为什么要实现联锁?这两个问题是本控制线路的核心所在,务必要透彻地理解,否则只会接线安装,那只是知其然而不知其所以然。
另外,问题的提出,一方面让学生学会去思考,另一方面也培养学生发现问题、分析问题的能力。
教学中,计划先让学生温书预习(5分钟)、寻找答案,再集中讲解。
先提问抽查,让学生能各抒己见、充分发挥,最后再总结归纳,解答所提出的问题,进一步统一全班思路。
答案如下:A、电机要实现正反转控制:将其电源的相序中任意两相对调即可(简称换相),通常是V相不变,将U相与W 相对调。
B、由于将两相相序对调,故须确保2个KM线圈不能同时得电,否则会发生严重的相间短路故障,因此必须采取联锁。
为安全起见,常采用按钮联锁和接触器联锁的双重联锁正反转控制线路(如原理图所示)(2)、工作原理分析C、停止控制:按下SB3,整个控制电路失电,接触器各触头复位,电机M失电停转(3)双重联锁正反转控制线路的优点:接触器联锁正反转控制线路虽工作安全可靠但操作不方便;而按钮联锁正反转控制线路虽操作方便但容易产生电源两相短路故障。
双重联锁正反转控制线路则兼有两种联锁控制线路的优点,操作方便,工作安全可靠。
3、怎样正确使用控制按钮?控制按钮按用途和触头的结构不同分停止(常闭按钮)、起动按钮(常开按钮)和复合按钮(常开和常闭组合按钮)。
按钮的颜色有红、绿、黑等,一般红色表示“停止”,绿色表示“起动”。
接线时红色按钮作停止用,绿色或黑色表示起动或通电。
两个交流接触器控制电动机正反转接线控制图作者:日期: 2两个交流接触器控制电动机正反转接线控制图为了使电动机能够正转和反转,可采用两只接触器KM1、KM2换接电动机三相电源的相序,但两个接触器不能吸合,如果同时吸合将造成电源的短路事故,为了防止这种事故,在电路中应采取可靠的互锁,上图为采用按钮和接触器双重互锁的电动机正、反两方向运行的控制电路。
线路分析如下:一、正向启动:1、合上空气开关QF接通三相电源2、按下正向启动按钮SB3,KM1通电吸合并自锁,主触头闭合接通电动机,电动机这时的相序是L1、L2、L3,即正向运行。
、反向启动:1、合上空气开关QF接通三相电源2、按下反向启动按钮SB2 , KM2通电吸合并通过辅助触点自锁,常开主触头闭合换接了电动机三相的电源相序,这时电动机的相序是L3、L2、L1,即反向运行。
三、互锁环节:具有禁止功能在线路中起安全保护作用1、接触器互锁:KM1线圈回路串入KM2的常闭辅助触点,KM2线圈回路串入KM1的常闭触点。
当正转接触器KM1线圈通电动作后,KM1的辅助常闭触点断开了KM2线圈回路,若使KM1得电吸合,必须先使KM2断电释放,其辅助常闭触头复位,这就防止了KM1、KM2同时吸合造成相间短路,这一线路环节称为互锁环节。
2、按钮互锁:在电路中采用了控制按钮操作的正反传控制电路,按钮SB2、SB3都具有一对常开触点,一对常闭触点,这两个触点分别与KM1、KM2线圈回路连接。
例如按钮SB2的常开触点与接触器KM2线圈串联,而常闭触点与接触器KM1线圈回路串联。
按钮SB3的常开触点与接触器KM1线圈串联,而常闭触点压KM2线圈回路串联。
这样当按下SB2时只能有接触器KM2的线圈可以通电而KM1断电,按下SB3时只能有接触器KM1的线圈可以通电而KM2断电,如果同时按下SB2和SB3则两只接触器线圈都不能通电。
这样就起到了互锁的作用。
四、电动机正向(或反向)启动运转后,不必先按停止按钮使电动机停止,可以直接按反向(或正向)启动按钮,使电动机变为反方向运行。
电机正反转电路图电机正反转电路图三相异步电动机接触器联锁的正反转控制的电气电子原理图如图3-4所示。
线路中采用了两个接触器,即正转用的接触器KM1和反转用的接触器KM2,它们分别由正转按钮SB2和反转按钮SB3控制。
这两个接触器的主触头所接通的电源相序不同,KM1按L1—L2—L3相序接线,KM2则对调了两相的相序。
控制电路有两条,一条由按钮SB2和KM1线圈等组成的正转控制电路;另一条由按钮SB3和KM2线圈等组成的反转控制电路。
220v单相电机正反原理单相电机不同于三相电机,三相电进入电机后,由于存在120°电角度,所以产生N S N S旋转磁场,推动转子旋转。
而单相电进入电机后,产生不了N S N S磁场,所以加了一个启动绕组,启动绕组在定子内与工作绕组错开90°电角度排列,外接离心开关和启动电容后与工作绕组并联接入电源,又因为电容有阻直通交的作用,交流电通过电容时又滞后一个电角度,这样就人为地把进入电机的单相电又分出来一相,产生旋转磁场,推动转子旋转。
反转时,只要把工作绕组或者启动绕组的两个接线对调一下就行,产生S N S N的磁场,电机就反转了。
网友完善的答案好评率:75%单相电机的接线方法,是在副绕组中串联(不是并联)电容,再与主绕组并联接入电源;只要调换一下主绕组与副绕组的头尾并联接线,电机即反转如果电机是3条出线的,其中一条是公共点!(分别与另外2条线的测电阻其值较小)接电源零线!然后把剩下的两条线并联电容,在电容的一端接220V电源相(火)线,就可以了!若要改变电机转向只要把220V电源相(火)线接在电容的另一端就可以了!笼型电动机正反转的控制线路(电路图)发布: | 作者: | 来源: jiasonghu | 查看:775次 | 用户关注:接通电源让KMF--线圈通电其主触点闭合三相电源ABC 分别通入电机三相绕组UVW,电动机正转。
KMF线圈断电,主触点打开,电机停。
交流接触器接线图电动机正反转为了使电动机能够正转和反转,可采用两只接触器KM1、KM2换接电动机三相电源的相序,但两个接触器不能吸合,如果同时吸合将造成电源的短路事故,为了防止这种事故,在电路中应采取可靠的互锁,上图为采用按钮和接触器双重互锁的电动机正、反两方向运行的控制电路;线路分析如下:一、正向启动:1、合上空气开关QF接通三相电源2、按下正向启动按钮SB3,KM1通电吸合并自锁,主触头闭合接通电动机,电动机这时的相序是L1、L2、L3,即正向运行;二、反向启动:1、合上空气开关QF接通三相电源2、按下反向启动按钮SB2,KM2通电吸合并通过辅助触点自锁,常开主触头闭合换接了电动机三相的电源相序,这时电动机的相序是L3、L2、L1,即反向运行;三、互锁环节:具有禁止功能在线路中起安全保护作用1、接触器互锁:KM1线圈回路串入KM2的常闭辅助触点,KM2线圈回路串入KM1的常闭触点;当正转接触器KM1线圈通电动作后,KM1的辅助常闭触点断开了KM2线圈回路,若使KM1得电吸合,必须先使KM2断电释放,其辅助常闭触头复位,这就防止了KM1、KM2同时吸合造成相间短路,这一线路环节称为互锁环节;2、按钮互锁:在电路中采用了控制按钮操作的正反传控制电路,按钮SB2、SB3都具有一对常开触点,一对常闭触点,这两个触点分别与KM1、KM2线圈回路连接;例如按钮SB2的常开触点与接触器KM2线圈串联,而常闭触点与接触器KM1线圈回路串联;按钮SB3的常开触点与接触器KM1线圈串联,而常闭触点压KM2线圈回路串联;这样当按下SB2时只能有接触器KM2的线圈可以通电而KM1断电,按下SB3时只能有接触器KM1的线圈可以通电而KM2断电,如果同时按下SB2和SB3则两只接触器线圈都不能通电;这样就起到了互锁的作用;四、电动机正向或反向启动运转后,不必先按停止按钮使电动机停止,可以直接按反向或正向启动按钮,使电动机变为反方向运行;五、电动机的过载保护由热继电器FR完成;电动机可逆运行控制接线示意图电动机可逆运控制电路的调试1、检查主回路路的接线是否正确,为了保证两个接触器动作时能够可靠调换电动机的相序,接线时应使接触器的上口接线保持一致,在接触器的下口调相;2、检查接线无误后,通电试验,通电试验时为防止意外,应先将电动机的接线断开;故障现象预处理;1、不启动:原因之一,检查控制保险FU是否断路,热继电器FR接点是否用错或接触不良,SB1按钮的常闭接点是否不良;原因之二按纽互锁的接线有误;2、起动时接触器“叭哒”就不吸了:这是因为接触器的常闭接点互锁接线有错,将互锁接点接成了自己锁自己了,起动时常闭接点是通的接触器线圈的电吸合,接触器吸合后常闭接点又断开,接触器线圈又断电释放,释放常闭接点又接通接触器又吸合,接点又断开,所以会出现“叭哒”接触器不吸合的现象;3、不能够自锁一抬手接触器就断开,这是因为自锁接点接线有误;。
在图1是三相异步电动机正反转控制的电路和继电器控制电路图,图2与3是功能与它相同的PLC控制系统的外部接线图和梯形图,其中,KM1和KM2分别是控制正转运行和反转运行的交流接触器.在梯形图中,用两个起保停电路来分别控制电动机的正转和反转。
按下正转启动按钮SB2,X0变ON,其常开触点接通,Y0的线圈“得电”并自保。
使KM1的线圈通电,电机开始正转运行。
按下停止按钮SB1,X2变ON,其常闭触点断开,使Y0线圈“失电”,电动机停止运行。
在梯形图中,将Y0与Y1的常闭触电分别与对方的线圈串联,可以保证他们不会同时为ON,因此KM1和KM2的线圈不会同时通电,这种安全措施在继电器电路中称为“互锁”。
除此之外,为了方便操作和保证Y0和Y1不会同时为ON,在梯形图中还设置了“按钮互锁”,即将反转启动按钮X1的常闭点与控制正转的Y0的线圈串联,将正转启动按钮X0的常闭触点与控制反转的Y1的线圈串联。
设Y0为ON,电动机正转,这是如果想改为反转运行,可以不安停止按钮SB1,直接安反转启动按钮SB3,X1变为ON,它的常闭触点断开,使Y0线圈“失电”,同时X1的敞开触点接通,使Y1的线圈“得电”,点击正转变为反转。
在梯形图中的互锁和按钮联锁电路只能保证输出模块中的与Y0和Y1对应的硬件继电器的常开触点心不会同时接通。
由于切换过程中电感的延时作用,可能会出现一个触点还未断弧,另一个却已合上的现象,从而造成瞬间短路故障。
可以用正反转切换时的延时来解决这一问题,但是这一方案会增大编程的工作量,也不能解决不述的接触触点故障引起的电源短路事故。
如果因主电路电流过大或者接触器质量不好,某一接触器的主触点被断电时产生的电弧熔焊而被粘结,其线圈断电后主触点仍然是接通的,这时如果另一个接触器的线圈通电,仍将造成三相电源短路事故。
为了防止出现这种情况,应在PLC外部设置KM1和KM2的辅助常闭触点组成的硬件互锁电路(见图2),假设KM1的主触点被电弧熔焊,这时它与KM2线圈串联的辅助常闭触点处于断开状态,因此KM2的线圈不可能得电。
两个交流接触器控制电动机正反转接线控制图电动机可逆运行控制电路为了使电动机能够正转和反转,可采用两只接触器KM1、KM2换接电动机三相电源的相序,但两个接触器不能吸合,如果同时吸合将造成电源的短路事故,为了防止这种事故,在电路中应采取可靠的互锁,上图为采用按钮和接触器双重互锁的电动机正、反两方向运行的控制电路。
线路分析如下:一、正向启动:1、合上空气开关QF接通三相电源2、按下正向启动按钮SB3,KM1通电吸合并自锁,主触头闭合接通电动机,电动机这时的相序是L1、L2、L3,即正向运行。
二、反向启动:1、合上空气开关QF接通三相电源2、按下反向启动按钮SB2,KM2通电吸合并通过辅助触点自锁,常开主触头闭合换接了电动机三相的电源相序,这时电动机的相序是L3、L2、L1,即反向运行。
三、互锁环节:具有禁止功能在线路中起安全保护作用1、接触器互锁:KM1线圈回路串入KM2的常闭辅助触点,KM2线圈回路串入KM1的常闭触点。
当正转接触器KM1线圈通电动作后,KM1的辅助常闭触点断开了KM2线圈回路,若使KM1得电吸合,必须先使KM2断电释放,其辅助常闭触头复位,这就防止了KM1、KM2同时吸合造成相间短路,这一线路环节称为互锁环节。
2、按钮互锁:在电路中采用了控制按钮操作的正反传控制电路,按钮SB2、SB3都具有一对常开触点,一对常闭触点,这两个触点分别与KM1、KM2线圈回路连接。
例如按钮SB2的常开触点与接触器KM2线圈串联,而常闭触点与接触器KM1线圈回路串联。
按钮SB3的常开触点与接触器KM1线圈串联,而常闭触点压KM2线圈回路串联。
这样当按下SB2时只能有接触器KM2的线圈可以通电而KM1断电,按下SB3时只能有接触器KM1的线圈可以通电而KM2断电,如果同时按下SB2和SB3则两只接触器线圈都不能通电。
这样就起到了互锁的作用。
四、电动机正向(或反向)启动运转后,不必先按停止按钮使电动机停止,可以直接按反向(或正向)启动按钮,使电动机变为反方向运行。
三相异步电动机正反转接线图
三相异步电动机正反转接线图
这个是手动控制的接线图,主线部分的接线一定要注意相序,启动时电机星型接法,运行的时候是三角形接法。
右边的控制线部分,KMY和
KM△要互锁,启动按钮SB2按下去以后,KM一直是自锁状态,几秒延时以后我们手动按下SB3,这时候KMY线圈失电,同时KM△自锁。
SB3的按钮开关常开点串KM△的线圈常闭点串KMY的线圈。
这个是带延时继电器的星三角带延时继电器的星三角更加方便,接线和上图的手动控制类似,只不过把按钮开关换成了延时继电器。
按钮开关
SB2按下去以后KM1自锁,同时延时继电器的线圈得电启动,延时继电器KT常闭点串KM2线圈,KT常开点串KM3线圈,延时时间到了以后KM3
自锁。
KM3的辅助常闭点串延时继电器的线圈,所以启动完成后,延时继电器也会断电。
控制电机正反转完整接线。
这个电路用的非常多,其实就是接触器自锁和互锁的结合应用。
KM1和KM2的线圈分别串彼此的辅助常闭点。
一般
实际应用的时候,SB2和SB3两个按钮也要机械互锁。
双重互锁更加的安全。
。
电机正反转互锁电路图
生产机械往往要求运行部件能向正反两个方向运行,这就要求电动可以正反转。
若将接至电动机三相电源进线中的任意两相对调接线,即可达到反转的目的。
下右图所示的控制线路中采用了两个接触器,即正转用接触器KM1 和反转用接触器KM2。
当接触器KM1的三对主触头接通时,三相电源的相序按Ll-L2-L3接入电动机。
当接触器KM2的三对主触头接通时,三相电源的相序按L1-la-LI接入电动机,电动机就向相反方向转动。
电路要求接触器KMI和接触器KM2不能同时接通电源,否则它们的主触头将同时闭合,造成、两相电源短路,为此在KM1和KM2线圈各自支路中相互串联对方的一副动断辅助触头,以保证接触器KM1和KM2不会同时接通电源, KM1和KM2这两副动断辅助触头在线路中所起的作用称为互锁或联锁作用,这两副动断触头就叫互锁触头。
接触器互锁的电机正反转控制电路动作原理与过程是:先合上电源开关QS:
正转控制:按SB2→KM1线圈通电→KM1自锁触头闭合、KM1互锁触头断开、KM1主触头闭合→电动机M运转;
反转控制:先按SB1→KM1线圈断电→KM1自锁触头断开、KM1互锁触头闭合、KM1主触头断开→电动机M断电→按下SB3→KM2线圈通
电→KM2自锁触头闭合、KM2互锁触头断开、KM2主触头闭合→电动机M反转。
这种电击正反转控制接线电路的缺点是操作不方便,因为要改变电动机的转向,必须先按停止按钮SB1,再按反转按钮SB3才能使电机反转。
为了使电动机能够正转和反转,可采用两只接触器KM1、KM2换接电动机三相电源的相序,但两个接触器不能吸合,如果同时吸合将造成电源的短路事故,为了防止这种事故,在电路中应采取可靠的互锁,上图为采用按钮和接触器双重互锁的电动机正、反两方向运行的控制路。
线路分析如下:一、正向启动:1、合上空气开关QF接通三相电源2、按下正向启动按钮SB3,KM1通电吸合并自锁,主触头闭合接通电动机,电动机这时的相序是L1、L2、L3,即正向运行。
二、反向启动:1、合上空气开关QF接通三相电源2、按下反向启动按钮SB2,KM2通电吸合并通过辅助触点自锁,常开主触头闭合换接了电动机三相的电源相序,这时电动机的相序是L3、L2、L1,即反向运行。
三、互锁环节:具有禁止功能在线路中起安全保护作用1、接触器互锁:KM1线圈回路串入KM2的常闭辅助触点,KM2线圈回路串入KM1的常闭触点。
当正转接触器KM1线圈通电动作后,K M1的辅助常闭触点断开了KM2线圈回路,若使KM1得电吸合,必须先使KM2断电释放,其辅助常闭触头复位,这就防止了KM1、KM2同时吸合造成相间短路,这一线路环节称为互锁环节。
2、按钮互锁:在电路中采用了控制按钮操作的正反传控制电路,按钮SB2、SB3都具有一对常开触点,一对常闭触点,这两个触点分别与KM1、KM2线圈回路连接。
例如按钮SB2的常开触点与接触器KM2线圈串联,而常闭触点与接触器KM1线圈回路串联。
按钮SB3的常开触点与接触器KM1线圈串联,而常闭触点压KM2线圈回路串联。
这样当按下SB2时只能有接触器KM2的线圈可以通电而KM1断电,按下SB 3时只能有接触器KM1的线圈可以通电而KM2断电,如果同时按下SB2和SB3则两只接触器线圈都不能通电。
这样就起到了互锁的作用。
四、电动机正向(或反向)启动运转后,不必先按停止按钮使电动机停止,可以直接按反向(或正向)启动按钮,使电动机变为反方向运行。