单相电机的倒顺开关正反转接线图及原理(一看便能搞懂)
- 格式:doc
- 大小:781.00 KB
- 文档页数:12
单相电机的倒顺开关接线及本理之阳早格格创做有很多电工对付单相电机的接线搞不浑.尔先对付单相电机的正反转本理道一下.单机电机内里有二组线圈,一组是运止线圈(主线圈),一组是开用线圈(副线圈),大多的电机的开用线圈本去不是只开用后便不必了,而是背去处事正在电路中的.开用线圈电阻比运止线圈电阻大些,量下便知了.开用的线圈串了电容器的.也便是串了电容器的开用线圈与运止线圈并联,再接到220V电压上,那便是电机的接法.当那个串了电容器的开用线圈与运止线圈并联时,并联的二对付接线头的头尾决断了正反转的.比起三相电效果的顺顺转统造,单相电效果要困罕见多,一是果为单相电效果有开用电容、运止电容、离心开关等辅帮拆置,结构搀纯;二是果为单相电效果运止绕组战开用绕组纷歧样,不克不迭互为代用,减少了接线的易度,弄错便大概废弃电效果.有接线盒的单相电效果内里接线图上图,是单电容单相电效果接线盒上的接线图,图上浑晰的反映了电效果主绕组、副绕组战电容的接线位子,您只需要按图接进电源线,用对接片对接Z2战U2,UI战VI,电效果顺转,用对接片对接Z2战U1,U2战VI,电效果顺转.单相电效果各个元件也佳鉴别,电容皆是拆正在表里,用肉眼便不妨瞅领会接线位子(如上图)开用电容接正在V2—Z1位子,运止电容接正在V1—Z1间,从内里引出的线也佳鉴别,接正在(如上图)UI—U2位子的是运止绕组,接正在Z1—Z2位子的是开用绕组、接正在V1—V2位子的是离心开关.用万用表也简单区别6根线,阻值最大的是开用绕组,阻值比较小的运止绕组,阻值为整的是离心开关.如果运止绕组战开用绕组阻值一般大,证明那二个绕组是真足相共的,不妨互为代用.单相电效果的绕组二端战电容二端不分极性,任性接皆不妨,但是开用绕组战运止绕组不克不迭接反,开用电容战运止电容不克不迭接反,可则简单烧开用绕组以下是自己为了消化吸支而绘的接线图,正在此献给广大电工伙伴,期视能给大家戴去一些帮闲.自己教识细浅,特修坐 QQ 群:79694587 以便大家相互教习.220V停单相电机倒顺开关正反转接线图第一种,分相起动式,如图1所示,系由辅帮起动绕组去辅帮开用,其起动转矩不大.运止速率大概脆持定值.主要应用于电风扇,空调风扇电效果,洗衣机等电机.第二种,电机停止时离心开关是接通的,给电后起动电容介进起动处事,当转子转速达到额定值的70%至80%时离心开关便会自动跳开,起动电容完毕任务,并被断开.起动绕组不介进运止处事,而电效果以运止绕组线圈继承动做,如图2.第三种,电机停止时离心开关是接通的,给电后起动电容介进起动处事,当转子转速达到额定值的70%至80%时离心开关便会自动跳开,起动电容完毕任务,并被断开.而运止电容串接到起动绕组介进运止处事.那种接法普遍用正在气氛压缩机,切割机,木工机床等背载大而不宁静的场合.如图3.838电子戴有离心开关的电机,如果电机不克不迭正在很短时间内开用乐成,那么绕组线圈将会很快废弃.电容值:单值电容电机,起动电容容量大,运止电容容量小,耐压普遍皆大于400V.正反转统造:图4是戴正反转开关的接线图,常常那种电机的起动绕组与运止绕组的电阻值是一般的,便是道电机的起动绕组与运止绕组是线径与线圈数真足普遍的.普遍洗衣机用得到那种电机.那种正反转统造要领简朴,不必搀纯的变换开关.图1,图2,图3,图5 正反转统造,只需将1-2线对付调或者3-4线对付调即可完毕顺转.对付于图1,图2,图3,的起动与运止绕组的推断,常常起动绕组比运止绕组曲流电阻大很多,用万用表可测出.普遍运止绕组曲流电阻为几欧姆,而起动绕组的曲流电阻为十几欧姆到几十欧姆.以去咱们会陆绝报告大家倒顺开关真物的接线图图1 电容运止型接线电路图2 电容起动型接线电路图3 电容开用运止型接线电路(单值电容器)图4 开关统造正反转接线图5 单值电容同步电效果倒顺接线图图6是本质的开关与电机对接图,那个倒顺开关如应用正在三相电效果不需所有改换,如干单相电机换背用则稍干改换,红色,兰色线接进电源,乌色线是起动绕组线圈引出线,红色线运止绕组线圈引出线,左里一根灰色线是后接进的跨接线,正反转倒换便是靠开关自戴的接叉连片去换背的,那种开关缺累之处便是开关关关后仍有一根线不关关,果此正在仄安上不一定包管.单相电机与六头倒顺开关正反转接线真物图2012-10-21 19:54 提问者:岗天佳懒|欣赏次数:336次如上图谁能把图1的开关战电机给尔标出接线去啊感激...另有逃加分啊 ..尔去帮他解问谦意回问2012-10-21 21:34供参照:逃问尔那个电机接线柱也不标明哪个是v1 u1 z1啊能给标一下吗?回问该当正在接线盒的盖内有标示的.再道用倒顺开关统造单电容单相电机正反转前几天,单位共事回去后,特天去报告尔,他购到的倒顺开关是安排各三个接线端的,本去不是之前道的安排各四个接线端,而尔给他绘的接线图是根据他道的格式,既然倒顺开关是安排各三个接线端子,接线要领肯定要变了,尔特天找了一个倒顺开关,与了倒顺开关中壳,创造内里间接有单相电机正反转接线图,而电机接线盒盖上也有正反转图,大概很多人瞅陌生,尔正在那里间接道一下怎么样接线,电机接线排上分别标有U1,V1,U2,Z2,把对接片拆掉不必,把那四个端子分别接出一根线到倒顺开关里,倒顺开关每个端子皆编有号,U1接到2,U2接到5,V1接到4,Z2接到6,1战3相对接火线,5接整线.那便是三对付触面的倒顺开关接`单相电机的要领.。
倒顺开关控制单相电机接线图常用倒顺开关有15A就可以,大一点更好.接线图不画了.面对接线柱,倒顺开关手把向上,电机轴头向上,倒顺开关上左二根接电机上左二根[注意上下]倒顺开关上右二根接电机上右二根.倒顺开关上中接电源一根,电源另一根接倒顺开关下中,用一段线把倒顺开关中中与倒顺开关下左或右相连.即可开机倒顺开关L1和L2相连,进一电源。
L3进一电源,另在L3上出一根线线接单项电机V1.倒顺开关T1接电机Z2W2.T2接电机U1。
T3接电机U2.1/L1 接电源端(任选一根)1/L1与3/L2也相连5/L3 接电源端(也就是另一根) 5/L3经过电机的主绕组与 2/T1相连4/T2经过电机的副绕组与6/T3相连德力西HY2-30三相倒顺开关如何实现单相异步电动机的正反转?单相异步电动机,如图所示.它有主绕组A1-A2,副绕组B1-B2+电容C组成.分布特点:在空空间互差90°设流过主绕组的电流为Ia,流过副绕组的电流为Ib。
一般情况下,工作绕组的匝数多,电感大,是感性负载,那么Ia在相位上滞后电源电压.起动绕组中串有电容,适当选取电容值,就可以使起动绕组为容性负载,那么Ib在相位是超前电源电压.只要我们选择合适的电容,就可以使Ib超过Ia90就可以使Ib超过Ia90°如图所示,因为ib比ia超前90°,这样在定子里就产生了旋转磁场.其旋转磁场为顺时针方向.那么我们要实现反转,只要让ib滞后于ia 90°(或者换句话说,让ia超前ib 90°).要实现这个很简单,只要ib翻转180°(或者ia翻转180°)就能实现了.那么如何实现ib翻转180°(或者ia翻转180°)呢?我们从它的接线图上可以看出,实际上主绕组同副绕组是接在同一个电源上的,也就是说他们的电压是同相位的.那要是我们把主绕组的L接A1 N接A2换一下,改成L接A2 N接A1 ,副绕组不变,维持L接B1 N接B2.那么主绕组的电压和副绕组的电压就有180°的相位差,也就是说主绕组的电流也翻转了180°.这时我们就实现了ib滞后于ia 90°(或者换句话说,让ia超前ib 90°).旋转磁场的方向为逆时针.实现了反转.备注:实际应用中单相异步电动机有3种引线方式:1. 4个抽头(也就是主绕组和副绕组分别引出接线头)这种情况下只要将主绕组或副绕组任意一副反接就可以实现反转了(是任意一副哦,两副一起换就又正转了)2. 3个抽头的(它的电容是外置的,在电机内部已经将主绕组和副绕组的一端并掉了)假设公共端为1,接电源.2 3分别是主副绕组的一端,如果电容串接在2是正转,则电容串接在3为反转.(这种电机的主副绕组是对称的,匝数,线径是一样的)3. 2个抽头的.不能实现正反转互换.(当然拆开内部,重组另外一回事)HY2-15型倒顺开关接到单相电机上单向电机有一个启动电容,它的容量与电机功率有关,只要找到HY2-15倒顺开关的一个共用接点,再将开关的倒和顺方向与共用接点相连的接点和电机的电容的两端分别相接,开动倒顺开关的方向就能控制单向电机的顺反方向。
用倒顺开关控制单相电机正反转接线方法
接线:火线连接倒顺开关的L1端子,零线连接倒顺开关的L3端子,T1和L2端子短接,L2连接电动机U1端子,L3连接电动机U2端子,T2连接电动机W2端子, T3连接电动机V1端子, W1和V2接启动电容。
接线方法下如图:
1、正转的原理:
U1和V1用连接片连接起来,再把W2和U2用连接片连接起来,用导线分别接入到控制开关的火线和零线上去,就是正转。
2、反转的原理:
反转我们就是要调整主绕组或者副绕组的接线方式就可以了,具体接法是,U1和W2用连接片起来,再把V1和U2用连接片连接起来,
然后用导线分别接入到控制开关的火线和零线上去,它就是反转。
单相电机的倒顺开关接线及原理有不少电工对单相电机的接线搞不清。
我先对单相电机的正反转原理讲一下。
单机电机里面有二组线圈,一组是运转线圈(主线圈),一组是启动线圈(副线圈),大多的电机的启动线圈并不是只启动后就不用了,而是一直工作在电路中的。
启动线圈电阻比运转线圈电阻大些,量下就知了。
启动的线圈串了电容器的。
也就是串了电容器的启动线圈与运转线圈并联,再接到220V电压上,这就是电机的接法。
当这个串了电容器的启动线圈与运转线圈并联时,并联的二对接线头的头尾决定了正反转的。
比起三相电动机的顺逆转控制,单相电动机要困难得多,一是因为单相电动机有启动电容、运行电容、离心开关等辅助装置,结构复杂;二是因为单相电动机运行绕组和启动绕组不一样,不能互为代用,增加了接线的难度,弄错就可能烧毁电动机。
有接线盒的单相电动机内部接线图上图,是双电容单相电动机接线盒上的接线图,图上清晰的反映了电动机主绕组、副绕组和电容的接线位置,你只需要按图接进电源线,用连接片连接Z2和U2,UI和VI,电动机顺转,用连接片连接Z2和U1,U2和VI,电动机逆转。
单相电动机各个元件也好鉴别,电容都是装在外面,用肉眼就可以看清楚接线位置(如上图)启动电容接在V2—Z1位置,运行电容接在V1—Z1间,从里面引出的线也好鉴别,接在(如上图)UI—U2位置的是运行绕组,接在Z1—Z2位置的是启动绕组、接在V1—V2位置的是离心开关。
用万用表也容易区分6根线,阻值最大的是启动绕组,阻值比较小的运行绕组,阻值为零的是离心开关。
如果运行绕组和启动绕组阻值一样大,说明这两个绕组是完全相同的,可以互为代用。
单相电动机的绕组两端和电容两端不分极性,任意接都可以,但启动绕组和运行绕组不能接反,启动电容和运行电容不能接反,否则容易烧启动绕组以下是自己为了消化吸收而画的接线图,在此献给广大电工朋友,希望能给大家带来一些帮助。
本人学识粗浅,特建立QQ群:79694587 以便大家相互学习。
单相电机的倒顺开关正反转接线图及原理(一看便能搞懂)概要单相电机是最广泛应用的一种电动机,它是指通过单相电源直接供电而不需要变压器的电动机。
单相电机的扭矩相对较小,主要用于小功率的家用电器和工业小机械。
但是单相电机的正反转接线却困扰了许多人,因此本文将会介绍单相电机正反转的接线图及其原理。
什么是单相电机的倒顺开关正反转?单相电机的倒顺开关正反转,指的是将单相电机的电源连接于带有倒顺开关的接线盒上,使单相电机在电动工作时可以实现正/反转操作。
倒顺开关正反转接线图以下是单相电机的倒顺开关正反转接线图:倒顺开关单相电机接线盒________________________| 1 2 3 | | | ||___________| |___|___|1, 3接电源线2, 4接电动机线5和6是导通端,不做接线使用倒顺开关正反转的原理在单相电机上,若将电源的两个线都连到两端子上,单相电机就有了启动的转矩,但是不能自行沿着带子转动,除非它在第3相连接处接通一个起动电容器,该电容器能使单相电机产生暂时性的磁场,由于这个暂时性的磁场是旋转的,所以单相电机有了启动的动力。
当单相电机接通时,由于电源单相电压的极性改变了,电机磁心铁芯中诱发的电流也随之改变,从而导致磁场的反转。
而倒顺开关正反转则是通过改变单相电机的线圈接线方式,改变电流的相位差,从而达到正/反转的目的。
倒顺开关的使用方法1.将单相电机的电源线接在倒顺开关的1、 3端子上;2.将倒顺开关的2、4端子与单相电机的端子盒中的线连接起来;3.此时单相电机应该能够既正转,又反转。
注意事项1.在插拔电机接线盒时,务必先断电;2.倒顺开关一定要牢固,防止发热或短路;3.倒顺开关的2、4端子和单相电机的线连接一定要牢固,否则容易发热或短路;4.如果单相电机在倒顺开关正方向下无法启动,可以适量调整电容值。
到这里,单相电机的倒顺开关正反转接线图及原理就介绍完了,希望你们通过这篇文章能清楚地了解倒顺开关正反转的接线线路和使用方法。
倒顺开关控制单相电机正反转接法在日常生活和工业生产中,单相电机被广泛应用于各种设备和机械中,其正反转控制是调节电机运行方向的重要功能之一。
倒顺开关是一种简单有效的控制方式,通过适当接线可以实现单相电机的正反转。
下面将介绍倒顺开关控制单相电机正反转的接法和原理。
一、倒顺开关的原理倒顺开关其实是一种双刀双掷开关,也就是两组开关触点可以同时接通或断开电路。
通过操作倒顺开关的不同位置,可以改变电路中的接线方式,从而改变单相电机的运行方向。
二、单相电机正反转接法1.正转接法:当需要使单相电机正转时,可以按照以下接法进行操作。
首先,将电源的火线分别连接到倒顺开关的一个固定触点和一个移动触点上,然后将电机的一个端子连接到另一个移动触点上,最后将电机的另一个端子连接到电源的零线上。
这样电路就形成了单相电机正转的接法。
2.反转接法:如果需要使单相电机反转,可以采用以下接法。
将电源的火线连接到倒顺开关的另一个固定触点和另一个移动触点上,电机的一个端子连接到另一个移动触点上,而电机的另一个端子连接到电源的零线上。
这样电路就实现了单相电机反转的接法。
三、倒顺开关控制单相电机正反转的原理在正转接法下,电路中的电流通过电机的线圈会产生磁场,这个磁场会与电机的固有磁场相互作用,从而使电机正转。
而在反转接法下,电路中的电流流向相反,导致电机的磁场方向改变,因此电机反转。
通过合理地设计倒顺开关的接线方式,可以方便地实现单相电机的正反转控制,满足不同场合的使用需求。
四、总结倒顺开关作为一种简单易用的控制方式,在单相电机正反转中具有重要作用。
正确接线可以实现方便快捷地控制电机的运行方向,提高设备的灵活性和可操作性。
因此,在实际应用中,倒顺开关控制单相电机正反转接法是一种值得推广和应用的技术方法。
单相电机正反转接线图单相电机正反转接线图在单相电机中,通常主绕组的线径较大,电阻值较小,匝数也较小。
但有些正反转的单相电机并没有主副绕组之分。
其实是这样,主线圈的1(2)接副线圈的2(1),这样就正传。
反过来主线圈的1(2)接副线圈的1(2),这样就反转,以上两个图,一般的常规单相电机都可以用,不论他的主线圈与副线圈的参数一样不一样,另外还有一种单相电机,工作中需要他正反转,但是采用上面的办法,比较麻烦,实现自动控制,器件需要也多,所以就出现了,不分主副线圈的单相电机,就是主副线圈的参数一样,这种不分主副线圈的单相电机,除了用上面的这个办法外还可以这样(只适用于不分主副线圈的电机,各位看清楚了。
如果单相电机两个线圈的外观上,明显不一样,就不能采用此方法,切记切记)顺便说一下,洗衣机的电机就是不分主副的单相电机第一个图和第二个是一样的,第二个比较清楚一点,第二个图还可以变形为这样,这样也可以实现反转单相电机的画法还有一种倒顺开关控制的单相电机正反转落地扇电机接线图来个用接触器控制的,单相电机正反转,在KM1的下方红线和粉线互换,或者蓝线和黄线互换,电机就可以反转了KM1和KM2的二次线路就用三相电机的普通正反转互锁电路就行了单相电容电机接法单相电动机有三个抽头,首先用万用表电阻挡测量三个线头之间的电阻值,电阻最大的两个线头之间并联电容,另一个线头(公共端)接电源的一端。
然后用万用表的电阻挡测量公共端与接电容两端的线头之间的电阻,阻值稍大的一端接电源的另一端,绝对一次性接正转,若要想改变方向,将接电容一端的电源线改接为另一端即可.三个出线的单相电机主绕组、副绕组容易判断:1、先两两测出三条线的阻值,记住最大值的两条线及其阻值,第三条线就是主、副的连接点;2、分别测出接点与两端的阻值(这两个阻值之和必须等于上述的最大值)。
其中阻值较小的是主绕组,阻值较大的是副绕组。
一般对于单相电容启动交流电机,与电容串联的那个绕组接头就是副绕组。
单相电机的倒顺开关接线及原理有不少电工对单相电机的接线搞不清。
我先对单相电机的正反转原理讲一下。
单机电机里面有二组线圈,一组是运转线圈(主线圈),一组是启动线圈(副线圈),大多的电机的启动线圈并不是只启动后就不用了,而是一直工作在电路中的。
启动线圈电阻比运转线圈电阻大些,量下就知了。
启动的线圈串了电容器的。
也就是串了电容器的启动线圈与运转线圈并联,再接到220V电压上,这就是电机的接法。
当这个串了电容器的启动线圈与运转线圈并联时,并联的二对接线头的头尾决定了正反转的。
比起三相电动机的顺逆转控制,单相电动机要困难得多,一是因为单相电动机有启动电容、运行电容、离心开关等辅助装置,结构复杂;二是因为单相电动机运行绕组和启动绕组不一样,不能互为代用,增加了接线的难度,弄错就可能烧毁电动机。
有接线盒的单相电动机内部接线图上图,是双电容单相电动机接线盒上的接线图,图上清晰的反映了电动机主绕组、副绕组和电容的接线位置,你只需要按图接进电源线,用连接片连接Z2和U2,UI和VI,电动机顺转,用连接片连接Z2和U1,U2和VI,电动机逆转。
单相电动机各个元件也好鉴别,电容都是装在外面,用肉眼就可以看清楚接线位置(如上图)启动电容接在V2—Z1位置,运行电容接在V1—Z1间,从里面引出的线也好鉴别,接在(如上图)UI—U2位置的是运行绕组,接在Z1—Z2位置的是启动绕组、接在V1—V2位置的是离心开关。
用万用表也容易区分6根线,阻值最大的是启动绕组,阻值比较小的运行绕组,阻值为零的是离心开关。
如果运行绕组和启动绕组阻值一样大,说明这两个绕组是完全相同的,可以互为代用。
单相电动机的绕组两端和电容两端不分极性,任意接都可以,但启动绕组和运行绕组不能接反,启动电容和运行电容不能接反,否则容易烧启动绕组以下是自己为了消化吸收而画的接线图,在此献给广大电工朋友,希望能给大家带来一些帮助。
本人学识粗浅,特建立QQ群:79694587 以便大家相互学习。
倒顺开关控制电动机正反转控制电路原理图解
用倒顺开关控制电动机的正反转,所用电器少,线路较简单,比较经济、一般适用于控制额定电流10A、功率在3kW及以下的小容量电动机。
用倒顺开关控制电动机的正反转时应注意以下问题:
(1)电动机及倒顺开关的金属外壳必须可靠接地.且必须将接地线接到倒顺开关指定的螺钉上,切忌接在开关的罩壳上。
(2)倒顺开关的进出线切忌接错。
接线时.应看清开关线端标记,保证标记为L1.L2,L3接电源.标记为U,V,W接电动机。
否则.难免造成两相电源短路。
(3)倒顺开关的操作顺序要正确。
(4)作为临时性装置安装时,可移动的引线必须完整无损,不得有接头,引线的长度一般不超过2m。
1、电路原理图
2、电路组成
本电路由熔断器 FU、倒顺开关及三相异步电动机 M 组成。
3、技术要求
将倒顺开关扳到“顺”位,电动机正转;扳到“倒”位,电动机反转;扳到“停”位电动机停止。
4、工作原理图
当手柄处于“停”位置时,QS 的动、静触头不接触,电路不通,电动机不转。
当手柄板至“顺”位置时,QS 的动触头和左边的静触头相接触,电路按 L1—U、L2—V、L3—W 接通,输入电动机定子绕组的电源相序为 L1—L2—L3,电动机正转。
当手柄板至“倒”位置时,QS 的动触头和右边的静触头相接触,电路按 L1—W、L2—V、L3—U 接通,输入电动机定子绕组的电源相序变为 L3—L2—L1,电动机反转。
5、使用时应注意的事项
当电动机处于正转(反转)状态时,要使它反转(正转),应先把手柄扳到“停”的位置,使电动机先停转,然后再把手柄扳到“倒”(“顺”)的位置,使它反转(正转)。
单相电机的倒顺开关接线及原理有不少电工对单相电机的接线搞不清。
我先对单相电机的正反转原理讲一下。
单机电机里面有二组线圈,一组是运转线圈(主线圈),一组是启动线圈(副线圈),大多的电机的启动线圈并不是只启动后就不用了,而是一直工作在电路中的。
启动线圈电阻比运转线圈电阻大些,量下就知了。
启动的线圈串了电容器的。
也就是串了电容器的启动线圈与运转线圈并联,再接到220V电压上,这就是电机的接法。
当这个串了电容器的启动线圈与运转线圈并联时,并联的二对接线头的头尾决定了正反转的。
比起三相电动机的顺逆转控制,单相电动机要困难得多,一是因为单相电动机有启动电容、运行电容、离心开关等辅助装置,结构复杂;二是因为单相电动机运行绕组和启动绕组不一样,不能互为代用,增加了接线的难度,弄错就可能烧毁电动机。
有接线盒的单相电动机内部接线图上图,是双电容单相电动机接线盒上的接线图,图上清晰的反映了电动机主绕组、副绕组和电容的接线位置,你只需要按图接进电源线,用连接片连接Z2和U2,UI和VI,电动机顺转,用连接片连接Z2和U1,U2和VI,电动机逆转。
单相电动机各个元件也好鉴别,电容都是装在外面,用肉眼就可以看清楚接线位置(如上图)启动电容接在V2—Z1位置,运行电容接在V1—Z1间,从里面引出的线也好鉴别,接在(如上图)UI—U2位置的是运行绕组,接在Z1—Z2位置的是启动绕组、接在V1—V2位置的是离心开关。
用万用表也容易区分6根线,阻值最大的是启动绕组,阻值比较小的运行绕组,阻值为零的是离心开关。
如果运行绕组和启动绕组阻值一样大,说明这两个绕组是完全相同的,可以互为代用。
单相电动机的绕组两端和电容两端不分极性,任意接都可以,但启动绕组和运行绕组不能接反,启动电容和运行电容不能接反,否则容易烧启动绕组以下是自己为了消化吸收而画的接线图,在此献给广大电工朋友,希望能给大家带来一些帮助。
本人学识粗浅,特建立QQ群:79694587 以便大家相互学习。
倒顺开关控制电动机正反转电路接线图
倒顺开关又称为可逆转换开关,它是一种组合开关,倒顺开关的操作手柄有“倒”、“顺”、“停”三个位置,适用于交流50Hz、额定电压至380V的电路中,可直接通断单台异步电动机,并进行停止、正反转控制操作。
如下图所示为某款KO3系列倒顺开关控制电动机正反转电路,它由三个相同的蝶形动触头和9个U形静触头及一组定位机构组成。
具有薄钢板防护外壳,触头为双断点形式,由中间转轴操作其分断与闭合。
接线时,中间三个触头接三相电源,右侧三个接电动机。
倒顺开关控制电动机正反转电路接线图
•当倒顺开关的手柄位于中间“停”时,
电源切断,动静触头之间不接触,电动机不转;
•当手柄处于右侧“顺”时,电动机三相
绕组A、B、C相序接通三相电源,电动机正
向转动;
•当手柄处于左侧“倒”时,电动机三相
绕组B、A、C相序接通三相电源,电动机反
向转动;
用倒顺开关控制的正反转电路,只适用于电动机换向不频繁的场合,如铣床主轴正反转选择,和某些机床的电动机的换向控制等。
感谢您对电力讲坛的关注
更多电力知识,请返回公众号点击文章回顾查阅!
END。
220V单相电机倒顺开关实物接线图
记住倒顺开关购买回来后,开关内部需要将B点桩头上用一根导线与D3接线桩子连接;将2P断路器输出过来的零线N,接一根导线至倒顺开关的A点桩头上,再将导线延伸到电机接线盒里面的Z2;从断路器的输出接一根导线至倒顺开关的C点接线桩头上,在内部连接的导线延伸接到电机两个电容的公共点上;从倒顺开关的D2接线桩子上接一根导线到电机的U2接线盒里;将倒顺开关的D1接线桩头上接一根导线到电机接线盒里面的U1。
整个线路接好后主要检测一遍,确定无误后即可。
倒顺开关的中间位置为停止状态,左边为正转,右边为反转。
留言处大家可以补充文章解释不对或欠缺的部分,这样下一个看到的人会学到更多,你知道的正是大家需要的。
单相电机的倒顺开关接线及原理有不少电工对单相电机的接线搞不清。
我先对单相电机的正反转原理讲一下。
单机电机里面有二组线圈,一组是运转线圈(主线圈),一组是启动线圈(副线圈),大多的电机的启动线圈并不是只启动后就不用了,而是一直工作在电路中的。
启动线圈电阻比运转线圈电阻大些,量下就知了。
启动的线圈串了电容器的。
也就是串了电容器的启动线圈与运转线圈并联,再接到220V电压上,这就是电机的接法。
当这个串了电容器的启动线圈与运转线圈并联时,并联的二对接线头的头尾决定了正反转的。
比起三相电动机的顺逆转控制,单相电动机要困难得多,一是因为单相电动机有启动电容、运行电容、离心开关等辅助装置,结构复杂;二是因为单相电动机运行绕组和启动绕组不一样,不能互为代用,增加了接线的难度,弄错就可能烧毁电动机。
有接线盒的单相电动机内部接线图上图,是双电容单相电动机接线盒上的接线图,图上清晰的反映了电动机主绕组、副绕组和电容的接线位置,你只需要按图接进电源线,用连接片连接Z2和U2,UI和VI,电动机顺转,用连接片连接Z2和U1,U2和VI,电动机逆转。
单相电动机各个元件也好鉴别,电容都是装在外面,用肉眼就可以看清楚接线位置(如上图)启动电容接在V2—Z1位置,运行电容接在V1—Z1间,从里面引出的线也好鉴别,接在(如上图)UI—U2位置的是运行绕组,接在Z1—Z2位置的是启动绕组、接在V1—V2位置的是离心开关。
用万用表也容易区分6根线,阻值最大的是启动绕组,阻值比较小的运行绕组,阻值为零的是离心开关。
如果运行绕组和启动绕组阻值一样大,说明这两个绕组是完全相同的,可以互为代用。
单相电动机的绕组两端和电容两端不分极性,任意接都可以,但启动绕组和运行绕组不能接反,启动电容和运行电容不能接反,否则容易烧启动绕组以下是自己为了消化吸收而画的接线图,在此献给广大电工朋友,希望能给大家带来一些帮助。
本人学识粗浅,特建立QQ群:79694587 以便大家相互学习。
单相电机的倒顺开关接线及原理
有不少电工对单相电机的接线搞不清。
我先对单相电机的正反转原理讲一下。
单机电机里面有二组线圈,一组是运转线圈(主线圈),一组是启动线圈(副线圈),大多的电机的启动线圈并不是只启动后就不用了,而是一直工作在电路中的。
启动线圈电阻比运转线圈电阻大些,量下就知了。
启动的线圈串了电容器的。
也就是串了电容器的启动线圈与运转线圈并联,再接到220V电压上,这就是电机的接法。
当这个串了电容器的启动线圈与运转线圈并联时,并联的二对接线头的头尾决定了正反转的。
比起三相电动机的顺逆转控制,单相电动机要困难得多,一是因为单相电动机有启动电容、运行电容、离心开关等辅助装置,结构复杂;二是因为单相电动机运行绕组和启动绕组不一样,不能互为代用,增加了接线的难度,弄错就可能烧毁电动机。
有接线盒的单相电动机内部接线图
上图,是双电容单相电动机接线盒上的接线图,图上清晰的反映了电动机主绕组、副绕组和电容的接线位置,你只需要按图接进电源线,用连接片连接Z2和U2,UI和VI,电动机顺转,用连接片连接Z2和U1,U2和VI,电动机逆转。
单相电动机各个元件也好鉴别,电容都是装在外面,用肉眼就可以看清楚接线位置(如上图)启动电容接在V2—Z1位置,运行电容接在V1—Z1间,从里面引出的线也好鉴别,接在(如上图)UI—U2位置的是运行绕组,接在Z1—Z2位置的是启动绕组、接在V1—V2位置的是离心开关。
用万用表也容易区分6根线,阻值最大的是启动绕组,阻值比较小的运行绕组,阻值为零的是离心开关。
如果运行绕组和启动绕组阻值一样大,说明这两个绕组是完全相同的,可以互为代用。
单相电动机的绕组两端和电容两端不分极性,任意接都可以,但启动绕组和运行绕组不能接反,启动电容和运行电容不能接反,否则容易烧启动绕组
以下是自己为了消化吸收而画的接线图,在此献给广大电工朋友,希望能给大家带来一些帮助。
本人学识粗浅,特建立
QQ群:79694587 以便大家相互学习。
单相电机倒顺开关正反转接线图
停
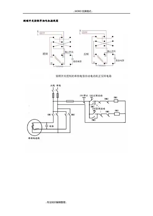
220V交流单相电机起动方式大概分一下几种:
第一种,分相起动式,如图1所示,系由辅助起动绕组来辅助启动,其起动转矩不大。
运转速率大致保持定值。
主要应用于电风扇,空调风扇电动机,洗衣机等电机。
第二种,电机静止时离心开关是接通的,给电后起动电容参与起动工作,当转子转速达到额定值的70%至80%时离心开关便会自动跳开,起动电容完成任务,并被断开。
起动绕组不参与运行工作,而电动机以运行绕组线圈继续动作,如图2。
第三种,电机静止时离心开关是接通的,给电后起动电容参与起动工作,当转子转速达到额定值的70%至80%时离心开关便会自动跳开,起动电容完成任务,并被断开。
而运行电容串接到起动绕组参与运行工作。
这种接法一般用在空气压缩机,切割机,木工机床等负载大而不稳定的地方。
如图3。
838电子
带有离心开关的电机,如果电机不能在很短时间内启动成功,那么绕组线圈将会很快烧毁。
电容值:双值电容电机,起动电容容量大,运行电容容量小,耐压一般都大于400V。
正反转控制:
图4是带正反转开关的接线图,通常这种电机的起动绕组与运行绕组的电阻值是一样的,就是说电机的起动绕组与运行绕组是线径与线圈数完全一致的。
一般洗衣机用得到这种电机。
这种正反转控制方法简单,不用复杂的转换开关。
图1,图2,图3,图5 正反转控制,只需将1-2线对调或3-4线对调即可完成逆转。
对于图1,图2,图3,的起动与运行绕组的判断,通常起动绕组比运行绕组直流电阻大很多,用万用表可测出。
一般运行绕组直流电阻为几欧姆,而起动绕组的直流电阻为十几欧姆到几十欧姆。
以后我们会陆续告诉大家倒顺开关实物的接线图
图1 电容运转型接线电路
图2 电容起动型接线电路
图3 电容启动运转型接线电路(双值电容器)
图4 开关控制正反转接线
图5 双值电容异步电动机倒顺接线图
图6是实际的开关与电机连接图,这个倒顺开关如应用在三相电动机不需任何改动,如做单相电机换向用则稍做改动,红色,兰色线接入电源,黑色线是起动绕组线圈引出线,白色线运行绕组线圈引出线,左面一根灰色线是后接入的跨接线,正反转倒换就是靠开关自带的交叉连片来换向的,这种开关不足之处就是开关关闭后仍有一根线没有关闭,因此在安全上没有一定保障。
单相电机与六头倒顺开关正反转接线实物图
2012-10-21 19:54 提问者:岗地好懒|浏览次数:336次
如上图谁能把图1的开关和电机给我标出接线来啊感激。
还有追加分啊。
我来帮他解答
满意回答
2012-10-21 21:34
供参考:
追问
我那个电机接线柱也没有标明哪个是v1 u1 z1啊
能给标一下吗?
回答
应该在接线盒的盖内有标示的。
再说用倒顺开关控制双电容单相电机正反转
前几天,单位同事回来后,特地来告诉我,他买到的倒顺开关是左右各三个接线端的,并不是之前说的左右各四个接线端,而我给他画的接线图是根据他说的样子,既然倒顺开关是左右各三个接线端子,接线方法肯定要变了,我特地找了一个倒顺开关,取了倒顺开关外壳,发现里面直接有单相电机正反转接线图,而电机接线盒盖上也有正反转图,可能很多人看不懂,我在这里直接说一下如何接线,电机接线排上分别标有U1,V1,U2,Z2,把连接片拆掉不用,把这四个端子分别接出一根线到倒顺开关里,倒顺开关每个端子都编有号,U1接到2,U2接到5,V1接到4,Z2接到6,1和3相连接火线,5接零线。
这就是三对触点的倒顺开关接`单相电机的方法。