大尺寸测量检测设计方案
- 格式:doc
- 大小:22.50 KB
- 文档页数:4
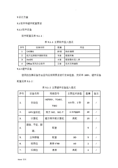
.5设计方案5.1软件和硬件配置要求5.1.1软件设备软件配置见表5.1-1:表5.1-1 主要软件投入情况5.1.2硬件设备使用的仪器设备作业前均应按照要求进行全面检查,完好率100%。
硬件设备配置见表5.1-2:表5.1-2 主要硬件设备投入情况Word 资料5.2技术路线项目全采用“内业→外业→内业”作业模式进行施工。
1)数据更新模式1:500比例尺基础地理信息数据更新方法依据地形要素变化率分为新测、修补测。
地物要素变化率参照GB/T 14268-2008附录B中地图格网统计法计算。
地物变化率计算以图幅为单位,以图上1cm2格网为1个变化量统计单位(G),以公式α格=(m/M)×100%。
公式中α格为地物变化率,m为图幅内地物要素变化的总G数,M为图幅的理论总1cm2格网数(M>m)。
当地物变化率α格>40%时,进行重测,图幅内全部地理信息要素进行测绘。
当地物变化率α格<40%时,进行修测,对图幅内部分地物要素和相应变化了的地貌进行实测修正。
原数据采用修测或修编更新方法更新超过3次,要对全部的地理信息要素进行重测。
2)数据变化信息获取方法将2015年DLG数据与2017年0.05米DOM数据进行套合对比配合人工巡查获取整个测区全面的变化信息。
3)数据更新内业立体采集为主,外业实测为辅进行数据更新。
结合测区的地形地貌及地物特点,采用航测数字法成图,平面和高程数据都由航测内业采集。
数据采集先内业判测,后外业调绘、外业补测,数据编辑整理,再数据入库。
5.3图根控制测量5.3.1图根点的布设1)图根平面控制点逐级布设,每个控制点宜保证有一个以上的通视方向。
2)图根控制点是地形图修测和地形图测量的依据,图根点在基本控制点基础上加密。
3)图根控制测量采用山东省GPS连续运行参考站(SDCORS)为基础进行布设。
4)图根点的密度以满足地形、地物点及界址点的数据采集为原则,合理布设并应尽量的均匀分布,每幅图不少于4个(包括各等级控制点),个别情况至少2个。
工程测量方案模板一、项目背景1.1 项目概述项目名称:项目目的:项目地点:项目范围:1.2 项目需求项目所需测量参数:项目所需精度要求:项目所需测量方法:1.3 项目限制条件限制条件及约束:可能存在的影响因素:可能存在的安全隐患:二、测量目标和内容2.1 测量目标确定所需测量参数:确定测量精度要求:选择适合的测量方法:2.2 测量内容测量范围:测量参数:测量精度:三、测量方法与流程3.1 测量方法选择选择合适的测量方法:解决可能存在的影响因素:确保测量结果的精度:3.2 测量流程测量前的准备工作:具体的测量步骤:测量结束后的数据处理:四、测量设备和工具4.1 测量仪器列举所需的测量仪器及其参数:确保测量仪器的准确性:4.2 辅助工具列举所需的辅助工具及其用途:确保辅助工具的可靠性:五、质量控制5.1 测量前的校准对测量仪器进行校准:确保测量仪器的准确性:5.2 工作流程控制制定工作流程:确保工作流程的合理性:5.3 数据处理与分析对测量数据进行处理:确保数据结果的准确性:六、安全保障6.1 安全措施制定安全措施:确保测量过程的安全性:6.2 紧急应对制定紧急应对措施:确保在紧急情况下能够及时处理:七、测量总结和报告7.1 测量总结总结测量过程中的经验与教训:提出改进建议:7.2 测量报告撰写测量报告:确保报告的准确性和全面性:八、审批与批准8.1 测量方案审批由相关部门对测量方案进行审批:8.2 测量方案批准经审批通过后,进行测量方案的批准:以上为工程测量方案模板,具体实施时可根据实际情况和需求进行调整。
建筑层高检测方案建筑层高检测方案引言:建筑层高是指建筑物从地面到顶部的垂直高度,它是建筑设计和施工的重要参数。
对于建筑层高的准确测量和控制对于建筑工程而言至关重要。
本文介绍了一种建筑层高检测方案,以确保建筑的层高符合设计要求,并提供准确的测量数据。
一、检测工具和设备:1.三角仪:用于测量建筑物的垂直高度,可以根据三角形的原理计算出建筑的层高。
2.测量尺:用于测量建筑物地面到顶部的距离。
3.激光测距仪:用于快速准确地测量建筑的高度,并提供数字显示结果。
二、检测步骤:1.确定检测点:选择几个具有代表性的位置作为检测点,包括建筑物的四个角和中央位置。
2.测量建筑物的垂直高度:使用三角仪在每个检测点处测量建筑物的垂直高度,并记录结果。
3.计算层高:根据测量结果计算建筑物的层高,并与设计要求进行比较。
4.检验更多位置:在建筑物的其他位置重复上述步骤,以确保整个建筑的层高符合设计要求。
5.使用激光测距仪进行验证:在建筑物的几个位置使用激光测距仪进行验证测量,以确保结果的准确性和一致性。
三、检测数据处理:1.整理检测数据:将所有的测量结果整理成一张表格,包括检测点的位置、垂直高度和层高的计算结果。
2.比较与设计要求:将计算得到的层高与设计要求进行比较,检查是否符合标准。
3.异常处理:如果某些检测结果与设计要求存在较大差异,需要进行进一步的分析和解决,例如重新测量或调整建筑物的结构。
4.报告撰写:根据检测结果撰写一份详细的检测报告,包括建筑物层高的测量方法、结果和异常处理等内容。
四、安全措施:1.检测操作由专业人员执行,遵守相关安全规范和操作规程。
2.在操作过程中,确保周围的人员和设备不会受到损害。
3.使用安全可靠的测量工具和设备,保证测量结果的准确性和可靠性。
结论:建筑层高的准确测量对于建筑工程的质量和安全至关重要。
通过使用三角仪、测量尺和激光测距仪等工具,结合适当的检测步骤和数据处理方法,可以确保建筑的层高符合设计要求,并提供准确可靠的测量数据。
工程测量方案1、总的测量原则根据施工总平面图上拟建的建筑物的坐标位置、基线、基点的相关数据,城市水准点及设计图纸上制定的相对标高参照点,用精密的全站仪、光学经纬仪、激光准直仪、水准仪、钢尺进行轴线网点和工程标高的测设。
施工时,根据所提供的具体坐标点,制订详细的施工控制网的测放方案,并严格遵循。
测量应遵循先整体后局部的工作程序进行。
先测准各主要轴线和基准标高点,再测设细部尺寸定位和构件标高。
使用全站仪进行施工控制网点的测量,测量应采用往返测量,不少于一个测回。
施工控制网点的测量,应进行闭合误差校核,误差值在1/5000内,可按比例修正,超出允许误差值时,应复测。
2、施工测量前的准备工作了解工程总体布局、定位与标高情况:通过对总平面图和设计说明的学习以及设计交底,了解工程总体布局、工程特点和设计意图。
首先应了解工程所在地区的红线桩位置及坐标、周围环境及与原有建筑物的关系、现场地形及拆迁情况(尤其是地下建筑物和地下管线等);其次应了解建筑物的总体布局、朝向、定位依据、定位条件及建筑物主要轴线的间距及夹角;其次应了解水准点位置及标高、建筑物首层室内地坪±0.000的绝对标高、整个场地的竖向布置(标高、坡度等)、绿化及道路、地上、地下管线的安排等。
学习与审核图纸:在掌握总图的情况后学习建筑施工图,以便对建筑物的平、立、剖面的形状、尺寸、构造有全面的了解。
它是整个工程施工放线的依据。
在学习中要特别注意轴线尺寸及各层标高与总图的有关部分是否对应。
在看结构施工图时,要着重掌握轴线尺寸、层高、结构尺寸(如墙厚、柱断面、梁断面与跨度、楼板厚等)。
看图时要以轴线图为准,对比基础、非标准层及标准层之间的轴线关系;还要注意对照建筑图,查看两者之间相关联部位的轴线、尺寸、标高是否对应,构造是否合理。
看设备图要结合土建图一并对照学习,尤其要注意设备安装对结构工程精度的要求,如预埋件、预留孔洞等。
了解施工部署,制定测量放线方案:了解施工部署一般应从施工流水段的划分、开工次序、进度安排和施工现场暂设工程布置等方面了解。
全尺寸检测报告(一)引言概述:全尺寸检测报告(一)是对某产品进行全尺寸检测后所得到的结果和分析的报告。
本文将首先介绍全尺寸检测的背景和目的,然后详细讨论5个大点,每个大点包含5-9个小点。
最后,本文将总结全尺寸检测的结果和结论。
1. 产品特性检测1.1 尺寸测量- 使用精确测量工具进行尺寸测量- 检查产品是否符合设计要求的尺寸范围- 记录测量结果并与设计规范进行比较1.2 外观检查- 观察产品外观是否有明显缺陷或瑕疵- 检查产品表面的光滑度和质量- 检测产品颜色是否与设计要求一致1.3 包装检测- 检查产品包装是否完好无损- 检测包装内部是否存在松动或破损- 确保产品在运输过程中不受损坏2. 材料性能检测2.1 强度测试- 通过拉力测试仪测定产品的强度参数- 确定产品是否符合设计的负载要求- 分析材料强度与设计负载之间的安全裕度 2.2 塑性测试- 使用硬度测试仪对产品进行塑性测试- 分析产品的硬度与材料塑性之间的关系 - 检测材料在变形和应变过程中的性能3. 功能性能检测3.1 电子元件测试- 检查电子元件是否正常工作- 调试电路并测量电压、电流等参数- 确保产品的功能符合设计要求3.2 机械动作测试- 测试产品的机械部件是否正常运转- 检查产品的运行噪音和振动- 确保产品的机械动作性能良好4. 环境适应性测试4.1 温度测试- 在不同环境温度下测试产品性能- 分析产品在高温、低温环境下的可靠性- 确保产品在各种温度条件下正常工作4.2 湿度测试- 在不同湿度环境下测试产品的性能- 检查产品内部是否受到湿度影响- 评估产品的防潮性能和耐湿度能力5. 安全性能检测5.1 电气安全测试- 检查产品的绝缘电阻和接地状态- 测试产品的漏电流和绝缘电阻值- 确保产品在正常使用时不会发生电击事故5.2 火灾安全测试- 检测产品的抗火性能和阻燃能力- 测试产品在火灾情况下的烟雾和毒气产生情况- 确保产品在火灾时能够提供足够的安全保护总结:全尺寸检测报告(一)中,我们对产品的特性、材料性能、功能性能、环境适应性和安全性能进行了全面的检测和分析。
测量施工方案(11)
一、前言
在施工过程中,测量工作一直是至关重要的环节。
针对具体的施工方案,合理的测量方法和准确的数据是保证施工质量的关键。
本文将介绍针对某工程项目的测量施工方案。
二、工程概况
该工程项目位于XX地区,总占地面积约XXX平方米,包含主体建筑、道路及绿化等配套设施。
工程施工需要准确测量土地界址、建筑物高程、地形地貌等重要数据。
三、测量方案
1.土地界址测量:首先,对建筑物四周边界进行测量,采用全站仪进行
水平测量,确保界址线准确。
同时,结合GPS技术对界址进行定位标记,以便后续施工参考。
2.建筑物高程测量:针对主体建筑物,采用水准仪进行高程测量,保证
建筑物各部分高程一致。
结合建筑设计图纸,明确高程参考点,确保测量准确性。
3.地形地貌测量:使用激光测距仪对地面高差进行测量,避免盲目估算
造成测量误差。
同时,根据地形地貌变化,确定施工过程中的土方开挖与填方量,为后续工程施工提供准确数据支持。
四、数据处理与分析
测量完成后,将测量数据导入计算机软件进行处理,生成详细的测量报告和数据分析。
根据实际测量结果,及时调整施工方案,确保施工进度和质量符合要求。
五、总结
通过科学合理的测量施工方案,能够确保施工过程中数据准确性,提高施工效率,降低施工风险。
在测量工作中,需要严格按照方案要求操作,保证测量结果可靠性。
希望该方案能够为工程项目顺利施工提供有效支持。
以上为本次测量施工方案的相关内容,谢谢阅读。
结构工程项目检测方案设计一、项目概述结构工程项目的检测是保障工程质量、安全和可持续发展的重要环节。
通过有效的检测方案设计,可以及时发现和解决工程质量问题,降低施工风险,提高工程的可靠性和耐久性,保证工程的安全运行。
本文旨在针对结构工程项目的检测方案设计进行深入探讨,从项目背景、检测目的、检测方法、检测技术以及检测报告等方面展开论述。
二、项目背景结构工程项目检测是对工程质量和安全进行有效监测的重要手段。
随着我国城市化进程的加快,大量建筑和桥梁等结构工程相继兴建,因此对结构工程的检测需求也日益增加。
而且,随着现代化技术手段的不断进步,结构工程检测方法也得到了很大的提升,各种新型检测技术不断涌现。
因此,结构工程项目检测方案的设计需要综合考虑工程特点、检测要求以及最新的检测技术,确保检测工作能够精准、有效地开展。
三、检测目的1. 确保工程施工质量:通过检测,及时发现和纠正工程施工中的质量问题,确保工程质量达到设计要求;2. 预防工程安全事故:通过检测,及时发现和处理隐患,提前预防工程安全事故的发生;3. 提高工程的可靠性和耐久性:通过检测,及时发现和处理工程存在的问题,提高工程的使用寿命和可靠性;4. 保障工程的安全运行:通过检测,及时发现和排除安全隐患,保障工程的安全运行。
四、检测方法1. 非破坏性检测(NDT):采用超声波、射线、磁粉、涡流等技术,对混凝土、钢结构、桥梁等进行材料和结构的检测;2. 动态监测:采用振动传感器、加速度计等设备,对工程结构的振动响应进行实时监测,判断结构的稳定性和安全性;3. 静力监测:采用应变计、位移传感器等设备,对工程结构的变形和位移进行实时监测,判断结构的力学性能和安全状态;4. 大型结构全过程监测:对大型建筑、桥梁、隧道等工程的全过程进行实时监测,确保工程的安全施工和使用。
五、检测技术1. 高精度测量技术:采用全站仪、激光测距仪等高精度测量设备,对工程结构的尺寸和形态进行精准测量;2. 数字化技术:采用数字化测量仪器和数据处理技术,实现对工程结构的全方位数字化监测和分析;3. 无人机技术:通过无人机进行航拍和遥感监测,实现对工程结构的高空全景监测,提高检测效率和精度;4. 云计算技术:利用云计算平台进行数据存储和分析,实现对大型结构工程的全面监测和管理。
5设计方案5.1软件和硬件配置规定5.1.1软件设备软件配置见表5.1-1:表5.1-1 重要软件投入情况5.1.2硬件设备使用的仪器设备作业前均应按照规定进行全面检查, 完好率100%。
硬件设备配置见表5.1-2:表5.1-2 重要硬件设备投入情况5.2技术路线项目全采用“内业→外业→内业”作业模式进行施工。
1)数据更新模式1:500比例尺基础地理信息数据更新方法依据地形要素变化率分为新测、修补测。
地物要素变化率参照GB/T 14268-2023附录B中地图格网记录法计算。
地物变化率计算以图幅为单位, 以图上1cm2 格网为1个变化量记录单位(G), 以公式α格=(m/M)×100%。
公式中α格为地物变化率, m为图幅内地物要素变化的总G数, M为图幅的理论总1cm2格网数(M>m)。
本地物变化率α格>40%时, 进行重测, 图幅内所有地理信息要素进行测绘。
本地物变化率α格<40%时, 进行修测, 对图幅内部分地物要素和相应变化了的地貌进行实测修正。
原数据采用修测或修编更新方法更新超过3次, 要对所有的地理信息要素进行重测。
2)数据变化信息获取方法将2023年DLG数据与2023年0.05米DOM数据进行套合对比配合人工巡查获取整个测区全面的变化信息。
3)数据更新内业立体采集为主, 外业实测为辅进行数据更新。
结合测区的地形地貌及地物特点, 采用航测数字法成图, 平面和高程数据都由航测内业采集。
数据采集先内业判测, 后外业调绘、外业补测, 数据编辑整理, 再数据入库。
5.3图根控制测量5.3.1图根点的布设1)图根平面控制点逐级布设, 每个控制点宜保证有一个以上的通视方向。
2)图根控制点是地形图修测和地形图测量的依据, 图根点在基本控制点基础上加密。
3)图根控制测量采用山东省GPS连续运营参考站(SDCORS)为基础进行布设。
4)图根点的密度以满足地形、地物点及界址点的数据采集为原则, 合理布设并应尽量的均匀分布, 每幅图不少于4个(涉及各等级控制点), 个别情况至少2个。
钢结构厂房测量方案1. 引言钢结构厂房是现代工业建筑中非常常见的一种形式。
由于其轻巧、强度高、耐久性强等特点,钢结构厂房在工业领域得到广泛应用。
在钢结构厂房建设过程中,测量是至关重要的环节,它决定了工程的准确性和稳定性。
本文档将介绍一种钢结构厂房的测量方案,旨在确保测量工作的准确性和有效性。
2. 测量仪器和工具准备在进行钢结构厂房的测量工作之前,我们需要准备以下测量仪器和工具:•激光测量仪:用于测量距离、高度和角度等参数的精确工具。
•倾斜仪:用于测量建筑物的倾斜程度和平衡性。
•线测仪:用于测量建筑物的直线和水平性。
•测量绳:用于测量建筑物不同部位的尺寸。
•笔记本电脑:用于记录测量数据和进行实时计算。
以上工具和仪器的准备是确保测量工作有效进行的关键。
3. 测量方法和步骤3.1 准备工作在开始实际测量之前,我们需要进行一些准备工作,包括:•安排合适的工作时间段和天气条件。
•检查和清理测量仪器,确保其正常工作。
•制定测量路线和计划。
3.2 水平测量水平测量是钢结构厂房测量中的一项重要工作。
以下是水平测量的步骤:1.使用线测仪在建筑物不同的部位进行直线测量,以确定其是否水平。
2.使用倾斜仪在建筑物的不同位置测量倾斜角度,以确保建筑物的平衡性。
3.3 尺寸测量尺寸测量是钢结构厂房测量中的另一个关键步骤。
以下是尺寸测量的步骤:1.使用激光测量仪测量钢结构厂房的长度、宽度和高度等尺寸。
2.使用测量绳进行额外的测量,以确保测量结果的准确性。
3.4 数据记录和分析在进行测量的同时,应将测量数据记录在笔记本电脑上,并及时进行数据分析。
这可以确保测量结果的准确性,并为后续工作提供参考。
4. 结果和讨论根据以上的测量方法和步骤,我们可以得出钢结构厂房的测量结果。
这些测量结果将为钢结构厂房的设计和施工提供重要依据。
通过对测量结果的进一步分析和讨论,我们可以评估钢结构厂房的稳定性和可行性,并提出相关的建议和措施。
5. 结论钢结构厂房的测量是确保其准确性和稳定性的重要环节。
高程测量实施方案模板一、前言。
高程测量是地理信息系统中非常重要的一部分,它可以用来确定地表上点的高度,对于工程建设、地质勘探、城市规划等领域具有重要意义。
本文档旨在提供一份高程测量实施方案模板,帮助相关人员在进行高程测量工作时有条不紊地进行操作。
二、实施方案。
1. 目标确定。
在进行高程测量之前,首先需要明确测量的目标和范围。
确定测量的具体区域和要测量的点位,明确测量的精度要求和测量数据的使用范围。
2. 测量方法选择。
根据测量的具体要求,选择合适的高程测量方法。
常见的高程测量方法包括水准测量、GPS测量、激光测距等,根据不同的场景和精度要求进行选择。
3. 测量设备准备。
根据选择的测量方法,准备好相应的测量设备。
例如,进行水准测量时需要准备水准仪、水准杆等设备;进行GPS测量时需要准备GPS接收机、天线等设备。
4. 测量方案制定。
制定详细的测量方案,包括测量的具体步骤、测量设备的设置和校准、测量数据的记录方式等。
确保测量过程中的每一个环节都有详细的操作指南。
5. 测量实施。
按照制定的测量方案进行实施,确保测量过程中的每一个步骤都按照规定进行。
在测量过程中要注意安全,确保设备和人员的安全。
6. 数据处理与分析。
完成测量后,对测量数据进行处理和分析。
根据测量数据,计算出相应的高程数据,并进行误差分析和精度评定。
7. 结果报告。
编制高程测量结果报告,将测量过程和结果进行详细的记录和总结。
报告中应包括测量的具体情况、数据处理方法和结果、存在的问题和改进措施等内容。
三、总结。
高程测量是一项复杂的工作,需要严谨的态度和精密的操作。
通过制定详细的实施方案,可以有效地指导测量工作的进行,确保测量结果的准确性和可靠性。
希望本文档能够对相关人员在进行高程测量工作时提供一定的帮助。
四、附录。
1. 高程测量实施方案模板示例。
2. 高程测量常用设备清单。
3. 高程测量数据处理软件推荐。
以上即为高程测量实施方案模板的内容,希望能够对您在进行高程测量工作时提供一定的参考和帮助。
测量方案怎么写引言测量是科学研究、工程设计和生产制造中不可或缺的一部分。
一个良好的测量方案可以确保测量结果的准确性和可靠性,并指导后续的决策和行动。
本文将介绍如何撰写一个完整的测量方案,以确保测量工作的有效开展。
步骤一:确定测量目的和目标在开始撰写测量方案之前,首先需要明确测量的目的和目标。
这包括确定测量的主要目的、所涉及的参数、测量的范围和精度要求等。
只有明确了测量目的和目标,才能更好地确定测量的方法和流程。
步骤二:选择合适的测量方法根据测量的目的和目标,选择合适的测量方法是十分关键的。
常见的测量方法包括直接测量、间接测量和比较测量。
直接测量是指直接采集和记录被测量对象的数据;间接测量是通过已知参数和定量关系计算被测量对象的数据;比较测量是将被测量对象与已知标准进行比较。
在选择测量方法时,需要考虑测量的准确性、检测范围和适用性。
步骤三:确定测量设备和工具测量设备和工具的选择对于测量的准确性和可靠性至关重要。
根据测量方法,选择合适的测量设备和工具,确保其满足测量的要求。
在选择测量设备和工具时,需要考虑其精度、可靠性、稳定性和可操作性等因素。
同时,还需要注意校准和维护这些设备和工具,确保其始终处于良好的工作状态。
步骤四:制定测量流程测量流程是指按照一定的步骤进行测量的过程。
制定测量流程可以确保测量的一致性和可重复性。
测量流程应包括准备工作、实施测量、数据处理和结果分析等环节,每一步都需要详细描述操作方法和所需注意事项。
同时,还需要确定测量的次数和测量间隔,以确保测量结果的可靠性和稳定性。
步骤五:数据处理和结果分析在完成测量之后,需要对测量数据进行处理和结果分析。
数据处理包括数据的整理、统计和分析等。
结果分析可以根据测量目标和要求,对测量结果进行解读和评估,得出结论和建议。
同时,还需要对测量误差进行评估和修正,以提高测量结果的准确性和可信度。
步骤六:撰写测量报告最后,根据测量目的和结果,撰写测量报告是非常重要的一步。
检测方案怎么写检测方案指的是一种用来进行检测或测量的方法或步骤。
下面是一篇约700字的检测方案的写作示例:检测方案引言:检测方案是为了验证或测量某一特定要素或参数而设计的一种方法或步骤。
本检测方案旨在解决某一特定问题,并提供准确可靠的测量结果。
本方案将通过详细的步骤和相关的设备、技术和标准来确保测试任务的准确性和可重复性。
一、目的:本检测方案的目的在于确定XXXX要素/参数的浓度/含量/性质等,并为后续的分析和决策提供准确可靠的数据支持。
二、实验设计:准备样品:选择合适的样品来源,并遵循相应的采样和制备方法,以确保样品的真实性和可靠性。
建立标准曲线:准备一系列含有已知浓度的标准溶液,使用相同的分析方法对这些标准溶液进行测量,建立浓度与测量结果之间的线性关系的标准曲线。
三、检测方法:根据特定要素/参数的特性和检测的需求,选择合适的检测方法。
例如:色谱法、光谱法、质谱法、电化学法等。
确保检测方法的准确性和可靠性,并根据实际情况进行必要的修正和优化。
四、设备与试剂:详细列出使用的设备和试剂清单,并确保它们具备相关的认证和标准。
提供设备的型号、技术参数和规格,以及试剂的来源、纯度和保存情况等信息。
五、步骤:1. 样品准备:按照采样和制备方法,从样品中取出适当的数量。
2. 样品处理:根据特定要素/参数和检测方法的要求,进行必要的样品处理和前处理。
3. 测量:将处理完的样品放入测量设备中,按照相应的操作步骤进行测量。
4. 数据分析:根据测量结果,使用标准曲线或其他适当的方法,计算出要素/参数的浓度/含量/性质。
5. 结果记录与分析:将测量结果进行整理和记录,并进行必要的数据统计和分析。
6. 结论:对测量结果进行解读,并得出相应结论。
六、质量控制:为确保检测结果的准确性和可靠性,进行必要的质量控制。
可采用双重测量、平行实验等方法来进行验证和比对,同时进行质控样品的测量和比对。
七、风险评估:对检测过程中可能出现的风险进行评估和分析,力求减小潜在风险的影响,保证检测结果的可靠性。
检测东西的策划书3篇篇一《检测东西的策划书》一、策划背景在现代社会,物品的质量和安全性对于人们的生活和工作至关重要。
因此,需要一种有效的检测方法来确保物品的质量和安全性。
本策划书旨在设计一种综合性的检测方案,以满足不同领域对物品检测的需求。
二、检测内容1. 物理性能检测:包括尺寸、重量、强度、硬度等方面的检测。
2. 化学成分分析:对物品的化学成分进行分析,以确定其组成和含量。
3. 外观质量检测:检查物品的外观是否符合相关标准,如表面瑕疵、色泽均匀性等。
4. 功能性能检测:针对特定物品的功能进行检测,如电器产品的电气性能、机械设备的运行性能等。
5. 安全性能检测:检测物品是否符合安全标准,如防火、防爆、毒性等。
三、检测方法1. 物理检测:使用专业的测量工具和设备,如卡尺、天平、硬度计等,对物品进行物理性能的测量。
2. 化学分析:采用化学分析仪器,如光谱仪、色谱仪等,对物品的化学成分进行分析。
3. 视觉检测:通过人工或机器视觉系统,对物品的外观进行检查。
4. 功能测试:根据物品的功能要求,设计相应的测试方法和设备,对其进行功能性能测试。
5. 安全测试:按照相关安全标准,进行模拟实验和实际测试,评估物品的安全性能。
四、检测设备和环境1. 选择适合的检测设备,包括高精度测量仪器、化学分析仪器、视觉检测设备等。
2. 建立符合检测要求的实验室环境,包括温度、湿度、洁净度等条件的控制。
3. 确保检测设备的校准和维护,保证检测结果的准确性和可靠性。
五、检测流程1. 物品接收:对送检物品进行登记和分类,确保物品信息的准确性。
2. 检测准备:根据物品的特点和检测要求,制定详细的检测方案。
3. 检测实施:按照检测方案进行物理性能、化学成分、外观质量、功能性能和安全性能等方面的检测。
4. 数据记录和分析:对检测过程中的数据进行记录和分析,确保检测结果的准确性和完整性。
5. 检测报告:根据检测结果,编写详细的检测报告,包括物品的检测项目、检测结果、结论和建议等。
建筑工程测量方案一、说明为了保证建筑物轴线及梁、柱等位置的准确性,确保建筑物的垂直度和楼层高度,确保测量工作的高效率,高精度,本工程的测量工作必须严格按《工程测量规范》的要求,遵循先整体、后局部,先控制、后细部的原则进行测量控制。
高程控制网采用分级布网的原则,先高精度、后低精度。
首级控制采用国家四等水准测量,闭合水准线路,作为工程测量的依据;沉降观测水准基点联测采用国家二等水准测量,闭合水准线路,作为沉降观测的依据;沉降观测采用国家三等水准测量,符合水准线路。
二、本工程测量的技术特征本工程为高层建筑,所以建筑物垂直度的控制是至关重要的。
本工程占地面积大,而基坑周边场地狭窄,标高高差大,给平面控制网的布设及控制点的保护造成较大困难。
三、施工准备1、人员培训施工前,由项目总工组织项目部技术工程师、测量人员认真学习测量规范、规程,熟悉各种位置的测量、测设方法。
并对本工程的测量进行交底,明确测量要求,并对本工程的各部位测量工作作出具体的安排。
测量作业的要求如下:(1)严格执行审核原始数据的正确性,坚持测量工作步步校核,坚持自检、互检、交叉检的制度,合格后由技术工程师验线。
(2)遵循“从整体到局部”、“先控制后碎部”、“高精度控制低精度”的工作程序。
(3)测量记录要及时,数字正确、内容完整、字体工整、清楚、原始依据正确。
(4)测量结果现场标识要统一、明确,确保不让现场任何相关人员误解。
(5)测量计算的基本要求:依据准确、计算有序、方法科学、步步校核、结果可靠,记录中数字的位数反映观测的精度。
(6)测量人员必须明确为工程服务的目的,对按图施工和工程进度负责。
工作必须紧密配合施工,发扬团结协作、认真负责的工作作风。
测量人员必须要虚心学习、及时总结经验,发扬开创进取的创新精神。
2、职责划分(1)测量小组负责从测绘单位接收导线控制点(具体见总平面定位图)。
施工现场控制网的建立、楼层控制线投测、标高引测、沉降观测及其它重要部位的施工测量;测量工程师还负责对项目计量器具的管理、日常维护及检测。
工程测量方案怎么做的好一、工程测量方案的制定步骤(一)确定测量任务在制定工程测量方案之前,首先需要明确测量任务的具体内容和要求。
测量任务包括测量范围、测量对象、测量要素等内容,只有明确了测量任务,才能有针对性地制定测量方案。
(二)研究工程图纸根据工程图纸上的相关信息,包括工程设计图、布置图、平面图等,对测量范围、测量对象、测量要素等内容进行详细分析,并确定测量的具体方法和技术方案。
(三)选择测量技术和仪器根据测量任务的具体要求和测量对象的特点,选择合适的测量技术和仪器。
比如在土建工程中,可以选择全站仪、裸眼测量等技术和仪器;在水利工程中,可以选择水准仪、流量计等技术和仪器。
(四)确定测量控制点在工程测量中,测量控制点是十分重要的。
测量控制点的选取应充分考虑到测量的准确性和可靠性,同时还要考虑到测量的方便性和经济性。
(五)编制测量作业图根据工程图纸和测量任务的具体要求,对测量范围和测量要素进行详细分析和勘测,并制定出测量作业图,以指导测量人员的具体操作。
(六)确定测量方法和程序根据测量任务的要求和测量控制点的位置,确定测量的具体方法和程序。
比如在土建工程中,可以选择裸眼测量或者全站仪测量等方法和程序;在水利工程中,可以选择三角测量或者水准测量等方法和程序。
(七)组织实施测量工作根据制定的测量方案,对测量人员进行培训和指导,组织实施测量工作,确保测量工作的准确性和及时性。
(八)数据处理和分析对测量所得的数据进行处理和分析,得出测量结果,并与设计图纸进行对比,确保测量的准确性和一致性。
(九)编制测量报告根据测量结果,编制测量报告,对测量过程和结果进行总结和分析,为工程施工提供参考依据。
二、工程测量方案的注意事项(一)严格按照测量任务要求制定测量方案制定测量方案时,应严格按照测量任务的具体要求进行制定,确保测量方案的针对性和实用性。
(二)合理选择测量技术和仪器在选择测量技术和仪器时,应根据测量任务的要求和测量对象的特点,合理选择适合的测量技术和仪器。
XXXXXXXXX项目结构实体位置与尺寸偏差检验方案编制:审批:XXXXX有限公司2020年6月 2日目录一、工程概况: (3)二、检测目的 (3)三、检测依据 (3)四、检测项目 (3)五、检测方法和检测数量: (3)六、检测仪器设备 (6)七、检测所需的配合工作 (8)八、检测工作进度计划 (8)九、检测中的安全措施 (8)检测方案一、工程概况:工程名称:XX结构类型: 框架结构总层数:地下2层、地上5层建设单位: X设计单位: X监理单位: X施工单位:X二、检测目的: 结构实体位置及尺寸偏差检验三、检测依据、标准及相应技术资料1.《建筑工程施工质量验收统一标准》(GB50300-2013);2.《混凝土结构工程施工质量验收规范》(GB50204-2015);5.《建筑结构检测技术标准》GB/T50344-2004;6.省、市工程质量监督管理站有关文件、规定;7.工程设计图纸、文件。
四、检测项目1、检测范围:妇保楼负二层至五层,与结构安全有关的柱、梁、板等重要结构构件。
2、检测内容:(1)柱子:截面尺寸、垂直度;(2)梁:梁高;(3)板:楼板厚度;(4)层高;3、检测方法和检测数量:1)、柱子截面尺寸偏差1.1、合格标准:截面尺寸偏差[-5,10]mm1.2、测量工具:5m钢卷尺1.3、测量方法和数据记录:a、以钢卷尺测量同一面墙/柱截面尺寸,精确至1毫米。
b、同一层柱子作为1个实测区,累计实测实量5个实测区,构件总量的1%且不少于3个构件。
c、每个实测区从地面向上0.3m、1.2m和1.8m各测量截面尺寸1次,选平均值,作为判断该实测指标合格率的1个计算点。
d、示例1.4、检测数量:根据规范《混凝土结构工程施工质量验收规范》(GB50204—2015)附录F.0.1,对梁、柱子截面尺寸检测构件名称部位轴号总构件数现场抽检数量柱子妇保楼负二层至五层柱负一层2轴交C轴;一层2轴交C轴三层2轴交C轴五层2轴交C轴315根4根2)、柱墙垂直度检测2.1合格标准:截面尺寸偏差[-5,10]mm2.2测量工具:3米靠尺、经纬仪2.3测量方法和数据记录:a、当墙长度小于3米时,同一面墙距两端头竖向阴阳角约30cm位置,分别实测2次;这2个实测值分别作为判断该实测指标合格率的2个计算点,有砼墙体洞口一侧为垂直度必测部位,这1个实测值作为判断该实测指标合格率的1个计算点;b、当墙长度大于3米时,同一面墙距两端头竖向阴阳角约30cm和墙中间位置,分别实测3次,这3个实测值分别作为判断该实测指标合格率的3个计算点。
大尺寸测量检测设计方案设计方案案例本方案为某轨道交通行业工艺研究所,大零部件尺寸测量检测,基于接触式测量及精密机械技术。
1.内径测量原理1)量具校准百分表(或者千分表)和加长杆安装好,放在标准件校准,使百分表读数为零。
示意图如下: 2)内径测量将百分表和加长杆放在待测工件上,观察百分表读数,该读数就是待测工件尺寸同标准件的差值,由此得出待测尺寸,示意图如下:2. 外径尺寸测量1)量具校准:将百分表和加长杆安装好,放在标准件校准,使百分表读数为零,示意图如下: 2)外径尺寸测将百分表和加长杆放在待测工件上,观察百分表读数,该读数就是待测工件尺寸同标准件的差值,待测尺寸由此测得,示意图如下:3. 测量技术原理:大尺寸精密检测是机械行业的难题,我们采用一个经过精密校准的基准尺寸(标准件或量块)同待测尺寸比较。
用百分表和加长杆测量待测尺寸,当待测尺寸同基准值差值为零时,则待测尺寸等于基准值,从而精密地测出了待测尺寸。
如待测尺寸同基准值差值不为零,该差值就是待测尺寸实际偏差。
此方案的优点:1)高精度,例如2000mm的尺寸,可以达到±0.01mm2)可以长时间保持高精度龙霖公司简介龙霖科技有限公司是一家工业产品快速自动化检测、光电检测及图像影像测量解决方案提供商。
公司总成光、机、电、计算机一体化等多种复合测量检测技术,业务范围涉及:自动化检测设备及项目研发,光电检测设备及项目研发,机器视觉系统集成及项目研发,专用三维测量设备开发,自动化及机电一体化设备及项目研发,高精度计量、检测设备及工具设计与制造等等。
应用领域遍及轨道交通、军工、航空航天、重工船舶、汽车制造、机床模具、加工设备等装备制造业。
龙霖科技以强大技术优势引领中国自动化检测设备,测量仪器和专用测量设备的高端市场,研发技术支持来源于资深行业专家及高级工程师、国内的大学和研究所设计院。
我们拥有自己在自动化技术和光电学技术领域整合能力,完善的工业检测解决方案设计能力及快速检测能力。
打造为客户定向开发及个性化需求定制的新模式。
提供机械设计、生产制造、品质控制等制造业的计量检测解决方案。
公司将最先进测量检测技术为中国的制造业服务,解决计量测量检测难题;致力于发展轻、精、快计量检测设备而奋斗。
服务范围自动化检测设备及项目研发现代计量检测行业,传统接触式已远远不能满足测量检测要求,会越来越多采用非接触式光电检测技术等综合检测技术手段,配置在装配组装过程控制生产线从而实现现场在线快速自动化,朝着快速、精准、有效的高端测量检测方向发展。
公司承接以下业务:1.光学,声学快速测量检测技术1)基于机器视觉检测技术设备项目研发2)基于CCD成像检测技术设备及项目研发3)基于影像检测技术设备及项目研发5)基于光栅检测技术设备及项目研发6)基于超声波检测技术设备及项目研发2.快速测量检测线项目设计3.快速自动化检测设备研发4.在线高精度智能化检测工程设计5.数字化制造全过程测量项目设计6.现场快速检测线设备及项目研发7.产品及零部件表面质量控制检测设备研发非标计量与检测设备项研发“非标计量与检测设备”就是根据用户的用途需要量身定做,定向开发设计制造的设备。
公司承接以下业务:1.非标计量检测设备研发2.专用计量检测设备研发3.特殊参数计量检测设备研发4.新产品各类参数计量检测设备研发5.行业专用计量检测设备研发6.特殊、特种产品测量检测设备研发及制造7.装备制造业大型综合检测线设计机器视觉系统集成及项目研发机器视觉就是用机器代替人眼来做测量和判断。
可提高生产的产品质量和生产线自动化程度。
尤其是在一些不适合于人工作业的危险工作环境或人眼难以满足要求的场合,需采用机器视觉来替代人工视觉;同时在大批量工业生产过程中,用人工视觉检查产品质量效率低且精度不高,用机器视觉检测方法可以大大提高生产效率和生产的自动化程度。
我们在为客户服务实际方案中,整合了机器视觉系统技术为客户的量身定向开发设计,取得了满意的效果。
公司承接以下业务:1.基于机器视觉的几何量计量检测系统研发2.基于机器视觉的智能集成测试系统3.基于机器视觉的工件识别及安装检测系统研发4.基于机器视觉的工件表面缺陷检测系统研发5.基于机器视觉的自动化检测项目研发6.基于机器视觉的快速在线检测系统研发光电检测设备及项目研发光电检测集合了计算机及软件技术、光学、光学成像、声学、精密机械、自动化学、传感等多种混合技术。
光电检测技术在现代的测量检测技术越来越重要。
公司承接以下业务:1.光电学计量检测设备及项目研发1)基于CCD成像技术检测设备研发2)基于影像检测技术检测设备研发3)基于机器视觉技术检测设备及项目研发4)基于激光技术检测设备研发5)基于光栅技术检测设备研发6)大型光电学自动化检测设备及项目设计开发2.声学计量检测设备及项目研发1)超声波非接触检测设备及项目研发2)其它声波非接触检测设备及项目研发非接触式检测设备及项目研发非接触式就是不用接触被检测物件就能测量检测所需的目标功能。
非接触式集合了计算机及软件技术、光学、光学成像、声学、精密机械、自动化学、传感技术等多种混合技术。
公司承接以下业务:1. 基于CCD成像技术计量检测设备研发2. 基于影像检测技术检测设备研发3. 基于机器视觉技术检测设备及项目研发4. 基于激光技术检测设备研发5. 基于光栅技术检测设备研发6. 大型光电学自动化检测设备及项目设计开发7. 超声波非接触式检测设备及项目研发8. 专用非接触式检测设备及项目研发9. 基于传感技术非接触式计量检测设备及项目研发10.基于微波射线技术非接触计量检测设备及项目研发三维测量设备及项目开发传统上,小零件可以采用游标卡尺等工具进行测量,对于大型铸件零件精密测量,传统的测量工具是没有办法满足测量检测要求,而采用三维测量技术很好的解决了的难题。
公司承接以下业务:1.专用的三坐标测量仪开发2.非接触式三维(三次元)测量仪开发3.专用的三维数字化仪开发研制4.三维数字化测量系统设计自动化及机电一体化设备及项目研发自动化及机电一体化就是利用各种技术手段和方法来代替人去完成各种测试、分析、判断和控制工作,以现实预期的控制及检测目标、功能。
涉及光学、声学、控制及自动化、PLC、机电、精密机械、微电子、专用计算机软硬件等技术领域。
公司承接以下业务:1.自动化生产检测线设计2.PLC 控制系统及工控设备设计3.工业检测系统和工业自动控制系统研发4.生产过程自动化控制设备及项目研发5.工业过程测量与控制过程设备及项目研发6.机电一体化产品的开发、设计与制造7.现场在线检测自动化设备研发8.基于工业无线通信技术现场总线测量与控制项目研发9.工业自动化系统与集成项目研发专用特殊检测工具和设备研发在日常生产中,经常会有些各种特殊功能检测要求,但现有标准测量检测工具及设备又不能满足其检测要求,需量身定做定向开发设计。
公司承接以下业务:1.产品质量类专用特殊检测设备研发2.特殊参数要求类专用特殊检测设备研发3.特定的工作环境类专用特殊检测设备研发4.特殊的工艺流程要求类专用检测设备研发5.提高检测效率类专用特殊检测设备研发6.手持携带类专用特殊检测工具及设备研发定制计量检测设备我们拥有强大的设计与研发团队,充分满足您个性化的测量需求,为您提供系统的测量解决方案和定制(定向开发)服务。
公司承接以下业务:1.非接触精密专用检测仪器设备设计2.各类非标、特殊、高精密、专用检测仪器设备设计3.专用的各类量具量仪设计4.特殊环境、高精密、专用计量检测设备设计5.振动类复杂综合检测设备研发6.机床类专用检测设备设计7.多个检测目标大中型综合检测工具及设备研发8.汽车零部件专用检测工具及设备设计9.轨道交通专用检测工具及设备设计10.客户提供设计图,我们制造生产。
定制计量检测工具我们拥有强大的设计与研发团队,充分满足您个性化的测量需求,为您提供系统的测量解决方案和计量检测工具定制(定向开发)服务。
公司承接以下业务:1.数显量具类专用量检具设计2.卡尺类专用量检具设计3.容栅类数显专用量检具设计4.指示表类专用量检具设计5.光栅类数显专用量检具设计6.位置度类专用量检具设计7.行业专用的各类量具量仪设计8.量具量仪类专用量检具设计9.特殊环境,材质要求,高精密,专用量检具设计10.特殊产品的专用检测工具设计11.振动类复杂综合检测工具设计12.机床模具类专用检测工具设计13.客户提供设计图,我们制造生产非标量检具设计公司承接以下业务:1. 非标专用量具设计2. 非标专用检具设计3. 非标专用量检具设计4. 非标计量检测工具设计5. 非标精密几何量计量检测工具设计6. 位置度专用量检具设计7. 非标大直径测量工具设计8. 大型综合检测专用检具9. 轮毂类专用检测工具设计10.高精密专用塞规设计11.非标承轴类检测工具设计12.深度类专用检测工具设计13.软管类专用计量检测工具设计。